华科专升本计算机系统结构-作业全
- 格式:doc
- 大小:194.00 KB
- 文档页数:10
3.1 简述流水线技术的特点。
(1) 流水线把一个处理过程分解为若干个子过程,每个子过程由一个专门的功能部件来实现。
因此,流水线实际上是把一个大的处理功能部件分解为多个独立的功能部件,并依靠它们的并行工作来提高吞吐率。
(2) 流水线中各段的时间应尽可能相等,否则将引起流水线堵塞和断流。
(3) 流水线每一个功能部件的前面都要有一个缓冲寄存器,称为流水寄存器。
(4) 流水技术适合于大量重复的时序过程,只有在输入端不断地提供任务,才能充分发挥流水线的效率。
(5) 流水线需要有通过时间和排空时间。
在这两个时间段中,流水线都不是满负荷工作。
3.2 解决流水线瓶颈问题有哪两种常用方法?答:细分瓶颈段与重复设置瓶颈段 3.3 有一条指令流水线如下所示:(1用两给出条指(1)(24⏹变八级流水线(细分) ⏹重复设置部件)(ns 851T nTP 1pipeline-==3.4 有一个流水线由4段组成,其中每当流过第三段时,总要在该段循环一次,然后才能流到第4段。
如果每段经过一次所需的时间都是△t ,问:(1)当在流水线的输入端连续地每△t 时间输入一个任务时,该流水线会发生什么情况?(2)此流水线的最大吞吐率为多少?如果每2△t 输入一个任务,连续处理10个任务时,其实际吞吐率和效率是多少?(3)当每段时间不变时,如何提高流水线的吞吐率?人连续处理10个任务时,其吞吐率提高多少?解:(1)会发生流水线阻塞情况。
(2)(3)重复设置部件吞吐率提高倍数=tt ∆∆231075=1.643.5 有一条动态多功能流水线由5段组成,加法用1、3、4、5段,乘法用1、2、5段,第2段的时间为2△t ,其余各段的时间均为△t ,而且流水线的输出可以直接返回输入端或暂存于相应的流水线寄存器中。
现在该流水线上计算∏=+41)(i i iB A,画出时空图,并计算其吞吐率、加速比和效率。
+B 4;再计算由图可见,它在18个△t 时间中,给出了7个结果。
2022年华中科技大学软件工程专业《计算机系统结构》科目期末试卷A(有答案)一、选择题1、推出系列机的新机器,不能更改的是( )A.原有指令的寻址方式和操作码B.系统总线的组成C.数据通路宽度D.存贮芯片的集成度2、下列关于标量流水机的说法不正确的是()A.可对标量数据进行流水处理B.没有向量数据表示C.不能对向量数据进行运算D.可以对向量、数组进行运算3、传统机器语言机器级,是用()来()机器指令。
A.硬件,翻译B.编译程序,翻译C.微指令程序,解释D.微指令程序,翻译4、系列机软件应做到( )。
A.向前兼容,并向上兼容B.向后兼容,力争向上兼容C.向前兼容,并向下兼容D.向后兼容,力争向下兼容5、在计算机系统的层次结构中,机器被定义为()的集合体A.能存储和执行相应语言程序的算法和数据结构B.硬件和微程序(固件)C.软件和固件D.软件和硬件6、对系统程序员不透明的应当是( )。
A.Cache存贮器XB.系列机各档不同的数据通路宽度C.指令缓冲寄存器D.虚拟存贮器7、在多用户机器上,应用程序员不能使用的指令是()A.“执行”指令B.“访管”指令C.“启动IO”指令D“测试与置定”指令8、非线性流水线是指( )A.一次运算中使用流水线中的多个功能段B.一次运算中要多次使用流水线中的某些功能段C.流水线中某些功能段在各次运算中的作用不同D.流水线的各个功能段在各种运算中有不同的组合9、在计算机系统设计中,比较好的方法是( )A.从上向下设计B.从下向上设计C.从两头向中间设计D.从中间开始向上、向下设计10、属计算机系统结构考虑的是()A.主存采用MOS还是TTLB.主存采用多体交叉还是单体C.主存容量和编址方式D.主存频宽的确定二、填空题11、段式虚拟存贮器是用________表来进行地址映象和变换的。
12、目前已有的向量处理机结构主要采用________和________两种结构。
13、多功能流水线各功能段同时可按不同运算或功能联接工作,称此流水线为________流水线。
计算机系统结构习题课1、选择题系统多级层次中,从下层到上层,各级相对顺序正确的是(B )A 汇编语⾔机器级——操作系统机器级——⾼级语⾔机器级B 微程序机器级——传统机器语⾔机器级——汇编语⾔机器级C传统机器语⾔机器级——⾼级语⾔机器级——汇编语⾔机器级D汇编语⾔机器级——应⽤语⾔机器级——⾼级语⾔机器级2、汇编语⾔源程序变换成机器语⾔⽬标程序是经(D )来实现的。
A 编译程序解释B 汇编程序解释C 编译程序翻译D 汇编程序翻译3、对系统程序员不透明的应当是( D)A、CACHE存储器B、系列机各档不同的数据通路宽度C、指令缓冲寄存器D、虚拟存储器4、计算机系统结构不包括( A)A、主存速度B、机器⼯作状态C、信息保护D、数据表⽰5、系列机软件应做到(B )A 向前兼容,并向上兼容B 向后兼容,⼒争向上兼容C 向前兼容,并向下兼容D 向后兼容,⼒争向下兼容6、在计算机系统设计中,⽐较好的⽅法是( D)。
A、从上向下设计B、从下向上设计C、从两头向中间设计D、从中间开始向上、向下设计7、软件和硬件在实质上是完全不同的,但他们在( B)上是逻辑等价的。
A 性能B 功能C 系统结构D 价格8、在相同的机器字长和尾数位数的情况下,浮点数尾数基值取⼩,可使浮点数(B )A.运算过程中数的精度损失降低B.数在数轴上的分布变密C.可表⽰数的范围增⼤D.可表⽰数的个数增多9、浮点数尾数基值rm=8,尾数数值部分长6位,可表⽰的最⼩正尾数为(C )A.0.5 B. 0. 25 C. 0.125 D.1/6410、在尾数下溢处理⽅法中,平均误差最⼤的是(A )A.截断法 B. 舍⼊法C.恒置“1”法 D. ROM查表法11、IBM370系统中断响应优先级级别最低的是(D )A.机器校验中断 B. 外中断C.I/O中断 D. 重新启动中断12、不属于堆栈型替换算法的是(C )A.近期最少使⽤法 B.近期最久未⽤法C.先进先出法 D.页⾯失效频率法13、下列关于虚拟存贮器的说法,⽐较正确的应当是(D )A.访主存命中率随页⾯⼤⼩增⼤⽽提⾼B.访主存命中率随页⾯容量增加⽽提⾼C.更换替换算法能提⾼命中率D.在主存命中率低时,改⽤堆栈型替换算法,并增⼤主存容量,可提⾼命中率14、采⽤组相联映像的Cache存贮器,为提⾼其等效访问速度应(B )A.增⼤主存容量(Cache⼤⼩不变)B.增加Cache块数(块⼤⼩不变)C.减⼩组的⼤⼩(块⼤⼩不变)D.减⼩块的⼤⼩(组的⼤⼩不变)15、浮点数尾数基值rm=16,除尾符之外的尾数机器位数为8位时,可表⽰的规格化最⼤正尾数为(D )A.1/2 B. 15/16 C. 1/256 D. 255/25616、总线控制机构为解决N个部件使⽤总线时有限次序的裁决,集中式定时查询,需另外增加控制线根数为(C )log┐ D. N+2A.3 B. 2N+1 C. 2+┌N217、计算机组成设计不考虑( B )A.专⽤部件设置 B.功能部件的集成度C.控制机构的组成 D.缓冲技术18、属计算机系统结构考虑的应是(C )A.主存采⽤MOS还是TTL B.主存采⽤多体交叉还是单体C.主存容量和编址⽅式 D.主存频宽的确定19、与全相联相⽐,组相联映象的优点是(A )A ⽬录表⼩B 块冲突概率低C 命中率⾼D 主存利⽤率⾼20、同时性指两个或多个事件在同⼀时刻发⽣,并发性指两个或多个事件在(A)发⽣。
= 1.099(2)采用固定的2个时钟周期延迟时,程序执行的CPI = CPI基本+分支延迟= 1 + 15%×2=1.3显然采用分支目标缓冲器时程序执行时间更少,即速度更快。
4.5 假设分支目标缓冲的命中率为90%,程序中无条件转移指令的比例为5%,没有无条件转移指令的程序CPI值为1。
假设分支目标缓冲中包含分之目标指令,允许无条件转移指令进入分支目标缓冲,则程序的CPI值为多少?假设无条件分支指令不进入分支目标缓冲时程序执行的CPI为1.1解:无条件分支指令的特点是只要执行肯定分支成功。
因此,对于进入分支目标缓冲器的无条件分支指令,分支预测的精度为100%,也就不会带来分支延迟。
而没有进入分支目标缓冲器的无条件分支指令会带来一定分支延迟。
首先要求出一条无条件分支指令的分支延迟是多少,不妨设为x个时钟周期。
由题知无条件分支指令不进入分支目标缓冲时程序执行的CPI 为1.1,而程序中没有无条件转移指令的CPI为1,因此有CPI = CPI无分支指令+无条件分支延迟= 1 + 5%x = 1.1 所以x= 2因此,允许无条件分支指令进入分支目标缓冲器时,(5)伪相联Cache(6)硬件预取技术(7)由编译器控制的预取(8)编译器优化。
5.5 简述减小cache失效开销的几种方法。
答:(1) 让读失效优先于写。
(2) 写缓冲合并。
(3) 请求字处理技术。
(4) 非阻塞Cache或非锁定Cache技术。
(5) 采用二级Cache。
5.8 组相联Cache的失效率比相同容量直接映像Cache的失效率低。
由此能否得出结论:采用组相联映像一定能带来性能上的提高?为什么?答:不一定。
因为组相联命中率的提高是以增加命中时间为代价的,组相联需要增加多路选择开关。
5.10 假设对指令Cache的访问站全部访问的75%;而对数据Cache的访问占全部访问的25%。
Cache的命中时间为1个时钟周期,失效开销为50个时钟周期,在混合Cache中一次load或store操作访倍,而两路组相联Cache的平均性能比直接映象cache要高1.003倍。
…第1章计算机系统结构的基本概念解释下列术语层次结构:按照计算机语言从低级到高级的次序,把计算机系统按功能划分成多级层次结构,每一层以一种不同的语言为特征。
这些层次依次为:微程序机器级,传统机器语言机器级,汇编语言机器级,高级语言机器级,应用语言机器级等。
虚拟机:用软件实现的机器。
翻译:先用转换程序把高一级机器上的程序转换为低一级机器上等效的程序,然后再在这低一级机器上运行,实现程序的功能。
【解释:对于高一级机器上的程序中的每一条语句或指令,都是转去执行低一级机器上的一段等效程序。
执行完后,再去高一级机器取下一条语句或指令,再进行解释执行,如此反复,直到解释执行完整个程序。
计算机系统结构:传统机器程序员所看到的计算机属性,即概念性结构与功能特性。
在计算机技术中,把这种本来存在的事物或属性,但从某种角度看又好像不存在的概念称为透明性。
计算机组成:计算机系统结构的逻辑实现,包含物理机器级中的数据流和控制流的组成以及逻辑设计等。
《计算机实现:计算机组成的物理实现,包括处理机、主存等部件的物理结构,器件的集成度和速度,模块、插件、底板的划分与连接,信号传输,电源、冷却及整机装配技术等。
系统加速比:对系统中某部分进行改进时,改进后系统性能提高的倍数。
Amdahl定律:当对一个系统中的某个部件进行改进后,所能获得的整个系统性能的提高,受限于该部件的执行时间占总执行时间的百分比。
程序的局部性原理:程序执行时所访问的存储器地址不是随机分布的,而是相对地簇聚。
包括时间局部性和空间局部性。
/CPI:每条指令执行的平均时钟周期数。
测试程序套件:由各种不同的真实应用程序构成的一组测试程序,用来测试计算机在各个方面的处理性能。
存储程序计算机:冯·诺依曼结构计算机。
其基本点是指令驱动。
程序预先存放在计算机存储器中,机器一旦启动,就能按照程序指定的逻辑顺序执行这些程序,自动完成由程序所描述的处理工作。
系列机:由同一厂家生产的具有相同系统结构、但具有不同组成和实现的一系列不同型号的计算机。
计算机系统结构(09Q计算机专升本)模拟题答案计算机系统结构(专升本)模拟题答案⼀、单选1. 对汇编语⾔程序员透明的是(A )。
A.Cache内容的存取B.浮点运算C.程序性中断D.存取操作数2. 通常计算机中采⽤浮点数来表⽰数学中的实数,如果浮点数尾数基值取⼤,下列说法中不正确的是(C )。
A.扩⼤浮点数的表⽰范围B.增加可表⽰数的个数C.增加数据的表⽰精度D.提⾼运算速度3. RISC计算机中采⽤重叠寄存器窗⼝的作⽤是(B )。
A.减少运算过程中对内存储器的访问B.减少过程切换时参数保存和传递所花费的时间C.减少对内存容量的要求D.加快运算器的运算速度4. ⾮线性流⽔线的特征是(B )。
A.⼀次运算中使⽤流⽔线中的多个功能段B.⼀次运算中要多次使⽤流⽔线中的某些功能段C.流⽔线中某些功能段在各次运算中的作⽤不同D.流⽔线的各功能段在不同运算中可以有不同的连接5. CRAY-1的两条向量指令:;属于( B )。
A.没有功能部件冲突和源Vi冲突,可以并⾏B.没有功能部件冲突和源Vi冲突,可以链接C.没有源Vi冲突,可以交换执⾏顺序D.有向量Vi冲突,只能串⾏6. 流⽔机器对全局性相关的处理不包括(D )。
A.猜测法B.提前形成条件码C.加快短循环程序的执⾏D.设置相关专⽤通道7. 系列机软件应做到( B)。
A.向前兼容,并向上兼容B.向后兼容,⼒争向上兼容C.向前兼容,并向下兼容D.向后兼容,⼒争向下兼容8. 以提⾼存储容量为⽬的的存储器是(B)。
A.Cache存储器B.虚拟存储器C.并⾏访问存储器D.交叉访问存储器9. RISC执⾏程序的速度⽐CISC要快的关键原因是( C)。
A.RISC的指令系统的指令数较少B.程序在RISC上编译⽣成的⽬标程序较短C.RISC的指令平均周期数较少D.RISC只允许Load指令和store指令访存10. 对于机器语⾔程序员⽽⾔,以下(C )是透明的。
A.通⽤寄存器B.程序性中断C.Cache数据的存取D.主存储器11. 利⽤时间交叉概念实现并⾏处理的是(A )。
华师《计算机系统结构》在线作业-0005
对于向量和矩阵运算的指令,最好采用()地址指令结构
A:一
B:二
C:三
参考选项:C
组相联映象中,组内块数为时,成为直接映象
A:1
B:组数
C:区数
参考选项:A
系列机软件应做到()。
A:向前兼容,并向上兼容
B:向后兼容,力争向上兼容
C:向前兼容,并向下兼容
D:向后兼容,力争向下兼容
参考选项:B
直接执行微指令的是()。
A:汇编程序
B:编译程序
C:硬件
D:微指令程序
参考选项:C
虚拟存储技术适用于存储系统
A:主存-辅存
B:Cache-主存
C:Cache-辅存
参考选项:A
与全相连映象相比,组相连映象的优点是()。
A:目录表小
B:块冲突概率低
C:命中率高
D:主存利用率高
参考选项:A
一条指令可以处理相同类型的多个或多对数据的处理方式是A:标量处理
1。
2022年华中科技大学数据科学与大数据技术专业《计算机系统结构》科目期末试卷B(有答案)一、选择题1、在计算机系统的层次结构中,机器被定义为()的集合体A.能存储和执行相应语言程序的算法和数据结构B.硬件和微程序(固件)C.软件和固件D.软件和硬件2、输入输出系统硬件的功能对()是透明的。
A.操作系统程序员B.应用程序员C.系统结构设计人员D.机器语言程序设计员3、若输入流水线的指令既无局部性相关,也不存在全局性相关,则()。
A.可获得高的吞吐率和效率B.流水线的效率和吞吐率恶化C.出现瓶颈D.可靠性提高4、计算机系统结构不包括( )。
A.主存速度B.机器工作状态C.信息保护D.数据5、计算机组成设计不考虑( )。
A.专用部件设置B.功能部件的集成度C.控制机构的组成D.缓冲技术6、属计算机系统结构考虑的是()A.主存采用MOS还是TTLB.主存采用多体交叉还是单体C.主存容量和编址方式D.主存频宽的确定7、在操作系统机器级,一般用()程序()作业控制语句。
A.汇编程序,翻译B.汇编程序,解释C.机器语言,解释D.机器语言,翻译8、费林按指令流和数据流的多倍性把计算机系统分类,这里的多倍性指()。
A.系统瓶颈部件上处于同一执行阶段的指令流是数据流的多少倍。
B.系统瓶颈部件上处于同一执行阶段的数据流是指令流的多少倍。
C.系统瓶颈部件上处于同一执行阶段的指令或数据的最大可能个数。
D.A和B9、程序员编写程序时使用的地址是( )。
A.有效地址B.逻辑地址C.辅存实地址D.主存地址10、计算机组成设计不考虑()A.专用部件设置B.功能部件的集成度C.控制机构的组成D.缓冲技术二、填空题11、互连函数通常有的表示方法有________法、输入输出对应表示法、________12、Cache存贮器是增加辅助________件,使之速度接近于Cache的,容量是存的。
13、基准网络的开关控制方式为________采用________法实现单元控制。
2022年华中科技大学计算机应用技术专业《计算机系统结构》科目期末试卷A(有答案)一、选择题1、对系统程序员不透明的应当是()A.CACHE 存储器B.系列机各档不同的数据通路宽度C.指令缓冲寄存器D.虚拟存储器2、在尾数下溢处理方法中,平均误差最大的是()A.截断法B.舍入法C.恒置"1"法D.ROM查表法3、在计算机系统的层次结构中,机器被定义为()的集合体A.能存储和执行相应语言程序的算法和数据结构B.硬件和微程序(固件)C.软件和固件D.软件和硬件4、计算机系统的层次结构按照由高到低的顺序分别为()。
A.高级语言机器级,汇编语言机器级,传统机器语言机器级,微程序机器级B.高级语言机器级,应用语言机器级,汇编语言机器级,微程序机器级C.应用语言机器级,传统机器语言机器级,汇编语言机器级,操作系统机器级D.应用语言机器级,操作系统机器级,微程序机器级,传统机器语言机器级5、下列说法正确的是()A."一次重叠"是一次解释一条指令B."一次重叠"是同时解释相邻两条指令C.流水方式是同时只能解释两条指令D."一次重叠"是同时可解释很多条指令6、虚拟存储器常用的地址映象方式是( )A.全相联B.段相联C.组相联D.直接7、计算机系统多级层次中,从下层到上层,各级相对顺序正确的应当是()。
A.汇编语言机器级,操作系统机器级,高级语言机器级B.微程序机器级,传统机器语言机器级,汇编语言机器级C.传统机器语言机器级,高级语言机器级,汇编语言机器级D.汇编语言机器级,应用语言机器级,高级语言机器级8、输入输出系统硬件的功能对()是透明的。
A.操作系统程序员B.应用程序员C.系统结构设计人员D.机器语言程序设计员9、推出系列机的新机器,不能更改的是( )A.原有指令的寻址方式和操作码B.系统总线的组成C.数据通路宽度D.存贮芯片的集成度10、以下说法中,不正确的是,软硬件功能是等效的,提高硬件功能的比例会:( )A.提高解题速度B.提高硬件利用率C.提高硬件成本D.减少所需要的存贮器用量二、判断题11、指令间的读写相关是全局相关。
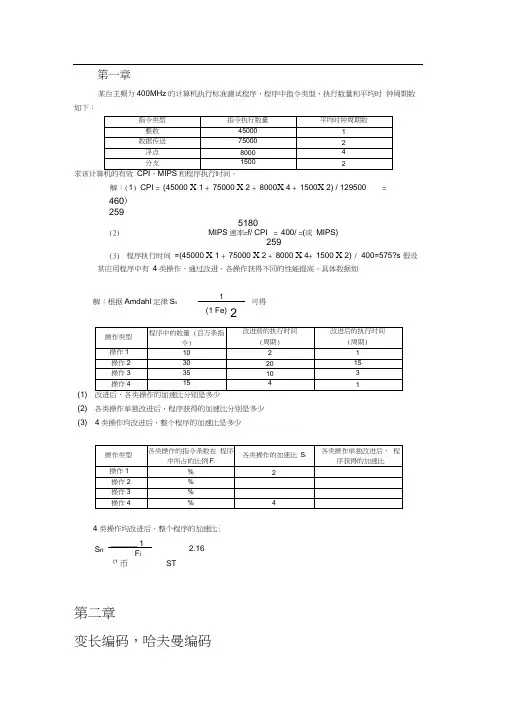
第一章 某台主频为400MHz的计算机执行标准测试程序,程序中指令类型、执行数量和平均时 钟周期数如下: 指令类型 指令执行数量 平均时钟周期数 整数 45000 1
数据传送 75000 2
浮点 8000
4
分支 1500 2
求该计算机的有效 CPI、MIPS和程序执行时间。
解:(1) CPI = (45000 X 1 + 75000 X 2 + 8000X 4 + 1500X 2) / 129500 = 460) 259 5180 (2) MIPS速率=f/ CPI = 400/ =(或 MIPS) 259
(3) 程序执行时间 =(45000 X 1 + 75000 X 2 + 8000 X 4+ 1500 X 2) / 400=575?s 假设某应用程序中有 4类操作,通过改进,各操作获得不同的性能提高。具体数据如
操作类型 程序中的数量 (百万条指令) 改进前的执行时间 (周期) 改进后的执行时间
(周期) 操作1 10 2 1
操作2 30 20
15
操作3 35 10
3
操作4 15 4 1
(1) 改进后,各类操作的加速比分别是多少
(2) 各类操作单独改进后,程序获得的加速比分别是多少
(3) 4类操作均改进后,整个程序的加速比是多少
操作类型 各类操作的指令条数在 程序中所占的比例Fi 各类操作的加速比 Si
各类操作单独改进后, 程
序获得的加速比 操作1 %
2
操作2 %
操作3 % 操作4 % 4
4类操作均改进后,整个程序的加速比:
______ 1 Fi
(1 币 ST
第二章 变长编码,哈夫曼编码
解:根据Amdahl定律Sn
1
(1 Fe) 2
可得
Sn
2.16 第三章 有一条指令流水线如下所示:
(1) 求连续输入10条指令的情况下,该流水线的实际吞吐率和效率。 (2) 该流水线的瓶颈在哪一段请采用两种不同的措施消除此瓶颈。对于你所给出的两种新 的流水线,连续输入 10条指令时,其实际吞吐率和效率各是多少 解: (1 )本题主要考察对各功能段用时不等的线性流水线的性能计算公式的掌握情况。
第一章作业 简答题 1、 简述什么是计算机系统结构。 2、 答:计算机系统结构是程序员所看到的计算机属性,即概念性结构与功能性结构。 3、 4、 计算机系统的层次从下到上包括哪些? 5、 答:计算机系统的层次从上到下包括微程序机器级、机器语言、操作系统虚拟机、汇编语言虚拟机、高级语言虚拟机、应用语言虚拟机。 6、 7、 Flynn分类法是以什么对计算机系统进行分类分成哪几类? 8、 答:Flynn分类法是以指令流和数据流的多倍性对计算机系统进行分类。Flynn分类法把计算机系统的结构分为以下4类:单指令流单数据流、单指令多数据流、多指令流单数据流、多指令流多数据流。 9、 10、 简述Amdahl定律及加速比计算公式。 答:Amdahl定律指出加快某部件执行速度所能获取得系统性加速比,受限于该部件的执行时间占系统中总执行时间的百分比。 加速比计算公式=系统性能(改进后)/系统性能(改进前)=总执行时间(改进前)/总执行时间(改进后)
计算题 5、如果某一些计算任务用向量方式求解比用标量方式求解快20倍。为达到加速比2,可用向量方式求解所花费时间占总的时间的百分比为多少 解:由题可知,系统加速比=2,部件加速比=20,通过向量方式求解可改进比例未知,可设为X。 根据Amdahl定律可知 系统加速比=1/[(1-X)+X/20]=2 求解得X=10/19 由此可得,可用向量方式求解所花费时间占总的时间的百分比魏53% 第二章作业 1、 简述指令集结构设计的基本原则。 完整性、规整性、高效性和兼容性 2、 简述RISC结构的设计原则。 1)选取使用频率最高的指令,并补充一些最有用的指令; 2)每条指令的功能应尽可能简单,并在一个机器周期内完成; 3)所有指令长度均相同; 4)只有Load和Store操作指令才访问存储器,其它指令操作均在寄存器之间进行; 5)以简单有效的方式支持高级语言。 3、一个处理机共有10条指令,各指令在程序中出现的概率如下: I1 I6 I2 I7 I3 I8 I4 I9 I5 I10 (1) 采用最优Huffman编码法,计算这10条指令的操作码最短平均长度。 (2) 采用Huffman编码法,计算这10条指令的操作码平均码长,信息冗余量。
1)操作码最短平均长度= 2)信息冗余量=%
第三章作业 1、当流水线中各个流水段的执行时间不完全相等时,流水线的最大吞吐率与实际吞吐率主要是由流水线中执行时间最长的那个流水段来决定的,这个流水段就成了整个流水线的“瓶颈”。解决流水线“瓶颈”问题的方法主要有哪两种 答:细分瓶颈段与重复设置瓶颈段两种方法。
2一条线性静态多功能流水线由6个功能段组成,加法操作使用其中的1,2,3,6功能段,乘法操作使用其中的1,4,5,6功能段,每个功能段的延迟时间均相等。流水线的输出端与输入端之间有直接数据通路,而且设有足够的缓冲及寄存器。用这条流水线计算
61iiiBAF。
(1) 画出流水线时空图; (2) 计算流水线的实际吞吐率,加速比和效率。 解:为了避免流水线的“先写后读”相关,使流水线完成计算的时间尽可能短,采用下述方法计算F: (a1xb1+a2xb2)+(a3xb3+a4xb4)+(a5xb5+a6xb6) 按先乘后加、先括号内后括号外的有限次序,上述计算F的过程需要先做6次乘法,用1~6表示;再做3个括号内的3次加法,用7~9表示;最后做括号外的2次加法,用10~11表示。 流水线时空图如下:
由时空图可得实际吞吐率为: TP=11/22∆t=∆t 加速比为: S=T0/Tk =(6x4∆t+5x4∆t)/22∆t=2 效率比: E=(4x11∆t)/(6x224x11∆t)≈ 3、一条由4个功能段组成的非线性流水线的预约表如下,每个功能段的延迟时间都为10ns(1ns=10-9秒)。 1 2 3 4 5 6 S1 X X S2 X X S3 X S4 X X (1) 写出流水线的禁止向量和初始冲突向量; (2) 画出状态图; (3) 求流水线的最小启动循环和最小平均启动距离。
1)禁止向量F=(5,2,1),冲突向量C=(10011) 2)
3)最小启动循环为(3),最小平均启动距离为3. 第4章作业 Cray 1向量处理机,V为向量寄存器,向量长度均为32;s为标量寄存器。所用浮点功能执行部件的执行时间为:从存储器读数6拍,加法6拍,相乘7拍,求倒数近似值14拍,启动、输出延迟各1拍。分析下列向量指令组中,哪些指令可以链接,哪些指令可以并行,并计算不同指令各指令组全部完成所需的拍数。 (1) V0←存储器 (2) V2←V0*V1 V1←V2+V3 V3←存储器 V4←V5*V6 V4←V2+V3 (3) V0←存储器 (4) V0←存储器 V3←V1+V2 V1←1/V0 V4←V0*V3 V3←V1+V2 V6←V4+V5 V5←V3*V4
解: 1)V0←存储器 2) V1←V2+V3 并行 3) V4←V5*V6
10011 C0 i=4 i=3
i≥6
9 31
访存 加 乘 总拍数=40(并行执行,以最长指令为准) 4)V2←V0*V1 并行 5) V3←存储器 6) V4←V2+V3 串行
总拍数=79(第3条错过时机,不能链接) 3)V0←存储器 并行 V3←V1+V2 链接 V4←V0*V3 V6←V4+V5 串行
4)V0←存储器 链接 V1←1/V0 链接 V3←V1+V2 V5←V3*V4 链接
9 31 乘 访存 加 8 31 第5章作业 一、单选题 1.与虚拟存储器的等效访问速度无关的是( D ) A. 页地址流 B. 页面调度策略 C. 主存的容 D. 辅存的容量
2.下列说法不正确的是( D ) A. 单体多字存储器能提高存储器频宽 B. 多体存储器低位交叉编址能提高存储器频宽 C. 多体存储器高位交叉编址便于扩大存储器容量 D. 多体存储器高位交叉编址能提高存储器频宽
3.直接存储器访问方式的并行性指的是( D ) A. 多个外设可同时并行地通过DMA控制器进行数据传送 B. 外设主存储器并行工作 C. CPU和主存器并行工作 D. CPU和DMA控制器并行工作
存储器主要是为了解决( B ) A. 扩大存储系统的容量 B. 提高存储系统的速度 C. 扩大存储系统的容量和提高存储系统的速度 D. 便于程序的访存操作
5.组相联映象,LRU替换的Cache存储器,不影响Cache命中率的是( C ) A. 增加Cache中的块数 B. 增大组的大小 C. 增大主存容量 D. 增大块的大小 二、计算题 设有一道程序,有1至5共五页,执行时的页地址流(即执行时依次用到的程序页页号)为: 2,3,2,1,5,2,4,5,3,2,5,2 若分配给该道程序的主存有3页,分别采用FIFO,LRU和最优替换算法。画出这3页的使用和替换过程,并计算命中率。 解: FIFO算法:替换最早装入主存的页; LRU算法:依据各块使用的情况,选择最近最少使用的块替换。
第6章作业 1、 简述评价I/O系统性能的主要参数。 评价I/O系统性能的参数主要有连接特性、I/O系统容量、响应时间和吞吐量。 2、 解释I/O系统的可靠性、可用性和可信性及其衡量指标。 可靠性:系统从初始状态开始一直提供服务的呢能力。 可用性:系统正常工作时间再连续两次正常服务间隔时间中所占的比率。 可信性:服务的质量,即再多大程度上可以合理地认为服务是可靠的。 衡量指标:平均故障间隔时间MTBF、故障率(Failure Rate)、平均修复时间(MTTR.)
3、 简述三种通道的类型及其工作方式。 按通道的工作方式,通道分为选择通道、字节多路通道和数组多路通道三种类型。 1)字节多路通道:通道每连接一台外围设备,只传送一个字节,然后又与另一台设备连接,并传送一个字节。 2)数组多路通道:通道每连接一台外围设备,传送一个数据块,传送完成后,又与另一台高速设备连接,再传送一个数据块。 3)选择通道:通道每连接一个外围设备,就把这个设备的多有待传字节全部传送完毕,然后再与另一台设备相连接。
4)4、一个字节多路通道连接有6台设备,它们的数传率(单位:B/ms)如下表所示: 设备名称 D1 D2 D3 D4 D5 D6 数传率 50 50 40 25 25 10 (1) 计算该通道的实际工作流量(单位:B/ms)。
(2) 若通道的最大流量等于实际工作流量,求通道的工作周期sDTT。 第7章作业 1. 设16个处理器编号分别为0,1,…,15,要用单级互连网络。当互连函数分别为 (1)Cube3(2)PM2+3(3)PM2-0 (4)Shuffle(5) Shuffle(Shuffle) 时,指出第13号处理器与哪个处理器连接。 答: 1)5 2)5 3)12 4)14 5)13
2. (1) 画出8个处理单元(编号0~7)互连的3级Omega网络。 (2) 采用终端标记寻径法(即用被要求连接的网络终端号D的二进制为di来决定开关级Ki的相应开关输入端与该开关的哪一个输出端连接:若di=0,则与开关的上输出端连接;若di=1,则与开关的下输出端连接),标出使5号处理单元的数据播送给0,2,4,6号处理单元,同时,4号播送给1,3, 5,7号处理单元时各开关的状态。
综合作业1 第一次综合作业
一、单选题 1. 计算机系统多级层次中,从上层到下层,各级相对顺序正确的应当是( B). A. 高级语言机器级,汇编语言机器级,微程序机器级 B. 微程序机器级,传统机器语言机器级,汇编语言机器级 C. 传统机器语言机器级,高级语言机器级,汇编语言机器级 D. 汇编语言机器级,应用语言机器级,高级语言机器级
2. 系列机在软件兼容上应做到( B ). A. 向前兼容,并向上兼容 B. 向后兼容,力争向上兼容 C. 向前兼容,并向下兼容