SG-T099、100石材幕墙工程检验批质量验收记录
- 格式:docx
- 大小:32.33 KB
- 文档页数:9
12345600000
施工执行标准名称及编号
安装允许
偏差 mm 石材幕墙工程检验批质量验收记录表
(一般项目)
GB50210-2001
(二)
单位(子单位)工程名称
分部(子分部)工程名称
施工单位
分包单位
施工质量验收规范的规定
一 般
项
目
施工单位检查评定结果
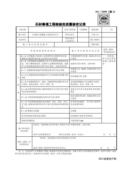
7细部质量密封胶缝滴水线石材表面质量幕墙垂直度幕墙水平度幕墙表面平整度板材立面垂直度表面质量压条施工单位检查评定记录0接缝高低差接缝宽度幕墙高度≤30m 30m<幕墙高度≤60m 60m<幕墙高度≤90m 幕墙高度>90m 板材上沿水平度相邻板材板角错位阳角方正专业工长(施工员)
10
15202532
1项目专业质量检查员:接缝直接度第9.4.14条第9.4.15条第9.4.16条第9.4.17条第9.4.18条第9.4.19条
3分包项目经理
验收部位项目经理施工班组
监理(建设)单位验收结论
专业监理工程师
(建设单位项目专业技术负责人):
030703
部位
经理
理
监理(建设)单位验
收记录
工班组长
年 月 日
年 月 日。
石材幕墙安装工程检验批质量验收记录石材幕墙安装工程是建筑外墙装饰的重要部分,对整个建筑的外观质量和安全稳定性有着重要影响。
为确保石材幕墙安装工程的质量,需要进行检验批质量验收记录。
下面是一份1200字以上的石材幕墙安装工程检验批质量验收记录示例:
项目名称:XX大厦石材幕墙安装工程
项目地点:XX市XX区XX街道
工程编号:XX001
施工单位:XX建筑工程有限公司
验收日期:20XX年XX月XX日
一、施工单位基本情况
1.施工单位名称:XX建筑工程有限公司。
0309030100103090301001注:本表内容的填写需依据《现场验收检验批检查原始记录》。
本检验批质量验收的规范依据见本页背面。
填写说明一、填写依据1 《建筑装饰装修工程质量验收规范》GB50210-2001。
2 《建筑工程施工质量验收统一标准》GB50300-2013。
二、检验批划分各分项工程的检验批应按下列规定划分:1 相同设计、材料、工艺和施工条件的幕墙工程每500~1000应划分为一个检验批,不足500也应划分为一个检验批。
2 同一单位工程的不连续的幕墙工程应单独划分检验批。
3 对于异型或有特殊要求的幕墙,检验批的划分应根据幕墙的结构、工艺特点及幕墙工程规模,由监理单位(或建设单位)和施工单位协商确定。
三、GB50210-2001规范摘要主控项目9.4.2 石材幕墙工程所用材料的品种、规格、性能和等级,应符合设计要求及国家现行产品标准和工程技术规范的规定。
石材的弯曲强度不应小于8.0MPa;吸水率应小于0.8%。
石材幕墙的铝合金挂件厚度不应小于4.0mm,不镑钢挂件厚度不应小于3.0mm。
检验方法:观察;尺量检查;检查产品合格证书、性能检测报告、材料进场验收记录和复验报告。
9.4.3 石材幕墙的造型、立面分格、颜色、光泽、花纹和图案应符合设计要求。
检验方法:观察。
9.4.4 石材孔、槽的数量、深度、位置、尺寸应符合设计要求。
检验方法:检查进场验收记录或施工记录。
9.4.5 石材幕墙主体结构上的预埋件和后置埋件的位置、数量及后置埋件的拉拔力必须符合设计要求。
检验方法:检查拉拔力检测报告和隐蔽工程验收记录。
9.4.6 石材幕墙的金属框架立柱与主体结构预埋件的连接、立柱与横梁的连接、连接件与金属框架的连接、连接件与石材面板的连接必须符合设计要求,安装必须牢固。
检验方法:手扳检查;检查隐蔽工程验收记录。
9.4.7 金属框架和连接件的防腐处理应符合设计要求。
检验方法:检查隐蔽工程验收记录。
石材幕墙工程检验批质量验收记录工程名称分项工程名称石材幕墙验收部位一、二层施工单位江西建工机械施工有限责任公司项目负责人专业工长分包单位项目负责人(分包单位)施工班组长施工执行标准及编号材料名称质量验收规范的规定施工单位检查评定记录监理(建设)单位验收记录主控项目9.4.5石材幕墙主体结构上的预埋件和后置埋件的位置、数量及后置埋件的拉拔力必须符合设计要求不锈钢预埋件的位置、数量均符合设计要求经检查,符合设计要求和施工规范要求9.4.6石材幕墙的金属框架立柱与主体结构预埋件的连接、立柱与横梁的连接、连接件与金属框架的连接、连接件与石材面板的连接必须符合设计要求,安装必须牢固连接符合设计要求,安装牢固9.4.7金属框架和连接件的防腐处理应符合设计要求查隐蔽记录(021#)防腐处理符合设计要求9.4.8石材幕墙的防雷装置必须与主体结构防雷装置可靠连接防雷装置可靠连接9.4.9石材幕墙的防火、保温、防潮材料的设置应符合设计要求,填充应密实、均匀、厚度一致采用耐热钢板防火层设置符合要求,填充密实、均匀、厚度一致9.4.10各种结构变形缝、墙角的连接节点应符合设计要求和技术标准的规定连接点符合设计要求和技术标准的规定9.4.11石材表面和板缝的处理应符合设计要求表面无擦伤和划伤,板缝处理符合设计要求9.4.12石材幕墙的板缝注胶应饱满、密实、连续、均匀、无气泡,板缝宽度和厚度应符合设计要求和技术标准的规定采用硅胶封板缝,符合设计要求和技术标准的规定9.4.13幕墙应无渗漏无渗漏技术变更或技术核定执行情况C轴墙面已按技术变更执行放射性检测情况合格见报告xxx施工单位检查评定结果经检查,该检验批主控项目施工质量符合设计和规范要求,自检合格。
项目专业质量检查员:项目专业质量(技术)负责人:年月日监理(建设)单位验收结论经检查,该检验批主控项目质量评定为合格。
监理工程师(建设单位项目技术负责人):年月日单位项目技术负责人)组织项目专业质量(技术)负责人等进行验收。
石材幕墙工程检验批质量验收记录表(主控项目)工程名称:施工质量验收规范的规定施工单位检查评定记录主控项目1 幕墙材料质量石材幕墙工程所用材料的品种、规格、性能和等级,应符合设计要求及国家现行产品标准和工程技术规范的规定。
石材的弯曲强度度不应小于8.0MPa;吸水率应小于0.8%。
石材幕墙的铝合金挂件厚度不应小于4.0mm。
不诱钢挂件厚度不应小于3.0mm。
2造型、分格、颜色、光泽、花纹、图案石材幕墙的造型、立面分格、颜色、光泽、花纹和图案应符合设计要求。
3石材孔、槽、深度、位置、尺寸石材孔、槽的数量、深度、位置、尺寸应符合设计要求。
4 预埋件和后置埋件石材幕墙主体结构上的预埋件和后置埋件的位置、数量及后置埋件的拉拔力必须符合设计要求。
5 各种构件连接石材幕墙的金属框架立柱与主体结构预埋件的连接、立柱与横粱的连接、连接件与金属框架的连接、连接件与石材面板的连接必须符合设计要求,安装必须牢固。
6 框架和连接件防腐金属框架和连接件的防腐处理应符合设计要求。
7 防雷装置石材幕墙的防雷装置必须与主体结构防雷装置可靠连接。
8防火、保温、防潮材料石材幕墙的防火、保温、防潮材料的设置应符合设计要求,填充应密实、均匀、厚度一致。
9结构变形缝、墙角连接点各种结构变形缝、墙角的连接节点应符合设计要求和技术标准的规定。
10 表面和板缝处理石材表面和板缝的处理应符合设计要求。
11 板缝注胶石材幕墙的板缝注胶应饱满、密实、连续、均匀、无气泡,板缝宽度和厚度应符合设计要求和技术标准的规定。
12 防水石材幕墙应无渗漏。
第三方验收结论:验房师:年月日说明主控项目1、观察和尺量检查;检查产品合格证书、性能检测报告、材料进场验收记录和复验报告。
2、观察检查。
3、检查进场验收记录或施工记录。
4、检查拉拔力检测报告和隐蔽工程验收记录。
5、手扳检查;检查隐蔽工程验收记录。
6、检验方法:检查隐蔽工程验收记录。
7、观察和检查隐蔽工程验收记录和施工记录。
石材幕墙安装检验批质量验收记录日期:年月日工程名称:工程地点:承包方:监理单位:现场监理人员:一、项目概述二、质量验收标准和方法根据设计文件、相关规范及施工技术要求,石材幕墙安装的质量验收标准主要包括以下几个方面:1.石材材质:包括石材的种类、规格、色彩和表面处理等,要符合设计要求;2.石材安装:石材的安装应牢固可靠,无明显倾斜、开裂、脱落等;3.石材接缝:石材接缝应密实、均匀,无明显的空鼓、裂缝等;4.石材固定:石材的固定应符合设计要求,采用合适的固定件,并按照规范要求进行布置和固定;5.石材幕墙系统:石材幕墙系统的整体效果应平整、美观,符合设计要求;6.其他相关要求。
三、检查内容和结果1.石材材质:检查石材的种类、规格、色彩和表面处理是否符合设计要求。
结果:石材的种类、规格、色彩和表面处理符合设计要求。
2.石材安装:检查石材的安装是否牢固可靠,无明显倾斜、开裂、脱落等。
结果:石材安装牢固可靠,无明显倾斜、开裂、脱落等。
3.石材接缝:检查石材接缝是否密实、均匀,无明显的空鼓、裂缝等。
结果:石材接缝密实、均匀,无明显的空鼓、裂缝等。
4.石材固定:检查石材的固定是否符合设计要求,固定件合适,布置和固定是否规范。
结果:石材的固定符合设计要求,固定件合适,布置和固定规范。
5.石材幕墙系统:检查石材幕墙系统的整体效果是否平整、美观,符合设计要求。
结果:石材幕墙系统的整体效果平整、美观,符合设计要求。
四、其他问题与建议(对质量检查中发现的不合格问题和存在的问题进行记录,并提出相应的整改要求和建议)五、结论与意见(对本次质量验收进行总结,根据检查结果给出质量验收结论,并提出改进措施和建议)六、附件(包括相应的图纸、照片等)以上即是石材幕墙安装检验批质量验收记录的内容,该记录是对石材幕墙安装质量进行检查和评定的重要文件,具体内容根据实际情况进行调整和补充。
石材幕墙工程检验批质量验收记录
填表说明:
1、检验批容量填写:写出该检验批的面积。
1.1 相同设计、材料、工艺和施工条件的玻璃幕墙工程每 500~1000m2为一个检验批,不足500m2应划分为一个检验批。
1.2 同一单位工程的不连续的幕墙工程应单独划分检验批;
1.3 对于异形或有特殊要求的幕墙,检验批的划分应根据幕墙的结构、工艺特点及幕墙工程的规模,宜由监理单位、建设单位和施工单位协商确定。
2、最小/实际检查数量栏中,实际检查数量:按实填写,最小数量填写:每个检验批每100m2应至少抽查一处,每处不得少于10m2;
3、表头中“施工依据”栏目应依照实际的施工操作依据填写,如施工企业的操作规程、工法、施工工艺标准等。
-石材幕墙工程检验批质量验收记录表般项目
(一)
本文主要介绍“石材幕墙工程检验批质量验收记录表”这一项目,包括定义、适用范围、主要内容及填写要求等方面。
一、定义
石材幕墙工程检验批质量验收记录表是指对石材幕墙工程质量进行检验和验收的一个记录表格,旨在对石材幕墙工程的质量进行监控和管理,确保其满足设计和施工要求。
二、适用范围
该记录表适用于石材幕墙工程的施工过程中,对检验和验收要求进行记录的场合。
三、主要内容
1、工程名称及编号:记录石材幕墙工程的工程名称和编号。
2、检验日期:记录进行检验的日期。
3、项目名称:记录被检验的项目名称,如石材板、石材龙骨等。
4、检验依据:记录进行检验的依据,如相关标准、规范、合同等。
5、检验内容:记录进行检验的具体内容,如外观质量、安装精度、强
度等。
6、检验结果:记录具体检验结果,如合格、不合格、待进一步处理等。
7、处理意见:记录如不合格情况需要进一步处理的意见。
8、质检员:记录进行检验的质检员的姓名和签字。
四、填写要求
1、填写人员必须熟悉相关标准、规范和合同内容,确保填写准确无误。
2、填写前,必须认真检查被检项目,确保符合质量要求。
3、每次检验必须填写记录表,确保整个工程的质量可控。
本文对“石材幕墙工程检验批质量验收记录表”这一项目进行了详细
的介绍,包括定义、适用范围、主要内容及填写要求等方面。
希望本
文能帮助相关人员更好地掌握这一项目,确保石材幕墙工程的质量。
石材幕墙工程查验批质量查收记录表(I)主控项目
MQ-027.1 单位(子单位)工程名称
分部(子分部)工程名称查收部位
施工单位分包单位
项目经理分包项目经理
施工履行标准名称及编号
监理(建设)单位施工质量查收规范的规定施工单位检查评定记录
查收记录
1 资料、配件质量第942条
2 造型、分格、颜色、光彩、花纹、图
案
第943条
3 石材孔、槽第944条
4 预埋件、后置件第 9.4.
5 条
5 各样构件连结第 9.4.
6 条
主控 6 框架和连结件防腐第 9.4.7 条
项目
防雷装置第 9.4.8 条
7
8 防火、保温、防腐资料第 9.4.9 条
9 构造变形缝、墙角连结点第 9.4.10 条
10 表面和板缝办理第 9.4.11 条
11 板缝注胶第 9.4.12 条
12 防水第 9.4.13 条
专业工长(施工员)施工班组长
1 / 2
施工单位检查评定结果
项目专业质量检查员:年月日
监理(建设)单位查收结论
专业监理工程师:
(建设单位项目专业技术负责人):年月日
2 / 2。
SG-T095 (原SG-T067表2)
工程名称分项工程名称
石
材幕墙
验收
部位
一、
____________
二
层
施工单位江西建工机械施工有限
责任公司
项目负
责人
专业
工长
分包单位
项目负责人
(分包单位)
施工
班组长
施工执行标准及编号
材料
名称
质量验收规范的规定
施工单位检查评
定记录
监理
(建设)单位验收记录
、9.4.5石材幕墙主体结构上的预埋件和王
后置埋件的位置、数量及后置埋件的拉拔力必须符合设计要求
不锈钢预埋件的位置、数
量均符合设计要求
经检查,符合
设计要求和
SG- T099 (表
1)
石材幕墙工程检验批质量验收记录
放射性检测情况
经检查,该检验批主控项目施工质量符合设计和规范要求,自检合格
项目专业质量检查员: 项目专业质量(技术)负责人:
年 月曰
经检查,该检验批主控项目质量评定为合格
监理 (建设)单 位验收结论
监理工程师(建设单位项目技术负责人):
合格见报告XXX
施工单 位检查 评定结 果
注:1、本表适用于石材幕墙工程施工检验批主控项目质量验收,由施工项目专业质量检查员填写,监理工程师(建设单位项目技术负责人)组织项目专业质量(技术)负责人等进行验收。
四川省建设厅制
SG-T100(表2)工
程名称分项丄程名称
石材
幕墙
验收
部位
' 一、二二
层
施工单位
江西建工机械
施工有限责任公司
项目负责人
专业
工长
分
包单位/
项目负责人
(分包单位)
施工
班组长
施工执行标准及编号
质量验收规范的规定
施工单位检查评定记
录
监理(建设)
单位验收记录
1、玻璃幕墙表面平整、洁净,无污染、缺损和裂痕。
颜色和花纹应协调一致,无明显色差,无明显修痕
表面平整、洁净、无污染、
缺损和裂痕。
颜色和花纹协调一
致,无明显色差,无明显修痕
经检
查,符合设计
要求和施
石材幕墙工程检验批质量验收记录
注:1、本表适用于石材幕墙工程施工检验批一般项目质量验收,由施工项目专业质量检查员填写,监理工程师(建设单位项目技术负责人)组织项目专业质量(技术)负责人等进行验收。
2、其中实测项目单位为“ mm”最大偏差不得超过规范允许偏差的 1.5咅
四川省建设厅制。