10米深基坑排桩加内支撑支护施工组织设计
- 格式:pdf
- 大小:1.90 MB
- 文档页数:96
目录第一章编制依据和说明 (4)§1.1 编制依据 (4)§1.2 编制说明 (4)第二章工程概况 (6)§2.1 项目概况 (6)§2.2 工程概况 (6)§2.3 设计概况 (6)§2.4 主要工程量 (6)§2.5周边环境情况 (7)§2.6地质水文条件 (7)§2.7本工程的重点、难点 (8)第三章施工总体部署 (10)§3.1工程管理目标 (10)§3.2项目管理机构 (10)§3.3施工准备 (13)§3.4施工总体部署 (14)第四章施工平面布置及管理 (17)§4.1施工平面布置 (17)§4.2平面管理措施 (18)第五章施工进度计划及措施 (20)§5.1进度计划目标 (20)§5.2进度计划安排 (20)§5.3 施工进度保证措施 (20)第六章资源投入计划及保证措施 (22)§6.1施工机械投入计划及保证措施 (22)§6.2劳动力安排计划及保证措施 (23)§6.3周转材料需求计划及保证措施 (25)第七章主要施工技术方案 (27)§7.1施工测量 (27)§7.2旋挖桩施工 (27)§7.3钢构柱施工 (33)§7.4搅拌桩施工 (39)§7.5预应力锚索施工 (42)§7.6挂网喷层施工 (47)§7.7 冠梁、腰梁、混凝土支撑梁施工 (51)§7.8钢花管施工 (60)§7.9降水工程 (62)第八章施工质量保证措施 (67)§8.1施工质量目标 (67)§8.2质量保证体系 (67)§8.3质量保证制度 (69)§8.4一般质量保证措施 (70)第九章安全生产目标及保证措施 (73)§9.1安全生产目标 (73)§9.2安全保证体系 (73)§9.4安全管理制度 (76)§9.5安全管理措施 (77)第十章文明施工目标及保证措施 (79)§10.1文明施工目标 (79)§10.2文明施工制度 (79)§10.3现场文明施工管理措施 (80)§10.4环境污染控制措施 (81)§10.5防止施工扰民措施 (82)第十一章应急预案 (83)§11.1 应急预案的方针与原则 (83)§11.2 应急预案的工作流程图 (83)§11.3 信息报告 (83)§11.4 应急小组 (84)§11.5 应急预案 (84)第十二章基坑施工监测 (88)§12.1施工监测目的及意义 (88)§12.2施工监测依据 (88)§12.3仪器选择和精度要求 (88)§12.4监测项目及控制标准 (89)§12.5基准点、监测点的布置与保护 (90)§12.6监测方法及精度 (91)§12.7监测报警及异常监测措施 (92)§12.8监测信息反馈 (93)§12.9监测注意事项 (95)§12.10相关附件................................ 错误!未定义书签。
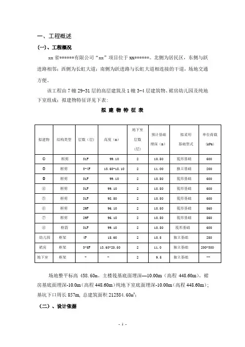
一、工程概述(一)、工程概况xx省******有限公司“xx”项目位于xx******。
北侧为居民区,东侧与跃进路相邻;西侧为长虹大道;南侧为跃进路与长虹大道相连接的干道,场地交通方便。
该工程由7幢29-31层的高层建筑及1幢3-4层建筑物、裙房幼儿园及纯地下室组成;拟建物特征详见下表:拟建物特征表场地整平标高458.60m。
主楼筏基底面埋深—10.00m(高程448.60m)。
裙房基底面埋深-10.0m(高程448.60m)纯地下室底面埋深-10.00m(高程448.60m);基坑下口周长857m, 总建筑面积212584.60m3;(二)、设计依据1、《xx省******岩土工程详勘报告》;2、《地下室基础总平面图》、周边建筑物的地基和主体资料要求;3、《建筑物总平面图》;4、《建筑基坑支护技术规程》(JGJ120-99);5、《建筑基坑工程技术规范》(YB9258-97);6、《岩土锚杆(锚索)技术规程》(CECS 22:2005);7、《建筑与市政降水工程技术规范》(JGJ/T111-98);8、《供水管井技术规范》(GB50296-99);9、《混凝土结构设计规范》(GB50010-2002);10、《钢筋焊接及验收规程》(JGJ18-96);11、《混凝土结构工程施工质量验收规范》(GB50204-2002).(三)、场地条件1、地形地貌及周边环境场地地貌上属涪江堆积阶地,由于后期人类活动频繁,场地四周均有建(构)筑物,场地为拆迁地,地形平坦,已施工钻孔标高458.09m~459.31m,相对高差1.22m。
邻近建筑物情况:设计基坑北侧为居民区,与拟施工的护壁桩距离7.00—11.00m;西侧与长虹大道相邻;东侧为跃进路(百号楼为保留建筑,距离3.00——7.00m);南侧为跃进路与长虹大道相连接的干道,距离5.00m。
建筑物均为砖混结构,采用浅基础,基础埋深2-3m。
四周管线情况:据建设方初步调查,基坑周围有其他地下管线分布。
A区深基坑(护壁、支护、止水、降水)工程施工组织设计xxxx有限公司2010年7月30日目录第一章、编制依据 (4)1、编制依据 (4)2、编制范围 (4)3、编制原则 (4)第二章、工程概况 (5)工程范围和工程结构 (5)2、围护结构 (5)第三章、施工总体方案 (8)1、总体施工方案及顺序 (8)第四章、护壁、支护、止水、降水工程施工组织 (7)1、SMW工法施工组织 (7)2、钢筋混凝土冠梁施工 (15)3、预应力锚索施工 (16)4、降水井施工及基坑降水 (21)第五章施工组织机构 (22)第六章基坑支护体系质量保证技术措施 (24)第七章施工进度安排 (29)第八章劳动力组织安排 (29)第九章安全文明施工保证措施 (30)第十章附表 (35)1、施工进度图 (36)2、施工平面布置图 (37)3、SMW工法+预应力锚索基坑围护图 (39)4、降水井布置图 (40)第一章、编制依据(一)、编制依据xx房地产有限公司xx基坑围护工程施工方案的编制是依据:1、xxxx有限公司提供的xx基础开挖设计图。
2、xxxx勘察设计院提供的《岩土工程勘察报告书》。
3、招标单位提供的周边道路、给排水管网图。
4、依据相关的施工规范。
5、根据本公司现场调查获得的第一手资料,结合该工程的特点和本公司施工实力编制。
(二)、编制范围xxA区深基坑围护、止水、降水工程编制范围为:基坑围护结构施工、预应力支撑结构施工、降水井施工等内容。
(三)、编制原则编制本施工组织设计以能够满足该工程的质量和工期要求为原则。
根据业主的要求,结合施工现场及本工程的客观条件,因地制宜,精心组织,科学施工。
合理安排工期,挖掘技术潜力,狠抓质量管理及安全管理。
根据业主的意见及该工程的工程环境,通过优化调整,做出本初步施工方案。
作为整个工程施工活动的指导依据。
并根据施工实际情况,随时作优化调整,指导后续施工。
第二章、工程概况一、工程范围和工程结构1、工程范围xx位于xx路东南侧,xx大道以西,大河以北, A区主要建筑物分7栋(1~7栋),楼高均为33层,为框架剪力墙结构类型,靠近五号路、一号路和十五号路地段局部为1~2层商铺,地下室2层。
工程施工Engineering Construction– 184 –0 前言高层建筑工程施工过程中深基坑是一个基本的工序,然后对深基坑的施工来说,其难度往往非常大,尤其是部分高层建筑位于城市中心区域,其复杂的施工环境更是加大了深基坑的施工难度,如何确保施工过程中周边建筑物和低下相关管线等设施的安全稳定至关重要,这样就需要做好深基坑的支护。
1 工程地质条件和水文地质条件工程位于已建城市道路边,场地开阔平整,交通便利。
根据地勘报告场地内土质为:素填土、淤泥质黏土、粉质黏土等,除基坑上部的素填土和淤泥质黏土土质较差,其余土层强 度较高。
存在于杂填土中的上层滞水为场地主要地下水,应采取疏、堵措施,避免对坑壁产生浸 蚀和渗透破坏。
本基坑微承压水赋存于粉质黏土粉细砂中,场地承压水对基坑无直接影响。
2 基坑支护设计 本基坑安全等级为一级。
排桩+内支撑基坑支护设计(1)基坑支护方式采用排桩(钻孔灌注桩)加二道(混凝土)内支撑,上部0.5~2.5m一级放坡,坡面采用土钉挂网喷混凝土技术,桩间采用高压旋喷桩形成止水帷幕。
整个支护结构体系由支护桩(钻孔灌注桩)、冠梁、冠梁兼围檩、围檩、支护梁、立柱桩组成。
支护桩采用φ1000、φ1200钻孔灌注桩,冠梁截面尺寸为1200mm×600mm,围檩截面尺寸为1300mm×800mm,支护梁截面尺寸为800mm×700mm、1000mm×800mm、700mm×700mm等,分别在标高-3.5m、-8m处支撑,立柱采用等边角钢格构柱,截面尺寸为 430mm×430mm,材质为Q235钢。
(2)内支撑结构计算内支撑系统采用对顶撑+角撑桁架的形式,支撑系统内力和变形采用平面刚架有限元计 算,经计算,杆件最大变形为15mm左右,小于30mm,满足设计要求。
内支撑系统主要由钢筋混凝土支撑杆件、立柱、围檩(腰梁)组成。
3 主要施工技术及操作要点3.1 施工顺序:基坑支护系统施工顺序为:基坑周边支护桩施工、支撑立柱桩施工→建立基坑监测系统→基坑周边逐层开挖1.5m~3.5m→施工冠梁和第1层混凝土内支撑施工、预埋钢板→土方开挖→桩间土封闭→土方分层开挖至底板底标高→地下室底板混凝土浇筑施工→设底板换撑带→施工至地下→层楼板→地下一层楼板换撑→拆除内支撑。
工程名称: 深基坑支护工程施工方案施工组织设计河北联合大学建筑工程学院10 工程管理专业姓名年月日目录第1章、工程概况 (1)1.1工程概况 (1)1.2建筑设计概况 (1)1。
3周边建(构)筑物概况 (1)1.4地质条件 (1)1.4。
1 工程地质条件 (1)1。
4.2 水文地质条件 (3)第2章、编制依据 (4)第3章、基坑支护方案设计 (5)3。
1基坑支护设计原则和重要性等级 (5)3.2基坑支护设计方案 (5)3。
2。
1 方案选择 (5)3。
2。
2 护坡范围及护坡形式 (7)3.2。
2。
1工程地质参数 (7)3.2.2.2护坡方案设计 (7)第4章、土钉墙施工 (9)4。
1现场土渣清运及场地平整 (9)4.2施工部署 (9)4。
2。
1 测量放线 (9)4.2。
2 施工用电、用水配置 (9)4.2。
3 施工安排 (9)4。
3施工进度、主要机械设备及劳动力配置计划 (10)4.3.1 工程目标 (10)4.3。
2 施工准备 (10)4.3.3 各项资源需要量计划 (10)4.4施工工艺流程 (11)4.5土钉墙施工要点 (11)4.6特殊情况下的处理措施 (13)4。
6.1 滑坡 (13)4。
6.2 局部坍塌 (13)4。
6。
3 地标裂缝 (13)第5章、质量要求及保证措施 (14)5.1质量保证体系 (14)5.2质量管理程序 (14)5.2.1 各分项工程质量标准 (14)5.2.2 各分项工程质量保证措施 (14)5.2.3 场地查勘与记录 (15)5。
2。
4 质量问题的处理 (15)5。
2。
5 技术资料 (15)5.2.6 注意事项 (15)第6章、安全文明施工保证措施 (16)6。
1安全组织机构 (16)6.2安全生产措施 (16)6。
3文明施工措施 (17)第7章、雨期施工措施 (18)第8章、施工监测 (19)附录:附图1:施工进度计划横道图与网络图附图2:施工作业现场平面布置图第1章、工程概况1.1工程概况工程名称:阳光大厦土方、护坡及降水工程建设单位:河北联合大学设计单位:工程管理研究院工程范围:清运土渣、基坑降水工程、基坑支护设计及施工、土方挖运工程1。
基坑支护施工组织设计引言概述:
基坑支护施工是土木工程中重要的一环,其设计合理与否直接关系到工程的安全和进展。
本文将从支护目标、工序安排、材料选用、监测手段、施工注意事项等多个方面阐述基坑支护施工组织设计的重要性和具体要点。
正文内容:
一、支护目标
1.土体稳定性保证
2.基坑的稳定性和形状的保持
3.邻近结构物的保护
二、工序安排
1.剥离土层
2.钢支撑
3.导墙及护墙
4.钢筋混凝土硐室施工
5.填埋
三、材料选用
1.钢支撑材料的选择
2.导墙及护墙材料的选择
3.钢筋混凝土硐室材料的选择
4.填埋材料的选择
四、监测手段
1.基坑沉降监测
2.地下水位监测
3.支撑结构的变形监测
4.基坑内安全监测
五、施工注意事项
1.考虑周边建筑物的影响
2.确保工程安全和环保要求
3.施工人员培训和监督
4.安全措施的实施
5.施工进度的合理安排
总结:
基坑支护施工组织设计是确保基坑工程安全、高效进行的重要环节。
支护目标的明确性、工序的合理安排、材料的选择合理以及监测手段的完善对基坑支护施工有着重要的影响。
通过施工注意事项的合理落实,能够确保基坑支护施工的质量和安全,保证整个工
程的顺利进行。
因此,合理、科学地进行基坑支护施工组织设计是土木工程领域必不可少的一项工作。
**社会保障公共服务中心围护工程施工组织设计**基础工程二○一七年二月目录第一部分、工程概况 (1)1.1 工程概况 (1)1.1.1 一般概况 (1)1.1.2 招标工程量 (1)1.2 场地工程地质条件 (1)1.3 施工组织设计编制依据 (3)第二部分、施工部署 (4)2.1 工程施工目标 (4)2.2 工程特点与相应措施 (4)2.2.1 工程特点 (4)2.2.2 相应措施 (4)2.3 施工总体流程安排 (5)2.4 施工现场布置 (5)2.4.1 工地进出口及施工道路 (6)2.4.2 施工场地 (6)2.4.3 办公、生活区 (6)2.4.4 施工临时用电、用水 (6)2.4.5 污水及垃圾处理 (6)2.4.6 其他临时施工设施 (6)2.5 工程施工进度计划 (7)2.5.1 计划开、竣工日期 (7)2.5.2 施工进度大纲 (7)第三部分、施工组织 (9)3.1 项目管理机构配置 (9)3.2 主要管理人员配备 (10)3.2.1 主要管理人员简历 (10)3.2.2 项目经理简历 (10)3.3 主要施工机械设备配备计划 (10)3.4 劳动力配备计划 (10)3.5 主要材料配备及进场计划 (10)第四部分、主要施工方案 (11)4.2 地下连续墙施工方案 (11)4.2.1 设计概况 (11)4.2.2 设备选型及施工工艺选择 (11)4.2.3 施工工艺流程图 (11)4.2.4 工程测量 (11)4.2.5 导墙施工 (12)4.2.6 泥浆系统 (16)4.2.7 成槽施工 (18)4.2.8 吊装锁口管 (21)4.2.9 钢筋笼制作和吊放 (21)4.2.10 清槽 (27)4.2.11 砼施工 (27)4.2.12 顶拔锁口管 (28)4.2.13 墙趾注浆施工 (28)4.3 立柱钻孔桩施工方案 (29)4.3.1 立柱桩施工 (29)4.3.2 格构柱加工 (29)4.3.3 格构柱安装 (29)4.3.4 施工质量保证措施 (30)4.4 三轴搅拌桩施工方案 (31)4.4.1 设计概况及技术要求 (31)4.4.2 设备选型 (31)4.4.3 施工工艺流程 (31)4.4.4 主要施工方法 (31)4.4.5 施工注意事项及控制要点 (34)4.5 施工临时用水用电方案 (36)4.5.1 编制依据 (36)4.5.2 工程用电、用水概况 (36)4.5.3 施工用电计划 (36)4.5.4 拟投入的主要施工用电设备 (36)4.5.5 现场施工用电规划 (36)4.5.6 施工用电管理 (36)第五部分、有关保证措施 (37)5.1 施工进度保证措施 (37)5.1.1 技术保证 (37)5.1.2 资源保证 (37)5.1.3 组织保证 (37)5.1.4 设备保证 (37)5.2 工程质量保证措施 (38)5.2.1 组织措施 (38)5.2.2 技术措施 (38)5.2.3 材料质量保证措施 (39)5.2.4 施工工艺质量保证措施 (39)5.2.5 质量保证体系 (39)5.3 安全生产保证措施 (41)5.3.1 组织保障措施 (41)5.3.2 安全管理措施 (41)5.3.3 消防措施 (42)5.3.4 安全保卫措施 (42)5.3.5 安全生产管理体系 (42)5.4 文明施工保证措施 (44)5.4.1 组织保障措施 (44)5.4.2 施工管理措施 (44)5.4.3 施工现场定置管理措施 (44)5.4.4 现场工作人员生产生活管理制度 (45)5.4.5 文明施工保证体系 (45)5.5 周围环境保护措施 (46)5.5.1 周围环境情况 (46)5.5.2 周边市政管线保护措施 (46)5.5.3 工程施工对周围居民干扰的保护措施 (47)5.5.4 施工期泥浆及污水控制措施 (48)5.5.5 施工期扬尘控制措施 (49)第六部分、其他施工措施 (49)6.1 冬雨季施工措施 (49)6.1.1 冬季施工措施 (49)6.1.2 雨季施工措施 (49)6.2 成品保护措施 (50)6.3 施工应急措施 (50)6.3.1 应急领导小组 (50)6.3.2 停电应急措施 (51)6.3.3 混凝土灌注应急措施 (51)6.3.4 施工工艺应急措施 (51)6.3.5 现场突发事件应急措施 (52)6.3.6 基坑开挖应急预案 (52)第七部分:附件1、施工进度计划表2、施工平面布置图(围护施工阶段)3、主要施工机械设备表4、主要劳动力计划表第一部分、工程概况1.1 工程概况1.1.1 一般概况**局拟建公共服务中心项目位于**大道东侧、珠江路南侧。
xx大厦深基坑支护施工方案审批人:编制人:审核人:编制单位:xx省xx市xx建筑工程有限公司编制时间:二零XX年七月目录第一章工程概况 (1)第二章施工方案 (5)第三章基坑支护施工过程中的应急预案 (11)第四章安全施工措施 (11)第五章应急预案 (15)第六章文明施工及环保措施 (16)第一章工程概况一、编制依据1.本工程岩土工程地质勘察报告2.本工程业主有关要求3.本工程有关设计图纸4.选用规范《建筑基坑支护技术规程》(JGJ1120-2012);《建筑边坡工程技术规范》(GB 50330-2013);《建筑地基基础设计规范》(GB 50007-2011);《建筑桩基技术规范》(JGJ94-2008);《建筑深基坑工程施工安全技术规范》(JGJ311-2013)《锚杆喷射混凝土支护技术规范》(GB 50086-2001)《基坑支护设计与施工》中国建筑工业出版社二、工程概况工程名称:xx大厦建设单位:xxxxxx有限公司设计单位:xxxxxx建筑设计有限公司监理单位:xx省xx市xx监理有限公司施工单位:xx省xx市xx建筑工程有限公司工程地址: xx市xx区xxxx路妇幼保健院旁本工程由xxxxxx有限公司拟在xx市xx区万年路以南,紧邻“xx 区妇幼保健院”,拟建筑酒店12F-2F,商业楼2F/-2F及地下室-2F组成,地下室均为剪力墙结构,规划总用地面积4303.00㎡、建筑面积:总建筑面积 15291.98㎡设计地坪标高为290.00 m 。
基础采用人工挖孔桩,基坑深 -9.95 m,以中等分化泥岩作为持力层,地基承载力标准值6.0MPa。
地基基础设计等级为乙级,建筑桩基设计等级为乙级。
三、地质分析及水文特征1、地质概况1.1地理位置及交通概况xx市位于xx省北部,拟建场地位于xx市xx区万年东路西,场地平整周边有便捷的交通网络,地貌单元为长江Ⅱ级阶地。
1.2地形地貌拟建场地为空地,北面为市政道路,南和东面为河道,西面为妇幼保健院。
枫丹中心项目深基坑工程基坑支护、降水及土石方开挖方案及施工组织设计中国建筑西南勘察设计研究院有限公司2011.3。
19枫丹中心项目深基坑工程基坑支护、降水及土石方开挖方案及施工组织设计审定:审核:编制:中国建筑西南勘察设计研究院有限公司2010。
3.19目录1.编制说明 (27)1.1前言 (27)1.2编制依据 (27)1。
3编制内容及原则 (28)1.3。
1编制的原则 (28)1.3.2编制的内容 (28)2。
工程概况 (29)2.1拟建工程概况 (29)2.2场区自然地理条件和区域地质构造 (29)2。
2.1地理位置及交通条件 (29)2.2.2气象、水文特征 (29)2.2.3地形地貌 (30)2。
2。
4场地区域地质构造特征及场地稳定性 (30)2。
3工程地质条件 (31)2。
3。
1地层结构 (31)2。
3.2水文地质条件 (33)2。
3.3岩土物理力学指标 (34)2.4场地环境条件简述 (35)2.5基坑支护结构、降水、监测设计简述 (35)2.5。
1基坑支护结构设计 (35)2。
5.1.1基坑支护设计概述 (35)2.5。
1.2东侧基坑排桩支护体系(1-1’剖面)设计参数 (36)2。
5。
1。
3南侧基坑排桩支护体系(2—2’剖面)设计参数 (36)2。
5。
1。
4西侧基坑排桩支护体系(3-3’剖面)设计参数 (37)2。
5.1。
5北侧基坑排桩支护体系(4-4’剖面)设计参数 (37)2。
5。
1。
6西侧基坑排桩支护体系(5-5’剖面)设计参数 (37)2.5.1.7基坑支护材料说明 (38)2.5。
2基坑降水设计简述 (38)2。
5。
2.1降水井布置 (38)2。
5.2.2 管井设计参数 (38)2。
5。
2.3抽排水系统设计 (39)2。
5。
3施工图纸基坑工程监测设计简述 (39)2。
5.3.1监测内容 (39)2。
5。
3。
2监测周期 (39)2.5.3.3监测数据提供 (39)2.5.3。
xxxx商业综合用房工程深基坑工程专项施工方案编制:审核:审批:2016年4月8日目录目录 (1)1、工程概况 (1)1.1工程概况 (1)1.2周围环境 (1)1.3工程地质和水文地质条件 (2)1.4场地条件 (3)2、编制依据 (3)3、围护设计方案 (4)3.1设计方案介绍 (4)3.2设计方案的施工要求 (12)4、重点难点及重大危险源识别 (15)5、施工部署 (17)5.1管理体系 (17)5.2施工进度计划 (18)5.3施工准备 (18)5.4总平面布置 (22)5.5总体施工顺序 (22)5.6塔吊方案 (22)5.7上下基坑安全通道 (23)6、施工方法和技术措施 (24)6.1支护桩、立柱桩施工 (24)6.2土钉墙施工 (28)6.3旋喷锚桩施工 (30)6.4支撑梁、冠梁、腰梁施工 (33)6.5支撑拆除 (35)6.6土方开挖 (36)6.7基坑降水 (43)6.8基坑回填 (46)7、基坑监测 (47)7.1基坑监测点的布置 (47)7.2监测报警值 (47)7.3日常监测 (48)7.4监测要求 (48)8、应急预案 (48)9、工程质量保证措施 (51)9.1质量管理机构 (51)9.2施工准备阶段的质量管理 (52)9.3施工阶段的质量管理 (52)10、施工进度保证措施 (53)11、安全施工保证措施 (53)11.1建立施工安全制度 (53)11.2坚决贯彻施工安全制度 (54)12、文明施工管理措施 (54)13、环境保护措施 (55)14、汛期、台风、高温季节性施工措施 (58)15、相关附表附图 (62)15.1勘探点平面图 (62)15.2土质物理力学性能指标 (62)15.3基坑围护设计总说明 (62)15.4支护结构平面图 (62)15.5支护结构剖面图 (62)15.6基坑围护设计专家意见 (62)15.7基坑周边环境示意图 (62)15.8基坑降水平面布置图 (62)15.9基坑监测平面布置图 (62)15.10基坑施工总平面图 (62)15.11进度计划表 (62)1、工程概况1.1工程概况建设单位:设计单位:监理单位:施工单位:本工程位于 ,总建筑面积147308.3平方米,采用桩基础,耐火等级1级,屋面防水等级2级,抗震设防烈度为6度,设计合理使用年限为50年,±0.00相当于黄海高程7.2米.其中,地下室共2层,建筑面积44260.4平方米,现浇框架结构;主楼结构类型为全现浇钢筋混凝土框筒结构,楼层为4~27层不等,具体如下: 1号楼22层,建筑高度79.28米,建筑面积17295.7平方米;2号楼16层,建筑高度57.6米,3号楼12层,建筑高度44.8米,总建筑面积为25896.08平方米;4号楼4层,建筑高度19.5米,建筑面积11414.01平方米;5号楼27层,建筑高度96.78米,建筑面积16065.4平方米;6号楼27层,建筑高度96.78米,建筑面积为16472.4平方米;7号楼12层,建筑高度43.8米,建筑面积14675.34平方米.本工程±0.00相当于黄海高程7.2米,场地地形起伏不大,目前地下室范围内的自然地面绝对高程平均值为6.500米,即相对标高为-0.700米.地下室底板顶标高为-9.700米,底板厚度500米米,承台厚度1300米米;地下室顶板顶标高-1.900米(黄海高程5.3米).基坑降水采用简易管井降水方案,基坑开挖深度为10.25~10.75米.基坑平面尺寸超大,基坑南北向长约226米,东西向宽度约为127米,基坑周长约为706米,挖土方总量约为274000米3.1.2周围环境基坑周边东侧为已建成幸福河绿化带,紧贴围墙处有五根高压线杆;西侧为拟建规划支路,目前为下沙医院施工方的临设板房;南北两侧分别为南苑路、北苑路,北苑路北侧为居民区,路面下埋设有市政管线(详见基坑周边环境示意图).1.3工程地质和水文地质条件由xx省地矿勘察院提供的《钱塘·福源工程岩土工程勘察报告》,基坑开挖影响范围内各土层的结构及分布特征自上而下分述如下:①层杂填土(米lQ):杂色,松散,主要由粘性土、碎石、碎砖及砼块等建筑垃圾组成,大部分地表为砼地坪.层顶高程5.37~6.85米,层厚0.30~2.80米.②1层砂质粉土(al-米Q 34):灰黄色、黄灰色,稍密,湿,含云母碎屑及少量氧化物斑点.摇震反应迅速,切面粗糙,无光泽反应,干强度低,韧性低.全场地分布,层顶深度0.30~2.80米,层顶高程3.77~6.06米,层厚2.00~7.30米.②2 层砂质粉土(al-米 Q 34):灰黄色、灰色,稍密~中密,湿,含云母碎屑及氧化铁斑点.摇震反应迅速,切面粗糙,无光泽反应,干强度低,韧性低.全场地分布,层顶深度3.70~8.70米,层顶高程-2.62~2.78米,层厚1.70~7.90米.②3层砂质粉土(al-米Q 34):灰色、灰绿色,稍密~中密,湿,含云母碎屑,局部夹粉砂及薄层粘性土.摇震反应迅速,切面粗糙,无光泽反应,干强度低,韧性低.全场地分布,层顶深度7.20~15.5米,层顶高程-9.48~-0.65米,层厚2.00~10.40米.②4层砂质粉土(al-米Q 34):灰色、青灰色,稍密~中密,湿,含云母碎屑,局部夹粉砂.摇震反应迅速,切面粗糙,无光泽反应,干强度低,韧性低.全场地分布,层顶深度14.00~19.60米,层顶高程-13.58~-7.67米,层厚2.90~9.80米.③层粘质粉土(al-米Q 24):灰色,稍密~中密,湿,含云母碎屑及腐殖质,具层理,夹淤泥质粉质粘土或粉砂、砂质粉土,粉砂单层层厚多在1.0~3.0厘米之间,淤泥质粉质粘土单层层厚多在1.0~2.0厘米,局部较厚.摇震反应迅速,切面粗糙,无光泽反应,干强度低,韧性低.全场地分布,层顶深度18.00~24.50米,层顶高程-18.55~-12.09米,层厚5.80~15.40米.拟建场地地下水类型主要为孔隙潜水及孔隙承压水,场地水文地质条件较为稳定,为砂性土分布区域,渗透性较大.由于场地地下水水位埋深较浅,地下水位变化较大,地下水位以上土层受毛细作用影响及雨水渗透影响,与地下水关系密切.故本场地土对混凝土结构微腐蚀性,在干湿交替环境下对钢筋混凝土结构中的钢筋具弱腐蚀性,对钢结构具弱腐蚀性.1.4场地条件基坑西北、西南角设置出入口;因场地狭小,基坑周边只设供人工通行的便道,宽度2米,不设置重型车辆通行道路,待地下室施工完成后再沿基坑周圈设置环形道路,宽度6米;基坑北侧设置项目办公区临时板房和厕所,板房距基坑边4米;钢筋料场及加工区设置于现场西南和西北角,距坑边位置11米(详见现场总平面布置图).现场“三通一平”已完成,目前正进行桩基工程施工.2、编制依据xx市勘测设计研究院设计的基坑围护方案;xx佳境建筑设计研究院有限公司设计的土建工程设计图纸;xx省地矿勘察院提供的《钱塘·福源工程岩土工程勘察报告》;施工组织设计;《建筑变形测量规程》JGJ/T8-2007;《建筑地基基础工程施工质量验收规范》(GB50202-2002);《混凝土结构工程施工质量验收规范》(GB50204-2010);《建筑桩基检测技术规范》(JGJ106-2003);《建筑基坑支护技术规程》(JGJ120-2012);《建筑施工安全检查标准》(JGJ59-2011);国家标准《建筑工程施工质量验收统一标准》(GB50300-2001);《建筑基坑工程技术规范》(YB9258—97);《建筑机械使用安全技术规程》(JGJ33—2012);《施工现场临时用电安全技术规范》(JGJ46—2005);《xx基坑工程技术规程》(xx省标准DB33/T1008-2000);《危险性较大的分部分项工程安全管理办法》(建质2009[87]号);《建筑基坑工程监测技术规范》(GB50497-2009);《基坑土钉支护技术规程》;《xx市建设工程部分危险性较大工程专项施工方案编制指南》;公司综合体系标准、公司土建工程施工工艺标准,《环境/安全管理手册》和《环境/安全管理体系程序文件》;我公司现有机械设备状况和施工技术力量;国家和xx市现行安全生产、文明施工的规范;本公司现场标化管理及文明形象策划文件;建设部建质[2004]213号文件.3、围护设计方案3.1设计方案介绍3.1.1本工程拟在基坑东北、西北、东南角采用钻孔灌注桩+一道钢筋砼支撑,基坑东侧、北侧部位采用钻孔灌注桩+两道旋喷锚桩支护形式,基坑西侧等其余部位放坡结合土钉墙的支护形式.详见附图:支护结构平面图.3.1.2本工程围护桩均采用钻孔灌注桩基,桩径分别为700米米、800米米,桩中心距1000米.基坑四周各剖面详图如下:3.1.3本工程支撑系统设冠梁一道、腰梁一道,角部设水平支撑一道.3.1.4土钉墙设计1、土钉设计采用直径20~25钢筋土钉,均采用洛阳铲成孔,成孔直径不小于110米米.土钉在坑壁上呈梅花形布置,在同一水平线上土钉须均匀分开排列.土钉墙面板采用C20喷射混凝土,厚度为100米米,土方放坡系数1:2.分二层施工:喷射第一层混凝土厚度为30米米~40米米,然后击入锚管、绑扎钢筋网片、喷射第二层混凝土至设计厚度,洗孔注浆;土钉墙面层均配直径6.5@200x200钢筋网.2、土钉注浆材料采用纯水泥浆,水泥采用P.O 42.5普通硅酸盐水泥,若工期需要,可适当加入早强剂,水灰比为 0.5.注浆终了压力不小于0.4米Pa且保持稳压1分钟,注浆须慢速进行,注浆前应进行洗孔.3、土钉支护大面积施工前必须进行土钉的现场抗拔试验,选取3根土钉专门用于测试的非工作土钉,每米土钉抗拔力在粉土中不小于10kN/米.土钉墙支护剖面图3.1.5旋喷锚桩设计1、锚桩采用∅500高压旋喷水泥搅拌桩,水平间距2.2米,水泥掺入比25%(每米水泥用量≥90千克),水灰比0.7(根据现场土层情况可适当调整).旋喷搅拌的压力应为15~20米Pa;水泥浆应拌合均匀,随拌随用,一次拌合的水泥浆应在初凝前用完.2、锚桩内置直径15.2米米钢绞线(钢绞线强度设计值为1320N/米米 )深入桩底,并采用 150×15钢板锚盘锚定.旋喷锚桩内插钢绞线,应进入旋喷锚桩底,待旋喷锚桩养护7天后施加张拉力锁定.第一道旋喷锚桩锁定拉力为150kN,第二道锁定拉力为200kN.3、旋喷锚桩施工必须按照切槽、分段、分层开挖,分层厚度必须与施工工况相结合.下层土开挖时,上层锚桩必须有7天以上的养护时间并已张拉锁定.4、旋喷锚桩钻孔前按施工图放线确定位置,做上标记;钻孔定位误差小于50米米,孔斜误差小于3°;锚桩桩径偏差不超过2厘米,并严格按照设计桩长施工;钻孔机具选择应满足支护设计对设计参数的要求.5、钢绞线插入定位误差不超过30米米,底部标高误差不大于20厘米.筋体应放在桩体的中心上,待旋喷搅拌桩体养护7天以后,在钢绞线上施加预张力后锁定,使筋体与腰梁、锚具连接牢固.6、钢绞线在桩外的预留长度不小于0.7米,以便张拉.在做主体结构防水处理时,可将外露部分切去.7、锚头用冷挤压法与锚盘进行固定.旋喷锚桩强度达到75%后方可进行张拉锁定.8、锚具采用QV米系列,锚具和夹具应符合<<预应力筋用锚具、夹具和连接器应用技术规程>>(JGJ85-2002).9、采用高压油泵和100吨穿心千斤顶进行张拉锁定.正式张拉前先用20%锁定荷载预张拉一次,再以50%、100%的锁定荷载分级张拉,然后超张拉至110%锁定荷载,在超张拉荷载下保持15分钟,观测锚头无位移现象后再按锁定荷载锁定.若达不到要求,应在旁边补桩.10、锚桩的试验与检测:在正式施工前应先进行非工作锚桩的抗拔试验,测定锚桩的极限锚固力,试桩数量不少于3根.工作锚桩的抗拔承载力按规范进行检测,检测比例不下于总锚桩数的1%,试验最大荷载不小于锚桩抗拔承载力设计值的1.25倍.11、旋喷锚桩应由经验丰富的专业单位施工,旋喷锚桩施工前应探明地下管线的详细信息,不可盲目施工.旋喷锚桩施工前应注意避开坑外自流深井及监测孔.12、腰梁安装前,应先在该道旋喷锚桩的水平位置上下各100米米范围内的钻孔灌注桩上切出水平槽,切槽深度能使腰梁与钻孔桩密贴,若腰梁与钻孔桩之间存在间隙,间隙处应用垫块或C30混凝土填实.旋喷锚桩节点详图3.1.6基坑降排水1、对于施工用水及雨水等地表水,应在基坑坡顶修筑400x400砖砌排水沟截流、汇集然后抽排.局部不能施工排水沟的应以其它有效排水方式代替.2、对于地下水采用简易深井降水,坑内按20米间距布置,坑外按12米间距布置(东侧加密至10米).深井平面布置图见附图.3.2设计方案的施工要求3.2.1钻孔灌注桩1、钻孔灌注排桩应采用跳打法施工,相邻桩混凝土达到设计强度的70%后,方可进行另一根桩施工.2、桩位偏差,轴线和垂直轴线方向均不应超过50米米.垂直度偏差不应大于0.5%.桩径允许偏差±50米米,充盈系数不应小于1.0.孔底沉渣厚度不应大于100米米.3、成孔施工应一次不间断完成,成孔完毕至灌注混凝土的时间间隔不应大于24小时.4、钢筋笼可整段或分段制作,视钢筋笼的长度、整体刚度、起吊设备等而定.分段制作的钢筋笼,其接头应采用焊接,在同一截面内的钢筋接头不得超过主筋总数的50%,两个接头的竖向间距为35d(d为主筋直径)且不小于500米米,焊接长度为单面焊10d,双面焊5d,并应符合GB 50204的规定.加劲箍筋与主筋采用点焊连接,螺旋箍与主筋的连接可采用铁丝绑扎并间隔点焊固定.5、钢筋笼主筋间距允许偏差±10米米,箍筋间距允许偏差±10米米,钢筋笼直径允许偏差0~+10米米,钢筋笼保护层允许偏差±20米米,钢筋笼制作长度及安装深度允许偏差为±100米米.非均匀配筋排桩的钢筋笼在绑扎、吊装和埋设时,应保证钢筋笼的安放方向与设计方向一致.6、围护桩混凝土强度等级为C25.水下混凝土必须具有良好的和易性,水灰比宜在0.5~0.55,坍落度可取180~220米米.水下混凝土必须连续灌注,每根桩的灌注时间按初盘混凝土的初凝时间控制.7、本工程围护钻孔灌注桩泛浆高度取800米米.冠梁施工前,应将围护桩桩顶浮浆凿除,并将残渣、浮土和积水清理干净,凿除浮浆后必须保证暴露的桩顶混凝土达到强度设计值,凿桩不得破坏桩身质量.3.2.2基坑降排水1、对于施工用水及雨水等地表水,应在基坑坡顶修筑400x400砖砌排水沟截流、汇集然后抽排.局部不能施工排水沟的应以其它有效排水方式代替.2、对于地下水采用简易深井降水,坑内按20米间距布置,坑外按12米间距布置(东侧加密至10米).3.2.3土方开挖1、基坑土方开挖应按照预先编制的挖土方案实施,挖土方案应充分考虑基坑支护设计要求、基础及坑中坑挖深、工程桩、地质条件等要素.2、基坑土方开挖应遵循分层、分段、分步、对称、限时的原则,尽量减少未支护暴露时间,在支护结构及支撑体系未达到设计要求之前,不得进行下层土方的开挖.在基坑东、西和北面应控制每段开挖长度,一般为20米左右,预留土方坡率不小于1:2.3、坑底30厘米土方及承台地梁位置宜采用人工开挖清理,严禁超挖,尽量减少对坑底土的扰动.开挖至坑底后加快工程桩施工进度,避免基坑长期暴露.4、采用机械挖土方式时,严禁挖土机械碰撞支撑、立柱和围护桩.挖土机械不得直接压在支撑上,应在支撑两侧先填土,填土须高出支撑顶面,然后在其上铺设路基箱,方可在上面通行机械车辆.5、土钉墙部分基坑土方开挖应结合土钉墙施工,分层分段进行,每层开挖深度不得超过1.5米,每层分段开挖长度不得超过30米,开挖面宽度不得小于同层土钉长度,严禁超挖或在上一层未加固完毕就开挖下一层.6、在基坑开挖过程中,应根据监测信息及时与有关各方进行协商调整挖土顺序.7、为确保土方开挖期间围护桩间土体不坍塌、流土,围护桩内壁请清理干净并挂网( 6.5@300双向网片)喷射80厚C20砼.8、回填的土方压实系数不应小于0.94.3.2.4现浇支撑梁1、支撑梁、冠梁、腰梁采用C30现浇混凝土.垫层做法:100厚C15素混凝土垫层,垫层宽出支撑100.垫层上铺油毡或薄膜.2、支撑梁、冠梁、围檩梁内的箍筋采用封闭形式,并做成135°弯钩,弯钩端头直段长度不应小于10倍箍筋直径和75米米的较大值.当梁的上部箍筋为多排时,弯钩在二排或三排箍筋以下弯折.3、所有以断面表示的支撑梁、冠梁、腰梁,其纵向钢筋的锚固长度均不小于La.4、冠梁、腰梁的施工缝宜留设在跨度的1/3处,冠梁及腰梁在转角处的纵箍筋锚固.5、支撑梁纵向钢筋应采用机械连接或焊接,并符合机械连接或焊接的有关要求.6、支撑主次梁高相同时,次梁下部纵向钢筋应置于主梁下部纵向钢筋之上.7、支撑梁端部纵筋应锚入冠梁(或腰梁)内≥La,且伸过冠梁( 或腰梁)的中心线≥5d.当直线锚固段长度不足时,纵筋应伸至节点对边并向下弯折.8、支撑梁与冠梁(或围檩梁)、支撑梁与支撑梁相交节点处,当相交角度≤90°时,均应设置水平加腋.3.2.5换撑、拆撑1、施工基础底板时,底板砼应浇捣至围护桩边,填实底板与围护钻孔桩之间的空隙,围护钻孔桩上的泥皮应清理干净.2、支撑拆除宜采用人工凿除,先拆除次撑,后拆除主撑,并采取必要措施确保施工人员的安全.3、支撑拆除期间,监测单位应按照监测要求加强围护体和周围建筑物的监测.4、重点难点及重大危险源识别4.1地质复杂,围护止水是关键分析:基坑的围护结构采用钻孔灌注桩+两道旋喷锚桩和放坡结合土钉墙的支护形式,基坑大部分存在砂层,基坑开挖排水可导致基坑周围产生地面沉降,并且桩间漏水、涌砂也会严重影响基坑安全及周边路面.相应对策:1、信息法施工、监测指导施工、确保基坑安全关系到基坑是否能顺利完成.基坑开挖过程中根据土体变形的时空效应及监测信息,严格按照边施工,有效缩短开挖与锚索施工的间隔时间,确保基坑稳定及有效地控制水土流失和地表沉降关系到施工的成败及防水效果和周围环境的安全.施工中要加强对重点项目的监测,实行信息化施工.2、在施工准备的同时重点做好地层土质及水文情况的调查、分析,据此确定基坑周边围护桩的各种施工参数,控制桩的施工质量和精度,确保基坑支护体系的稳定.3、开挖合理分段分层,严格按设计施工旋喷锚桩;防止基坑在开挖过程的变形,杜绝涌泥、涌砂现象发生.基坑开挖及结构施工期间,设专人进行各项施工监测,实行信息化施工,对地下水位密切监测.以反馈信息确保开挖方法科学、安全、可靠.合理控制的开挖速度,充分利用时空效应.严格控制基坑开挖施工时间,减少基坑暴露时间.减少基坑顶边缘地面荷载,严禁超载,特别是机械在坑边作业时采取适当的措施,确保基坑稳定.施工期间做好排水,解决好降雨积水的疏排.4、对地质、周围环境等进行全面细致的调查,进行施工预测,并制定预防措施.成立监测小组专职负责整个施工过程的监测工作,配备先进的监测仪器,以科学的监测手段和严谨的监测方法确保监测信息及时、可靠.5、加强施工过程中的沉降监控量测.根据监测结果,进行分析处理,预测各工况下的沉降值,指导施工,优化设计与施工方案.如果沉降超过允许范围时,反压、增加锚索或跟踪注浆等措施,控制地面沉降.4.2工序多、交叉作业,施工结构多样分析:各工作面之间机械的相互调用,运输组织、工序作业之间的相互影响较大,如何合理组织、精心安排、科学施工,在规定的时间内完成施工任务,同时做到经济上最省、设备投入最少是本工程的重点.相应对策:1、基坑工程的设计、施工技术和管理经验,总结我公司在基坑施工方面的成功经验,选择先进、可靠的施工技术方案与施工工艺,精心组织施工.2、建立施工项目进度实施和控制的组织系统及目标控制体系,实行以项目经理为首的施工调度中心,及时同有关施工班组互通信息,掌握施工动态,协调内部各专业工种之间的工作,注意后续工序的准备,布置工序之间的交接,及时解决施工中出现的各类问题,发现问题,当场解决,不推不拖,化解矛盾,减少工期损失.3、订立进度控制工作制度,在施工中,定期检查,随时监控施工过程的信息流,实现连续、动态的全过程进度目标控制,比照计划,分析进度执行情况,及时调整人力、物力、资金及机械的投入量.4、重视现场协调会制度,分外联工程例会和内部工程例会两种形式.外联工程例会主要汇报工程进展情况,听取业主,监理、质检站及设计院等各方面的指导和意见,针对施工中的问题研讨处理方案措施;内部工程例会主要总结工程施工的进度、质量、安全情况,传达外联工程会议精神,明确各专业的施工顺序和工序穿叉的交接关系及责任,全面分析施工进度状况,找出问题根源,提出调整措施.每周定期召开例会.4.3文明环保施工要求高分析:本工程在xx市下沙区内,对文明环保要求高.我公司已通过管理体系认证,我们将尽最大努力减少环境污染,精心组织,文明施工,树立我公司的企业形象.相应对策:1、成立环境保护与文明施工小组,由项目经理任组长,标准明确,责任到人,负责整个施工过程的环保与文明施工.2、严格按xx市环境保护和文明施工的有关规定和要求执行.3、制定文明施工管理制度,加强施工管理.4、强化环境保护意识,加强控制废水、废气、废碴的排放,控制施工噪音、振动,加强施工场地管理,减少对周围环境的影响.现场危险源与风险管控措施表:5、施工部署5.1管理体系针对本工程地下室面积大,挖深较大的情况,公司派出管理能力强、技术水平高、施工经验丰富的施工管理团队和作业班组进行施工,全权负责本工程的质量、安全、工期及经济核算工作.施工领导小组及其职责:组长:副组长:组员:各施工班组及负责人:5.2施工进度计划见后附基坑施工进度计划.5.3施工准备5.3.1组织准备⑴建立工程项目部,实行项目经理责任制,全面负责工期、质量、安全、创优、成本.统一指挥,安排生产、调配劳动力及供应物资.⑵制订实施各种责任制,管理制度,建立质量和安全保证体系,确保工程质量与生产安全.⑶项目经理部下设生产、安全、技术、质量、材料、设备、成本核算和生活后勤等职能部门.各职能部门对项目经理负责,做到分工明确,各负其责,相互协作,紧密配合,形成高效实干的管理层.5.3.2技术准备⑴组织技术管理人员会同有关人员搞好施工图会审工作,组织施工人员学习规范及设计技术文件,熟悉施工任务,施工工艺流程,施工现场布置和各种技术要求及安全规章制度.⑵接管好建设单位提供的坐标控制点和高程控制点,并将控制点重新布设在不受施工作业影响处并加以保护,在施工中,经常复测.⑶做好原材料的验收、取样送检工作,根据现场供应的水泥、砂石品种委托试验室做配合比试验工作,做好钢材的原材料,焊接接头试验工作.⑷根据施工进度,编制场布图,合理优化选择施工流程.5.3.3施工准备⑴组织施工人员进场做准备工作,对场地障碍物及地下障碍物进行全面清理,了解附近地下管道埋设情况,同时必须采取有效的安全监控措施.⑵根据场布及施工要求,确定作业区块,作业流程、材料堆场、搅拌站、制作场,布设好场区内的宣传牌,管理制度牌以及安全警示标志、消防设施等.⑶组织施工机械进场:按施工要求进行组装调试,并按施工顺序就位,采购各类工程需用材料,按有关规定进行堆放.⑷根据施工图纸进行内支撑结构放样,并经过有关单位的检验复核,并及时办理复核签证手续.5.3.4施工机械配备和劳动力组织施工机械配备。
目录1工程概况2编制依据3质量目标及施工进度计划4专业岗位设置及责任制5施工部署6工程监测7质量保证措施8安全文明、环境保护施工措施9附表1工程概况该场地位于******。
基坑东侧2米处局部为一层平房;基坑南部4米处为围墙,基础埋深约1米;基坑西侧5米处为围墙;基坑北侧西部4m处为一层配电房;基坑北侧东部12m处为加压站,地上两层,地下一层,基础埋深6m。
该项目基坑外轮廓尺寸约70m×60 m,基坑深度为10m。
支护采用钢筋砼灌注桩加锚索支护。
1.1场地工程地质概况1.1.1拟建场地基本平坦,场地所处地貌单元为山前冲洪积平原。
1.1.2 地基土构成及岩性特征根据山西省勘察设计研究院编制的《岩土工程勘察报告》,基坑支护深度范围内地层资料如下:第①层,杂填土(Q42ml)杂色,主要由砖块、碎石、灰渣等建筑垃圾组成,夹有少量素填土;该层物质成份杂乱,结构松散,均匀性差。
地表下0.4m左右有一层厚约20cm水泥路面。
第②层:湿陷性黄土((Q4al+pl))褐黄色,以粉土为主,含云母、氧化物、钙质菌丝及零星钙质结核等,可见虫孔,稍湿,稍密~中密状态,具中~高等压缩性,湿陷程度轻微~中等,底部夹有少量砂土、碎石土。
标贯实测击数介于4.0~10.0击之间,平均7.1击。
静力触探比贯入阻力Ps厚度加权平均值为3.84MPa。
第③层:粉土(Q3 al+pl)褐黄色~褐红色,含云母、氧化物、钙质菌丝及零星钙质结核等,可见虫孔,局部夹薄层粉质粘土、砂土、碎石土;稍湿~湿,中密~密实状态,具中等压缩性。
标贯实测击数介于11.0~18.0击之间,平均14.8击。
静力触探比贯入阻力Ps厚度加权平均值为2.70MPa。
第④层:粉质粘土(Q3al+pl)褐黄色~褐红色,含云母、氧化物、菌丝及大量钙质结核,局部夹薄层粉土,可塑~硬塑状态,具中等压缩性。
标贯实测击数介于16.0~24.0击之间,平均20.0击。
静力触探比贯入阻力Ps厚度加权平均值为2.55MPa。
基坑排桩支护施工组织设计1、编制说明1.1编制目的本施工组织设计是XX花园二期基坑支护工程的施工依据和指导性文件之一,主要体现本工程施工活动全过程的总体构思和布置,是指导工程施工过程中各项生产活动的技术、经济综合性文件。
1.2编制依据1)、XX岩土工程勘察设计研究院有限公司提供的本基坑围护的设计图纸及变更图。
2)、XX市城市建筑设计院有限责任公司提供本工程岩土工程勘察报告。
3)、工程现场及周边环境实际情况。
4)、本工程拟使用的规范及标准:(1)《建筑基坑支护技术规程》(JGJ120-2012);(2)《建筑边坡工程技术规范》(GB50330-2012);(3)《建筑桩基技术规范》(JGJ94-2008);(4)《型钢水泥土搅拌墙技术规程》(DGJ08-116-2010);(5)《建筑地基基础工程施工质量及验收规范》(GB50202-2002);(6)《建筑地基基础设计规范》(GB50007-2011);(7)《混凝土结构设计规范》(GB50010-2002);(8)《混凝土结构工程施工质量及验收规范》(GB50204-2002)(2001年版);(9)《钢结构设计规范》(GB50017-2003);(10)《建筑钢结构焊接技术规程》(JGJ81-2012);(11)《钢筋焊接及验收规程》(JGJ18-2003);(12)《工程测量规范》(GB50026-2007);(13)《建筑基坑工程监测技术规范》(GB50497-2009);(14)《建筑机械使用安全技术规范》(JGJ33-2012);(15)《施工现场临时用电安全技术规范》(JGJ46-2005);(16)《建设工程施工现场供用电安全规范》(GB50194-93);(17)《建设工程文件归档整理规范》(GB/T50328-2007);1.3编制原则1)、科技领先原则本工程质量要求高,施工期紧,周围环境较复杂,基于以上特点,我们将以科学的态度,认真学习基坑工程施工有关规范,遵循"时空效应"原理,科学的运用"基坑开挖对称均衡"原理,在施工中综合考虑施工方案,合理组织施工流水,严格按照基坑围护施工图进行施工,并制定相应技术措施。
一、工程概况1.1 工程简介工程名称:工程地点:工程内容:地上二十二层生产大楼,下设一个地下二层汽车库建筑高度:建筑高度88.3m结构类型:框剪结构建筑面积:总建筑面积37167m2,其中地下室建筑面积10422m2(地下一、二层建筑面积均为5211 m2 ),大部分承台底标高为-10.8m(挖土深度9.8m),坑中坑位置标高为-11.6m~-14.8m(挖土深度10.6m-13.8m)(自然土面标高为-1.00m)建设单位:设计单位:地质勘察单位:地下二层为汽车库、消防水池及设备用房,层高4.6m, 地下一层为汽车库、设备用房,层高为4.85m;地上一层为接待大厅、车间用房、餐厅,层高6.5m,二层、三层为车间,层高均为4.8m,四层及以上均为车间用房,其中四层~二十一层层高均为3.8m,二十二层层高为3.85m,建筑高度为88.3m。
基础采用桩承台基础梁拉结的整体筏板基础,桩基采用Ф800和Ф1000钻孔灌注桩。
1.2 周围环境条件本项目场地位于xx市xx路与xx路交界处,周边环境一般,东侧xx路距离基坑较近,且道路上有一些管线;南侧建筑物即将拆除;西侧为待建建筑;北侧xx路距离基坑较远。
具体祥见基坑周边环境图。
1.3 场内工程地质条件本场地根据地质报告,基坑开挖影响范围内的土层分布依次为:(1)填土灰色,松散,上部20-30cm主要为混凝土路面,下部以粘、粉性土组成,含有植物根茎及少量碎石。
层厚0.80~1.30米,层底标高4.20~4.74米。
(2)粘质粉土上部主要呈灰黄色,下部呈灰色,很湿,稍密,层状构造,含铁质氧化物,少量云母片,切面粗糙,个别土样试验结果为粉质粘土,无光泽,摇震反应迅速,干强度低,韧性低。
层厚2.00~3.40米,层底埋深3.10~4.30米,层底标高1.28~2.39米。
(3)-1淤泥质粘土夹粘质粉土深灰色,流塑,局部夹粘质粉土,含腐植质,个别土样试验结果为粉质粘土,干强度高,韧性高。
枫丹中心项目深基坑工程基坑支护、降水及土石方开挖方案及施工组织设计中国建筑西南勘察设计研究院有限公司2011.3。
19枫丹中心项目深基坑工程基坑支护、降水及土石方开挖方案及施工组织设计审定:审核:编制:中国建筑西南勘察设计研究院有限公司2010。
3.19目录1。
编制说明 (27)1。
1前言 (27)1。
2编制依据 (27)1。
3编制内容及原则 (28)1。
3。
1编制的原则 (28)1.3.2编制的内容 (28)2.工程概况 (29)2.1拟建工程概况 (29)2。
2场区自然地理条件和区域地质构造 (29)2。
2。
1地理位置及交通条件 (29)2。
2。
2气象、水文特征 (29)2.2.3地形地貌 (30)2.2。
4场地区域地质构造特征及场地稳定性 (30)2.3工程地质条件 (31)2.3。
1地层结构 (31)2。
3。
2水文地质条件 (33)2.3。
3岩土物理力学指标 (34)2.4场地环境条件简述 (35)2。
5基坑支护结构、降水、监测设计简述 (35)2.5.1基坑支护结构设计 (35)2.5。
1.1基坑支护设计概述 (35)2。
5。
1.2东侧基坑排桩支护体系(1-1'剖面)设计参数 (36)2。
5.1。
3南侧基坑排桩支护体系(2-2’剖面)设计参数 (36)2。
5。
1。
4西侧基坑排桩支护体系(3—3’剖面)设计参数 (37)2。
5。
1。
5北侧基坑排桩支护体系(4—4’剖面)设计参数 (37)2。
5.1。
6西侧基坑排桩支护体系(5-5'剖面)设计参数 (37)2。
5。
1.7基坑支护材料说明 (38)2.5.2基坑降水设计简述 (38)2。
5。
2.1降水井布置 (38)2。
5。
2.2 管井设计参数 (38)2。
5.2.3抽排水系统设计 (39)2.5.3施工图纸基坑工程监测设计简述 (39)2。
5.3。
1监测内容 (39)2。
5.3.2监测周期 (39)2.5。
3。
3监测数据提供 (40)2。
10米深基坑排桩加内支撑护施工组织设计目录第一章编制依据和说明 (5)§1.1编制依据 (5)§1.2编制说明 (5)第二章工程概况 (7)§2.1项目概况 (7)§2.2工程概况 (7)§2.3设计概况 (7)§2.4主要工程量 (7)§2.5周边环境情况 (8)§2.6地质水文条件 (8)§2.7本工程的重点、难点 (9)第三章施工总体部署 (11)§3.1工程管理目标 (11)§3.2项目管理机构 (11)§3.3施工准备 (14)§3.4施工总体部署 (15)第四章施工平面布置及管理 (18)§4.1施工平面布置 (18)§4.2平面管理措施 (19)第五章施工进度计划及措施 (21)§5.1进度计划目标 (21)§5.2进度计划安排 (21)§5.3施工进度保证措施 (21)第六章资源投入计划及保证措施 (23)§6.1施工机械投入计划及保证措施 (23)§6.2劳动力安排计划及保证措施 (24)§6.3周转材料需求计划及保证措施 (26)第七章主要施工技术方案 (28)§7.1施工测量 (28)§7.2旋挖桩施工 (28)§7.3钢构柱施工 (34)§7.4搅拌桩施工 (40)§7.5预应力锚索施工 (43)§7.6挂网喷层施工 (48)§7.7冠梁、腰梁、混凝土支撑梁施工 (52)§7.8钢花管施工 (61)§7.9降水工程 (63)第八章施工质量保证措施 (68)§8.1施工质量目标 (68)§8.2质量保证体系 (68)§8.3质量保证制度 (70)§8.4一般质量保证措施 (71)第九章安全生产目标及保证措施 (74)§9.1安全生产目标 (74)§9.2安全保证体系 (74)§9.4安全管理制度 (77)§9.5安全管理措施 (78)第十章文明施工目标及保证措施 (80)§10.1文明施工目标 (80)§10.2文明施工制度 (80)§10.3现场文明施工管理措施 (81)§10.4环境污染控制措施 (82)§10.5防止施工扰民措施 (83)第十一章应急预案 (84)§11.1应急预案的方针与原则 (84)§11.2应急预案的工作流程图 (84)§11.3信息报告 (84)§11.4应急小组 (85)§11.5应急预案 (85)第十二章基坑施工监测 (89)§12.1施工监测目的及意义 (89)§12.2施工监测依据 (89)§12.3仪器选择和精度要求 (89)§12.4监测项目及控制标准 (90)§12.5基准点、监测点的布置与保护 (91)§12.6监测方法及精度 (92)§12.7监测报警及异常监测措施 (93)§12.8监测信息反馈 (94)§12.9监测注意事项 (96)§12.10相关附件 (96)第一章编制依据和说明§1.1编制依据1、xxxx首期基坑支护及降水设计、施工工程招标文件、合同文件、设计图纸、地质勘查报告等。
2、公司现场踏勘的情况。
包括场地条件、市政管线、周边环境、道路交通等现场条件。
3、公司现有人力、物力和机械配备情况以及类似工程的施工经验,我单位质量、环境及职业安全健康管理手册、程序文件及其支持性文件。
4、xx省、xx市政府、建设主管部门、环保部门等颁布的各项相关法规、政策性文件等。
5、国家、省、市现行有关法规、标准、技术规范、定额,以及特别是环境保护、水土保持方面的政策和法规。
《建筑地基基础设计规范》(GB50007-2011);《建筑桩基技术规范》(JGJ94-2008);《建筑基坑支护技术规程》(JGJ120-2012);《岩土锚杆<索>技术规程》(CECS22:2005);《建筑工程基坑监测技术规范》(GB50497-2009);《建筑与市政降水工程技术规范》(JGJ/T111-98)《建筑基坑检测技术规范》(JGJ106-2003)其它有关的国家及地方强制性规范和标准。
§1.2编制说明1、响应招标文件要求,确保实现业主要求的质量、工期、安全、环境保护、文明施工和造价等各方面的工程目标。
2、严格执行施工过程中涉及的相关规范、规程和技术标准。
3、指导思想:施工方案可行、施工技术先进、施工组织科学、重信誉、守合同,优质、安全、按期完成。
4、重视生态环境,在施工期间以及竣工后不发生水土流失,确保工程范围外的原地形、地貌不被破坏,道路恢复原状。
第二章工程概况§2.1项目概况xxxx首期位于位于xxxx市渡海路北侧,老xx码头处,拟建项目将由6栋41~42F公寓楼、2栋30F公寓楼、2栋1~3F商业楼以及1~2F商业裙楼组成,场地设两层整体地下室,地下室深度约9.00m。
规划用地面积62294.00m2,地上总建筑面积269844.43m2,拟采用框剪~框架结构,基础型式、基础埋深待定。
§2.2工程概况基坑周长约1000m,开挖深度8.60~10.20m,开挖面积约47000平方米。
基坑设计侧壁安全等级为二级;基坑支护结构使用年限自支护结构完工之日起计为1年。
§2.3设计概况综合考虑地质资料、开挖深度、周边环境、经济合理等因素,基坑采用桩锚的支护方案,局部角落区段因基坑临近已有建筑,采用桩撑的支护方案,止水方案采用搅拌桩。
§2.4主要工程量序号工程名称单位数量备注1φ1000灌注桩m3104602φ1200立柱桩m32823Φ550搅拌桩m946224成孔180,预应力锚索m401225挂网喷砼m230826钢花管m348307支撑梁m35928Φ500降水井口30§2.5周边环境情况地块南侧xx路;北侧为河堤、码头,基坑支护边线距北侧河堤最近处17.5m;东侧为二期地块,东侧xx码头客运楼、xx大厦均应考虑对本工程的影响,xx 码头客运楼与支护边线最近距离13m,xx大厦与支护边线最近距离23.5m。
§2.6地质水文条件(一)场地位置及地形地貌场地位于xx市xx路北侧,老xx码头处,交通十分方便。
场地地貌单元属滨海漫滩。
地形经早期人工开发平整,较为平坦。
(二)地层结构及岩性特征在钻探深度内从上至下地层为:人工填土(Qml)、第四系全新统沉积土(Q4m)、第四系下更新统沉积土(Q1m)和第三系上新统沉积土(N2m)。
根据地层岩性特征和沉积新老关系从上而下划分为八个工程地质层。
分述如下:素填土(Qml):褐灰色,主要为水泥地板夹碎石块,碎石块一般直径1-4cm,个别达8-13cm。
欠压实,干~稍湿。
粗砂(Q4m):褐黄色,主要由石英质中、粗粒组成,次为砾石、细砂粒,粘粒含量3~5%,局部含砾石较多,湿~饱和,松散状。
淤泥质粘土(Q4m):分布于整个场地。
为海相沉积土,深灰色,流~软塑状,粘粒为主,含少量有机质,不均匀夹10~30cm粉细砂。
粘土(Q1m):分布于全场地。
为海相沉积土,黄色,下部灰色,可塑状,主要成份以粘粒为主,质纯。
粉砂(Q1m):分布整个场地,为海相沉积土。
黄色,灰黄色,局部灰白色。
稍密~中密状,饱和。
主要成份为石英质粉砂粒,次为细粒,局部含较多中粒、粗粒。
粘土(Q1m):为海相沉积土,灰色,可塑~硬塑状。
主要成份为粘粒,次为粉粒,局部含较多粉砂。
粉砂(Q1m):粉砂(N2m):受钻孔深度限制,本次勘察在高层建筑中部分钻孔有揭露。
为海相沉积土,褐灰色。
密实状,饱和。
主要成份为石英质粉砂粒,次为细粒,颗粒级配良好,次圆状。
(三)场地水文地质条件在本次勘察81.49m深度范围内的地下水主要赋存于②层粗砂、③层淤泥质粘土、⑤粉砂、⑥-1粉砂、⑦粉砂中,其中②层粗砂、③层淤泥质粘土、⑤粉砂为松散岩类孔隙潜水,⑥-1粉砂、⑦粉砂为微承压水。
③层淤泥质粘土富水性和透水性较差,为弱透水层,其余含水层富水性和透水性较好,为强透水层。
地下水主要接受大气降水和侧向补给,向北迳流排泄。
结合勘察成果及场地地形地貌条件,确定地下水最高水位标高为2.50m。
§2.7本工程的重点、难点1、本项目北侧为xx河;其中②层粗砂、③层淤泥质粘土、⑤粉砂为松散岩类孔隙潜水,⑥-1粉砂、⑦粉砂为微承压水。
③层淤泥质粘土富水性和透水性较差,为弱透水层,其余含水层富水性和透水性较好,为强透水层,则如何控制基坑止水、基坑降排水以及雨季施工措施是本项目的一大重点。
解决办法:(1)严格按图纸和规范施工,采用550@350水泥土搅拌桩,实桩桩长约13m,要求穿过淤泥土进入下一土层不少于1m。
(2)严格按图纸及规范监测,监测项目以及监测频率、监测控制值与预警值详见监测平面布置图。
(3)坑内积水采用明沟疏排,在坑顶和坑底设置排水沟,在施工过程中先将坑内积水引入排水沟中,然后导入集水井内,用水泵抽至坑顶,经沉淀池排至市政污水管。
(4)及时收集天气预报资料,且提前做好雨季准备,委派专人负责抽排水,保证基坑、工作场地、施工道路不积水,施工顺利进行。
机械设备须有防雨保护装置、电箱电缆有接地漏电保护装置。
水泥等易潮材料应盖遮雨布,雨天时如必须进行钢筋焊接时,应搭设防雨棚后方能进行。
2、本项目基坑开挖深度8.60~10.20m,开挖面积约47000平方米,工期为90天,如何科学的组织安排,保质按期完成本工程一大重点。
解决方法:(1)我司拟派曾参建过xx和xx基坑支护工程、xx新增地下室基坑支护工程等责任心强及具有丰富施工经验的施工管理人员和施工班组进场施工,确保本工程优质按期完成,我司类似代表性施工业绩如下:序号工程名称开发商工程地址项目概况备注1xx基坑支护工程xx集团基坑周长约:480m,深度约8.5~9.5m,采用桩锚支护形式,采用水泥搅拌桩止水20122xx和xx基坑支护工程xx集团面积约170000平方米,深度约13m,采用桩锚支护形式,采用水泥搅拌桩止水2013(2)合理布置场地,投入足够的施工人员及设备,科学组织安排,具体详见施工进度计划。
(3)土方单位基坑支护工作面土方开挖将影响我司基坑支护的施工进度,建议开工前甲方组织我司与土方单位召开协调会议,制定详细的进度计划方案,使本项目基坑支护工程按期顺利完成。