汽车用电线电缆
- 格式:doc
- 大小:111.50 KB
- 文档页数:8
Q/HTQ 亨通电子线缆科技有限公司企业标准Q/HTQ-XXX-XXX-2015新能源汽车用高压电缆2015-01-XX发布2015-01-XX实施亨通电子线缆科技有限公司发布目次前言 (Ⅱ)1范围 (1)2规范性引用文件 (1)3定义 (1)4使用特性 (2)5产品代号说明、表示方法及产品型号规格 (2)6技术要求 (4)7试验方法 (10)8检验规则 (25)9交货长度 (26)10标志和标签 (26)11包装、运输和储存 (26)前言本标准的编制按照GB/T1.1-2009的要求编制。
本标准由企业技术研发部提出。
本标准由企业技术研发部归口。
本标准起草部门:技术研发部。
本标准主要起草人:XXXXXXX。
新能源汽车用高压电缆1范围本标准规定了新能源汽车用高压电缆的命名、技术要求、试验方法、检验规则以及标志、包装、运输和贮存等。
本标准所包括的电缆适用于纯电动及混合动力等新能源汽车内部高压电气系统。
2规范性引用文件下列文件中的条款通过本标准的引用而成为本标准的条款。
对于本文件的引用是必不可少的。
凡是注日期的引用文件,仅所注日期的版本适用于本标准。
凡是不注日期的引用文件,其最新版本(包括所有的修改单)适用于本标准。
GB/T2900.10电工术语电缆GB/T2951.11-2008电缆和光缆绝缘和护套材料通用试验方法第11部分通用试验方法厚度和外形尺寸测量-机械性能试验GB/T2951.21-2008电缆和光缆绝缘和护套材料通用试验方法第21部分弹性体混合料专用试验方法耐臭氧试验热延伸试验浸矿物油试验GB/T3048.8-2007电线电缆电性能试验方法第8部分:交流电压试验GB/T3953-2009电工圆铜线GB/T3956-2008电缆的导体GB/T4909裸电线试验方法GB/T4910-2009镀锡圆铜线GB/T6995-2008电线电缆识别标志方法GB/T12528-2008交流额定电压3KV及以下轨道交通车辆用电线电缆GB/T17650-1998取自电缆或光缆的材料燃烧时释出气体的试验方法GB/T17651-1998电缆或光缆在特定条件下燃烧的烟密度测定GB/T17737.1-2000射频电缆第1部分:总规范-总则、定义、要求和试验方法GB/T25085-2010道路车辆60V和600V单芯电线GB/T25087-2010道路车辆圆形、屏蔽和非屏蔽的60V和600V多芯护套电缆ISO6722-2011道路车辆—60V和600V单芯电缆—规格、试验方法和要求ISO14572-2006道路车辆—圆型,屏蔽及无屏蔽,60V及600V多芯护套电缆—基本性能及高性能电缆的试验方法和要求SN/T2003.1-2005电子电气产品中铅、汞、镉、铬、溴的测定:第一部分:X射线荧光光谱定性筛选法SN/T2004.2-2005电子电气产品中铅、镉、铬的测定:第二部分:火焰原子吸收光谱法DIN EN14372-2004Child use and care articles-Cuelery and feeding utensils-Safety requirements and testsJB/T8137-1999电线电缆交货盘LV216-2:2012汽车及其电动驱动器用高压屏蔽电缆的试验方法和要求QC/T1037-2016道路车辆用高压电缆3定义GB/T2900.10中确定的术语、定义适用于本标准。
产品名称:电动汽车充电电缆(交流)产品型号:DCC工作温度:80°C产品特性:柔软,耐磨,使用方便详细介绍:电动汽车交流充电用电缆用途:用于交流额定电压为220V 的电动汽车用传导式充电接口连接电缆。
适合家庭或公共场所使用配置控制导引电路的供电设备为电动汽车提供交流充电电源。
温度等级:A级,电缆长期运行温度为 -40~85 ℃。
执行标准:FORCE-S62-2010型号规格:芯线功能说明:产品名称:电动汽车充电电缆(直流)产品型号:DCC工作温度:80°C产品特性:柔软,耐磨,使用方便详细介绍:电动汽车直流充电用电缆用途:用于交流额定电压为750V 的电动汽车用传导式充电接口连接电缆。
适合专门的充电站使用非车载充电机对电动汽车进行直流充电。
温度等级:A级,电缆长期运行温度为 -40~85 ℃。
执行标准:FORCE-S62-2010型号规格:芯线功能说明:新品推荐产品名称:聚四氟乙烯(PTFE)绝缘电线产品型号:FLR5Y-A-Ag 和 FLR5Y-A-Ni产品型号:FLR5Y-A-Ag 和 FLR5Y-A-Ni工作温度:-65到+260°C工作温度:-65到+260°C产品特性:长期工作温度可达-65℃到+260℃(3000 小时)。
机械强度高,耐火,耐燃料耐油,耐酸碱。
产品特性:长期工作温度可达-65℃到+260℃(3000 小时)。
机械强度高,耐火,耐燃料耐油,耐酸碱。
详细介绍:详细介绍:标准标准ISO 6722 H 级。
结构1.导体:镀银或镀镍铜绞线,CU-ETP按EN 13602。
2.绝缘:聚四氟乙烯(PTFE)材料。
3.规格尺寸见下表标准ISO6722 H级。
结构1.导体:镀银或镀镍铜绞线,CU-ETP 按EN 13602。
2. 绝缘:聚四氟乙烯(PTFE )材料。
3. 规格尺寸见下表标称横截面积镀银镀镀镍mm 2mm mm mm mm m Ω/m Ω/m mm mm mm mm最大最大 最大最最大最小 最小最最大允许偏差0.227/7/0.2127 2784.8 84.887.9 87.90.20 0.20 1.1.2-0-0.10.357/7/0.2627 2752.0 52.056.8 56.80.20 0.20 1. 1.3 0.519/19/0.1944531.7 31.738.6 38.60.22 0.22 1.1.6-0-0.20.751919/0.2344524.1 24.125.7 25.7 0.0.24 1. 1.9 1.019/19/0.2655018.5 18.519.3 19.3 2.1 1.519/19/0.3266012.7 12.713.2 13.2 2.4 2.519/19/0.417757.6 7.67.92 7.920.28 0.28 3.3.0-0-0.3新品推荐产品名称:电动车辆用屏蔽电力电缆产品型号:DCJVVP(B 级),DCYJYJP(C 级),DCYJYJP150(D 级) 工作温度:B 级:-40~105,C 级:-40~125,D 级:-40~150°C产品特性:用于电动车辆,燃料电池车辆和混合动力车辆,用于驱动电力传输。
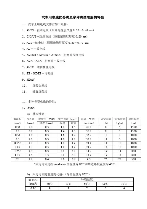
汽车用电线的分类及多种类型电线的特性一、汽车上用电线大体有如下几种:1、A VSS-很细电线(原则绝缘层厚度0.30~0.40 mm)2、CA VUS-超细电线(原则绝缘层厚度0.20 mm)3、A VS-细电线(原则绝缘层厚度0.50~0.70 mm)4、A V-一般电线5、A VSSH·A VSSX·AESSX-耐高温很细电线6、A VX·AEX-耐高温一般电线7、A VFF-柔韧性强电线8、EB·HDEB-电源线9、HDA V10、屏蔽金属线11、螺旋屏蔽线二、多种类型电线的特性:1、A VSSa)基本性能:*限定电流是指conductor的温度为80℃和周边环境温度为40℃。
b)限定电流随温度变化值:(导体温度为80℃)2、CA VUSa)基本性能:*限定电流是指conductor的温度为80℃和周边环境温度为40℃。
b)限定电流随温度变化值:(导体温度为80℃)3、A VSa)基本性能:*限定电流是指conductor的温度为80℃和周边环境温度为40℃。
b)限定电流随温度变化值:(导体温度为80℃)4、A Va)基本性能:*限定电流是指conductor的温度为80℃和周边环境温度为40℃。
b)限定电流随温度变化值:(导体温度为80℃)5、A VSSHa)基本性能:*限定电流是指conductor的温度为80℃和周边环境温度为40℃。
A VSSX、AESSXb)基本性能:*限定电流是指conductor的温度为80℃和周边环境温度为40℃。
c)A VSSX、A VSSH限定电流随温度变化值:(导体温度为100℃)d)AESSX限定电流随温度变化值:(导体温度为120℃)6、A VX·AEXa)基本性能:*限定电流是指conductor的温度为80℃和周边环境温度为40℃。
b)A VX限定电流随温度变化值:(导体温度为100℃)c)AEX限定电流随温度变化值:(导体温度为120℃)7、A VFF基本性能:*f是指柔韧性电线8、HDA V基本性能:9、EB·HDEBa)EB基本性能:(EB重要用作地线)b)HDEB基本性能:(HDEB重要用作电源线)10、汽车用QVR、QFR型低压导线容许载流量、实验电流和参照载流量(A)汽车常用保险丝规格及熔断时间端子与电线之间的电压降整车电路的线束面积选择是根据用电器工作时电流大小而选择的,对于工作电流很小的用电器电路所用导线截面积不不不小于0.5mm 2,整车电路电压降不得不小于0.5v,起动机线路每100A电流所产生的电压降不能超过0.1~0.15v导线公称截面积及相应最小拉力电线束尺寸1、干线和保护套管长度应不不不小于100 mm,并为10的倍数,如:100 mm,110 mm,120 mm等。
flry-a标准
FLRY-A标准是一种汽车电线规范,用于制造汽车电气系统中的电线和电缆。
该标准由德国汽车工业协会(VDA)制定,其名称“FLRY”是由德语单词“Fahrzeugleitung”(汽车电线)和“Reduced Wall”(壁厚减少)组成的缩写。
FLRY-A标准规定了电线的材料、尺寸、电气性能和使用环境等方面的要求。
其中,FLRY-A电线的导体采用铜线,绝缘层采用PVC材料,电线的额定电压为60V,额定温度为-40℃至+105℃。
此外,FLRY-A电线还具有防油、防水、耐磨损等特性,适用于汽车电气系统中的各种连接和传输。
FLRY-A标准的制定旨在提高汽车电气系统的可靠性和安全性,保证汽车在极端环境下的正常运行。
目前,FLRY-A标准已经成为欧洲汽车行业中广泛使用的电线规范之一,被许多汽车制造商和供应商所采用。
各国汽车线束用线1.德标汽车电线产品标准1.1DIN 72551德国国家标准FLY、FLRY、FLYW1.2VW60306大众公司标准FLRYFLR6YFLR7YFLR13YFLR31Y等2.日本汽车电线产品标准JISC3406汽车用薄壁绝缘低压电缆AV型日本汽车工程学会标准JASO D611汽车用薄壁绝缘低压电缆AVSSCAVSJASO D608汽车用耐热低压电缆AVX、AEX3.韩国汽车电线产品标准KSC 3311汽车用低压电线AV型韩国现代企业标准ES 91110-00汽车用超薄壁聚氯乙烯绝缘低压电线AVSS型4.意大利汽车电线产品标准FIAT91107/13T2-105型电线FIAT91107/15T3-125型电线T2-105PVC绝缘低压电线T3-125PP绝缘低压电线5.美国标准汽车电线美国汽车工程师学会标准SAE 1127电池电缆SAE1128低压初级电缆GXLTWPTXLGPTHDTSHTSSXLTWEGTEHTESAE 1678低压薄壁初级电缆MS-8288电缆-初级-薄壁交联聚乙烯绝缘MS-7889薄热塑(PVC)绝缘初级线缆MS-5919薄壁交联聚乙烯绝缘初级电缆6.ISO 6722国际标准化组织标准7.国家标准1.1JB 8734国家机械部标准RVVPRVV1.2GB/T 2951电缆绝缘和护套材料通用试验方法1.3JB/T8139QVR、QVR-105、QVVR1.4OC/T730-2005道路车辆用薄壁绝缘低压电线除了他们测试不一样外,最大不一样,就是同一规格的线束,结构不一样,横截面不一样,材料的使用分级不一样,线束的绝缘厚度要不一样,标准线束所用材料着重点不一样,比如美国主要是用交联PE料,而德国的选择比较广。
JB/T8734.1-1998标准名称是:额定电压450/750V及以下聚氯乙烯绝缘电缆电线和软线是机械行业标准GA/T306.1-2007阻燃及耐火电缆塑料绝缘阻燃及耐火电缆分级和要求是公安行业标准。
德国工业标准道路车辆-低压电缆第五部分:单芯无屏蔽薄壁PVC绝缘低压电缆要求和试验DIN72551-5/1991目录1使用范围2一般规定3要求和试验3.1交货状态绝缘外观3.2导体结构3.3交货状态机械性能3.3.1绝缘可剥离性3.3.2绝缘附着力3.3.3绝缘耐磨性3.4机械和/或热和/或化学老化后性能3.4.1热收缩试验3.4.2耐热压3.4.3绝缘耐磨性3.5交货状态电器性能3.5.1 20℃下单位长度导体电阻3.5.2完整电缆的绝缘缺陷3.3.3 30分钟耐压试验3.6机械和/或热和/或化学老化后电气性能3.6.1 70℃下绝缘的体积电阻率3.6.2热过载3.6.3 -40℃下耐低温3.6.4动态弯曲性3.6.5加速寿命老化试验3.7热老化后化学性能3.7.1阻燃性3.7.2绝缘热稳定性4试验大纲附录A 试验设备引用标准其他标准1 适用范围本标准适用于按DIN72551 T.6的单芯无屏蔽薄壁绝缘低压电缆,它规定了PVC 绝缘的试验和要求。
2 一般规定2.1试样除非另有协议,电缆应在交货状态下做试验。
试样必须包含线束的头端并尽可能包含线束的尾端。
除非下文另有规定,试样的数目应在标准使用者之间达成协议。
2.2试验温度除非另有规定,应在(23±5)℃的环境下做试验。
2.3数值的四舍五入测量值应按DIN1333T2四舍五入至调整数字,相应的实际数值旧以改四舍五入值给出。
3要求和试验3.1交货状态绝缘外观3.1.1要求绝缘中不得含有疙瘩、裂纹、气泡和夹杂。
3.1.2试验目测3.2电缆结构3.2.1要求电缆结构的要求由DIN72551 T.6的尺寸数据或在此基础上给出。
3.2.2单线的根数3.2.1试验单线的根数通过点数确定。
3.2.3单线直径3.2.3.1要求任何单个测量值不得超过规定的最大值。
3.2.3.2试验在单线圆周上交错90°的两个位置上测量直径,测量时采用DIN863 T.1千分尺(测量范围0~25mm)。
电工汽车充电线缆过电流标准
电工汽车充电线缆的过电流标准一般遵循国家或行业标准,如中国国家标准GB/T 20234.3-2011《道路车辆 - 电动汽车电能
传输系统和控制设备 - 第3部分:交流传输模式的电缆组件》。
根据该标准规定,电工汽车充电线缆的过电流标准取决于其额定电流和额定电压。
根据GB/T 20234.3-2011标准,电动汽车充电线缆的额定电流
一般在32A、63A、125A等不同等级,额定电压一般为380V
或660V。
标准规定了不同额定电流和额定电压下的线缆过电
流的限制值。
举例来说,在该标准中,对于额定电流32A和额定电压380V
的线缆,其过电流标准为32A,即线缆的设计和材料需要能够承受32A的过电流。
需要注意的是,不同国家或地区可能有不同的标准和规定,具体的过电流标准应根据当地的相关法规和标准进行确定。
因此,在使用电工汽车充电线缆时,建议参考当地的法规和标准,确保线缆符合安全和合规要求。
汽车电线型号一览表标准名称型号截面范围 mm2使用温度名称AEX 0.58 -40120 汽车用交联聚乙烯耐热电缆JASO D608AVX 0.58 -40100 汽车用交联聚氯乙烯耐热电缆AVS 0.3 5 -4080 汽车用1型薄绝缘低压电缆AVSS 0.3 2 -4080 汽车用2型薄绝缘低压电缆JAOS D611CAVS 0.3 2 -4080 汽车用2型薄绝缘低压电缆CAVUS 0.3 1.25 -4080 汽车用3型薄绝缘低压电缆JIS C3406 AV 0.5100 -4080 汽车用低压电缆FLRY-A 0.22 2.5 -4080 单芯无屏蔽薄壁聚氯乙烯绝缘低压电缆DIN 72551.6FLRY-B 0.35 6 -4080 单芯无屏蔽薄壁聚氯乙烯绝缘低压电缆FLRY-A 0.22 2.5 -40105 单芯无屏蔽薄壁聚氯乙烯绝缘低压电缆FLRY-B 0.35 6 -40105 单芯无屏蔽薄壁聚氯乙烯绝缘低压电缆FLY 6120 -40105 单芯无屏蔽聚氯乙烯绝缘低压电缆FLR13Y-A 0.22 2.5 -40150 单芯无屏蔽薄壁热塑性弹性体绝缘低压电缆VW 603 06FLR13Y-B 0.35 6 -40150 单芯无屏蔽薄壁热塑性弹性体绝缘低压电缆FLR2X-A 0.22 2.5 -40125 单芯无屏蔽薄壁交联聚乙烯绝缘低压电缆FLR2X-B 0.35 6 -40125 单芯无屏蔽薄壁交联聚乙烯绝缘低压电缆FL2X 6120 -40125 单芯无屏蔽交联聚乙烯绝缘低压电缆STT 13103 -4080 薄壁热塑性绝缘起动机或接地装置电缆SGT 13103 -4080 通用热塑性绝缘起动机或接地装置电缆STR 13103 -4090 薄壁热固性弹性体绝缘起动机或接地装置电缆SGR 13103 -4090 通用热固性弹性体绝缘起动机或接地装置电缆SAE J1127STX 13103 -40125 薄壁交联聚烯烃绝缘起动机或接地装置电缆SGX 13103 -40125 通用交联聚烯烃绝缘起动机或接地装置电缆STE 13103 -40120 薄壁热塑性弹性体绝缘起动机或接地装置电缆SGE 13103 -40120 通用热塑性弹性体绝缘起动机或接地装置电缆TWP 0.228 -4080 薄壁热塑性绝缘电缆GPT 0.228 -4080 通用热塑性绝缘电缆HDT 0.228 -4080 重型热塑性绝缘电缆STS 0.228 -4090 标准负荷热固性弹性体绝缘电缆HTS 0.228 -40090重型热固性弹性体绝缘电缆SAE J1128TXL 0.228 -40125 薄壁交联聚烯烃绝缘电缆GXL 0.228 -40125 通用交联聚烯烃绝缘电缆SXL 0.228 -40125 特种用途交联聚烯烃绝缘电缆TWE 0.228 -40120 薄壁热塑性弹性体绝缘电缆GTE 0.228 -40120 通用热塑性弹性体绝缘电缆HTE 0.228 -40120 重型热塑性弹性体绝缘电缆SAE J1678UTA 0.13 3 -4080UTB 0.13 3 -40100UXC 0.13 3 -40125UXD 0.13 3 -40150WTA 0.13 3 -4080WTB 0.13 3 -40100标准名称型号 截面范围 mm 2使用温度 名称WXC 0.13 3 -40125WXD 0.13 3 -40150 QVR 0.2120 -4080 公路车辆用铜芯聚氯乙烯绝缘低压电缆 QFR 0.2120 -4070 公路车辆用铜芯聚氯乙烯-丁晴复合物绝缘低压电缆JB/T 8139QVR-105 0.2120 -40105公路车辆用铜芯耐热105聚氯乙烯绝缘低压电缆。
汽车电线电流与线径对照表随着汽车工业的发展,汽车的电气系统也变得越来越复杂。
汽车电线作为电气系统的重要组成部分,其线径与电流的对照关系对于汽车电气系统的设计和维修至关重要。
本文将介绍汽车电线电流与线径对照表,帮助读者了解不同线径下所能承载的电流大小,有助于正确选择和安装汽车电线。
一、引言汽车电线是电气系统中传输电流的重要部分,它承载着各种电器设备所需的电流。
不同的电器设备对电流的需求不同,因此需要选择适合的电线线径来满足电流传输的要求。
汽车电线电流与线径对照表是根据电线截面积和电流传输能力的关系编制的,通过这个对照表可以快速准确地找到适合的电线线径。
二、汽车电线电流与线径对照表以下是一份常见的汽车电线电流与线径对照表,仅供参考:线径(mm²)最大电流(A)0.5 50.75 7.51 101.5 152.5 204 306 4010 6016 8025 10035 12050 15070 20095 250120 300150 350三、线径与电流对照表的应用通过汽车电线电流与线径对照表,我们可以根据特定的电流需求选择合适的电线线径。
首先,我们需要确定需要传输的电流大小,然后在对照表中找到对应的线径。
例如,如果我们需要传输15A的电流,可以选择1.5mm²的电线。
这样可以确保电线能够承受所需的电流,避免因电线过细而造成过载和发热等安全问题。
四、注意事项在选择汽车电线时,除了参考电流与线径对照表外,还需要注意以下几点:1.保持安全余量:为了确保电线能够稳定承载所需电流,建议在选择线径时保持一定的安全余量。
一般来说,可以选择稍大一号的线径,以提高电线的传输能力和安全性。
2.考虑线路长度:电线的线径与线路长度也有关系。
当线路长度较长时,电线的电阻会增加,因此需要选择较大的线径来降低电阻损耗。
3.考虑工作环境:不同的工作环境对电线的要求也不同。
例如,在高温环境下工作的电器设备需要选择耐高温的电线。
汽车⽤电线的分类及各种类型电线的特性---001汽车⽤电线的分类及各种类型电线的特性⼀、汽车上⽤电线⼤致有如下⼏种:1、A VSS-很细电线(标准绝缘层厚度0.30~0.40 mm)2、CA VUS-超细电线(标准绝缘层厚度0.20 mm)3、A VS-细电线(标准绝缘层厚度0.50~0.70 mm)4、A V-普通电线5、A VSSH·A VSSX·AESSX-耐⾼温很细电线6、A VX·AEX-耐⾼温普通电线7、A VFF-柔韧性强电线8、EB·HDEB-电源线9、HDA V10、屏蔽⾦属线11、螺旋屏蔽线⼆、各种类型电线的特性:1、A VSS℃℃。
2、CA VUS℃℃。
3、A VS℃℃。
4、A V℃℃。
5、A VSSH℃℃。
A VSSX、AESSX℃℃。
6、A VX·AEX℃℃。
7、A VFF8、HDA V9、EB·HDEB10、汽车⽤QVR、QFR型低压导线允许载流量、试验电流和参考载流量(A)汽车常⽤保险丝规格及熔断时间端⼦与电线之间的电压降整车电路的线束⾯积选择是根据⽤电器⼯作时电流⼤⼩⽽选择的,对于⼯作电流很⼩的⽤电器电路所⽤导线截⾯积不⼩于0.5mm 2,整车电路电压降不得⼤导线公称截⾯积及对应最⼩拉⼒电线束尺⼨1、⼲线和保护套管长度应不⼩于100 mm,并为10的倍数,如:100 mm,110 mm,120 mm等。
2、⽀线长度应不⼩于50 mm。
3、接点之间距离、接点与分⽀点之间距离应不⼩于20 mm。
4、电线与端⼦连接处的绝缘套管长为20 mm±5 mm。
5、电线束基本尺⼨极限偏差应符合下表规定电线束未注公差尺⼨极限偏差 mm6、性能导线截⾯积与电流的关系⼀般铜线安全计算⽅法是:2.5平⽅毫⽶铜电源线的安全载流量--28A。
4平⽅毫⽶铜电源线的安全载流量--35A 。
6平⽅毫⽶铜电源线的安全载流量--48A 。
青岛电缆股份有限公司企业标准 Q/02 DLC018—2004
汽车用电线电缆
2004-11-20发布 2004-11-28实施 青岛电缆股份有限公司 发布 I / 8
前 言 本标准是青岛电缆股份有限公司根据SAE电线电缆标准制定的24~4/0AWG的汽车用电线电缆,并采用此标准作为此类产品的生产依据。本标准参照美国汽车工业协会SAE相关标准制定。 本标准的附录A、附录B为规范性附录。 本标准由青岛电缆股份有限公司提出并起草。 本标准主要起草人:尚德义、赵国玉。 本标准自发布之日起有效期三年,到期复审。 1 / 8
汽车用电线电缆 1 范围 本标准规定了汽车用多芯电线电缆的规格、要求、检验规则及标志、包装、运输、贮存。 本标准适用于汽车主回路用、汽车电瓶用和汽车用多芯电线电缆(以下简称电缆)。
2 规范性引用文件 下列文件中的条款通过本标准的引用而成为本标准的条款。凡是注日期的引用文件,其随后所有的修改单(不包括勘误的内容)或修订版均不适用于本标准,然而,鼓励根据本标准达成协议的各方研究是否可使用这些文件的最新版本。凡是不注日期的引用文件,其最新版本适用于本标准。
SAE J1127 车辆用低压电瓶线标准 SAE J1128 车辆用低压主回路电缆标准 UL 1581 电线电缆和软线基础标准
3 产品的分类 电缆的型号应符合表1的规定。 表1
绝缘材料 汽车主回路用电缆的型号 汽车电瓶用电缆的型号 多芯汽车线 薄壁型 通用型 特殊用类型 厚壁重型 薄壁型 通用型 5*12AWG+1*10AWG
5*14AWG PVC绝缘 TWP GPT ─ HDT STT SGT
橡皮绝缘 ─ ─ STS HTS STR SGR — 交联聚烯烃绝缘 TXL GXL SXL ─ STX SGX — 热塑性弹性体绝缘 TWE GTE ─ HTE STE SGE —
4 技术要求 4.1 导体 4.1.1 导体结构是绞合结构,可以是裸铜导体也可以有镀层。导体的绞合可以采取束绞或复绞的形式,导体直流电阻应符合UL1581.30的要求。 4.1.2 多芯汽车线的导体结构应符合表2的规定。 表2 规格 导体结构mm 绝缘厚度mm 绝缘外径mm 成缆外径mm 护套厚度mm 成品外径mm
5*12AWG+1*10AWG 12AWG 19/0.465 0.58 3.5 11.20 2.0 15.2 10AWG 19/0.57 0.62 4.4
5*14AWG 14AWG 19/0.37 0.61 3.07 8.20 1.5 11.2 4.2 绝缘 4.2.1 绝缘应均匀、紧密的挤包在导体上,应容易剥离而不损伤导体。 4.2.2 绝缘材料见表1,绝缘材料的机械性能见附录A。 4.2.3 多芯汽车线的绝缘材料为PVC,其性能见附录B,绝缘厚度应符合表2的规定。 4.2.4 如导体无镀层则与需硫化的绝缘材料间应有隔离层,隔离层的材料不做要求。 2 / 8
4.2.5 汽车主回路用和汽车电瓶用电缆绝缘厚度应符合表3的规定。 表3
标称截面AWG
TWP TWE TXL GPT GTE GXL STS SXL HDT HTE HTS STT STR STX STE SGT SGR SGX SGE 标称值 最小值 标称值 最小值 标称值 最小值 标称值 最小值 标称值 最小值 标称值 最小值
24 0.40 0.28 ─ ─ ─ ─ ─ ─ — — — — 22 0.40 0.28 ─ ─ ─ ─ ─ ─ — — — — 20 0.40 0.28 0.58 0.41 0.74 0.52 0.91 0.64 — — — — 18 0.40 0.28 0.58 0.41 0.76 0.53 0.94 0.66 — — — — 16 0.40 0.28 0.58 0.41 0.81 0.57 1.02 0.71 — — — — 14 0.40 0.28 0.58 0.41 0.89 0.62 1.04 0.73 — — — — 12 0.45 0.32 0.66 0.46 0.94 0.66 1.17 0.82 — — — — 10 0.50 0.35 0.79 0.55 1.04 0.73 1.17 0.82 — — — — 8 0.55 0.39 0.94 0.66 1.09 0.76 1.40 0.98 — — — — 6 — — — — — — — — 1.09 0.76 1.52 1.06 4 — — — — — — — — 1.12 0.78 1.65 1.16 2 — — — — — — — — 1.12 0.78 1.65 1.16 1 — — — — — — — — 1.12 0.78 1.65 1.16 1/0 — — — — — — — — 1.12 0.78 1.65 1.16 2/0 — — — — — — — — 1.12 0.78 1.65 1.16 3/0 — — — — — — — — 1.12 0.78 1.98 1.39 4/0 — — — — — — — — 1.12 0.78 1.98 1.39 4.3 护套 4.3.1 护套应紧密包覆在绝缘上,且很容易剥离。 4.3.2 护套料为聚氯乙烯护套料,其机械性能见附录B。 4.3.3 护套表面应光滑无颗粒。 4.3.4 护套厚度应符合表2的规定。 4.4 成缆 4.4.1 汽车主回路用和汽车电瓶用电线大多数为单芯产品,如有要求可以采用多芯绞合,成缆节距不应超过14倍的成缆外径。成缆后可以挤包一层护套,护套的材料和厚度按客户要求。 4.4.2 多芯汽车线线芯应绞合在一起,绞合的顺序遵循图纸及客户的要求,并使用一定的非吸湿性填充使线芯圆整。成缆节距不应超过14倍的成缆外径,成缆后应绕包一层隔离层,6芯汽车线使用无纺布绕包,5芯汽车线使用聚脂带绕包,绕包时应有不少于10%的褡盖。 4.5 标志 4.5.1 成品表面应有工厂名称、型号、生产日期及制造长度的连续标志或按照顾客要求标识。 4.5.2 成品电缆每一个完整标记的末端到下一个完整标记的末端之间的距离应不大于609mm。 4.5.3 标志应连续清楚,不得有间断及缺字等现象。 4.6 成品电缆 成品电缆应能通过表4规定的试验。
5 试验方法 成品电缆应按表3的规定进行试验。 表4 3 / 8
序号 试验项目 试验类型
试验方法及要求
汽车主回路用电缆 汽车电瓶用电缆 多芯汽车线 试验标准 条目 试验标准 条目 试验标准 条目
1 导体 1.1 导体表面无缺陷 R 目测 目测 目测 1.2 导体电阻测量 T, S UL 1581 20~30 UL 1581 20~30 UL 1581 20~30 2 绝缘 2.1 绝缘表面无缺陷 R 目测 目测 目测 2.2 绝缘厚度测量 T, S UL 1581 240~280 UL 1581 240~280 UL 1581 240~280 2.3 绝缘机械性能试验 T, S SAE J1128 5.3 SAE J1127 5.3 SAE J1128 5.3 3 整体绝缘线性能试验 3.1 介电试验 T, S SAE J1128 5.4 SAE J1127 5.4 SAE J1128 5.4 3.2 低温弯曲试验 T SAE J1128 5.5 SAE J1127 5.5 SAE J1128 5.5 3.3 燃烧性能试验 T SAE J1128 5.6 SAE J1127 5.6 SAE J1128 5.6 3.4 流体相容性试验 T SAE J1128 5.7 SAE J1127 5.7 SAE J1128 5.7 3.5 耐臭氧性能试验 T SAE J1128 5.8 SAE J1127 5.8 SAE J1128 5.8 3.6 耐切通性能试验 T SAE J1128 5.9 SAE J1127 5.9 SAE J1128 5.9 3.7 耐磨性能试验 T SAE J1128 5.10 SAE J1127 5.10 SAE J1128 5.10 3.8 交联性能试验 T SAE J1128 5.11 SAE J1127 5.11 SAE J1128 5.11 3.9 剥离力试验 T SAE J1128 5.12 SAE J1127 5.12 SAE J1128 5.12 4 护套 4.1 护套表面无缺陷 R - - - - 目测 4.2 护套厚度测量 T, S - - - - UL 1581 240~280 4.3 护套机械性能试验 T, S - - - - UL 1581 400 油墨印字耐久性试验 T UL 1581 1690 UL 1581 1690 UL 1581 1690 注:(1)T-型式试验 S-抽样试验 R-例行试验 (2)绝缘材料使用PVC和热塑性弹性体的电线不必作3.8项试验。 (3)绝缘和护套厚度的要求参见表2和表3。 (4)绝缘和护套的物理性能见附录A和B。
6 检验规则 产品应由技术检查部门检验合格后方能出厂,出厂产品应附有产品质量检验合格证。产品按照规定试验验收。每批电缆出厂前应100%进行检验,合格方能出厂。产品外观应用目力(正常视力)逐件检查。
7 包装、运输及贮存 7.1 电缆应妥善包装在线盘上交货。 其包装及装盘要求符合包装工艺守则的规定。 7.2 成盘电缆的电缆盘外侧的附加标签应标明: a) 制造厂名或商标(QCW或公司名称); b) 电缆型号及规格; c) 长度,FT; d) 制造日期;