1721采煤工作面煤柱回采作业规程
- 格式:doc
- 大小:150.50 KB
- 文档页数:9
回柱工安全操作规程
一、下井前必须休息好,要有充沛的精力和体力,严禁酒后下井。
二、带齐当班所需的生产工具:拔柱器、大锤、撬钎、卸载扳手等。
三、担任回柱工必须有3年以上工作经验,熟悉掌握回柱的各项工艺。
四、采煤工作面必须及时回柱放顶,控顶距离超过作业规程规定时,禁止采煤、用垮落法控制顶板,回柱后顶板不垮落、悬空距离超过作业规程规定时,必须停止采煤、采取人工强制放顶或其他措施进行处理。
五、用垮落法控制顶板时,回柱放顶的方法和安全措施,放顶与爆破,回柱与支柱等工序平行作业的安全距离符合安全要求。
六、严禁单人作业,回柱时要有经验的工人监视顶板。
七、放顶人员必须站在支架完整,无崩绳、崩柱、甩钩、断绳抽人等危险的安全地点工作。
回柱放顶前,必须对放顶的安全工作进行全面检查,清理好退路。
八、回出的支柱、铰接顶梁必须码放整齐,严禁乱扔乱放。
九、摩擦金属支柱严禁人工回柱,必须使用回柱绞车回柱,单体液压支柱回柱时,卸载扳手上的拉绳不得小于2m。
十、严禁冒险蛮干,回柱时严禁人员进入采空区,严禁用人工去拉、直接拔回出的支柱,应用拔顶器拉到安全地点。
十一、回柱的顺序应从下往上逐架进行,只能一组人员回柱。
严禁一个工作面两处或两处以上同时进行回柱工作。
其原则是“先支后回,由下而上,由里往外”的三角回柱法。
回柱与支柱的错距不小于15m,回柱地点以上5m,以下8m内无人员滞留。
第一章工作面概况第一节工作面概况一、工作面位置及四邻情况1、工作面地面位置:东距观岩村约350m,北距凤岩村约250m,南距白杨岭村约100m。
2、工作面井下位置:3105综采工作面位于31采区南部,北部为3106综采工作面(现已停采),西部为31采区南翼运输巷及回风巷,东部为采空区,南部为井田边界线。
3、工作面底板标高为788m - 820m。
第二节工作面回采对地面的影响范围工作面地面大部分为荒地,没有建筑设施。
由于回采采高为2.2m,按岩石碎胀理论计算,工作面回采后不会对地面造成下沉、塌陷和裂缝现象。
第三节工作面参数及储量3105工作面切眼长:178.4m(大小切眼对接后的长度);其中大切眼长124.4m,小切眼长54m。
工作面可采长度:229m;其中大切眼可采长度为31m;大小切眼对接后可采长度为198m。
斜面积:39179.2m 2;煤平均厚:2.2m;煤体容重:1.4t/m 3;设计回采率:97%。
工作面工业储量分两部分分别为:第一部分:大切眼工业储量=124.4×31×2.2 m×1.4t/m 3 =11877.7t第二部分:大小切眼工业储量=178.4×198×2.2 m×1.4t/m 3 =108795.5t 工作面工业储量共计为120673.2t工作面可采储量:120673.2×97%=117053t第二章地质情况第一节煤层赋存及围岩特征1、3105 工作面开采煤层属下二叠统山西组下部的3#下煤层平均厚度为2.2m,容重1.4T/m3,均为贫煤。
3下煤层含夹矸0~2层,厚0.01~0.30m。
2、围岩及特性煤层,老顶为砂岩,厚度11.8m;直接顶板为泥岩,厚度为4.5m;伪顶为3#下碳质泥岩,厚度为0.3m;底板为细粒砂岩,厚度为4.93m。
(图2-1 3105综采工作面顶底板综合柱状图)第二节地质构造情况3105工作面整体南高北低,最大坡度为13°。
回采工安全作业指导规程第一章总则第一条为确保回采工程的安全生产,保障工人的生命安全和身体健康,制定本指导规程。
第二条本指导规程适用于各类回采工程的安全作业管理,包括煤矿回采、金属矿山回采等。
第三条回采工程的安全作业管理应依据国家相关法律法规以及煤矿、金属矿山等特点制定和实施。
第四条本指导规程的具体内容包括回采工程的安全作业组织管理、人员培训、安全设备使用、应急预案等。
第二章安全作业组织管理第五条回采工程的安全作业组织应建立健全负责安全生产的组织机构,明确各个岗位的职责和权限。
第六条回采工程的安全作业组织应制定安全标准和操作规程,明确作业人员所要遵守的安全要求。
第七条回采工程的安全作业组织应定期进行安全检查和隐患排查,及时整改存在的安全隐患。
第八条回采工程的安全作业组织应加强与其他部门和单位的协作配合,确保安全作业的顺利进行。
第三章人员培训第九条回采工程的安全作业人员应具备相应的安全技术和专业知识,参加相关培训并取得合格证书。
第十条回采工程的安全作业人员应定期进行岗前安全培训和定期复训,提高其安全意识和应急处置能力。
第十一条回采工程的安全作业人员应熟悉安全设备的使用方法,能够正确操作和维护设备。
第四章安全设备使用第十二条回采工程的安全作业应配备符合国家标准和规定的安全设备,并定期进行维护和检查。
第十三条回采工程的安全作业人员应正确使用安全设备,并定期进行自检,遇到问题及时报修。
第十四条回采工程的安全作业人员应熟悉安全设备的紧急停机程序,确保在危险情况下能够迅速停机。
第五章应急预案第十五条回采工程应制定并落实应急预案,明确各个岗位的应急职责和措施。
第十六条回采工程应建立应急救援队伍,定期进行演练和应急处置能力的检验。
第十七条回采工程应配备应急救援设备和物资,确保在突发情况下能够及时有效地开展救援工作。
第十八条回采工程应建立健全信息报告和上报制度,及时向上级部门和其他单位汇报安全情况。
第六章安全考核和奖惩第十九条回采工程应定期进行安全考核,对安全工作表现优秀的个人和单位进行奖励。
巷柱式采煤⼯作⾯回采作业规程模板为保证掘进⼯作⾯的安全施⼯,特制定规程。
⼀、⼯作⾯概况及地质情况1、⼯作⾯名称:2、⼯作⾯作⽤:3、⼯作⾯位置:回采⼯作⾯在未开采区,⾃后退式开采,煤层倾⾓随底板⽽改变,⼀般在10~30之间。
4、煤层赋存情况本⼯作⾯煤层编号为4#,为不粘结煤,硬度在2~3,媒质为低灰,特低硫,⾼挥发份,中⾼发热量煤,容重为 1.26吨/m3,因煤层挥发份较⾼,在30%以上,所以煤尘具有爆炸性,煤层倾⾓为1~30,平均厚度3.4⽶。
煤层为条带状结构,内⽣裂隙发育,层状构造,有棱⾓、参差状断⼝。
5、煤层顶、地板情况据《东胜煤⽥勃⽜川普查地质报告》说明,煤的直接顶板为砂质泥岩,厚3.4⽶,半坚硬,由于采⽤残柱式开采,巷道在煤层中掘进,留0.5⽶煤层作为护顶,煤的顶板为细砂岩、沙质泥岩,厚6.02⽶,煤的底板为砂质泥岩,泥岩、细砂岩,层厚14.67⽶,遇⽔有膨胀性。
6、地质构造情况本区含煤地层的构造形态,为⼀向南西倾斜的单斜构造,倾向⼀般在210度左右,倾⾓1~3度,沿⾛向发育有宽缓的波状起伏,总之,本区含煤层产状平缓,呈⽔平状态,⽆岩浆岩侵⼊,属简单构造型。
7、⽔⽂、⽡斯情况⽔⽂地质类型为第⼀⾄第⼆类第⼀型,即孔隙⾄裂隙充⽔矿床,⽔⽂地质条件简单型,另据井下近⼏年开采来看,井下涌⽔量很⼩。
通过⽡斯等级鉴定,矿井⽡斯涌出量很⼩,4#煤层为低沼⽓煤层,⽆破坏性⽡斯危害。
8、巷道断⾯及⽀护形式根据运输、通风、⾏⼈等要求,巷道断⾯设计为梯形,净宽度为3.4⽶,⾼为2.8⽶,⼀般不做⽀护,但视顶板具体情况,局部地段⽤锚杆⽀护。
(见巷道断⾯图)⼆、采煤⼯作⾯设备配备因本⽣产⼯艺简单,未设⼤型设备,只设有⽣产必备设施,如⼲变、局扇、开关等。
具体数量见附表。
⼯作⾯设备配备表三、回采⽅法和回采⼯艺1、回采⽅法巷道掘进采⽤全断⾯⼀次性掘进的⽅法。
2、回采⼯艺(1)落煤⽅法:采⽤爆破落煤法,⽤MSZ-1.2型煤电钻打眼,段发电雷管和矿⽤2#煤矿许⽤炸药进⾏爆破,起爆器采⽤MZ-100型起爆器,炮眼⽤黄泥封⼝,炮泥长度不⼩于500mm,放炮后。
宣威市龙潭镇打厂冲矿打厂冲井回采工作面作业规程工作面编号:编制人员:实施单位:矿长:安全副矿长:技术负责人:安全负责人:年月日第一章概况第一节工作面位置及井上下关系一、工作面位置1501工作面位于西采区+1930——1940m标高段,工作面南部为老矿采空区,西部为秧田冲采空区,东部为矿井主斜井,北部为未开采井田,工作面走向走140m,倾长为60m,可采面积为8400㎡。
二、地面相对位置该工作面2公里内无村庄,河流,水体,地表为丘陵地带,地面标在2220——2260m之间,工作面地表为耕地,荒山等。
三、回采对地面的影响根据原采区回采情况推算,不会对地面周围建筑物或其它设施造成影响。
第二节煤层一、根据运输巷回风巷的开切眼掘进巷道探煤情况推断,工作面内煤层最大厚度为1.7m,最小厚度为1.4m,平均厚度为1.55m,煤层厚度基本稳定。
二、煤层产状煤层走向75°—85°之间,倾向345°—335°之间,倾角6°—10°之间,平均倾角8°。
三、煤层结构该煤层属比较稳定性煤层,由南向北具有厚薄的变化趋势,煤层结构较复杂,在掘进该工作面运输巷和回风巷时,有两层夹矸,平矸厚度在00.1m—0.05m之间,煤层层理发育,煤硬度1—1.5,在回采时煤容易片帮。
四、煤质该工作面的煤为黑色粉状,偶见块状,玻璃光泽,强度低,地质疏松,易碎,煤的视密度为 1.46t/m3,该煤层为低灰,特低硫、低磷、中高发热量烟煤(发热量为20MJ/kg),主要用作火力发电等工业用煤,同时也是上好的民用燃料。
第三节煤层顶底板(1)顶板情况根据K5煤层顶板工程地质条件观察1)K5煤层直接底板岩性为薄至中厚层状泥岩,层厚0.6—6.15米,间接底板岩性为薄层状粉质泥岩,巷道中有轻微的底鼓现象,底鼓突起高底一般为0.1米,局部0.2米,直接底板和间接底板是良好的隔水层,工程地质稳定性较好。
回柱工作业标准规程一、作业标准(一)一般规定1、回柱放顶工作要由熟识工作面顶板掌握及支护特性,并具有实践操作经验的采煤工担任。
2、工作面的根本和特别支护质量不合格,有空顶、漏顶现象时,必需按时处理,到达质量要求,安全牢靠后,方准回柱放顶。
3、回柱放顶应由上往下,由采空区向工作面进行,分段距离不小于15m。
严格执行先支后回的操作挨次。
严禁提前摘柱和进入采空区作业。
4、回柱放煤时至少有2人协作作业,一人回柱放顶,一人观看顶板及支柱四周情况;观看人和回柱人都要站在支柱的倾斜上方安全地点进行操作;观看人除帮助回柱外,不得兼做其他工作;回柱人要听观看人的指挥。
5、有以下情况之一时,不准回柱放顶:(1)浮煤、浮矸没有按时清理洁净,退路不通畅时。
(2)放顶分段距离小于规定距离时。
(3)难回支柱或压死支柱没有处理时。
6、先支后回的操作挨次包括以下内容:(1)首先支好根本支柱。
(2)超前支设特别支护,然后回收原有的特别支护。
(3)需要回收附近支柱时,必需先打好临时支柱。
(二)操作程序1、按规定距离和质量要求进行操作。
2、操作人员站在待回支柱的斜上方用卸载手把慢慢使支柱卸载,取出支柱后支设在规定位置。
3、铰接顶梁支护工作面回梁时,站在支柱完好的斜上方,用锤打脱水平销后再将梁的圆销打脱,使该梁脱离联结后取出。
4、回收出各种背顶材料,码放到指定地点后,方可连续回支柱放顶。
5、难回支柱的处理:(1)顶板压力大,支柱一卸载顶板赶紧压下时,要打上临时支柱以掌握顶板,然后采纳挑顶卧底的方法进行回撤。
(2)当支柱顶着岩块不能下缩,岩块又不好处理时,待顶板稳定后,将柱腿边用镐刨开柱窝,用撬棍来回转动直到将柱回出。
二、质量标准1、分段的长度必需符合作业规程或补充措施规定,但不得小于15m。
2、分段开茬处应选在顶板较好,支护完好的安全地点。
3、分段开茬处必需打上半排收尾柱。
4、如工作面倾角较大,放顶前必需在下方设好挡板,以防伤人。
三、安全标准1、回柱放顶人员要做到三勤、两高。
2024年回采工安全作业指导规程一、总则1.1 本规程是为保障回采工作的安全和有效进行而制定的,适用于2024年回采工作中的所有工作人员。
1.2 回采工作人员是指从事煤矿回采工作的管理人员和操作人员。
1.3 回采工作是指在采煤面进行煤炭开采和运输的工作过程。
1.4 回采工作人员必须严格遵守本规程的要求,做到安全第一、预防为主、综合治理、人人负责的原则。
二、安全管理2.1 回采工作人员必须按照规定穿戴劳动防护用品,如安全帽、防护眼镜、防尘口罩等,确保自身的安全。
2.2 回采工作人员必须遵守煤矿生产安全规程,熟悉矿井安全措施,定期进行安全培训,增强安全意识。
2.3 回采工作中,必须留足安全通道,确保疏散和逃生通道的畅通,不得堵塞、占用或封堵。
2.4 回采工作人员必须严格遵守操作规程,不得超负荷工作,不得违规操作,如操作机械设备时必须熟悉设备操作手册,并保证设备的完好。
2.5 回采工作人员必须按照规定定期进行体检,确保身体健康,不得患有重大疾病。
三、环境安全3.1 回采工作场所要保持良好通风和照明条件,确保工作环境的安全和舒适。
3.2 煤矿回采工作场所必须清理杂物,地面干净整洁,防止滑倒和绊倒事故的发生。
3.3 回采工作场所必须设有合适的消防设施和灭火器材,以防止火灾的发生,并保障工作人员的安全。
3.4 回采工作人员必须遵守用电安全规程,严禁私拉乱接电线,并确保电器设备的安全使用。
3.5 在回采过程中,必须严禁吸烟和使用明火,防止发生火灾和爆炸事故。
四、事故预防和应急措施4.1 回采工作人员必须严格按照安全操作规程进行工作,不得违规操作,确保工作流程的安全和顺利进行。
4.2 回采工作人员必须定期参加紧急救援演练,熟悉应急措施,掌握事故处理技能。
4.3 回采工作人员必须积极配合安全管理部门进行安全检查和隐患排查,及时报告存在的安全隐患并采取相应的措施进行处理。
4.4 在发生事故时,回采工作人员必须迅速报警,并按照应急预案进行救援和处置。
第一章工作面概况(一)工作面位置图(示意图):第二章采煤方法及回采工艺(一)采煤方法:根据巷道布置和煤层赋存条件,该工作面采用走向壁式采煤法,后退式开采。
(二)巷道布置方式:运输巷和回风巷沿煤层走向布置,切眼贯穿两巷形成回采糸统。
(三)回采工艺:一、落煤方法:采用煤电钻人工打眼,人工装药放炮落煤。
1、爆破材料:三号煤矿许用炸药配瞬发电雷管2、炮眼排列方式:单排眼3、爆破方式:正向爆破4、联线方式:串联5、采用一次打眼分次装药,分次起爆,每次起爆长度不超过10米.6、炮眼布置图(示意图):7、爆破说明书二、装煤运输:1、爆破装煤:在单体液压支柱及铰接梁所构成的悬臂支架掩护下,输送机贴近煤壁,有利于爆破装煤。
2、人工装煤主要由输送机与煤壁之间松散安息角线以下的煤和崩落或撒落到输送机采空侧的煤。
3、刮板机送煤到采面车场,矿车装运,绞车提升至井口地面。
三、安装和移动刮板输送机:1、刮板的安装必须做到“平、直、缓、链”,平指输送机铺得平;直指工作面成直线;缓指输送机缓缓弯曲,避免急弯;链指链条装配正确,松紧程度适当。
2、移动刮板输送机时,必须有防止冒顶、片帮伤人和损坏设备的安全措施,机头和机尾必须打牢锚固柱。
3、刮板机采用液压千斤顶或其它类型的千斤顶移置。
四、支护1、支护形式:单体液压支柱和铰接梁正悬臂支护,悬臂梁布置为齐梁式。
2、支护材料:外注式单体液压支柱。
铰接梁规格:DZ20-30/100、DZ22-30/100、DZ25-30/100、DZ06-25/80质量要求:柱径100的初撑力不得小于90KN,柱径80的初撑力不得小于60 KN,在使用前必须进行压力试验,符合要求才能入井使用,在回采结束后或使用超过8个月都必须进行检修,检修好后还必须进行压力试验,合格后方能使用。
3、支护要求:点柱支护,支柱打成直线,严禁空顶,欠顶作业。
支柱必须挖柱窝,严禁在浮矸或浮煤上,支柱必须架设牢固有柱帽,为增强支柱的稳定性,支柱要有3~5°的迎山角。
目录
第一章回采作业规程编制说明 (1)
第一节概况 (1)
第二节煤层 (1)
第三节煤层顶底板 (2)
第四节地质构造 (2)
第五节水文地质 (3)
第六节影响回采的其他因素 (5)
第七节储量及服务年限 (5)
第二章采煤方法 (6)
第一节巷道布置 (6)
第二节采煤工艺 (7)
第三节设备配置 (9)
第三章顶板管理 (10)
第一节支护设计 (10)
第二节工作面顶板控制 (14)
第三节进、回风巷及端头顶板控制 (16)
第四节矿压观测 (17)
第四章生产系统 (19)
第一节运输系统 (19)
第二节一通三防与监控系统 (19)
第三节排水系统 (27)
第四节供电系统 (28)
第五节通讯照明 (29)
第五章劳动组织及主要技术经济指标 (29)
第一节劳动组织 (29)
第二节作业循环 (30)
第三节主要技术经济指标 (30)
第六章煤质管理 (31)
第七章安全技术措施 (32)
第一节一般规定 (32)
第二节顶板管理 (33)
第三节防治水 (37)
第四节工作面设备管理 (37)
第五节一通三防与安全监控 (39)
第六节运输管理 (43)
第七节机电管理 (45)
第八节机采面过断层安全措施 (53)
第九节机采工作面放顶安全措施 (54)
第十节采煤机检修及更换滚筒安全技术措施 (54)
第十一节其它 (56)
第八章灾害预防及避灾路线 (58)
第一节灾害预防 (58)
第二节避灾路线 (59)
《501工作面回采作业规程》贯彻学习和考核记录负责人:贯彻人:班次:。
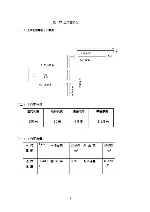
1721采煤⼯作⾯煤柱回采作业规程普安县补者煤矿1721采煤⼯作⾯残留煤柱回收的特殊安全技术措施本着不浪费国家资源的原则,结合我矿实际情况,经矿领导、矿安委会研究,决定对1721采煤⼯作⾯残留煤柱进⾏回收。
为此,我矿召开了煤柱回收专题会议,成⽴了煤柱回收领导⼩组,制定了残留煤柱回收的⽅案和特殊安全技术措施。
现将具体情况汇报如下:⼀、煤柱回收领导⼩组成员及职责1、组长:吴西云全⾯负责残留煤柱回收⼯作。
2、副组长:刘以合刘军负责煤柱回收⽅案和措施的制定和落实,协助组长搞好煤柱回收⼯作,对煤柱回收⼯作直接负责。
3、成员:安全员、⽡检员和防突队成员主要负责煤柱回收⽅案和措施的实施及施⼯过程中的现场管理⼯作,保证⽅案正确实施、⼯程质量符合标准要求,确保安全回收。
⼆、⼯程概况所回收的煤柱为原1721采煤⼯作⾯残留煤柱,属17#煤层。
在1721煤柱回采运输巷内指定地点开⼝,沿主平硐西侧保安煤柱的外边缘线掘巷⾄原1721运输顺槽,然后采⽤房柱式回采的⽅式对1721残留的煤柱进⾏全部回收。
该⼯作⾯东部40 m处为主平硐,西部为1721⼯作⾯采空区。
⾄地表垂直⾼度为90m~120m,对应地表主要为旱地和荒⼭,⽆农房和其它地物存在。
(⼯作⾯平⾯布置图附后)三、地质说明书1、煤层情况本巷所掘煤层为17-II煤层,17-II煤层位于⼆叠系上统龙潭组上段地层中,煤层较稳定。
煤质为中灰、中硫、特低磷、⾼发热量、⾼熔灰分⽆烟煤。
17-II煤层,⼀般厚2.0~4.0m,中部有1-2层夹矸,结构简单。
2、煤层顶底板情况本巷所掘的煤层顶底板完整,节理裂隙不发育,⽆明显的泥化现象,其稳定性为中等⾄稳定。
直接顶:岩性主要为粉砂质泥岩、泥质灰岩、钙质泥岩、深灰⾊、硬度⼤、易碎、含动物化⽯,f:8-9。
⽼顶:岩性主要为粉砂岩,深灰⾊、坚硬、含炭化植物化⽯,贝壳断⼝,f:11-14。
直接底:细砂岩或粉砂岩、炭质泥岩、细砂岩或粉砂岩,为灰⾊、较硬,含植物化⽯。
回采工作面金属支柱工安全技术操作规程一、总则二、工作面金属支柱的选择1.根据工作面的情况和回采方式,选择合适的金属支柱规格和型号。
2.金属支柱的材质应符合国家相关标准,具有足够的强度和耐腐蚀性能。
三、金属支柱的安装1.金属支柱应在稳定的地点进行安装,禁止在沉陷或存在地质隐患的区域安装。
2.金属支柱的安装应按照设计要求进行,不得超载或过度倾斜。
3.在金属支柱上安装支撑头时,应确保支撑头的牢固稳定。
四、金属支柱的检查与维修1.每次使用金属支柱前,应对其进行全面检查,发现问题时应及时处理,严禁使用有问题的金属支柱。
2.定期对金属支柱进行维修保养,特别是在使用过程中出现变形、破损或腐蚀时,应及时更换或修理。
3.维修金属支柱时,要采用专业设备和工具,并严格按照操作规程进行。
五、金属支柱的使用注意事项1.在工作面金属支柱的使用过程中,必须遵守相关安全操作规程,不得擅自修改或违规使用。
2.在回采过程中,禁止破坏周围的金属支柱结构,如需拆除或移动,应采取安全可靠的方法。
3.在金属支柱下方工作时,必须采取稳定可靠的支撑措施,以防止金属支柱突然倒塌造成事故。
六、应急预案与应对措施1.在金属支柱使用中发生紧急情况时,应立即按照应急预案进行处置,确保人员安全。
2.在采取应急措施时,应及时通知相关人员,避免造成更大的安全风险。
七、安全教育和培训1.每名从事回采工作面金属支柱操作的人员,必须参加相关的安全教育和培训,掌握正确的操作技能和安全意识。
2.经常组织安全培训和考核,提高人员的安全意识和应急处理能力。
八、监督检查与风险评估1.定期对回采工作面金属支柱的安装和使用情况进行检查与评估,发现问题时应及时整改。
2.进行安全隐患排查和风险评估,及时采取措施消除隐患。
九、处罚措施对于严重违反回采工作面金属支柱操作规程的人员,将依照公司规定给予相应的处罚并追究其责任。
以上是回采工作面金属支柱工安全技术操作规程的主要内容,通过严格执行这些规程,有助于提高金属支柱的安装和使用质量,确保回采工作面的安全生产。
荔波县富奇煤矿工作面名称:编写人:韦桂生2008年月日总工程师:韦桂生2008年月日生产矿长:200 年月日安全矿长:200 年月日通风科:200 年月日机电科:200 年月日安监科:200 年月日矿长:200 年月日作业规程学习和考试记录主持人:授课人:地点:作业规程补充学习和考试记录主持人:授课人:地点:第一章概况第一节工作面位置及井上下关系工作面位置及井上下关系表1第二节地质及煤层的赋存情况第三节影响回采的其他因素一、影响回采的其他地质情况二、冲击地压和应力集中区根据本区域煤层顶底板岩性分析,采面范围内不会有冲击地压现象,本采面的应力集中区将出现在采面的上、中、下的出口。
第四节采面储量及服务年限工业储量:可采储量:采面服务年限:第二章采煤方法第一节巷道布置本采面为残采工作面,利用轨道运输巷进行房柱式开采,矿房的走向长度为m,倾向斜长为m,房与房之间的煤柱为m。
巷道布置示意图第二节回采工艺一、采煤方法采用房柱式采煤法。
矿房走向长度为m,倾斜长为m,房间距的煤柱为m,按1→2→3………的顺序进行回采,爆破落煤法,人工装煤,采用矿车运输,单柱带帽支护顶板。
二、回采工艺回采工艺包括:打眼、放炮、洒水防尘、出煤、支护、打木垛及超前抬棚等工序。
三、采面生产能力循环产量=采面长度×循环进度×采高×煤的容重×采面回采率=月产量=循环产量×月循环数×正规循环率=第三节设备的配备采面机电设备配备情况第三章顶板管理第一节采面支护采面采用单柱带帽支护顶板.柱距离1m,排距1.2m;带帽长度不得小于50㎝;坑木的直径不得小于16㎝,在工作面的出口必须打上木垛;支柱和木垛要打到实底,特别是木垛必须要接顶打牢;排柱与排柱之间必须形成直线。
第二节巷道超前支护采面的运输巷距离出口20m内必须采用台棚进行超前支护。
附采面支护示意图:第四章钻眼与爆破本采面使用煤电钻打眼,采用双排眼布置炮眼,炮眼的深度为1.3m;顶眼和底眼的水平角为80○;顶眼的垂直角为+10○,底眼距底板为20㎝,底眼垂直角为-10○,眼底距底板为20㎝。
第一章概况第一节工作面位置及井上下关系工作面井下位置:南西二区2组煤680水平工作面井上位置为:庙梁山以北250米处。
井上下关系表表一第二节煤层该采区位于庙梁山以北250m处,为复采区,煤层呈倾斜赋存,煤层走向246°,倾角55~65°,平均倾角60°,煤层厚度4.5~5.5m,平均厚度 5.0m,煤层厚度不稳定,煤层结构复杂,夹矸厚度0.8—1.5m。
底部为0.8m的煤矸互层。
煤层情况表表二第三节煤层顶底板煤层顶底板情况表表三第四节地质构造该工作面位于南西二区西部22层,煤岩层走向246°,煤层倾角55~65°,回采范围内地质构造较为复杂,F2走向断层一条倾向330倾角68°,对回采影响软大。
断层特征表表四第五节水文地质本区水文地质条件简单,无水。
第六节影响回采的其它因素一、影响回采的其它地质情况影响回采的其它地质情况表表五第七节储量及服务年限一、储量储量计算表表二、服务年限工作面的服务年限=可采储量/月设计开采量=14625/ 3800=3.8个月第二章采煤方法第一节巷道布置一、巷道布置概况根据采区位置确定区段主运输巷道布置在680水平,主运输巷道作为进风、回风巷道。
采区巷道支护情况表表七附图一:巷道布置平面图第二节采煤工艺一、采煤工艺该采区煤层赋存为急倾斜,采用炮采工艺。
采区内按照现上后下、先里后外的巷道后退方式进行回收,采用一次采全高的深孔爆破工艺。
采用全部垮落法管理顶板。
1.爆破工艺1)钻具采用普通煤电钻配1m米麻花接力钻杆打眼。
2)炮眼布置在回采工作面的巷顶及巷帮布置炮眼,沿巷道后退方向布置三组,排间距1m。
每组布置5个炮眼,炮眼均倾斜向前与水平夹角控制在55—70°。
自工作面向外第一组眼深2m,第二组眼深4m,第三组眼深6m。
打眼方向与沿煤层倾斜方向斜交,每排的1号眼底距底板0.2m,5号眼斜向顶侧,眼底距顶板0.5m。
第一章概况第一节工作面位置及井上下关系煤柱工作面位于水平区。
具体位置及井上下关系见表1。
表1 工作面位置及井上下关系表第二节煤层本工作面设计开采煤层为二1煤层,通过地质资料分析煤层赋存情况见表2表2 煤层赋存情况表第三节煤层顶底板工作面顶板为构造顶板,成份混杂,受挤压较破碎,强度较低。
直接底为砂质泥岩。
具体情况见表3。
表3 煤层顶底板情况表附图:煤柱工作面煤层综合柱状图。
第四节地质构造1、根据相邻工作面采掘情况及二1煤层底板等高线形态分析,该工作面煤层底板呈一单斜构造,总体产状为255°∠8°~9.5°.2、该工作面煤层顶板全为滑动构造直接压煤,较为破碎,强度较低,规定回采过程中加强顶板管理,防止冒顶事故发生;3、该工作面回采过程中将揭13209、13201、13203、13202、13204、(-110)进风巷老巷以及原建井处老巷,将对正常回采导致一定的影响,规定回采过程中要采用切实可行的过老巷专项措施,保证安全生产。
第五节水文特征一、影响该工作面回采的水文地质因素如下:1、底板水:通过13采区以及1#底板疏水巷对该区域L7~8灰岩水彻底疏放,预计该工作面回采过程中不受底板水的影响;2、顶板水:根据相邻工作面采掘情况分析,该区域顶板砂岩含水层含水性较弱,预计该回采过程中基本不受顶板水的影响,正常涌水量为5m3/h,最大涌水量为10m3/h。
3、老空水:相邻的工作面回采时均无涌水,并且北翼皮带、回风下山在掘进时均未发生过涌水现象,由此分析,该工作面回采时不会受到老空水的影响。
二、防治水措施:根据上述分析,特制定以下防治水措施:1、在北翼煤柱皮带巷配备一台排水能力不小于20m3/h的污水泵,若有涌水时及时把涌水排出;2、过老巷(空)时,要采用切实可行的安全技术措施,特别要加强工程质量管理,防止冒顶事故发生。
3、加强地质及水文地质观测,回采过程中若发现工作面局部有出水征兆时及时向地测部报告,需要探放水时,探放水设计及安全技术措施则另行下发。
煤矿综采工作面回采作业规程海黄和紫檀哪个更有价值怕上当受骗,我们教你如何鉴别小叶紫檀的真伪!点击访问:木缘鸿官网北京十里河古玩市场,美不胜收的各类手串让记者美不胜收。
“黄花梨和紫檀是数一数二的好料,市场认可度又高,所以我们这里专注做这两种木料的手串。
”端木轩的尚女士向记者引见说。
海黄紫檀领风骚手串是源于串珠与手镯的串饰品,今天曾经演化为集装饰、把玩、鉴赏于一体的特征珍藏品。
怕上当受骗,我们教你如何鉴别小叶紫檀的真伪!点击访问:木缘鸿官网“目前珍藏、把玩木质手串的人越来越多,特别是海黄和印度小叶檀最受藏家追捧,有人把黄花梨材质的手串叫做腕中黄金。
”纵观海南黄花梨近十年的价钱行情,不难置信尚女士所言非虚。
一位从事黄花梨买卖多年的店主夏先生通知记者,在他的记忆中,2000年左右黄花梨上等老料的价钱仅为60元/公斤,2002年大量收购时,价格也仅为2万元/吨左右,而往常,普通价钱坚持在7000-8000元/公斤,好点的1公斤料就能过万。
“你看这10年间海南黄花梨价钱涨了百余倍,都说水涨船高,这海黄手串的价钱自然也是一路飙升。
”“这串最低卖8000元,能够说是我们这里海黄、小叶檀里的一级品了,普通这种带鬼脸的海黄就是这个价位。
”檀梨总汇的李女士说着取出手串让记者感受一下,托盘里一串直径2.5mm的海南黄花梨手串熠熠生辉,亦真亦幻的自然纹路令人入迷。
当问到这里最贵的海黄手串的价钱时,李女士和记者打起了“太极”,几经追问才通知记者,“有10万左右的,普通不拿出来”。
同海南黄花梨并排摆放的是印度小叶檀手串,价位从一串三四百元到几千元不等。
李女士引见说,目前市场上印度小叶檀原料售价在1700元/公斤左右,带金星的老料售价更高,固然印度小叶檀手串的整体售价不如海黄手串高,但近年来有的也翻了数十倍,随着老料越来越少,未来印度小叶檀的升值空间很大。
“和海黄手串比起来,印度小叶檀的价钱相对低一些,普通买家能消费得起。
”正说着店里迎来一位老顾客,这位顾客通知记者,受经济条件所限,他是先从1000元以内的小叶檀手串玩起,再一步一步升级的。
普安县补者煤矿1721采煤工作面残留煤柱回收的特殊安全技术措施本着不浪费国家资源的原则,结合我矿实际情况,经矿领导、矿安委会研究,决定对1721采煤工作面残留煤柱进行回收。
为此,我矿召开了煤柱回收专题会议,成立了煤柱回收领导小组,制定了残留煤柱回收的方案和特殊安全技术措施。
现将具体情况汇报如下:一、煤柱回收领导小组成员及职责1、组长:吴西云全面负责残留煤柱回收工作。
2、副组长:刘以合刘军负责煤柱回收方案和措施的制定和落实,协助组长搞好煤柱回收工作,对煤柱回收工作直接负责。
3、成员:安全员、瓦检员和防突队成员主要负责煤柱回收方案和措施的实施及施工过程中的现场管理工作,保证方案正确实施、工程质量符合标准要求,确保安全回收。
二、工程概况所回收的煤柱为原1721采煤工作面残留煤柱,属17#煤层。
在1721煤柱回采运输巷内指定地点开口,沿主平硐西侧保安煤柱的外边缘线掘巷至原1721运输顺槽,然后采用房柱式回采的方式对1721残留的煤柱进行全部回收。
该工作面东部40 m处为主平硐,西部为1721工作面采空区。
至地表垂直高度为90m~120m,对应地表主要为旱地和荒山,无农房和其它地物存在。
(工作面平面布置图附后)三、地质说明书1、煤层情况本巷所掘煤层为17-II煤层,17-II煤层位于二叠系上统龙潭组上段地层中,煤层较稳定。
煤质为中灰、中硫、特低磷、高发热量、高熔灰分无烟煤。
17-II煤层,一般厚2.0~4.0m,中部有1-2层夹矸,结构简单。
2、煤层顶底板情况本巷所掘的煤层顶底板完整,节理裂隙不发育,无明显的泥化现象,其稳定性为中等至稳定。
直接顶:岩性主要为粉砂质泥岩、泥质灰岩、钙质泥岩、深灰色、硬度大、易碎、含动物化石,f:8-9。
老顶:岩性主要为粉砂岩,深灰色、坚硬、含炭化植物化石,贝壳断口,f:11-14。
直接底:细砂岩或粉砂岩、炭质泥岩、细砂岩或粉砂岩,为灰色、较硬,含植物化石。
3、水文地质在该巷所掘范围内无富含水层,水文地质简单,预计局部存在裂隙水,水源主要由大气降水补给,对本巷掘进影响不大。
4、瓦斯地质、煤层自燃性和煤尘2009年度矿井瓦斯等级鉴定为高瓦斯,矿井相对瓦斯涌出量23.13m3/t,矿井绝对瓦斯涌出量 6.81m3/min;17#煤层自燃倾向性等级为Ⅲ类,煤尘无爆炸性。
17#煤层按突出煤层管理。
四、工作面煤炭储量本工作面走向平均长度20m,倾斜长度100m,采高2.2 m,煤层容重1.47t/m3,可采储量为0.65万t。
五、采煤方法及回采工艺1、采用房柱式采煤法进行回收。
2、巷道布置:首先在1721煤柱回采运输巷内指定地点开口,沿主平硐西侧保安煤柱的外边缘线掘巷至原1721运输顺槽,然后沿煤层走向向1721采空区掘刮板机运输平巷至1721采空区,接着沿1721采空区按煤层倾向向上送巷5m,最后沿煤层走向掘进与刮板机运输下贯通,形成房柱,该房柱即为回采房柱。
之后,留设4m煤柱,在该房柱的上侧另掘一个大小相同的房柱做为准备房柱。
3、准备房柱掘好之后,对回采房柱进行回采,同时沿倾向再掘准备房柱,每房柱之间留4m宽的煤柱。
4、回采工艺:(1)、落煤方式:爆破落煤。
(2)、运煤方式:采用人工撮煤、刮板输送机和皮带机相结合的方式运煤。
(3)、在皮带机机头采用人工装车,再由电瓶车经主平硐运出地面至煤场。
(4)、工艺流程工作面安全状况检查→打眼→装药→放炮→临时支护→运煤→支护(5)、采用完全垮落法管理顶板,即在回采房柱采完之后,按由下自上、由里向外的顺序对其支护进行回收。
(后附工作面放顶前后平剖面图)当顶板不自行垮落时,采用打眼爆破的形式进行人工强制放顶。
(6)、支护形式①、刮板机运输巷和房柱回风巷采用Φ≥14㎝的松木或杂木做梯形棚子进行支护,其规格为:上净宽2.0m,下净宽2.6m,净高2.0m,巷道掘进断面为5.94m2,成巷断面为4.6m2。
厢距不得超过0.8m,厢距柱窝深不小于0.15m;支架必须做到对山吃劲,严禁前倾后仰,棚梯口必须严密合缝,不得错牙、扭脸、吊口、吊梢;背帮背顶要严实合理,附件齐全牢紧。
支护断面图如下(单位:mm):②、房柱内回采时,采用Φ≥14㎝的松木或杂木做“一梁二柱”鸭尾厢进行支护,其排距为0.8m,柱距为1.0m,支架要对山吃劲,横直成线,木楔打在支柱顶上,并打紧打牢。
③、回收支柱前,必须坚持“先补齐,后回收”的原则,在补齐支护时,可采用Φ≥14㎝的松木或杂木做点柱、丛柱、单梁鸭尾厢、密集或木垛进行支护。
六、爆破说明书本巷采用MZ-2.2型防爆煤电钻及综合保护装置进行打眼作业,炸药采用三号煤矿许用铵锑炸药,雷管采用毫秒延期电雷管,采用MFB-100型发爆器,正向装药,串联接线方式一次性起爆。
1、梯形棚子支护A、爆破原始条件:B、炮眼布置图(单位:mm)C、炮眼布置及装药量D、预期爆破效果2、房柱回采A、爆破参数表B、预期爆破效果表C、炮眼布置图(单位:mm)七、主要生产系统1、运煤系统(后附运输系统图)工作面爆破下来的煤→刮板输送机→运输下山皮带机→上部车场装车→主平硐→地面煤场。
2、运料系统(后附运输系统图)所需材料→地面材料仓库→主平峒→1711平巷→工作面3、通风系统(后附通风系统图)新鲜风流→地面→主、副平硐→运输下山→1721煤柱回采运输巷→(局扇压入)风筒→工作面风乏风风流→工作面→1711平巷→17#煤层专用回风上山→总回风巷→风井→地面。
4、供电系统1)由井下机电峒室按“三专两闭锁”的规定要求供掘进工作面用电路线为:地面变电所→井下配电点→局扇→风电闭锁开关→工作面。
2)工作面必须使用煤电钻综保。
3)工作面电气设备必须杜绝失爆。
5、防尘系统地面水池→副平硐→上部车场→运输下山→1721煤柱回采运输巷→工作面。
八、安全技术措施(一)顶板管理措施1、严格执行敲帮问顶制度,每班开工前、放炮后都必须由班组长对迎头进行敲帮问顶,清理危险煤岩石,否则不得施工。
2、工作面的支护应严格按本规程第四章的有关规定执行,棚距严禁超宽。
遇到断面层等使煤层变厚的构造时,必须加强护顶,严防顶煤冒落形成空洞。
3、放炮前必须对放炮地点及其附近10m的支架进行加固。
放炮后崩倒支架必须重新支护,待支架支护好后才能进入掘进工作面,重新支护支架时必须先检查顶、邦,并由外向里逐架进行,严禁人员进入未支护的地点以内。
4、支架与巷顶、巷邦之间的空隙必须用木头、木块塞紧、背实。
巷道冒顶、空顶过大部分,可选用木料进行接顶。
(二)钻眼爆破安全技术措施1、放炮员必须经过专门培训,严禁无证上岗。
2、严格执行“一炮三检”制和“三人联锁放炮”制,爆破工必须按爆破说明书进行爆破作业。
不得使用过期或变质的炸药。
用剩的爆炸材料必须当班交回库房。
3、严禁打眼放炮平行作业,坚持全断面一次起爆。
爆破工必须把炸药、电雷管分开存放在专用的爆炸材料箱内,并加锁;严禁乱扔、乱放。
爆破时必须把爆炸材料箱放到警戒线以外的安全地点。
4、坚持使用水炮泥、黄泥土封孔,严禁用别的物质代替黄泥、水炮泥封孔。
无封泥、封泥不足或不实的炮眼严禁爆破。
严禁裸露爆破5、装药前和爆破前若有存在《煤矿安全规程》第331条的有关规定情况之一的时,严禁装药、爆破。
6、装药后,必须把电雷管脚线悬空,严禁电雷管脚线,爆破母线与运输设备,电气设备等导电体相接触。
7、放炮前后必须对迎头及附近20m内的巷道及其四周进行洒水防尘。
8、起爆点设在第三联络巷,放炮前在主平硐内外侧,第三联络巷设置警戒,禁止人员进入警戒范围以内。
9、放炮器的钥匙,必须由放炮员随身携带,严禁转交他人。
放炮后,必须立即将钥匙拔出,摘掉母线并扭结成短路。
10、放炮母线,母线与脚线之间的接头及期脚线与脚线之间的连接必须严格按《按煤矿安全规程》第334条的有关规定执行。
严禁明接头放炮,严禁放明炮、放糊炮。
严禁用发爆器打火放电检测电爆网路是否导通。
发爆器的各项性能参数及防爆性能不符合规定的严禁使用。
11、放炮后,经过至少15分钟,待工作面的炮烟被吹散,放炮员、瓦检员、班组长等三人必须首先巡视爆破地点,检查通风、瓦斯、煤尘、顶板、支架、拒爆、残爆等到情况。
如一切正常,才能撤岗,通知其他人员进入工作面工作。
如有危险情况,必须立即按有关规定处理,待问题解决后,才能撤岗。
(三)通风、瓦斯管理安全技术措施1、严格按通风系统设计要求安装措施。
2、本掘进工作面实行独立通风,选用11KW局扇对掘进工作面进行送风。
3、掘进工作面必须配备专职瓦检员,并持证上岗,坚持现场交接班,严禁空班漏检,当局扇发生无计划停电停风时,瓦斯检员和工作面当班班长必须将本工作面其回风侧人员撤至新鲜风流中(若全井停电则将人员全部撤到地面)的安全地点,并按审批的排放瓦斯专门措施组织排放瓦斯。
4、局扇安装要确保质量,风筒吊挂要平、稳、直,漏破洞要及时粘补,风筒距当头不超过5m。
并确保有足够风量。
局扇由瓦检员负责管理,其他任何人员不得随意停开。
5、瓦检员必须执行巡回检查制度和请示报告制度,并认真填写瓦斯检查牌板。
每班瓦斯浓度检查的次数不得少于3次,每班检查二氧化碳的次数不得少于2次。
瓦斯浓度超过《煤矿安全规程》的有关规定时,瓦斯检查员有权责令现场人员停止工作,并撤到安全地点。
6、严禁损坏通风设施。
严禁敲打瓦斯遥测探头。
严禁乱移乱放探头。
7、在回风流中设置隔爆水棚。
8、掘进工作面安装2个瓦斯传感器,一个设置在距迎头5米处,断电点:CH4浓度为1.5%,报警点:CH4浓度为1.0%,复电浓度CH4<1.0%。
断电范围:本掘进巷道内所有非本质安全型电气设备。
一个设置在距回风口10~15m处的回风流中,断电点:CH4浓度为1.0%,报警点:CH4浓度为1.0,复电浓度:CH4浓度<1.0%,断电范围:本掘进巷道及其回风巷,全部非本质安全型电气设备。
监控系统维护人员定期校准探头,确保瓦斯监测装置正常运行。
(四)运输、机电设备管理措施1、爱护好机电设备,严禁敲打或破坏使用。
各种信号按钮、开关设备。
除电工外任何人不得擅自拆开电器设备。
瓦斯风电闭锁必须完善、健全,并确保处于完好状态。
严格按“三专两闭锁”要求向迎头供电。
2、使用电器必须是矿用防爆型。
3、电器设备的检查、维护和调整,必须由专业电工进行。
掘进头不得带电检修、搬迁电气设备、电缆和电线。
4、电缆上严禁悬挂任何物件,电缆与防尘管挂在巷道同一侧时必须挂在防尘管的上方并保持0.3m以上的距离。
5、本巷掘进采用的刮板运输,严禁在刮板运输上机上行走,严禁人员(或物料)搭乘刮板运输机。
6、按信号开、停车。
如有多部刮板运输机,启动时,从外往里逐台启动,停车顺序与开车顺序相反。
若遇紧急情况,接到停车信号,必须立即停止运输。
7、在运输中,司机精力必须集中,发现停链子立即停车进行处理。