FBD防爆风机参数
- 格式:doc
- 大小:58.00 KB
- 文档页数:1
FBD局部通风机说明书FBD系列矿用隔爆型压入式对旋轴流局部通风机 (执行标准:MT222-2007、 Q/DAKP 027-2008)湘潭平安电气集团有限公司2008年3月出版第一版FBD系列矿用隔爆型压入式对旋轴流局部通风机 1 概述1.1 产品特点:FBD系列矿用隔爆型压入式对旋轴流局部通风机、矿用隔爆型压入式三级对旋轴流局部通风机、矿用隔爆型压入式四级对旋轴流局部通风机(以下简称通风机)是一种用途广泛的新型局部通风机。
它具有结构紧凑、噪音低、风压高、效率高、在小流量区域运行稳定、高效应用范围宽等特点。
根据掘进工作面长度和巷道不同的通风要求,既可整机使用,又可分级使用,从而减少能耗,节约能源,是矿井掘进中长距离局部通风的理想设备。
1.2 主要用途及适用范围通风机主要用于有爆炸性气体环境的煤矿井下作局部通风用。
1.3 型号的组成及代表意义:型号表示方法:F B D ? X / ? ×Y单台电动机功率 kW注电动机台数 (2、3、4)机号,叶轮直径的分米数对旋隔爆型通风机注:2为矿用隔爆型压入式对旋轴流局部通风机(以下简称二级通风机);3为矿用隔爆型压入式三级对旋轴流局部通风机(以下简称三级通风机);4为矿用隔爆型压入式四级对旋轴流局部通风机(以下简称四级通风机)通风机防爆型式:隔爆型;防爆标志“Exd I”;电动机防爆型式:隔爆型;防爆标志“Exd I”。
1.4 使用环境条件:1.4.1 环境空气温度-20?,+40?;1.4.2 环境空气的相对湿度:?90,(+25?时);1.4.3 海拔不超过1000m;1.4.4 无强烈振动和腐蚀性气体;1.4.5 安装在有瓦斯气体爆炸性危险的煤矿井的进风巷道中。
2 结构特征与工作原理2.1 通风机系无静叶轴流式局部通风机和采用外包复式消声器的组合体。
二级通风机的结构如图1所示,通风机由集流器、前消声器、筒体、隔爆电动机、第一级叶轮、第二级叶轮、消声扩散筒等部分组成;三级通风机的结构如图2所示,通风机由集流器、前消声器、筒体、隔爆电动机、第一级叶轮、第二级叶轮、第三级叶轮、导叶筒、消声扩散筒等部分组成;四级通风机的结构如图3所示,通风机由集流器、前消声器、筒体、隔爆电动机、第一级叶轮、第二级叶轮、第三级叶轮、第四级叶轮、消声扩散筒部等部分组成。
FBD系列风机性能曲线一、概述FBD列矿用隔爆型压入式对旋轴流局部通风机(以下简称通风机)主要用于矿井及其它工业部门输送瓦斯、煤尘及易燃气体的场所,可供大、中、小型煤矿、金属矿业、化学矿山及其它矿山的矿井掘进、建井、局部通风和隧道长距离送风等。
产品在结构上采用机翼扭曲型叶片、直联传动,具有结构简单紧凑、传动可靠、坚固耐用、使用安全、维修方便,运行效率高,性能曲线高效运行范围大、节电效果明显、风压平稳等特点。
通风机执行标准:执行标准为:MT222-2007《对旋式局部通钢机技术条件》、Q/YAF001-2012《FBD系列矿用隔爆型压入式对旋轴流局部通风机标准》。
二、通风机型号及含义通风机三、通风机结构、特点及使用条件结构形式:1.通风机由集流器、一级风机、二级风机、电动机、消声器等部分组成(见图1)。
2.通风机外壳结构均采用钢板焊接而成,内筒用多孔钢板焊接而成,内衬为优质消声材料,电动机与叶轮直联传动,两级叶轮相对旋转。
3.通风机配套采用YBF2系列风机用隔爆型三相异步电动机,电动机防爆型式为:隔爆型,防爆标志:Exdb1图1:FBD系列风机结构示意图FBD系列风机外型尺寸表主要特点:1.高效率:FBD系列风机设计精良,工艺先进。
其叶片采用三元流体设计,呈机翼扭曲型,风机高效工况区面积大,使运行的风机总是处于高效的工作范围内。
2.低噪音:FBD系列风机采用对旋直联传动,与旧风机相比,减少了导叶装置,在增加风机压力的同时,又理顺了空气流动的方向,降低了空气的摩擦声;机壳采用外包复式消音装置,整机运行噪声可控制在85分贝以下(比A声级在35分贝以下),具有超低噪音特性,对改变井下约束空间的噪声环境效果显著。
3.风压较平缓,喘振现象微小。
在风压高、小流量区域同样运行稳定。
在井下送风距离远,对复杂巷道适应性强。
使用条件:a)温度不超过・20℃~+40℃;b)湿度不大于95%(+25C时);c)大气压力为86kPa~106kPa;d)无腐蚀性气体;e)在具有甲烷混合物及煤尘爆炸性危险的煤矿井下,安装在进风巷道中,与正压风筒配套使用,作压入式通风;f)工作电压为380v∕660v;660v∕1140v两种,且不超过额定值的±5%,电压频率为50HZo四、通风机主要性能参数(见附表一)五、通风机安装、运行、维护通风机的安装:1.安装前,检查叶片顶部与机壳内筒间的径向间隙是否均匀,单侧最小间隙应大于1mm;2.检查电机定子绕组的冷态绝缘电阻,必须大于50兆欧;3.检查配套电器设备,电压、容量是否满足要求,各项保护是否良好;4.检查风机各连接部分有无松动,筒体是否在运输过程中损坏变形;5.电机应按标识正确接线,接线要牢固,并做好各部分的绝缘。
FBCDZ系列通风机为对旋式防爆主要通风机,风机的一、二级叶轮分别采用了安装角可调的三维扭曲叶片,风量大、风压高,且风量风压可以调节,风量范围Q=720m3/min~48000m3/min,静压范围Pst=400Pa~5950Pa,适合于大、中型煤矿的通风。
这个系列通风机采用40、54、60、65四种轮毂比,电机采用6级(980r/min),8级(740r/min)、10级(580r/min)、12级(490r/min)四种转速。
FBCDZ(原BDK)系列风机(带扩散器、扩散塔)外形结构示意图
FBCDZ系列防爆抽出式对旋轴流通风机性能参数系列:
联系我时请说明是在中国煤炭物资供应网看到的,谢谢!企业名称:山西省运城市安宏节能防爆风机有限公司联系人:李俊峰
联系电话:查看联系方式登陆可见( 注册会员 )
移动电话:查看联系方式登陆可见( 注册会员 )
电子邮件:查看联系方式登陆可见( 注册会员 )
联系地址:运城市民航机场张孝工业园陶村二级路边
防爆抽出式轴流通风机。
防爆轴流风机参数防爆轴流风机是一种用于特殊环境的风机设备,其在防爆安全性能上有着严格的要求。
在对防爆轴流风机参数进行详细介绍前,我们先来了解一下防爆轴流风机的基本特性和应用情况。
防爆轴流风机是一种能够有效排出烟气、有害气体以及粉尘等有害物质的设备,在石油、化工、医药、冶金等行业有着广泛的应用。
在这些特殊的工作环境中,防爆轴流风机必须具备防爆、防腐蚀、高温耐受等特点,以确保工作安全和生产稳定。
一、防爆轴流风机参数1. 风机型号:防爆轴流风机的型号可以根据其功率、风量、静压等参数来进行分类,不同型号的风机适用于不同的工作环境和工作要求。
常见的型号包括JQF-100、JQF-150、JQF-200等。
2. 功率:防爆轴流风机的功率是衡量其输出能力的关键参数,一般以千瓦(KW)为单位。
功率的大小决定了风机的风速和风量,同时也直接影响到整个风机系统的工作效率和能耗。
3. 风量:风量是指风机每单位时间内排出的空气量,通常以立方米/小时(m³/h)或立方英尺/分钟(CFM)为单位。
风量大小决定了风机的排风效果,直接关系到工作环境的通风清新程度。
4. 静压:静压是指风机产生的静压力,它是推动风气通过管道、设备的压力,常用单位为帕斯卡(Pa)。
静压的大小决定了风机对空气的推动力量,直接影响到风机的输送效率和风速。
5. 转速:风机转速是指风机正常工作时的转速,单位通常为每分钟转数(rpm)。
转速的高低影响着风机的工作噪音和机械磨损程度,同时也关系到整个系统的稳定性。
6. 防护等级:防爆轴流风机的防护等级是指其对爆炸性环境的防护能力,通常以IP (防护等级)标识。
不同等级的防护能力能够适应不同危险性环境中的使用需求。
7. 工作温度:因为防爆轴流风机通常运行在高温环境中,因此其能够承受的工作温度也是重要参数。
常见的工作温度范围包括-20°C至+40°C或者更高温度的。
8. 材质:防爆轴流风机主要部件的材质对于其长期使用和防腐蚀性能来说都至关重要。
矿井主要通风机和fbcz矿用风机价格百度搜索润联网标题:jk58矿用风机和矿用局部风机价格一、适用范围FBY(YBT)系列矿用隔爆型压入式轴流局部通风机,主要用于在含有瓦斯或煤尘爆炸性危险的煤矿井下作压入式局部通风机用,该产品也适用于金属矿山、化学矿山、隧道及其它应用风机的厂矿。
输送介质温度不超过40℃,温度不大于95±3%(25℃)及无腐蚀性。
该系列通风机为隔爆型,防爆标志为ExdI。
二、型号含义三、工作条件1.环境温度为-15℃~+40℃;2.环境空气相对温度不大于90%( +25℃时);3.海拔不超过1000m;4.无强烈振动和腐蚀性气体等;5.安装在有瓦斯气体爆厂家:润联网市场价格1584元-2244元折扣价:百度搜订货号找低价订货号:JX018447百度搜索润联网标题:电机外置风机和矿用节能通风机参数材质:以优质(pvc)塑料(尼龙/夹网)布配以胶骨包裹弹簧钢丝精制而成壁厚:使用温度范围:-15度至85度特点:可以任意弯曲,伸缩,移动,接驳自由,体积轻巧,携带方便,耐高温,耐油酸且阻燃,管体横向无接缝,具有不漏风,耐磨,耐腐蚀,抗静电,风阻小,抗压强度大等优点应用范围:船舶制造,修理,采矿通风排气,隧道,地下室,机房,机械工级制程,市政管道,工厂有毒气体排放,建筑除尘,消防等通风排气作用等本产品环保无毒害,无异味,无粉尘,无纤维碎末厂家:润联网市场价格312元-442元折扣价:百度搜订货号找低价订货号:JX018448百度搜索润联网标题:fbcd矿用风机和通风机电动机价格适用范围与用途FBD系列矿用隔爆型压入式对旋轴流局部通风机(以下简称通风机)主要用于煤矿井下含有瓦斯、煤尘及易烯气体的场所,可供煤矿矿井掘进、建井等局部通风。
通风机的执行标准为MT222-2007《煤矿用局部通风机技术条件》和《FBD系列矿用隔爆型压入式对旋轴流局部通风机技术条件》。
通风机的正常工作条件是:a)环境温度:-15-+40℃b)海拔不超过1000Mc)相对湿度不超过90%(+25℃时)d)无强烈振动和腐蚀性气体等e)在有甲烷和煤尘爆炸危险的煤矿井下,安装在新鲜风流中。
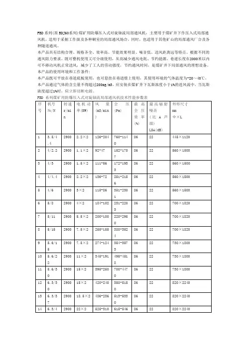
FBD系列(dⅠ)矿用防爆压入式对旋轴流局部通风机使用维护说明书新型、高效、节能、低噪声、各类煤矿用局扇一、简介FBD系列矿用防爆压入式对旋轴流局部通风机,该产品完全按照MT755-1997《对旋式局部通风机技术条件》制造。
该产品是目前国内外性能最理想的煤矿通风设备。
二、概述a、产品特点FBD系列煤矿用防爆压入式对旋轴流局部通风机,该产品具有结构合理、规格齐全、效率高、节能效果明显、噪音低、送风距离远等特点。
根据不同的通风阻力要求,即可整机使用又可分级使用,从而减少通风电耗、节约能源。
巷道长度在2000m以内可不移动风机正常送风,减少了工人的劳动强度,节约通风时间,是煤矿井下局部通风的理想设备。
同时,它亦可用于冶金、有色、黄金、化工、造船和陶瓷工业等高压通风场合。
其结构特征为矿用隔爆型、对旋、消声、轴流式。
b、主要用途及适用范围本产品主要用于煤矿井下作压入式局部通风机,适用于采掘工作面及各种硐室的局部通风场合。
同时,也适用于其它矿山的局部通风场合及各种隧道通风。
c、品种、规格本产品是系列化产品,规格、品种齐全,详细情况见FBD系列煤矿用防爆压入式对旋式轴流局部通风机技术性能及外形安装尺寸表(以下简称表1)。
d、型号的组成及其代表意义以FBD№6.3/30×2型风机为例说明之FBD№6.3/30×2电机台数单台电机功率,KW机号,叶轮直径的分米数对旋式结构隔爆型局部通风机e、使用环境条件本产品即可平放在巷道底板使用,也可悬挂在巷道壁上使用。
当放在底板上使用时,风机的吸风口(集流器端)不能浸在水或水泥中。
风机使用环境的气体温度为-20~50℃,海拔不应超过1000m。
所用电源的额定频率为50Hz,额定电压为380V/660V或660V/1140V中的任何一级。
f、工作条件3本产品通过气体的含尘量不超过200mg/m。
应安装在煤矿井下瓦斯浓度小于1%的进风流中,当瓦斯浓度超过1%时,应立即切断电源。
防爆轴流风机参数
防爆轴流风机通常用于需要防爆环境或易燃气体场所的通风和散热。
其参数通常包括以下内容:
1. 功率和电压:描述风机的功率大小以及适用的电压范围。
2. 风量和风速:风机的风量指每单位时间内风机能够输送的空气体积,通常以立方米/小时(m³/h)或立方英尺/分钟(CFM)计量。
风速表示空气流经风机时的速度,通常以米/秒(m/s)或英尺/分钟(FPM)表示。
3. 噪音水平:风机运行时产生的噪音水平,通常以分贝(dB)为单位。
4. 材质和防护等级:风机的外壳材料和防护等级,用于适应特定环境条件,比如防爆等级。
5. 尺寸和重量:风机的物理尺寸和重量参数,这对于安装和适应特定空间也是重要的考虑因素。
6. 工作温度范围:风机能够适应的工作温度范围。
7. 额定寿命和维护周期:风机的预期使用寿命以及需要进行维护的周期。
8. 其它特殊要求:如需要的特殊安全认证、防爆标准、防腐蚀要求等。
这些参数可以根据不同风机的型号、用途和制造商有所不同。
在选择和使用防爆轴流风机时,确保符合所在地区的安全标准和法规,并且根据具体的应用场景和要求选择合适的风机参数。
简 介FBD系列矿用隔爆型压入式对旋轴流局部通风机(以下简称通风机)按企标Q/DF001-2011、行业标准MT222-2007的有关规定设计制造,具有风压高、送风距离长、高效、节能和噪声低等特点。
风机由两台隔爆型三相异步电动机直接驱动叶轮。
风机设有前、后消声器。
通风机防爆型式为隔爆型,防爆标志为“Exd I”,采用电动机防爆型式为隔爆型,防爆标志为“Exd I”。
结 构该系列风机由1集流器、2进口消声器、3风机、4接线盒、5出口消声器、6倒流帽、7隔爆型异步电动机、8叶轮组、9扩压器等组成(见图一)。
叶轮采用优质钢板制成。
接线盒内有6个接线柱,可结成三角形和星形,分别适用于380/660V或660/1140V电压等级。
图一FBD系列通风机外形尺寸表单位:mm 型 号 A B C D L d0 d1 d2 d3 H1 H FBD№5.0 1100 1601601150 2645620510560620 350 865 FBD№5.6 1150 2052051200 2840680570620680 370 880 FBD№6.0 1350 2152151400 3270740610660720 390 920 FBD№6.3 1500 2252251550 3590750640690750 400 990 FBD№7.1 1550 2602601600 3760840720770850 450 1080 FBD№8.0 1650 3703701700 4210980810880955 520 1290 FBD№9.0 1550 4004001600 405010809109801050 570 1270风机出风口通风柔性风筒将新鲜风流送入局部通风地点。
柔性风筒的选择,按风筒直径等于风机出风口内径或大于出风口内径100mm 左右选择。
该系列风机只能卧式安装。
将安装地点的巷道地面整平夯实,再将风机放平垫实。