恒压变频供水设备
- 格式:docx
- 大小:19.99 KB
- 文档页数:7
系列变频调速恒压供水设备介绍系列变频调速恒压供水设备是一种能够根据供水需求自动调节水泵转速以保持稳定供水压力的设备。
该设备通过采集供水系统中的压力信号,并利用变频调速技术,实现对水泵的自动控制,从而实现恒压供水的目的。
该设备能够广泛应用于建筑、工业、农业等领域的供水系统。
设备特点变频调速技术系列变频调速恒压供水设备采用先进的变频调速技术,能够根据实际供水需求对水泵的转速进行精准控制。
通过调节变频器的输出频率和电压,可以实现水泵的无级调速,从而根据供水需求的变化精确控制水压,保持恒定的供水压力。
自动控制系统该设备配备了智能化的自动控制系统,能够实时监测供水系统的压力信号,并根据设定的压力范围自动调节水泵的转速。
通过设定恒压供水的目标压力值和压力波动范围,控制系统能够自动调节水泵的运行状态,保证供水系统始终处于稳定的工作状态。
能耗节约采用变频调速技术的恒压供水设备能够根据实际供水需求调节水泵的运行状态,避免了传统定速供水设备过大或过小的供水量,从而大大降低了能耗。
在供水需求较小的情况下,设备能够根据实际需求调节水泵的转速,减少能耗。
可靠性系列变频调速恒压供水设备采用的水泵和变频器等关键部件均采用优质材料和先进工艺制造,具有良好的可靠性和耐久性。
设备严格按照相关国家标准进行设计和制造,确保设备的性能稳定可靠,使用寿命长。
工作原理系列变频调速恒压供水设备的工作原理如下:1.自动检测: 通过传感器实时检测供水系统中的压力信号。
2.压力反馈: 将压力信号反馈给控制系统。
3.控制计算: 控制系统根据设定的目标压力值和压力波动范围计算出水泵的运行状态。
4.变频调速: 控制系统通过变频器调节水泵的转速,从而控制供水系统的压力。
5.压力维持: 检测到压力下降时,控制系统会自动增加水泵的转速,以维持恒定的供水压力。
应用领域系列变频调速恒压供水设备适用于以下领域的供水系统:•建筑供水系统:能够满足大型商业建筑、酒店、公寓楼等的供水需求。
2024年变频恒压供水设备市场分析现状引言变频恒压供水设备是一种新型的供水设备,通过变频控制技术来实现水泵的恒压供水。
随着城市化进程的加快和人们对供水质量的要求增加,变频恒压供水设备在市场上逐渐受到关注。
本文将对变频恒压供水设备市场的现状进行分析。
市场规模据统计数据显示,近年来变频恒压供水设备市场呈现出快速增长的趋势。
根据各大研究机构的数据分析,该市场在过去五年内年均增长率超过10%。
预计未来几年,随着城市化进程的不断推进,变频恒压供水设备市场规模将进一步扩大。
市场驱动因素变频恒压供水设备市场的快速发展有以下几个主要的驱动因素:1.市场需求的增加:随着城市人口的增加和人们对供水质量要求的提高,传统的供水设备已经不能满足需求。
变频恒压供水设备以其恒压稳定、节能高效等特点成为市场需求的热点。
2.节能环保要求的增强:相比传统的供水设备,变频恒压供水设备通过优化控制算法和变频调速技术,可以有效降低能耗。
在当前环保意识不断增强的背景下,变频恒压供水设备更符合节能环保要求。
3.技术进步的推动:随着科技的不断进步,变频恒压供水设备的性能和可靠性得到了极大提升。
新技术的应用使得设备更加智能化、高效化,满足了市场对供水设备功能和性能的要求。
市场竞争格局目前,变频恒压供水设备市场竞争激烈,主要有以下几个方面的竞争格局:1.品牌竞争:市场上存在着众多知名品牌的变频恒压供水设备。
这些品牌以其过硬的品质和良好的口碑在市场中占据一定的份额。
2.技术竞争:变频恒压供水设备市场的技术创新是竞争的关键。
那些能够不断推陈出新、持续提升产品性能的企业将更具竞争优势。
3.价格竞争:由于市场竞争激烈,价格也成为影响竞争力的重要因素。
一些企业通过降低成本、提高效率,以更具竞争力的价格吸引客户。
市场前景变频恒压供水设备市场在未来几年有着广阔的发展前景。
预计随着城市化的进一步加快和人们对供水设备质量要求的增加,市场需求将持续增长。
同时,技术的不断进步和创新也将推动市场的发展。
变频恒压供水设备原理变频恒压供水设备是一种用于建筑物供水系统的高效设备。
它通过采用变频调速和智能控制技术,实现对供水系统的精确控制,以保持恒定的水压。
本文将介绍变频恒压供水设备的工作原理和优势。
一、工作原理变频恒压供水设备主要由水泵、变频器和控制器组成。
当供水系统的水压低于设定值时,变频器会自动调节水泵的转速,增加供水量,提高水压;当水压高于设定值时,变频器减小水泵的转速,降低供水量,保持水压恒定。
变频恒压供水设备的工作原理可以分为以下几个步骤:1. 传感器检测水压:供水系统中的传感器实时监测水压情况,并将信号传输给控制器。
2. 控制器判断水压状态:控制器接收传感器的信号后,对水压进行判断。
如果水压低于设定值,则需要启动水泵提高供水量;如果水压高于设定值,则需要减小供水量。
3. 变频器调节水泵转速:控制器将判断结果传输给变频器,变频器根据控制信号调整水泵的转速,以实现恒定的水压输出。
4. 水泵供水:根据变频器调节的转速,水泵开始供水,并以合适的速率将水送至供水系统。
5. 不断监测水压:供水过程中,传感器持续监测水压情况,并将实时信号传输给控制器。
二、优势与传统供水设备相比,变频恒压供水设备具有以下优势:1. 节能高效:变频器通过调节水泵转速,精确控制供水量,避免了传统供水设备频繁启停造成的能量浪费。
2. 恒定水压:变频恒压供水设备可以根据实际需求精确调整水泵转速,保持供水系统的恒定水压,提供稳定可靠的供水效果。
3. 减少噪音:由于变频恒压供水设备启停次数减少,水泵工作更加平稳,从而减少了噪音污染,提升了使用者的舒适感。
4. 延长设备寿命:由于减少了水泵频繁启停的次数,变频恒压供水设备可以降低水泵的磨损程度,延长设备的寿命,减少维修和更换成本。
5. 智能化管理:变频恒压供水设备配备了智能控制器,可以实现远程监控和自动报警功能,方便管理人员对供水系统进行实时监测和维护。
三、适用范围变频恒压供水设备广泛应用于多种场景,包括住宅小区、商业大厦、工业园区等。
变频恒压供水设备技术参数1.供水流量范围:变频恒压供水设备的供水流量范围一般比较广,可以根据不同的需求进行自由调整。
通常,供水流量范围可以从几立方米/小时到几百立方米/小时不等。
2.运行压力范围:变频恒压供水设备的运行压力范围一般也比较大,可以满足不同场合的供水需求。
通常,运行压力范围可以从几米水柱到几十米水柱不等。
3.转速范围:变频恒压供水设备通过调节电机的转速来控制水泵的工作状态。
转速范围一般可以从几百转/分钟到几千转/分钟不等。
转速越高,供水流量越大,压力越高。
4.效率:变频恒压供水设备的效率一般比较高,可以达到90%以上。
高效率可以带来较低的能耗和较低的运行成本。
5.控制方式:变频恒压供水设备的控制方式一般分为手动调节和自动调节两种。
手动调节需要人工干预来调整供水流量和压力;而自动调节可以通过连接到计算机或PLC等设备来实现自主控制和远程控制功能。
6.设备结构:变频恒压供水设备一般由水泵、变频器和控制系统等组成。
水泵用于提供供水流量和压力;变频器用于调节电机的转速;控制系统用于监测和控制整个供水系统,确保其稳定运行。
7.自动保护功能:变频恒压供水设备通常具备多种自动保护功能,以确保设备的安全运行。
例如,过载保护功能可以防止电机过载;过流保护功能可以防止电机过流;缺水保护功能可以防止水泵空转;短路保护功能可以防止电路短路等。
8.应用范围:变频恒压供水设备广泛应用于建筑、市政工程、工业生产和农业灌溉等领域。
在建筑领域,它常用于高层建筑的水供应系统;在市政工程中,它常用于给水管网的稳定供水;在工业生产中,它常用于工艺水的供应;在农业灌溉中,它常用于田间作物的灌溉。
总之,变频恒压供水设备是一种支持可调流量和压力的设备,具有广泛的应用前景和良好的供水效果。
通过合理选择和使用这些设备,可以提高供水系统的稳定性和节能性,进而满足不同场合的供水需求。
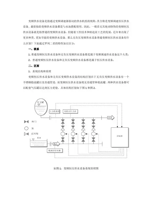
变频供水设备是指通过变频调速器驱动的供水机组的统称,其全称是变频调速恒压供水设备。
最原始的变频供水设备都是与水池搭配使用,因此,一般若无其他词修饰的变频恒压供水设备就是指普通的变频供水设备。
但随着工控技术和制造业工艺的发展,近年来出现了更多种类、更加节能的变频供水设备,那么无负压变频供水设备普通变频恒压供水设备有什么区别?下面通过罗列二者的特性加以区分:一、联系1、普通变频恒压供水设备和无负压变频供水设备都是属于变频调速供水设备这个大类;2、普通变频恒压供水设备和无负压变频供水设备都是属于恒压供水设备;二、区别1、系统结构和原理变频恒压供水设备和无负压变频供水设备的结构区别在于无负压变频供水设备有一个不锈钢稳流罐以及旁通管道,而变频恒压供水设备则无旁通管和稳流罐。
两种供水设备都可以配套气压罐以达到压力更稳。
具体结构区别如下图1和图2。
如图1,变频恒压供水设备系统原理图如图2,无负压变频供水设备系统原理图2、蓄水能力无负压变频供水设备:无水或水箱,蓄水能力非常弱。
变频恒压供水设备:建大容量水池或不锈钢水箱,蓄水能力非常强。
3、水质卫生度无负压变频供水设备:稳流罐采用食品卫生等级不锈钢材质制造并全封闭,并且不用蓄过多水,因此水质二次污染几乎为零。
变频恒压供水设备:储水量过大并且没办法做到全封闭,导致地下水池存在较大的二次供水污染,水质健康堪忧。
4、节能等级无负压变频供水设备由于可以直接利用管网自身压力,工作压力是差多少补多少,选择泵时只需要选择压力较小的泵即可满足正常增压,水泵功率偏小,相比传统气压式供水设备和变频恒压供水设备,节能在50%以上。
普通变频供水设备需要将自来水压力变为零压力再进行增压,选择泵时需要选择压力较大的才能满足正常增压,水泵功率偏大,相比传统气压式供水设备,其节能可达30%以上。
5、噪音大小无负压变频供水设备由于可以直接利用管网自身压力,工作压力是差多少补多少,选择的泵水泵功率偏小,无论是工作噪音及振动都要比传统的供水设备小。
BPC系列变频调速恒压供水设备技术方案一、技术方案概述BPC系列变频调速恒压供水设备是一种智能化的水泵控制系统,它通过调整水泵的转速,来实现恒定的水压和稳定的供水流量。
在传统的供水系统中,水泵通常采用定速运行,无法根据实际需求进行灵活调节,导致水压波动过大,供水不稳定,并且能耗较高。
而BPC系列供水设备采用先进的变频器技术,能够根据实际需求自动调整水泵的转速,从而保持恒定的水压和供水流量,实现供水稳定和能耗节约。
二、技术方案特点1.变频器技术:BPC系列供水设备采用变频器技术,能够调整水泵的转速,实现精准的水压控制。
变频器可以根据需求自动调节水泵的转速,从而使得供水系统能够根据实际需求进行灵活调节,保持恒定的水压。
2.PID控制算法:BPC系列供水设备采用PID控制算法,能够实现精确的水压控制。
PID控制算法通过根据实时的水压信息,自动调整水泵的转速,并根据反馈信号对控制算法进行修正,从而实现恒定的水压和稳定的供水流量。
3.智能化控制:BPC系列供水设备采用智能化控制系统,能够实时监测和控制水泵的运行状态。
智能化控制系统可以根据不同的供水需求,调整水泵的运行模式,并对水泵的运行状态进行实时监测,保证供水系统的安全和稳定运行。
4.节能环保:BPC系列供水设备能够根据实际供水需求进行灵活调节,避免了无效供水和能耗浪费。
同时,变频调速技术还可以减少水泵的启停频率,延长水泵的使用寿命,降低维护成本,并且减少噪音和振动,环保节能。
5.用户友好:BPC系列供水设备采用触摸屏控制面板和人机界面,操作简单方便。
用户可以通过触摸屏控制面板对供水设备进行设置和操作,同时可以实时监测供水设备的运行状态和供水参数。
三、技术方案应用领域总之,BPC系列变频调速恒压供水设备是一种先进的水泵控制系统,能够实现水压恒定、供水稳定、能耗节约等优点。
它采用变频器技术和PID控制算法,配备智能化控制系统,能够根据实际需求自动调整水泵的转速,保持恒定的水压和供水流量。
变频恒压供水设备选型手册第一章:引言本手册旨在帮助用户选择合适的变频恒压供水设备,以满足不同需求的水压要求。
变频恒压供水设备是一种能够根据实际用水情况自动调节水泵转速的设备,以保持恒定的水压输出。
选择合适的设备对于保证正常供水、提高水泵效率、节约能源等方面都具有重要意义。
第二章:变频恒压供水设备的基本原理本章将介绍变频恒压供水设备的基本工作原理,包括变频控制、恒压控制、水泵的工作原理等内容,以便用户对设备的基本工作原理有一定的了解。
第三章:需求分析本章将提供用户在选择变频恒压供水设备时需要考虑的因素,包括供水需求、用水点数量和位置、水压要求等方面的因素,以帮助用户确定自己的需求。
第四章:设备选型本章将介绍不同类型的变频恒压供水设备的特点,包括单泵恒压供水设备、多泵恒压供水设备、集成恒压供水设备等,以帮助用户根据自己的需求选择合适的设备。
第五章:安装与维护本章将介绍变频恒压供水设备的安装与维护要点,包括设备的安装位置、接线方法、设备的日常维护等内容,以确保设备正常运行。
第六章:案例分析本章将提供一些典型的案例分析,包括各种实际需求下选择的变频恒压供水设备,以供用户参考。
第七章:常见问题及解决方案本章将列举一些常见的故障问题,并提供相应的解决方案,以便用户在使用过程中能够快速解决一些常见的故障。
结语本手册是为了帮助用户选择合适的变频恒压供水设备而编写,希望能够为用户提供一些有用的信息,以便用户能够选择到合适的设备,满足自己的供水需求。
对于变频恒压供水设备的需求分析在选择变频恒压供水设备之前,用户需要对自己的实际用水情况进行充分的分析。
首先,用户需要知道自己的供水需求,包括每天的用水量、峰值用水量、用水时间等。
这些数据将有助于确定所需的水泵的流量和扬程。
另外,用户还需要考虑用水点的数量和位置,不同的用水点可能需要不同的水压,因此需要根据用水点的实际情况确定供水系统的布局。
此外,用户还需要考虑水质情况,如果水质较差,可能需要选择耐腐蚀的水泵及相关管道配件。
恒压供水变频器设置方法恒压供水变频器是一种用于调节水泵运行频率,实现恒压供水的设备。
它能够根据用户的需求,自动调节水泵的运行速度,保持水压稳定在设定的压力值,从而有效解决了传统供水方式压力不稳定的问题。
下面我们将介绍恒压供水变频器的设置方法,希望能帮助大家更好地使用和维护这一设备。
首先,我们需要明确一些基本的设置参数。
在进行恒压供水变频器的设置之前,我们需要了解水泵的额定流量、额定扬程、额定功率等参数,以及用户所需的最大供水流量和最大供水扬程。
这些参数将直接影响到恒压供水变频器的设置,因此必须要有准确的数据作为依据。
接下来,我们需要进行变频器的基本参数设置。
首先是输入输出设定,包括输入电压、输出电压、输出频率等参数的设定。
其次是PID参数的设定,PID参数是用来调节水泵的运行速度,以保持恒定的水压。
在设置PID参数时,需要根据实际情况进行调整,以达到最佳的恒压效果。
然后,我们需要进行变频器的保护参数设置。
保护参数包括过载保护、短路保护、欠压保护、过压保护等,这些保护参数的设置对于保护水泵和变频器的安全运行至关重要。
在设置这些保护参数时,需要根据水泵的额定功率和电压等参数进行合理的设定,以确保在异常情况下及时停止水泵的运行,避免损坏设备。
最后,我们需要进行恒压供水变频器的调试和运行。
在进行调试时,需要先进行手动模式下的试运行,观察水泵的运行情况和水压的变化,然后逐步调整PID参数,直到达到所需的恒压效果。
在进行运行时,需要定期检查变频器的运行状态和水泵的工作情况,及时发现并解决问题,保证设备的正常运行。
总的来说,恒压供水变频器的设置方法并不复杂,但需要根据实际情况进行合理的参数设定和调试。
只有在正确的设置和使用下,恒压供水变频器才能发挥最大的作用,为用户提供稳定、高效的供水服务。
希望以上内容能够帮助大家更好地了解和使用恒压供水变频器,同时也希望大家能够在使用过程中严格遵守操作规程,确保设备的安全运行。
变频恒压供水设备工作原理变频恒压供水设备,听起来是不是有点高大上?其实它的工作原理简单得很,就像给水龙头开关来个变频调节,保证水压稳定。
你知道吗,很多时候,我们打开水龙头,总是希望水流畅通,像小溪一样,滋润每一个角落。
可如果水压忽高忽低,难免让人抓狂。
想象一下,洗澡时水忽然变得像小蚂蚁一样细,真是让人心烦意乱。
变频恒压供水设备到底是怎么回事呢?简单来说,它就像一个聪明的小管家,随时监控水压。
它有一个精密的传感器,就像个小侦探,时刻观察着水管里的压力情况。
当压力低的时候,它会调高泵的转速,像打了鸡血一样,水压立刻就上来了;而当压力高的时候,它又会自动降低转速,省电又环保。
这一来二去,就能保证水流稳定,绝对不会让你在淋浴时遇到“突然降温”的尴尬。
你或许会问,这样的设备适合什么地方呢?哎呀,几乎无处不在!无论是家庭、酒店还是商业大厦,变频恒压供水设备都是必不可少的。
尤其是在高层建筑中,水压问题更是棘手,有了它,楼上楼下都能喝上水,真是太贴心了。
很多人常说“家和万事兴”,在水这一块儿,保证水压稳定,就是和谐的基础。
还有一个小秘密,这种设备的运行效率可高得惊人,能大大降低能源消耗,真是绿色环保的好伙伴!想象一下,以前我们需要一个大马力的泵来供水,浪费的电可不少;而现在,变频恒压供水设备像个节能小达人,既能保证水流,又能省下不少电费,这简直是买一送一的好事。
不过,使用这种设备也得注意保养哦,就像我们的小汽车,需要定期检查。
定期清理过滤器,保持设备内部的干净,能延长它的使用寿命,真是省心又省钱。
让它健康运转,才能随时给我们送来清澈的自来水,想想都让人开心。
有些人可能会担心设备故障的问题,其实这个设备的设计也非常人性化。
如果出现故障,它会自动报警,就像一个温柔的提醒,告诉你该找人修理了。
你再也不用担心突如其来的“缺水”情况了,毕竟生活中的小意外,总是让人措手不及。
使用变频恒压供水设备的时候,安装位置也很关键。
把它安置在通风良好的地方,能够减少设备的过热问题,保持良好的运行状态,能让它更长久地为你服务。
恒压变频给水装置使用说明书一、产品概述变频恒压给水设备利用可编程控制器,可根据管网瞬间的压力和流量变化自动调节水泵的转速及多台水泵的启停,在满足用户流量需求的基础上,使供水压力始终恒定在预先设定的压力值上,整套系统设计合理,运行可靠。
在供水中应用,可取代水塔、高位水箱和气压罐等供水方式,性能稳定、节能效果显著。
变频供水设备主要有微机变频控制柜、水泵机组、压力传感器、液位控制器(可选)、管道管件和阀门等构成。
二、适用的水质范围适用于生活饮用水、中水,水温00 C—900 C、PH值6.5-8.5。
三、使用范围本设备设计合理、系统运行可靠、压力稳定高效节能、安装方便,操作简单,噪音底,可使用于各种需要恒压变量供水的场合;1、高层建筑、住宅小区、企事业等生活供水系统;2、各类自来水厂、给水加压泵站;3、以上旧有系统的节能、降耗改造。
四、主要性能和特点1、自动化程度高,可实现恒压变量、多恒压变量、变压变量多种控制方式,多种启停方式,压力稳定精度≤±1%;2、节能效果显著;3、控制柜控制对多台泵均实现变频软启动,无冲击电流,机械冲击磨损较小,可延长设备使用寿命、提高系统的稳定性和减小对电网的冲击;4、设备中多台水泵可实现循环启动运行,以均稀各泵的工作量进一步延长水泵寿命;5、系统设计配置灵活,可根据需求设定多达6台水泵及1台附属小泵的供水控制系统。
五、技术参数本系列变频给水装置参数如下:1、电源:3相5线。
380V(±10%),50Hz(±5%);2、供水流量范围:0—3900m3/h;3、压力调节范围:0—2.8MPa;4、适用电机容量:0.15—315kw5、加减速时间:0—6500秒;6、变频器效率:85%—95%7、产品标准:Q/0112GT001-2005六、设备工作原理简述以多台水泵并联供水为例,系统设定一恒定的压力值,当用水量变化而产生管网压力的变化,通过远传压力表,将管网压力反馈给变频器内置控制器,通过控制器调整变频器的输出频率,调节泵的转速以保持恒压供水;如不能满足供水要求时,则变频器将控制多台变频泵和工频泵的启停而达到恒压变量供水。
变频恒压给水设备介绍仅供参考变频恒压供水设备是一种新型的节能供水设备。
变频恒压供水设备系运用当今最先进的微电脑控制技术,将变频调速器与电机水泵组合而成的机电一体化高科技节能供水装置。
变频恒压供水设备以水泵出水端水压(或用户用水流量)为设定参数,通过微机自动控制变频器的输出频率从而调节水泵电机的转速,实现用户管网水压的闭环调节,使供水系统自动恒压稳于设定的压力值:即用水量增加时,频率提高,水泵转速加快;用水量减少时,频率降低,水泵转速减慢。
这样就保证了整个用户管网随时都有充足的水压(与用户设定的压力一致)和水量(随用户的用水情况变化而变化)。
一、设备特点1、高效节能:系统能按设定的压力,自动调节水泵的流量、功率等工作状态和运行台数,使其运行在最佳状态,达到高效节能的目的。
可以节电25%-55%2、自动化程度高,管理方便,运行可靠,操作灵活及抗电磁干扰能力强。
3、水压恒定:采用了微机控制,数字PID调节,恒压精度高,水压波动小。
4、水泵为软启动软停止,消除了机械和电气冲击,有效延长了使用寿命。
5、具有完善的电气保护功能,如短路、过流、欠压、过载、缺相、水源缺水等。
6、具有手动、自动起停和远程控制功能。
7、数显数控功能、参数的设定、工况显示均数字化,并集中在数显面板上进行。
二、设备用途1、中小型自来水及加压泵站。
2、居住区、开发区、宾馆、饭店、及高层建筑的生活供水。
3、工矿企业的生产、生活供水。
4、各种循环供水系统及其它输液、输油系统。
5、热水供应、采暖、空调、通风的供水、供气系统。
6、农业排灌、园林喷洒、水景和音乐喷泉及污水泵站的供水和排水系统。
三、设备类型微机控制变频调速给水设备,有多种类型、规格,适用于工业、生产、日常生活。
具体类型分为:一用一备型给水设备、一用一补型给水设备、一用二补型给水设备、一用三补(或多补)型给水设备、大小泵组合型给水设备。
四、设备安装(控制柜安装)1、满足控制柜的正常工作条件:安装处无滴水、溅水或积水、易观察位置,柜前后应有足够的操作检修空间。
恒压供水变频器参数设置引言恒压供水变频器是一种用于控制水泵的设备,它可以通过调整水泵的转速,实现恒定的水压输出。
这在很多供水系统中是非常重要的,因为水压的稳定性直接影响到供水质量和供水设备的寿命。
本文将介绍恒压供水变频器的参数设置方法,以帮助用户正确使用这一设备。
选定工作方式在进行参数设置之前,首先需要确定使用的工作方式。
恒压供水变频器通常提供两种工作方式:压力差控制方式和流量控制方式。
用户可以根据实际需求选择合适的工作方式。
•压力差控制方式:该方式适用于要求水压稳定的场合,变频器会根据设定的压力差值来控制水泵的转速,从而保持恒定的供水压力。
这种方式适用于大部分常规的供水系统。
•流量控制方式:该方式适用于要求水流量稳定的场合,变频器会根据设定的流量值来控制水泵的转速,保持恒定的供水流量。
这种方式适用于一些特殊需求,例如需要保持一定流量的喷泉系统。
设置最大频率和最小频率恒压供水变频器需要设置最大频率和最小频率,来控制水泵的转速范围。
参数设置时,可以根据水泵的额定功率和实际需求来确定最大频率和最小频率的数值。
•最大频率:一般情况下,最大频率设置为水泵的额定频率。
在需要提供较大供水流量的情况下,可以适当增加最大频率,但不得超过水泵的额定频率。
•最小频率:最小频率的设置取决于水泵能否在较低频率下正常运行。
一般建议将最小频率设置为水泵的起动频率,以确保水泵能够在低负荷时正常启动。
设定PID参数PID参数是恒压供水变频器控制水泵的核心参数,它能够根据检测到的供水压力或流量与设定值的偏差,调整水泵的转速以实现恒压供水。
•比例增益(P)参数:P参数用于根据实际偏差与设定值之间的差异来控制水泵的速度调整。
P参数的数值越大,控制的响应速度越快,但可能引起控制的震荡和不稳定。
•积分时间(I)参数:I参数用于根据供水压力或流量的累积误差来控制水泵的速度调整。
I参数的数值越大,控制的静态精度越高,但可能引起控制的过冲。
•微分时间(D)参数:D参数用于根据供水压力或流量的变化率来控制水泵的速度调整。
恒压变频给水装置使用说明书一、产品概述变频恒压给水设备利用可编程控制器,可根据管网瞬间的压力和流量变化自动调节水泵的转速及多台水泵的启停,在满足用户流量需求的基础上,使供水压力始终恒定在预先设定的压力值上,整套系统设计合理,运行可靠。
在供水中应用,可取代水塔、高位水箱和气压罐等供水方式,性能稳定、节能效果显著。
变频供水设备主要有微机变频控制柜、水泵机组、压力传感器、液位控制器(可选)、管道管件和阀门等构成。
二、适用的水质范围适用于生活饮用水、中水,水温00 C—900 C、PH值。
三、使用范围本设备设计合理、系统运行可靠、压力稳定高效节能、安装方便,操作简单,噪音底,可使用于各种需要恒压变量供水的场合;1、高层建筑、住宅小区、企事业等生活供水系统;2、各类自来水厂、给水加压泵站;3、以上旧有系统的节能、降耗改造。
四、主要性能和特点1、自动化程度高,可实现恒压变量、多恒压变量、变压变量多种控制方式,多种启停方式,压力稳定精度≤± 1%;2、节能效果显著;3、控制柜控制对多台泵均实现变频软启动,无冲击电流,机械冲击磨损较小,可延长设备使用寿命、提高系统的稳定性和减小对电网的冲击;4、设备中多台水泵可实现循环启动运行,以均稀各泵的工作量进一步延长水泵寿命;5、系统设计配置灵活,可根据需求设定多达6 台水泵及1台附属小泵的供水控制系统。
五、技术参数本系列变频给水装置参数如下:1、电源:3 相5 线。
380V(± 10%),50Hz(± 5%);2、供水流量范围:0—3900m3/h;3、压力调节范围:0—;4、适用电机容量:—315kw5、加减速时间:0—6500 秒;6、变频器效率:85%—95%7、产品标准:Q/0112GT001-2005六、设备工作原理简述以多台水泵并联供水为例,系统设定一恒定的压力值,当用水量变化而产生管网压力的变化,通过远传压力表,将管网压力反馈给变频器内置控制器,通过控制器调整变频器的输出频率,调节泵的转速以保持恒压供水;如不能满足供水要求时,则变频器将控制多台变频泵和工频泵的启停而达到恒压变量供水。
变频恒压供水设备企业标准变频恒压供水设备是一种能够在不同压力要求下稳定供水的设备。
随着现代工农业的发展,对供水设备的要求越来越高,传统的恒压供水设备已经不能满足需求。
因此,变频恒压供水设备应运而生,并且得到了广泛的应用。
变频恒压供水设备企业标准主要包括以下几个方面:1.技术要求:变频恒压供水设备应具备稳定的供水性能。
其工作压力范围应适应各种不同的用水压力要求。
同时,设备在运行时应具备自动调整的功能,能根据用水量的变化自动调整供水压力,保证供水的稳定性。
设备还应具备故障报警和保护功能,能够在故障发生时及时报警,并停止供水,保证设备和用水系统的安全。
2.性能指标:变频恒压供水设备的性能指标主要包括供水流量、供水压力、电能消耗等。
供水流量应能够满足不同用水需求,在设备设计时应考虑到平均用水峰值和峰谷差等因素。
供水压力应能够稳定在规定范围内,不受用水量变化的影响。
电能消耗应控制在合理的范围内,以降低运行成本和环境负荷。
3.设计要求:变频恒压供水设备的设计应满足国家相关行业标准的要求,并且符合工程实际需要。
在设备组成和结构设计上应科学合理,运行安全可靠。
设备的各个部件和部件之间的接合应牢固可靠,能够承受长时间的运行和压力冲击。
同时,在设备的外观设计上应美观大方,符合人体工学原理,方便安装和维修。
4.检测方法:变频恒压供水设备的检测方法应具备科学性和可靠性。
包括对设备的性能指标、运行状态、故障报警和保护功能等进行全面检测。
检测方法应符合国家相关检测标准的要求,并且能够反映设备的实际运行情况。
5.维护和保养:变频恒压供水设备的维护和保养应具备规范性和及时性。
包括设备的日常保养和故障维修等方面。
维护和保养应配备专业的技术人员,能够及时对设备进行检修和维护,确保设备的正常运行。
综上所述,变频恒压供水设备企业标准对设备的技术要求、性能指标、设计要求、检测方法以及维护和保养等方面进行了详细的规定。
这些标准的制定和实施,有助于提高设备的供水质量和稳定性,满足不同行业和领域的用水需求。
熊猫变频恒压供水设备设备工艺原理1. 前言熊猫变频恒压供水设备是一款专门用于楼宇、住宅小区、商场、酒店等地的供水设备。
这款设备采用了先进的变频恒压技术,确保了水压稳定、过程控制精度高等优点。
本文将介绍熊猫变频恒压供水设备的设备工艺原理。
2. 设备工艺原理2.1 恒压供水原理恒压供水原理是指在供水系统中控制压力的大小,当压力降低时,自动启动水泵,将水泵的输出调整到设定的压力范围内。
当水压达到设定压力时,水泵停止工作,从而实现恒定的供水压力。
2.2 变频供水原理变频供水原理是指将水泵的电机启动器中的电动机变频器换成能够实现变频调速的方式,从而在不同的需求情况下根据需要实现调整水泵的跑速。
这种方式可以实现动力利用的更加充分,同时在节能和环保方面也有更好的表现。
2.3 恒压变频原理恒压变频原理是将恒压变频供水原理相结合,同时实现恒定的水压,还能根据外部负荷的需求进行变频调速,从而实现多种运行模式的选择。
熊猫变频恒压供水设备采用了这种恒压变频原理。
在恒压的基础上,根据外部负载的需求,通过变频调整电机的旋转速度,以达到更加高效和节能的运行效果。
2.4 工艺流程熊猫变频恒压供水设备的工艺流程如下:1.微机智能检测水源,自动判断出水源是否稳定。
2.采取变频恒压技术,根据负载的需求进行动态调整,确保恒压供水的同时能够节能。
3.自动泵站控制,集成建筑管道反压控制,消除水平梯度阻力影响,确保供水稳定。
4.采取导流臂技术,解决高层建筑、公共设施等需要水压的场景。
5.自动开关机,节能降耗。
3. 总结通过本文的介绍,我们可以看到熊猫变频恒压供水设备采用了先进的变频恒压技术,实现了恒定的供水压力,同时能够根据外部负荷的需求实现调速,以达到更加高效和节能的运行效果。
在实际的建筑水电设计中,我们应该选择恰当的供水设备,以达到稳定、高效和节能的目的。
变频恒压供水设备技术参数1.额定功率:变频恒压供水设备的额定功率是指设备在正常运行时所消耗的功率。
通常以千瓦(kW)为单位进行表示。
2.输入电源电压:变频恒压供水设备通常使用交流电作为输入电源,输入电压可以是220V、380V等常见的电压等级。
输入电源电压一般由设备制造商根据实际需求进行选型。
3.频率范围:变频恒压供水设备可以根据实际需求进行频率调节,从而控制水泵的运行速度。
频率范围通常以赫兹(Hz)为单位进行表示。
4.水泵功率:水泵是变频恒压供水设备的核心组件之一,水泵功率是指水泵在工作状态下所消耗的电功率。
通常以千瓦(kW)为单位进行表示。
5.额定水流量:额定水流量是指供水设备在额定工况下可以提供的最大水流量。
通常以立方米/小时(m³/h)或立方米/秒(m³/s)等单位进行表示。
6.额定水压:额定水压是指供水设备在额定工况下可以提供的最大水压。
通常以千帕(kPa)或兆帕(MPa)等单位进行表示。
7.工作温度范围:变频恒压供水设备通常适用于室内环境,工作温度范围是指设备正常工作所需的环境温度范围。
通常以摄氏度(℃)为单位表示。
8.控制方式:变频恒压供水设备可以通过不同的控制方式实现对水泵的运行控制,常见的控制方式有手动控制、自动控制和远程控制等。
9.报警保护功能:变频恒压供水设备通常具备一些报警保护功能,用于监测设备的工作状态,如过负荷保护、短路保护、过温保护等。
10.外观尺寸:变频恒压供水设备的外观尺寸直接影响着设备的安装和布置,一般以长、宽、高(毫米)为单位进行表示。
恒压变频供水设备使用方法:在试用前,应先关闭供水阀,检查各密封阀情况,不允许有泄露现象,开车后,应注意机泵转向。
当压力表指针到上限时,机泵自动停止。
打开供水阀,即可正常供水、如需定时供水,可把选择开关扳到手动位置。
恒压变频供水设备维护:恒压变频供水设备泵机组应经常检查,定期保养并加注润滑油。
离心泵和止回阀如发现漏水现象,应及时紧固法兰螺丝或更换石棉根,检查机泵底脚螺栓不能松动,以防损坏机器。
罐体如发现漆皮脱落,应及时涂漆维护,以延长使用寿命。
恒压变频供水设备电器自动控制系统,应防水、防尘、经常检查线路绝缘情况,连接螺栓是否松动和保险丝完好等情况。
压力表外部最好用透明材料包裹,以防损坏。
1、为了提高控制系统的可靠性,我们对控制线路和软件专门进行了可靠性设计,比如可编程控制器PLC的输入、输出端子,都采取继电器隔离措施,如果利用控制器PLC的输出端直接启动接触器,因接触器线圈的电感量比较大,长时间运行容易烧毁PLC触点,因控制器PLC中编制有控制程序,如果因故障需要更换则比较困难。
采取对控制器PLC的输入、输出继电器隔离措施,可以提高PLC的可靠性,因控制器PLC是整个控制部分的核心,提高PLC的可靠对提高整机可靠性具有十分重要的意义。
2、在配有供水视窗(触摸屏)控制系统的#城市##关键词#中,触摸屏和变频器之间通讯采取了光电隔离措施,以保证各电器运行安全通讯可靠。
3、在配有远程语音报警系统设备中,当设备出现故障停机时,设备自动拨通预存的电话号码,通知设备管理人员进行及时维修以不影响用户用水。
4、在大中型控制系统中,#城市##关键词#控制通常采用的循环软启动存在着严重的缺陷,在水泵从变频到工频的转换中,会产生致命的电气和机械冲击,导致危害电路和管网安全,无冲击转换技术可以做到无冲击软起、软停避免机械及电气冲击,此项技术在大中型#城市##关键词#中应用十分重要。
5、在大型设备供水压力要求波动比较大的设备中,可以做变压变量方式供水,控制系统根据开启的工频泵数量及变频器输出频率,估算设备流量,对设备出口压力进行补偿,以达到进一步节能的目的。
恒压变频供水设备简介恒压变频供水设备是一种新型的清洁卫生、高效节能的供水设备,也被业界称为管网叠压供水设备。
该设备为全封闭式结构,不需要建造任何形式的水池,避免了供水二次污染。
直接将食品卫生等级的不锈钢稳流调节罐作为进水储水缓冲装置直接与自来水管道相连,充分利用自来水管网原有压力能源,在同样供水需求的情况下,无负压变频供水可选择功率较小的水泵及控制设备。
同时在夜间小流量用水情况下利用市政供水水压直接供水而无需启动水泵。
相比传统带水池的供水设备,该设备节约了大量的电能和设备投资,其节能效果可高达50%以上。
运行中,稳流调节罐配备的真空消除器可自动消除设备运行过程中对管网所产生的负压,保证了正常供水的同时设备不会对市政管网其他用户造成影响。
无负压变频供水是目前最高效节能的供水设备,特别适合城镇自来供应较为稳定和充足的场合使用恒压变频供水设备使用的领域1、自来水供水、生活小区及消防供水系统,亦可用于热水供应、恒压喷淋等系统。
2、工业企业生活、生产供水系统及工厂其它需恒压控制领域(如空压机系统的恒压供气、恒压供风)。
各种场合的恒压、变压控制,冷却水和循环供水系统。
3、污水泵站、污水处理及污水提升系统。
4、农业排灌、园林喷淋、水景和音乐喷泉系统。
5、宾馆、大型公共建筑供水及消防系统。
恒压变频供水设备主要应用场合1、高层建筑,城乡居民小区,企事业等生活用水;2、各类工业需要恒压控制的用水,冷却水循环,热力网水循环,锅炉补水等;3、中央空调系统;4、自来水厂增压系统;5、农田灌溉,污水处理,人造喷泉;6、各种流体恒压控制系统。
恒压变频供水设备的两个特点:1.供水管网压力稳定:设备由微机构成自动闭环控制,能在0.5秒内使变化的压力恢复正常,压力调节精度为设定值的±5%。
2.供水功能全,保险系数高:设备局部出现故障时,能启用应急功能继续供水。
该设备可与市政供水网自动并网运行,并具有双恒压功能,即能满足生活生产用水的正常压力和流量,有能在出现火情时自动转换为高压大流量供水,可一机多用。
无负压变频供水设备变频恒压供水设备恒压变频供水设备的应用范围:1、新建的住宅小区、别墅、写字楼、综合楼生活供水。
2、高层建筑、消防用水、高级宾馆饭店等的生活供水。
3、气压给水,地面水池加压等传统供水系统改造。
4、各种锅炉冷水供水系统、锅炉热水。
5、自来水厂的中间加压泵站、自来水二次增压。
6、各工矿企业的生产、生活用水、管网稳压。
7、各种类型的循环水、冷却水供应系统。
8、自来水压力不能满足要求的生活、消防加压供水等。
恒压变频供水设备适用范围A、城乡居民生活供水变频供水设备广泛用于各城乡的楼宇、生活小区供水,并有效杜绝了细菌的滋生、红虫的繁殖,为广大的住户提供更纯净、更优质的饮用水,既保证了居民用水安全,又节约了能耗,节省了费用开支。
典型的工程有:娄底新化鑫景名苑、邵阳洞口一中、株洲醴陵方正房产、长沙阳光丽景小区、衡阳鑫盛置业、江西九江德山房产(星子田园小区)等。
B、大型宾馆、酒店、医院等商业供水变频供水设备广泛应用于各大型的宾馆、酒店,能有效杜绝细菌的滋生、红虫的繁殖,为广大的用户提供更优质、更纯净的水,令入住的客人喝得放心,住得开心,同时也提升了企业形象。
典型的工程有:长沙奥盛酒店、湘潭润玉酒店、韶关办公大楼、常德清真第一春、株洲九天国际广场、湘潭圣保力KTV、湘西民族宾馆及益阳维多利亚宾馆等。
C、工业供水变频供水设备广泛用各类工业用水。
典型的工程有:武汉葆春蜂王浆有限公司、邵阳市科瑞化学品有限公司、株洲湘蜀自控科技公司、湖北广水防水材料厂等。
D、旧供水系统的改造绝大多数的多层楼宇及部分高层楼宇,都是采用了上行下给的水池二次供水,住户长期受到水质的二次污染、水漏耗大及水压不足等困扰。
在改用了变频供水设备、楼顶管网作连接改造、使用了密封防死水设计的流量平衡器之后,生活供水再不需使用水池,自来水经设备叠加利用自来水管网的原有压力后,加压直接供水给住户,水质纯净卫生,压力充足稳定且节能降耗。
典型的工程有:中国水电八局,湘潭金荣广场、湖南省工商业联合会、柳城海润广场、株洲中央皇庭、湘潭新城庭院、湘潭湖湘林语等。
E、“一户一表”改造的配套使用“一户一表”现行较多采用的形式,是将每户水表统一安装在一楼,一户一条供水管。
变频供水设备安装在总表后的进水总管上,叠加利用自来水管网的原有压力后加压直接供水给住户。
典型的工程有:常德澧县自来水厂、常德桃源县白洋河自来水厂,株洲醴陵孙家湾自来水厂、邵东翰林院项目等。
恒压变频供水设备适用范围A、城乡居民生活供水变频供水设备广泛用于各城乡的楼宇、生活小区供水,并有效杜绝了细菌的滋生、红虫的繁殖,为广大的住户提供更纯净、更优质的饮用水,既保证了居民用水安全,又节约了能耗,节省了费用开支。
典型的工程有:娄底新化鑫景名苑、邵阳洞口一中、株洲醴陵方正房产、长沙阳光丽景小区、衡阳鑫盛置业、江西九江德山房产(星子田园小区)等。
B、大型宾馆、酒店、医院等商业供水变频供水设备广泛应用于各大型的宾馆、酒店,能有效杜绝细菌的滋生、红虫的繁殖,为广大的用户提供更优质、更纯净的水,令入住的客人喝得放心,住得开心,同时也提升了企业形象。
典型的工程有:长沙奥盛酒店、湘潭润玉酒店、韶关办公大楼、常德清真第一春、株洲九天国际广场、湘潭圣保力KTV、湘西民族宾馆及益阳维多利亚宾馆等。
C、工业供水变频供水设备广泛用各类工业用水。
典型的工程有:武汉葆春蜂王浆有限公司、邵阳市科瑞化学品有限公司、株洲湘蜀自控科技公司、湖北广水防水材料厂等。
D、旧供水系统的改造绝大多数的多层楼宇及部分高层楼宇,都是采用了上行下给的水池二次供水,住户长期受到水质的二次污染、水漏耗大及水压不足等困扰。
在改用了变频供水设备、楼顶管网作连接改造、使用了密封防死水设计的流量平衡器之后,生活供水再不需使用水池,自来水经设备叠加利用自来水管网的原有压力后,加压直接供水给住户,水质纯净卫生,压力充足稳定且节能降耗。
典型的工程有:中国水电八局,湘潭金荣广场、湖南省工商业联合会、柳城海润广场、株洲中央皇庭、湘潭新城庭院、湘潭湖湘林语等。
E、“一户一表”改造的配套使用“一户一表”现行较多采用的形式,是将每户水表统一安装在一楼,一户一条供水管。
变频供水设备安装在总表后的进水总管上,叠加利用自来水管网的原有压力后加压直接供水给住户。
典型的工程有:常德澧县自来水厂、常德桃源县白洋河自来水厂,株洲醴陵孙家湾自来水厂、邵东翰林院项目等。
恒压变频供水设备的分类1)恒压变频供水设备按供水方式分:(1)恒压变量供水系统:水泵的出口压力始终保持一个恒定值,设备的供水量可随用户用水量的需求而变化。
(2)变压变量供水系统:系统的控制压力检测点设在用户给水系统的末端,用此测定压力来控制水泵运行的转速,此时水泵的出口压力是变化的,用户的用水量也是变化的。
2)恒压变频供水设备按控制方式分:(1)微机控制型:控制核心由单片机组成。
(2)PC控制型:控制核心由可编程序控制器组成。
3)恒压变频供水设备按水泵台数分:(1)单台式:控制一台水泵调速运行,另一台泵备用,两台交替使用。
(2)多台并联式:控制一台水泵变频调速运行,多台工频运行。
还可按结构形式和系统用途等方面分类。
恒压变频供水设备主要应用场合1、高层建筑,城乡居民小区,企事业等生活用水;2、各类工业需要恒压控制的用水,冷却水循环,热力网水循环,锅炉补水等;3、中央空调系统;4、自来水厂增压系统;5、农田灌溉,污水处理,人造喷泉;6、各种流体恒压控制系统。
恒压变频供水设备主要应用场合1、高层建筑,城乡居民小区,企事业等生活用水;2、各类工业需要恒压控制的用水,冷却水循环,热力网水循环,锅炉补水等;3、中央空调系统;4、自来水厂增压系统;5、农田灌溉,污水处理,人造喷泉;6、各种流体恒压控制系统。
归纳的说,主要特点是保护管网压力、调节峰值用水,节能、安全、环保、供水高品质(解决了二次供水污染)和低噪音。
具体的说明如下。
1. 保证管网压力,调节峰值用水,水箱入口处采用了智能化的电磁阀来控制进水压力及水λ。
当管网压力下降加压泵从水箱取水时,可通过智能控制,当水箱水λ低于一定液λ时,再打开电磁阀从管网中放水,此时保证取水口一定的压力,此措施一可以避开高峰用水,起调峰作用;二是避免了普通水箱的零压力泄水,对管网压力是一个很好的保护作用:恒压变频供水设备2. 运行可靠性:当用水高峰时,或自来水停水时,由水箱供水,大大提高用户用水的可靠性,完全符合自来水供水规范。
3. 控制系统先进。
建立远程监控系统,随时监控设备运转情况。