建筑施工安全检查手册(附表格)
- 格式:doc
- 大小:622.00 KB
- 文档页数:53
施工现场实体安全隐患每日检查表
填表说明
一、施工现场实体安全隐患日检记录由项目专职安全管理员填写。
具体填写要求如下:
1、“有无隐患”一项中,如检查中未发现安全隐患,在“无”一栏划√;如发现存在安全隐患,在“有”一栏划√,并在“隐患情况”一栏中写明具体情况;
2、对检查中发现并已消除的安全隐患,在“整改结果”中的“已排除”一栏划√;
3、对检查中发现但未消除的安全隐患,在“整改结果”中的“未排除”一栏划√,并在“备注”栏写明实际处置情况;
4、凡是未能及时整改的安全隐患,应及时上报项目部,按照“五定”原则落实整改到位,并记入重大安全隐患整治档案,督办并确保销号。
二、每次安全检查所填写的记录必须真实准确,签字完善,不得随意涂改。
三、所填写的每日安全隐患检查表格,将作为直接责任人履行安全职责的原始凭据,应保存完整,随时备查。
北京城建亚泰集团有限公司二分公司工程部(试行草案表)
2015年5月18日
施工现场实体安全隐患日检记录
施工现场每周(月)安全检查记录
项目名称:开关厂定向改置房工程
照表格所列内容对施工现场进行逐一检查,并将检查和整改情况如实填写在相应表格处。
凡是未能及时整改的安全隐患,应按照“五定”原则落实整改到位,并记入重大安全隐患整治档案,确保销号。
根据现场情况需要填写而本表格未包含的内容,可在表格“其它”项内自行增项填。
建筑施工安全检查报告汇总表
1. 背景
建筑施工安全检查是确保工地安全的重要举措。
为了保障施工现场工人的安全,定期进行安全检查是必要的。
2. 检查目的
该报告汇总表旨在记录建筑施工安全检查的结果和问题。
通过对施工现场的定期检查,可以发现存在的安全隐患,并及时采取预防措施,减少安全事故的发生。
3. 检查内容
本次检查主要针对以下方面:
- 工地安全设施的完善程度
- 工人的个人防护用具是否齐全
- 施工现场是否存在危险物品的存放
- 操作人员是否按照安全操作规程进行工作
- 施工现场是否存在安全隐患等
4. 检查结果
在本次检查中,我们发现了以下问题:
1. 一处安全警示标牌未能正确安装,需及时补充。
2. 有部分工人未佩戴安全帽,需要进行安全教育和督促。
3. 施工现场临时电源线松动,存在安全隐患,需要及时修复。
4. 危险物品未按规定进行存放,需要加强管理。
5. 采取措施
为了解决上述问题,并确保施工现场的安全,我们将采取以下措施:
1. 对未安装的安全警示标牌进行补充,并确保其清晰可见。
2. 强化工人的安全教育,督促佩戴安全帽并正确使用个人防护用具。
3. 紧急处理临时电源线松动的问题,并加强电源管理。
4. 加强危险物品的存放管理,确保按照规定进行分类、标识、存放。
6. 检查结论
通过本次建筑施工安全检查,我们发现了一些安全问题,并及时采取了相应的措施进行整改。
我们将持续关注施工现场的安全情况,并定期进行检查,以确保工程的安全进行。
*注:此报告汇总表仅供内部参考,不作为法律证据。
*。
项目名称:施工单位:
建筑施工安全生产检查表
检查人:检查日期:年月日
项目名称:施工单位:
建筑施工安全生产检查表
检查人:检查日期:年月日项目名称:施工单位:
建筑施工安全生产检查表
(基坑工程)
检查人:检查日期:年月日
项目名称:施工单位:
建筑施工安全生产检查表
(临时用电)
检查人:检查日期:年月日项目名称:施工单位:
建筑施工安全生产检查表
(安全防护)
检查人:检查日期:年月日
项目名称:施工单位:
建筑施工安全生产检查表
(消防工程)
检查人:检查日期:年月日。
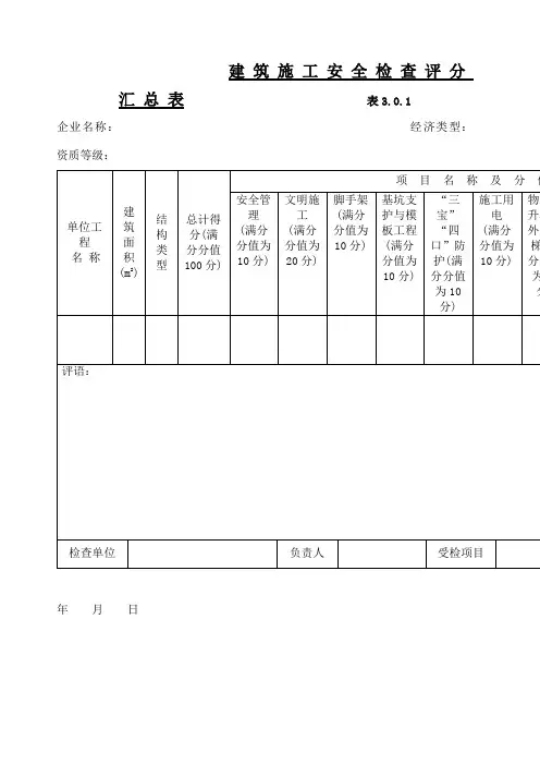
建筑施工安全检查评分汇总表表3.0.1企业名称:经济类型:资质等级:年月日安全管理检查评分表表3.0.2注:1.每项最多扣减分数不大于该项应得分数。
2.保证项目有一项不得分或保证项目小计得分不足40分,检查评分表计零分。
3.该表换算到《施工安全检查评分汇总表》(表3.0.1)后得分=10×该表检查项目实得分数合计÷100。
文明施工检查评分表表3.0.3注:1.每项最多扣减分数不大于该项应得分数。
2.保证项目有一项不得分或保证项目小计得分不足40分,检查评分表计零分。
3.该表换算到《施工安全检查评分汇总表》(表3.0.1)后得分=20×该表检查项目实得分数合计÷100。
落地式外脚手架查评分表表3.0.4-1注:1.每项最多扣减分数不大于该项应得分数。
2.保证项目有一项不得分或保证项目小计得分不足40分,检查评分表计零分。
3.该表换算到《施工安全检查评分汇总表》(表3.0.1)后得分=10×该表检查项目实得分数合计÷100。
基坑支护安全检查评分表表3.0.5注:1.每项最多扣减分数不大于该项应得分数。
2.保证项目有一项不得分或保证项目小计得分不足40分,检查评分表计零分。
3.该表换算到《施工安全检查评分汇总表》(表3.0.1)后得分=10×该表检查项目实得分数合计÷100。
模板工程安全检查评分表表3.0.6注:1.每项最多扣减分数不大于该项应得分数。
2.保证项目有一项不得分或保证项目小计得分不足40分,检查评分表计零分。
3.该表换算到《施工安全检查评分汇总表》(表3.0.1)后得分=10×该表检查项目实得分数合计÷100。
“三宝”、“四口”防护检查评分表表3.0.7注:1.每项最多扣减分数不大于该项应得分数。
2.该表换算到《施工安全检查评分汇总表》(表3.0.1)后得分=10×该表检查项目实得分数合计÷100。
附件
附表1 建设主管部门安全生产和扬尘治理检查表
检查人:组长:检查日期:
附表2 各方责任主体安全生产监督检查表
项目名称:建设单位:
施工单位:监理单位:
检查人:组长:检查日期:
附表3 施工现场安全生产监督检查表项目名称:
检查人:组长:检查日期:
注:其中违反3、10-16条等施工安全强制性条款的,一律为落实不到位。
对落实不到位的项目,下发限期整改通知书;情节严重的下发执法建议书,并责令停工整改。
附表4 施工现场扬尘治理专项检查表
检查人:组长:检查日期:
附表5 全省建筑施工安全生产及扬尘治理督导检查项目汇总表
注:安全检查结果注明下发隐患或停工;扬尘检查结果分为合格、不合格两类。
建筑施工安全检查表
序号检查内容
评价结果
备注符合不符合
1建设单位在工程项目开工前,按规定取得施工许可证
2建设单位向施工单位提供施工现场及毗邻区域内所有
地下管线资料等相关资料
3建设单位在编制工程概算时单独编制安全防护及文明
措施费用
4建设单位按合同及时支付安全生产费用
5建设单位在合同中明确安全责任、安全目标6建设单位按合同约定履行安全管理职责
7建设单位依法将工程发包给具有资质和安全生产许可
证的施工单位
8建设单位依法将工程委托给具有相应资质的监理单位
结果
统计
符合项;不符合项
检查人:检查日期:年月日。
建筑工程安全检查全套资料样本表格
建筑工程安全检查是保证施工过程中安全的重要环节。
为了提高施工安全管理水平,以下是建筑工程安全检查的全套资料样本表格,供参考使用。
一、安全生产责任
二、安全生产管理制度
三、安全生产培训记录
四、施工现场安全检查
1. 安全设施和安全防护措施
2. 特种作业人员合格证管理
3. 施工机械设备安全管理
五、施工安全事故隐患整改
以上是建筑工程安全检查全套资料样本表格的内容,希望能对施工单位在建筑工程安全检查中提供一些参考和帮助。
建筑施工安全检查手册编制说明为贯彻落实有关安全生产的法律规定,建立健全安全生产管理体系,杜绝重大生产安全事故,减少一般事故的发生,实现安全生产管理的同质化、规范化和标准化,从而系统提升项目安全生产管理,以达到项目安全生产管理科学合理有效,全面落实安全生产目标管理责任制。
为科学评价建筑施工现场安全生产,预防生产安全事故的发生,保障施工人员的安全和健康,提高施工管理水平,实现安全检查工作的标准化,制定本标准。
安全管理检查评定内容及评分表均按国家现行规范标准制定。
目录1.1扣件式钢管脚手架 (3)2.1满堂脚手架 (4)3.1悬挑式脚手架 (6)4.1高处作业吊篮 (8)5.1模板支架 (10)6.1高处作业 (11)7.1施工用电 (13)8.1施工升降机 (16)9.1塔式起重机 (18)10.1施工机具 (20)11.1钢丝绳、绳卡的使用方法 (22)12.1安全帽的使用规范 (23)13.1安全带的使用规范 (24)14.1密目网的使用规范 (25)15.1安全网的使用规范 (26)16.1常用构配件与材料、人员自重 (28)附表1、扣件式钢管脚手架检查评分表 (30)2、悬挑式脚手架检查评分表 (31)3、满堂式脚手架检查评分表 (32)4、高处作业吊篮检查评分表 (33)5、模板支架检查评分表 (34)6、施工用电检查评分表 (35)7、施工升降机检查评分表 (36)8、塔式起重机检查评分表 (37)9、施工机具检查评分表 (38)10、落地式(悬挑)脚手架搭设检查表 (39)11、悬挑式钢(接料)平台检查记录表 (40)12、模板及支撑系统检查记录表 (41)13、施工现场临时用电检查表 (42)14、高处作业吊篮检查表 (43)15、施工机具安装检查表 (45)16、塔吊(施工电梯)安全检查表 (46)17、施工现场每周(月)安全检查记录 (47)1.1扣件式钢管脚手架1.1.1 扣件式钢管脚手架检查评定应符合现行行业标准《建筑施工扣件式钢管脚手架安全技术规范》JGJ130 的规定。
安全报监书编号:重庆市建设工程施工现场每周(月)安全检查表项目名称:中煤科工集团重庆研究院建桥产业基地建设单位:中煤科工集团重庆研究院监理单位:重庆市建筑科学研究院施工单位重庆松龙建筑(集团)有限公司重庆市建设工程施工安全管理总站制填表说明一、每周安全检查记录应由施工单位项目负责人组织填写,具体填写要求如下:1、在“检查结果”一栏中填写检查情况,如有隐患直接填写具体问题;如无隐患,注明无,并无须填写后面两页。
2、对检查中发现存在问题的,应在“整改意见”一栏写明整改要求。
3、“整改结果”一栏应填写实际整改情况,已消除的直接写明;未消除的,应按照“五定”原则落实整改到位,并记入重大安全隐患整治档案,督办并确保销号。
二、每月安全检查记录由监理单位和施工单位企业负责人组织填写,具体填写要求同第二项。
三、每次安全检查所填写的记录必须真实准确,签字完善,不得随意涂改。
四、所填写的检查表格,将作为企业落实安全生产主体责任的原始凭据,应保存完整,随时备查。
施工现场每周(月)安全检查记录项目名称:中煤科工集团重庆研究院建桥产业基地施工单位检查人员项目经理:技术负责人:监理单位检查人员:检查时间:年月日施工现场每周(月)安全检查记录施工单位检查人员项目经理:技术负责人:监理单位检查人员:检查时间:年月日施工现场每周(月)安全检查记录施工单位检查人员项目经理:技术负责人:监理单位检查人员:检查时间:年月日施工现场每周(月)安全检查记录施工单位检查人员项目经理:技术负责人:监理单位检查人员:检查时间:年月日施工现场每周(月)安全检查记录施工单位检查人员项目经理:技术负责人:监理单位检查人员:检查时间:年月日施工现场每周(月)安全检查记录项目名称:中煤科工集团重庆研究院建桥产业基地施工单位检查人员项目经理:技术负责人:监理单位检查人员:检查时间:年月日施工现场每周(月)安全检查记录施工单位检查人员项目经理:技术负责人:监理单位检查人员:检查时间:年月日施工现场每周(月)安全检查记录施工单位检查人员项目经理:技术负责人:监理单位检查人员:检查时间:年月日。
施工安全检查记录(表格)
检查项说明
- [检查项1]: [检查项1的具体说明]
- [检查项2]: [检查项2的具体说明]
- [检查项3]: [检查项3的具体说明]
检查结果说明
- [检查结果1]: [检查结果1的说明,例如合格、不合格等] - [检查结果2]: [检查结果2的说明,例如合格、不合格等] - [检查结果3]: [检查结果3的说明,例如合格、不合格等]
备注
- [备注1]: [备注1的具体内容]
- [备注2]: [备注2的具体内容]
- [备注3]: [备注3的具体内容]
---
施工安全检查记录示例
检查项说明
- 建筑材料储存情况: 检查施工现场建筑材料的存放是否规范、有无杂物堆放等。
- 施工人员佩戴安全帽: 检查施工人员是否佩戴符合标准的安全帽。
- 电气设备接地情况: 检查施工现场的电气设备是否接地良好,避免发生漏电等安全隐患。
检查结果说明
- 合格: 表示该项检查符合安全标准要求,无明显问题。
- 不合格: 表示该项检查存在不符合安全标准要求的问题,需要及时整改。
备注
- 无: 表示在该项检查中没有特殊情况需要备注。
- 接地线松动: 表示在电气设备接地情况的检查中发现接地线有松动的问题,需要修复。
表A 建筑施工安全检查评分汇总表
企业名称:资质等级:年月日
表B.1 安全管理检查评分表
表B.2 文明施工检查评分表
表B.3 扣件式钢管脚手架检查评分表:
表B.4 门式钢管脚手架检查评分表
表B.5 碗扣式钢管脚手架检查评分表
表B. 6 承插型盘扣式钢管脚手架检查评分表
表B.7 满堂脚手架检查评分表
表B.8 悬挑式脚手架检查评分表
表B.9 附着式升降脚手架检查评分表
表B.11 基坑工程检查评分表
表B.12 模板支架检查评分表
表B. 13 高处作业检查评分表
表B.14 施工用电检查评分表
表B.15物料提升机检查评分表
表B.16 施工升降机检查评分表
表B.17 塔式起重机检查评分表
表B.18 起重吊装检查评分表
表B.19 施工机具检查评分表。
建筑施工安全检查手册编制说明为贯彻落实有关安全生产的法律规定,建立健全安全生产管理体系,杜绝重大生产安全事故,减少一般事故的发生,实现安全生产管理的同质化、规范化和标准化,从而系统提升项目安全生产管理,以达到项目安全生产管理科学合理有效,全面落实安全生产目标管理责任制。
为科学评价建筑施工现场安全生产,预防生产安全事故的发生,保障施工人员的安全和健康,提高施工管理水平,实现安全检查工作的标准化,制定本标准。
安全管理检查评定内容及评分表均按国家现行规范标准制定。
目录1.1扣件式钢管脚手架 (3)2.1满堂脚手架 (4)3.1悬挑式脚手架 (6)4.1高处作业吊篮 (8)5.1模板支架 (10)6.1高处作业 (11)7.1施工用电 (13)8.1施工升降机 (16)9.1塔式起重机 (18)10.1施工机具 (20)11.1钢丝绳、绳卡的使用方法 (22)12.1安全帽的使用规范 (23)13.1安全带的使用规范 (24)14.1密目网的使用规范 (25)15.1安全网的使用规范 (26)16.1常用构配件与材料、人员自重 (28)附表1、扣件式钢管脚手架检查评分表 (30)2、悬挑式脚手架检查评分表 (31)3、满堂式脚手架检查评分表 (32)4、高处作业吊篮检查评分表 (33)5、模板支架检查评分表 (34)6、施工用电检查评分表 (35)7、施工升降机检查评分表 (36)8、塔式起重机检查评分表 (37)9、施工机具检查评分表 (38)10、落地式(悬挑)脚手架搭设检查表 (39)11、悬挑式钢(接料)平台检查记录表 (40)12、模板及支撑系统检查记录表 (41)13、施工现场临时用电检查表 (42)14、高处作业吊篮检查表 (43)15、施工机具安装检查表 (45)16、塔吊(施工电梯)安全检查表 (46)17、施工现场每周(月)安全检查记录 (47)1.1扣件式钢管脚手架1.1.1 扣件式钢管脚手架检查评定应符合现行行业标准《建筑施工扣件式钢管脚手架安全技术规范》JGJ130 的规定。
1.1.2 扣件式钢管脚手架检查评定保证项目应包括:施工方案、立杆基础、架体与建筑结构拉结、杆件间距与剪刀撑、脚手板与防护栏杆、交底与验收。
一般项目应包括:横向水平杆设置、杆件连接、层间防护、构配件材质、通道。
1.1.3 扣件式钢管脚手架保证项目的检查评定应符合下列规定:1 施工方案1)架体搭设应编制专项施工方案,结构设计应进行计算,并按规定进行审核、审批;2)当架体搭设超过规范允许高度时,应组织专家对专项施工方案进行论证。
2 立杆基础1)立杆基础应按方案要求平整、夯实,并应采取排水措施,立杆底部设置的垫板、底座应符合规范要求;2)架体应在距立杆底端高度不大于200mm 处设置纵、横向扫地杆,并应用直角扣件固定在立杆上,横向扫地杆应设置在纵向扫地杆的下方。
3 架体与建筑结构拉结1)架体与建筑结构拉结应符合规范要求;2)连墙件应从架体底层第一步纵向水平杆处开始设置,当该处设置有困难时应采取其它可靠措施固定;3)对搭设高度超过24m 的双排脚手架,应采用刚性连墙件与建筑结构可靠拉结。
4 杆件间距与剪刀撑1)架体立杆、纵向水平杆、横向水平杆间距应符合设计和规范要求;2)纵向剪刀撑及横向斜撑的设置应符合规范要求;3)剪刀撑杆件的接长、剪刀撑斜杆与架体杆件的固定应符合规范要求。
5 脚手板与防护栏杆1)脚手板材质、规格应符合规范要求,铺板应严密、牢靠;2)架体外侧应采用密目式安全网封闭,网间连接应严密;3)作业层应按规范要求设置防护栏杆;4)作业层外侧应设置高度不小于180mm 的挡脚板。
6 交底与验收1)架体搭设前应进行安全技术交底,并应有文字记录;2)当架体分段搭设、分段使用时,应进行分段验收;3)搭设完毕应办理验收手续,验收应有量化内容并经责任人签字确认。
1.1.4 扣件式钢管脚手架一般项目的检查评定应符合下列规定:1 横向水平杆设置1)横向水平杆应设置在纵向水平杆与立杆相交的主节点处,两端应与纵向水平杆固定;2)作业层应按铺设脚手板的需要增加设置横向水平杆;3)单排脚手架横向水平杆插入墙内不应小于180mm。
2 杆件连接1)纵向水平杆杆件宜采用对接,若采用搭接,其搭接长度不应小于1m,且固定应符合规范要求;2)立杆除顶层顶步外,不得采用搭接;3)扣件紧固力矩不应小于40N·m,且不应大于65N·m。
3 层间防护1)作业层脚手板下应采用安全平网兜底,以下每隔10m 应采用安全平网封闭;2)作业层里排架体与建筑物之间应采用脚手板或安全平网封闭。
4 构配件材质1)钢管直径、壁厚、材质应符合规范要求;2)钢管弯曲、变形、锈蚀应在规范允许范围内;3)扣件应进行复试且技术性能符合规范要求。
5 通道1)架体应设置供人员上下的专用通道;2)专用通道的设置应符合规范要求。
2.1满堂脚手架2.1.1 满堂脚手架检查评定应符合现行行业标准《建筑施工扣件式钢管脚手架安全技术规范》JGJ130、《建筑施工门式钢管脚手架安全技术规范》JGJ128、《建筑施工碗扣式钢管脚手架安全技术规范》JGJ166 和《建筑施工承插型盘扣式钢管支架安全技术规范》JGJ231 的规定。
2.1.2 满堂脚手架检查评定保证项目应包括:施工方案、架体基础、架体稳定、杆件锁件、脚手板、交底与验收。
一般项目应包括:架体防护、构配件材质、荷载、通道。
2.1.3 满堂脚手架保证项目的检查评定应符合下列规定:1 施工方案1)架体搭设应编制专项施工方案,结构设计应进行计算;2)专项施工方案应按规定进行审核、审批。
2 架体基础1)架体基础应按方案要求平整、夯实,并应采取排水措施;2)架体底部应按规范要求设置垫板和底座,垫板规格应符合规范要求;3)架体扫地杆设置应符合规范要求。
3 架体稳定1)架体四周与中部应按规范要求设置竖向剪刀撑或专用斜杆;2)架体应按规范要求设置水平剪刀撑或水平斜杆;3)当架体高宽比大于规范规定时应按规范要求与建筑结构拉结或采取增加架体宽度、设置钢丝绳张拉固定等稳定措施。
4 杆件锁件1)架体立杆件间距,水平杆步距应符合设计和规范要求;2)杆件的接长应符合规范要求;3)架体搭设应牢固,杆件节点应按规范要求进行紧固。
5 脚手板1)作业层脚手板应满铺,铺稳、铺牢;2)脚手板的材质、规格应符合规范要求;3)挂扣式钢脚手板的挂扣应完全挂扣在水平杆上,挂钩处应处于锁住状态。
6 交底与验收1)架体搭设前应进行安全技术交底,并应有文字记录;2)架体分段搭设、分段使用时,应进行分段验收;3)搭设完毕应办理验收手续,验收应有量化内容并经责任人签字确认。
2.1.4满堂脚手架一般项目的检查评定应符合下列规定:1 架体防护1)作业层应按规范要求设置防护栏杆;2)作业层外侧应设置高度不小于180mm 的挡脚板;3)作业层脚手板下应采用安全平网兜底,以下每隔10m 应采用安全平网封闭。
2构配件材质1)架体构配件的规格、型号、材质应符合规范要求;2)杆件的弯曲、变形和锈蚀应在规范允许范围内。
3 荷载1)架体上的施工荷载应符合设计和规范要求;2)施工均布荷载、集中荷载应在设计允许范围内。
4 通道1)架体应设置供人员上下的专用通道;2)专用通道的设置应符合规范要求。
3.1悬挑式脚手架3.1.1 悬挑式脚手架检查评定应符合现行行业标准《建筑施工扣件式钢管脚手架安全技术规范》JGJ130、《建筑施工门式钢管脚手架安全技术规范》JGJ128、《建筑施工碗扣式钢管脚手架安全技术规范》JGJ166 和《建筑施工承插型盘扣式钢管支架安全技术规范》JGJ231 的规定。
3.1.2 悬挑式脚手架检查评定保证项目应包括:施工方案、悬挑钢梁、架体稳定、脚手板、荷载、交底与验收。
一般项目应包括:杆件间距、架体防护、层间防护、构配件材质。
3.1.3 悬挑式脚手架保证项目的检查评定应符合下列规定:1 施工方案1)架体搭设应编制专项施工方案,结构设计应进行计算;2)架体搭设超过规范允许高度,专项施工方案应按规定组织专家论证;3)专项施工方案应按规定进行审核、审批。
2 悬挑钢梁1)钢梁截面尺寸应经设计计算确定,且截面型式应符合设计和规范要求;2)钢梁锚固端长度不应小于悬挑长度的1.25 倍;3)钢梁锚固处结构强度、锚固措施应符合设计和规范要求;4)钢梁外端应设置钢丝绳或钢拉杆与上层建筑结构拉结;5)钢梁间距应按悬挑架体立杆纵距设置。
3 架体稳定1)立杆底部应与钢梁连接柱固定;2)承插式立杆接长应采用螺栓或销钉固定;3)纵横向扫地杆的设置应符合规范要求;4)剪刀撑应沿悬挑架体高度连续设置,角度应为45°~60°;5)架体应按规定设置横向斜撑;6)架体应采用刚性连墙件与建筑结构拉结,设置的位置、数量应符合设计和规范要求。
4 脚手板1)脚手板材质、规格应符合规范要求;2)脚手板铺设应严密、牢固,探出横向水平杆长度不应大于150mm。
5 荷载架体上施工荷载应均匀,并不应超过设计和规范要求。
6 交底与验收1)架体搭设前应进行安全技术交底,并应有文字记录;2)架体分段搭设、分段使用时,应进行分段验收;3)搭设完毕应办理验收手续,验收应有量化内容并经责任人签字确认。
3.1.4 悬挑式脚手架一般项目的检查评定应符合下列规定:1 杆件间距1)立杆纵、横向间距、纵向水平杆步距应符合设计和规范要求;2)作业层应按脚手板铺设的需要增加横向水平杆。
2 架体防护1)作业层应按规范要求设置防护栏杆;2)作业层外侧应设置高度不小于180mm 的挡脚板;3)架体外侧应采用密目式安全网封闭,网间连接应严密。
3 层间防护1)架体作业层脚手板下应采用安全平网兜底,以下每隔10m 应采用安全平网封闭;2)作业层里排架体与建筑物之间应采用脚手板或安全平网封闭;3)架体底层沿建筑结构边缘在悬挑钢梁与悬挑钢梁之间应采取措施封闭;4)架体底层应进行封闭。
4 构配件材质1)型钢、钢管、构配件规格材质应符合规范要求;2)型钢、钢管弯曲、变形、锈蚀应在规范允许范围内。
4.1高处作业吊篮4.1.1 高处作业吊篮检查评定应符合现行行业标准《建筑施工工具式脚手架安全技术规范》JGJ202 的规定。
4.1.2 高处作业吊篮检查评定保证项目应包括:施工方案、安全装置、悬挂机构、钢丝绳、安装作业、升降作业。
一般项目应包括:交底与验收、安全防护、吊篮稳定、荷载。
4.1.3 高处作业吊篮保证项目的检查评定应符合下列规定:1 施工方案1)吊篮安装作业应编制专项施工方案,吊篮支架支撑处的结构承载力应经过验算;2)专项施工方案应按规定进行审核、审批。
2 安全装置1)吊篮应安装防坠安全锁,并应灵敏有效;2)防坠安全锁不应超过标定期限;3)吊篮应设置为作业人员挂设安全带专用的安全绳和安全锁扣,安全绳应固定在建筑物可靠位置上,不得与吊篮上的任何部位连接;4)吊篮应安装上限位装置,并应保证限位装置灵敏可靠。