管道气体检查记录表
- 格式:xls
- 大小:10.00 KB
- 文档页数:1
管道系统吹扫与清洗检查记录Pipe system flushing and cleaning inspection record年year 月month 日day工程编号:Project No.: 工程名称:常熟美克尼扩建项目工艺Project name:设备安装分项工程名称/编号:水性车间Sub-item name/No. :管线号pipeline SN材质material工作介质workingmedium吹洗flushing化学清洗(脱脂)chemical cleaning(degrease) 压力pressure(MPa)介质medium流速Flowvelocity(m/s)鉴定identify介质medium方法method鉴定identify25A(空气) 镀锌钢管空气1.0 空气20 合格80A(冷却水)回镀锌钢管空气0.6 空气20 合格65A(冷却水)进镀锌钢管空气0.6 空气20 合格1.2S (纯水) SUS304 空气0.6 空气20 合格1.2S(物料)SUS304 空气0.6 空气20 合格管线复位(含垫片、盲板等)检查:管道内用压缩空气反复吹扫后,用白布检测,经5min内吹扫,白布上无铁锈、尘土、水分及其它杂物。
检验结果:合格。
管线复位为合格技术负责人:Technical in-charge: 质量检查员:Quality inspector:试验人员:Tested by:监理单位:年月日Supervision:Date上海和安工业设备安装有限公司Shanghai He An Industrial Equipment Installation Co., LtdPipe system flushing and cleaning inspection record年year 月month 日day工程编号:Project No.: 工程名称:常熟美克尼扩建项目工艺Project name:设备安装分项工程名称/编号:油性车间Sub-item name/No. :管线号pipeline SN材质material工作介质workingmedium吹洗flushing化学清洗(脱脂)chemical cleaning(degrease) 压力pressure(MPa)介质medium流速Flowvelocity(m/s)鉴定identify介质medium方法method鉴定identify25A(空气) 镀锌钢管空气1.0 空气20 合格50A(冷却水)回镀锌钢管空气0.6 空气20 合格50A(冷却水)进镀锌钢管空气0.6 空气20 合格1.2S (纯水) SUS304 空气0.6 空气20 合格1.2S(物料)SUS304 空气0.6 空气20 合格管线复位(含垫片、盲板等)检查:管道内用压缩空气反复吹扫后,用白布检测,经5min内吹扫,白布上无铁锈、尘土、水分及其它杂物。
可燃气体安全排查记录表可燃气体安全排查记录表序号:_______________________ 日期:_______________________单位:_______________________ 负责人:_______________________项目名称:_____________________________________________________1. 直接泄漏排查:- 检查燃气设备和管道是否存在明显泄漏情况;- 检查燃气设备和管道是否有损坏或松动;- 检查燃气设备和管道是否有未密封的接口;- 检查周边环境是否存在可燃气体的异味。
2. 隐患排查:- 检查燃气设备和管道是否存在积尘、杂物等;- 检查燃气设备和管道是否存在破损或老化现象;- 检查燃气设备和管道是否存在渗漏情况;- 检查燃气设备和管道的安装是否符合规范。
3. 燃气设备安全排查:- 检查燃气设备是否正常运行;- 检查燃气设备的防火性能是否符合要求;- 检查燃气设备的控制设备是否正常;- 检查燃气设备的通风与烟气排放是否畅通。
4. 管道安全排查:- 检查燃气管道的连接是否牢固;- 检查燃气管道的绝缘层是否完好;- 检查燃气管道的支撑设施是否稳定;- 检查燃气管道的防腐蚀措施是否到位。
5. 紧急应急准备:- 检查燃气设备和管道周围是否设置灭火器等灭火装置;- 检查燃气设备和管道周围是否设有紧急停车开关和紧急报警装置。
6. 监控检查:- 检查燃气设备和管道是否安装了监控设备;- 检查监控设备的运行是否正常;- 检查监控设备的数据是否准确。
7. 培训和教育:- 检查燃气设备和管道相关人员是否接受过正规的培训和教育;- 检查燃气设备和管道相关人员是否熟知应急处理措施;- 检查燃气设备和管道相关人员是否熟知排查和维修的基本要求。
备注:_______________________________________________________结果汇总:- 发现问题:_____________________________________________- 整改措施:_____________________________________________- 整改日期:_____________________________________________- 责任人:______________________________________________- 复查日期:_____________________________________________- 复查结果:_____________________________________________- 备注:________________________________________________ 确认人:_______________________ 日期:_______________________。
建设单位(公章)安装单位(公章)
建设单位(公章)安装单位(公章)
建设单位(公章)安装单位(公章)
建设单位(公章)安装单位(公章)
建设单位(公章)安装单位(公章)
建设单位(公章)安装单位(公章)
建设单位(公章)安装单位(公章)
建设单位(公章)安装单位(公章)
压力管道吹扫记录
建设单位(公章)安装单位(公章)
建设单位(公章)安装单位(公章)
建设单位(公章)安装单位(公章)
建设单位(公章)安装单位(公章)
建设单位(公章)安装单位(公章)
建设单位(公章)安装单位(公章)
建设单位(公章)安装单位(公章)
压力管道吹扫记录
建设单位(公章)安装单位(公章)
压力管道吹扫记录
建设单位(公章)安装单位(公章)
压力管道吹扫记录
建设单位(公章)安装单位(公章)
压力管道吹扫记录
建设单位(公章)安装单位(公章)
建设单位(公章)安装单位(公章)
建设单位(公章)安装单位(公章)
建设单位(公章)安装单位(公章)
建设单位(公章)安装单位(公章)
建设单位(公章)安装单位(公章)
建设单位(公章)安装单位(公章)。
天然气安全检查记录表
安全检查日期:[填写日期]
检查人员:[填写检查人员姓名]
检查对象:[填写被检查对象名称]
检查项目及结果
1. 天然气管道安全性检查
- 检查天然气管道是否有泄漏现象:[是/否]
- 检查天然气管道是否有破损、腐蚀等问题:[是/否]
2. 室内天然气设备安全性检查
- 检查炉具、灶具等是否正常点火:[是/否]
- 检查炉具、灶具等是否存在漏气现象:[是/否]
- 检查炉具、灶具等是否存在异味现象:[是/否]
3. 燃气阀门和控制装置安全性检查
- 检查燃气阀门是否密封良好:[是/否]
- 检查燃气控制装置是否运行正常:[是/否]
4. 安全警报装置安全性检查
- 检查燃气泄漏报警器是否正常工作:[是/否]
- 检查烟雾报警器是否正常工作:[是/否]
安全隐患及处理情况
1. 天然气管道安全隐患及处理情况:[填写具体情况]
2. 室内天然气设备安全隐患及处理情况:[填写具体情况]
3. 燃气阀门和控制装置安全隐患及处理情况:[填写具体情况]
4. 安全警报装置安全隐患及处理情况:[填写具体情况]
检查结论
根据本次天然气安全检查情况,总结如下:
- 本次检查发现了安全隐患:[是/否]
- 处理措施:[填写具体处理措施]
- 下次检查建议:[填写建议]
注:本检查记录表应妥善保存,下次检查时可作为参考。
燃气站安全检查记录表燃气站安全检查记录表序号:_______ 日期:_______检查人:_______ 天气:_______检查项目:1. 储气罐检查:- 气体压力是否正常。
- 储气罐周围环境是否清洁,是否有杂物堆积。
- 储气罐底部是否有渗漏现象,是否有破损或变形。
- 储气罐管道是否有异味散发。
2. 气瓶检查:- 气体压力是否正常。
- 气瓶是否有划痕、破损等缺陷。
- 气瓶是否存放在指定的固定位置,是否有支撑物。
- 瓶阀是否正常关闭,是否有泄露。
3. 管道检查:- 管道是否有生锈、裂缝等损坏情况。
- 管道连接是否紧密,是否有泄露现象。
- 管道是否有破损,是否需要修复或更换。
4. 自动报警器系统检查:- 报警器是否正常运行。
- 报警器是否能够及时发出警报。
- 报警器是否能够自动与公安局联络。
5. 应急设施检查:- 消防器材是否完好。
- 疏散通道是否畅通。
- 紧急切断气源的开关是否可靠。
6. 工作人员培训情况:- 工作人员是否接受过必要的安全培训。
- 工作人员是否熟悉紧急情况的处理流程。
- 工作人员是否具备正确使用消防器材的知识和技能。
检查结果:1. 储气罐检查:(√表示正常,×表示异常)- 储气罐气体压力:_______- 储气罐周围环境:_______- 储气罐底部情况:_______- 储气罐管道异味:_______2. 气瓶检查:(√表示正常,×表示异常)- 气瓶气体压力:_______- 气瓶外观情况:_______- 气瓶存放位置:_______- 瓶阀情况:_______3. 管道检查:(√表示正常,×表示异常)- 管道损坏情况:_______- 管道连接情况:_______- 管道破损情况:_______4. 自动报警器系统检查:(√表示正常,×表示异常)- 报警器运行情况:_______- 报警器警报情况:_______- 报警器联络情况:_______5. 应急设施检查:(√表示正常,×表示异常)- 消防器材情况:_______- 疏散通道情况:_______- 切断气源开关情况:_______6. 工作人员培训情况:(√表示正常,×表示异常)- 安全培训情况:_______- 应急处理流程熟悉情况:_______- 消防器材使用知识和技能:_______备注:___________________________检查人签名:___________ 被检查单位负责人签名:___________。
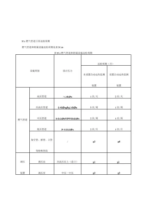
N.1燃气管道日常巡检周期
燃气管道和附属设施巡检周期见表N.1o
N.2燃气管道日常检查记录表格
N.2.1燃气管道巡检记录燃气管道巡检记录见表N.2。
N.2.2燃气管道开挖点检查记录燃气管道开挖点检查记录见表NJo
N.2.4燃气管道泄漏检测和泄漏修复记录燃气管道泄漏检测和修复记录见表N.5o
N.2.5燃气管道附属设施机械配件故隙记录附属设施机械配件故障记录见表N.6o
N.2.8安全阀检查记录
安全阀检查记录见表N.9a,阀门检查记录见表N.9b0
表N∙9b阀门检查记录
N.2.10阴极保护检查记录阴极保护检查记录见表N.11。
燃气安全检查表一、燃气管道检查1.检查管道是否有明显的破损或老化现象。
2.确认管道连接处无松动、泄漏现象。
3.检查管道支撑和固定装置是否完好。
4.确认管道标识清晰,易于辨识。
二、燃气灶具安全1.检查灶具是否有熄火保护装置,且功能正常。
2.确认灶具燃烧器无堵塞,燃烧正常。
3.检查灶具开关是否灵活,无泄漏现象。
4.确认灶具安装符合规范,无违规改造。
三、报警装置功能1.测试报警装置的声光报警功能是否正常。
2.检查报警装置的电源及备用电源是否正常。
3.确认报警阈值设置合理,符合安全要求。
4.检查报警装置的维护和保养记录。
四、紧急切断阀状态1.检查紧急切断阀是否处于正常工作状态。
2.测试紧急切断阀的响应时间,确保迅速动作。
3.确认紧急切断阀的电源及控制线路正常。
4.检查紧急切断阀的标识和操作说明。
五、压力容器检验1.确认压力容器有定期检验合格证书。
2.检查压力容器安全附件(如安全阀、压力表等)是否完好。
3.确认压力容器操作规程符合相关规定。
4.检查压力容器维修保养记录。
六、存储场所通风1.检查燃气存储场所是否具备良好的通风条件。
2.确认排风口无堵塞,通风顺畅。
3.检查场所内是否存在可燃气体泄漏的风险。
4.确保场所内无违规存放易燃易爆物品。
七、安全管理制度1.检查企业是否有完善的安全管理制度和操作规程。
2.确认相关人员熟知并执行安全管理制度和操作规程。
3.检查安全培训和演练记录是否完备。
燃气经营安全检查记录表燃气经营安全检查记录表检查人:检查日期:被检单位:检查地点:一、基础设施安全检查1. 燃气管道安装是否符合相关规定和标准?2. 管道阀门是否完好并设置在合适的位置?3. 管道连接是否紧固可靠,无泄漏现象?4. 管道是否有腐蚀、破损、变形等现象?5. 管道周围是否有明火和易燃物品?二、燃气设备安全检查1. 燃气燃烧设备是否有合法合规的安装许可证?2. 燃烧设备是否在使用期限内,是否经过定期检修和维护?3. 燃烧设备是否处于正常工作状态,是否有异常的声音、震动等现象?4. 燃烧设备是否有泄漏气体的情况?5. 燃烧设备周围是否设置合适的防护措施,防止意外触碰?三、燃气安全管理检查1. 检查单位是否有切实有效的燃气安全管理制度?2. 是否有专职人员负责燃气安全管理工作?3. 是否有安全培训和教育计划,并有相应的培训记录?4. 是否有安全告知牌和安全标识,并摆放在明显位置?5. 是否有规范管理燃气事故报告和处理流程?四、应急救援演练检查1. 是否定期进行燃气应急救援演练?2. 救援演练是否按照预设的情景进行,实际操作是否到位?3. 是否及时进行演练总结和经验总结,并针对不足进行整改?总结:根据以上检查情况,被检单位在燃气经营安全方面存在以下问题:1. 管道安装不符合规定,存在泄漏的风险。
2. 燃气燃烧设备使用过程中存在异常的声音和震动。
3. 燃气安全管理制度不完善,缺乏专职负责的人员。
4. 缺乏定期进行燃气应急救援演练的措施。
建议被检单位立即采取以下措施进行整改:1. 对燃气管道进行合格的安装和检修,确保管道安全可靠。
2. 对燃气燃烧设备进行定期维护和检修,确保设备处于正常状态。
3. 建立健全燃气安全管理制度,配备专职的安全管理人员。
4. 定期组织燃气应急救援演练,提高应急处置能力。
整改期限:整改责任人:复查日期:复查人:。