负弯矩张拉计算书
- 格式:doc
- 大小:60.00 KB
- 文档页数:5
G109线倒淌河至大水桥改线工程DD-SG4合同段桥面负弯矩张拉计算书编制:内部审核:内部审批:中交一公局第五工程有限公司G109倒淌河至大水桥改线工程DDSG4标项目部二○一七年三月桥面负弯矩张拉计算书一、工程简介我项目箱梁跨径为20米,与路线斜交角为0°。
预应力采用GB/T5224-2003标准生产的低松弛高强度钢绞线,单根钢绞线公称直径为φs15.20mm,单根钢绞线面积A=140mm2,钢绞线强度等级f pk=1860MP a,弹性模量Ep =1.95×105MP a。
接头混凝土强度达到设计强度的85%且龄期不小于七天之后,方可张拉负弯矩预应力钢束,钢束采用两端张拉,并采用逐根对称张拉(特殊情况进行单端张拉)。
钢绞线每端工作长度为300mm,锚下控制应力为0.75f pk,张拉顺序为T3→T1→T2。
预应力管道采用塑料波纹管。
为保证施工符合设计要求,采用油表读数和钢绞线实测伸长量双控。
二、张拉顺序千斤顶标定→钢绞线下料→编束穿孔→张拉至10%→张拉至20%→张拉至100%→持荷5分钟→锚固。
三、负弯矩张拉计算1.张拉力计算负弯矩钢绞线采用φs15.2mm高强度低松弛钢绞线,抗拉强度标准值为f pk=1860Mpa,单根钢绞线截面面积为A=140mm2,。
计算可得:张拉控制应力为σcon=0.75f pk= 0.75 * 1860Mpa = 1395Mpa单根张拉控制力P=σcon *A = 1395Mpa * 140mm2,= 195.3KN2.油表读数计算1)张拉过程各阶段张拉力负弯矩张拉顺序为T3→T1→T2。
每根钢绞线张拉程序为0 → 0.1 P→ 0.2 P→P(持荷5min)→锚固。
(1) 10% 张拉力:0.1 P =0.1*195.3 KN =19.53 KN(2) 20% 张拉力:0.2 P =0.2*195.3 KN = 39.06 KN(3) 100% 张拉力:P = 195.3KN2)各阶段对应油表读数①千斤顶编号:903,压力表编号:15.9.468线性回归方程:D= -0.1601+0.2231P,计算可得下表回油至10% 张拉力P(KN)10% P=19.53 20% P=39.06 100% P=195.3P=19.53 压力表读数4.2 8.6 43.4 4.2D(MPa)②千斤顶编号:1504061,压力表编号:15.9.339线性回归方程:D= -0.3815+0.2251P,计算可得下表回油至10% 张拉力P(KN)10% P=19.53 20% P=39.06 100% P=195.3P=19.53 压力表读数4.0 8.4 43.6 4.0D(MPa)3.理论伸长量复核设计图纸中已经对钢绞线伸长量明确给出,我项目对其进行了复核,过程如下:1)预应力钢束平均张拉力计算Pp =P×【1-e- (kx+μθ)】/ kx+μθPp 平均张拉力(N)P 预应力张拉端的张拉力(N),根据上文所算P取195300N。
负弯矩张拉计算书桥面负弯矩张拉预应力钢筋采用抗张强度标准值f pk =1860MPa 。
公称直径为15.2mm 低松弛高强度钢绞线,张拉采用两端对称张拉。
张拉千斤顶采用150吨千斤顶。
张拉设备均通过检测,标定为合格。
墩顶连续段处负弯矩钢束均为5束,锚下控制应力为f pk =0.75×1860=1395 MPa 。
施加预应力应采用张拉力与伸长量双控。
当预应力钢束张拉达到设计张拉力时,实际伸长量与理论伸长量值得误差控制在±6%。
张拉行程为:10%N →20%N →100%N 。
实际伸长量l =100%l -10%l +(20%l -10%l )。
偏差x=设计设计—实际l l l ×100%。
X 值控制在±6%。
各行程油压表控制读书计算如下:单根钢绞线公称面积A=140mm 2。
则单根拉力F=σ·A=1395×140=195.3kN 。
5束钢绞线拉力为976.5kN 。
当千斤顶编号为3024,油表编号263111E 时,标定方程:P=0.031554F -0.465217P 10%=0.031554(976.5×10%)-0.465217=2.62MpaP 20%=0.031554(976.5×20%)-0.465217=5.70MpaP 100%=0.031554×976.5-0.465217=30.35Mpa当千斤顶编号为3024,油表编号261011E 时,标定方程:P=0.031463F -0.263043P 10%=0.031463×(976.5×10%)-0.263043=2.81MpaP 20%=0.031463×(976.5×20%)-0.263043=5.88MpaP 100%=0.031463×(976.5×100%)-0.263043=30.46Mpa当千斤顶编号为3021,油表编号YE0445844时,标定方程:P=0.031865F-0.395652P10%=0.031865×(976.5×10%)-0.395652=3.51MpaP20%=0.031865×(976.5×20%)-0.395652=6.62MpaP100%=0.031865×(976.5×100%)-0.395652=31.51Mpa 当千斤顶编号为3021,油表编号2118112F时,标定方程:P=0.031400F-0.026087P10%=0.031400×(976.5×10%)-0.026087=3.04MpaP20%=0.031400×(976.5×20%)-0.026087=6.11MpaP100%=0.031400×(976.5×100%)-0.026087=30.64Mpa。
XX至XX高速公路XX合同段XX大桥T梁负弯矩张拉计算书编制:复核:审核:XX第四公路工程局有限公司XX至XX高速公路XX标合同段项目领导部XX大桥T梁负弯矩张拉计算书一、张拉施工方案我标段K9+875XX大桥设计为40米T梁,上部采用2联(4×40m)+(4×40m)预应力砼T梁,先简支后结构持续。
T梁负弯矩钢绞线采用高强度低松弛钢绞线,f pk=1860Mpa,公称直径d=,公称面积Ay=140mm2,弹性模量Ey=×105Mpa。
锚具采用BM15-5型、BM15-4型系列锚具及其配件,预应力管道采用高密度聚乙烯波纹管。
所有锚具及钢绞线按材料查验批量抽检,严禁利用不合格材料。
所有材料要有厂方提供的质量说明书和出厂时刻。
钢绞线要避免生锈和影响水泥粘结的油污。
钢绞线下料采用砂轮切割机按加工长度下料。
墩顶持续段钢筋绑扎结束后,由专人对波纹管进行检查,如有孔眼须用胶布缠好,严禁进浆。
预应力张拉前先对墩顶持续段砼同条件养护砼试件进行试压,达到设计强度90%以上且养护龄期不小于10天方可张拉,钢束张拉时应两头对称、均匀张拉,张拉前先对张拉千斤顶进行校核。
张拉顺序为:100% N3→100% N2→100%N1,张拉程序:0-10%óck-20%óck-ócon(持荷2分钟锚固)--ócon(锚固)。
张拉时实行双控,理论伸长量与实际伸长量相差应控制在±6%之间,不然应分析原因或从头张拉。
张拉完割除钢绞线头,及时压浆。
张拉时做好施工记录。
二、理论伸长值计算1、 理论伸长量计算钢绞线采用 单根截面面积140mm 2标准强度Ryb=1860MPa 弹性模量Ey=×105MPa管道摩擦系数μ= 管道误差系数K=锚下控制应力δ=×Ryb=1860×=1395MPa每股控制张拉力1395×140=195300N4股钢绞线控制张拉力N=195300×4=781200N=5股钢绞线控制张拉力N=195300×5=976500N= 计算公式:()()01kx kx L y y y y Pe PL e L A E A E kL μθμθμθ-+-+⎡⎤-∆==⎢⎥+⎣⎦⎰ 其中式中: P ·········钢绞线张拉力L ∆·········预应力钢绞线的计算伸长量 L ·········预应力钢绞线的长度y E ·········预应力钢绞线的弹性模量y A ·········钢绞线的截面积 简化计算式:y yPL L A E ∆= P ·········钢绞线平均张拉力,()1kx P e P kL μθμθ-+⎡⎤-⎣⎦=+L ∆·········预应力钢绞线的计算伸长量 L ·········预应力钢绞线的长度yE ·········预应力钢绞线的弹性模量 y A ·········钢绞线的截面积△L=Σ(P P L/AyEg)按照上叙公式和规范要求,整理出我标段40mT梁负弯矩理论伸长量结果如表所示:三、张拉数据表我部于9月底进场YCW250B预应力用液压千斤顶两台,已通过广西预应力机具产品质量监督查验中心查验,按照其查验报告,千斤顶回归方程:一、(1)、预应力用液压千斤顶编号:1(2)、压力表编号为(3)、线形回归方程:F= 相关系数为:r=二、(1)、预应力用液压千斤顶编号:12336(2)、压力表编号为(3)、线形回归方程:F= 相关系数为:r=F ——控制张拉应力(KN)P ——油表读数(MP)按照上叙回归方程,整理张拉数据见表。
20米箱梁顶板负弯矩拉计算方案一、基础数据本标段20米箱梁顶板负弯矩预应力钢束有:片和丁2各2束、T3为1束,设计锚下拉控制应力:o=1860MPx75%=1395MP。
按设计要求conaa接头砼强度达到设计强度的95%后方可拉,并采用两端对称拉,拉程序为:0初应力(持荷3min)o(持荷5min)锚固,拉顺序con为T、T、T。
123二、预应力钢束拉力计算1、经咨询设计单位,因设计图中拉控制应力已经考虑了预应力损失,故拉力按公式:F=oxAxn进行计算,如下:ncon箱梁顶板片钢束锚下拉力:F=oxAxn=1395MPxl40mm2x4根=781200N=781.2KN1cona其中:A为每根预应力钢绞线的截面积;n为同时拉的预应力钢绞线的根数;F为钢绞线锚下拉力。
其余钢束拉力计算同Tj各钢束拉力如下表:三、压力表读数计算本桥采用100吨千斤顶进行拉,经校验:编号为1#千斤顶对应的压力表编号为11.3.390,11.3.389,校准方程分别为F=0・0506P—0.1434,F=0.0524P-1.1491。
故箱梁顶板片钢束采用1#千斤顶拉时的压力表度数分别为:1)压力表编号为11.3.390:F=0.0506P-0.1434二0.0506x781.2-0.1434二39.4MP1a2)压力表编号为11.3.389:F=0.0524P-1.1491=0.0524x781.2-1.1491=39.8MP2a编号为2#千斤顶对应的压力表编号为11.3.403,11.3.416,校准方程分别为F=0.0522P-1.2867,F=0.0524P-0.6763。
编号为3#千斤顶对应的压力表编号为11.3.404,11.3.417,校准方程分别为F=0.0510P-0.5306,F=0.0524P-1.1838。
编号为4#千斤顶对应的压力表编号为11.3.405,11.3.397,校准方程分别为F=0.0521P-1.6370,F=0.0519P-0.2977。
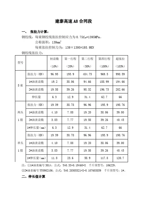
建泰高速A8合同段一、张拉力计算:钢绞线:每束钢绞线张拉控制应力为0.75f pk=1395MPa。
公称面积:139mm2每束张拉控制力为:139×1395=193.9KN钢绞线张拉力:型号初读数(10%)第一行程(20%)第二行程(50%)第四行程(100%)超张拉(103%)5束张拉力(KN)96.95 193.9 484.75 969.5 998.59 1#油表读数19.2 38.06 94.66 188.99 194.66 2#油表读数19.58 39.26 98.32 196.75 202.66 伸长量 6.3 12.9 31.4 62.7 66两头1股张拉力(KN)19.39 38.78 96.96 193.9 198.76 1#油表读数 4.10 7.88 19.20 38.06 39.00 2#油表读数 3.83 7.77 19.58 39.26 40.45 1#伸长量(mm) 6.3 12.9 31.4 62.7 66单头1股张拉力(KN)19.39 38.78 96.96 193.9 198.76 1#油表读数 4.10 7.88 19.20 38.06 39.00 2#油表读数 3.83 7.77 19.58 39.26 40.45 1#伸长量(mm)11.8 23.6 58.9 117.8 120.7注:①1#油表编号3014,公式:Y=0.33+0.19460*X 千斤顶型号:106229。
②2#油表编号YY0902106,公式:Y=0.20305321*X-0.107603859 千斤顶型号:1#。
二、伸长值计算Pp=P[1-e-(μθ+kx)]/(kx+μθ)Pp——预应力筋平均张拉力(N)P——预应力筋张拉端的张拉力。
μ——预应力钢筋与管道壁的摩擦系数。
预埋金属螺旋管道μ=0.25θ——从张拉端至计算截面曲线管道部分切线的夹角之和(rad) 。
k——管道每米局部偏差对摩擦的影响系数。
30m箱梁负弯矩预应力张拉计算书1、张拉技术参数(1).设计张拉技术参数及要求本大桥30m箱梁负弯矩张拉采用Φj15.24mm钢铰线,标准强度R y b =1860MPa,标准截面积A=140mm2,钢绞线弹性模量E p=1.95×105Mpa,张拉控制应力为σk =1395 MPa (0.75R y b)。
待接头现浇砼强度达到设计强度的95%时方可张拉预应力钢束。
该负弯矩张拉采用两端同时张拉的方式进行。
张拉顺序为T1、T2。
预应力张拉程序按《公路桥涵施工技术规范》(JTJ041-2000)第12.10.3条规定,后张拉预应力钢绞线张拉程序为:0→初应力(持荷3min,量测引伸量δ1)→100%σk(持荷3min,量测引伸量δ2) →回油→量测引伸量δ3。
初应力一般取0.1~0.15σk,初应力阶段的目的是为使预应力束每根钢绞线受力相同,同时也是预应力束延伸量测的需要。
(2).实际采用钢绞线张拉技术参数张拉实际采用钢绞线具体力学性能如下:标准强度:R y b=1860MPa,实测截面积:A=140mm2,(检定机构未检测,以标准截面积为准)弹性模量:E p=1.975×105Mpa,(钢绞线抽样检测平均值)张拉控制应力:σk =1395 MPa (0.75R y b)。
2、预应力束理论伸长值的计算(1)根据《公路桥涵施工技术规范》第12.8.3-3条的规定,预应力束的理论伸长值为:△L=P p L/A p E p (式1)式中:L—预应力钢绞线长度(m)。
A p—预应力钢绞线的公称面积(mm2)。
E p—预应力钢绞线的弹性模量(Mpa)。
P p—预应力钢绞线的平均张拉力(KN)。
(2)预应力钢绞线平均张拉力的计算按《规范》(JTJ041-2000)附录规定:预应力钢绞线的平均张拉力为P p=P(1-e-(kx+µθ))/(kx+µθ)。
(式2)式中:P P——预应力筋平均张拉力(KN);P——预应力筋张拉端的张拉力(KN);x——从张拉端至计算截面的孔道长度(m);θ——从张拉端至计算截面曲线孔道部分切线的夹角之和(rad);k——孔道每米局部偏差对摩擦的影响系数,参见附表G-8;μ——预应力筋与孔道壁的摩擦系数,参见附表G-8。
25m箱梁负弯矩张拉计算书张拉计算书项目名称:蚌淮高速凤阳延伸段路基02标施工单位:安徽省公路桥梁工程有限公司监理单位:安徽省公路工程建设监理有限公司日期:二0一四年四月25m箱梁负弯矩张拉计算书一、计算依据:1.宁洛高速公路来安至明光段延伸段(一期工程)《两阶段施工图设计》第二分册2.《公路桥涵设计通用规范》JTG D60——20043.《公路桥涵施工技术规范》JTJ041——20114.《公路钢筋砼及预应力砼桥涵设计规范》JTG D62—2004二、施工要点:1、材料规格以设计图纸中标明为准,预应力钢筋采用∮j15.24钢绞线,Ⅱ级松驰;公称直径:D=15.24mm标准抗拉强度:R y b=1860MPa弹性模量:E g=1.95×105MPa公称截面积:A y=140mm22、张拉锚下控制力:P=0.75nR y b A y式中:P-锚下张拉控制力n-钢绞线根数3、采用油压表读数和伸长值控制双控张拉,实际伸长值与理论伸长值应控制在±6%以内。
4、砼强度达到设计强度85%后才能进行张拉。
5、钢束采用双端对称张拉。
三、主梁张拉千斤顶使用回归曲线:1、千斤顶编号1#;油压表编号YE1201290#,根据校对好的荷载值及压力值进行线性回归得使用曲线方程: Y=0.211010+0.336157X 千斤顶荷载值 (KN) Y 压力表值 (Mpa)四、张拉设置五、弯矩计算表1、千斤顶编号1#; 油压表编号YE1201290#,回归方程:Y=0.211010+0.336157X2、千斤顶编号2#; 油压表编号YE0801458#,回归方程:Y=0.220692X-0.031749六、主筋预应力控制计算:N=0.75R y b×140(mm2) =0.75×1860×140 =195300N七、钢绞线理论伸长值计算:△L=(P×L)/(Ay×Eg)P—平均张拉控制应力(N) L—钢绞线有效张拉长度(M)Ay—钢绞线截面面积(mm2) Eg—钢绞线弹性模量(MPa)θθu kx e P Pp u kx +-=+-)1()(Pp:预应力筋平均张拉力(N ) P :预应力筋张拉端的张拉力(N ) X :从张拉端至计算截面的孔道长度(m )θ:从张拉端至计算截面曲线孔道部分切线的夹角之和(rad ) k :孔道每延米局部偏差对摩擦的影响系数 u :预应力筋与孔道壁的摩擦系数① k=0.0015 ② u=0.16 ③ θ值计算:θ1= 6.669*PI()/180= 0.1164(rad ) θ2= 5.187*PI()/180=0.0905(rad )八、钢绞线理论伸长量计算: (见下页)。
20米箱梁负弯矩张拉计算书20米箱梁负弯矩张拉计算书一、工程概况1、概况(1) 低松驰高强度预应力钢绞线应符合GB/T5224-2003的规定。
单根钢绞线直径φ,钢绞线面积A=139mm2,钢绞线标准抗拉强度f PK=1860Mpa,弹性模量E P=×105Mpa。
钢绞线为天津冶金集团中兴盛达钢业有限公司生产,计算伸长值时取E P=×105 Mpa。
(2))张拉锚具采用开封市齐力预应力有限公司生产的BM15-5、BM15-4锚具。
(3)张拉机具采用开封市大方预应力有限公司生产的YDC270型千斤顶2台,所用设备均已进行标定,每台千斤顶对应压力表编号分别为:(4)压浆机具采用开封大方预应力有限责任公司生产的HB-3型灰浆泵(工作压力:Mpa)。
3、主要技术参数(1)箱梁湿接头采用C50砼浇筑,砼强度达到设计强度的85%后,且混凝土龄期不小于7天时,方可进行负弯矩张拉。
(2)钢绞线张拉锚下控制应力为即δK==1860×=1395 Mpa。
(3)预应力管道成型采用铁波纹管,孔道每米局部偏差对摩擦的影响系数K=,预应力筋与孔道壁之间的摩擦系数μ=,(参数为设计中给出)。
(4)张拉采用应力值和伸长值双控,以钢绞线伸长量进行校核。
钢绞线实际伸长值与理论伸长值的偏差控制在±6%以内。
(5)钢绞线下料时,两端均考虑15cm的工作长度。
(6)压浆前将锚具用水泥膏密封,水泥凝固后方可进行压浆作业。
二、箱梁负弯矩张拉计算钢绞线采用两端张拉,且应在横桥向对称均匀张拉。
张拉顺序为台T3;T1、T2号钢束,张拉过程中控制10%、20%、100%的应力。
由于钢绞线为低松驰高强度钢绞线,故不进行超张拉。
锚下控制应为δK ==1860×=1302 MpaT3钢绞线工作长度13m ,T1,T2工作长度6m 。
伸长量计算: P=180978(N ) 理论伸长值: △ L3=Pp E A L p ⋅⨯=51095.113913180978⨯⨯⨯==87mm△L1=△L2=Pp E A L p ⋅⨯=51095.11396180978⨯⨯⨯==40mm 四、负弯矩张拉力与压力表读数。
G109线倒淌河至大水桥改线工程DD-SG4合同段桥面负弯矩张拉计算书编制:内部审核:____________内部审批:____________中交一公局第五工程有限公司G109倒淌河至大水桥改线工程 DDSG标项目部二O—七年三月桥面负弯矩张拉计算书一、工程简介我项目箱梁跨径为 20 米,与路线斜交角为 0°。
预应力采用 GB/T5224-2003 标准生产的低松弛高强度钢绞线,单根钢绞线公称直径为0 s15.20mm,单根钢绞线面积 A=140mi T?钢绞线强度等级 f pk=1860MP,5弹性模量Ep =1.95 X 10MP。
接头混凝土强度达到设计强度的85%且龄期不小于七天之后,方可张拉负弯矩预应力钢束,钢束采用两端张拉,并采用逐根对称张拉(特殊情况进行单端张拉)。
钢绞线每端工作长度为300mm锚下控制应力为0.75f pk,张拉顺序为T3~T1~T2。
预应力管道采用塑料波纹管。
为保证施工符合设计要求,采用油表读数和钢绞线实测伸长量双控。
二、张拉顺序千斤顶标定T钢绞线下料T编束穿孔T张拉至10%^张拉至20%^张拉至100%^持荷5分钟T锚固。
三、负弯矩张拉计算1. 张拉力计算负弯矩钢绞线采用0 s15.2mm高强度低松弛钢绞线,抗拉强度标准值为f pk=1860Mpa,单根钢绞线截面面积为 A=140mm2,。
计算可得:张拉控制应力为d con=0.75f pk= 0.75 * 1860Mpa = 1395Mpad con *A = 1395Mpa * 140mm 2,= 195.3KN2, 单根张拉控制力P=2. 油表读数计算1 )张拉过程各阶段张拉力负弯矩张拉顺序为T3TT1T T2。
每根钢绞线张拉程序为0 T 0.1 宀0.2 PT P (持荷5min)T锚固。
(1) 10% 张拉力: 0.1 P =0.1*195.3 KN =19.53 KN(2) 20% 张拉力: 0.2 P =0.2*195.3 KN = 39.06 KN(3) 100% 张拉力: P = 195.3KN2 )各阶段对应油表读数① 千斤顶编号: 903,压力表编号: 15.9.468线性回归方程:D= -0.1601+0.2231P,计算可得下表② 千斤顶编号:1504061,压力表编号:15.9.339线性回归方程:D= -0.3815+0.2251P,计算可得下表3. 理论伸长量复核设计图纸中已经对钢绞线伸长量明确给出,我项目对其进行了复核,过程如下:1)预应力钢束平均张拉力计算Pp =P x[ 1-e- (kx+B ;】/ kx+ 卩0Pp 平均张拉力(NP 预应力张拉端的张拉力(N),根据上文所算P取195300N。
30m 预制箱梁顶板负弯矩钢绞线伸长量计算书一、张拉值计算( 30m箱梁负弯矩计算)(一)预应力张拉值计算1、张拉吨位计算:预应力钢绞线公称强度为1860Mpa。
则每根钢绞线的张拉控制应力:δk=1860×0.75=1395Mpa,其中:0.75为张拉控制系数每根钢铰线张拉力: F=1395×140=195.3KN2其中: 140 为每根钢绞线截面积(mm)2、张拉程序顶板负弯矩预应力束采用单根两端同时对称张拉,张拉程序为:010%δk20%δkδk持荷2分钟δ(k锚固)钢束张拉顺序为T3、T1、T2,两端对称张拉 .压力表值计算我部预应力钢束张拉用千斤顶和油压表已检测(资料见附件):(1)1#千斤顶配10.3.285#油压表,回归方程F=4.540342P+0.9692383(2)2#千斤顶配10.3.161#油压表,回归方程F=25.03695P+9.127962式中 F 为力值,以 KN计; P 为压力表示值,以Mpa计。
T1、T2、T3 预应力钢束张拉时压力表示值计算单根张拉压力表示值计算表压力表读数( Mpa)张拉力( KN)1-10.3.285 2-10.3.1610 0 019.53 (10%δk) 4.09 1.8739.06 (20%δk)8.39 4.21195.3 (δk)42.74 22.91(三)预应力钢绞线伸长量计算方法2已知:钢绞线横截面积Ay=140mm,弹性模量为Ey=1.99×105Mpa(模量为品质证书检验报告平均数据)预应力钢绞线张拉理论伸长量计算公式:△L=PL/AyEy△L: 预应力钢绞线张拉理论伸长量 (mm)L:预应力钢绞线的长度 (mm)2 2Ay:预应力钢绞线的截面积(mm) ,140 mm2 5Ey:预应力钢绞线的弹性模量(N/ mm,即 Mpa), 1.99 ×10 Mpa P:预应力钢绞线的平均张拉力( N),直线筋取张拉端的拉力,两端张拉的曲线筋,按如下公式计算:P=P[1-e -(kx+uθ) ]/ (kx+μθ )P: 预应力钢绞线张拉端的拉力(N)X:从张拉端至计算截面的孔道长度(m)θ:从张拉端至计算截面曲线孔道部分切线的夹角之和(rad )K:孔道每米局部偏差对摩擦的影响系数μ:预应力钢绞线与孔道壁的摩擦系数系数 K 及μ值表孔道成型方式Kμ值钢绞线预埋金属螺旋管道0.0015 0.25四、 T1、T2、 T3 钢束理论伸长量计算1、 T3 钢束从 0~100%δk 阶段理论伸长量:T3 钢束为直线预应力筋,长度为15m,两端张拉取 x=7.5m。
负弯矩张拉计算书 WTD standardization office【WTD 5AB- WTDK 08- WTD 2C】G109线倒淌河至大水桥改线工程DD-SG4合同段桥面负弯矩张拉计算书编制:内部审核:内部审批:中交一公局第五工程有限公司G109倒淌河至大水桥改线工程DDSG4标项目部二○一七年三月桥面负弯矩张拉计算书一、工程简介我项目箱梁跨径为20米,与路线斜交角为0°。
预应力采用GB/T5224-2003标准生产的低松弛高强度钢绞线,单根钢绞线公称直径为φ,单根钢绞线面积A=140mm2,钢绞线强度等级f pk=1860MP a,弹性模量Ep =×105MP a。
接头混凝土强度达到设计强度的85%且龄期不小于七天之后,方可张拉负弯矩预应力钢束,钢束采用两端张拉,并采用逐根对称张拉(特殊情况进行单端张拉)。
钢绞线每端工作长度为300mm,锚下控制应力为,张拉顺序为T3→T1→T2。
预应力管道采用塑料波纹管。
为保证施工符合设计要求,采用油表读数和钢绞线实测伸长量双控。
二、张拉顺序千斤顶标定→钢绞线下料→编束穿孔→张拉至10%→张拉至20%→张拉至100%→持荷5分钟→锚固。
三、负弯矩张拉计算1.张拉力计算负弯矩钢绞线采用φ高强度低松弛钢绞线,抗拉强度标准值为f pk=1860Mpa,单根钢绞线截面面积为A=140mm2,。
计算可得:张拉控制应力为σcon== * 1860Mpa = 1395Mpa单根张拉控制力P=σcon *A = 1395Mpa * 140mm2,=2.油表读数计算 1)张拉过程各阶段张拉力负弯矩张拉顺序为T3→T1→T2。
每根钢绞线张拉程序为0 → P → P →P (持荷5min )→锚固。
(1) 10% 张拉力: P =* KN = KN (2) 20% 张拉力: P =* KN = KN (3) 100% 张拉力:P = 2)各阶段对应油表读数① 千斤顶编号:903,压力表编号: 线性回归方程:D= +,计算可得下表 ② 千斤顶编号:1504061,压力表编号: 线性回归方程:D= +,计算可得下表 3.理论伸长量复核 设计图纸中已经对钢绞线伸长量明确给出,我项目对其进行了复核,过程如下: 1)预应力钢束平均张拉力计算Pp =P ×【1-e- (kx+μθ)】/ kx+μθ Pp 平均张拉力(N )P 预应力张拉端的张拉力(N),根据上文所算P 取195300N 。
临合十三标20米箱梁负弯矩张拉计算书一、说明:1、钢绞线公称直径为15.24mm,公称面积为140mm2;2、弹性模量为1.98×105Mpa,标准强度为f pk =1860Mpa;3、张拉程序为:0→初应力(10%σk)→20%σk→100%σk→103%σk→σcom(持荷2~5min锚固),σcom为张拉时的锚固应力,一般取1.03%σk(σk为张拉控制应力);4 、接头梁混凝土达到设计强度的95%时,方可张拉预应力钢束,张拉采用双控,张拉顺序为T1、T2、T3号钢束,锚下控制应力为σk =0.75f pk。
5 、伸长量计算:因孔道呈对称形,取对称中心的一半部分计算其平均张力P。
对称中心一半部分为2段:直线段、曲线段。
6 、张拉应力σk =0.75f pk =0.75×1860=1395Mpa7、张拉端的张拉应力:σk =0.75f pk×140×n (KN)8、Ap=140×n (n为钢绞线股数)9、预应力筋的弹性模量:Ep=195000(N/ mm2)10、管道偏差系数:K=0.0015 1/m11、管道摩檫系数:μ=0.2312、从张拉端至截面曲线孔道部分切线的夹角为之和:θ(rad)θ(rad)=A×л/180θ=2.86÷180×π=0.0499(θ1、θ2、θ3)13、钢绞线的理论伸长量计算公式:ΔL= P p L/(ApEp)式中:P p——预应力筋的平均张拉力(N)L ——预应力筋的长度(mm)Ap——预应力筋的截面面积(mm2)E p——预应力筋的弹性模量(N/ mm2)14、直线段的平均张力为:P p1= P p15、曲线段的平均张力:P p2= P [1-e-(kx+μθ)]/(kx+μθ)式中:P——预应力筋张拉端的张拉力(N)X——曲线段预应力筋长度 (m)θ——从张拉端到计算截面曲线孔道部分切线的夹角之和(rad) K——孔道每米局部偏差对摩擦的影响系数,经查后,本施工取值为0.0015;μ――预应力筋与孔道壁的摩擦系数,本施工取值为0.23单束钢绞线两端对称张拉张拉控制应力1束: F控=σ×A=1395×140×1×103=195.3KN2束: F控=σ×A=1395×140×2×103=390.6KN3束: F控=σ×A=1395×140×3×103=585.9KN4束: F控=σ×A=1395×140×4×103=781.2KN5束: F控=σ×A=1395×140×5×103=976.5KN分段计算钢绞线的伸长量二、计算过程钢绞线T1(4 束)理论伸长值为:ΔL =24.9mm钢绞线T2(4束)理论伸长值为:ΔL =46.2mm钢绞线T3(5束)理论伸长值为:ΔL =46.2mm三、计算结果四、实际伸长量计算方法1、预应力钢束张拉必须以张拉力为主,伸长量校核的双控指标进行控制,伸长量波动范围为理论伸长量的±6%。
负弯矩张拉计算书负弯矩张拉计算书一、张拉力的计算负弯矩钢绞线采用φs15.2mm高强度低松弛钢绞线,抗拉强度标准值为f pk=1860Mpa,张拉控制应力为σcon=0.75f pk=1395Mpa,单股张拉控制力P=193.9KN。
则负弯矩预应力筋的张拉力为P4=P×4=193.9×4=775.6KN,负弯矩钢绞线截面面积为A=139×4=556 mm2,。
二、张拉顺序按照设计要求:预应力钢束应两端对称、均匀张拉,采用张拉力和引伸量双控。
负弯矩张拉程序:T1、T 2、T 3张拉程序为0 →0.1 P→0.2 P→P(持荷5min)→锚固。
或T1、T 2、T 3张拉程序为0 →0.1 P4→0.2 P4→P4(持荷5min)→锚固。
三、实际预应力张拉计算1.单股张拉控制力P=193.9KN,整束张拉控制力P4=775.6KN2.张拉程序T1、T 2、T 3张拉程序为0 →0.1 P→0.2 P→P(持荷5min)→锚固。
或T1、T 2、T 3张拉程序为0 →0.1 P4→0.2 P4→P4(持荷5min)→锚固。
3.单股张拉对应油表读数①千斤顶编号:303,压力表编号:1224线性回归方程:P=4.5238D-3.5375②千斤顶编号:304,压力表编号:1256线性回归方程:P=4.5060D-1.82144.整束张拉对应油表读数①千斤顶编号:301,压力表编号:1276线性回归方程:P=21.3155D+1.1071②千斤顶编号:302,压力表编号:1238线性回归方程:P=20.9742D+13.57145.实测伸长量的计算对称张拉,保康、宜昌端量测值分别用x、y表示:T1、T 2、T 3对应10%P、20%P、100%P为x10、y10;x20、y20;x100、y100。
实测伸长量ΔL实=(x100+y100)-(x10+y10)+(x20+y20)-(x10+y10)=(x100+y100)+(x20+y20)-2(x10+y10)复核:|ΔL实-ΔL设|≤±6%ΔL设6.设计伸长量(一端)T1设计伸长量:78/0.9=86.7mmT 2设计伸长量:53/0.9=58.9mmT 3设计伸长量:36/0.9=40.0mm四、负弯矩预应力施工要求1. 负弯矩预应力锚具采用M15-4,张拉采用无线张拉仪,管道压浆采用C50水泥浆。
负弯矩张拉计算书一、张拉力的计算负弯矩钢绞线采用φs15.2mm高强度低松弛钢绞线,抗拉强度标准值为f pk=1860Mpa,张拉控制应力为σcon=0.75f pk=1395Mpa,单股张拉控制力P=193.9KN。
则负弯矩预应力筋的张拉力为P4=P×4=193.9×4=775.6KN,负弯矩钢绞线截面面积为A=139×4=556 mm2,。
二、张拉顺序按照设计要求:预应力钢束应两端对称、均匀张拉,采用张拉力和引伸量双控。
负弯矩张拉程序:T1、T 2、T 3张拉程序为0 →0.1 P→0.2 P→P(持荷5min)→锚固。
或T1、T 2、T 3张拉程序为0 →0.1 P4→0.2 P4→P4(持荷5min)→锚固。
三、实际预应力张拉计算1.单股张拉控制力P=193.9KN,整束张拉控制力P4=775.6KN2.张拉程序T1、T 2、T 3张拉程序为0 →0.1 P→0.2 P→P(持荷5min)→锚固。
或T1、T 2、T 3张拉程序为0 →0.1 P4→0.2 P4→P4(持荷5min)→锚固。
3.单股张拉对应油表读数①千斤顶编号:303,压力表编号:1224线性回归方程:P=4.5238D-3.5375②千斤顶编号:304,压力表编号:1256线性回归方程:P=4.5060D-1.82144.整束张拉对应油表读数①千斤顶编号:301,压力表编号:1276线性回归方程:P=21.3155D+1.1071②千斤顶编号:302,压力表编号:1238线性回归方程:P=20.9742D+13.57145.实测伸长量的计算对称张拉,保康、宜昌端量测值分别用x、y表示:T1、T 2、T 3对应10%P、20%P、100%P为x10、y10;x20、y20;x100、y100。
实测伸长量ΔL实=(x100+y100)-(x10+y10)+(x20+y20)-(x10+y10)=(x100+y100)+(x20+y20)-2(x10+y10)复核:|ΔL实-ΔL设|≤±6%ΔL设6.设计伸长量(一端)T1设计伸长量:78/0.9=86.7mmT 2设计伸长量:53/0.9=58.9mmT 3设计伸长量:36/0.9=40.0mm四、负弯矩预应力施工要求1. 负弯矩预应力锚具采用M15-4,张拉采用无线张拉仪,管道压浆采用C50水泥浆。
25箱梁负弯矩伸长值计算书一、钢绞线及张拉机具性能指标1、钢绞线预应力钢绞线采用抗拉强度标准值f pk= 1860MPa ,公称直径d=15.2mm 的低松弛高强度钢绞线。
弹性模量E p=1.95*105(N/mm2);单根截面积A=140mm2。
2、锚具采用BM15-4 BM15-5型锚具;锚座厚度为50mm。
3、千斤顶采用QYC-270型千斤顶;最大张拉力1100KN;最大行程200mm。
二、张拉方法及张拉程序1、25m箱梁:张拉顺序为T2、T1号钢束,逐根对称单根张拉。
2、张拉程序0 初应力15%δcon 30%δcon 100%δcon(持荷3-5min)锚固三、张拉参数计算1、张拉力计算:已知:f pk=1860MPa,d=15.2cm,E p=1.95*105MPa,锚具变形、钢筋回缩取6mm(一端),0.75f pk=1395MPa。
求:单根钢绞线张拉力:(1Mpa=1N/mm2)P T1=PP T1=0.75f pk*A=1395Mpa×141mm2=196695N=196.695KNP T2=PP T2=0.75f pk*A=1395Mpa×141mm2=196695N=196.695KN理论伸长值计算:ΔL=P p*L/A p*E p计算。
1、ΔL T1=Pp T1*L T1/A*E p=196.695KN*7.4*103mm/141mm2*1.95*105N/mm2 ≈53mm2、ΔL T2=Pp T2*L T2/Ap*Ep=196.695KN*14.4*103mm/141mm2*1.95*105N/mm2 ≈103mm式中:ΔL—理论伸长值,mm;P p—预应力筋平均张拉力,KN;A p—预应力筋截面面积,mm2;A=141mm2E p—弹性模量,MPa;E p=1.95*105N/mm2μ—预应力筋与孔道的摩擦系数(0.17)K—孔道每米局部偏差对摩擦影响系数(0.0015)3、计算伸长值:L T1=△L T1+12mm=53mm+12mm=65mmL T2=△L T2+12mm=103mm+12mm=115mm。
目录一、编制依据 (2)二、张拉前的准备 (2)三、张拉方案 (3)1、施工工艺流程 (3)2、下料 (3)3、布管 (3)4、穿束 (3)5、安装锚垫板及夹片 (4)6、安装限位板、千斤顶、工具锚垫板、夹片 (4)7、负弯矩钢绞线张拉 (4)9、封锚 (5)四、相关张拉参数和计算公式 (5)1、张拉控控制力及对应油表数值 (6)2、伸长量计算: (6)六、安全措施 (10)七、张拉过程中易出现的问题及控制措施 (10)熊渡电站大桥负弯矩张拉计算书一、编制依据1、JTG/T F50—2011《公路桥涵施工技术规范》;2、宜都陆城至五峰渔洋关一级公路改建工程两阶段施工图设计第4合同段(K26+770~K28+700)第三册;3、宜都陆城至五峰渔洋关一级公路改建工程第4合同段《桥梁通用图》先简支后结构连续预应力混凝土T梁;二、张拉前的准备1、施工材料(1)预应力钢绞线采用φ15.2高强度低松弛钢绞线,抗拉强度标准值fpk=1860MPa,。
钢绞线出厂时附有质量证明书,并在每卷上挂有标牌,进场时进行检查:a、外观检查,其表面不得有裂纹、机械损伤、油渍等。
b、力学性能试验,从每批钢绞线中任抽取5%卷(不少于3卷)的钢绞线,各取一个试样进行拉伸试验。
如有一项试验结果不符合GB/T5224-95标准的要求,则该卷钢绞线为不合格品;并加倍取样复验。
如仍有一项不合格,则该批钢绞线判为不合格品或每卷检验,取用合格品。
c、钢绞线进场存放时应防止雨淋,钢绞线原包装都有防潮措施,如包装损坏而裸露,则应用塑料布盖好。
(2)预应力锚具出厂时附有质量证明书,使用前应进行外观及尺寸检查,并抽取进行硬度试验。
使用过程中应检查夹片有无裂纹及齿形有无异样,不合格品不得使用。
锚具应存放于干燥房间的包装箱内。
波纹管进场时,应进行外观检查,表面无油污、无孔洞及无折皱,咬口无开裂、无脱扣等才算合格;本项目采用金属波纹管,内径为5.5cm,波纹管要核实内径后,方可进场。
G109线倒淌河至大水桥改线工程
DD-SG4合同段
桥面负弯矩张拉计算书
编制:
内部审核:
内部审批:
中交一公局第五工程有限公司
G109倒淌河至大水桥改线工程DDSG4标项目部
二○一七年三月
桥面负弯矩张拉计算书
一、工程简介
我项目箱梁跨径为20米,与路线斜交角为0°。
预应力采用GB/T5224-2003标准生产的低松弛高强度钢绞线,单根钢绞线公称直径为φs15.20mm,单根钢绞线面积A=140mm2,钢绞线强度等级f pk=1860MP a,弹性模量Ep =1.95×105MP a。
接头混凝土强度达到设计强度的85%且龄期不小于七天之后,方可张拉负弯矩预应力钢束,钢束采用两端张拉,并采用逐根对称张拉(特殊情况进行单端张拉)。
钢绞线每端工作长度为300mm,锚下控制应力为0.75f pk,张拉顺序为T3→T1→T2。
预应力管道采用塑料波纹管。
为保证施工符合设计要求,采用油表读数和钢绞线实测伸长量双控。
二、张拉顺序
千斤顶标定→钢绞线下料→编束穿孔→张拉至10%→张拉至20%→张拉至100%→持荷5分钟→锚固。
三、负弯矩张拉计算
1.张拉力计算
负弯矩钢绞线采用φs15.2mm高强度低松弛钢绞线,抗拉强度标准值为f pk=1860Mpa,单根钢绞线截面面积为A=140mm2,。
计算可得:
张拉控制应力为σcon=0.75f pk= 0.75 * 1860Mpa = 1395Mpa
单根张拉控制力P=σcon *A = 1395Mpa * 140mm2,= 195.3KN
2.油表读数计算
1)张拉过程各阶段张拉力
负弯矩张拉顺序为T3→T1→T2。
每根钢绞线张拉程序为0 → 0.1 P→ 0.2 P→P(持荷5min)→锚固。
(1) 10% 张拉力:0.1 P =0.1*195.3 KN =19.53 KN
(2) 20% 张拉力:0.2 P =0.2*195.3 KN = 39.06 KN
(3) 100% 张拉力:P = 195.3KN
2)各阶段对应油表读数
①千斤顶编号:903,压力表编号:15.9.468
线性回归方程:D= -0.1601+0.2231P,计算可得下表
回油至10% 张拉力P(KN)10% P=19.53 20% P=39.06 100% P=195.3
P=19.53 压力表读数
4.2 8.6 43.4 4.2
D(MPa)
②千斤顶编号:1504061,压力表编号:15.9.339
线性回归方程:D= -0.3815+0.2251P,计算可得下表
回油至10% 张拉力P(KN)10% P=19.53 20% P=39.06 100% P=195.3
P=19.53 压力表读数
4.0 8.4 43.6 4.0
D(MPa)
3.理论伸长量复核
设计图纸中已经对钢绞线伸长量明确给出,我项目对其进行了复核,过程如下:
1)预应力钢束平均张拉力计算
Pp =P×【1-e- (kx+μθ)】/ kx+μθ
Pp 平均张拉力(N)
P 预应力张拉端的张拉力(N),根据上文所算P取195300N。
K 管道偏差系数,图纸给定0.0015
X 从张拉端到计算截面的孔道长度(m),桥面负弯矩管道为直线,可取整段管道长度。
μ管道摩擦系数,图纸给定0.14
θ从张拉端到计算截面曲线孔道部分切线的夹角之和(rad),桥面负弯矩孔道为直线,故θ取0°。
由箱梁顶板负弯矩钢束构造图可知,张拉T3时,X=13m,由公式(1)可算出Pp =193408 N; 张拉T2时,X=6m,由公式(1)可算出Pp =194424 N;张拉T1时,X=6m,由公式(1)可算出Pp =194424 N。
2) 预应力钢束张拉理论伸长量计算
ΔL=(PpL)/(ApEp)
ΔL 钢绞线理论伸长量(mm)
L 预应力筋有效长度(mm),桥面负弯矩预应力管道为直线,所以L等同于上式中的X,注意单位换算。
Ap 预应力筋的截面面积(mm2),我项目采用单根张拉,Ap取140mm2
Ep 预应力筋的弹性模量(N/mm2),图纸给定Ep =1.95×105MP a。
分别将张拉T3、T2、T1时的Pp值代入公式(2),对应可得理论伸长值
ΔL3=92.10mm,ΔL2=42.73mm,ΔL1=42.73mm。
3)计算出的理论伸长量与图纸设计伸长量对比结果如下图:
伸长量对比
结果表明设计图纸中伸长量无误。
4.实测伸长量的计算及控制
两端对称张拉,量测值分别用x、y表示:
对应张拉力为10%P、20%P、100%P时的量测值分别为x10、y10; x20、y20; x100、y100。
实测伸长量ΔL实=(x100+y100)-(x10+y10)+(x20+y20)-(x10+y10)
=(x100+y100)+(x20+y20)-2(x10+y10)
实测伸长量控制:|ΔL实-ΔL设|≤±6%ΔL设
四、注意事项
1.对张拉使用的钢绞线、锚具、锚垫板、夹片等材料严格检测,各项指标达质量标准方可使用。
2.中(端)横梁混凝土强度达到设计强度的85%,龄期超过7天方可张拉。
3.张拉时两侧严禁站人,并随时注意中横梁变化。
4.张拉时专人统一指挥,保证两端同时对称张拉。
5.张拉后静置12h,然后压浆、切割多余钢绞线。
Welcome 欢迎您的下载,资料仅供参考!。