(2020年整理)海德汉调试报告.pptx
- 格式:pptx
- 大小:1.19 MB
- 文档页数:23
机床调试报告
报告编号:XXX-001
报告日期:2021年8月10日
报告人:XXX
标准:
GB 18401-2010《国家纺织品基本安全技术规范》
GB 19056-2012《机械安全安全距离测量和评定》
1. 目的
本报告的目的是对机床进行调试,确保其满足GB 18401-2010《国家纺织品基本安全技术规范》和GB 19056-2012《机械安全安全距离测量和评定》的要求,保障工作人员的安全与健康。
2. 调试内容
2.1 机床运行状态测试
我们首先对机床的运行状态进行了测试,测试结果表明机床的
运行状态良好,能够正常运行。
2.2 安全距离测试
根据GB 19056-2012《机械安全安全距离测量和评定》的要求,我们对机床的安全距离进行了测试。
测试结果表明机床的安全距
离全部符合标准要求。
2.3 安全标示检查
我们对机床上的所有安全标示进行了检查,结果表明所有标示
完好无损、清晰可见。
3. 结论
机床经过本次调试,运行状态正常,符合GB 18401-2010《国家纺织品基本安全技术规范》和GB 19056-2012《机械安全安全距离测量和评定》的要求,能够满足纺织品制造的需要,工作人员操作时安全可靠。
4. 建议
为进一步保障工作人员的安全,我们建议每半年对机床进行一次检查和维护,确保其一直处于良好的运行状态。
报告人签名:
日期:2021年8月10日。
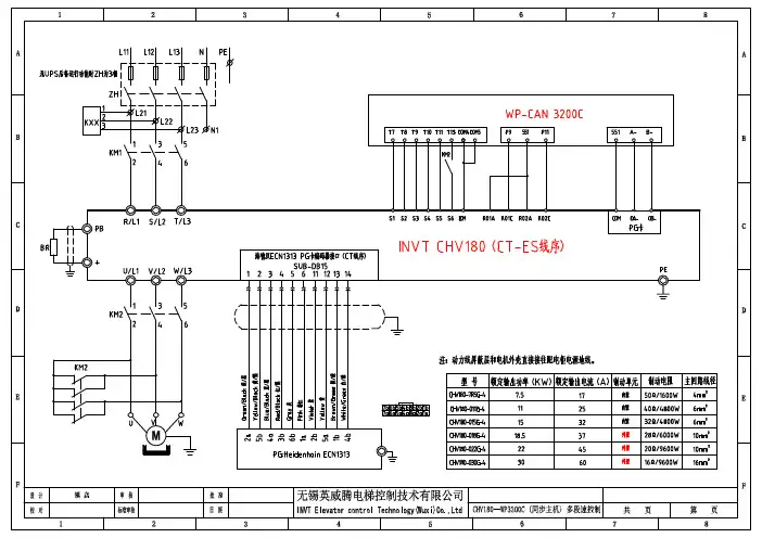
INVT ELEVATOR CONTROL TECHNOLOGY(WUXI)CO.,LTD CHV180变频器同步电机(海德汉ECN1313编码器)调试说明CHV180自学习需要设置的参数:功能码名称设定范围经验值P0.01运行指令通道0-2必须要设置为0,才能正常进行电机自学习P2.00电机类型选择0-11(同步电机)P2.01曳引机直径100-2000mm依据电机铭牌设置P2.02减速比 1.00-100.001(同步电机)P2.03曳引机悬挂比1-82(同步电机通常为2:1)P2.04电机额定功率0.4-900.00KW依据电机铭牌设置P2.05电机额定频率0.01Hz-P0.04依据电机铭牌设置P2.06电机额定转速1-3600依据电机铭牌设置P2.07电机额定电压0-460V依据电机铭牌设置P2.08电机额定电流0.1-1000.0A依据电机铭牌设置P4.00编码器类型选择0-23(海德汉ECN1313)P4.01编码器脉冲数1-655352048(同步电机)P4.02编码器方向0-10P5.07S6端子功能选择0-400同步电机静止自学习:1.设置以上参数完毕之后,将P0.08更改为2(静止参数自学习)。
按下“DATA/ENT”确认键后,人为吸合运行/输出接触器,再按下“RUN”运行键。
整个自学习过程大约持续0.5s。
2.记录下P4.03磁极初始位置参数,另外确保Pb.03(同步机静止辨识实际电流值)参数在80%-110%之间,若过大(超过110),则降低P4.10参数,若过小(低于80),则加大P4.10参数,再尝试重新进行电机自学习。
3.手动松闸使电机转动十几公分之后,再进行静止自学习,连续学习5次,如果每次学习的P4.03磁极位置偏差小于10度,则表明自学习正确;如果每次学习的磁极位置参数偏差都比较大,则可能是P4.02编码器方向设置错误,需要更改后,再重新做自学习。
自学习过程中报TE故障分析(同步电机):1.设置了使能信号,但自学习时没有和公共端短接。
1前言1.1TNC 426,TNC 430HEIDENHAIN TNC是一种面向生产车间的仿型控制器,使您能以一种便于使用的对话式编程语言,编制使机床准确加工运转的对话式程序。
TNC控制器可用于铣削、钻孔和镗削加工,也可用于加工中心。
TNC 426最多可控制五根轴;TNC 430最多可控制九根轴。
您也可在程序控制下改变主轴的角度位置。
一体化的硬盘能存储许多您所喜欢的程序,不论这些程序是脱机创建的还是数字化的。
为了能快速计算,随时随地都能在屏幕上调出袖珍计算器。
键盘和屏幕布局清晰合理,功能调用快捷,使用方便。
编程:HEIDENHAIN对话式和ISO格式HEIDENHAIN对话式编程是一种特别容易的程序写入方法,交互式的图形表示仿型编程的各个加工步骤。
如果某一张生产图纸没有标注NC适用的尺寸,HEIDENHAIN FK任意形状轮廓编程就会自动执行必要的计算。
工件的加工状况,无论是现在正在加工中还是在加工之前,都能用图形模拟显示。
在ISO编程格式或DNC模式中都由此功能。
当TNC在运行另一段程序时,您也可输入或测试一段程序。
兼容性TNC能执行所有写在TNC 150B及以后的HEIDENHAIN控制器上的零件程序。
21.2可视显示器和键盘可视显示器TNC显示器可使用CRT彩色显示器(BC120)或TFT液晶显示器(BF120)。
右上图为BC120的键盘和控制器,右中图为BF120的键盘和控制器。
屏幕端部当TNC接通电源时,屏幕端部显示选定的操作方式:左侧为加工方式,右侧为编程模式。
当前激活的模式显示在一个较大的方框中,在此方框中,同时也显示对话提示和TNC信息(如果没有,则仅显示图形)。
软键TNC底部一排软键表示辅助功能。
直接按下这些键,即可选用这些辅助功能。
紧接着软键行上面的行表示软键的编号,可以左右移动黑色光标调用。
被激话的软键行高亮显示。
软键选择键切换软键行设置屏幕布局用于转换加工和编程模式的移位键仅在BC120上的键屏幕退磁:为屏幕设置退出主菜单为屏幕设置选择主菜单:⏹在主菜单中:高亮显示部向下移动⏹在子菜单中:减小数值;图形向左或向下移动⏹在主菜单中:选择子菜单⏹在子菜单中:退出子菜单主菜单对话功能BRIGHTNESS 调节亮度CONTRAST 调节对比度H-POSITION 调节水平位置3主菜单对话功能V-POSITION 调节图形高度V-SIZE 调节图形高度SIDE-PIN 纠正桶型失真TRAPEZOID 纠正梯形失真ROTATION 纠正倾斜COLOR TEMP 调节色温R-GAIN 调节红色浓度B-GAIN 调节兰色浓度RECALL 无功能BC120对磁场和电噪声敏感,可能会使图形的位置和几何形状产生失真。
中文(cn )NC数控编程培训基本培训iTNC 530© 2004-2011年约翰内斯·海德汉博士公司版权所有所有文字,插图和图片,包括其组成部分全部受版权保护。
如果需要复制和打印这些材料,仅限个人使用,科学研究和非商业用途的参考且必须包括本版权声明。
约翰内斯·海德汉博士公司保留随时撤销此许可的权利。
未经约翰内斯·海德汉博士公司书面许可,任何文字,插图和图片不允许复制,存于服务器中,包括新闻组,在线服务,CD-ROM光盘中或用于印刷材料中。
非法复制及/或传播有版权的文字,插图或图片将受到刑事和民事诉讼。
1基本技能(文件管理/刀具表)2轮廓描述,直角坐标3轮廓描述,极坐标4钻孔,型腔、凸台和槽的循环5阵列点6SL循环7轮廓链8坐标变换9程序块重复与子程序编程10DXF转换工具(软件选装项),轮廓公式11其他方面12+Z+Z+Z基本轴旋转轴平行轴X A U Y B V ZCWX操作面板TE 420TE 530 B1用于输入文本和文件名,以及用于DIN/ISO 格式编程的字符键盘;双处理版还有Windows 操作键2文件管理器,计算器,MOD 功能和HELP (帮助)功能3编程模式4机床操作模式5启动编程对话6方向键和GOTO 跳转命令7数字输入和轴选择8鼠标触摸板:用于双处理器版和DXF 转换工具操作9smarT.NC 浏览键1243765184327659显示屏1系统软键2软键选择键3软键行切换键4设置屏幕布局5加工和编程模式切换键6预留给机床制造商的软键选择键7预留给机床制造商的软键行切换键13423675屏幕布局编程模式显示机床操作模式显示机床操作模式(后台)编程操作模式,对话,出错信息(前台)程序机床功能软键软键机床操作模式,对话,出错信息(前台)编程模式 (后台)程序或位置显示机床功能软键机床状态系统软键操作模式键操作模式功能编程⏹编程和修改程序(RS-232-C/ V.24数据接口)测试运行⏹无运动程序测试 / 有图形支持或无图形支持⏹几何尺寸是否相符⏹数据是否缺失手动⏹移动机床轴⏹显示轴坐标值⏹工件原点设置手轮⏹用电子手轮移动⏹工件原点设置用MDI模式定位⏹输入数控系统立即执行的定位语句或循环⏹将输入的程序段保存为程序程序运行-单段运行⏹逐程序段运行程序,每个程序段用Start(开始)键开始程序运行-全自动⏹按下START EXT(机床启动按钮)后程序连续运行smarT.NC⏹编程和修改程序⏹测试运行⏹程序运行,全自动/单程序段⏹编辑刀具表文件管理器视图选项340 49x-03版开始的NC数控软件,可切换文件管理器选项:⏹视图选项扩展1:与老视图形式相同⏹视图选项扩展2:新型用鼠标操作的文件管理器,类似于计算机的的资源管理器,例如调整窗口大小,文件排序功能等。
调试记录总结主要内容:机床基本参数的修改与设定刀库相关内容的设定机床伺服优化激光测试螺距补偿操作方法AC轴角度编码器的连接五轴补偿数据生效操作方法电脑连接系统进行数据备份与恢复一.机床基本参数的设定与修改1、修改参数按键输入参数号码然后按键即可以搜索到想要查询的参数例如:将MP7230.0改为15,按键退出保存参数,系统界面显示为中文界面。
2、基本参数设定从右边开始字符0-13代表轴1-14,对应某一位设置为“0”可以取消屏蔽某一轴。
MP 10 : %000000000000011111MP100轴名称的定义MP 100.0 : -------------CAZYX;Traverse range 1MP 100.1 : -------------CAZYX;Traverse range 2MP 100.2 : -------------CAZYX;Traverse range 3MP110位置编码器的接口。
如果半闭环该参数设为0,全闭环则在对应轴设定模块接口的编号MP 110.0 : 0MP 110.1 : 0MP 110.2 : 0MP 110.3 : 201 A轴圆光栅接口MP 110.4 : 202 C轴圆光栅接口MP112速度编码器的接口MP 112.0 : 15 ;A轴电机速度编码器接口;对应CC6106 模块X15接口MP 112.1 : 16 ;C轴电机速度编码器接口;对应CC6106 模块X16接口MP 112.2 : 17 ;X轴电机速度编码器接口;对应CC6106 模块X17接口MP 112.3 : 18 ;Y轴电机速度编码器接口;对应CC6106 模块X18接口MP 112.4 : 19 ;Z轴电机速度编码器接口;对应CC6106 模块X19接口MP 112.5 : 20 ;主轴电机速度编码器接口;对应CC6106 模块X20接口MP120PWM接口例SKW-1060A-5X机床:MP 120.0 : 53 ;X轴伺服模块X111与CC6106 模块PWM接口X53连接MP 120.1 : 54 ;Y轴伺服模块X112与CC6106 模块PWM接口X54连接MP 120.2 : 55 ;Z轴伺服模块X111与CC6106 模块PWM接口X55连接MP 120.3 : 51 ;A轴伺服模块X111与CC6106 模块PWM接口X51连接MP 120.4 : 52 ;C轴伺服模块X112与CC6106 模块PWM接口X52连接注:(1)根据参数MP100轴名称定义,MP 120.0 对应X轴MP 120.1 对应Y轴MP 120.2 对应Z轴MP 120.3 对应A轴MP 120.4 对应C轴(2)CC6106模块物理位置对应如下:X51—-X15---X201-X52—-X16---X202-X53—-X17---X203-X54—-X18---X204-X55—-X19---X205-X56—-X20---X206-(3)根据上述关系,配合出轴模块接口的物理、逻辑关系(4)根据伺服模块排列顺序与PWM电缆接插方便,首先定义PWM接口,然后对应出下列关系:X51—-X15---X201-----A轴X52—-X16---X202-----C轴X53—-X17---X203-----X轴X54—-X18---X204-----Y轴X55—-X19---X205-----Z轴X56—-X20---X206-----主轴电机每转的直线距离/旋转角度例:TOM1060 XYZ三轴传动比为1:1,丝杠螺距10mm,A、C轴传动比1:180的设定1054.0 101054.1101054.2101054.3 21054.4 2MP 331.0 : 10.00000 ;X轴为直线轴螺距10mm,MP 331.1 : 10.00000 ;Y轴为直线轴螺距10mm,MP 331.2 : 10.00000 ;Y轴为直线轴螺距10mm,MP 331.3 : 360.00000 ;A轴为旋转轴3600 ,MP 331.4 : 360.00000 ;C轴为旋转轴3600;MP332 Number of counting pulses in the distance from MP331;Input: 1 to 16 777 215MP 332.0 : 2048.00000 ;X轴减速比1:1,每螺距电机编码器脉冲数MP 332.1 : 2048.00000 ;Y轴减速比1:1, 每螺距电机编码器脉冲数MP 332.2 : 2048.00000 ;Z轴减速比1:1, 每螺距电机编码器脉冲数MP 332.3 : 3.0E+05 ;A轴减速比1:180,转台每圈电机编码器脉冲数MP 332.4 : 3.0E+05; ;C轴减速比1:180,转台每圈电机编码器脉冲数;MP1054 Linear distance of one motor revolution(电机一圈轴走的直线距离或度数)MP 1054.0 : 10MP 1054.1 : 10MP 1054.2 : 10MP 1054.3 : 2 ;A轴电机一圈走2度MP 1054.4 : 2 ;C轴电机一圈走2度MP910设定各轴正方向的软限位MP 910.0 – 910.4: XYZAC轴的正向软限位MP920负方向软限位MP 920.0—920.4 : XYZAC轴的负向软限位MP960机床零点的设定本机床XYZ轴伺服电机为绝对式编码器需要在参数MP1350参考点类型中进行设定,均设为5将轴移动到想要的机械零点位置,根据系统界面显示的机械位置数值,将此数值直接输入至该参数,设定后当前机械坐标变为03、定位和控制快速运动速度的设定MP 1010.0 : 15000 ;X轴MP 1010.1 : 15000 ;Y轴MP 1010.2 : 15000 ;Z轴MP 1010.3 : 1000 ;A轴MP 1010.4 : 1800 ;C轴手动进给速度的设定MP 1020.0 : 5000 ;X轴MP 1020.1 : 5000 ;Y轴MP 1020.2 : 5000 ;Z轴MP 1020.3 : 1000 ;A轴MP 1020.4 : 1800 ;C轴加速度和手动模式下最大允许加加速的设定MP1060 MP1087 根据机床运动的实际振动情况来调整设定MP 1060.0 : 2.5 MP1087.0: 1MP 1060.1 : 2.5 MP1087.1: 1MP 1060.2 : 0.8 MP1087.2: 0.5MP 1060.3 : 0.5 MP1087.3: 1MP 1060.4 : 2 MP1087.4: 1回参考点方向的设定MP 1320 : %0000000000000000001001(参数设定值0和1改变回零方向)回参考点时速度的设定[mm/min]MP 1330.0 : 10000MP 1330.1 : 10000MP 1330.2 : 10000MP 1330.3 : 1000MP 1330.4 : 1800回参考点顺序的设定MP1340.0:2MP1340.1:3MP1340.2: 1MP1340.3: 4MP1340.4: 5参考点类型的设定MP1350 根据海德汉调试手册规定绝对式编码器的该参数设定为5,增量式的设定为2MP 1350.0 : 5MP 1350.1 : 5MP 1350.2 : 5MP 1350.3 : 5MP 1350.4 : 5驱动模块型号的设定MP 2100.0 : HEIDENHAIN-UM121BD; XMP 2100.1 : HEIDENHAIN-UM121BD; YMP 2100.2 : HEIDENHAIN-UM122D; ZMP 2100.3 : HEIDENHAIN-UM121D; AMP 2100.4 : HEIDENHAIN-UM121D; C注:该参数中设定的型号可以通过硬件来自动引导完成。
角度编码器模块05/20212海德汉公司的MRP系列角度编码器模块由角度编码器和高精度轴承组成,并已调整至理想状态。
该模块启动扭矩极小,拥有高测量精度、高导向精度、极高分辨率、优异的重复精度和运动平滑性。
模块式的结构设计和整体进行测试,因此,这款角度编码器模块易于运输和安装。
以下信息••内置轴承角度编码器和••海德汉接口电子电路欢迎索取,或访问海德汉官网• 。
结构和应用SRP角度编码器模块还内置了力矩电机。
也就是在小巧紧凑的一个模块中集成了•电机、高精度轴承和超高精度编码器。
本样本是以前样本的替代版,所有以前版本均不再有效。
订购海德汉公司的产品仅以订购时有效的样本为准。
有关产品所遵循的标准(ISO,EN等)仅以样本中的标注为准。
目录45可重复的导向精度:轴承的决定性特性气浮轴承在空载时的绝对导向精度通常优于滚动轴承的导向精度。
然而,在许多应用中,重要的是轴承最高可重复的导向精度。
在此方面,海德汉角度编码器模块是替代气浮轴承转轴的理想选择。
这是因为海德汉滚动轴承拥有极高的重复精度,而且海德汉滚动轴承的刚性高于气浮轴承至少10倍。
因此,海德汉滚动轴承是受力轴应用的高精度解决方案。
此外,滚动轴承通常对冲击载荷不敏感,而且不需要可调节的压缩空气,因此工作更可靠和更易于使用。
应用领域适用于角度编码器模块的应用范围包括:中低转速运动和中等负载的高导向精度到超高导向精度和极高重复精度应用。
特别能满足计量应用的独特要求。
因此,典型应用包括:计量仪器、测量机的高精度回转工作台和电子工业的圆晶运送机。
角度编码器模块甚至也能用于小负载机床,例如电加工机床或激光加工机床。
晶片运送紧凑型摆动装置高精度回转工作台激光跟踪仪实用的解决方案海德汉角度编码器模块中的轴承可根据客户的特定要求适配。
按照要求相应和分别调整预紧量、润滑、接触角和材质。
更多信息,请与海德汉联系。
•测量精度和方位精度海德汉角度编码器模块整个组件的精度取决于内置角度编码器的测量精度和滚动轴承的导向精度。
一、前言机床是制造业的基础设备,其精度直接影响到产品的质量和生产效率。
为了提高自身对机床精度调试的实践能力,近期我参加了机床精度调试实训。
以下是实训过程中的心得体会及总结。
二、实训目的1. 理解机床精度的重要性及其对产品质量和生产效率的影响。
2. 掌握机床精度调试的基本原理和操作方法。
3. 学会使用相关检测工具,对机床进行精度检测和分析。
4. 提高实际操作技能,为今后从事相关工作奠定基础。
三、实训内容1. 机床精度基础知识首先,我们对机床精度基础知识进行了学习。
了解了机床精度的定义、分类、检测方法以及影响机床精度的因素等。
2. 机床精度检测在实训过程中,我们使用各种检测工具对机床的几何精度进行了检测。
具体包括:- 水平仪检测:使用水平仪检测机床床身、导轨等部件的水平度。
- 百分表检测:使用百分表检测机床的直线度、平行度等几何精度。
- 千分尺检测:使用千分尺检测机床的尺寸精度。
3. 机床精度分析根据检测结果,我们对机床的精度进行了分析。
分析了影响机床精度的因素,如机床结构、加工工艺、装配精度等。
4. 机床精度调整针对检测出的问题,我们进行了机床精度调整。
具体包括:- 床身调整:通过调整床身支撑、导轨等部件,使机床达到规定的水平度。
- 导轨调整:通过调整导轨间隙、导轨导向等,使机床的直线度、平行度等几何精度达到要求。
- 精度补偿:针对某些关键部件的误差,通过补偿方法提高机床的整体精度。
四、实训心得1. 理论联系实际:通过本次实训,我深刻体会到理论联系实际的重要性。
只有将所学知识运用到实际操作中,才能真正提高自己的实践能力。
2. 严谨细致:机床精度调试是一项细致严谨的工作,需要我们认真对待每一个环节。
任何一点疏忽都可能导致调试失败。
3. 团队协作:在实训过程中,我们互相学习、互相帮助,共同完成了各项任务。
团队协作精神在实训中得到了充分体现。
4. 创新意识:在调试过程中,我们积极思考,尝试采用新的方法解决问题,提高了调试效率。
1前言1.1TNC 426,TNC 430HEIDENHAIN TNC是一种面向生产车间的仿型控制器,使您能以一种便于使用的对话式编程语言,编制使机床准确加工运转的对话式程序。
TNC控制器可用于铣削、钻孔和镗削加工,也可用于加工中心。
TNC 426最多可控制五根轴;TNC 430最多可控制九根轴。
您也可在程序控制下改变主轴的角度位置。
一体化的硬盘能存储许多您所喜欢的程序,不论这些程序是脱机创建的还是数字化的。
为了能快速计算,随时随地都能在屏幕上调出袖珍计算器。
键盘和屏幕布局清晰合理,功能调用快捷,使用方便。
编程:HEIDENHAIN对话式和ISO格式HEIDENHAIN对话式编程是一种特别容易的程序写入方法,交互式的图形表示仿型编程的各个加工步骤。
如果某一张生产图纸没有标注NC适用的尺寸,HEIDENHAIN FK任意形状轮廓编程就会自动执行必要的计算。
工件的加工状况,无论是现在正在加工中还是在加工之前,都能用图形模拟显示。
在ISO编程格式或DNC模式中都由此功能。
当TNC在运行另一段程序时,您也可输入或测试一段程序。
兼容性TNC能执行所有写在TNC 150B及以后的HEIDENHAIN 控制器上的零件程序。
1.2可视显示器和键盘可视显示器TNC显示器可使用CRT彩色显示器(BC120)或TFT 液晶显示器(BF120)。
右上图为BC120的键盘和控制器,右中图为BF120的键盘和控制器。
屏幕端部当TNC接通电源时,屏幕端部显示选定的操作方式:左侧为加工方式,右侧为编程模式。
当前激活的模式显示在一个较大的方框中,在此方框中,同时也显示对话提示和TNC信息(如果没有,则仅显示图形)。
软键TNC底部一排软键表示辅助功能。
直接按下这些键,即可选用这些辅助功能。
紧接着软键行上面的行表示软键的编号,可以左右移动黑色光标调用。
被激话的软键行高亮显示。
软键选择键切换软键行设置屏幕布局用于转换加工和编程模式的移位键仅在BC120上的键屏幕退磁:为屏幕设置退出主菜单为屏幕设置选择主菜单:在主菜单中:高亮显示部向下移动在子菜单中:减小数值;图形向左或向下移动在主菜单中:选择子菜单在子菜单中:退出子菜单主菜单对话功能BRIGHTNESS调节亮度CONTRAST调节对比度H-POSITION调节水平位置主菜单对话功能V-POSITION 调节图形高度V-SIZE调节图形高度SIDE-PIN纠正桶型失真TRAPEZOID纠正梯形失真ROTATION纠正倾斜COLOR TEMP调节色温R-GAIN调节红色浓度B-GAIN调节兰色浓度RECALL无功能BC120对磁场和电噪声敏感,可能会使图形的位置和几何形状产生失真。
海德汉角度编码器安全操作及保养规程前言海德汉角度编码器是一种应用广泛的机械设备,常被用于工业自动化领域的位置测量、控制和定位。
为了确保海德汉角度编码器的正常使用,提高设备的运行效率和寿命,我们需要遵守以下安全操作和保养规程。
安全操作规程1、使用前检查在启动海德汉角度编码器前,需要进行以下检查:•检查设备电源是否正常运行。
•检查设备配线是否安装牢固。
•检查设备是否接地。
•检查设备是否处于正常工作状态。
2、正常操作在使用海德汉角度编码器时,需要遵循以下操作要求:•操作人员需具备相关岗位培训和操作经验。
•避免使用过程中碰撞、掉落和挤压等形式的损坏。
•不得擅自拆卸或更改设备。
•避免在设备正常运行中进行更改操作参数。
•操作完毕后关闭设备电源。
3、异常操作在出现以下情况时,需要采取有效措施恢复设备正常状态:•操作过程中出现故障或异常情况,需要及时停机检查。
•在使用设备过程中,发现异常温度或异常声音,需要及时关机检查。
•在机器运行中出现危险信号时,应当立即停机并进行检查。
4、设备维护为保证海德汉角度编码器正常运行和延长其寿命,我们需要定期对设备进行以下维护:•清洁设备,避免卡塞或积尘。
•检查设备配线,避免松动或短路。
•检查设备电源,保证电源供应极性正确。
•校准设备误差,保证测试结果的准确性。
•定期更换电池和其他易损件。
保养规程1、保养周期海德汉角度编码器是一种机械设备,需要定期保养,以确保设备正常运行和延长其使用寿命。
建议根据设备使用频次和使用环境,制定不同的保养周期。
2、保养流程为了确保保养效果,我们需要遵循以下保养流程:1.关闭设备电源,拔掉电源插头。
2.卸下设备的外壳,清洁设备内部。
3.用干净的细刷清洗设备内部配件和连接口。
4.对设备进行充电或更换电池,检查电池或电源连接是否正常。
5.检查设备的配线、接线端子是否牢固,松动部分需紧固。
6.检查设备的机械部分及传动部分,清除不正常的杂物和灰尘。
7.校准设备误差,保证测试结果的准确性。
海德汉编码器和海德汉光栅尺使用的各种参数海德汉海德汉编码器和海德汉光栅尺使用的各种参数10编程:Q参数10.1原理和概述你可以在一个零部件加工程序中编写同类零部件的程序,你只须输入称作Q参数的变量取代固定的数字值即可。
Q参数可以代表诸如以下的信息:□坐标值□进给率□RPM(重复数/分)□循环数据Q参数也可以帮助你编写通过数学功能定义的外形轮廓。
同时,你也可以使用Q参数根据逻辑状况执行机械加工步骤。
与FK编程连用,可以将无法NC-兼容的外形轮廓与Q参数结合。
Q参数由字母Q和0到299之间的一个数字命名。
其分组情况分为三类:含义范围普遍适用参数,适用于所有TNC内存记忆的程序Q0到Q99为特殊TNC功能设定的参数Q100到Q199主要用于循环的参数,适用于所有存储在TNC内存中的程序Q200到Q399编程说明在一个程序中可以混用Q参数和固定数字值。
Q参数可以被指定给-99.999,9999和+99 999.9999之间的数字值。
TNC可以计算十进制小数点前57位到小数点后7位的范围(32位数据的计算范围相当于十进制数值4 294 967 296)。
一些Q参数总是被TNC指定给同样的数据。
例如,Q108总是被指定给当前刀具半径,可参见368页的“预先指定Q参数”。
如果你在OEM循环中使用Q60至Q99之间的参数,须通过MP7251定义这些参数是否仅用于OEM循环,还是全部适用。
338调用Q参数功能在编写零部件加工程序时,按下“Q”键(位于数字值输入键盘,-/+键的下方)。
然后,TNC会显示以下软键盘:功能组软键盘基础算术(指定,加减乘除,平方根) BASICARITHM.三角函数功能TRIGO-NOME TRY计算循环功能CIRCLECALCU-LATION如果/则条件,转移JUMP其它功能DIVERSEFUNCTION直接输入公式FORMULA33910.2 同类零件-Q参数代替数字值Q参数功能FN0:ASSIGN指定数字值给Q参数。
中文(cn )NC数控编程培训基本培训iTNC 530© 2004-2011年约翰内斯·海德汉博士公司版权所有所有文字,插图和图片,包括其组成部分全部受版权保护。
如果需要复制和打印这些材料,仅限个人使用,科学研究和非商业用途的参考且必须包括本版权声明。
约翰内斯·海德汉博士公司保留随时撤销此许可的权利。
未经约翰内斯·海德汉博士公司书面许可,任何文字,插图和图片不允许复制,存于服务器中,包括新闻组,在线服务,CD-ROM光盘中或用于印刷材料中。
非法复制及/或传播有版权的文字,插图或图片将受到刑事和民事诉讼。
1基本技能(文件管理/刀具表)2轮廓描述,直角坐标3轮廓描述,极坐标4钻孔,型腔、凸台和槽的循环5阵列点6SL循环7轮廓链8坐标变换9程序块重复与子程序编程10DXF转换工具(软件选装项),轮廓公式11其他方面12+Z+Z+Z基本轴旋转轴平行轴X A U Y B V ZCWX操作面板TE 420TE 530 B1用于输入文本和文件名,以及用于DIN/ISO 格式编程的字符键盘;双处理版还有Windows 操作键2文件管理器,计算器,MOD 功能和HELP (帮助)功能3编程模式4机床操作模式5启动编程对话6方向键和GOTO 跳转命令7数字输入和轴选择8鼠标触摸板:用于双处理器版和DXF 转换工具操作9smarT.NC 浏览键1243765184327659显示屏1系统软键2软键选择键3软键行切换键4设置屏幕布局5加工和编程模式切换键6预留给机床制造商的软键选择键7预留给机床制造商的软键行切换键13423675屏幕布局编程模式显示机床操作模式显示机床操作模式(后台)编程操作模式,对话,出错信息(前台)程序机床功能软键软键机床操作模式,对话,出错信息(前台)编程模式 (后台)程序或位置显示机床功能软键机床状态系统软键操作模式键操作模式功能编程⏹编程和修改程序(RS-232-C/ V.24数据接口)测试运行⏹无运动程序测试 / 有图形支持或无图形支持⏹几何尺寸是否相符⏹数据是否缺失手动⏹移动机床轴⏹显示轴坐标值⏹工件原点设置手轮⏹用电子手轮移动⏹工件原点设置用MDI模式定位⏹输入数控系统立即执行的定位语句或循环⏹将输入的程序段保存为程序程序运行-单段运行⏹逐程序段运行程序,每个程序段用Start(开始)键开始程序运行-全自动⏹按下START EXT(机床启动按钮)后程序连续运行smarT.NC⏹编程和修改程序⏹测试运行⏹程序运行,全自动/单程序段⏹编辑刀具表文件管理器视图选项340 49x-03版开始的NC数控软件,可切换文件管理器选项:⏹视图选项扩展1:与老视图形式相同⏹视图选项扩展2:新型用鼠标操作的文件管理器,类似于计算机的的资源管理器,例如调整窗口大小,文件排序功能等。