班组长安全责任目标考核表张清明精编
- 格式:docx
- 大小:275.74 KB
- 文档页数:3
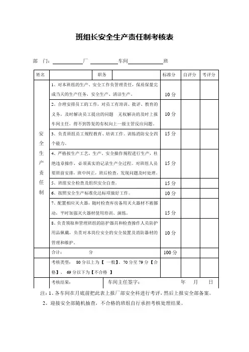
班组长安全生产责任制考核表
部 门: 厂 车间 班
注:1、各车间在月底前把此表上报厂部安全科进行考评,然后上报安全部备案。
2、迎接安全部随机抽查,不合格的班组自行承担考核处理结果。
姓名
职务
标准分
自评分
考评分
安 全 生 产 责 任 制
1、对本班组的生产、安全工作负管理责任,保质保量完成当天的生产任务,安全生产、清洁生产。
10分
2、合理安排员工的工作,对员工有培训、批评、教育的义务,及时解决员工提出的问题 无权解决的及时上报车间主任,得不到答复的有权向上一级主管反应问题。
10分
3、负责班组员工规程教育、培训工作。
训练消防安全四个能力。
15分
4、严格按生产工艺,生产、安全操作规程进行生产,杜绝违章操作,必须真实的记录生产全过程。
对班组人员要班前安排,班中纠正,班后检查,发现问题及时处理。
15分
5、班组安全检查及组织安全自查。
15分
6、按照安全生产标准化达标项做好工作。
10分 7、配置相应灭火器,随时检查库房备用灭火器材不被挪动,平时加强灭火器材使用培训、演练。
15分
8、负责领取和管理班组的防护器具和检查操作人员防护用品佩戴,负责对本岗位安全的安全装置及消防器材的管理和维护。
10分
合计: 分
100分
考核类型: 80分以上为 【 一般】、 70分至79分 【合格】、 69分以下为【不合格 】
考核结果: 车间主任签字: 年 月 日。
四格班组长安全责任目标考核表
班组长是企业生产安全的第一责任人,负责组织和管理本班组
的安全工作,对本班组的安全生产工作负有重要的责任。
为了更加
有效地管理和推进安全工作,需要对班组长的安全责任目标进行考核。
一、安全责任目标
班组长的安全责任目标包括以下方面:
1.安全意识:班组长应当具有高度的安全意识,了解安全工作
的重要性和必要性,能够在工作中时刻注意安全问题,并能够有效
地预防和处理安全事故。
2.危险源辨识:班组长应当具有辨识危险源的能力,能够分析、判断和评估本班组存在的危险源,并采取有效的措施控制和消除危
险源。
3.安全管理:班组长应当建立健全安全管理制度,制定和实施
安全操作规程,安排和组织安全教育和培训,加强对员工的安全监
督和管理,并定期对安全管理效果进行检查和评估。
4.应急响应:班组长应当制定应急预案,对员工进行应急知识
培训,掌握应急处置技能,能够在事故发生时及时进行应急响应和
救援,最大限度地减少事故损失。
二、考核内容
班组长安全责任目标考核的内容包括以下方面:
1。
班组长安全责任考核表
背景
为了加强对班组长在安全工作中的责任感和重视程度的管理和考核,制定了本《班组长安全责任考核表》。
一、考核内容
1. 安全教育培训情况:包括参与安全培训的次数和具体培训内容。
2. 安全生产情况:包括是否按照安全规定组织施工作业,是否及时发现和处理安全隐患。
3. 安全事故处理情况:包括是否按照流程及时报告和处理安全事故,是否积极参与事故调查和整改。
4. 安全责任落实情况:包括是否按照安全制度落实班组内安全责任和安全管理要求。
二、考核方式
1. 班组长自评:班组长根据考核内容自行评价,填写相应内容。
2. 上级评定:上级领导根据对班组长的观察和了解,评定考核
内容,填写相应评定结果。
三、考核结果与奖惩
1. 考核结果分为优秀、良好、合格和不合格四个等级,其中优
秀和良好为合格的基础上提高。
2. 优秀的班组长将获得表彰奖励,例如奖金、荣誉称号等。
3. 不合格的班组长将受到相应的惩罚和警告,在严重情况下甚
至会被调离岗位。
四、考核周期和记录
考核周期为每季度一次,具体时间由企业安全管理部门确定。
考核结果将被记录在班组长的个人档案中,作为对其安全责任
落实情况的参考依据。
五、总结
通过《班组长安全责任考核表》的制定和执行,可以加强班组长对安全工作的重视,并推动其履行安全责任,进而提升全员安全意识和安全管理水平。
如需了解更多内容,请联系企业安全管理部门。
*请注意,本文档为示范文档,具体内容和考核标准需根据企业实际情况进行调整和完善。
*。
班组长安全责任目标考核记录班组长是企业生产和管理中的重要角色,负责督促和管理小组成员的工作,保障生产过程的安全和顺利进行。
作为班组长,安全责任是其重要的职责之一、下面是一份班组长安全责任目标考核记录,以便全面评估班组长在安全管理方面的表现和工作成果。
班组长:XXX(姓名)工作部门:XXX(部门名称)考核周期:XXX(具体时间段)考核内容:班组长在安全责任目标方面的工作表现和工作成果。
考核依据:班组长的安全责任目标和具体工作执行情况。
考核指标:1.安全目标:班组长是否做好岗位安全目标的任务分解、传达和督促落实工作。
2.安全培训:班组长是否安排并组织班组成员参加相关安全培训,并做好培训效果评估工作。
3.应急预案:班组长是否熟悉并传达公司的应急预案,并组织班组成员进行相关演练。
4.安全检查:班组长是否定期进行安全检查,发现并整改存在的安全隐患。
5.事故处理:班组长在事故发生时是否能及时处理,做好伤员救治和相关报告的上报工作。
6.安全宣传:班组长是否积极参与安全宣传工作,提高员工的安全意识和知识水平。
考核结果:1.安全目标:优秀/良好/一般/不合格评价理由:2.安全培训:优秀/良好/一般/不合格评价理由:3.应急预案:优秀/良好/一般/不合格评价理由:4.安全检查:优秀/良好/一般/不合格评价理由:5.事故处理:优秀/良好/一般/不合格评价理由:6.安全宣传:优秀/良好/一般/不合格评价理由:自评:班组长综合评价自评理由:总结与建议:根据以上考核结果,班组长可综合评估自己在安全责任目标方面的工作表现。
同时,需要在总结与建议中指出存在的问题,并提出改进和进步的方向。
班组长还可以就考核结果与主管领导进行沟通和交流,寻求帮助和指导,不断提升自身在安全管理方面的能力和水平。
注意事项:1.考核记录应详实、客观,并对评价理由进行具体说明。
2.考核记录应及时填写和归档,以备参考和追溯。
以上是一份班组长安全责任目标考核记录,通过这样的记录和评估,可以更好地了解班组长在安全管理方面的工作成果和工作表现,并提供反馈和改进的方向。
班组长安全责任考核表背景为了确保工作场所的安全,提高班组长的安全意识和责任感,制定了本文档,用以考核班组长在安全方面的表现和成果。
考核内容1. 遵守安全规定与制度:班组长应严格遵守公司和工作场所的安全规定和制度。
这包括但不限于穿戴个人防护装备、正确使用工作设备和工具、合理安排工作流程、保证员工培训和指导等。
2. 安全事故预防和处理:班组长应积极参与安全事故的预防工作,包括制定安全操作规程、组织安全培训和演练,并且能够妥善应对突发事故,采取有效的措施进行应急处置,保障员工的生命安全和财产安全。
3. 安全检查和隐患整改:班组长应定期组织安全检查,发现并报告工作场所的安全隐患,并按照规定要求及时进行整改。
同时,确保安全隐患的整改能够得到及时有效的跟进。
4. 安全培训和教育:班组长应根据员工的不同岗位和工作内容,进行针对性的安全培训和教育。
他们应确保员工具备必要的安全知识和技能,提高他们的安全意识和能力。
5. 安全报表和记录:班组长应认真填写和提交各类安全报表和记录,包括但不限于日常巡检表、事故报告和整改情况汇报等。
确保数据的真实准确,为安全管理和决策提供可靠的依据。
考核指标根据班组长在上述考核内容中的表现,可以考核以下指标:1. 安全操作规程的制定和执行情况;2. 安全培训和教育的组织和效果;3. 安全事故预防和处理的能力;4. 安全检查和整改的及时性和有效性;5. 安全报表和记录的准确性和及时性。
考核结果与奖惩措施针对班组长的考核结果,可以采取以下奖惩措施:1. 优秀:对于在安全工作方面表现突出、达到考核指标的班组长,可以给予表扬和奖励;2. 良好:对于表现不错、基本达到考核指标的班组长,可以给予鼓励和肯定;3. 合格:对于勉强达到考核指标的班组长,应及时给予必要的指导和帮助,确保其提高;4. 不合格:对于未能达到考核指标的班组长,应及时进行批评教育,并制定相应的改进计划,妥善解决问题。
总结通过本文档的制定和落实,可以更好地规范和提升班组长在安全责任方面的表现和成果。
班组长安全生产责任制考核表班组长安全生产责任制考核表工程名称。
日期:年月日序号考核内容扣分标准应得分数实得分数1 未认真执行工种安全技术操作规程扣1分 15分 15分2 未合理安排人员工作扣5分 5分 0分3 未做好班前安全活动扣10分 10分 0分4 班组安全活动安全技术交底在班组人员中未落实扣15分 15分 0分5 违章指挥扣15分 15分 0分6 对班组人员违章作业示及时制止扣8分 8分 0分7 对项目部人员违章指挥不拒绝执行扣15分 15分 0分8 未经常检查班组作业环境安全状况和日常安全巡查扣15分 15分 0分9 发现事故隐患和问题未及时解决并上报扣15分 15分 0分10 工人上岗安全教育未进行扣10分 10分 0分11 不经常组织研究安全操作规程扣10分 10分 0分12 班组人员不正确使用个人防护用品扣5分 5分 0分13 班前未对所用设备、防护用具进行安全检查扣10分10分 0分14 机械设备不进行日常保养扣10分 10分 0分15 宿舍内外环境不卫生扣10分 10分 0分16 施工作业未做到落实清扣10分 10分 0分17 废物料不及时归堆扣10分 10分 0分18 未做好防火工作扣10分 10分 0分19 发生工伤事故未遂事故及未及时上报和保护现场扣10分 10分 0分20 不参加或配合有关部门进行工伤事故调查处理扣10分10分 0分考核等级合计 0分改写后的文章:以下是班组长安全生产责任制考核表。
该表格用于考核班组长在工作中是否严格遵守安全规定,保障员工的安全。
考核日期为年月日。
序号考核内容扣分标准应得分数实得分数1 未认真执行工种安全技术操作规程扣除1分 15分 15分2 未合理安排人员工作扣除5分 5分 0分3 未做好班前安全活动扣除10分 10分 0分4 班组安全活动安全技术交底在班组人员中未落实扣除15分 15分 0分5 违章指挥扣除15分 15分 0分6 对班组人员违章作业示及时制止扣除8分 8分 0分7 对项目部人员违章指挥不拒绝执行扣除15分 15分 0分8 未经常检查班组作业环境安全状况和日常安全巡查扣除15分 15分 0分9 发现事故隐患和问题未及时解决并上报扣除15分 15分0分10 工人上岗安全教育未进行扣除10分 10分 0分11 不经常组织研究安全操作规程扣除10分 10分 0分12 班组人员不正确使用个人防护用品扣除5分 5分 0分13 班前未对所用设备、防护用具进行安全检查扣除10分10分 0分14 机械设备不进行日常保养扣除10分 10分 0分15 宿舍内外环境不卫生扣除10分 10分 0分16 施工作业未做到落实清扣除10分 10分 0分17 废物料不及时归堆扣除10分 10分 0分18 未做好防火工作扣除10分 10分 0分19 发生工伤事故未遂事故及未及时上报和保护现场扣除10分 10分 0分20 不参加或配合有关部门进行工伤事故调查处理扣除10分 10分 0分考核等级合计 0分为了提高文章的可读性,我们删除了明显有问题的段落,并对每段话进行了小幅度的改写。
班组长安全生产责任考核表班组长安全生产责任考核表姓名:______________年份:__________季度:__________一、安全生产责任1、了解本班组所承担的安全生产责任,并将其分解到每一位成员。
2、在生产、作业过程中,切实负责监管、指导、协调本班组成员的安全生产工作,及时发现并处理安全事故隐患。
3、严格质量管理,确保产品质量符合标准,并将安全和质量作为工作的首要任务。
二、安全生产知识1、了解和掌握相关安全生产法律法规、标准及安全生产知识。
2、持续学习和提高安全生产知识,及时传递给本班组成员。
3、参加班组、车间和公司组织的安全生产知识培训、考试等相关活动。
三、安全检查1、定期组织检查本班组的各项安全生产工作,及时消除隐患。
2、认真处理上级主管部门和本班组的安全检查意见,并确保整改到位并跟踪。
3、每班必须认真检查各项消防设备并及时发现、排除隐患。
四、安全生产目标1、根据公司的安全生产目标,制定本班组的安全生产目标和任务,并落实到每个班组成员和操作者。
2、在安排生产计划时,先考虑安全和质量的问题及合理的安全配套措施。
3、对于安全生产目标达成情况,及时进行评估和反馈,并进行调整和完善。
五、安全事故处理1、及时处置安全事故现场,保障人员安全并尽量减少财产损失。
2、认真填写各项安全事故报告及时上报主管部门,并对安全事故进行分析,提出相应的整改意见。
3、在安排生产时,预见可能发生的事故,并采取必要的预防措施降低事故风险。
总结:______________(班组长)认真、负责地履行安全生产责任,积极推动班组安全生产工作,根据实际情况及时调整工作方向,在安全生产工作中取得了显著成效。
希望您继续努力,不懈提高安全生产工作能力,使本班组的安全生产工作取得更好的成果。
考核人:______________ 签字:______________ 时间:______________。
安全管理责任目标考核表
安全管理责任目标考核表
安全管理责任目标考核表
安全管理责任目标考核表
安全管理责任目标考核表
安全管理责任目标考核表
安全管理责任目标考核表
安全管理责任目标考核表
安全管理责任目标考核表
安全管理责任目标考核表
安全管理责任目标考核表
安全管理责任目标考核表
安全管理责任目标考核表
安全管理责任目标考核表
安全管理责任目标考核表
安全管理责任目标考核表
安全管理责任目标考核表。
安全生产领导小组组长安全生产责任制考核表一、前言安全生产是企业发展的重要保障,是保障员工生命财产安全的基本要求。
为了保证企业的安全生产,构建安全生产责任制不仅是一种法律要求,更是一种必要的管理措施。
在责任制内部,各级领导干部要认真履行自身的职责,严格执行安全生产标准和规程,促进安全生产事故的预防和控制,争取安全生产赢得更好的战略地位。
二、考核内容为优化企业安全生产责任制,领导小组成员安全生产责任制,考核表应当纳入以下内容:1.安全生产责任制的执行情况;2.安全生产管理方针的制定、落实以及有效性的检查;3.安全生产要求的指标体系的设计、监督和评定;4.进行安全生产事故的调查、处理和报告;5.安全生产信封的监管和使用;6.对安全生产工作的投资、预算、消费和管理;7.要求研究与安全生产相关的法规、标准、规程以及技术、设备等方面的研究;8.进行保障各种资源,如物资、场地、人员等在安全生产中的使用。
三、评分标准考核应根据企业实际情况,按照以下标准评分:A级:认真履行职责,顺利完成年度考核,实现目标以上101分。
B级:能正确履行职责、熟练处理工作并且接受考核,分数在100-80分之间。
C级:未能正确履行职责,考核分数在80-60分之间。
D级:未能正确履行职责,且考核分数低于60分。
四、考核时间安全生产领导小组组长安全生产责任制考核应当围绕年度安全生产工作展开,于每年5月20日前进行,以年度工作考核为主,坚持周、月检查和年度检查同步开展。
五、总结作为一种持续的管理措施,安全生产责任制考核有助于企业安全生产的长期发展,使企业形成良好的安全生产文化,进一步提高企业的安全生产管理水平。
我们相信,在大家共同的努力下,能够把企业安全生产责任制考核工作做得更加扎实、有力、高效。
班组长安全责任考核表背景在工作中,安全问题一直是一个非常重要的问题,任何工作环境中都必须重视安全问题。
在工厂中,班组长作为生产现场的管理和领导者,承担着生产安全责任的重要角色。
班组长作为一线管理人员,需要对本团队的人员、设备、工艺和流程等方面进行全面管理和保障,能否做好安全工作,直接关系到工厂的安全生产形势。
所以,建立班组长安全责任的考核制度是非常必要的。
考核内容1. 安全生产方案制定班组长是安全生产工作的第一责任人,需要制定安全生产方案,指导组员落实安全措施,确保工作安全。
具体考核内容如下:•是否制定了针对班组的安全生产方案,并且有效执行?•是否每月组织安全例会,并在例会中对上一个月的安全情况进行分析和总结,并提出改进措施?2. 班组员工的安全教育培训班组长应该对班组员工进行安全教育和培训,提高员工的安全意识和技能。
具体考核内容如下:•是否对组员进行安全教育培训,使其了解工作环境和工作流程中的安全风险?•是否对新加入组员进行安全培训?3. 安全措施落实班组长需要指导组员严格执行安全措施,确保工作场所的安全。
具体考核内容如下:•是否针对具体的任务,制定了详细的安全措施和任务指导书?•是否严格执行安全措施,落实班组成员的安全责任?4. 安全事故调查和处理班组长需要对安全事故进行及时调查和处理,并保证事故不再发生。
具体考核内容如下:•是否制定了安全事故应急预案,并在事故发生时进行快速反应和处理?•是否对事故进行及时调查,找出事故原因,并制定相应的预防措施,确保事故不再发生?结论班组长是安全生产的第一责任人,需要全面掌握安全知识,在工作中严格执行安全措施,把安全工作做得更细致更全面。
在做好安全管理的同时,也应该注重班组员工的员工培训和发展,提高全体班组员工的素质水平。
因此,对班组长的安全责任进行考核,有助于促进安全文化的建立和安全工作的实施,提高员工的安全意识和能力。
同时,定期对安全责任进行考核,也有助于监督、推进和改进安全管理工作的落实。