电缆型号大全附图
- 格式:doc
- 大小:1.70 MB
- 文档页数:20
电缆型号大全附图——局用电缆HJ ——实心聚烯烃绝缘2)绝缘:Y(YF——泡沫聚烯烃绝缘YP——泡沫/实心皮聚烯烃绝缘A——涂塑铝带粘接屏蔽聚乙烯护套(3)内护层:——铝,钢双层金属带屏蔽聚乙烯护套S ——聚氯乙烯护套V )特征:T——石油膏填充(4 ——高频隔离G C——自承式——双层防腐钢带绕包销装聚乙烯外被层)外护层:(5231 / 2033——单层细钢丝铠装聚乙烯被层43——单层粗钢丝铠装聚乙烯被层53——单层钢带皱纹纵包铠装聚乙烯外被层553——双层钢带皱纹纵包铠装聚乙烯外被层铜芯聚氯乙烯绝缘电线;2)BV铝芯聚氯乙烯绝缘电线;BLV 铜芯聚氯乙烯绝缘聚氯乙烯护套电线;BVV 铝芯聚氯乙烯绝缘聚氯乙烯护套电线;BLVV铜芯聚氯乙烯绝缘软线;BVR铜芯聚氯乙烯绝缘安装软线;RV2 / 20RVB铜芯聚氯乙烯绝缘平型连接线软线;BVS铜芯聚氯乙烯绝缘绞型软线;RVV铜芯聚氯乙烯绝缘聚氯乙烯护套软线;BYR聚乙烯绝缘软电线;BYVR聚乙烯绝缘聚氯乙烯护套软线;RY聚乙烯绝缘软线;RYV聚乙烯绝缘聚氯乙烯护套软线3)电缆的型号由八部分组成:一、用途代码-不标为电力电缆,K为控制缆,P为信号缆;二、绝缘代码-Z油浸纸,X橡胶,V聚氯乙稀,YJ交联聚乙烯三、导体材料代码-不标为铜,L为铝;四、内护层代码-Q铅包,L铝包,H橡套,V聚氯乙稀护套3 / 20五、派生代码-D不滴流,P干绝缘;六、外护层代码七、特殊产品代码-TH湿热带,TA干热带;八、额定电压-单位KV有关电缆型号的问题1、SYV:实心聚乙烯绝缘射频同轴电缆2、SYWV(Y):物理发泡聚乙绝缘有线电视系统电缆,视频(射频)同轴电缆(SYV、SYWV、SYFV)适用于闭路监控及有线电视工程SYWV(Y)、SYKV有线电视、宽带网专用电缆结构:(同轴电缆)单根无氧圆铜线物理发泡聚乙烯(绝缘)(锡丝铝)聚氯乙烯(聚乙烯)3、信号控制电缆(RVV护套线、RVVP屏蔽线)适用于楼宇对讲、防盗报警、消防、自动抄表等工程RVVP:铜芯聚氯乙烯绝缘屏蔽聚氯乙烯护套软电缆电压300V/300V2-24芯用途:仪器、仪表、对讲、监控、控制安装4 / 204、RG:物理发泡聚乙烯绝缘接入网电缆用于同轴光纤混合网(HFC)中传输数据模拟信号5、KVVP:聚氯乙烯护套编织屏蔽电缆用途:电器、仪表、配电装置的信号传输、控制、测量6、RVV(227IEC52/53)聚氯乙烯绝缘软电缆用途:家用电器、小型电动工具、仪表及动力照明7、AVVR聚氯乙烯护套安装用软电缆8、SBVV HYA数据通信电缆(室内、外)用于电话通信及无线电设备的连接以及电话配线网的分线盒接线用9、RV、RVP聚氯乙烯绝缘电缆10、RVS、RVB适用于家用电器、小型电动工具、仪器、仪表及动力照明连接用电缆11、BV、BVR聚氯乙烯绝缘电缆用途:适用于电器仪表设备及动力照明固定布线用12、RIB音箱连接线(发烧线)13、KVV聚氯乙烯绝缘控制电缆用途:电器、仪表、配电装置信号传输、控制、测量14、SFTP双绞线传输电话、数据及信息网15、UL2464电脑连接线5 / 2016、VGA显示器线17、SYV同轴电缆无线通讯、广播、监控系统工程和有关电子设备中传输射频信号(含综合用同轴电缆)18、SDFAVP、SDFAVVP、SYFPY同轴电缆,电梯专用19、JVPV、JVPVP、JVVP铜芯聚氯乙烯绝缘及护套铜丝编织电子计算机控制电缆电线电缆命名与型号电线电缆命名与型号命名原则及案例:电线电缆的完整命名通常较为复杂,所以人们有时用一个简单的名称(通常是一个类别的名称)结合型号规格来代替完整的名称,如“低压电缆”代表0.6/1kV级的所有塑料绝缘类电力电缆。
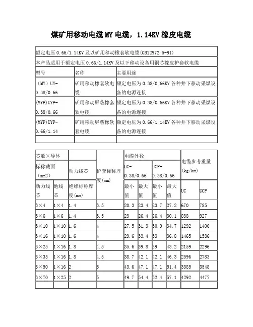
煤矿用移动电缆MY电缆,1.14KV橡皮电缆1、电缆绝缘主线芯之间及主线芯与地线之间的绝缘电阻,换算到+20℃时不低于100MΩ·km。
2、主线芯屏蔽层的过渡电阻换算到20℃时不高于3kΩ。
3、产品标准:MT818.5-1999。
4、MYP型电缆有3个带绝缘屏蔽的主线芯和一个包覆半导电橡皮层的地线组成,围绕半导电橡皮层垫芯绞合成缆。
外面挤包黑色氯化聚乙烯橡皮护套或黑色氯丁橡皮护套。
5、导电线芯:采用软铜线,其性能符合 GB/T3956-1997。
6、绝缘:采用GB7594.2-1987中XJ-00A型橡皮。
7、线芯识别:采用绝缘分色识别,主线芯红、绿、白。
8、地线:采用半导电橡皮包覆。
9、绝缘屏蔽:在绝缘表面包半导电带。
10、成缆:3个主线芯1个地线围绕半导电橡皮垫芯按右向绞合成缆。
11、护套:采用GB7594.7-1987中XH-03A型橡皮。
护套橡皮的氧指数≥40。
12、成品电缆的阻燃性能满足MT386-1995的要求。
13、电缆标志:电缆表面印有型号、电压、规格及制造厂名称。
我橡塑电缆厂的野外用橡套电缆(YCW电缆,YZW电缆)是为适应野外用工矿企业调整发展的需要,生产性能优良的橡皮绝缘,橡皮护套和延燃重型橡套软电缆。
野外用橡套电缆产品结构图一、通用橡套软电缆用途本产品用于交流额定电压为450/750V及以下的家用电器、电动工具和各类移动电器设备。
二、使用特性(1) YZ型额定电压Uo/U为300/500V,YC型为450/750V。
(2)线芯的长期允许工作温度不超过65℃。
(3) W型电缆具有耐气候和一定的耐油性能,适宜于在户外或接触油污的场合使用。
(4) ZR型电缆具有阻燃性能。
本厂生产的聚氯乙烯绝缘电力电缆采用IEC标准,适用于3.6/6KV及以下输配电系统,近年来又开发了阻燃电缆、耐火电缆、低烟无卢电缆及五芯系列电力电缆。
执行标准:GB/T 12706-2002(等效采用IEC502),阻燃电缆、耐火电缆还符合IE332-3,IEC331,亦可按用户所需的技术需求生产。
电缆型号大全附图HJ——局用电缆(2)绝缘:Y——实心聚烯烃绝缘YF——泡沫聚烯烃绝缘YP——泡沫/实心皮聚烯烃绝缘(3)内护层:A——涂塑铝带粘接屏蔽聚乙烯护套S——铝,钢双层金属带屏蔽聚乙烯护套V——聚氯乙烯护套(4)特征:T——石油膏填充G——高频隔离C——自承式(5)外护层:23——双层防腐钢带绕包销装聚乙烯外被层33——单层细钢丝铠装聚乙烯被层43——单层粗钢丝铠装聚乙烯被层53——单层钢带皱纹纵包铠装聚乙烯外被层553——双层钢带皱纹纵包铠装聚乙烯外被层2)BV铜芯聚氯乙烯绝缘电线;BLV铝芯聚氯乙烯绝缘电线;BVV铜芯聚氯乙烯绝缘聚氯乙烯护套电线;BLVV铝芯聚氯乙烯绝缘聚氯乙烯护套电线;BVR铜芯聚氯乙烯绝缘软线;RV铜芯聚氯乙烯绝缘安装软线;RVB铜芯聚氯乙烯绝缘平型连接线软线;BVS铜芯聚氯乙烯绝缘绞型软线;RVV铜芯聚氯乙烯绝缘聚氯乙烯护套软线;BYR聚乙烯绝缘软电线;BYVR聚乙烯绝缘聚氯乙烯护套软线;RY聚乙烯绝缘软线;RYV聚乙烯绝缘聚氯乙烯护套软线3)电缆的型号由八部分组成:一、用途代码-不标为电力电缆,K为控制缆,P为信号缆;二、绝缘代码-Z油浸纸,X橡胶,V聚氯乙稀,YJ交联聚乙烯三、导体材料代码-不标为铜,L为铝;四、内护层代码-Q铅包,L铝包,H橡套,V聚氯乙稀护套五、派生代码-D不滴流,P干绝缘;六、外护层代码七、特殊产品代码-TH湿热带,TA干热带;八、额定电压-单位KV有关电缆型号的问题1、SYV:实心聚乙烯绝缘射频同轴电缆2、SYWV(Y):物理发泡聚乙绝缘有线电视系统电缆,视频(射频)同轴电缆(SYV、SYWV、SYFV)适用于闭路监控及有线电视工程SYWV(Y)、SYKV有线电视、宽带网专用电缆结构:(同轴电缆)单根无氧圆铜线物理发泡聚乙烯(绝缘)(锡丝铝)聚氯乙烯(聚乙烯)3、信号控制电缆(RVV护套线、RVVP屏蔽线)适用于楼宇对讲、防盗报警、消防、自动抄表等工程RVVP:铜芯聚氯乙烯绝缘屏蔽聚氯乙烯护套软电缆电压300V/300V2-24芯用途:仪器、仪表、对讲、监控、控制安装4、RG:物理发泡聚乙烯绝缘接入网电缆用于同轴光纤混合网(HFC)中传输数据模拟信号5、KVVP:聚氯乙烯护套编织屏蔽电缆用途:电器、仪表、配电装置的信号传输、控制、测量6、RVV(227IEC52/53)聚氯乙烯绝缘软电缆用途:家用电器、小型电动工具、仪表及动力照明7、AVVR聚氯乙烯护套安装用软电缆8、SBVV HYA数据通信电缆(室内、外)用于电话通信及无线电设备的连接以及电话配线网的分线盒接线用9、RV、RVP聚氯乙烯绝缘电缆10、RVS、RVB适用于家用电器、小型电动工具、仪器、仪表及动力照明连接用电缆11、BV、BVR聚氯乙烯绝缘电缆用途:适用于电器仪表设备及动力照明固定布线用12、RIB音箱连接线(发烧线)13、KVV聚氯乙烯绝缘控制电缆用途:电器、仪表、配电装置信号传输、控制、测量14、SFTP双绞线传输电话、数据及信息网15、UL2464电脑连接线16、VGA显示器线17、SYV同轴电缆无线通讯、广播、监控系统工程和有关电子设备中传输射频信号(含综合用同轴电缆)18、SDFAVP、SDFAVVP、SYFPY同轴电缆,电梯专用19、JVPV、JVPVP、JVVP铜芯聚氯乙烯绝缘及护套铜丝编织电子计算机控制电缆电线电缆命名与型号电线电缆命名与型号命名原则及案例:电线电缆的完整命名通常较为复杂,所以人们有时用一个简单的名称(通常是一个类别的名称)结合型号规格来代替完整的名称,如“低压电缆”代表0.6/1kV级的所有塑料绝缘类电力电缆。
常用弱电线缆型号大全及说明名称图例表示方法用途SYV系列75欧姆实芯聚乙烯绝缘SYV 75-5-1(A、B、C)S: 射频Y:聚乙烯绝缘V:聚氯乙烯护套A:64编B:96编C:128编75:75欧姆5:线径为5MM 1:代表单芯通常用于电视监控系统的视频传输,适合视频图像传输SYWV(Y)、SYKV 有线电视、宽带网专用电缆SYWV 75-5-1S: 射频Y:聚乙烯绝缘W:物理发泡V:聚氯乙烯护套75:75欧姆5:线缆外径为5MM1:代表单芯通常用于卫星电视传输以及有线电视传输等,适合射频传输。
RG-58--96#-镀锡铜编织-50欧通常用于弱电视频图像传输或HFC 网络等。
AVVR或RVV护套线RVV(227IEC52/53)聚氯乙烯绝缘软电缆RVV 和RVVP 里面采用的线为多股细铜丝组成的软线,即RV线组成。
通常用于弱电电源供电等。
AVVR或RVV圆形双绞护套线RVV(227IEC52/53)聚氯乙烯绝缘软电缆RVV-表示铜芯聚氯乙烯绝缘聚氯乙烯护套圆形连接软电缆。
适用于楼宇对讲、防盗报警、消防、自动抄表等工程。
通常用于弱电电源供电等。
RVVP-表示软铜芯绞合圆型聚氯乙烯绝缘绝缘聚氯乙烯护套软电线。
适用于楼宇对讲、防盗报警、消防、自动抄表等工程RVVP2*32/0.2 RVV2*1.0 BVR R: 软线VV:双层护套线P屏蔽2:2芯多股线32:每芯有32根铜丝0.2:每根铜丝直径为0.2MMRVB扁型无护套软电线或电缆AVRB 通常用于背景音乐和公共广播,也可做弱电供电电源线。
RVS-表示铜芯聚氯乙烯绞型连接电线。
常用于家用电器、小型电动工具、仪器仪表、控制系统、广播音响、消防、照明及控制用线。
ZR-RVS2*24/0.12ZR: 阻燃R: 软线S:双绞线2:2芯多股线24:每芯有24根铜丝0.12:每根铜丝直径为0.12MM通常用于公共广播系统/背景音乐系统布线,消防系统布线。
RIB YXB音箱连接线(发烧线、金银线)用于功放机输出至音箱的接线。
常用电线电缆型号大全及识图一、任务描述本任务是对常用电线电缆型号的介绍,通过本任务的完成,能掌握常用电线电缆型号识图能力,为后续任务的执行奠定基础。
二、电缆的概念电缆通常是由几根或几组导线[每组至少两根]绞合而成的类似绳索的电缆,每组导线之间相互绝缘,并常围绕着一根中心扭成,整个外面包有高度绝缘的覆盖层。
多架设在空中或装在地下、水底,用于电讯或电力输送。
1832年,沙俄退伍军官许林格将电报线路埋在地下,六根导线之间彼此用橡胶绝缘后同放在玻璃管内,这就是世界上最早的一条地下电缆。
电线电缆中有BV、BLV、BVVB、BVR、RV、RVS、RVV、QVR、A VVR、VV、VLV、KVV等诸多型号,那么他们到底代表什么意思呢?一,简单说下,我们经常接触的第一组由一个到二个字母组,表示导线的类别、用途。
如:A-安装线、B-布电线、C-船用电缆、K-控制电缆、N-农用电缆、R-软线、U-矿用电缆、Y-移动电缆、JK-绝缘架空电缆、M-煤矿用、ZR-阻燃型、NH-耐火型、ZA-A级阻燃、ZB-B级阻燃、ZC-C级阻燃、WD-低烟无卤型。
第二组是一个字母,表示导体材料的材质,如:T-铜芯导线(大多数时候省略)、L-铝芯导线。
第三组是一个字母,表示绝缘层,如:V—PVC塑料、YJ—XLPE绝缘、X—橡皮、Y—聚乙烯料、F—聚四氟乙烯。
第四组是一个字母、表示护套,如:V-PVC套、Y-聚乙烯料、N-尼龙护套、P-铜丝编织屏蔽、P2-铜带屏蔽、L-棉纱编织涂蜡克、Q-铅包。
第五组是一个字母、表示特征,如:B-扁平型、R-柔软、C-重型、Q-轻型、G-高压、H-电焊机用、S-双绞型。
第六组是一个数字,表示铠装层,(下小脚标)2-双钢带、3-细圆钢丝、4-粗圆钢丝.第七组是一个了,表示外护套,(下小脚标)如:0-表示无护套、1-纤维层、2-PVC套二,一般常用的有以下规格:0.5mm²、1mm²、1.5mm²、2.5mm²、4mm²、6mm²、10mm²、16mm²、25mm²、35mm²、50mm²、70mm²、95mm²、120mm²、150mm²、185mm²、240mm²等。
交联聚乙烯绝缘电缆所有型号、名称、用途及使用说明可经受一定的敷设牵引,但不能承受机械外力作用的场合。
单芯电缆不允许敷设在磁性管道中。
2.线路短路温度:不能超过250℃,持续时间小于5秒。
3. 敷设温度正常敷设时的温度不应低于0℃,低于0℃敷设时,必须预先加执措施。
4. 敷设落差敷设不受水平落差限制5. 弯曲半径单芯:20(d+D)±5%多芯:15(d+D)±5%D=电缆试样实际外径mmd=导体的实际直径mYJV22 YJLV22 ZR-YJV22 ZR-YJLV22 YJV23 YJLV23 ZR-YJV23 ZR-YJLV23适用于埋地敷设,能承受机械外力作用,但不能承受过开通电线电缆营销博客,欢迎朋友们光临:hi.baidu./%B5%E7%CF%DF%B5%E7%C0%C2%D3%AA%CF%FA/blogTR-YJV72是什么电缆型号就本题而言,TR-代表软结构铜导电线芯;YJ-代表交联聚乙烯绝缘;V-代表聚氯乙烯护套;7-代表非磁性金属丝铠装;2-代表聚氯乙烯外护套。
通称可叫作:“铜芯交联聚乙烯绝缘无磁性金属丝铠装聚氯乙烯外护套软电力电缆”!交联聚乙烯绝缘钢带铠装聚氯乙烯护套电力电缆点击浏览大图一、产品标准本产品按GB12706《额定电压35kV及以下铜芯、铝芯塑料绝缘电力电缆》和GB12666《电线电缆燃烧实验方法》标准生产,同时还可根据用户需要按国际电工委员会推荐的IEC标准、英国BS标准、德国DIN标准、美国ICEA标准及日本JIS标准生产。
二、用途本产品适用于35KV及以下电力输配电系统中、供输配电能之用。
广泛用于电力、建筑、工矿、治金、石油、化工、交通等部门,已完全替代了油浸纸绝缘电力电缆和部分替代聚氯乙烯绝缘电力电缆。
三、使用特性及主要技术性能1.额定电压U0/U分为0.6/1KV、1.8/3KV、3.6/6KV、6/6KV、6/10KV、8.7/15KV、12/20KV、21/35KV、26/35KV。
常用弱电线缆型号大全及说明名称图例表示方法用途SYV系列75欧姆实芯聚乙烯绝缘SYV75-5-1(A、B、C)S: 射频Y:聚乙烯绝缘V:聚氯乙烯护套A:64编B:96编C:128编75:75欧姆5:线径为5MM 1:代表单芯通常用于电视监控系统的视频传输,适合视频图像传输页脚内容1SYWV(Y)、SYKV 有线电视、宽带网专用电缆SYWV 75-5-1S: 射频Y:聚乙烯绝缘W:物理发泡V:聚氯乙烯护套75:75欧姆5:线缆外径为5MM 1:代表单芯通常用于卫星电视传输以及有线电视传输等,适合射频传输。
RG-58--96#-镀锡铜编织-50欧通常用于弱电视频图像传输或HFC网络等。
页脚内容2AVVR或RVV 护套线RVV(227IEC52/53)聚氯乙烯绝缘软电缆RVV 和RVVP 里面采用的线为多股细铜丝组成的软线,即RV线组成。
通常用于弱电电源供电等。
AVVR或RVV 圆形双绞护套线RVV(227IEC52/53)聚氯乙烯绝缘软电缆RVV-表示铜芯聚氯乙烯绝缘聚氯乙烯护套圆通常用于弱电电源供电等。
页脚内容3形连接软电缆。
适用于楼宇对讲、防盗报警、消防、自动抄表等工程。
RVVP-表示软铜芯绞合圆型聚氯乙烯绝缘绝缘聚氯乙烯护套软电线。
适用于楼宇对讲、防盗报警、消防、自动抄表等工程RVVP2*32/0.2 RVV2*1.0BVRR: 软线VV:双层护套线P屏蔽2:2芯多股线32:每芯有32根铜丝0.2:每根铜丝直径页脚内容4为0.2MMRVB扁型无护套软电线或电缆AVRB通常用于背景音乐和公共广播,也可做弱电供电电源线。
RVS-表示铜芯聚氯乙烯绞型连接电线。
常用于家用电器、小型电动工具、仪器仪表、控制系统、广播音响、消防、照明及控制用线。
ZR-RVS2*24/0.12ZR: 阻燃R:软线S:双绞线2:2芯多股线24:每芯有24根铜丝0.12:每根铜丝直径为0.12MM通常用于公共广播系统/背景音乐系统布线,消防系统布线。
电缆型号大全附图?HJ——局用电缆?(2)绝缘:Y——实心聚烯烃绝缘?YF——泡沫聚烯烃绝缘?YP——泡沫/实心皮聚烯烃绝缘?(3)内护层:A——涂塑铝带粘接屏蔽聚乙烯护套?S——铝,钢双层金属带屏蔽聚乙烯护套?V——聚氯乙烯护套?(4)特征:T——石油膏填充?G——高频隔离?C——自承式?(5)外护层:23——双层防腐钢带绕包销装聚乙烯外被层?33——单层细钢丝铠装聚乙烯被层?43——单层粗钢丝铠装聚乙烯被层?53——单层钢带皱纹纵包铠装聚乙烯外被层?553——双层钢带皱纹纵包铠装聚乙烯外被层?2)BV铜芯聚氯乙烯绝缘电线;BLV铝芯聚氯乙烯绝缘电线;?BVV铜芯聚氯乙烯绝缘聚氯乙烯护套电线;?BLVV铝芯聚氯乙烯绝缘聚氯乙烯护套电线;?BVR铜芯聚氯乙烯绝缘软线;?RV铜芯聚氯乙烯绝缘安装软线;RVB铜芯聚氯乙烯绝缘平型连接线软线;?BVS铜芯聚氯乙烯绝缘绞型软线;?RVV铜芯聚氯乙烯绝缘聚氯乙烯护套软线;?BYR聚乙烯绝缘软电线;?BYVR聚乙烯绝缘聚氯乙烯护套软线;?RY聚乙烯绝缘软线;?RYV聚乙烯绝缘聚氯乙烯护套软线?3)电缆的型号由八部分组成:?一、用途代码-不标为电力电缆,K为控制缆,P为信号缆;?二、绝缘代码-Z油浸纸,X橡胶,V聚氯乙稀,YJ交联聚乙烯?三、导体材料代码-不标为铜,L为铝;?四、内护层代码-Q铅包,L铝包,H橡套,V聚氯乙稀护套?五、派生代码-D不滴流,P干绝缘;?六、外护层代码?七、特殊产品代码-TH湿热带,TA干热带;?八、额定电压-单位KV?有关电缆型号的问题?1、SYV:实心聚乙烯绝缘射频同轴电缆?2、SYWV(Y):物理发泡聚乙绝缘有线电视系统电缆,视频(射频)同轴电缆(SYV、SYWV、SYFV 程?SYWV(Y)、SYKV有线电视、宽带网专用电缆结构:(同轴电缆)单根无氧圆铜线物理发泡聚乙乙烯(聚乙烯)?3、信号控制电缆(RVV护套线、RVVP屏蔽线)适用于楼宇对讲、防盗报警、消防、自动抄表等工程RVVP:铜芯聚氯乙烯绝缘屏蔽聚氯乙烯护套软电缆电压300V/300V2-24芯?用途:仪器、仪表、对讲、监控、控制安装?4、RG:物理发泡聚乙烯绝缘接入网电缆用于同轴光纤混合网(HFC)中传输数据模拟信号?5、KVVP:聚氯乙烯护套编织屏蔽电缆用途:电器、仪表、配电装置的信号传输、控制、测量6、RVV(227IEC52/53)聚氯乙烯绝缘软电缆用途:家用电器、小型电动工具、仪表及动力照明?7、AVVR聚氯乙烯护套安装用软电缆?8、SBVV HYA数据通信电缆(室内、外)用于电话通信及无线电设备的连接以及电话配线网的分线盒9、RV、RVP聚氯乙烯绝缘电缆?10、RVS、RVB适用于家用电器、小型电动工具、仪器、仪表及动力照明连接用电缆?11、BV、BVR聚氯乙烯绝缘电缆用途:适用于电器仪表设备及动力照明固定布线用?12、RIB音箱连接线(发烧线)?13、KVV聚氯乙烯绝缘控制电缆用途:电器、仪表、配电装置信号传输、控制、测量?14、SFTP双绞线传输电话、数据及信息网?15、UL2464电脑连接线?16、VGA显示器线?17、SYV同轴电缆无线通讯、广播、监控系统工程和有关电子设备中传输射频信号(含综合用同轴电18、SDFAVP、SDFAVVP、SYFPY同轴电缆,电梯专用?19、JVPV、JVPVP、JVVP铜芯聚氯乙烯绝缘及护套铜丝编织电子计算机控制电缆?电线电缆命名与型号?电线电缆命名与型号?命名原则及案例:?电线电缆的完整命名通常较为复杂,所以人们有时用一个简单的名称(通常是一个类别的名称)结合型号压电缆”代表1kV级的所有塑料绝缘类电力电缆。
电缆规格型表大全HUA system office room 【HUA16H-TTMS2A-HUAS8Q8-HUAH1688】电缆一般有2层以上的绝缘,多数是多芯结构,绕在电缆盘上,长度一般大于100米。
电线一般是单层绝缘,单芯,100米一卷,无线盘。
电缆与电线一般都由芯线、绝缘包皮和保护外皮三个组成部分组成。
电缆规格BV--铜芯聚氯乙烯绝缘电缆(电线)BVR--铜芯聚氯乙烯绝缘软电缆(电线)BVV--铜芯聚氯乙烯绝缘聚氯乙烯护套圆型电缆(电线)BVVB--铜芯聚氯乙烯绝缘聚氯乙烯护套平型电缆(电线)BV-105--铜芯耐热105度聚氯乙烯绝缘电线BV-ZR铜芯阻燃型聚氯乙烯绝缘电线BVR-ZR铜芯阻燃型聚氯乙烯绝缘软电线BVV-ZR铜芯阻燃型聚氯乙烯绝缘聚氯乙烯护套圆型电缆BVVB-ZR铜芯阻燃型聚氯乙烯绝缘聚氯乙烯护套平型电缆BV-ZR-105铜芯耐热105℃阻燃型聚氯乙烯绝缘电线BVR-ZR-105铜芯耐热105℃阻燃型氯乙烯绝缘聚氯乙烯护套圆型软电缆BVV-ZR-105铜芯耐热105℃阻燃型聚氯乙烯护套圆型电缆AV-ZR-105铜芯耐热105℃阻燃型聚氯乙烯绝缘安装电线电缆规格AVR-ZR-105铜芯耐热105℃阻燃型聚氯乙烯绝缘安装软电线AV-ZR铜芯阻燃型聚氯乙烯绝缘安装电线AV-ZR铜芯阻燃型聚氯乙烯绝缘安装软电线RVB--铜芯聚氯乙烯绝缘平型连接软电线RVS--铜芯聚氯乙烯绝缘绞型连接软电线RVV--铜芯聚氯乙烯绝缘聚氯乙烯护套平型连接软电缆(电线)RV-105--铜芯耐热105度聚氯乙烯绝缘连接软电线SYV:实心聚乙烯绝缘射频同轴电缆SYWV(Y):物理发泡聚乙绝缘有线电视系统电缆,视频(射频)同轴电缆(SYV、SYWV、SYFV)适用于闭路监控及有线电视工程电缆规格SYWV(Y)、SYKV有线电视、宽带网专用电缆结构:(同轴电缆)单根无氧圆铜线+物理发泡聚乙烯(绝缘)+(锡丝+铝)+聚氯乙烯(聚乙烯)RVVP屏蔽线:铜芯聚氯乙烯绝缘屏蔽聚氯乙烯护套软电缆电压300V/300V2-24芯用途:仪器、仪表、对讲、监控、控制安装RG:物理发泡聚乙烯绝缘接入网电缆用于同轴光纤混合网(HFC)中传输数据模拟信号KVVP:聚氯乙烯护套编织屏蔽电缆用途:电器、仪表、配电装置的信号传输、控制、测量RVV护套线(227IEC52/53)聚氯乙烯绝缘软电缆用途:家用电器、小型电动工具、仪表及动力照明AVVR聚氯乙烯护套安装用软电缆SBVVHYA数据通信电缆(室内、外)用于电话通信及无线电设备的连接以及电话配线网的分线盒接线用RV、RVP聚氯乙烯绝缘电缆RVS、RVB适用于家用电器、小型电动工具、仪器、仪表及动力照明连接用电缆BV、BVR聚氯乙烯绝缘电缆用途:适用于电器仪表设备及动力照明固定布线用RIB音箱连接线(发烧线)电缆规格KVV聚氯乙烯绝缘控制电缆用途:电器、仪表、配电装置信号传输、控制、测量SFTP双绞线传输电话、数据及信息网UL2464电脑连接线VGA显示器线SYV同轴电缆无线通讯、广播、监控系统工程和有关电子设备中传输射频信号(含综合用同轴电缆)SDFAVP、SDFAVVP、SYFPY同轴电缆,电梯专用JVPV、JVPVP、JVVP铜芯聚氯乙烯绝缘及护套铜丝编织电子计算机控制电缆。
电缆规格型号表大全一、电力电缆1. 交联聚乙烯绝缘电力电缆型号:YJV规格:4mm²、6mm²、10mm²、16mm²、25mm²、35mm²、50mm²、70mm²、95mm²、120mm²、150mm²、185mm²、240mm²、300mm²特点:该型号电力电缆采用交联聚乙烯作为绝缘材料,具有较高的耐热性和耐电压能力,适用于输送高压电力。
2. 交联聚乙烯绝缘电力电缆(铜芯、钢带铠装)型号:ZC-YJV22规格:25mm²、35mm²、50mm²、70mm²、95mm²、120mm²、150mm²、185mm²、240mm²、300mm²、400mm²特点:此型号电力电缆在YJV基础上增加了钢带铠装,提高了电缆的机械强度和抗外力损伤能力,适用于埋地敷设和抗拉力较大的场合。
3. 高电压橡皮护套电缆型号:YQ规格:6mm²、10mm²、16mm²、25mm²、35mm²、50mm²、70mm²、95mm²、120mm²、150mm²特点:该型号电缆采用橡皮作为护套材料,具有优良的柔韧性和耐磨性能,适用于移动电力设备的接地连接。
4. 低烟无卤阻燃电力电缆型号:ZR-BV规格:2.5mm²、4mm²、6mm²、10mm²、16mm²、25mm²、35mm²、50mm²、70mm²、95mm²、120mm²、150mm²、185mm²、240mm²、300mm²特点:此型号电力电缆采用无卤材料制造,具有低烟、无毒、阻燃性能好等特点,适用于室内及有人员密集场所。
电缆型号大全附图HJ——局用电缆(2)绝缘:Y——实心聚烯烃绝缘YF——泡沫聚烯烃绝缘YP——泡沫/实心皮聚烯烃绝缘(3)内护层:A——涂塑铝带粘接屏蔽聚乙烯护套S——铝,钢双层金属带屏蔽聚乙烯护套V——聚氯乙烯护套(4)特征:T——石油膏填充G——高频隔离C——自承式(5)外护层:23——双层防腐钢带绕包销装聚乙烯外被层33——单层细钢丝铠装聚乙烯被层43——单层粗钢丝铠装聚乙烯被层53——单层钢带皱纹纵包铠装聚乙烯外被层553——双层钢带皱纹纵包铠装聚乙烯外被层2)BV铜芯聚氯乙烯绝缘电线;BLV铝芯聚氯乙烯绝缘电线;BVV铜芯聚氯乙烯绝缘聚氯乙烯护套电线;BLVV铝芯聚氯乙烯绝缘聚氯乙烯护套电线;BVR铜芯聚氯乙烯绝缘软线;RV铜芯聚氯乙烯绝缘安装软线;RVB铜芯聚氯乙烯绝缘平型连接线软线;BVS铜芯聚氯乙烯绝缘绞型软线;RVV铜芯聚氯乙烯绝缘聚氯乙烯护套软线;BYR聚乙烯绝缘软电线;BYVR聚乙烯绝缘聚氯乙烯护套软线;RY聚乙烯绝缘软线;RYV聚乙烯绝缘聚氯乙烯护套软线3)电缆的型号由八部分组成:一、用途代码-不标为电力电缆,K为控制缆,P为信号缆;二、绝缘代码-Z油浸纸,X橡胶,V聚氯乙稀,YJ交联聚乙烯三、导体材料代码-不标为铜,L为铝;四、内护层代码-Q铅包,L铝包,H橡套,V聚氯乙稀护套五、派生代码-D不滴流,P干绝缘;六、外护层代码七、特殊产品代码-TH湿热带,TA干热带;八、额定电压-单位KV有关电缆型号的问题1、SYV:实心聚乙烯绝缘射频同轴电缆2、SYWV(Y):物理发泡聚乙绝缘有线电视系统电缆,视频(射频)同轴电缆(SYV、SYWV、SYFV)适用于闭路监控及有线电视工程SYWV(Y)、SYKV有线电视、宽带网专用电缆结构:(同轴电缆)单根无氧圆铜线物理发泡聚乙烯(绝缘)(锡丝铝)聚氯乙烯(聚乙烯)3、信号控制电缆(RVV护套线、RVVP屏蔽线)适用于楼宇对讲、防盗报警、消防、自动抄表等工程RVVP:铜芯聚氯乙烯绝缘屏蔽聚氯乙烯护套软电缆电压300V/300V2-24芯用途:仪器、仪表、对讲、监控、控制安装4、RG:物理发泡聚乙烯绝缘接入网电缆用于同轴光纤混合网(HFC)中传输数据模拟信号5、KVVP:聚氯乙烯护套编织屏蔽电缆用途:电器、仪表、配电装置的信号传输、控制、测量6、RVV(227IEC52/53)聚氯乙烯绝缘软电缆用途:家用电器、小型电动工具、仪表及动力照明7、AVVR聚氯乙烯护套安装用软电缆8、SBVV HYA数据通信电缆(室内、外)用于电话通信及无线电设备的连接以及电话配线网的分线盒接线用9、RV、RVP聚氯乙烯绝缘电缆10、RVS、RVB适用于家用电器、小型电动工具、仪器、仪表及动力照明连接用电缆11、BV、BVR聚氯乙烯绝缘电缆用途:适用于电器仪表设备及动力照明固定布线用12、RIB音箱连接线(发烧线)13、KVV聚氯乙烯绝缘控制电缆用途:电器、仪表、配电装置信号传输、控制、测量14、SFTP双绞线传输电话、数据及信息网15、UL2464电脑连接线16、VGA显示器线17、SYV同轴电缆无线通讯、广播、监控系统工程和有关电子设备中传输射频信号(含综合用同轴电缆)18、SDFAVP、SDFAVVP、SYFPY同轴电缆,电梯专用19、JVPV、JVPVP、JVVP铜芯聚氯乙烯绝缘及护套铜丝编织电子计算机控制电缆电线电缆命名与型号电线电缆命名与型号命名原则及案例:电线电缆的完整命名通常较为复杂,所以人们有时用一个简单的名称(通常是一个类别的名称)结合型号规格来代替完整的名称,如“低压电缆”代表0.6/1kV级的所有塑料绝缘类电力电缆。
电缆型号大全附图HJ——局用电缆(2)绝缘:Y——实心聚烯烃绝缘YF——泡沫聚烯烃绝缘YP——泡沫/实心皮聚烯烃绝缘(3)内护层:A——涂塑铝带粘接屏蔽聚乙烯护套S——铝,钢双层金属带屏蔽聚乙烯护套V——聚氯乙烯护套(4)特征:T——石油膏填充G——高频隔离C——自承式(5)外护层:23——双层防腐钢带绕包销装聚乙烯外被层33——单层细钢丝铠装聚乙烯被层43——单层粗钢丝铠装聚乙烯被层53——单层钢带皱纹纵包铠装聚乙烯外被层553——双层钢带皱纹纵包铠装聚乙烯外被层2) BV 铜芯聚氯乙烯绝缘电线;BLV 铝芯聚氯乙烯绝缘电线;BVV 铜芯聚氯乙烯绝缘聚氯乙烯护套电线;BLVV 铝芯聚氯乙烯绝缘聚氯乙烯护套电线;BVR 铜芯聚氯乙烯绝缘软线;RV 铜芯聚氯乙烯绝缘安装软线;RVB 铜芯聚氯乙烯绝缘平型连接线软线;BVS 铜芯聚氯乙烯绝缘绞型软线;RVV 铜芯聚氯乙烯绝缘聚氯乙烯护套软线;BYR 聚乙烯绝缘软电线;BYVR 聚乙烯绝缘聚氯乙烯护套软线;RY 聚乙烯绝缘软线;RYV 聚乙烯绝缘聚氯乙烯护套软线3)电缆的型号由八部分组成:一、用途代码-不标为电力电缆,K为控制缆,P为信号缆;二、绝缘代码-Z油浸纸,X橡胶,V聚氯乙稀,YJ交联聚乙烯三、导体材料代码-不标为铜,L为铝;四、内护层代码-Q铅包,L铝包,H橡套,V聚氯乙稀护套五、派生代码-D不滴流,P干绝缘;六、外护层代码七、特殊产品代码-TH湿热带,TA干热带;八、额定电压-单位KV有关电缆型号的问题1、SYV:实心聚乙烯绝缘射频同轴电缆2、SYWV(Y):物理发泡聚乙绝缘有线电视系统电缆,视频(射频)同轴电缆(SYV、SYWV、SYFV)适用于闭路监控及有线电视工程SYWV(Y)、SYKV 有线电视、宽带网专用电缆结构:(同轴电缆)单根无氧圆铜线物理发泡聚乙烯(绝缘)(锡丝铝)聚氯乙烯(聚乙烯)3、信号控制电缆(RVV护套线、RVVP屏蔽线)适用于楼宇对讲、防盗报警、消防、自动抄表等工程RVVP:铜芯聚氯乙烯绝缘屏蔽聚氯乙烯护套软电缆电压300V/300V2-24芯用途:仪器、仪表、对讲、监控、控制安装4、RG:物理发泡聚乙烯绝缘接入网电缆用于同轴光纤混合网(HFC)中传输数据模拟信号5、KVVP:聚氯乙烯护套编织屏蔽电缆用途:电器、仪表、配电装置的信号传输、控制、测量6、RVV(227IEC52/53)聚氯乙烯绝缘软电缆用途:家用电器、小型电动工具、仪表及动力照明7、AVVR 聚氯乙烯护套安装用软电缆8、SBVV HYA 数据通信电缆(室内、外)用于电话通信及无线电设备的连接以及电话配线网的分线盒接线用9、RV、RVP 聚氯乙烯绝缘电缆10、RVS、RVB 适用于家用电器、小型电动工具、仪器、仪表及动力照明连接用电缆11、BV、BVR 聚氯乙烯绝缘电缆用途:适用于电器仪表设备及动力照明固定布线用12、RIB 音箱连接线(发烧线)13、KVV 聚氯乙烯绝缘控制电缆用途:电器、仪表、配电装置信号传输、控制、测量14、SFTP 双绞线传输电话、数据及信息网15、UL2464 电脑连接线16、VGA 显示器线17、SYV 同轴电缆无线通讯、广播、监控系统工程和有关电子设备中传输射频信号(含综合用同轴电缆)18、SDFAVP、SDFAVVP、SYFPY 同轴电缆,电梯专用19、JVPV、JVPVP、JVVP 铜芯聚氯乙烯绝缘及护套铜丝编织电子计算机控制电缆电线电缆命名与型号电线电缆命名与型号命名原则及案例:电线电缆的完整命名通常较为复杂,所以人们有时用一个简单的名称(通常是一个类别的名称)结合型号规格来代替完整的名称,如“低压电缆”代表0.6/1kV级的所有塑料绝缘类电力电缆。
电线电缆规格型号表名称规格型号单芯塑料电缆 1.5mm²VV-B2.5mm²VV-B4mm²VV-B6mm²VV-B10mm²VV-B16mm²VV-B25mm²VV-B35mm²VV-B50mm²VV-B70mm²VV-B95mm²VV-B 多芯塑料电缆2x1.5mm²VV22-B2x2.5mm²VV22-B3x1.5mm²VV22-B3x2.5mm²VV22-B4x1.5mm²VV22-B4x2.5mm²VV22-B4x4mm²VV22-B4x6mm²VV22-B5x1.5mm²VV22-B5x2.5mm²VV22-B5x4mm²VV22-B7x1.5mm²VV22-B 7x2.5mm²VV22-B 7x4mm²VV22-B 7x6mm²VV22-B 10x1.5mm²VV22-B 10x2.5mm²VV22-B 10x4mm²VV22-B 10x6mm²VV22-B 12x1.5mm²VV22-B 12x2.5mm²VV22-B 12x4mm²VV22-B铜芯电力电缆25mm²VV2235mm²VV2250mm²VV2270mm²VV2295mm²VV22120mm²VV22150mm²VV22185mm²VV22240mm²VV22300mm²VV22400mm²VV22铝芯电力电缆25mm²VV6235mm²VV6250mm²VV6270mm²VV6295mm²VV62120mm²VV62150mm²VV62185mm²VV62240mm²VV62300mm²VV62400mm²VV62以上为电线电缆的规格型号表。
经常使用弱电线缆型号年夜全及说明之迟辟智美创作名称图例暗示方法用途SYV系列75欧姆实芯聚乙烯绝缘SYV 75-5-1(A、B、C) S: 射频Y:聚乙烯绝缘V:聚氯乙烯护套A:64编B:96编C:128编75:75欧姆5:线径为5MM 1:代表单芯通经常使用于电视监控系统的视频传输,适合视频图像传输SYWV(Y)、SYKV 有线电视、宽带网专用电缆SYWV 75-5-1 S: 射频Y:聚乙烯绝缘W:物理发泡V:聚氯乙烯护套 75:75欧姆5:线缆外径为5MM 1:代表单芯通经常使用于卫星电视传输以及有线电视传输等,适合射频传输.RG-58--96#-镀锡铜编织-50欧通经常使用于弱电视频图像传输或HFC网络等.AVVR或RVV 护套线RVV(227IEC52/53)聚氯乙烯绝缘软电缆RVV 和RVVP 里面采纳的线为多股细铜丝组成的软线,即RV线组成. 通经常使用于弱电电源供电等.AVVR或RVV 圆形双绞护套线RVV(227IEC52/53)聚氯乙烯绝缘软电缆RVV-暗示铜芯聚氯乙烯绝缘聚氯乙烯护套圆形连接软电缆.适用于楼宇对讲、防盗报警、消防、自动抄表等工程.通经常使用于弱电电源供电等.RVVP-暗示软铜芯绞合圆型聚氯乙烯绝缘绝缘聚氯乙烯护套软电线.适用于楼宇对讲、防盗报警、消防、自动抄表等工程RVVP2*32/0.2 RVV2*1.0 BVR R: 软线 VV:双层护套线 P屏蔽RVB扁型无护套软电线或电缆AVRB 通经常使用于布景音乐和公共广播,也可做弱电供电电源线.RVS-暗示铜芯聚氯乙烯绞型连接电线.经常使用于家用电器、小型电开工具、仪器仪表、控制系统、广播音响、消防、照明及控制用线. ZR: 阻燃R: 软线S:双绞线通经常使用于公共广播系统/布景音乐系统布线,消防系统布线.RIB YXB音箱连接线(发烧线、金银线)用于功放机输出至音箱的接线.BV暗示单铜芯聚氯乙烯普通绝缘电线,无护套线BV4单铜芯聚氯乙烯绝缘电线,铜芯截面面积4平方毫米.红色,黄色,蓝色,绿色,黑色,黄绿色(地线)用于弱电供电电源线,一般适合做供电电流较年夜的主干电源供电.适用于交流电压450/750V及以下动力装置、日用电器、仪表及电信设备用的电线电缆.BVR-暗示聚氯乙烯绝缘,铜芯(软)布电线,经常简称软线.由于电线比力柔软,经经常使用于电力拖动中和机电的连接以及电线常有轻微移动的场所BVV-暗示铜芯聚氯乙烯绝缘聚氯乙烯圆型护套电缆,铜芯(硬)布电线.经常简称护套线,单芯的是圆的,双芯的就是扁的,经经常使用于明装电线.ZR-BVV 3x6.0暗示3根截面6平方毫米的铜芯聚氯乙烯绝缘聚氯乙烯圆型护套电缆.KVV 和KVVP 里面采纳的线为单股粗铜丝组成的硬线,即BV线组成.BVVB-暗示铜芯聚氯乙烯绝缘聚氯乙烯平型护套电缆.适用于要求机械防护较高、湿润等场所可明敷或暗敷.VV(VLV)-暗示铜(铝)芯聚氯乙烯绝缘聚氯乙烯护套电力线缆,NH-VV 3x70+2X35暗示3根截面积70mm2铜芯+2根35mm2铜芯的耐火聚氯乙烯绝缘聚氯乙烯护套电力线缆.适用于敷设在室内、隧道、及沟管中,不能接受机械外力的作用,可直接埋地敷设.铜芯聚氯乙烯绝缘屏蔽聚氯乙烯护套软电缆只是内部截面小于0.75平方毫米的名称为AVVR,年夜于即是0.75平方毫米的名称为RVVP.电压300V/300V 2-24芯例如:RVVP2*线径,RVVP3*线径,RVVP5*线径......带屏蔽形,通经常使用于弱电信号控制及信号传输,可防止干扰.仪器、仪表、对讲、监控、控制装置UTP:局域网电缆网线、网络线传输德律风、计算机数据、防火、防盗保安系统、智能楼宇信息网计算机网络线,有5类,6类之分,有屏蔽与不屏蔽之分HBV适用于室内外德律风装置用线RVB 2X1/0.4德律风线适用于室内外德律风装置用线AV线(也叫:音视频线)2C-75-33C-75-3用于音响设备,家用影视设备音频和视频信号连接.HTP咪线(也叫:话筒线)连接话筒与功放机.HYA、1.年夜对数通信电缆2.小对数通信电缆HYV因防水性能差现已淘汰,被具有挡潮性能的HYA取代.1.通经常使用于室外通讯主接线箱,一般对数数百户2.通经常使用于室外通讯分接线箱/或建筑物内楼层分线箱,一般支持数十户SYXV75-5 电梯电缆用于随电梯行走的电视监控专用线材,内含视频线、电源线、钢丝VGA、RGB显示器线电缆的型号由八部份组成:一、用途代码-不标为电力电缆,K为控制缆,P为信号缆;二、绝缘代码-Z油浸纸,X橡胶,V聚氯乙稀,YJ交联聚乙烯三、导体资料代码-不标为铜,L为铝;四、内护层代码-Q铅包,L铝包,H橡套,V聚氯乙稀护套五、派生代码-D不滴流,P干绝缘;六、外护层代码七、特殊产物代码-TH湿热带,TA干热带;八、额定电压-单元KV专业线缆产物在弱电工程中的俗称一、同轴电缆、视频电缆、视频线、同轴线、监控线、监控电缆、-2线、-3线、-5线、-7线、-9线、-12线、两兆线、对录线、音视频线、屏蔽线上述俗称可能涵盖的专业产物规格、型号:1、SYV75-2、SYV75-3、SYV75-5、SYV75-7、SYV75-9、SYV75-12、2、RG58、RG59、3D-2V、5D-2V、3C-2V、5C-2V、SYV75-2×4、SYV75-2×8、SYV75-2×16二、同轴电缆、有线电视电缆、有线电视线、射频电缆、射频线、物理发泡同轴电缆、发泡线、馈线、-5线、-7线、-9线、-12线、上述俗称可能涵盖的专业产物规格、型号:1、SYWV75-5、SYWV75-7、SYWV75-9、SYWV75-12、SYWLV75-7、SYWLV75-9、SYWLV75-12、2、SYWV75-5(2P/4P)、SYWV75-7(2P/4P)、SYWV75-9(2P/4P)、SYWV75-12(2P/4P)、3、RG59、RG6、RG7、RG11、三、电源线、护套线、多芯线、软线、控制线、信号线、控制电缆、信号电缆、控制线缆、信号线缆、上述俗称可能涵盖的专业产物规格、型号:1、AVVR2ײ、AVVR2ײ、RVV2ײ、RVV2ײ、RVV2ײ、RVV2ײ、RVV2ײ、RVV2ײ、RVV2ײ或更年夜平方 2、AVVR3ײ、AVVR3ײ、RVV3ײ、RVV3ײ、RVV3ײ、RVV3ײ、RVV3ײ、RVV3ײ、RVV3ײ或更年夜平方 3、RVVP 2ײ、RVVP 2ײ、RVVP2ײ、RVVP2ײ、RVVP2ײ、RVVP2ײ、RVVP2ײ、RVVP2ײ、RVVP2ײ或更年夜平方4、KVV2ײ、KVV2ײ、KVV2ײ、KVV2ײ、KVV2ײ、KVV2ײ、KVV2ײ或更年夜平方 5、KVV3ײ、KVV3ײ、KVV3ײ、KVV3ײ、KVV3ײ、KVV3ײ、KVV3ײ或更年夜平方6、RV0.3 mm²、RV 0.5 mm²、RV 0.75 mm²、²、²、²、²、²、²、²、或更年夜平方7、RVVB 2ײ、RVVB 2ײ、RVVB 2ײ、RVVB 2ײ、RVVB 2ײ、RVVB 2ײ、RVVB 2ײ、RVVB 2ײ、RVVB 2ײ或更年夜平方四、电源线、控制线、控制线缆、控制电缆、信号线、信号线缆、信号电缆、屏蔽线、屏蔽线缆、屏蔽电缆、上述俗称可能涵盖的专业产物规格、型号:1、RVVP 2ײ、RVVP 2ײ、RVVP2ײ、RVVP2ײ、RVVP2ײ、RVVP2ײ、RVVP2ײ、RVVP2ײ、RVVP2ײ或更年夜平方2、RVVP 3ײ、RVVP 3ײ、RVVP3ײ、RVVP3ײ、RVVP3ײ、RVVP3ײ、RVVP3ײ、RVVP3ײ、RVVP3ײ或更年夜平方3、或更多芯数的RVVP系列线缆4 、KVVP 2ײ、KVVP 2ײ、KVVP2ײ、KVVP2ײ、KVVP2ײ、KVVP2ײ、KVVP2ײ、KVVP2ײ、KVVP2ײ或更年夜平方5、KVVP 3ײ、KVVP 3ײ、KVVP3ײ、KVVP3ײ、KVVP3ײ、KVVP3ײ、KVVP3ײ、KVVP3ײ、KVVP3ײ或更年夜平方6、或更多芯数的KVVP系列线缆7、RVVSP 2ײ、RVVSP 2ײ、RVVSP2ײ、RVVSP2ײ、RVVSP2ײ、RVVSP2ײ、RVVSP2ײ、RVVSP2ײ、RVVSP2ײ或更年夜平方/更多芯数8、RVVS 2ײ、RVVS 2ײ、RVVS2ײ、RVVS2ײ、RVVS2ײ、RVVS2ײ、RVVS2ײ、RVVS2ײ、RVVS2ײ或更年夜平方/更多芯数五、双绞线、花线、麻花线、S型双绞线上述俗称可能涵盖的专业产物规格、型号:RVS 2ײ、RVS 2ײ、RVS 2ײ、RVS 2ײ、RVS 2ײ、RVS 2ײ、RVS 2ײ、RVS 2ײ、RVS 2ײ或更年夜平方六、铜线、硬线、黄绿线、地线、零线、火线、接地线、平方线、平方线、4平方线、6平方线、10平方线上述俗称可能涵盖的专业产物规格、型号:1、BV 0.75 mm²、²、²、²、²、²、²、²、或更年夜平方2、BVVB 2ײ、BVVB 2ײ、BVVB 2ײ、BVVB 2ײ、BVVB 2ײ、BVVB 2ײ或更年夜平方七、音频线、音箱线、音响线、金银线、话筒线、喇叭线、广播线、发烧线、布景音乐线、公共广播线上述俗称可能涵盖的专业产物规格、型号:1、YXB 2ײ、YXB 2ײ、YXB 2ײ、YXB 2ײ、YXB 2ײ、YXB 2ײ、YXB 2ײ、YXB 2ײ、YXB 2ײ或更年夜平方2、YXB 2×20支、YXB 2×30支、YXB 2×50支、YXB 2×70支、YXB 2×100支、YXB 2×150支、YXB 2×200支、YXB 2×300支、YXB 2×630支或更多芯数3、RVVSP 2ײ、RVVSP2ײ、RVVSP 2ײ、RVVSP 2ײ、RVVSP 2ײ、RVVSP 2ײ、RVVSP 2ײ、RVVSP 2ײ、RVVSP 2ײ或更年夜平方、更多芯数4、RVVS2ײ、RVVS2ײ、RVVS2ײ、RVVS2ײ、RVVS2ײ、RVVS2ײ、RVVS2ײ、RVVS2ײ、RVVS2ײ或更年夜平方、更多芯数5、HTP 2×20芯、HTP 2×27芯、HTP 2×37芯、HTP 2×48芯、HTP 2×60芯、HTP 3×20芯、HTP 3×27芯、HTP 3×37芯、HTP 3×48芯、HTP 3×60芯、或更多芯数八、德律风线、并线、耳机线上述俗称可能涵盖的专业产物规格、型号:RVB 2ײ、RVB 2ײ、RVB 2ײ、RVB 2ײ或更年夜平方九、RGB线、RGB电缆、VGA线、VGA电缆、3+4电缆、3+6电缆、3+9电缆、5+5电缆、十、电梯线、电梯专用线、电梯专用电缆、电梯监控线、电梯监控电缆上述俗称可能涵盖的专业产物规格、型号:TV-TV2P、TV-TV2P、TVVB-TV-3-R、TVVB-TV-3-G、TVVB-TV-5-G、十一、弱电线、弱电线缆、安防线缆、监控线缆、消防线缆、报警线缆、安防线、监控线、消防线、报警线、阻燃线、耐火线、地埋线、架空线、架空电缆、地埋电缆、阻燃电缆、耐火电缆、安防电缆、监控电缆、上述俗称可能涵盖的专业产物规格、型号:所有线缆型号前加前缀,如ZR、NH等十二、接插件、视频头、音频头、莲花头、同轴电缆连接器、Q9头、BNC接头、F头、双通、直通、三通、视频双通、视频三通、年夜二声接头、单声接头、双声接头、接头、接头、卡侬头、话筒头上述俗称可能涵盖的专业产物规格、型号:Q9J 、Q9K、BNCJ、BNCK、FJ、FK、KK、KJK、、6.35 J2/J3/K2/K3、-1、-2、-3、-4、-5、-7、-9、-12、J3P/K3P、J3PW/K3PW、L16、SL16、十三、双绞线、网线、网络线、五类线、超五类线、六类线、网络电缆、计算机线、计算机电缆、光纤、光缆、三类年夜对数电缆、五类年夜对数电缆、配线架、理线架、模块、面板、跳线、成型跳线、尾纤、机柜、适配器、语音模块、数据模块、视频模块、物业模块、信息模块、打线、压线工具上述俗称可能涵盖的专业产物规格、型号:UTP电缆、、、具体型号/规格每个厂家不尽相同.介绍几种线缆的区别RVV 与 KVV、 RVVP 与 KVVP 其参考标准(JB 8734.5-1998) 区别:RVV 和RVVP 里面采纳的线为多股细铜丝组成的软线,即RV线组成.KVV 和KVVP 里面采纳的线为单股粗铜丝组成的硬线,即BV线组成.作为KVV和KVVP的延伸即为KYJV和KYJVP,改变就是在KYJV和KYJVP所采纳的绝缘资料是硅烷交联绝缘料. AVVR 与 RVVP区别:工具一样,只是内部截面小于0.75平方毫米的名称为AVVR,年夜于即是0.75平方毫米的名称为RVVP.SYV 与 SYWV其参考标准(YD/T1174-2001,YD/T1175-2001) 区别: SYV是视频传输线, 用聚乙烯绝缘.SYWV是射频传输线,物理发泡绝缘.用于有线电视.RVS 与RVV 2芯区别: RVS为双芯RV线绞合而成,没有外护套,用于广播连接.RVV 2芯线直放成缆,有外护套,用于电源,控制信号等方面YZ、YZW与YC、YCW其参考标准(JB 8735-1998):区别:YZ、YZW是中型橡套软电缆,用于各种移动电器设备和工具.电压品级为300/500V.YC、YCW是重型橡套软电缆,用于各种移动电器设备,能够接受较年夜的机械外力作用.电压品级为450/750V.且在导体截面相等前提下,YC、YCW要比YZ、YZW的护套厚度年夜.估算电缆线径|截面积|重量、一、估算铜、铁、铝线的重量(kg/km)重量=截面积×比重 S=截面积(mm2)1. 铜线 W=9S W=重量(kg)2. 铝线 W=3S d=线径(mm)3. 铁丝 W=8S二、按线径估算重量(kg/km)≈7d2≈2d2≈6d2三、估算线径和截面积S=0.785d2怎样选取导体截面首先计算负荷距(架空线)负荷距=功率×长度 =PL P=功率(kw) L=长度(km)例:xx车间与配电房变压器相距200m,动力负荷200kw,问需要铜芯线多年夜平方?如改成铝芯线,需要多年夜平方?先计算负荷距=200×0.2=40kw/km因为根据“铜线:每千瓦公里用2.5mm2,铝线:每千瓦公里用4mm2”铜线 40×2.5=100mm2 实际选用120mm2.铝线 40×4=160mm2 实际选用185mm2.铝线计算截面公式实际选用185mm2Δu是电压损失百分数(允许电压损失是额定电压的4%)一般是5%导线截面积计算公式(导线距离/压降/电流关系)铜线 S=IL÷×U)铝线 S=IL÷(34×U)I-导线中通过的最年夜电流(A); L-导线长度(m);U-允许的压降(V);S-导线的截面积(平方毫米)。
电线电缆规格型号代表的含义
型号、名称
RV铜芯氯乙烯绝缘连接电缆(电线)
AVR镀锡铜芯聚乙烯绝缘平型连接软电缆(电线)
RVB铜芯聚氯乙烯平型连接电线
RVS铜芯聚氯乙烯绞型连接电线
RVV铜芯聚氯乙烯绝缘聚氯乙烯护套圆形连接软电缆
ARVV镀锡铜芯聚氯乙烯绝缘聚氯乙烯护套平形连接软电缆
RVVB铜芯聚氯乙烯绝缘聚氯乙烯护套平形连接软电缆
RV-105铜芯耐热105oC聚氯乙烯绝缘聚氯乙烯绝缘连接软电缆
AF-205AFS-250AFP-250镀银聚氯乙氟塑料绝缘耐高温-60oC~250oC连接软电线
2、规格表示法的含义
规格采用芯数、标称截面和电压等级表示
①单芯分支电缆规格表示法:同一回路电缆根数*(1*标称截面), 0.6/1K V,
如:4*(1*185)+1*95 0.6/1KV
②多芯绞合型分支电缆规格表示法:同一回路电缆根数*标称截面, 0.6/1K V,
如:4**185+1*95 0.6/1KV
电线电缆规格型号说明
型号名称用途
BX(BLX)铜(铝)芯橡皮绝缘线适用交流
注:B(B)——第一个字母表示布线,第二个字母表示玻璃丝编制。
V(V)——第一个字母表示聚乙烯(塑料)绝缘,第二个字母表示聚乙烯护套。
L(L)——铝,无L则表示铜
F(F)——复合型
R——软线
S——双绞
X——绝缘橡胶。
电缆型号大全附图HJ——局用电缆(2)绝缘:Y——实心聚烯烃绝缘YF——泡沫聚烯烃绝缘YP——泡沫/实心皮聚烯烃绝缘(3)内护层:A——涂塑铝带粘接屏蔽聚乙烯护套S——铝,钢双层金属带屏蔽聚乙烯护套V——聚氯乙烯护套(4)特征:T——石油膏填充G——高频隔离C——自承式(5)外护层:23——双层防腐钢带绕包销装聚乙烯外被层33——单层细钢丝铠装聚乙烯被层43——单层粗钢丝铠装聚乙烯被层53——单层钢带皱纹纵包铠装聚乙烯外被层553——双层钢带皱纹纵包铠装聚乙烯外被层2)BV铜芯聚氯乙烯绝缘电线;BLV铝芯聚氯乙烯绝缘电线;BVV铜芯聚氯乙烯绝缘聚氯乙烯护套电线;BLVV铝芯聚氯乙烯绝缘聚氯乙烯护套电线;BVR铜芯聚氯乙烯绝缘软线;RV铜芯聚氯乙烯绝缘安装软线;RVB铜芯聚氯乙烯绝缘平型连接线软线;BVS铜芯聚氯乙烯绝缘绞型软线;RVV铜芯聚氯乙烯绝缘聚氯乙烯护套软线;BYR聚乙烯绝缘软电线;BYVR聚乙烯绝缘聚氯乙烯护套软线;RY聚乙烯绝缘软线;RYV聚乙烯绝缘聚氯乙烯护套软线3)电缆的型号由八部分组成:一、用途代码-不标为电力电缆,K为控制缆,P为信号缆;二、绝缘代码-Z油浸纸,X橡胶,V聚氯乙稀,YJ交联聚乙烯三、导体材料代码-不标为铜,L为铝;四、内护层代码-Q铅包,L铝包,H橡套,V聚氯乙稀护套五、派生代码-D不滴流,P干绝缘;六、外护层代码七、特殊产品代码-TH湿热带,TA干热带;八、额定电压-单位KV有关电缆型号的问题1、SYV:实心聚乙烯绝缘射频同轴电缆2、SYWV(Y):物理发泡聚乙绝缘有线电视系统电缆,视频(射频)同轴电缆(SYV、SYWV、SYFV)适用于闭路监控及有线电视工程SYWV(Y)、SYKV有线电视、宽带网专用电缆结构:(同轴电缆)单根无氧圆铜线物理发泡聚乙烯(绝缘)(锡丝铝)聚氯乙烯(聚乙烯)3、信号控制电缆(RVV护套线、RVVP屏蔽线)适用于楼宇对讲、防盗报警、消防、自动抄表等工程RVVP:铜芯聚氯乙烯绝缘屏蔽聚氯乙烯护套软电缆电压300V/300V2-24芯用途:仪器、仪表、对讲、监控、控制安装4、RG:物理发泡聚乙烯绝缘接入网电缆用于同轴光纤混合网(HFC)中传输数据模拟信号5、KVVP:聚氯乙烯护套编织屏蔽电缆用途:电器、仪表、配电装置的信号传输、控制、测量6、RVV(227IEC52/53)聚氯乙烯绝缘软电缆用途:家用电器、小型电动工具、仪表及动力照明7、AVVR聚氯乙烯护套安装用软电缆8、SBVV HYA数据通信电缆(室内、外)用于电话通信及无线电设备的连接以及电话配线网的分线盒接线用9、RV、RVP聚氯乙烯绝缘电缆10、RVS、RVB适用于家用电器、小型电动工具、仪器、仪表及动力照明连接用电缆11、BV、BVR聚氯乙烯绝缘电缆用途:适用于电器仪表设备及动力照明固定布线用12、RIB音箱连接线(发烧线)13、KVV聚氯乙烯绝缘控制电缆用途:电器、仪表、配电装置信号传输、控制、测量14、SFTP双绞线传输电话、数据及信息网15、UL2464电脑连接线16、VGA显示器线17、SYV同轴电缆无线通讯、广播、监控系统工程和有关电子设备中传输射频信号(含综合用同轴电缆)18、SDFAVP、SDFAVVP、SYFPY同轴电缆,电梯专用19、JVPV、JVPVP、JVVP铜芯聚氯乙烯绝缘及护套铜丝编织电子计算机控制电缆电线电缆命名与型号电线电缆命名与型号命名原则及案例:电线电缆的完整命名通常较为复杂,所以人们有时用一个简单的名称(通常是一个类别的名称)结合型号规格来代替完整的名称,如“低压电缆”代表0.6/1kV级的所有塑料绝缘类电力电缆。
电线电缆的型谱较为完善,可以说,只要写出电线电缆的标准型号规格,就能明确具体的产品,但它的完整命名是怎样的呢?电线电缆产品的命名有以下原则:1、产品名称中包括的内容(1)产品应用场合或大小类名称(2)产品结构材料或型式;(3)产品的重要特征或附加特征基本按上述顺序命名,有时为了强调重要或附加特征,将特征写到前面或相应的结构描述前。
2、结构描述的顺序产品结构描述按从内到外的原则:导体-->绝缘-->内护层-->外护层-->铠装型式。
3、简化在不会引起混淆的情况下,有些结构描述省写或简写,如汽车线、软线中不允许用铝导体,故不描述导体材料。
案例:额定电压8.7/15kV阻燃铜芯交联聚乙烯绝缘钢带铠装聚氯乙烯护套电力电缆“额定电压8.7/15kV”——使用场合/电压等级“阻燃”——强调的特征“铜芯”——导体材料“交联聚乙烯绝缘”——绝缘材料“钢带铠装”——铠装层材料及型式(双钢带间隙绕包)“聚氯乙烯护套”——内外护套材料(内外护套材料均一样,省写内护套材料)“电力电缆”——产品的大类名称与之对应的型号写为ZR-YJV22-8.7/15,型号的写法见后面的说明。
电线与电缆的区分其实,“电线”和“电缆”并没有严格的界限。
通常将芯数少、产品直径小、结构简单的产品称为电线,没有绝缘的称为裸电线,其他的称为电缆;导体截面积较大的(大于6平方毫米)称为大电线,较小的(小于或等于6平方毫米)称为小电线,绝缘电线又称为布电线。
电线电缆的型号组成与顺序如下:[1:类别、用途][2:导体][3:绝缘][4:内护层][5:结构特征][6:外护层或派生][7:使锰卣]1-5项和第7项用拼音字母表示,高分子材料用英文名的第位字母表示,每项可以是1-2个字母;第6项是1-3个数字。
型号中的省略原则:电线电缆产品中铜是主要使用的导体材料,故铜芯代号T省写,但裸电线及裸导体制品除外。
裸电线及裸导体制品类、电力电缆类、电磁线类产品不表明大类代号,电气装备用电线电缆类和通信电缆类也不列明,但列明小类或系列代号等。
第7项是各种特殊使用场合或附加特殊使用要求的标记,在“-”后以拼音字母标记。
有时为了突出该项,把此项写到最前面。
如ZR-(阻燃)、NH-(耐火)、WDZ-(低烟无卤、企业标准)、-TH(湿热地区用)、FY-(防白蚁、企业标准)等。
电力电缆铠装和外护套数字数字标记铠装层外被层或外护套0无---1联锁铠装纤维外被2双层钢带聚氯乙烯外套3细圆钢丝聚乙烯外套4粗圆钢丝---5皱纹(轧纹)钢带---6双铝(或铝合金)带---7铜丝编织---8钢丝编织---电线电缆产品分类电线电缆的应用主要分为三大类:1、电力系统电力系统采用的电线电缆产品主要有架空裸电线、汇流排(母线)、电力电缆(塑料线缆、油纸力缆(基本被塑料电力电缆代替)、橡套线缆、架空绝缘电缆)、分支电缆(取代部分母线)、电磁线以及电力设备用电气装备电线电缆等。
2、信息传输系统用于信息传输系统的电线电缆主要有市话电缆、电视电缆、电子线缆、射频电缆、光纤缆、数据电缆、电磁线、电力通讯或其他复合电缆等。
3、机械设备、仪器仪表系统此部分除架空裸电线外几乎其他所有产品均有应用,但主要是电力电缆、电磁线、数据电缆、仪器仪表线缆等。
电线电缆产品主要分为五大类:1、裸电线及裸导体制品本类产品的主要特征是:纯的导体金属,无绝缘及护套层,如钢芯铝绞线、铜铝汇流排、电力机车线等;加工工艺主要是压力加工,如熔炼、压延、拉制、绞合/紧压绞合等;产品主要用在城郊、农村、用户主线、开关柜等。
2、电力电缆本类产品主要特征是:在导体外挤(绕)包绝缘层,如架空绝缘电缆,或几芯绞合(对应电力系统的相线、零线和地线),如二芯以上架空绝缘电缆,或再增加护套层,如塑料/橡套电线电缆。
主要的工艺技术有拉制、绞合、绝缘挤出(绕包)、成缆、铠装、护层挤出等,各种产品的不同工序组合有一定区别。
产品主要用在发、配、输、变、供电线路中的强电电能传输,通过的电流大(几十安至几千安)、电压高(220V至500kV及以上)。
3、电气装备用电线电缆该类产品主要特征是:品种规格繁多,应用范围广泛,使用电压在1kV及以下较多,面对特殊场合不断衍生新的产品,如耐火线缆、阻燃线缆、低烟无卤/低烟低卤线缆、防白蚁、防老鼠线缆、耐油/耐寒/耐温/耐磨线缆、医用/农用/矿用线缆、薄壁电线等。
4、通讯电缆及光纤(本公司目前不生产该类产品,故作简略介绍)随着近二十多年来,通讯行业的飞速发展,产品也有惊人的发展速度。
从过去的简单的电话电报线缆发展到几千对的话缆、同轴缆、光缆、数据电缆,甚至组合通讯缆等。
该类产品结构尺寸通常较小而均匀,制造精度要求高。
5、电磁线(绕组线)(本公司目前不生产该类产品,故作简略介绍)主要用于各种电机、仪器仪表等。
电线电缆的衍生/新产品:电线电缆的衍生/新产品主要是因应用场合、应用要求不同及装备的方便性和降低装备成本等的要求,而采用新材料、特殊材料、或改变产品结构⒒蛱岣吖ひ找蟆⒒蚪煌分值牟方凶楹隙?采用不同材料如阻燃线缆、低烟无卤/低烟低卤线缆、防白蚁、防老鼠线缆、耐油/耐寒/耐温线缆等;改变产品结构如:耐火电缆等;提高工艺要求如:医用线缆等;组合产品如:OPGW等;方便安装和降低装备成本如:预制分支电缆等。
二电线电缆规格型号代表的含义型号、名称RV铜芯氯乙烯绝缘连接电缆(电线)AVR镀锡铜芯聚乙烯绝缘平型连接软电缆(电线)RVB铜芯聚氯乙烯平型连接电线RVS铜芯聚氯乙烯绞型连接电线RVV铜芯聚氯乙烯绝缘聚氯乙烯护套圆形连接软电缆ARVV镀锡铜芯聚氯乙烯绝缘聚氯乙烯护套平形连接软电缆RVVB铜芯聚氯乙烯绝缘聚氯乙烯护套平形连接软电缆RV-105铜芯耐热105oC聚氯乙烯绝缘聚氯乙烯绝缘连接软电缆AF-205AFS-250AFP-250镀银聚氯乙氟塑料绝缘耐高温-60oC~250oC连接软电线2、规格表示法的含义规格采用芯数、标称截面和电压等级表示①单芯分支电缆规格表示法:同一回路电缆根数*(1*标称截面),0.6/1KV,如:4*(1*185)+1*95 0.6/1KV②多芯绞合型分支电缆规格表示法:同一回路电缆根数*标称截面,0.6/1KV,如:4**185+1*95 0.6/1KV电线电缆规格型号说明注:B(B)——第一个字母表示布线,第二个字母表示玻璃丝编制。
V(V)——第一个字母表示聚乙烯(塑料)绝缘,第二个字母表示聚乙烯护套。
L(L)——铝,无L则表示铜F(F)——复合型R——软线S——双绞X——绝缘橡胶。