常用电线电缆规格型号
- 格式:xls
- 大小:27.50 KB
- 文档页数:3
常见电线电缆的规格型号BVVB :铜芯聚氯乙烯绝缘聚氯乙烯护套扁形(B )电线AVR :铜芯聚氯乙烯绝缘安装(A)用软(R)电线RV :软铜导体无护套电缆AVRB :铜芯聚氯乙烯绝缘扁形安装用软电线RVB :软铜导体扁形无护套电缆RVS :铜芯聚氯乙烯绝缘绞型(S)连接用软电线RW :铜芯聚氯乙烯绝缘聚氯乙烯护套软电线(前一个V表示聚氯乙烯绝缘,后一个V表示聚氯乙烯护套)AVVR :铜芯聚氯乙烯绝缘聚氯乙烯护套安装用软电缆至于规格有 3 等芯 4 等芯和3+1 3 个常用规格等芯就是截面一样的3+1 就是地线的截面是相线的一半。
目前50平方以下都是等芯。
电线电缆3.6/6kv 指额定电压(使用场合/电压等级)电线型号中:字母B表示布电线,字母V表示塑料中的聚氯乙烯,字母R表示软线(导体为很多细丝绞在一起)。
还有铜芯符号、硬线(常见的单芯导体)符号省略没有表示。
BVV表示聚氯乙烯绝缘,聚氯乙烯护套,铜芯(硬)布电线。
常常简称护套线,单芯的是圆的,双芯的就是扁的。
常常用于明装电线。
BVR表示聚氯乙烯绝缘,铜芯(软)布电线。
常常简称软线。
由于电线比较柔软,常常用于电力拖动中和电机的连接以及电线常有轻微移动的场合。
附:电线电缆命名电线电缆的完整命名通常较为复杂,所以人们有时用一个简单的名称(通常是一个类别的名称)结合型号规格来代替完整的名称,如“低压电缆”代表0.6/1kV 级的所有塑料绝缘类电力电缆。
电线电缆的型谱较为完善,可以说,只要写出电线电缆的标准型号规格,就能明确具体的产品,但它的完整命名是怎样的呢?电线电缆产品的命名有以下原则:1、产品名称中包括的内容(1)产品应用场合或大小类名称(2)产品结构材料或型式;(3)产品的重要特征或附加特征基本按上述顺序命名,有时为了强调重要或附加特征,将特征写到前面或相应的结构描述前。
2、结构描述的顺序产品结构描述按从内到外的原则:导体--> 绝缘--> 内护层--> 外护层--> 铠装型式。
电线规格型号大全电线是电气工程中常用的一种导电材料,其规格型号的选择直接关系到电气设备的安全性和稳定性。
因此,了解各种电线的规格型号是非常重要的。
本文将为大家介绍一些常见的电线规格型号,希望能对大家有所帮助。
1. BV电线。
BV电线是一种常用的裸铜芯聚氯乙烯绝缘电线,其规格型号一般为1.5mm²、2.5mm²、4mm²等。
BV电线适用于家庭、商业和工业领域的电气设备接线,具有导电性能好、绝缘性能优异等特点。
2. BVR电线。
BVR电线是一种软性裸铜芯聚氯乙烯绝缘电线,其规格型号一般为2.5mm²、4mm²、6mm²等。
BVR电线适用于需要柔软性能的场合,如移动式电器设备、电动工具等,具有柔软、耐磨损等特点。
3. RV电线。
RV电线是一种裸铜芯聚氯乙烯绝缘软电线,其规格型号一般为0.5mm²、0.75mm²、1mm²等。
RV电线适用于家庭、商业和工业领域的固定敷设,具有柔软、耐磨损等特点。
4. BVV电线。
BVV电线是一种裸铜芯聚氯乙烯绝缘电线,其规格型号一般为20.75mm²、31.0mm²、41.5mm²等。
BVV电线适用于家庭、商业和工业领域的固定敷设,具有耐高温、耐腐蚀等特点。
5. RVV电线。
RVV电线是一种裸铜芯聚氯乙烯绝缘软电线,其规格型号一般为20.75mm²、31.0mm²、41.5mm²等。
RVV电线适用于家庭、商业和工业领域的固定敷设,具有柔软、耐磨损等特点。
6. KYJV电线。
KYJV电线是一种铜芯交联聚乙烯绝缘聚氯乙烯护套电力电缆,其规格型号一般为10mm²、16mm²、25mm²等。
KYJV电线适用于输配电线路、设备配电等场合,具有耐高温、耐腐蚀、抗拉力强等特点。
7. NH-YJV电线。
NH-YJV电线是一种铜芯交联聚乙烯绝缘聚氯乙烯护套耐火电力电缆,其规格型号一般为10mm²、16mm²、25mm²等。
电线电缆规格型号大全1. 概述电线电缆是将电能传送和分配到各种电器设备的导体,常用于电力、通信和数据传输领域。
不同种类的电线电缆有各自的规格型号,下面将介绍常见的电线电缆规格型号。
2. 电线规格型号2.1 铜电线铜电线是最常见的电线类型之一,广泛用于建筑、工业和家庭应用。
以下是常见的铜电线规格型号:• 2.5mm²单芯铜电线•4mm²单芯铜电线•6mm²单芯铜电线•10mm²单芯铜电线•16mm²单芯铜电线2.2 铝电线铝电线是另一种常见的电线类型,相对于铜电线而言,铝电线更轻便且价格较低。
以下是常见的铝电线规格型号:• 2.5mm²单芯铝电线•4mm²单芯铝电线•6mm²单芯铝电线•10mm²单芯铝电线•16mm²单芯铝电线3. 电缆规格型号3.1 电力电缆电力电缆用于输送大功率电能,广泛用于电网、工厂和建筑物等场所。
以下是常见的电力电缆规格型号:•1kV 交联聚乙烯绝缘电力电缆•10kV 交联聚乙烯绝缘电力电缆•35kV 交联聚乙烯绝缘电力电缆•110kV 交联聚乙烯绝缘电力电缆•220kV 交联聚乙烯绝缘电力电缆3.2 通信电缆通信电缆用于传输电话、网络和电视信号,常见于办公室、家庭和数据中心等场所。
以下是常见的通信电缆规格型号:•CAT5e 双绞线通信电缆•CAT6 双绞线通信电缆•光纤通信电缆•同轴电缆3.3 控制电缆控制电缆用于控制电器设备的运行,常见于工业自动化系统和机器人等应用。
以下是常见的控制电缆规格型号:•PVC 电缆护套控制电缆•PE 电缆护套控制电缆•XLPE 电缆护套控制电缆•双绞线控制电缆4. 注意事项在选择电线电缆规格型号时,需要根据具体需求和使用环境进行合理选择。
以下是一些注意事项:•确定所需的电线电缆额定电压和电流容量。
•确定电线电缆的外径和弯曲半径。
•参考国家标准和行业标准,选择符合要求的电线电缆。
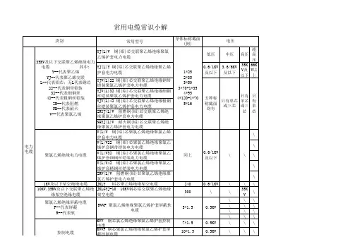
常见电线电缆的规格型号BVVB:铜芯聚氯乙烯绝缘聚氯乙烯护套扁形(B)电线AVR:铜芯聚氯乙烯绝缘安装(A)用软(R)电线RV:软铜导体无护套电缆AVRB :铜芯聚氯乙烯绝缘扁形安装用软电线RVB:软铜导体扁形无护套电缆RVS:铜芯聚氯乙烯绝缘绞型(S)连接用软电线RVV:铜芯聚氯乙烯绝缘聚氯乙烯护套软电线(前一个V表示聚氯乙烯绝缘.后一个V表示聚氯乙烯护套)AVVR:铜芯聚氯乙烯绝缘聚氯乙烯护套安装用软电缆至于规格有3等芯 4等芯和3+1 3个常用规格等芯就是截面一样的 3+1就是地线的截面是相线的一半。
目前50平方以下都是等芯。
电线电缆 3.6/6kv 指额定电压(使用场合/电压等级)电线型号中:字母B表示布电线.字母V表示塑料中的聚氯乙烯.字母R表示软线(导体为很多细丝绞在一起)。
还有铜芯符号、硬线(常见的单芯导体)符号省略没有表示。
BVV表示聚氯乙烯绝缘.聚氯乙烯护套.铜芯(硬)布电线。
常常简称护套线.单芯的是圆的.双芯的就是扁的。
常常用于明装电线。
BVR表示聚氯乙烯绝缘.铜芯(软)布电线。
常常简称软线。
由于电线比较柔软.常常用于电力拖动中和电机的连接以及电线常有轻微移动的场合。
附:电线电缆命名电线电缆的完整命名通常较为复杂.所以人们有时用一个简单的名称(通常是一个类别的名称)结合型号规格来代替完整的名称.如“低压电缆”代表 0.6/1kV级的所有塑料绝缘类电力电缆。
电线电缆的型谱较为完善.可以说.只要写出电线电缆的标准型号规格.就能明确具体的产品.但它的完整命名是怎样的呢?电线电缆产品的命名有以下原则:1、产品名称中包括的内容(1)产品应用场合或大小类名称(2)产品结构材料或型式;(3)产品的重要特征或附加特征基本按上述顺序命名.有时为了强调重要或附加特征.将特征写到前面或相应的结构描述前。
2、结构描述的顺序产品结构描述按从内到外的原则:导体-->绝缘-->内护层-->外护层-->铠装型式。
常用国标电线电缆的型号和规格Document number:PBGCG-0857-BTDO-0089-PTT1998常用国标电线电缆的型号和规格(1)类别:H——市内通信电缆 HP——配线电缆 HJ——局用电缆(2)绝缘:Y——实心聚烯烃绝缘 YF——泡沫聚烯烃绝缘 YP——泡沫/实心皮聚烯烃绝缘(3)内护层:A——涂塑铝带粘接屏蔽聚乙烯护套 S——铝,钢双层金属带屏蔽聚乙烯护套 V——聚氯乙烯护套(4)特征:T——石油膏填充 G——高频隔离 C——自承式(5)外护层:23——双层防腐钢带绕包销装聚乙烯外被层 33——单层细钢丝铠装聚乙烯被层 43——单层粗钢丝铠装聚乙烯被层 53——单层钢带皱纹纵包铠装聚乙烯外被层 553——双层钢带皱纹纵包铠装聚乙烯外被层 2) BV 铜芯聚氯乙烯绝缘电线; BLV 铝芯聚氯乙烯绝缘电线; BVV 铜芯聚氯乙烯绝缘聚氯乙烯护套电线; BLVV 铝芯聚氯乙烯绝缘聚氯乙烯护套电线; BVR 铜芯聚氯乙烯绝缘软线; RV 铜芯聚氯乙烯绝缘安装软线; RVB 铜芯聚氯乙烯绝缘平型连接线软线; BVS 铜芯聚氯乙烯绝缘绞型软线; RVV 铜芯聚氯乙烯绝缘聚氯乙烯护套软线; BYR 聚乙烯绝缘软电线; BYVR 聚乙烯绝缘聚氯乙烯护套软线; RY 聚乙烯绝缘软线; RYV 聚乙烯绝缘聚氯乙烯护套软线 3)电缆的型号由八部分组成:一、用途代码-不标为电力电缆,K为控制缆,P为信号缆;二、绝缘代码-Z油浸纸,X橡胶,V聚氯乙稀,YJ交联聚乙烯三、导体材料代码-不标为铜,L为铝;四、内护层代码-Q铅包,L铝包,H橡套,V聚氯乙稀护套五、派生代码-D不滴流,P干绝缘;六、外护层代码七、特殊产品代码-TH湿热带,TA干热带;八、额定电压-单位KV 有关电缆型号的问题 1、SYV:实心聚乙烯绝缘射频同轴电缆 2、SYWV(Y):物理发泡聚乙绝缘有线电视系统电缆,视频(射频)同轴电缆(SY V、SYWV、SYFV)适用于闭路监控及有线电视工程 SYWV (Y)、SYKV 有线电视、宽带网专用电缆结构:(同轴电缆)单根无氧圆铜线物理发泡聚乙烯(绝缘)(锡丝铝)聚氯乙烯(聚乙烯) 3、信号控制电缆(RVV护套线、RVVP屏蔽线)适用于楼宇对讲、防盗报警、消防、自动抄表等工程 RV VP:铜芯聚氯乙烯绝缘屏蔽聚氯乙烯护套软电缆电压300V/300 V2-24芯用途:仪器、仪表、对讲、监控、控制安装 4、RG:物理发泡聚乙烯绝缘接入网电缆用于同轴光纤混合网(HFC)中传输数据模拟信号 5、KVVP:聚氯乙烯护套编织屏蔽电缆用途:电器、仪表、配电装置的信号传输、控制、测量 6、RVV (227IEC52/53)聚氯乙烯绝缘软电缆用途:家用电器、小型电动工具、仪表及动力照明 7、AVVR 聚氯乙烯护套安装用软电缆 8、SBVV HYA 数据通信电缆(室内、外)用于电话通信及无线电设备的连接以及电话配线网的分线盒接线用 9、RV、RVP 聚氯乙烯绝缘电缆 10、RVS、RVB 适用于家用电器、小型电动工具、仪器、仪表及动力照明连接用电缆 11、BV、BVR 聚氯乙烯绝缘电缆用途:适用于电器仪表设备及动力照明固定布线用 12、RIB 音箱连接线(发烧线) 13、KVV 聚氯乙烯绝缘控制电缆用途:电器、仪表、配电装置信号传输、控制、测量 14、SFTP 双绞线传输电话、数据及信息网 15、UL2464 电脑连接线 16、VGA 显示器线 17、SYV 同轴电缆无线通讯、广播、监控系统工程和有关电子设备中传输射频信号(含综合用同轴电缆) 18、SDFAVP、SDFAVVP、SYFPY 同轴电缆,电梯专用 19、JVPV、JVPVP、JVVP 铜芯聚氯乙烯绝缘及护套铜丝编织电子计算机控制电缆电线电缆命名与型号电线电缆命名与型号命名原则及案例: 电线电缆的完整命名通常较为复杂,所以人们有时用一个简单的名称(通常是一个类别的名称)结合型号规格来代替完整的名称,如“低压电缆”代表1kV级的所有塑料绝缘类电力电缆。
常用电力电缆规格型号1. 引言电力电缆作为电力传输的重要组成部分,在电力工程中起着至关重要的作用。
不同的工程项目和用途需要使用不同规格型号的电力电缆。
本文将介绍常用的电力电缆规格型号,并对其特点进行分析和比较。
2. 低压电力电缆低压电力电缆主要用于城市建筑、农村电网、工矿企业等低压配电系统中,其额定电压一般在 0.6/1kV 以下。
2.1 电线电线是一种常见的低压电力电缆,其结构简单,由一个或多个绝缘导体组成。
根据绝缘材料的不同,电线可以分为 PVC 绝缘电线、XLPE绝缘电线等。
常用的规格型号有:•BVV:铜芯 PVC 绝缘电线;•BVVB:铜芯 PVC 绝缘 PVC 皮线电线;•NH-YJV:耐火电缆,铜芯 XLPE 绝缘 PVC 套电线;•NH-VV:耐火电缆,铜芯 PVC 绝缘 PVC 套电线。
2.2 电缆电缆常用于远距离输电,其结构相对复杂,由一个或多个绝缘导体和导体屏蔽、绝缘屏蔽、内护套、外护套等组成。
常用的规格型号有:•VV:铜芯 PVC 绝缘 PVC 护套电缆;•VV22:铜芯 PVC 绝缘钢带铠装 PVC 护套电缆;•YJV:铜芯 XLPE 绝缘 PVC 护套电缆;•YJV22:铜芯 XLPE 绝缘钢带铠装 PVC 护套电缆。
中压电力电缆主要用于城市电网、工业电网等中压配电系统中,其额定电压一般在 3.6/6kV 到 26/35kV。
3.1 电缆中压电缆相对于低压电缆来说,其绝缘层更厚、结构更复杂,能够承受更高的电压。
常用的规格型号有:•YJV:铜芯 XLPE 绝缘 PVC 护套电缆;•YJV22:铜芯 XLPE 绝缘钢带铠装 PVC 护套电缆;•ZC-YJV:中荷联合电缆,铜芯 XLPE 绝缘 PVC 护套电缆;•ZC-YJV22:中荷联合电缆,铜芯 XLPE 绝缘钢带铠装 PVC 护套电缆。
高压电力电缆主要用于电网交流输电系统,其额定电压一般在110kV 及以上。
4.1 电缆高压电缆具有更高的绝缘强度和更大的额定电流,能够承受更高的电压和电流负荷。
常见电线电缆的规格型号BVVB:铜芯聚氯乙烯绝缘聚氯乙烯护套扁形(B)电线AVR:铜芯聚氯乙烯绝缘安装(A)用软(R)电线RV:软铜导体无护套电缆AVRB :铜芯聚氯乙烯绝缘扁形安装用软电线RVB:软铜导体扁形无护套电缆RVS:铜芯聚氯乙烯绝缘绞型(S)连接用软电线RVV:铜芯聚氯乙烯绝缘聚氯乙烯护套软电线(前一个V表示聚氯乙烯绝缘,后一个V表示聚氯乙烯护套)AVVR:铜芯聚氯乙烯绝缘聚氯乙烯护套安装用软电缆至于规格有3等芯4等芯和3+1 3个常用规格等芯就是截面一样的3+1就是地线的截面是相线的一半。
目前50平方以下都是等芯。
电线电缆 3.6/6kv 指额定电压(使用场合/电压等级)电线型号中:字母B表示布电线,字母V表示塑料中的聚氯乙烯,字母R表示软线(导体为很多细丝绞在一起)。
还有铜芯符号、硬线(常见的单芯导体)符号省略没有表示。
BVV表示聚氯乙烯绝缘,聚氯乙烯护套,铜芯(硬)布电线。
常常简称护套线,单芯的是圆的,双芯的就是扁的。
常常用于明装电线。
BVR表示聚氯乙烯绝缘,铜芯(软)布电线。
常常简称软线。
由于电线比较柔软,常常用于电力拖动中和电机的连接以及电线常有轻微移动的场合。
附:电线电缆命名电线电缆的完整命名通常较为复杂,所以人们有时用一个简单的名称(通常是一个类别的名称)结合型号规格来代替完整的名称,如“低压电缆”代表0.6/1kV级的所有塑料绝缘类电力电缆。
电线电缆的型谱较为完善,可以说,只要写出电线电缆的标准型号规格,就能明确具体的产品,但它的完整命名是怎样的呢?电线电缆产品的命名有以下原则:1、产品名称中包括的内容(1)产品应用场合或大小类名称(2)产品结构材料或型式;(3)产品的重要特征或附加特征基本按上述顺序命名,有时为了强调重要或附加特征,将特征写到前面或相应的结构描述前。
2、结构描述的顺序产品结构描述按从内到外的原则:导体-->绝缘-->内护层-->外护层-->铠装型式。
国标电缆规格表
国标电线电缆是国内使用较多的标准线缆,规范相对来说比较细致,各行各业所需使用明确的型号,下面小编就为大家介绍下国标电缆规格型号一览表。
一、国标电缆规格型号一览表
国标电缆线型号有BV、BVR、AVR、AVVR、02RV等等,规格有2.5毫米、2.4毫米、2.6毫米、2.1毫米、2.16毫米、2.25毫米、2.35毫米、2.5毫米、2.7毫米、2.95毫米、2.12毫米、2.15毫米、2.3毫米、2.4毫米、2.5毫米、2.8毫米等。
二、各领域常见电缆规格
在电器类产品领域,使用多的有电子线、护套线。
电子线类主要作用为电器内部连接线,这类电子线的特点是载流量小,且耐压低。
市面上常用的型号有AVR、AVVR、06RV、02RV。
常用的规格有0.5毫米2-6.0毫米2。
护套线主要是电器产品的大功率电源接线,也就是日常家电上使用的插头,主要是配有护套线,常用的有52RVV、53RVV,其规格为2芯、3芯,0.75毫米²、1.0毫米²、1.5毫米²使用较多。
电机行业领域,有专门的型号进行配线,因为电机不同功率及使用场合的产品较多,对耐油、耐温方面有很高的要求,因此电机用线的型号分类相对来说较为细致。
常用的主要型号包括有JF、JV、JXF、JYJ、JH、JEM,常用规格有0.5毫米²-70毫米²。
在重工业领域,电力电缆使用广泛,可以分配大功率电能,比如发电站、光伏新能源、城市地下电网等,电力电缆产品中1-500KV(含)以上各种电压等
级,各种绝缘的电力电缆型号分类较为全面,常用的有YJV、YJV22、YJY32、VV、ZR-VV、ZR-VVR等。
电缆规格型号表大全一、电力电缆1. 交联聚乙烯绝缘电力电缆型号:YJV规格:4mm²、6mm²、10mm²、16mm²、25mm²、35mm²、50mm²、70mm²、95mm²、120mm²、150mm²、185mm²、240mm²、300mm²特点:该型号电力电缆采用交联聚乙烯作为绝缘材料,具有较高的耐热性和耐电压能力,适用于输送高压电力。
2. 交联聚乙烯绝缘电力电缆(铜芯、钢带铠装)型号:ZC-YJV22规格:25mm²、35mm²、50mm²、70mm²、95mm²、120mm²、150mm²、185mm²、240mm²、300mm²、400mm²特点:此型号电力电缆在YJV基础上增加了钢带铠装,提高了电缆的机械强度和抗外力损伤能力,适用于埋地敷设和抗拉力较大的场合。
3. 高电压橡皮护套电缆型号:YQ规格:6mm²、10mm²、16mm²、25mm²、35mm²、50mm²、70mm²、95mm²、120mm²、150mm²特点:该型号电缆采用橡皮作为护套材料,具有优良的柔韧性和耐磨性能,适用于移动电力设备的接地连接。
4. 低烟无卤阻燃电力电缆型号:ZR-BV规格:2.5mm²、4mm²、6mm²、10mm²、16mm²、25mm²、35mm²、50mm²、70mm²、95mm²、120mm²、150mm²、185mm²、240mm²、300mm²特点:此型号电力电缆采用无卤材料制造,具有低烟、无毒、阻燃性能好等特点,适用于室内及有人员密集场所。
常见电线电缆的规格型号BVVB:铜芯聚氯乙烯绝缘聚氯乙烯护套扁形(B)电线AVR:铜芯聚氯乙烯绝缘安装(A)用软(R)电线RV:软铜导体无护套电缆AVRB :铜芯聚氯乙烯绝缘扁形安装用软电线RVB:软铜导体扁形无护套电缆RVS:铜芯聚氯乙烯绝缘绞型(S)连接用软电线RVV:铜芯聚氯乙烯绝缘聚氯乙烯护套软电线(前一个V表示聚氯乙烯绝缘,后一个V表示聚氯乙烯护套)AVVR:铜芯聚氯乙烯绝缘聚氯乙烯护套安装用软电缆至于规格有3等芯4等芯和3+1 3个常用规格等芯就是截面一样的3+1就是地线的截面是相线的一半。
目前50平方以下都是等芯。
电线电缆6kv 指额定电压(使用场合/电压等级)电线型号中:字母B表示布电线,字母V表示塑料中的聚氯乙烯,字母R表示软线(导体为很多细丝绞在一起)。
还有铜芯符号、硬线(常见的单芯导体)符号省略没有表示。
BVV表示聚氯乙烯绝缘,聚氯乙烯护套,铜芯(硬)布电线。
常常简称护套线,单芯的是圆的,双芯的就是扁的。
常常用于明装电线。
BVR表示聚氯乙烯绝缘,铜芯(软)布电线。
常常简称软线。
由于电线比较柔软,常常用于电力拖动中和电机的连接以及电线常有轻微移动的场合。
附:电线电缆命名电线电缆的完整命名通常较为复杂,所以人们有时用一个简单的名称(通常是一个类别的名称)结合型号规格来代替完整的名称,如“低压电缆”代表1kV级的所有塑料绝缘类电力电缆。
电线电缆的型谱较为完善,可以说,只要写出电线电缆的标准型号规格,就能明确具体的产品,但它的完整命名是怎样的呢?电线电缆产品的命名有以下原则:1、产品名称中包括的内容(1)产品应用场合或大小类名称(2)产品结构材料或型式;(3)产品的重要特征或附加特征基本按上述顺序命名,有时为了强调重要或附加特征,将特征写到前面或相应的结构描述前。
2、结构描述的顺序产品结构描述按从内到外的原则:导体-->绝缘-->内护层-->外护层-->铠装型式。
Mistakes are occasional mistakes, but misses are always regrets.通用参考模板(页眉可删)常用电线电缆规格型号大全常用电线电缆规格型号大全常用电线电缆规格型号表BV--铜芯聚氯乙烯绝缘电缆(电线)BVR--铜芯聚氯乙烯绝缘软电缆(电线)BVV--铜芯聚氯乙烯绝缘聚氯乙烯护套圆型电缆(电线)BVVB--铜芯聚氯乙烯绝缘聚氯乙烯护套平型电缆(电线)BV-105--铜芯耐热105度聚氯乙烯绝缘电线BV-ZR 铜芯阻燃型聚氯乙烯绝缘电线BVR-ZR 铜芯阻燃型聚氯乙烯绝缘软电线BVV-ZR 铜芯阻燃型聚氯乙烯绝缘聚氯乙烯护套圆型电缆BVVB-ZR 铜芯阻燃型聚氯乙烯绝缘聚氯乙烯护套平型电缆BV-ZR-105 铜芯耐热105℃阻燃型聚氯乙烯绝缘电线BVR-ZR-105 铜芯耐热105℃阻燃型氯乙烯绝缘聚氯乙烯护套圆型软电缆BVV-ZR-105 铜芯耐热105℃阻燃型聚氯乙烯护套圆型电缆AV-ZR-105 铜芯耐热105℃阻燃型聚氯乙烯绝缘安装电线AVR-ZR-105 铜芯耐热105℃阻燃型聚氯乙烯绝缘安装软电线AV-ZR 铜芯阻燃型聚氯乙烯绝缘安装电线 AV-ZR 铜芯阻燃型聚氯乙烯绝缘安装软电线RVB--铜芯聚氯乙烯绝缘平型连接软电线RVS--铜芯聚氯乙烯绝缘绞型连接软电线RVV--铜芯聚氯乙烯绝缘聚氯乙烯护套平型连接软电缆(电线)RV-105--铜芯耐热105度聚氯乙烯绝缘连接软电线SYV:实心聚乙烯绝缘射频同轴电缆SYWV(Y):物理发泡聚乙绝缘有线电视系统电缆,视频(射频)同轴电缆(SYV、SYWV、SYFV)适用于闭路监控及有线电视工程SYWV(Y)、SYKV 有线电视、宽带网专用电缆结构:(同轴电缆)单根无氧圆铜线+物理发泡聚乙烯(绝缘)+(锡丝+铝)+聚氯乙烯(聚乙烯)RVVP屏蔽线:铜芯聚氯乙烯绝缘屏蔽聚氯乙烯护套软电缆电压300V/300V 2-24芯用途:仪器、仪表、对讲、监控、控制安装RG:物理发泡聚乙烯绝缘接入网电缆用于同轴光纤混合网(HFC)中传输数据模拟信号KVVP:聚氯乙烯护套编织屏蔽电缆用途:电器、仪表、配电装置的'信号传输、控制、测量RVV护套线(227IEC52/53)聚氯乙烯绝缘软电缆用途:家用电器、小型电动工具、仪表及动力照明AVVR 聚氯乙烯护套安装用软电缆SBVV HYA 数据通信电缆(室内、外)用于电话通信及无线电设备的连接以及电话配线网的分线盒接线用RV、RVP 聚氯乙烯绝缘电缆RVS、RVB 适用于家用电器、小型电动工具、仪器、仪表及动力照明连接用电缆BV、BVR 聚氯乙烯绝缘电缆用途:适用于电器仪表设备及动力照明固定布线用RIB 音箱连接线(发烧线)KVV 聚氯乙烯绝缘控制电缆用途:电器、仪表、配电装置信号传输、控制、测量SFTP 双绞线传输电话、数据及信息网UL2464 电脑连接线VGA 显示器线SYV 同轴电缆无线通讯、广播、监控系统工程和有关电子设备中传输射频信号(含综合用同轴电缆)SDFAVP、SDFAVVP、SYFPY 同轴电缆,电梯专用JVPV、JVPVP、JVVP 铜芯聚氯乙烯绝缘及护套铜丝编织电子计算机控制电缆。
电线电缆规格型号大全电线电缆是用于导电、输送电能的装置,广泛应用于建筑、工业、交通等领域。
不同的电线电缆规格和型号适用于不同的场合和需求。
本文将为您介绍常见的电线电缆规格型号,以帮助您在选择时更加明确。
1. 电线规格型号1.1. BV电线BV电线是一种常用的铜芯塑料绝缘电线,主要用于输送交流电和直流电。
其规格型号如下:•BV1.0:额定电压1.0kv,导体截面积1.5mm²~400mm²。
•BV2.5:额定电压2.5kv,导体截面积1.5mm²~400mm²。
•BV4.0:额定电压4.0kv,导体截面积1.5mm²~400mm²。
1.2. RVV电线RVV电线是一种带有绞合屏蔽和护套的多芯软线,适用于固定布线和移动式设备。
其规格型号如下:•RVV2×0.75:2芯,额定电压300/500V,导体截面积0.75mm²。
•RVV3×1.0:3芯,额定电压300/500V,导体截面积1.0mm²。
•RVV4×2.5:4芯,额定电压300/500V,导体截面积2.5mm²。
1.3. THHN电线THHN电线是一种耐热、耐腐蚀的铜芯PVC绝缘电线,适用于室内和室外的电气设备。
其规格型号如下:•14AWG:额定电压600V,导体截面积2.08mm²。
•12AWG:额定电压600V,导体截面积3.31mm²。
•10AWG:额定电压600V,导体截面积5.26mm²。
2. 电缆规格型号2.1. 线芯布线电缆线芯布线电缆是一种常见的室内布线电缆,适用于建筑物内的照明、插座和开关等连接。
其规格型号如下:•NH-BV-2×1.5:2芯,额定电压300/500V,导体截面积1.5mm²。
•NH-BV-3×2.5:3芯,额定电压300/500V,导体截面积2.5mm²。
常用电线电缆规格型号及价格红、黄、蓝、绿、黑、黄绿双色接地用装修装璜用电线选用小常识:照明用线选用1平方至平方毫米,插座用线选用平方毫米,空调用线不得小于4平方毫米,建议选用4平方毫米甚至以上;接地线选用黄绿双色线,接开关线选用红、黄、蓝、绿、黑等任一种;一些常见问题:希望各位买家能花上几分钟时间认真阅读1.电线一扎长度:100米,正负误差2-3米;2.电线型号:BV单股,BVR多股,BVV双胶单股,BVVR双胶多股;3.电线常用规格:1平方/平方/平方/4平方/6平方/10平方等;BVR区别:BV为单股线,BVR为多股,BVR比BV贵5%左右;比BV的好处:1水电拉线施工更方便.2在板弯时不易把线折断;3铜线柔软性更好;国标1998规定的电线负载电流值部分1平方铜线允许长期负载电流为:6A---8A平方铜线允许长期负载电流为:8A---15A平方铜线允许长期负载电流为:16A---25A4平方铜线允许长期负载电流为:25A---32A6平方铜线允许长期负载电流为:32A---40A8.家庭电路设计,2000年前,电路设计一般是:进户线4—6 mm2,照明mm2,插座mm2,空调4mm2专线;2000年后,电路设计一般是:进户线6—10 mm2,照明mm2,插座4mm2,空调6 mm2专线红、黄、蓝、绿、黑、黄绿双色接地用装修装璜用电线选用小常识:照明用线选用1平方至平方毫米,插座用线选用平方毫米,空调用线不得小于4平方毫米,建议选用4平方毫米甚至以上;接地线选用黄绿双色线,接开关线选用红、黄、蓝、绿、黑等任一种;一些常见问题:希望各位买家能花上几分钟时间认真阅读1.电线一扎长度:100米,正负误差2-3米;2.电线型号:BV单股,BVR多股,BVV双胶单股,BVVR双胶多股;3.电线常用规格:1平方/平方/平方/4平方/6平方/10平方等;BVR区别:BV为单股线,BVR为多股,BVR比BV贵5%左右;比BV的好处:1水电拉线施工更方便.2在板弯时不易把线折断;3铜线柔软性更好;国标1998规定的电线负载电流值部分1平方铜线允许长期负载电流为:6A---8A平方铜线允许长期负载电流为:8A---15A平方铜线允许长期负载电流为:16A---25A4平方铜线允许长期负载电流为:25A---32A6平方铜线允许长期负载电流为:32A---40A8.家庭电路设计,2000年前,电路设计一般是:进户线4—6 mm2,照明mm2,插座mm2,空调4mm2专线;2000年后,电路设计一般是:进户线6—10 mm2,照明mm2,插座4mm2,空调6 mm2专线常用同轴电缆型号的规格和主要参数同轴电缆可分为两种基本类型,基带同轴电缆和宽带同轴电缆;目前基带常用的电缆,其屏蔽线是用铜做成的网状的,特征阻抗为50如RG-8、RG-58等;宽带同轴电缆常用的电缆的屏蔽层通常是用铝冲压成的,特征阻抗为75如RG-59等;粗同轴电缆与细同轴电缆是指同轴电缆的直径大还是小;粗缆适用于比较大型的局部网络,它的标准距离长、可靠性高;由于安装时不需要切断电缆,因此可以根据需要灵活调整计算机的入网位置;但粗缆网络必须安装收发器和收发器电缆,安装难度大,所以总体造价高;相反,细缆安装则比较简单,造价低,但由于安装过程要切断电缆,两头须装上基本网络连接头BNC,然后接在T型连接器两端,所以当接头多时容易产生接触不良的隐患,这是目前运行中的以太网所发生的最常见故障之一;为了保持同轴电缆的正确电气特性,电缆屏蔽层必须接地;同时两头要有终端器来削弱信号反射作用;无论是粗缆还是细缆均为总线拓扑结构,即一根缆上接多部机器,这种拓扑适用于机器密集的环境;但是当一触点发生故障时,故障会串联影响到整根缆上的所有机器,故障的诊断和修复都很麻烦,因此,将逐步被非屏蔽双绞线或光缆取代;最常用的同轴电缆有下列几种:RG-8或RG-11:50Ω;RG-58:50Ω;RG-59:75Ω;RG-62:93Ω;计算机网络一般选用RG-8以太网粗缆和RG-58以太网细缆;RG-59 用于电视系统;RG-62 用于ARCnet网络和IBM3270网络;。