电杆埋深标准
- 格式:docx
- 大小:14.55 KB
- 文档页数:5
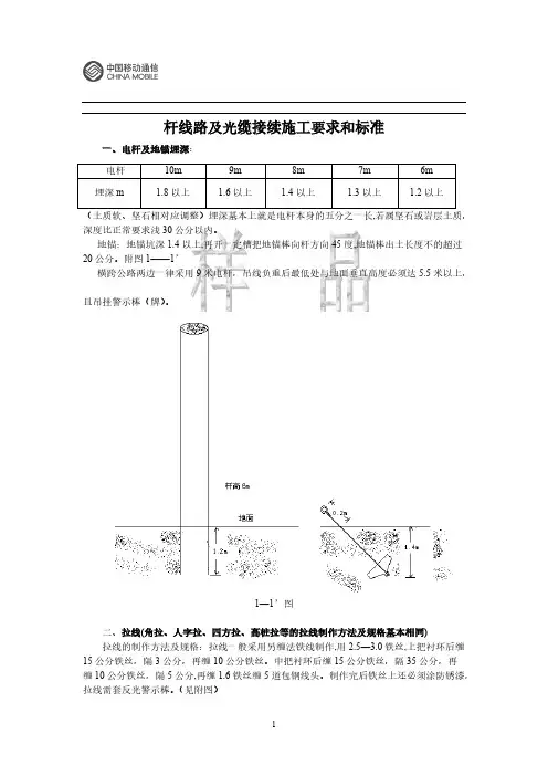
杆线路及光缆接续施工要求和标准一、电杆及地锚埋深:电杆10m 9m 8m 7m 6m 埋深m 1.8以上 1.6以上 1.4以上 1.3以上 1.2以上(土质软、坚石相对应调整)埋深基本上就是电杆本身的五分之一长,若属坚石或岩层土质,深度比正常要求浅30公分以内。
地锚:地锚坑深1.4以上,再开一定槽把地锚棒向杆方向45度,地锚棒出土长度不的超过20公分。
附图1——1’横跨公路两边一律采用9米电杆,吊线负重后最低处与地面垂直高度必须达5.5米以上,且吊挂警示棒(牌)。
1—1’图二、拉线(角拉、人字拉、四方拉、高桩拉等的拉线制作方法及规格基本相同)拉线的制作方法及规格:拉线一般采用另缠法铁线制作,用2.5—3.0铁丝,上把衬环后缠15公分铁丝,隔3公分,再缠10公分铁丝。
中把衬环后缠15公分铁丝,隔35公分,再缠10公分铁丝,隔5公分,再缠1.6铁丝缠5道包钢线头。
制作完后铁丝上还必须涂防锈漆,拉线需套反光警示棒。
(见附图)人字拉的拉距(杆至地锚坑外侧):三、拉线抱箍的安装:角杆拉线抱箍应安装在吊线抱箍下面,单独的人字拉拉线抱箍安装在吊线抱箍下面60公分处,四方拉的拉线抱箍安装(顺拉拉线抱箍安装在吊线抱箍下面20公分处,人字拉拉线抱箍安装在顺拉抱箍下面60公分处)。
四、拉线的定位及角深的测定要测定拉线的方向和量出拉距确定地锚的出土地点(撑杆的测定与拉线同,只是方向相反)。
角杆拉线方位的测定,可按测量角深的方法进行,其角深的反方向即是拉线的方向,出土位置可按杆高的比例量出拉距(见附图)丈量出OB=OC 和AB=AC 按图意测量即可。
即:OD 为角深。
AO 为拉线方向线,拉距以杆高定。
角杆拉的拉距(杆至地锚坑外侧):角杆的角深超过10米的必须打双拉。
杆高 6米 7米 8米 9米拉距 5.3米 6.2米 7米 7.9米杆高 6米 7米 8米 9米 拉距 5.1米 6.1米 7.2米 8.2米五、吊线抱箍、串钉的安装:吊线抱箍一般装在离杆顶25公分处,串钉装杆子最上面眼并且串钉装上单槽挟板后还必须有1公分左右镙干丝在外。
12米水泥电杆埋深计算方法
【最新版3篇】
《12米水泥电杆埋深计算方法》篇1
根据杆的长度和埋深的要求,可按公式计算:
1. 当h≤0.8m时,D=12m;h=0.8m时,D=15m;h=1.0m时,D=18m;h=1.2m时,D=21m;h=1.5m时,D=24m;h=1.8m时,D=27m;h=
2.0m 时,D=30m;h=2.5m时,D=35m;h=
3.0m时,D=40m;h=
4.0m时,D=45m;h=
5.0m时,D=50m;h=
6.0m时,D=55m;h=
7.0m时,D=60m;h≥
8.0m时,D=65m。
2. 当电线杆埋深H在0.8~1.2m时,电线杆直径D为:
H=1.0+0.03H。
《12米水泥电杆埋深计算方法》篇2
根据杆的长度和埋深的要求,可按公式计算:
1. 当h≤0.8m时,D=12m;h=0.8m时,D=15m;h=1.0m时,D=18m;h=1.25m时,D=21m;h=1.5m时,D=24m;h=1.75m时,D=27m;h=
2.0m 时,D=30m。
2. 当1.5m≤h≤2.0m时,可采用水泥电线杆重4.0kg/m的普通钢筋混凝土电线杆。
3. 当1.0m≤h≤1.5m时,可采用水泥电线杆重3.0kg/m的预应力混凝土电线杆,根据需要可生产重5.0kg/m的预应力混凝土电线杆。
4. 当h≤1.0m时,可采用水泥电线杆重2.0kg/m的预应力混凝土电线杆。
《12米水泥电杆埋深计算方法》篇3
12米水泥电线杆埋深可以通过以下公式进行计算:12米水泥电线杆埋深=1.6×√(122/3.14)=7.99米。
杆线路及光缆接续施工要求和标准一、电杆及地锚埋深:(土质软、坚石相对应调整)埋深基本上就是电杆本身的五分之一长,若属坚石或岩层土质,深度比正常要求浅30 地锚:地锚坑深1.420公分。
附图1——1’5.5米以上,且吊挂警示棒(牌)。
1—1’图二、拉线(角拉、人字拉、四方拉、高桩拉等的拉线制作方法及规格基本相同)拉线的制作方法及规格:拉线一般采用另缠法铁线制作,用2.5—3.0铁丝,上把衬环后缠15公分铁丝,隔3公分,再缠10公分铁丝。
中把衬环后缠15公分铁丝,隔35公分,再缠10公分铁丝,隔5公分,再缠1.6铁丝缠5道包钢线头。
制作完后铁丝上还必须涂防锈漆,拉线需套反光警示棒。
(见附图)电杆10m9m 8m7m6m 埋深m 1.8以上1.6以上1.4以上1.3以上1.2以上人字拉的拉距(杆至地锚坑外侧):三、拉线抱箍的安装:角杆拉线抱箍应安装在吊线抱箍下面,单独的人字拉拉线抱箍安装在吊线抱箍下面60公分处,四方拉的拉线抱箍安装(顺拉拉线抱箍安装在吊线抱箍下面20公分处,人字拉拉线抱箍安装在顺拉抱箍下面60公分处)。
四、拉线的定位及角深的测定要测定拉线的方向和量出拉距确定地锚的出土地点(撑杆的测定与拉线同,只是方向相反)。
角杆拉线方位的测定,可按测量角深的方法进行,其角深的反方向即是拉线的方向,出土位置可按杆高的比例量出拉距(见附图)丈量出OB=OC 和AB=AC 按图意测量即可。
即:OD 为角深。
AO 为拉线方向线,拉距以杆高定。
角杆拉的拉距(杆至地锚坑外侧):角杆的角深超过10米的必须打双拉。
杆高6米7米8米9米拉距 5.3米6.2米7米7.9米杆高6米7米8米9米拉距5.1米6.1米7.2米8.2米五、吊线抱箍、串钉的安装:吊线抱箍一般装在离杆顶25公分处,串钉装杆子最上面眼并且串钉装上单槽挟板后还必须有1公分左右镙干丝在外。
背档、吊档杆、角杆必须安装抱箍,并且夹板均安装在前进方向同左侧,以防后增加吊线,夹板三个螺丝必须全部拧紧。
杆线路及光缆接续施工要求和标准一、电杆及地锚埋深:(土质软、坚石相对应调整)埋深基本上就是电杆本身的五分之一长,若属坚石或岩层土质,深度比正常要求浅30 地锚:地锚坑深1.420公分。
附图1——1’5.5米以上,且吊挂警示棒(牌)。
1—1’图二、拉线(角拉、人字拉、四方拉、高桩拉等的拉线制作方法及规格基本相同)拉线的制作方法及规格:拉线一般采用另缠法铁线制作,用2.5—3.0铁丝,上把衬环后缠15公分铁丝,隔3公分,再缠10公分铁丝。
中把衬环后缠15公分铁丝,隔35公分,再缠10公分铁丝,隔5公分,再缠1.6铁丝缠5道包钢线头。
制作完后铁丝上还必须涂防锈漆,拉线需套反光警示棒。
(见附图)电杆10m 9m 8m 7m 6m 埋深m1.8以上1.6以上1.4以上1.3以上1.2以上人字拉的拉距(杆至地锚坑外侧):三、拉线抱箍的安装:角杆拉线抱箍应安装在吊线抱箍下面,单独的人字拉拉线抱箍安装在吊线抱箍下面60公分处,四方拉的拉线抱箍安装(顺拉拉线抱箍安装在吊线抱箍下面20公分处,人字拉拉线抱箍安装在顺拉抱箍下面60公分处)。
四、拉线的定位及角深的测定要测定拉线的方向和量出拉距确定地锚的出土地点(撑杆的测定与拉线同,只是方向相反)。
角杆拉线方位的测定,可按测量角深的方法进行,其角深的反方向即是拉线的方向,出土位置可按杆高的比例量出拉距(见附图)丈量出OB=OC 和AB=AC 按图意测量即可。
即:OD 为角深。
AO 为拉线方向线,拉距以杆高定。
角杆拉的拉距(杆至地锚坑外侧):角杆的角深超过10米的必须打双拉。
杆高6米7米8米9米拉距5.3米6.2米7米7.9米杆高6米7米8米9米拉距5.1米6.1米7.2米8.2米五、吊线抱箍、串钉的安装:吊线抱箍一般装在离杆顶25公分处,串钉装杆子最上面眼并且串钉装上单槽挟板后还必须有1公分左右镙干丝在外。
背档、吊档杆、角杆必须安装抱箍,并且夹板均安装在前进方向同左侧,以防后增加吊线,夹板三个螺丝必须全部拧紧。
郴电国际宜章分公司2018年度农网工程(二)10KV及以下架空配电线路安装工艺要求总监理工程师:何洲监理项目部(章)报告日期:2019 年02月一、电杆基坑及基础埋设1、基坑施工前的定位符合下列规定:⑴、直线杆顺线方向位移,10KV及以下架空电力线路不应超过设计档距的3%,直线杆横线路方向位移不超过50mm。
⑵、转角杆、分支的横线路、顺线路方向的位移均不应超过50mm。
2、电杆基础坑深应符合设计规定。
电杆基础坑深度允许偏差应为+100mm、-50mm。
同基基础坑在允许偏差范围内按最深一坑操平。
3、电杆的埋深应符合设计规定,一般为杆高的1/6,有底盘时坑深等于埋深加底盘厚度,电杆埋深如下表:杆高(m)8 10 12 15 18 21埋深(m) 1.5 1.7 1.9 2.3 3 3.2 4、电杆的拉线基础与堤坝基础间的水平距离不应小于电杆埋设深度的2倍。
电杆的拉线基础与沟渠边沿距离不应小于1.0M,小于1.0M 时应有保护基础措施。
5、双杆基础坑应符合下列规定:1)根开中心偏差不应超过+30mm,两杆坑深度应相等;2)直线杆、跨越杆、直线耐张杆。
两杆坑基底标高应相等;3)转角耐张双杆基础坑,内角坑高于外角坑2----3cm,使转角杆向外侧有一定倾斜。
6、15M及以上的转角、耐张杆,在沼泽地带;地下水位较高的杆位,应设底盘。
为防止洪水冲刷和基础冻胀,可采用高杆深埋措施。
电杆基础用底盘时,底盘圆形平面应与电杆中心垂直,找正后应填土夯实至底盘平面。
底盘的原槽直径不允许超过电杆根直径50mm。
7、电杆基础用卡盘时应符合以下原则:1)安装前应将其下部分层夯实,安装方向、位置、深度应符合设计要求;无设计要求时,上平面据地面不应小于500mm,安装方向应考虑主风向。
2)卡盘弧面应与电杆吻合,卡盘螺栓应紧固可靠。
3)12m及以下电杆除在沼泽地、或地下水位较高或砂壤路径外可不用卡盘;15M及以上水泥杆当倾覆稳定安全系数不够时应使用卡盘。
光缆路线施工要求光缆敷设方式通信光缆的敷设方式普通分为三种:管道、直埋和架空敷设方式。
一、光缆路线工程实施要求(一)基本要求1、普通要求(1)路线工程实施前应按设计图纸进行复测,重新丈量线路路由长度、人孔井位置。
复测中因外界环境变化而导致路由不通或者存在危及路线安全隐患的地段,要及时反馈给建设单位和设计单位,并在下达设计变更通知单后再进行调整、实施。
(2)施工前应根据光缆盘长和路由情况进行合理配盘,应尽量按盘号顺序敷设,以减少光纤参数差别所产生的接头本征损耗;光缆单盘标准长度:管道光缆以2km做为配盘基数,架空光缆按3公里配盘,直埋光缆按3公里配盘;挨近局站侧的单盘长度不宜小于500米,严禁使用短段光缆。
(3)光缆敷设安装的最小曲率半径应符合下表的要求:波纹管和钢管管孔内应穿放子管道,其子管道总外径不应超过原管孔内径的85%,子管道内径不宜小于光缆外径的15倍。
(5)光缆引上部份均采用①80mm钢管保护,钢管内穿放2根子管,子管规格为①28∕32mm聚乙烯塑料管。
钢管下部延伸至人(手)孔内或者地下,钢管上方管口以及子管管口应作阻塞处理。
(6)光缆路线在施工过程中要考虑光缆必要的预留长度,主要包括光缆接头处的预留长度、光缆弯曲增加长度、局站内预留长度等。
光缆的预留长度要严格按照下表要求实施,对特殊地段可结合工程现场实际情况确定。
XX 局为A 端,XX 中继站为B 端。
(二)架空光缆路线安装要求3杆路建造安装要求 (1)电杆的规格及选用架空杆路全程采用油木电杆,电杆稍径@14-20厘米。
杆路建造标准杆高为8米,标准杆距为50米,超过65米按长杆档处理。
光缆距地面的高度达不到要求时,可采取增加电杆高度的方式,当电杆高度为12米以下时(不含12米)采用单接杆方式,当电杆高度为12米以上时采用品接杆方式。
接杆时电杆锯出断面及刨平面需用沥青作防腐处理,接杆下节杆稍径不得小于上节杆稍径,单接杆时下节杆稍径不小于上节杆根径的四分之三。
10KV及以下架空配电线路安装工艺要求1.电杆基坑及基础埋设1.1.基坑施工前的定位符合下列规定:⑴.直线杆顺线方向位移,10KV及以下架空电力线路不应超过设计档距的3%, 直线杆横线路方向位移不超过50mm。
⑵.转角杆、分支的横线路、顺线路方向的位移均不应超过50mm。
1.2.电杆基础坑深应符合设计规定。
电杆基础坑深度允许偏差应为+100mm、-50mm。
同基基础坑在允许偏差范围内按最深一坑抄平1.3.电杆的埋深应符合设计规定,一般为杆高的1/6,有底盘时坑深等于埋1.4.电杆的拉线基础与堤坝基础间的水平距离不应小于电杆埋设深度的 2 倍。
电杆的拉线基础与沟渠边沿距离不应小于1.0M,小于1.0M时应有保护基础措施。
1.5.双杆基础坑应符合下列规定:1)根开中心偏差不应超过+30mm,两杆坑深度应相等;2)直线杆、跨越杆、直线耐张杆。
两杆坑基底标高应相等;3)转角耐张双杆基础坑,内角坑高于外角坑2――3cm,使转角杆向外侧有一定倾斜。
1.6.15M及以上的转角、耐张杆,在沼泽地带;地下水位较高的杆位,应设底盘。
为防止洪水冲刷和基础冻胀,可采用高杆深埋措施。
电杆基础用底盘时,底盘圆形平面应与电杆中心垂直,找正后应填土夯实至底盘平面。
底盘的原槽直径不允许超过电杆根直径50mm。
1.7.电杆基础用卡盘时应符合以下原则:1)安装前应将其下部分层夯实,安装方向、位置、深度应符合设计要求;无设计要求时,上平面据地面不应小于500mm,安装方向应考虑主风向。
2)卡盘弧面应与电杆吻合,卡盘螺栓应紧固可靠。
3)12m 及以下电杆除在沼泽地、或地下水位较高或砂壤路径外可不用卡盘;15M及以上水泥杆当倾覆稳定安全系数不够时应使用卡盘。
1.8.基坑回填土应符合下列规定:1)土块应打碎。
2)10KV及以下架空电力线路基坑每回填30cm应夯实一次。
3)松软土质的基坑,回填土时应增加夯实次数或采取加固措施。
4)回填土后的电杆基础宜设防沉土层。
通信杆路的施工工艺要求1、杆路选定(1)杆路基本上沿各条公路的一侧敷设,部分沿途有当地的广电、邮电及其他的杆路敷设。
(2)杆路跨越较大的公路时,公路的两边应立加高杆,视现场情况可立9米、10米及12米杆。
(3)杆路跨越较大的河流或特殊地段时,应做特殊处理。
当杆档大于80米应做辅助吊线。
当杆子定在河床里,应做护墩进行有效的保护。
当杆子定在山谷下或河床里,地面起伏比较大,吊线仰视与杆稍的夹角呈45度或小于45度,高低落差大于15m时,应做双向拉线,锚柄选用2.1m。
(4)竖立电杆应达下列标准:①直线线路的电杆位置应在线路路由的中心线上。
电杆中心线与路由中心线的左右偏差应不大于50mm;电杆本身应上下垂直。
②角杆应在线路转角点内移。
水泥电杆的内移值为100-150mm,因地形限制或装撑杆的角杆可不内移。
③终端杆竖立后应向拉线侧倾斜100-200mm。
2、材料的选用(1)水泥杆选用,一般工程采用7米(稍径15cm)杆为基本杆高,跨越公路用9米、10米或12米杆视情况而定。
在山区不跨越公路时,可选用6米(稍径13cm)杆。
(2)铁件全部采用热镀锌材料,吊线抱箍选用D144、D164、D184单吊抱箍,穿钉配备齐全,拉线抱箍选用D144、D164、D184抱箍。
(3)地锚拉柄、顶头杆、终端杆、防风拉、都采用2.1m的锚柄,配大号地锚块。
(4)光缆挂钩选用涂塑型35mm挂钩,光缆挂钩的扣挂距离50±3cm,扣挂方向要一致。
(5)衬环选用五股热镀锌衬环。
(6)吊线选用7/2.2镀锌钢绞线。
拉线应大于吊线的一个程式为7/2.6镀锌钢绞线。
3、吊线的终端与拉线制作方式(1)工程拉线制作方式采用夹板法。
上把要求挤紧五股衬环,后跟三眼双槽夹板,左右间隙空50mm后,用3.0铁线自缠100mm,空100mm后,缠50mm收头。
(2)钢绞线接续,钢线中间接续采用另缠法。
(3)吊线的终端要求与拉线上把相同。
(4)地锚杆出土面离地应小于40cm。
电杆施工方案一、编制依据1、任务来源。
2、已经批准的设计施工图纸和相关资料3、现场勘查情况工作现场主要危险点:人员触电、恶性误操作、抱杆倒杆伤人、物体打击和高空坠落。
二、技术措施1、电杆组立前应进行外观检查,并符合下列要求:电杆采用木杆,其材质必须坚实,不得有腐朽、劈裂及其他损伤。
木杆总长度为7m,梢径不宜大于140mm。
2、电杆长度依设计选用,有接口的要作防锈处理,油漆使用不少于两到,首先使用防锈漆打底,然后用银粉漆遮盖。
电杆埋深以杆长的1/6计算,电杆中心点确定后,回填土每下30cm要进行夯实一次,直至高出地面20cm为止。
3、直线杆横向位移不应大于20mm,杆梢偏移不应大于梢径的1/2,转角杆应向外角预偏,紧线后不向内角倾斜,向外角倾斜不应大于1个俏径。
终端杆应向拉线侧预偏,紧线后不应向拉线反方向倾斜。
电杆拉线坑的深度允许偏差,应不深于设计坑深100mm,不浅于设计坑深50mm。
杆坑位移应满足:①顺线路方向位移不应超过设计档距的5%,垂直方向不应超过50mm;②双杆根开误差不应超过30mm;③双杆坑深误差不应超过20mm。
4、开工前工作负责人必须对工作班成员进行全面的安全技术交底,对参加施工的临时工进行参与工程所需的安全技术教育。
5、组织好足够的人员,人工立杆不得少于15人,立12m杆时不少于20人,立杆前确定1人为指挥,讲明立杆方法及信号,立杆时距杆洞杆长1.2倍范围内不得有无关人员逗留。
6、组立杆塔应设专人统一指挥。
开工前,要交待施工方法、指挥信号和安全、技术措施,工作人员要明确分工、密切配合、服从指挥。
在居民区和交通道路附近立、撤杆时,应具备相应的交通组织方案,设围栏并派专人看守,防止行人接近。
7、组立杆塔过程中基坑、杆坑内及杆下严禁有人工作。
除指挥人及指定人员外,其他人员应在离开杆塔高度的 1.2 倍距离以外。
8、立杆要使用合格的起重、支撑设备和拉绳,使用前应仔细检查,必要时应提前试验。
电杆坑深标准
电杆的埋深应根据电杆的材料、高度、承力和当地的土质情况而定。
一般15m以下电杆,埋深可按杆长的1/6计算,但最少不得小于1.5m,设有稳定拉线的跨越电杆和承力杆,埋深可按规定适当减少,但埋设在土质松软地区的电杆如无固定措施,应酌情增加埋深。
计算公式为埋深=杆长(m)×1/10+0.7m,规范则要求不得小于电线杆长度的1/10+0.6。
水泥电线杆的埋深要求为:
6米水泥电线杆普通土埋深1.2m,石质1.0m;
7米水泥电线杆普通土埋深1.3m,硬土1.2m,水田、湿地1.4m,石质1.0m;
8米水泥电线杆普通土埋深1.5m,硬土1.4m,水田、湿地1.6m,石质1.2m;
9米电线杆普通土埋深1.6m,硬土1.5m,石质1.4m;
10米电线杆普通土埋深1.7m,硬土1.6m,石质1.6m;
12米电线杆普通土埋深2.1m,硬土2.0m,石质2.0m。
电线杆埋深严格按照规范执行。
杆路建设电线杆埋深不够及松土地段,需装设卡盘;在土质松软处角深大于5m旦鱼杆、终端杆、分线杆、跨越杆、长杆档杆的杆底均应加垫底盘;上述电线杆在石质土及坚石地带可不装卡盘、底盘或固根横木。
河滩及塘边杆根缺土的电
线杆,应做护墩保护。
在路边易被车辆碰撞的地方立杆,应加设护杆桩,加高为40-50cm。
电线杆长度及埋深检测技术方案
(1)现状
近年来,由于电杆倒杆事件时有发生,其很大原因是由于电杆埋深不够,且夯实不牢固,造成人员伤亡事故,因此,电杆埋深检测至关重要。
(2)现有测试方案难点及新的解决方法
由于电线杆底部埋进土中,无法直接测量,因此只能采用无损检测的方式,同时受风噪、环境静电、高压线缆等复杂现场条件影响。
采用传统的反射法进行检测时,顶端存在高压电线,无法满足测试条件,因此只能采用侧面激振的方式进行。
(3)测试原理
电杆埋深检测方法采用反射波法。
根据电杆的结构,电杆属于杆状构件,检测时,如下图所示,将加速度传感器固定于电杆外露段底部,在加速度旁5cm左右位置敲击电杆产生弹性波,弹性波将沿着电杆杆体向下传播,在传播到电杆底部时遇到阻抗差异将产生反射信号,通过检测仪器将对反射信号提取可确定弹性波往返传播时间T,结合弹性波在电杆内传播波速V即可算出电杆埋深。
计算公式如下所示:
∆L=VT/2
电杆埋深检测示意图
(4)工程案例。
线路电杆的确定
架空线路要规范,一律采用水泥杆。
导线孤垂和档距,决定电杆的高度,
高压12至18米,低压最短8米杆。
锥形杆稍有几种,锥度一般1∶75。
档距尽量要一致,安全距离应保证。
电杆埋深有要求:直线杆为一点五;
耐张杆为一点八,转角、终端二点零。
为延长电杆使用寿命和减少线路维修费用,配电线路宜采用符合现行国家标准《环形混凝土电杆》规定的定型产品,即预应力钢筋混凝土电杆(俗称水泥杆)。
电杆的高度及埋深应符合设计要求。
混凝土电杆有普通钢筋混凝土电杆和预应力混凝土电杆两种。
电杆的截面形式有方形、八角形、工字形、环形或其他一些异形截面。
最常采用的是环形截面和方形截面。
环形电杆有锥形杆和等径杆两种。
锥形杆的梢径一般为100~230mm,锥度为1∶75,等径杆的直径为300~550mm,两者壁厚均为30~60mm。
电杆长度应根据电杆最上层横担距杆顶的距离(L1)、横担与横担之间的距离(L2)、导线的最大弧垂(L3)、导线对地面允许的最小垂直距离(L4)以及电杆的埋设深度(L5)等因素确定,如图2-3所示。
如果用L代表电杆长度,则L=L1+L2+L3+L4+L5。
电杆埋设深度应根据电杆的长度、承受力的大小和土质情况来确定。
一般为杆长的1/6,但最浅不得小于1.5m;变台杆不应小于2m。
横担到杆的顶部的距离:高压为0.5m,低压为0.15m。
电杆埋深标准
本文目录一览1,国家标准电线杆栽多深电线杆总长的1/6,例如:12米杆乘以1/6=2米;15米杆乘以1/6=2.5米
2,电杆埋设深度和杆坑的标准是什么答:35 kV及以下的架空线路多采用预应力钢筋混凝士电杆,电杆的埋设深度一般应根据有关规程和当地的土壤地质条件来确定。
为了简化计算在一般的土壤地质条件下,埋深可按杆长的1/6左右来考虑。
此外,也可根据表5--3决定。
5--3对杆坑一般有以下要求 (1)挖杆坑时.若坑基土质不良可挖深后换好土夯实,或加枕木。
(2)坑底要踏平夯实,分层埋土也要夯实多余土要堆积压紧在电杆根部。
(3)挖坑时.应注意地下各种工程设施.如地下电缆、地下管道等,应与这些设施保持一定的距离。
(4)土质松软的地段,要采取防止塌方措施。
3,水泥电杆坑深度标准怎么定经验数值,也符合安装规范要求,就是杆长的15%+300毫米。
例如:10米长电线杆,埋深1.8米;15米杆,埋深2.5米。
6米杆埋深1.2米。
答:35 kv 及以下的架空线路多采用预应力钢筋混凝士电杆,电杆的埋设深度一般应根据有关规程和当地的土壤地质条件来确定。
为了简化计算在一般的土壤地质条件下,埋深可按杆长的1/6左右来考虑。
此外,也可根据表5--3决定。
5--3对杆坑一般有以下要求(1)挖杆坑时.若坑基土质不良可挖深后换好土夯实,或加枕木。
(2)坑底要踏平夯实,分层埋土也要夯实多余土要堆积压紧在电杆根部。
(3)挖坑时.应注意地下各种工程设施.如地下电缆、地下管道等,应与这些设施保持一定的距离。
(4)土质松软的地段,要采取防止塌方措施。
4,电线杆杆基埋入地下深度按规定必须达到电杆长度六分之一中华人民共和国电力行业标准架空绝缘配电线路设计技术
规程 DL/T 601—1996 8.16 电杆的埋设深度,应进行倾覆稳定验算,单回路的配电线路,电杆最小埋设深度见表5。
表5 电杆的最小埋设深度m 杆高 8.0 9.0 10.0 11.0 12.0 13.0 15.0 18.0 埋深 1.5 1.6 1.7 1.8 1.9 2.0 2.3 2.6~3.0 遇有土松软、流沙、地下水位较高等情况时,应做特殊处理。
中华人民共和国电力行业标准架空绝缘配电线路设计技术规程再看看别人怎么说的。
中华人民共和国电力行业标准架空绝缘配电线路设计技术规程5,10KV高压电线杆的埋深是多少电杆与拉线地锚坑的埋深、要求电杆的埋深要求为: 6m杆普通土埋深1.2m,石质1.0m; 7m杆普通土埋深1.3m,硬土1.2m,水田、湿地1.4m,石质1.0 m; 8m杆普通土埋深1.5m,硬土1.4m,水田、湿地1.6m,石质1.2m; 9m杆普通土埋深1.6m,硬土1.5m,石质1.4m; 10m杆普通土埋深1.7m,硬土1.6m,
石质1.6m; 12m杆普通土埋深2.1m,硬土2.0m,石质2.0m;拉线地锚坑的埋深:普通土埋深1.4m,硬土1.3m,水田、湿地1.5m,石质1.1m。
电杆埋深严格按照规范执行。
杆路建设电杆埋深不够及松土地段,需装设卡盘;在土质松软处角深大于5m旦鱼杆、终端杆、分线杆、跨越杆、长杆档杆的杆底均应加垫底盘;上述电杆在石质土及坚石地带可不装卡盘、底盘或固根横木。
河滩及塘边杆根缺土的电杆,应做护墩保护。
在路边易被车辆碰撞的地方立杆,应加设护杆桩,加高为40-50cm。
架空光缆沿线设置标志牌,尺寸为的铝制片,每隔300m间距点,加挂标志牌,标志牌牢固固定于钢绞线上,面对观看方向。
钢线与其他线路交越时均须加设交越保护套,两侧各超出0.5m。
钢线架
设挂缆后应无明显垂度。
光缆吊线采用7/2.2镀锌钢绞线,挂钩采用25mm塑托挂钩,每隔50cm安装一只;吊线抱箍采用D144、D164、D184(根据不同杆径配置)单吊线抱箍,吊线与抱箍采用三眼单槽夹板固定,固定穿钉采用中16X60规格的有头穿钉。
杆路吊线架设应满足净距要求,在跨越主要公路缆路间
净距应不小于5.5m;跨越土路缆路间净距应不小于4.5m,跨越铁路缆路间净距应不小于7m。
电杆的埋深要根据杆高和地质条件来确定的.一般来说埋深=0.1*杆高+0.8埋深为杆高的1/6,看杆多高自己算一下10千户线路瓷瓶破裂,会导致线路的绝缘性能下降,有可能会发生电弧甚至发生接地故障,应予更换。
6,如何确定电杆的埋设深度各型电杆应按下列荷载条件进行计算:1最大风速、无冰、未断线。
2覆冰、相应风速、未断线。
3最低气温、无冰、无风、未断线(适用于转角杆和终端杆)。
各杆塔均应按以下3种风向计算杆身、导线的风荷载:1风向与线路方向相垂直(转角杆应按转角等分线方向)。
2风向与线路方向的夹角成60°或45°。
3风向与线路方向相同。
风向与线路方向在各种角度情况下,杆塔、导线的风荷载,其垂直线路方向分皿和顺线路方向分量,应符合GB 50061的规定。
杆塔的风振系数β,当杆塔高度为30m以下时取1.0。
风荷载档距系数α,应按下列规定取值:1风速20m/s以下,α=1.0。
2风速(20~29)m/s,α=0.85。
3风速
(30~34)m/s,α=0.75。
4 风速35m/s及以上,α=0.7。
配电线路的钢筋混凝土电杆,应采用定型产品。
电杆构造的要求应符合现行国家标准。
配电线路采用的横担应按受力情况进行强度计算,选用应规格化。
采用钢材横担时,其规格不应小于:∠63mm×∠63mm×6mm。
钢材的横担及附件应热镀锌。
拉线应根据电杆的受力情况装设。
拉线与电杆的夹角宜采用45°。
当受地形限制可适当减小,且不应小于30°。
跨越道路的水平拉线,对路边缘的垂直距离,不应小于6m。
拉线柱的倾斜角宜采用10°~20°。
跨越电车行车线的水平拉线,对路面的垂直距离,不应小于9m。
拉线应采用镀锌钢绞线,其截面应按受力情况计算确定,且不应小于25mm2。
空旷地区配电线路连续直线杆超过10基时,宜装设防风拉线。
钢筋混凝土电杆,当设置拉线绝缘子时,在断拉线情况下拉线
绝缘子距地面处不应小于2.5m,地面范围的拉线应设置保护套。
拉线棒的直径应根据计算确定,且不应小于16mm。
拉线棒应热镀锌。
腐蚀地区拉线棒直径应适当加大2mm~4mm或采取其他有效的防腐措施。
电杆基础应结合当地的运行经验、材料来源、地质情况等条件进行设计。
电杆埋设深度应计算确定。
多回路的配电线路验算电杆基础底面压应力、抗拔稳定、倾覆稳定时,应符合的规定。
多回路的配电线路验算电杆基础底面压应力、抗拔稳定、倾覆稳定时,应符合的规定。
现浇基础的混凝土强度不宜低于C15级,预制基础的混凝土强度等级不宜低于C20级。
采用岩石制做的底盘、卡盘、拉线盘应选择结构完整、质地坚硬的石料(如花岗岩等),且应进行试验和鉴定。
配电线路采用钢管杆时,应结合当地实际情况选定。
电杆长度应根据电杆最上层横担距杆尖的距离(l1)、横担与横担之间的距离(l2)、导线的最大弧垂(l3)、导线对地面允许的最小垂直距离(l4)以及电杆的埋设深度(l5)等因素确定。
如果用l代表电杆长度,则l=l1+l2+l3+l4+l5。
电杆埋设深度应根据电杆的长度、承受力的大小和土质情况来确定。
一般为杆长的1/6,但最浅不得小于1.5m;变台杆不应小于2m。
一般电杆埋设深度如下表所示。
7,15米电线杆埋深是多少电线杆的埋深是有标准要求的,15米杆普通土埋深
2.3m,硬土2.2m,石质2.2m。
电杆埋深严格按照规范执行。
杆路建设电杆埋深不够及松土地段,需装设卡盘;在土质松软处角深大于5m旦鱼杆、终端杆、分线杆、跨越杆、长杆档杆的杆底均应加垫底盘。
上述电杆在石质土及坚石地带可不装卡盘、底盘或固根横木。
河滩及塘边杆根缺土的电杆,应做护墩保护。
在路边易被车辆碰撞的地方立杆,应加设护杆桩,加高为40-50cm。
扩展资料:电线杆制作工艺水泥电线杆分为预应力和非预应力电线杆两种。
工艺流程:◆ 钢筋加工和钢筋笼制作:钢筋冷拔,切断,弯曲和绑扎◆混凝土配料、搅拌系统:混凝土配料与搅拌◆ 电线杆成型:离心发成型圆形电杆
(需要离心机、模具和布料机等设备),或震动成型其它类型电杆(需要布料机、震动台、模具等设备)◆ 蒸汽养护:新成型电杆带摸静停一段时间,进入蒸汽养护室,养护几小时◆ 脱模和养护:电杆带模出养护室,脱模,清模,脱模的电杆继续保湿或泡水养护一段时间模具的投资较大,生产效率决定于模具周转率。