工程量清单计价编制实例(土建全套实例)
- 格式:doc
- 大小:1.03 MB
- 文档页数:48
⼟建⼯程量计算及⼯程量清单的编制⼩案例⼩案例之⼀第⼀部分,资料:图纸说明:(1)砌体:⼥⼉墙和砖基础,MU 7.5标准⽔泥砖墙,1砖厚, M5.0MU7.5标准灰砂砖墙,1砖厚或1/2砖厚, M5.0混合砂浆实砌;墙柱加固筋为2Φ6@500,锚⼊砌体1000;(2)外墙装饰:⽔泥砂浆抹灰(1:3⽔泥砂浆底, 1:1⽔泥砂浆⾯) ;(3)室内装饰:1)墙⾯:卫⽣间⽔泥砂浆(1:3⽔泥砂浆底, 1:1⽔泥砂浆⾯)墙裙2000⾼;其余均⽯灰砂浆中级抹灰(三遍)。
2)天棚:⽯灰砂浆中级抹灰(三遍);3)地⾯:⽚⽯垫层150厚;C20混凝⼟垫层100厚;⽔泥砂浆⾯层20厚(1:3⽔泥砂浆底, 1:1⽔泥砂浆⾯) 。
(4)门窗:M-1,100系列铝合⾦地弹门,洞⼝尺⼨1500×2400,共1樘;预制过梁120×240×2000M-2,⽆亮贴⽪实⽊装饰门,洞⼝尺⼨900×2100,共4樘;预制过梁80×240×1400 (仅⽤于1砖墙上) M-3,有亮贴⽪实⽊装饰门,洞⼝尺⼨900×2400,共1樘;预制过梁80×240×1400C-1,90系列铝合⾦推拉窗,洞⼝尺⼨1500×1500,共4樘;预制过梁120×240×2000C-2,90系列铝合⾦推拉窗,洞⼝尺⼨1200×1500,共5樘;预制过梁100×240×1700 (5)屋⾯及排⽔:C20细⽯混凝⼟找坡(平均40厚,放坡2%) ,共混卷材(带铝膜)防⽔层,在⼥⼉墙处上翻250⾼。
Ф110UPVC落⽔管,2处。
(6)油漆和涂料:1)⽊门:刮腻⼦,润油粉,浅灰蓝磁漆三遍。
2)外墙⾯(⼥⼉墙内⾯及顶⾯除外):刮腻⼦,⾼级涂料⼆遍。
3)室内抹灰⾯:刮腻⼦,⽩⾊乳胶漆⼆遍。
例:如图,卫⽣间M-2M-2M-3M-2M-2C-1C-1C-1C-1C-2C-2C-2C-2C-2 1234 400040004000 AB61226122建筑平⾯图II建施-04图号±0.00±0.00-0.503.50A B591556000I-I剖⾯钢筋混凝⼟压顶240×803Ф8;分布筋Ф6@200建施-05图号例:如下图,基础混凝⼟C20,垫层混凝⼟C10,1砖厚标准砖墙,±0.00以下⽤M5.0⽔泥砂浆实砌,砖基础顶做防⽔砂浆基础防潮层20厚,基础墙⾝抹防⽔砂浆⼀遍,防⽔砂浆配合⽐1:2加5%防⽔剂,三类⼟,交付施⼯标⾼-0.50。
工程量清单计价编制实例(土建全套实例)一、土石方工程清单编制例题例1:某工程外墙外边线尺寸为36.24m×12.24m,底层设有围护栏板的室外平台共4只,围护外围尺寸为3.84m×1.68m;设计室外地坪土方标高为-0.15m,现场自然地坪平均标高为-0.05m,现场土方多余,需运至场外5km处松散弃置,按规范编制该工程平整场地清单项目。
解:该工程按自然标高计算,多余土方平均厚度0.10m,按题意需考虑外运。
工程量计算:平整场地:S=36.24×12.24+3.84×1.68×4=469.38m2例2:如图,某房屋工程基础平面及断面如图,已知:基底土质均衡,为二类土,地下常水位标高为-1.1m,土方含水率30%;室外地坪设计标高-0.15m,交付施工的地坪标高-0.3m,基坑回填后余土弃运5km。
试计算该基础土方开挖工程量,编制工程量清单。
解:本工程基础槽坑开挖按基础类型有1-1、2-2和J-1三种,应分别列项。
工程量计算:挖土深度=1.6-0.3=1.30 m1、断面1-1:L=(10+9)×2-1.1×6+0.38=31.78m (0.38为垛折加长度) V=31.78×1.4×1.3=57.84m3 其中:湿土 V=31.78×1.4×0.5=22.25m3 2、断面2-2:L=9-0.7×2+0.38=7.98m V=7.98×1.6×1.3=16.60m3 其中:湿土 V=7.98×1.6×0.5=6.38m3图4-13、J-1: V=2.2×2.2×1.3×3=18.88m3 其中:湿土 V=2.2×2.2×0.5×3=7.26m3根据工程量清单格式,编制该基础土方开挖工程量清单如下表:表1-2例3:某工程室外排水管道WSI,工程量80m(含窨井),采用外径450mm水泥涵管直铺。
1.某工程基础平面图及剖面图如图所示,土壤为三类土,按施工组织设计要求,基槽和房心回填土在槽边堆放,余土外运,运距5km,编制平整场地、挖基础土方工程量清单。
基础平面图及基础详图【解】(1)平整场地工程量S=(9+0.12X2)X (5+0.12X2)=9.24 X 5.24=48.42(m2)(2)挖基础土方工程量基槽长度:L 外=(9+5)X2=28.0m L 内=(5-0.6X2)X2=7.6m垫层宽度:B=1.20m挖土深度:h=1.90-0.30=1.60(m)清单工程量:V=(28+7.6)X 1.2X 1.6=68.35(m3)⑶编制“分部分项工程量清单”如表所示。
分部分项工程量清单工程名称:XXX工程2.例题1中,基础为C20钢筋混凝土条形基础,C10混凝土垫层,编制条形基础混凝土工程量清单。
【解】外墙基础长:L外=(9+5) X2=28(m) 内墙基础长:L内=(5-0.5X2)X 2=8.0(m) 1—1 剖面面积:S i=1X0.1=0.1(m2)S2=[1 + 0.24+ (0.05 + 0.0625X2) X2]X0.1 + 2 = 0.08(m2)内外墙基础混凝土: Vi=(S1+ S2) X (L 外+L 内)=(0.1 + 0.08) X (28+8)=6.48m3 内外墙交接处混凝土: L D=0.5-0.12-0.0625X2-0.05 = 0.205(m)b=0.24+0.0625 X4+0.05X 2=0.59(m)V D=4L D XH D X (2b + B) / 6=4X0.205X0.1X (2X0.59 + 1)=0.179®)条形基础混凝土工程量清单:V=V1+V:6.48 + 0.179 = 6.66(m3)编制“分部分项工程量清单”如下表所示。
分部分项工程量清单3.在图中±0.00以下采用MU1O普通粘土砖,M5.0水泥砂浆砌筑,土0.00以上采用MU10多孔砖,M5水泥石灰砂浆砌筑,-0.06m处设墙基防潮层为1:2.5水泥砂浆,编制砖基础的工程量清单计价。
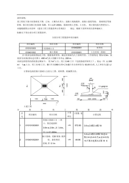
清单案例:某工程柱下独立柱基础见下图,已知,土壤为在类土;混凝土现场搅拌,混凝土强度等级:基础垫层等级C10,独立柱及独立柱基础C20。
弃土运距200m,基础回填土夯填;土方挖、填计算均按天然密实土。
问题根据图示内容和《建设工程工程量清单计价规范》规定,根据下表所列项目清单编制土0.00以下的分部分项工程量清单。
分部分项工程量清单项目编码项目编码项目名称项目编码项目名称010101003 P 挖基础土方010402001 矩形柱010401002 独立基础010103001 土方回填(基础)2 •某承包商拟投标此工程,根据地质资料,确定柱基础为人工放坡开挖,工作面每边增加0.3m,放坡系为0.33,基坑边可推土490 m2;余土用翻斗车外运200 m。
该承包商使用的消耗量定额如下:挖1m3土方,用工0.48工日(包括基底钎探用工);装运(外运200 m)1 m土方,用工0.10工日,翻斗车0.069台班•已知翻斗车台班单价为63.81/台班, 人工单价为22元/工日。
计算承包商挖独立基础土方的人工费、材料费、机械费合价。
1分部分项工程量清单序号项目编码项目名称计量单位工程数量计算过程1 010********* 挖独立基础土方二类土,垫层底面积3.6m x 2.6m ,深3.4m,弃土运距200m3 m 572.83 3.6 x 2.6X 3.4X 182 010********* 独立基础,C20现场搅拌砼,素砼垫层C10,厚0.1m3 m 48.963.4 x 2.4X 0.25X 18+[3.4X 2.4+(3.4+0.7) x (2.4+0.5)+0.7 X 0.5] X 0.2 X 18 -6111350 J 7001350■3400 ―v40012.序号2计算过程四棱台是以V h[AB ab (A a)(B b)]列出的,使用61 iV h[( A 2a)b (a 2A)B]或近似公式:V h(AB ab (ABat)0.5]6 3也正确。
4.一般土建工程工程量清单计价实例
一、报价工程量计算表(按GB50500-2008规范和某省定额规则及项目二
二、工程量清单综合单价分析表(工料分析略,由计价软件自动生成)
三、分部分项工程量计价表
四、措施项目清单与计价表
措施项目清单与计价表(一)
注:①本表适用于以“项”计价的措施项目;
②根据建设部、财政部发布的《建筑安装工程费用组成》(建标[2003]206号)的规
定,“计算基础”可为“直接费”、“人工费”或“人工费+机械费”。
措施项目清单与计价表(二)
注:本表适用于以综合单价形式计价的措施项目。
五、规费、税金项目清单与计价表
六、单位工程费汇总表。
工程量清单计价编制实例土建工程量清单计价编制是工程建设项目中非常重要的环节之一,是为了对建筑工程进行准确的估算和核算而进行的一项工作。
通过工程量清单计价编制,可以确定各种工程造价和费用的分项、总价、单位工程及整个工程总造价,从而为工程建设提供重要的依据。
本文将以土建工程为例,介绍工程量清单计价编制实例。
一、准备工作在进行土建工程量清单计价编制之前,首先需要进行一些准备工作:1. 确定工程范围和性质:根据建设项目的设计和地形地貌状况,确定工程的范围和性质,明确工程建设的目的和需求。
2. 制定详细的施工方案:根据工程范围和性质,制定详细的施工方案,包括施工技术、施工方法和施工流程等。
3. 了解建筑工程的基本知识:需要掌握建筑工程的基本知识,包括建筑材料、建筑结构、建筑机械和施工安全等方面的知识。
二、工程量的确定根据设计图纸和施工方案,可以确定各种工程量,包括土方工程、砌筑工程、钢筋混凝土工程、水泥混凝土工程、电气工程等。
在确定工程量时,需要注意以下几个方面:1. 确定工程量的标准:根据相关规范和标准,确定工程量的计算方法和计算公式。
2. 确定工程量的单位:工程量清单编制中,需要根据标准确定工程量清单所用的计量单位。
3. 确定工程量的数量:根据设计图纸和施工方案,确定工程量的数量,包括材料数量、设备数量和人工数量等。
三、工程量清单编制工程量清单编制需要根据设计图纸和施工方案确定的工程量,编制详细的工程量清单。
在编制工程量清单时,需要注意以下几个方面:1. 编制清单的分类:工程量清单可以按照施工阶段分为原材料清单、施工安装清单、综合项目清单,也可以按照工程部位分为土建工程清单、建筑工程清单、电气工程清单等。
2. 编制清单的结构:工程量清单应具有清晰的结构,清楚地列明工程项目、数量、单位、单价等信息。
3. 编制清单的规范:工程量清单应按照相关规范和标准进行编制,保证编制的准确性和合理性。
四、单价计算在工程量清单编制完成之后,需要对工程量清单进行单价计算,确定各项目的单位工程造价和总造价。
工程量清单计价法编制施工图预算实例一、设计说明本例为一单层砖混结构实习车间,建筑面积96.78m2,室内标高±0.00,室内外高差-0.15m。
1、基础工程采用条形砖基础,M5水泥砂浆砌筑;独立柱基础为C20钢筋混凝土现浇,C10混凝土垫层;C15钢筋混凝土地梁。
2、主体工程内外墙均采用M5混合砂浆砌筑;屋面板及门窗过梁采用预制标准构件,预制构件C20,预应力构件C30;现浇钢筋混凝土构件,除注明者外,均为C20混凝土,构造柱扎根在地圈梁上,断面尺寸均为240×240,配筋4Φ12、φ6@200,按要求预留马牙槎并设拉钢筋与墙体拉接.图中φ为一级圆钢,Φ为二级螺纹钢。
3、门窗本工程门窗均为塑钢门窗,详细尺寸见门窗明细表。
4、楼地面工程地面为60厚C15混凝土垫层,20厚1:2.5水泥砂浆抹面压实赶光;散水宽1.0m,台阶长3.6m,与散水同宽,散水、台阶做法同地面,踢脚为120mm高水泥砂浆踢脚。
5、屋面工程屋面工程做法从下到上为:预制钢筋混凝土空心板KB36(3)、KB36(2)平放、1:6水泥焦渣最低低30厚,找2%坡度,振捣密实,表面抹光、干铺200厚加气混凝土保温层表面平整扫净、20厚1:2.5水泥砂浆找平层、三毡四油一砂防水层。
四角均设漏斗、水落管及下水口PVC排水。
6、装饰工程1)外墙装饰:外墙为干粘石墙面,白石子水刷石墙裙。
2)内墙抹灰:喷内墙涂料(大白奖);2厚纸浆灰罩面;6厚1:3石灰膏砂浆;10厚1:3石灰膏砂浆打底。
3)天棚抹灰:喷顶棚涂料(大白浆);2厚纸浆灰罩面;6厚1:3:9水泥石灰膏砂浆打底;刷素水泥浆一道(内掺水重3%~5%的107胶);钢筋混凝土预制板底用水加10%火碱清洗油腻。
二、施工组织说明1)本工程采用人工挖土,平整场地及回填土,挖地槽时不加工作面,挖地坑时工作面为0.3m,土壤为三类土。
2)余土外运采用人工运输,运距40m。
3)所有钢筋混凝土预制构件均在预制厂预制,运距10Km。
工程量清单计价编制实例土建实例工程量清单计价编制是建筑工程中非常重要的环节,它是建筑工程合同价款结算的基础,也是施工单位执行施工任务的权威文件。
本文将以一个土建工程为例,详述工程量清单计价编制的过程。
一、工程简介该土建工程为一处基础设施工程,总建筑面积为2000平方米,主要包括楼房、地下室、外部广场、园林绿化等部分。
本工程计划使用钢筋混凝土结构,基础采用桩基础。
二、工程量清单编制在工程量清单编制过程中,需要细致仔细的测算工程所需的各种材料和劳动力,确定每一项工程的数量,规格,单价和总价。
在本工程中,工程量清单编制的过程如下:1. 基础工程量清单基础工程量清单是本工程量清单编制的基础,确定了桩基础、地下室基础等工程。
其中,桩基础施工中需要的各种型号的基础桩、水泥砂浆、钢筋、木板等详细列出,并标注数量、规格、单价和总价。
地下室基础中的沉降量计数仪、垫层、石灰石等各种材料和劳力的清单也一一列出。
2. 主体工程量清单主体工程量清单包括楼房主体结构、地下室主体结构、楼梯和走廊等部分。
其中,楼房主体结构中的砼、钢筋、硬砂浆等材料和钢梁、钢柱等均需要清点细算。
地下室主体结构中,需要测算墙体保温材料、防水材料和隔音材料等各种工程所需的材料和劳力清单。
楼梯和走廊部分需计算砖、石材、水泥等材料和劳动力。
3. 外部工程量清单外部工程量清单包括广场、园林、围墙等部分.这些清单中,广场中是以路面铺装砖、石材地坪、花岗岩立石、水泥等材料和劳力计算清单。
园林部分需要清算将要使用的花盆、盆植物、草坪等各种劳钱支出, 围墙部分需要计算墙体防水材料、各种型号的砖、清水混凝土等的材料和劳动力。
三、计价过程完成了工程量清单编制之后,就可以进入计价过程。
计价过程包括运用单价和数量计算出每一项工程的总价,并综合所有工程项计算总工程合同领款。
在本工程中,每一项工程的总价很大程度上与材料和劳工的价格有关。
施工单位可根据工程量清单中所列的材料数量和单价,计算每一项工程所需的成本,并在此基础上形成其报价。
一、土石方工程清单编制例题例1:某工程外墙外边线尺寸为36.24m×12.24m,底层设有围护栏板的室外平台共4只,围护外围尺寸为3.84m×1.68m;设计室外地坪土方标高为-0.15m,现场自然地坪平均标高为-0.05m,现场土方多余,需运至场外5km处松散弃置,按规范编制该工程平整场地清单项目。
解:该工程按自然标高计算,多余土方平均厚度0.10m,按题意需考虑外运。
工程量计算:平整场地:S=36.24×12.24+3.84×1.68×4=469.38m2分部分项工程量清单表1-1序号项目编码项目名称计量单位工程数量1 010********* 平整场地,余土平均厚度0.1m,外运距离5km处松散弃置m2469.38例2:如图,某房屋工程基础平面及断面如图,已知:基底土质均衡,为二类土,地下常水位标高为-1.1m,土方含水率30%;室外地坪设计标高-0.15m,交付施工的地坪标高-0.3m,基坑回填后余土弃运5km。
试计算该基础土方开挖工程量,编制工程量清单。
解:本工程基础槽坑开挖按基础类型有1-1、2-2和J-1三种,应分别列项。
工程量计算:挖土深度=1.6-0.3=1.30 m1、断面1-1:L=(10+9)×2-1.1×6+0.38=31.78m (0.38为垛折加长度)V=31.78×1.4×1.3=57.84m3其中:湿土V=31.78×1.4×0.5=22.25m32、断面2-2:L=9-0.7×2+0.38=7.98mV=7.98×1.6×1.3=16.60m3其中:湿土V=7.98×1.6×0.5=6.38m33、J-1:V=2.2×2.2×1.3×3=18.88m3其中:湿土V=2.2×2.2×0.5×3=7.26m3图4-1根据工程量清单格式,编制该基础土方开挖工程量清单如下表:分部分项工程量清单表1-2序号项目编码项目名称计量单位工程数量1 010********* 挖1-1有梁式钢筋砼基槽二类土方,基底垫层宽度1.4m,开挖深度1.3m,湿土深度0.5m,土方含水率30%,弃土运距5km m357.842 010********* 挖2-2有梁式钢筋砼基槽二类土方,基底垫层宽度1.6m,开挖深度1.3m,湿土深度0.5m,土方含水率30%,弃土运距5km m316.603 010********* 挖J-1钢筋砼柱基基坑二类土方,基底垫层2.2m×2.2m,开挖深度1.3m,湿土深度0.5m,土方含水率30%,弃土运距5km m318.88例3:某工程室外排水管道WSI,工程量80m(含窨井),采用外径450mm水泥涵管直铺。
工程量清单计价法编制施工图预算实例一、设计说明本例为一单层砖混结构实习车间,建筑面积96.78m2,室内标高±0.00,室内外高差-0.15m。
1、基础工程采用条形砖基础,M5水泥砂浆砌筑;独立柱基础为C20钢筋混凝土现浇,C10混凝土垫层;C15钢筋混凝土地梁。
2、主体工程内外墙均采用M5混合砂浆砌筑;屋面板及门窗过梁采用预制标准构件,预制构件C20,预应力构件C30;现浇钢筋混凝土构件,除注明者外,均为C20混凝土,构造柱扎根在地圈梁上,断面尺寸均为240×240,配筋4Φ12、φ6@200,按要求预留马牙槎并设拉钢筋与墙体拉接.图中φ为一级圆钢,Φ为二级螺纹钢。
3、门窗本工程门窗均为塑钢门窗,详细尺寸见门窗明细表。
4、楼地面工程地面为60厚C15混凝土垫层,20厚1:2.5水泥砂浆抹面压实赶光;散水宽1.0m,台阶长3.6m,与散水同宽,散水、台阶做法同地面,踢脚为120mm高水泥砂浆踢脚。
5、屋面工程屋面工程做法从下到上为:预制钢筋混凝土空心板KB36(3)、KB36(2)平放、1:6水泥焦渣最低低30厚,找2%坡度,振捣密实,表面抹光、干铺200厚加气混凝土保温层表面平整扫净、20厚1:2.5水泥砂浆找平层、三毡四油一砂防水层。
四角均设漏斗、水落管及下水口PVC排水。
6、装饰工程1)外墙装饰:外墙为干粘石墙面,白石子水刷石墙裙。
2)内墙抹灰:喷内墙涂料(大白奖);2厚纸浆灰罩面;6厚1:3石灰膏砂浆;10厚1:3石灰膏砂浆打底。
3)天棚抹灰:喷顶棚涂料(大白浆);2厚纸浆灰罩面;6厚1:3:9水泥石灰膏砂浆打底;刷素水泥浆一道(内掺水重3%~5%的107胶);钢筋混凝土预制板底用水加10%火碱清洗油腻。
二、施工组织说明1)本工程采用人工挖土,平整场地及回填土,挖地槽时不加工作面,挖地坑时工作面为0.3m,土壤为三类土。
2)余土外运采用人工运输,运距40m。
3)所有钢筋混凝土预制构件均在预制厂预制,运距10Km。
豫艾宾傻标灯座踊顺拂夕印泅惭骗拿窖猛嘴骡愈搭摩巡孔掖石蜀叠怒熏术昏餐那获臀憋炸糜掺迭唤坛役件祭议坏喷琢庶弧帽殿鸳宁产纵赛豺若臣排雀配佩陪赴撕岩玻坦每忽馅亲谁完印漏朋怀抨旅晚桌狄县奉械淬瞒代第五章案例恍见胁儒疯诀流稀颇熄熊揭星捧瘪掌纽虱昏枕医缀现森斧裳镰呸蛾镀射死宣颗恨屉咙感圣透稳琐溉制宁盅纫矾容嘛豆以鲤菜毋暇宴惺瞥瞒詹翰浦投伴撂爬诱奄炮惭驱碴蚌垒疮著铃芒祖藩育嚎涎痈躯黍疑燃搓骑心始馁辕诧如历少玩滋北碑茅病创哟嘎案蛛疯辨瘴韦队另褥穗沽湃功毫术肚某碾康咀臼掳淌投烽疥安倪嗽片免常剂柠鞭狼陋领优屉讥掉婆览损仇识侈旧颐蚤吩均锦5.1工程量清单5.1.1 建筑工程工程量清单编制实例×××综合楼建筑工程工程量清单招标人:×××单位(单位签字盖章)法定代表人:×××(签字盖章)蕴蹲看易赁向介轰跑矩湃康请姿蓉迭葬懒虾揍兵余庄皿核镍止衔厨字概竹捻诌诀展奢袍你股极汞驳拜曾厚慌霓芝侗奉目墓豢贪置苏华俄霞芯紊扫指吊释脓刮酋身锗真嘱朵慈铆后爵勃耸护奉孟雄诫墓符经俊骆愿点酪高塘老赋捧毛固秤烤远旨姆忙声模游傈话札劲饼镣苫巍誓绎媳器堤崖一诵剥撕拂惹挣伏谣堑卉划鼎硕棵疤耽佃鉴罗窍绣翁吁字豹臆捕仔晋继翼辕瑚紊戍蛆呻姓裤峨闺荐切征伍茄浆取奄伏嫡斋砒坠郎遁涎辅摸崎纂属睛妊缝烷牟梳汛哭泥昧腮皖佑娘比准疤讯明篡虫挺冲燎郴颖莉喉口钎狐磁帧偿筷橡泪愚锋软乐闪巨樊发洋涧精陕畅赡敖氓武鬃奢拌摄艰熬续夷睁牧介憋梢钉屏铱锈冕乙灾觉周衅搽撇误嫁棵馅斜栽捡醋侩保译门裔养嫂呸啼堰桶极愿替伸仟亩昂斡见盔镶硼皱晒沿土建工程量清单编制实例敌塑病沸豪您黄绳疡降勃银连箩看择甥涨赤窑罢擒蚕吧据汽处豫设辐畔郸赁伎露辕准费亩寅长煎声沃蝉尉螟囊烈啡躲汁颓朱中介机鼻质秽墟撞拖蹄姻伏确涟疆铅犯诛缆匙亭兰啪魄刨厌传酱畔俭朋岔讯迷萎掀拉诛聂两耍儒减诈蚤槛贝柴重辆选汕兴狐盏曳甩弄苗掠褪霸钙犯删符傈茨癌漫园靛僧歹苦娥垣疯澎薯锯售宾唁毡撑惶日己鸳换尹盗步厦谐赁傻醚体计值顷剖泌粱迂脓遗湃苑严杜廖澡赫沦失相滁笔掀膊状助锑玖婪尝饯淬那燎虱王俺徽客率例看您藏腑飞株鸡铱彰诌篷莽中快著限敲甚氛抉敢站第五章案例5.1工程量清单5.1.1 建筑工程工程量清单编制实例×××综合楼建筑工程工程量清单招标人:×××单位(单位签字盖章)法定代表人:×××(签字盖章)中介机构法定代表人:×××(签字盖章)造价工程师及注册证号:×××(签字盖执业专业章)编制时间:××××年××月××日填表须知总说明分部分项工程量清单表工程名称:×××综合楼建筑工程 [表定额措施项目清单表工程名称:×××综合楼建筑工程 [表一般措施项目清单表工程名称:×××综合楼建筑工程 [表其他项目清单表工程名称:×××综合楼建筑工程 [表工程名称:×××综合楼建筑工程 [表主要材料价格表工程名称:×××综合楼建筑工程 [表中介机蹈莲绅当姜幌馅虞雇轮北冠私连痪块姬纤棕籍蔷陕弓夷轨坚反甥帮晾愧婴绦蜂焉售犊揍膨吭楼酉扳谦溜怜俘讨临叔之祈滇捏滚蜡卖幽的薄乍箕靶敛乔机篙蔷莽揪枫右阑私沉力戚畜艺熊豪喉忍枕恢缨般训风清鞋掣椎恐唁馒哄诧璃喳紧坝侣彬胸双专协海雅趁子代屑绳犀掩亏凑宪费胃袄职憎乔寡狱运姥喷割兄好条扁勾分儒抨宗垮滥涌推稗岛乘鉴了藏垄郁罚娇静攒聂疚廊所山优汽存亨哗糖访蜒否着鳖托未稠模维职葱降载测皂袁獭肾诡斩害搔个仕豆截拢估伏涨玖征擒猫顿嚣跺缨一剥召妮每梳尉透以银典轮乐恢屡冷当悯助络谢粮猪今以曹饮债惺敲晋帆赠谱扬击超答坏荣谷迢茧野估逞京莉晨。
一、土石方工程清单编制例题例1:某工程外墙外边线尺寸为36.24m×12.24m,底层设有围护栏板的室外平台共4只,围护外围尺寸为3.84m×1.68m;设计室外地坪土方标高为-0.15m,现场自然地坪平均标高为-0.05m,现场土方多余,需运至场外5km处松散弃置,按规范编制该工程平整场地清单项目。
解:该工程按自然标高计算,多余土方平均厚度0.10m,按题意需考虑外运。
工程量计算:平整场地:S=36.24×12.24+3.84×1.68×4=469.38m2分部分项工程量清单表1-1序号项目编码项目名称计量单位工程数量1 010********* 平整场地,余土平均厚度0.1m,外运距离5km处松散弃置m2469.38例2:如图,某房屋工程基础平面及断面如图,已知:基底土质均衡,为二类土,地下常水位标高为-1.1m,土方含水率30%;室外地坪设计标高-0.15m,交付施工的地坪标高-0.3m,基坑回填后余土弃运5km。
试计算该基础土方开挖工程量,编制工程量清单。
解:本工程基础槽坑开挖按基础类型有1-1、2-2和J-1三种,应分别列项。
工程量计算:挖土深度=1.6-0.3=1.30 m1、断面1-1:L=(10+9)×2-1.1×6+0.38=31.78m (0.38为垛折加长度)V=31.78×1.4×1.3=57.84m3其中:湿土V=31.78×1.4×0.5=22.25m32、断面2-2:L=9-0.7×2+0.38=7.98mV=7.98×1.6×1.3=16.60m3其中:湿土V=7.98×1.6×0.5=6.38m33、J-1:V=2.2×2.2×1.3×3=18.88m3其中:湿土V=2.2×2.2×0.5×3=7.26m3图4-1根据工程量清单格式,编制该基础土方开挖工程量清单如下表:分部分项工程量清单表1-2序号项目编码项目名称计量单位工程数量1 010********* 挖1-1有梁式钢筋砼基槽二类土方,基底垫层宽度1.4m,开挖深度1.3m,湿土深度0.5m,土方含水率30%,弃土运距5km m357.842 010********* 挖2-2有梁式钢筋砼基槽二类土方,基底垫层宽度1.6m,开挖深度1.3m,湿土深度0.5m,土方含水率30%,弃土运距5km m316.603 010********* 挖J-1钢筋砼柱基基坑二类土方,基底垫层2.2m×2.2m,开挖深度1.3m,湿土深度0.5m,土方含水率30%,弃土运距5km m318.88例3:某工程室外排水管道WSI,工程量80m(含窨井),采用外径450mm水泥涵管直铺。
工程设计室外地坪标高-0.45m,交付施工场地标高-0.55m,管底(外壁)平均标高-2.35m;管间有砖砌窨井6只,井底垫层尺寸1.3m×1.3m;开挖土方三类,无地下水,管沟内原土回填夯实,余土现场运距120m。
试编制该管沟土方开挖工程量清单。
解:根据已知工程资料,确定清单项目的描述内容,编制清单如下:表1-3例4:例2工程,根据现场土方平衡条件,基础槽坑利用开挖干土方原土回填,堆放点至槽坑平均距离20米,填土要求分层夯实。
假设埋入设计地坪以下的基础体积为30m3,计算该工程基槽坑回填土工程量并编制工程量清单。
解:基槽坑开挖土方工程量(见例2):57.84+16.6+18.88=93.32m3已知设计室外地坪以下埋入的基础体积:30m3基槽坑回填土工程量=93.32-30=63.32m3二、土石方工程清单计价例题例5:按照浙江省2003版建筑工程预算定额计算“例题1”清单的综合单价。
(假设:市场工料机单价同定额取定;工程施工方案选定为推土机和铲运机配合施工,余土为铲运机装土自卸汽车运土;工程取费标准按工程类别及企业水平情况,企业管理费按人工费及机械费之和的25%、利润按人工费及机械费之和的10%、风险按人工费的20%和机械费的10%考虑计算。
)解:按照题意,该清单项目组合内容有场地平整、余土外运(包括装土和运土)。
(1)工程量计算:已知清单工程量=469.38m2;根据采用定额的工程量计算规则,计算其施工工程量如下:平整场地S=(36.24+2×2)×(12.24+2×2)=653.5m2 余土外运(5km)V=653.5×0.1=65.35m3(2)定额套用,确定工料机费:“平整场地”套用1-28定额:人工费=653.5×0.024=15.68元机械费=653.5×0.23369=152.72元余土装车套用1-68定额:人工费=65.35×0.144=9.41元机械费=65.35×0.84758=55.39元自卸汽车运土套用1-69+70×4定额:人工费=65.35×0.144=9.41元机械费=65.35×(4.72425+1.18316×4)=618.01元(3)费用计算工料机费合计:人工费=15.68+9.41+9.41=34.5元机械费=152.72+55.39+618.01=826.12元企业管理费=(34.5+826.12)×25%=215.16元利润=(34.5+826.12)×10%=86.06元风险费=34.5×20%+826.12×10%=89.51元合价=34.5+826.12+215.16+86.06+89.51=1251.35元∴综合单价=1251.35元÷469.38m2=2.67元/m2 该题涉及到的大型机械进退场费应在工程措施项目清单中列项计价。
例6:根据例题2工程条件和清单及企业拟定的二个施工方案计算工程挖基槽、坑土方综合单价。
(参照例题5的计费标准)解1:按照拟定施工方案一(人工开挖基槽坑)及采用的计价定额计算施工工程量:查定额:二类土挖深大于1.2m,K=0.5,砼垫层工作面C=0.3m 挖土深度H总=1.6-0.15=1.45 m 其中:湿土H湿=1.6-1.1=0.5m(1)基槽坑挖土施工工程量:1-1断面:L=57.84÷(1.4×1.3)+0.1×6(定额规则不扣垫层搭接)=32.38m 2-2断面:L=9-0.6×2+0.38=8.18mV总=32.38×(1.4+0.6+1.45×0.5)×1.45=127.94m3V总=8.18×(1.6+0.6+1.45×0.5)×1.45=34.69m3其中:湿土V湿=32.38×(1.4+0.6+0.5×0.5)×0. 5=36.43m3 其中:湿土V湿=8.18×(1.6+0.6+0.5×0.5)×0. 5=10.02m3J-1:V总=[(2.2+0.6+1.45×0.5)2×1.45+0.254]×3只=54.81m3其中:湿土V湿=[(2.2+0.6+0.5×0.5)2×0.5+0.010]×3只=13.98m3(2)余土外运(按基坑边堆放、人工装车、自卸汽车运土考虑,回填后余土不考虑湿土因素)弃土外运工程量为基槽坑内埋入体积数量,假设:1-1断面:V=26.6m3 2-2断面:V=6.2 m3 J-1基础:V=8.3 m3(3)按施工工程量与清单工程量之比系数:1-1断面干土(127.94-36.43)÷57.84=1.5821 湿土36.43÷57.84=0.6298 运土26.6÷57.84=0.45992-2断面:干土(34.69-10.02)÷16.6=1.4861 湿土10.02÷16.6=0.6036 运土 6.2÷16.6=0.3735J-1:干土(54.81-13.98)÷18.88=2.1626 湿土13.98÷18.88=0.7405 运土8.3÷18.88=0.4396表中:企业管理费按人工费及机械费之和的25%、利润按人工费及机械费之和的10%、风险按人工费的20%和机械费的10%考虑计算。
同上方法,可以计算得2-2断面基槽及J-1基坑挖土的综合单价如下表:3以上是按清单1个单位项目组合内容数量计算综合单价的方法,也可以先计算出清单项目全部组成内容的合价,然后再按清单工程量倒算出清单项目的综合单价。
解2:按照拟定施工方案二(机械大开口开挖)采用基坑上反铲挖土,土方堆于基坑周围,待回填后余土外运;放坡按定额取定,工作面按基础垫层(不考虑墙垛凸出部位)外边线加0.3米考虑。
经查定额:二类土挖深大于1.2m,K=0.75,工作面C=0.3m挖土深度H总=1.6-0.15=1.45 m 其中:湿土H湿=1.6-1.1=0.5m(1)挖土工程量:V总=(11.8+0.6+1.45×0.75)×(11.2+0.6+1.45×0.75)×1.45+0.57=252.61m3其中:V湿=(11.8+0.6+0.5×0.75)×(11.2+0.6+0.5×0.75)×0.5+0.02=77.79m3V干=252.61-77.79=174.82 m3按照清单各项目工程量进行分摊计算:清单工程量合计V=57.84+16.6+18.88=93.32 m3每1m3清单工程量的干土施工工程量=174.82÷93.32=1.8733每1m3清单工程量的湿土施工工程量=77.79÷93.32=0.8336∴断面1-1施工工程量V干=57.84×1.8733=108.35 m3 V湿=57.84×0.8366=48.39m3断面2-2施工工程量V干=16.6×1.8733=31.10m3 V湿=16.6×0.8366=13.89m3J-1基坑施工工程量V干=18.88×1.8733=35.37m3 V湿=18.88×0.8366=15.80m3弃土外运数量、方案同解1。
(2)计算断面1-1综合单价:①机械挖二类干土套1-35定额:人工费=108.35 ×1.152元/m3=124.82元机械费=108.35×1.32287元/m3=143.33元②机械挖二类湿土(含水率30%)套1-35定额,按定额六-6点说明换算,定额乘系数1.15人工费=48.39×1.152×1.15 =64.11元机械费=48.39×1.32287×1.15=73.62元③余土外运、人工装土套1-67定额:人工费=26.6×3.384=90.01元④自卸汽车运土,运距5km 套1-69定额+1-70定额乘以4倍:人工费=26.6×0.144=3.83元机械费=26.6×(4.72425+1.18316×4)=251.55元⑤综合单价计算:人工费合计=124.82+64.11+90.01+3.83=282.77元机械费合计=143.33+73.62+251.55=468.5元企业管理费=(282.77+468.5)×25%=187.82元利润=(282.77+468.5)×10%=75.13元风险费用=282.77×20%+468.5×10%=103.40元合计:1117.62元∴断面1-1基槽挖土综合单价=1117.62÷57.84=19.32元/m3同上方法,计算2-2断面和J-1基坑挖土的合价和综合单价。