水电水利工程预应力锚索施工规范DLT5083-2004
- 格式:docx
- 大小:175.60 KB
- 文档页数:112
预应力钢绞线规范2010/9/20 15:57:11预应力钢绞线规范预应力砼连续梁结构整体性好、大跨度,减少桥面伸缩缝个数,在高速公路和城市快速路工程中得到广泛应用。
本文就几座预应力砼连续梁桥谈一下长束预应力质量控制的几个关键因素。
一、预应力钢绞线安装预应力钢束的孔道位置、钢绞线是否发生缠绞现象是质量控制的关键。
孔道位置不准确,改变了结构受力状态,如果曲线孔道标高变化段不圆顺还会增大预应力孔道摩阻损失,因此孔道位置准确与否直接关系到施工的预应力度能否与设计的预应力度相吻合,对结构安全和工程使用阶段是否会产生裂缝都有很深的影响。
多根钢绞线如果缠绞在一起,张拉时各根钢绞线受力不均匀,增大了钢绞线之间的摩阻,造成预应力损失加大。
实际施工中很多施工单位并不重视这些细部工作,固定钢束的井字架位置不准确或不按照规范和设计规定的间距布设,必然造成钢束位置与设计不符、有的还会在曲线变化段产生急弯(半径太小)或孔道局部偏差过大。
目前仍有小部分队伍使用人工进行穿束,尤其对多根钢绞线的长束重量很大,人工穿束费时费力,容易造成工人转动钢束穿进,使钢绞线互相缠绞在一起。
沈阳市某快速干道(高架桥)工程四标段共有九联连续梁,施工时固定钢束用的井字架间距为1米,梁高1.6米,因此竖弯变化量不大,间距满足要求,但是施工时由于工人工作不认真使井子架坐标不准确,并且采用人工穿束,束长在100米到120米不等。
张拉时发现大部分钢束的伸长值与理论伸长值不符(有的比理论值少11%),张拉过程中经常听到内部钢束缠绞在一起后被拉开的声音,当时立即对设备进行检定,在设备没有问题的情况下设计单位、监理单位和施工单位开始对问题进行分析,其中钢绞线计算伸长值时采用实测弹性模量,μ、κ取值按规范推荐值。
设计单位对结构进行重新验算,最后确定在保证张拉力的情况下,伸长值误差保证在12%以内,无疑降低了结构安全系数。
二、预应力钢绞线张拉1、张拉控制应力与伸长值张拉控制应力能否达到设计规定值直接影响预应力效果,因此张拉控制应力是张拉中质量控制的重点,张拉控制应力必须达到设计规定值,但是不能超过设计规定的最大张拉控制应力。
1 适用范围1.0.1本标准适用于水电水利工程中的岩体加固及混凝土结构后张预应力锚索施工。
1.0.2本标准可供其他工程的岩体加固及混凝土结构后张预应力锚索施工参考。
2 引用标准下列标准所包含的条文,通过在本标准中引用而构成本标准的条文。
本标准出版时,所示版本均为有效。
所有标准都会被修改,使用本标准的各方应探讨使用下列标准最新版本的可能性。
GB/T 5224—2003 预应力混凝土用钢绞线GB/T14370—2000 预应力筋用锚具、夹具和连接器GB/T50326—2001 建设工程项目管理规范DL/T5100—1999 水工混凝土外加剂技术规范DL/T5123—2000 水电站基本建设工程验收规程DL/T5144—2001 水工混凝土施工规范DL/T5148—2001 水工建筑物水泥灌浆施工技术规范DL/T5176—2003 水电工程预应力锚固设计规范SL46—94 水工预应力锚固施工规范SL176—1997 水利水电工程施工质量评定规程JG3006—93 有粘结预应力筋JG3007—93 无粘结预应力筋专用防腐润滑脂JG/T3013—94 金属螺旋管JG/T3663—92 给水用高密度聚乙烯管材JG/T5028—93 预应力用液压千斤顶3 名词术语3.0.1预应力钢绞线 Prestressing steel strand用于对岩体、混凝土结构物施加预应力的由多根高强钢丝捻制成的低松驰线束。
3.0.2预应力锚索Prestressing tendon由锚具、预应力钢绞线及附件组成的结构件。
3.0.3预应力钢绞线—锚具组装件Prestressing tendon anchorage assembly预应力钢绞线与锚具装配的受力单元。
3.0.4有粘结预应力锚索Bonded prestressing tendon预应力锚索经张拉锁定、灌浆后,其张拉段与被锚固介质无相对滑动的预应力锚索。
3.0.5无粘结预应力锚索 Unbonded prestressing tendon预应力钢绞线经专用防腐脂油敷涂和外包层处理,张拉锁定后其张拉段在被锚固介质内可相对滑动的预应力锚索。
水电水利工程预应力锚索施工规范–DLT-5083-2004前言本规范适用于水电水利工程预应力锚索施工,以规范施工过程,保障工程质量,减少事故发生率。
术语和定义•预应力锚索:指外力作用下,在锚固点处施加反向的预应力使得受力构件处于一定的压应力状态之下的锚固体系。
•预应力:指在施工过程中,施加在构件中的应力。
•预应力损失:指施工后预应力减少的现象。
•锚固长度:指预应力锚索在混凝土内的锚固长度。
•窜锚长度:指预应力锚索在混凝土内的窜锚长度。
设计要求窜锚长度•计算窜锚长度时,应考虑混凝土的质量、强度等因素,按相关规范进行计算。
•窜锚长度应充分考虑现场施工情况,确保施工质量。
•窜锚长度应在5个锚固间距以内。
锚固长度•计算锚固长度时,应根据构件的尺寸、形状、混凝土性质等因素进行计算。
•锚固长度不得小于4个锚固间距。
•锚固长度不得大于预应力锚索长度。
应力值•预应力应力值应在允许范围内,不得超过规定的极限值。
•锚固点应力应该采用实测值计算。
材料要求•预应力锚索应符合相关标准。
•配筋钢筋应符合相关标准。
•预应力锚索的抗拉性能、偏差等质量应符合相关标准。
•混凝土应符合相关标准,必须进行充分的混凝土拌和、砼浇筑、振捣以及养护。
施工要求环境要求•施工场地应符合规定的标准。
•工程场地应通风良好。
•存放预应力锚索的场所应干燥、洁净,防止受潮等影响质量的因素。
•现场设备应符合使用要求。
准备工作•预应力锚索及配筋钢筋应经过检验合格方可使用。
•锚具应准确摆放,锚具的安装和调整要求精确度高。
施工工序•先进行混凝土的浇筑,确保混凝土的强度符合要求。
•混凝土浇筑后,应等待混凝土达到规定强度后再施工。
•对预应力锚索进行现场拉伸,并调整预应力强度。
•当预应力锚索调整达到规定要求后,进行锚固点的施工,确保锚固稳定。
•确认锚固点没有锚杆破坏后,对窜锚段进行拌合。
•确认施工完整后应进行质量验收,并将施工记录按要求进行备份。
安全注意事项•施工过程中,预应力锚索的调整和锚固点的施工要求精度较高,应严格按规范要求进行施工。
资料范本本资料为word版本,可以直接编辑和打印,感谢您的下载锚索张拉计算地点:__________________时间:__________________说明:本资料适用于约定双方经过谈判,协商而共同承认,共同遵守的责任与义务,仅供参考,文档可直接下载或修改,不需要的部分可直接删除,使用时请详细阅读内容压力分散型锚索张拉工艺研究叶杜平(中铁十一局集团第四工程有限公司福建浦城 353402)摘要:压力分散型锚索因其独特的优势,现越来越广泛的被用于高速公路高边坡的防护和加固中。
压力分散型锚索施工中最重要的一环就是锚索的张拉。
本文通过浦南高速公路压力分散型锚索施工的实例对锚索的张拉施工工艺进行探讨和研究。
关键词:锚索张拉研究1 概述压力分散型锚索的施工工序主要包括:施工准备→锚孔钻造→锚筋制安→锚孔注浆→框架梁施工→锚索张拉锁定→锚孔封锚。
其中最重要的一个环节就是锚索张拉锁定。
锚索的张拉锁定工序可分为差异荷载增量和理论伸长量的计算及现场超张拉、锁定工作。
2 差异荷载增量和理论伸长量的计算2.1 计算公式简介因压力分散型锚索各单元长度长短不一,故必须先计算各单元差异伸长量和差异荷载增量,其计算公式(以三单元共六束压力分散型锚索为例)如下:差异伸长量:ΔL1-2=ΔL1-ΔL2, ΔL2-3=ΔL2-ΔL3ΔL1=(σ/E)*L1, ΔL2=(σ/E)*L2, ΔL3=(σ/E)*L3,σ=P/A差异荷载增量:ΔP1=(E*A*ΔL1-2/L1)*2ΔP2=[(E*A*ΔL2-3/L2)+ (E*A*ΔL2-3/L1)]*2其中:L1,L2,L3---分别为第一、二、三单元锚索的长度,且L1>L2>L3;ΔL1, ΔL2, ΔL3---各单元锚索在给定最终张拉(设计锁定)荷载作用下的伸长量;ΔL1-2,ΔL2-3---各单元锚索在给定最终张拉(设计锁定)荷载作用下的差异伸长量;σ---给定最终张拉(设计锁定)荷载作用下钢绞线束应力;P---给定最终张拉(设计锁定)荷载作用下单根钢绞线束荷载;A---单根钢绞线束的截面面积;E---钢绞线的弹性模量;ΔP1,ΔP2---分布差异张拉之第一、第二步级张拉荷载增量。
2 工程施工及验收《水电水利工程施工地质规程》 DL/T 5109-19993.0.2施工地质工作应包括下列主要内容:(1)编录、测绘施工揭露的地质现象,检验、修正前期工程地质勘察资料和评价结论;(2)进行取样与试验;(3)及时提出对不良工程地质问题的处理意见和建议;(4)进行地质观测与预报;(5)参加地基、围岩、工程边坡、水库蓄水及其它隐蔽工程的地质评价与验收;(6)提出运行期间的水文地质工程地质观测项目、实施方案、技术要求设计书;(7)编制施工地质报告。
3.0.6在施工地质工作中,应建立“施工地质日志”,及时记载有关施工地质事项,特别是地质变异情况和工程重大事项,以及工程处理要求和实施结果。
4.3.3 预报应包括下列内容:(1)在地质编录过程中,出现地基的实际情况与原设计所依据的资料和结论有较大的变化,需要修改设计;或可能出现新的不利地质因素危及建筑物与施工安全。
(2)由于天然或人为因素使建筑物区岩土体出现异常变化,将导致失稳引起破坏,需要采取加固与处理措施。
(3)基坑有可能出现大量涌水。
(4)出现管涌、流砂。
5.1.3 应根据编录的实际情况,提出临时支护措施和修改设计的意见。
6.3.6 工程边坡可能失稳的预报,应采用书面预报。
若遇紧急情况,可先作口头预报,随即整理书面材料报出。
预报资料应统一编号。
7.1.1 施工期间水库区地质工作应包括下列内容:(5)分别按本规程第4章和第6章的要求对水库区防渗工程、库岸稳定处理与农田防护等工程进行施工地质工作;7.1.3 水库下闸蓄水前,应对下列问题如实作出评价:(1)库底及库周边可能渗漏地段的处理情况;(2)岸坡特别是近坝库岸的稳定性及其处理情况;(3)可能产生浸没地段的防护措施;(4)对影响水库安全的泥石流、泥沙发生区的防治措施;(5)核实前期勘察阶段预测可能发生水库诱发地震潜在震源区的基本情况以及监测台网设置情况。
8.0.1 施工地质工作中所收集的资料、工作日志、大事记、会议记录等均应进行整编。
预应力锚索施工规范预应力锚索作为一种有效的岩土锚固技术,广泛应用于边坡加固、隧道支护、大坝加固等工程领域。
为确保施工质量和安全,特制定以下预应力锚索施工规范。
一、施工准备1、技术准备熟悉施工图纸和设计要求,进行技术交底。
编制施工方案,明确施工工艺、施工流程和质量控制要点。
2、材料准备预应力锚索应选用符合设计要求的高强度钢绞线或钢丝束,其性能指标应符合相关标准。
锚具、夹具应与预应力锚索配套,且性能应符合设计要求和相关标准。
水泥应选用强度等级不低于 425 的普通硅酸盐水泥。
砂、石等骨料应符合相关标准的要求。
3、设备准备根据施工要求,配备钻孔设备、压浆设备、张拉设备等。
对设备进行调试和检验,确保其性能良好、运行正常。
4、现场准备清理施工现场,平整场地,确保施工道路畅通。
测量放线,确定锚索的位置和标高。
二、钻孔1、钻孔位置和角度应符合设计要求,偏差不得超过规定值。
2、钻孔过程中应采取措施防止孔壁坍塌,如采用跟管钻进、护壁泥浆等。
3、钻孔深度应达到设计要求,孔底沉渣厚度不得超过规定值。
4、钻孔完成后,应及时进行清孔,清除孔内的岩粉、碎屑等杂物。
三、锚索制作与安装1、预应力锚索的制作应在专门的场地进行,按照设计要求进行下料、编束。
2、钢绞线或钢丝束应梳理顺直,不得有缠绕、扭曲现象。
3、锚索的锚固段应设置定位架,确保钢绞线或钢丝束在锚固段内均匀分布。
4、锚索安装时,应将其缓慢推送入孔内,避免锚索弯曲、扭转。
5、锚索安装到位后,应及时进行固定,防止其滑落。
四、注浆1、注浆材料应符合设计要求,浆液的配合比应通过试验确定。
2、注浆前应先进行压水试验,检查孔道的密封性和通畅性。
3、注浆应采用从孔底到孔口的方式进行,直至孔口溢出浆液为止。
4、注浆过程中应保持注浆压力稳定,避免压力过大或过小。
5、注浆完成后,应及时清洗注浆设备。
五、张拉1、张拉前应对锚具、夹具进行检验,确保其性能良好。
2、千斤顶、油压表等张拉设备应进行校准和标定。
04预应力锚索施工规范预应力锚索技术在岩土工程领域中得到了广泛的应用,它能够有效地提高岩土体的稳定性,保障工程的安全。
为了确保预应力锚索施工的质量和安全,需要遵循一系列严格的施工规范。
一、施工准备在进行预应力锚索施工之前,需要进行充分的准备工作。
首先,要对施工现场进行详细的勘察,了解地质条件、地形地貌、周边环境等情况,为施工方案的制定提供依据。
其次,要根据设计要求,准备好所需的材料和设备,如锚索、锚具、水泥、砂、石等材料,以及钻孔机、压浆机、千斤顶等设备。
同时,要对材料和设备进行检验和调试,确保其质量和性能符合要求。
此外,还需要组织施工人员进行技术培训和安全教育,使他们熟悉施工工艺和操作规程,掌握安全注意事项。
要编制详细的施工组织设计和施工方案,明确施工流程、施工方法、质量控制要点、安全保障措施等内容,并报监理单位审批。
二、钻孔钻孔是预应力锚索施工中的关键工序之一。
钻孔的质量直接影响到锚索的安装和锚固效果。
在钻孔前,要根据设计要求确定钻孔的位置、孔径、孔深和孔向。
钻孔时,要采用合适的钻孔设备和工艺,保证钻孔的垂直度和精度。
对于地质条件复杂的地区,要采取相应的钻进措施,如采用跟管钻进、泥浆护壁等方法,防止孔壁坍塌。
在钻孔过程中,要做好记录,包括钻孔的时间、进尺、地质情况等。
当钻孔达到设计深度后,要进行清孔,将孔内的岩屑、泥土等杂物清除干净。
三、锚索制作与安装锚索的制作要严格按照设计要求进行。
锚索通常由钢绞线或高强钢丝组成,在制作前要对钢绞线或钢丝进行检验,确保其质量符合要求。
按照设计的长度和规格,将钢绞线或钢丝进行切割和编束,并在端部安装锚具。
在安装锚索时,要将锚索缓慢地插入钻孔中,避免锚索弯曲或损坏。
如果孔内有积水或杂物,要先进行处理。
锚索安装到位后,要及时进行固定,防止其移动。
四、注浆注浆是为了将锚索与周围的岩土体粘结在一起,形成一个整体。
注浆材料通常采用水泥浆或水泥砂浆,其配合比要根据设计要求和现场实际情况进行确定。
预应力锚索工程监理实施细则1总则1.1 实施细则适用于溪洛渡水电站坝肩开挖及缆机平台工程第I、II标段预应力锚索工程。
1.2 实施细则编制依据(1)金沙江溪洛渡水电站坝肩开挖及缆机平台工程施工招标文件(合同编号:XLD/0265和XLD/0266);(2)《水电水利工程预应力锚索施工规范》DL/T5083-2004;(3)《预应力砼用钢绞线》GB/T5224-1995;(4)《预应力筋用锚具、夹具和连接器》GB/T14370-2000;(5)《水工建筑物水泥灌浆施工技术规范》DL/T5148-2001等。
2施工前准备工作监理2.1 预应力锚固工程开工前42天,承包人应提交预应力锚索施工组织设计报监理工程师审批,其内容应包括:(1)工程概况;(2)施工布置及风、水、电布设;(3)施工进度计划;(4)劳动力配备计划;(5)造孔、制浆、张拉等机械设备配置及性能;(6)施工工艺及施工方法;(7)施工测量、锚索监测、试验计划;(8)质量保证体系与质保措施;(9)安全保证措施。
2.2 在预应力锚索开工前28天,承包人应按施工招标文件和设计图纸的要求完成水泥浆(用于锚索灌浆)、锚墩砼、封锚砼的配合比试验工作,并向监理工程师提供至少包括7天、28天的试验成果,报监理工程师审批,经审核批准后方可使用。
2.3 承包人必须按施工投标文件中的承诺组织施工设备进场。
运至施工现场的各种机械设备、仪器仪表,必须经过检查、率定并经监理工程师认证合格,方可使用。
2.4 使用业主提供的原材料如水泥、砂,应按合同要求进行抽检,并定期将抽检结果报送监理工程师;合同约定由承包人自购材料如钢绞线、锚夹具等,按监理工程师发文《关于工程材料的采购及使用有关要求》中规定的“承包人采购材料程序”、“材料使用验收程序”、“材料检查检测要求”执行,监理工程师将与承包人按规程规范要求联合对进场的钢绞线、锚夹具进行取样、送检,并在锚索施工前将检验结果提交监理工程师,检验合格的材料才允许用于现场施工。
中华人民共和国电力行业标准水工隧洞预应力混凝土衬砌锚束施工总则Construction guide for prestressed tendonof hydraulic tunnel with concrete liningDL/T 5083-1998主编部门:葛洲坝集团长江预应力工程公司批准部门:中华人民共和国电力工业部批准文号:电综「1998]232号中国电力出版社1998 北京前言近年来,我国水利水电工程预应力技术发展较快,从坝工预应力混凝土结构扩展到水工隧洞预应力混凝土衬砌。
继清江隔河岩水电站引水隧洞预应力混凝土衬砌锚束施工获得成功之后,天生桥一级水电站引水隧洞、小浪底水库排沙隧洞均采用了这一技术。
为了加强技术管理,规范施工行为,保证水工隧洞预应力混凝土锚束施工质量,更好地进行水利水电工程建设,电力工业部水电施工标准化技术委员会根据电力工业部科技司技综[1996]4O号文通知的有关要求,组织编写《水工隧洞预应力混凝土衬砌锚束施工导则》。
本导则于1996年10月开始编写,1997年3月完成初稿,经过讨论修改,7月上旬完成征求意见稿,随后发送给国内同行专家征求意见,在征得专家意见后于10月中完成了送审稿。
1997年12月11日电力工业部水电施工标准化技术委员会在三峡工地召开了本导则送审稿审查会,会后根据专家的意见修改完成报批稿。
本导则主要总结隔河岩水电站引水隧洞预应力混凝土衬砌锚束施工的经验,同时吸收了国内水工隧洞、其他环锚工程施工和工艺性试验的经验,并借鉴国外的一些先进技术而制订。
本导则分范围、引用标准、名词术语、总则、一般规定、预应力钢绞线与锚具、成孔成槽、锚束制作与安装、张拉、防护、试验与观测、质量与安全、验收等十三章及5个附录。
本导则由中国水利水电工程总公司承担。
本导则主编单位:葛洲坝集团长江预应力工程公司;副主编单位:柳州欧维姆(OVM)建筑机械有限公司(柳州市建筑机械总厂)。
本导则主要编写人:任尚卿、郭德富、孙景振、田裕甲、沈世琨、丁克汉、金志斌。
预应力锚索施工标准预应力锚索施工采用全套管跟进水循环冲击钻进施工工艺,钻头通过动力冲击将砾石、漂石击碎,并经水循环将破碎的石削冲出孔外,以达到清理孔内的目的,同时钢套管随钻杆跟进以维护孔壁,钻进至设计深度后提钻成孔。
一、锚索成孔基坑开挖至锚索设计标高以下停止开挖,根据设计标高定出孔位,做好标记。
锚索的成孔孔径为150mm,孔位允许偏差不应大于50mm;锚索倾斜角度为15°,偏斜角度不应大于2°,钻孔时需持续测量,保证钻孔角度。
钻孔孔深和杆体长度不应小于设计尺寸,也不宜大于设计长度的1%。
成孔后认真清孔,直至孔内泥浆被清理完毕为止。
在锚索安装前,应对孔口进行暂时封堵,不得使碎屑、杂物进入孔口。
二、锚索制作锚索选用表面无损伤、锈污的钢绞线,不得使用表面有焊痕的钢绞线。
锚索下料长度为设计长度和孔外预留长度(米)之和,以保证锚索张拉锁定时的要求,每股长度误差不大于50mm,下料前必须通知技术人员。
1、自由段制作,自由段的钢绞线应放入塑料套管内,外绕工程胶布密封固定。
2、锚固段制作,对预应力锚索的锚固段需要进行除锈,将钢绞线平直放好后,每间隔2m设置一个隔离架,将钢绞线依次放入定位支架的凹槽内,再用扎丝将其与支架扎紧,两个隔离架中间采用16号铅丝捆扎4道。
锚固段底部用扎丝将三股或二股钢绞线捆在一起,不得有分叉现象,底部做成锥形头,防止下锚时将锚索插入土体内。
3、二次注浆管制作,采用Φ25硬塑料注浆管制作,待锚索绑扎完成后,先将注浆管沿锚索轴线方向从定位支架的中间孔洞从自由段开始向底端穿进。
注浆管底口封堵严密,锚固段做成花管(孔眼φ6~φ8,间距)孔眼用黑胶布将密封,注浆管底口距孔底宜为50cm左右。
三、锚索安装1、清孔:用高压水泵将清水注入孔底,进行清孔,直至没有泥浆流出为止。
2、锚索体安装时,将一次注管的一端用扎丝捆扎在锚索的底端,捆扎时不可过紧,防止一次注浆拔出时被拔断,但不可过松,防止下锚过程中因钢绞线弯曲挤压而引起脱落,注浆管底口距孔底宜为50cm左右。
预应力锚索监理实施细则1总则1.1 本监理实施细则适用于三峡右岸地下电站预应力锚索加固工程,包括所有的对穿型锚索、端头型锚索等,其他锚索加固工程可参考使用。
1.2 本细则依据下列文件编制《水工预应力锚固施工规范》SL46-94;《水电水利地下工程锚喷支护施工规范》DL/T5181-2003;《水电水利工程预应力锚索施工规范》;DL/T5083-2004;《水工混凝土施工规范》DL/T5144-2001;《长江三峡水利枢纽地下电站主体工程土建和部分设备安装工程施工招标文件》;《中国长江三峡工程质量标准》TGPS21;《水电站基本建设工程验收规程》SDJ275;《水工建筑物水泥灌浆施工技术规范》SL62-94;合同文件中的其他有关技术规范、施工详图、设计文件、设计通知和技术要求等。
1.3 本细则由三峡发展公司地下电站监理部解释、修改、补充。
细则中未作规定的按预应力锚固施工规范及技术要求执行。
2开工申请2.1 施工单位应在锚索施工图纸及技术要求文件到位后,尽快按有关要求采购相关材料,并将有关材料出厂证明及性能说明报送监理审批,材料审批后,施工单位应尽快进行生产性试验,锚索试验应包括规范内要求的所有原材料力学试验(如钢绞线极限强度、屈服强度、伸长率试验,预应力钢绞线—锚具组装件静载试验,锚具硬度检查试验)、锚索受力性能试验及验收试验。
锚索试验完毕后,施工单位应尽快提交试验报告报监理工程师,并抄送设计,经监理工程师批准和设计同意后,方可开展大规模施工。
2.2 预应力锚固工程开工前30天,承建单位根据现场实际情况,编制预应力锚固施工组织设计。
监理工程师应根据现场情况及总进度安排对施工组织设计进行审批,审批的内容包括:⑴施工布置及风、水、电布设;⑵施工进度计划及施工措施;⑶造孔、制浆、张拉的机具设备的性能、数量;⑷施工工艺及施工方法;⑸质量保证体系与质保措施;⑹施工测量、锚索监测;⑺操作人员的组成、培训和上岗资质;⑻组织机构、责任人员及安全措施。
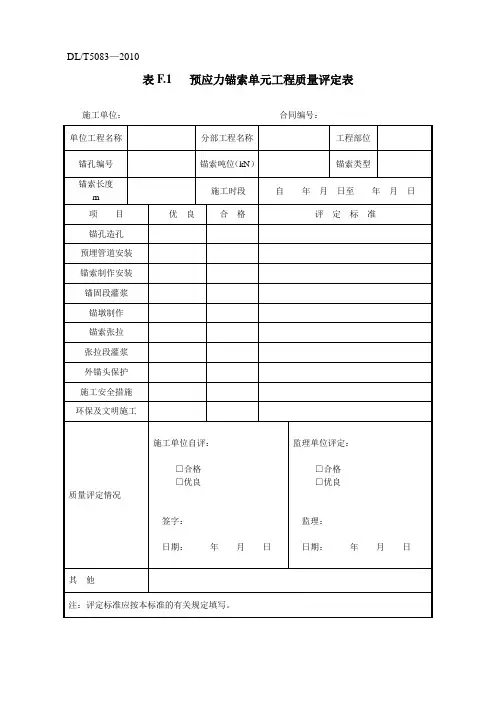
规范要点搞录规范要点搞录水电水利工程预应力锚索施工规范DL/T5083-20044.0.2预应力工程施工应编制施工组织设计,并根据不同的锚索类型制定施工工艺细则。
施工前必须进行技术交底。
5.0.6预应力锚固工程宜采用信息法施工5.0.7结构预应力混凝土浇筑过程中,严禁振捣器触及无粘结锚索、防护套管及埋设的仪器引伸线。
5.0.11封孔灌浆应在锚索张拉锁定后3天内进行。
5.0.12封孔灌浆应采取有效措施排除孔内的水气,确保灌浆密实度,浆液内应掺有微膨胀剂,其掺量应通过试验确定。
5.0.14预应力工程施工前,操作人员应经过技术培训,持证上岗,未经培训、考核不合格者不得上岗操作。
6.1.2进场钢铰线的外观应按下列要求进行检验:外包装完整,表面无油渍、锈蚀、毛剌、损伤;直径偏差+-0.15mm;捻距为直径的12~16倍(标准型),捻距为直径的14~18倍(压缩型);伸直性能良好、无散头号涂层钢铰线的PE护套无损伤。
外观检验合格,方可入库,并作详细记录。
6.1.3供货商应提供每盘钢铰线的材质证明书、产品合格证、试验检验报告。
6.1.6无粘结钢绞线的防腐油脂应化学稳定性好,不得含有有害成分,其涂敷量不应小于50g/m;PE套管厚度为1.0mm~1.2mm,应具有一定的韧性和硬度,并有抗腐蚀、抗老化性能。
6.2.2套管内径应大于锚索体直径4mm以上,有隔离架的锚索其套管内径应大于隔离架直径2mm,钢管管壁厚度不应小于3mm;金属螺旋管壁厚不应小于0.3mm,其径向变形量不得大于内径的15%。
6.2.3套管宜采用缩节管连接,应确保接头严密。
金属管、高密度聚乙烯波纹管(HDPE)如采用焊(熔)接时,必须严格控制焊缝质量。
6.3.4进场入库的锚具应按下列规定进行检验:1、外观检查应从每批锚具中抽取10%,且不少于10套,不于10套者应全部检验。
做外观及结构主端部、与张拉机具的匹配尺寸及表面检查,合格者方可入库。
2、硬度检查应从锚具总量中随机抽取5%,且锚板不应少于5件,夹片不应少于5副,按厂家提供的硬度范围进行测试,合格者方可入库,锚具硬度检验见附录C。
水力发电工程混凝土面板坝、灌浆与锚固施工的内容一、《混凝土面板堆石坝施工规范》(DL/T 5128—2001)(一)坝基与岸坡处理(二)坝体填筑7.2.8坝料碾压应采用振动平碾,其工作重量不小于l0t。
高坝应采用重型振动碾。
应经常检测振动的工作参数,保持其正常的工作状态。
碾压应按坝料分区、分段进行,各碾压段之间的搭接不应小于l.0m。
7.3.1垫层料宜每填筑升高10~15m,进行垫层坡面削坡修整和碾压。
如采用反铲削坡时宜每填高3.0~4.5m进行一次。
削坡修整后坡面在法线方向宜高于设计线5~8cm。
有条件时宜用激光控制削坡坡度。
(三)面板与趾板施工8.1.4面板与趾板混凝土配合比,必须根据设计要求和施工工艺要求,通过配合比设计和试验确定。
1.应掺用引气剂和减水剂,并视需要掺用调凝剂等外加剂。
外加剂品种、掺量必须通过试验确定。
2.宜掺用适量粉煤灰和其他掺合料,其掺量应通过试验确定。
3.水灰比应不超过0.5,可根据施工条件、当地气候特点选用,宜尽量取小值。
4.坍落度应根据混凝土的运输、浇筑方法和气候条件决定。
当用溜槽输送入仓时,溜槽人口处坍落度宜控制在3~7cm,视气候条件选用。
8.3.10混凝土浇筑应遵守以下规定:1.混凝土入仓必须均匀布料,每层布料厚度应为25~300mm。
止水片周围混凝土应辅以人工布料,严禁分离。
2.浇筑过程中应及时清除粘在模板、钢筋上的混凝土。
每次滑升前必须清除前沿超填混凝土。
3.对脱模后的混凝土表面,必须及时修整和压面。
对接缝两侧各50cm内的混凝土表面应及时整平,用2m长直尺检查,不平整度不超过5mm。
二、《混凝土面板堆石坝接缝止水技术规范》(DL/T 5115—2000)6.1.1所用止水材料,其性能应符合国家标准或行业标准,暂无标准者,由设计提出性能要求。
7.1.9施工中,止水片(带)如有损坏或破坏,应修补或更换,并查明原因记录备案。
止水片(带)有严重变形时,在浇筑前应做整形处理。
.XX边坡锚索施工措施一、编制依据1、XX 工程招标文件技术条款2、设计图纸3、《水电水利工程预应力锚索施工规范》(DL/T5083-2004)4、《黄登水电站引水发电系统地下洞室开挖与支护施工技术要求》二、工程概况本次施工范围为 XX 边坡 xx 高程锚索,该范围锚索均为 1000KN 级全长粘结式,锚索长度分为 25m、30m 两种类型,锚索总量 245 束,各部位锚索工程量如下:表 1锚索工程量表分区工程部位长度数量间距结构形式(根)方位角( m)( m)1000KN 全长粘结1000KN 全长粘结1000KN 全长粘结三、锚索材料、加工场地和施工程序1、锚索材料根据 XX 边坡 xx 以上开挖支护设计图纸要求,本次施工均为 1000KN 级全长粘结式锚索,锚索所用钢绞线由业主统供。
2、加工场地根据现场环境进行确定。
3、施工用水锚索工程施工用水采用xx 用水。
4、锚索施工程序锚索制作→检验(固壁灌浆→扫孔)造孔→检验(倾角、方位、孔深)锚墩浇筑锚固段灌浆下索张拉、锁定张拉段灌浆外锚头保护四、锚索造孔1、造孔工序:钢管排架搭设→孔位测放→钻机固定→开孔方位固定→钻进特殊情况处理(扩孔、捞砂、终孔)→终孔验收(1)脚手架搭设:在锚索区采用Φ 48mm×3.5mm 规格钢管搭设双排脚手架,脚手架每层步距 1.8m;立杆纵距为 1.2m,横距 1.2m;作业层小横杆间距0.4m,布置于大横杆上侧;人形通道宽度为 1.2m,踏步宽 30cm;剪刀撑设置为沿脚手架外侧一排通高连续设置,跨度不小于 4 跨,倾角在 45~60°范围内;连墙件采用φ 25 螺纹钢筋锚入边坡岩体,钢筋与钢管焊接连接,间距按 1 步、 2 跨梅花形布置。
脚手架作业层应铺满脚手板,以便作为钻机及人员操作平台,脚手板四角应采用6#~10#铁丝双股并联绑扎,固定在横向水平杆上,要求绑扎牢固,交界处平整,无空头板。
1 适用范围1.0.1 本标准适用于水电水利工程中的岩体加固及混凝土结构后张预应力锚索施工。
1.0.2 本标准可供其他工程的岩体加固及混凝土结构后张预应力锚索施工参考。
2 引用标准下列标准所包含的条文,通过在本标准中引用而构成本标准的条文。
本标准出版时,所示版本均为有效。
所有标准都会被修改,使用本标准的各方应探讨使用下列标准最新版本的可能性。
GB/T 5224—2003预应力混凝土用钢绞线GB/T14370 —2000预应力筋用锚具、夹具和连接器GB/T50326—2001建设工程项目管理规范DL/T5100—1999水工混凝土外加剂技术规范DL/T5123—2000水电站基本建设工程验收规程DL/T5144—2001水工混凝土施工规范DL/T5148—2001水工建筑物水泥灌浆施工技术规范DL/T5176—2003水电工程预应力锚固设计规范SL46—94水工预应力锚固施工规范SL176—1997水利水电工程施工质量评定规程JG3006—93有粘结预应力筋JG3007—93无粘结预应力筋专用防腐润滑脂JG/T3013—94金属螺旋管JG/T3663—92给水用高密度聚乙烯管材JG/T5028 —93预应力用液压千斤顶3 名词术语3.0.1预应力钢绞线Prestressing steel strand 用于对岩体、混凝土结构物施加预应力的由多根高强钢丝捻制成的低松驰线束。
3.0.2 预应力锚索Prestressing tendon由锚具、预应力钢绞线及附件组成的结构件。
3.0.3预应力钢绞线—锚具组装件Prestressing tendon anchorage assembly预应力钢绞线与锚具装配的受力单元。
3.0.4有粘结预应力锚索Bonded prestressing tendon预应力锚索经张拉锁定、灌浆后,其张拉段与被锚固介质无相对滑动的预应力锚索。
3.0.5无粘结预应力锚索Unbonded prestressing tendon 预应力钢绞线经专用防腐脂油敷涂和外包层处理,张拉锁定后其张拉段在被锚固介质内可相对滑动的预应力锚索。
3.0.6锚具Anchorage 将预应力锚索的张拉力传递给被锚固介质的装置。
3.0.7涂层Coating 涂敷在预应力钢绞线表面起防腐和润滑作用的材料。
3.0.8套管Sheathing套在预应力钢绞线和有或无防腐油脂涂层的高密度聚乙烯(HDPE)管子。
3.0.9 预应力锚固Prestrassed anchorage通过对预应力锚索施加张拉力,使岩体或混凝土结构物达到稳定状态或改善其内部应力状况的技术措施。
3.0.10 内锚固段Inner anchoring section预应力锚索体的内部持力端。
用胶结材料或金属加工的机械装置,使锚索体内端与被锚固介质粘结为整体的区段。
3.0.11张拉段Tensile section 预应力锚索依靠自身弹性变形,张拉时可自由伸长,锁定后形成对被锚固介质施加预应力的部分。
3.0.12 外锚头Outer fixed End对锚索实现张拉和锁定的支撑装置。
3.0.13 设计张拉力Design tension按照锚固设计的要求,并预留一定安全系数及各种因素引起的预应力损失后,确定每束锚索应施加的张拉荷载。
3.0.14 超张拉力Extra design Tension为消除各种因素所引起的预应力损失,锚索张拉时将设计张拉力提高一定比例后,实际施加的张拉荷载。
3.0.15 内缩量Drawn-in锚固过程中,由于锚具与预应力钢绞线间的相对位移、变形,所产生的预应力钢绞线的回缩值。
3.0.16有效预应力Effective Prestressing 预应力张拉锁定后,受各种因素影响预应力逐渐降低,降低至相对稳定后所提供的预应力。
3.0.17预应力损失Prestressing loss 预应力锚索张拉锁定后的应力到建立有效预应力这一过程中所出现的应力减少。
3.0.19 真空灌浆Vacuum grouting 封孔灌浆时利用真空泵将孔道内和浆液中的气体及多余水份排出,从而提高预应力孔道浆体的饱满度和密实度。
3.0.20 信息法施工Construction method from information 岩体预应力锚固施工中,通过信息反馈,及时对原设计方案作相应调整,更好地指导现场施工,提高岩体锚固的安全性。
4 总则4.0.1 水电水利工程预应力锚索施工前应取得有关被锚固岩体或混凝土结构的设计图纸、技术文件及施工条件等资料。
4.0.2 预应力锚索施工应包括材料检验、基本性能试验、施工和施工期监测。
4.0.3 预应力工程施工应编制施工组织设计,并根据不同的锚索类型制定施工工艺细则。
施工前必须进行技术交底。
4.0.4 预应力工程施工应积极采用新工艺、新材料、新设备,不断提高预应力施工技术水平。
4.0.5 水电水利工程预应力锚索施工,除应符合本标准的规定外,还应符合国家现行的有关标准、法律和法规的规定。
5 一般规定5.0.1 重要的预应力工程应进行性能试验或生产性试验,以验证设计参数,完善施工工艺。
5.0.2 预应力工程所用的材料和设备必须是合格的产品。
5.0.3 在同一部位的预应力工程施工中,宜采用同一品种、型号规格和同一生产工艺制作的预应力钢绞线。
若需要代换预应力钢绞线,必须进行试验和论证。
5.0.4 预应力锚索施工应按规定的工艺流程进行作业。
5.0.5 预应力工程施工承重排架(含脚手架),应根据现场情况和实际载荷进行设计。
5.0.6 预应力锚固工程应采用信息法施工。
5.0.7 结构预应力混凝土浇筑过程中,严禁震捣器触及无粘结锚索、防护套管及埋设的仪器引伸线。
5.0.8 岩体锚固的锚墩混凝土、结构混凝土强度应达到设计要求的强度等级,方能进行锚索张拉,除非设计对混凝土强度等级另有要求。
5.0.9 岩锚的内锚段及张拉段胶结体强度应达到设计要求,方能进行锚索张拉。
5.0.10 锚索张拉过程中如遇预应力钢绞线断丝、夹片出现可视裂纹、千斤顶严重漏油、油泵压力表反应异常等情况之一,应停机检查处理。
5.0.11 封孔灌浆应在锚索张拉锁定后3d 内进行。
5.0.12 封孔灌浆应采取有效措施排除孔内的水、气,确保灌浆密实度,浆液内应掺有微膨胀剂,其掺量应通过试验确定。
5.0.13 试验、施工记录应及时整理、归档。
5.0.14 预应力工程施工前,操作人员应经过技术培训,持证上岗,未经培训、考核不合格者不得上岗操作。
5.0.15 预应力工程施工中,应做好生态环境保护。
6 材料与设备6.1 预应力钢绞线6.1.1 预应力钢绞线包括无涂层和涂层高强低松驰钢绞线,一般采用标准型或压紧型1860MPa(270级)、1960MPa(290级)钢绞线。
6.1.2 进场钢绞线的外观应按下列要求进行检验:外包装完整,表面无油渍、锈蚀、毛刺、损伤;直径偏差士0.15mm捻距为直径的12~ 16 倍(标准型),捻距为直径的14〜18倍(压紧型);伸直性能良好、无散头;涂层钢绞线的PE 护套无损伤。
外观检验合格后方能入库,并作详细记录。
6.1.3 供货商(厂家)应提供每盘(捆)钢绞线的材质证明书、产品合格证、试验检验报告。
6.1.4 钢绞线的力学性能应符合GB/T5224的规定。
6.1.5 钢绞线力学性能试验项目应包括:极限强度、屈服强度、伸长率、松驰性能、弹性模量。
松驰性能、弹性模量检验应由厂家进行,其检验成果随货提供。
其余项目应由工程承包单位按附录A 进行检验。
6.1.6 无粘结钢绞线的防腐油脂应化学稳定性好,不得含有有害成份,其涂敷量不应小于50g/m。
PE套管厚度为0.8 mm〜1.2mm,应具有一定的韧性和硬度,并有抗腐蚀、抗老化性能。
6.1.7 无粘结预应力钢绞线的PE套管在起吊、运输、储存过程中不得冲撞、不应受损,并有防雨、防晒、防污染及防腐蚀等措施。
6.2 防护套管6.2.1 采用埋管法成孔的套管,其质量应符合设计要求。
622 套管内径应大于锚索体直径4mm以上,有隔离架的锚索其套管直径应大于隔离架直径2mm钢管管壁厚度不应小于3mm金属螺旋管壁厚不应小于0.3mm其径向变形量不得大于内径的15%6.2.3 套管宜采用缩节管连接应确保接头严密。
金属管、高密度聚乙烯(HDPE波纹管如采用焊(熔)接时必须严格控制焊缝质量。
6.2.4 岩锚高密度聚乙烯(HDPE波纹防护套管,应具有化学稳定性和耐久性,其壁厚应能承受施工外力冲击和摩擦损伤。
6.3 锚具6.3.1 锚具的机械性能及几何尺寸应符合设计要求,锚具进场需有产品合格证及试验检验报告,其质量应符合GB/T14370的有关规定。
6.3.2 大型预应力工程所用锚具应按附录B 进行预应力钢绞线—锚具组装件静载试验,其锚固性能应满足:锚具效率系数n a>0.95,实测极限拉力时的总应变£apu>2.0%,且夹片未出现肉眼可见的裂纹或破碎。
6.3.3 锚具除必须满足静载锚固性能外,供货商应提供锚具通过200 万次疲劳性能试验,50次的周期荷载试验的最新资料。
6.3.4 进场入库的锚具应按下列规定进行检验:1 外观检查应从每批锚具中抽取10%,且不应少于10套,少于10套者应全部检验。
作外观及结构主端部、与张拉机具的匹配尺寸及表面检查,合格者方可入库;2 硬度检查应从锚具总量中随机抽取5%,且锚板不应少于5 件,夹片不应少于5 副,按厂家提供的硬度范围进行测试,合格者方可入库,锚具硬度检验见附录C;6.3.5 与锚具相配套的锚垫板、螺旋筋、承压板的材质及加工尺寸均应符合设计要求。
6.4 造孔设备6.4.1 岩锚造孔设备应根据工程规模、环境条件、岩石特性、预应力锚索设计参数和施工工艺要求,选用技术先进、整机性能稳定可靠,安装定位方便,能适应复杂的地质条件的钻机。
6.4.2 钻具应配有导向机构,运转平稳,易于控制钻孔精度。
6.4.3 测斜仪器应能满足造孔精度的要求。
6.5 张拉机具6.5.1 选用的张拉机具应与锚具类型、锚索的设计张拉力相匹配。
6.5.2 与张拉机具配套的压力表精度不应低于1.5 级,张拉时压力表读数不超过表盘刻度的75%。
宜选用抗振数显压力表。
6.5.3 测力计应与锚具、张拉千斤顶相匹配,且性能稳定,温度稳定性好。
永久观测使用的测力计,其耐久性应符合设计要求。
6.5.4 张拉机具、器具应由专人保管,定期维护、标定,标定期一般为6 个月,如经检修必须重新标定。
6.5.5 预应力钢绞线锚具组装件试验的专用张拉机具,若标定后使用次数较少(少于20 次),未经检修或无异常,其标定期可适当延长,但不应超过10 个月。
6.6 灌浆设备6.6.1 选用的灌浆设备须与预应力锚索孔道灌浆的浆液类型、浓度及施灌强度相适应,并能保证稳定均匀连续灌浆。