品管部岗位职责及任职要求
- 格式:doc
- 大小:24.00 KB
- 文档页数:3
品管部工作职责范文1、负责贯彻落实公司质量方针和质量目标,策划、组织公司质量管理体系的运行维护、绩效改善;2、负责公司各种品质管理制度的订立与实施,“5S”、“零缺陷”、“全面质量管理”等各种品质活动的组织与推动;3、负责对各部门品质管理工作进行内部质量审核;4、负责进料、在制品、半成品、成品的品质标准、品质检验规程和各种质量记录表单的制订与执行,对出仓产品质量负全部责任;5、负责全员品质教育、培训;6、负责各种质量责任事故调查处理,各种品质异常的仲裁处理,配合营销中心对客户投诉与退货进行调查处理。
二、品管部人员编制1、品管部定员____人:设主管____人。
三、品管部各岗位职务说明书(一)、品管部主管职务说明书1、职务名称:品管部主管2、直接上级:工艺技术部经理3、直接下级:品管员4、管理权限:受工艺技术部委托,对全公司品质工作行使策划、指挥、指导、审核、控制、监督的权力;5、管理职责:对公司质量管理体系符合ISO9000系列标准要求和出库产品质量负主要责任;6、具体工作职责:在工艺技术部的直接领导下,负责公司质量方针、质量目标的贯彻落实,公司质量管理体系的运行维护、绩效改善,努力改善全公司的品质管理工作,对公司产品质量负主要责任;负责公司各种品质制度的订立与实施,品质活动的执行与推动;?组织品控、品检人员对专业技术知识的学习,关心他们的思想工作和生活,培养一支高素质的品控、品检队伍;负责进料、在制品、成品品质标准、检验规程的制订与执行,监督指导IQC、PQC、OQC的工作;负责公司品质异常的仲裁及处理,协助营销部门对客户投诉与退货的调查、原因分析及改善措施拟定;不合格预防和纠正措施的制定与督导及执行;检验器具的校正与控制;产品设计与打板的质量控制和客供品的管制;品质资讯的收集、传导、回复,品质成本的分析、控制;?负责全员品管的推行,对各部门工作进行内部质量稽核;?对原材料供应商的评估,外发服装加工的评估。
品管岗位职责(8篇)在日新月异的现代社会中,岗位职责的使用频率呈上升趋势,明确岗位职责能让员工知晓和掌握岗位职责,能够较大化的进行劳动用工管理,科学的进行人力配置,做到人尽其才、人岗匹配。
那么岗位职责的格式,你掌握了吗?下面这8篇品管岗位职责是作者为您整理的品管职责范文模板,欢迎查阅参考。
品管岗位职责篇一1、根据车间领导工作安排,配合领导,组织员工完成每天的排产任务;2、对于SMT设备操作有相关的工作;3、熟悉并掌握常用的测试工具、仪器仪表的使用;4、每天对报表的整理以及生产日报的。
汇总;5、有相应的电子厂的工作经验并且管理性强,根据上级领导安排参与部门建设有关的其他工作;按照部门要求组织岗位技能及任职素质培训;参与6s/ESD等车间管理改进活动。
品管岗位职责篇二岗位职责:1、负责公司资管计划的产品设计、发行、推广、募集等工作;2、负责公司资管计划的产品合同及相关文件起草、修订等工作;3、维护及开拓合作渠道,对接各方关系,与项目端、资金端保持良好沟通;4、熟悉金融市场业务及监管政策,跟踪行业及市场变化,研究产品和服务的创新模式,调整优化现有产品结构;5、其他产品发行运作相关工作。
任职资格要求:1、硕士研究生及以上学历,金融投资相关专业,无不良行为记录;2、对国内金融市场、投资工具、基金或理财产品有较深理解,具有合作资源、销售渠道者优先;3、具备较强的协调能力,沟通表达能力以及制作各类资料的`能力;4、具备期货/基金/证券从业资格证,及其他相关资格证书者优先;5、具有很强的工作责任心、合规意识以及团队合作精神,乐于交流,能承受较大的工作压力。
品管职责篇三品管(岗位职责)[招聘部门:不限]职位描述1、高中以上学历、年龄20岁-35岁2、需职责心强、吃苦耐劳,执行本事强;3、具有良好的品质观念及做事原则;4、能及时完成上级交待的工作;5、应届毕业生可研究;6、需上夜班。
品管岗位职责篇四职位信息1、构建数字化领导力培训体系,包括数字化领导力培训产品框架开发,课程体系开发。
品管员岗位职责内容及任职资格
一、品管员岗位职责内容:
1.审查和监控公司产品的质量,确保所有产品符合国家和公司标准。
2.确保制造过程中的品质控制和质量检测工作符合公司的质量管理体系。
3.负责安排产品的检验和测试,确保产品的质量符合标准和规定。
4.向生产部门提供产品的品质控制和质量改进的建议和方法。
5.建立和维护产品质量文档,包括检验报告,品质控制标准等。
6.协助团队进行质量培训,提高员工的产品质量认识和理解。
7.负责处理制造中发现的任何品质问题,并进行问题分析和解决。
8.协助管理层开发和实施公司质量管理体系。
二、品管员任职资格:
1.具有相关领域的学士学位或同等资质。
2.理解和掌握ISO系列标准,能独立开展品质管理工作。
3.有相关领域的3年或以上的工作经验,在制造行业拥有优先考虑岗位。
4.具有优秀的组织和沟通能力,并能独立工作和带领团队。
5.具备良好的解决问题的能力和严谨的工作态度。
6.具有出色的数据分析和报告撰写能力。
7.熟练掌握常用的办公软件。
品质部岗位职责
1. 负责制定和执行公司的品质管理体系,确保产品和服务符合相关法规和标准要求。
2. 管理和监督产品的质量控制和检验流程,确保产品的质量符合公司标准和客户需求。
3. 负责处理产品质量投诉和问题,进行根本原因分析并提出改进措施,确保问题得到及时解决并不再发生。
4. 建立和维护供应商质量管理体系,确保供应商提供的原材料和零部件符合公司的品质要求。
5. 协助制定和修订品质管理相关的工作流程和标准操作程序,确保各部门遵守品质管理要求。
6. 参与新产品开发过程,提出品质控制建议并确保新产品的质量符合公司标准。
7. 负责品质数据的收集、分析和报告,为公司决策提供数据支
持。
8. 组织和进行内部品质审核,确保公司各项工作符合品质管理体系的要求。
9. 建立和维护品质管理团队,进行员工培训和技能提升,确保团队的专业素质和执行能力。
10. 协助公司进行品质管理认证和审核,确保公司品质管理体系的有效性和合规性。
品质管理专员岗位职责(实用版)编制人:__________________审核人:__________________审批人:__________________编制单位:__________________编制时间:____年____月____日序言下载提示:该文档是本店铺精心编制而成的,希望大家下载后,能够帮助大家解决实际问题。
文档下载后可定制修改,请根据实际需要进行调整和使用,谢谢!并且,本店铺为大家提供各种类型的实用资料,如管理制度、企业管理、岗位职责、心得体会、工作总结、工作计划、演讲稿、合同范本、作文大全、其他资料等等,想了解不同资料格式和写法,敬请关注!Download tips: This document is carefully compiled by this editor.I hope that after you download it, it can help you solve practical problems. The document can be customized and modified after downloading, please adjust and use it according to actual needs, thank you!And, this store provides various types of practical materials for everyone, such as management systems, enterprise management, job responsibilities, experiences, work summaries, work plans, speech drafts, contract templates, essay compilations, and other materials. If you want to learn about different data formats and writing methods, please pay attention!品质管理专员岗位职责第1篇品质管理专员岗位职责岗位职责:1、oem品质体系、标准、流程制定及管理。
品质部岗位职责
1. 负责制定和执行公司的品质管理体系,确保产品和服务符合
相关法律法规和客户要求。
2. 负责制定品质标准和流程,监督生产过程中的品质控制,确
保产品符合标准。
3. 负责品质检验工作,包括原材料、半成品和成品的检验和测试,确保产品符合品质标准。
4. 负责处理客户投诉和品质问题,制定改进措施,确保问题得
到及时解决。
5. 负责品质数据的收集、分析和报告,为管理层提供决策支持。
6. 负责培训品质管理人员和生产人员,提高员工对品质管理的
认识和执行能力。
7. 参与新产品开发和设计过程,提出品质改进建议,确保新产
品符合客户要求和品质标准。
8. 负责与供应商合作,建立和维护供应商的品质管理体系,确保供应商提供的产品和服务符合公司要求。
9. 负责品质认证和审核工作,包括ISO认证、客户审核等,确保公司品质管理体系的合规性和有效性。
10. 负责品质管理相关的文件和记录的管理和归档工作,确保文件和记录的完整性和可追溯性。
品管员岗位职责一、岗位概述品管员是企业质量管理体系中的重要角色,负责监督和控制产品质量,确保产品符合标准和客户要求。
他们需要进行质量检查、测试和数据分析,以及与其他部门合作解决质量问题。
二、岗位职责1. 进行产品质量检查:根据产品规格和质量标准,对原材料、半成品和成品进行检查。
使用各种检测设备和工具,如卡尺、显微镜、电子秤等,确保产品的尺寸、外观、分量等符合要求。
2. 进行质量测试:根据产品特性和测试要求,使用测试设备进行质量测试,如硬度测试、拉伸测试、耐磨性测试等。
记录测试结果,并与标准进行比对,确保产品的性能符合要求。
3. 进行质量数据分析:采集、整理和分析质量数据,如不良品数量、不合格率、客户投诉等。
通过统计和趋势分析,识别质量问题的根本原因,并提出改进措施。
4. 编制和执行质量控制计划:根据产品特性和质量标准,制定质量控制计划。
明确检验和测试的方法、频率和标准,确保质量控制的有效实施。
5. 参预质量问题的解决:与生产、工程和供应链等部门合作,解决质量问题。
分析问题原因,制定纠正和预防措施,确保问题再也不发生。
6. 参预质量培训和教育:参预质量培训和教育活动,提高员工对质量的认识和理解。
培训员工使用质量工具和方法,提升质量意识和能力。
7. 参预质量体系的建设和审核:参预质量体系的建设和维护工作。
协助编制和修订相关文件和流程,参预内部和外部的质量审核,确保质量体系的有效运行。
8. 提出质量改进建议:根据工作中的发现和经验,提出质量改进的建议。
参预质量改进项目,推动质量管理水平的提升。
三、任职要求1. 学历要求:本科及以上学历,相关专业优先考虑,如质量管理、机械工程等。
2. 技能要求:熟悉质量管理体系和质量工具,如ISO9001、SPC、FMEA等。
具备良好的数据分析和问题解决能力,能够运用统计方法进行质量分析。
3. 工作经验:有相关行业的工作经验者优先考虑。
熟悉产品质量检查和测试流程,有质量问题解决的经验。
品管员岗位职责
1. 负责制定和执行产品质量控制计划,确保产品符合公司和行业标准。
2. 定期检查生产线,监控生产过程中的质量控制,及时发现并解决可能存在的质量问题。
3. 负责对原材料和成品进行抽样检验,确保原材料和成品的质量符合要求。
4. 协助制定和修订产品质量标准和检验流程,确保产品质量持续稳定。
5. 负责对不合格产品进行处理和记录,及时通知相关部门进行整改。
6. 参与产品质量事故的调查和处理,提出改进建议,确保类似问题不再发生。
7. 协助开展内部质量审核和外部质量认证工作,确保公司产品
符合相关认证标准。
8. 参与供应商的质量评估和监督,确保供应商提供的原材料符合公司要求。
9. 参与制定和执行员工质量培训计划,提高员工的质量意识和质量管理能力。
10. 负责定期向上级汇报产品质量状况,提出改进建议,促进产品质量持续改进。
灯饰厂品管部职务说明书灯饰厂品管部职务说明书一、职务名称灯饰厂品管部职务二、工作职责1. 负责制定公司品管体系,并定期进行评估和改进,以确保产品质量符合相关标准和要求。
2. 负责参与产品的研发过程,提供品质方面的建议和指导,确保产品符合设计要求和客户需求。
3. 负责制定和实施产品质量控制计划,包括检测、测试、评估和报告,以确保产品在生产过程中的稳定性和一致性。
4. 负责与供应商进行质量管理的沟通和协调,确保供应商提供的原材料和零部件符合公司的品质标准和要求。
5. 负责制定并监督实施产品的质量检验标准和流程,包括原材料的验收、生产过程的监控和成品的检验,确保产品合格率达到公司的要求。
6. 负责处理客户投诉和质量问题,及时调查和解决,并采取相应的纠正措施,以保护公司的声誉和客户的利益。
7. 负责培训和指导部门成员,提升团队的品质意识和技能水平,确保每个员工能够按照公司的品质要求履行工作职责。
8. 负责与其他部门合作,推动质量管理的改进和协调,确保公司整体质量水平的提高和持续改进。
9. 负责整理、分析和报告有关产品质量的数据和信息,制定相应的改进计划和措施,提供决策支持和参考依据。
10. 完成上级领导交办的其他相关工作。
三、任职资格1. 具备较强的品质管理理论知识和方法,熟悉质量管理体系的建设和运作。
2. 具备较强的沟通和协调能力,能够与各级员工、供应商和客户进行有效的沟通和合作。
3. 具备较强的问题分析和解决能力,能够准确把握问题的本质和关键点,并提出合理有效的解决方案。
4. 具备较强的组织和计划能力,能够合理安排工作进度和资源,保证工作按时完成。
5. 具备较强的团队管理和激励能力,能够激励团队成员积极配合,共同完成工作目标。
6. 具备较强的学习和自我提升能力,能够不断学习和研究新的品质管理理论和方法。
四、工作条件1. 工作地点:灯饰厂品管部办公室。
2. 工作时间:根据企业规定的工作时间进行。
3. 工作环境:办公室内,工作条件较好。
品管岗位职责(16篇)品管岗位职责品管岗位职责(精选16篇)品管岗位职责篇11. 每天早上整理各班上交的品质报表和工作报告交至主管处审阅后装订保存;2. 部门人员出勤核查、内部日常表单的整理、打印与会签;3.部门人员的物品领用、登记、发放;4. 部门内新同事入厂手续之办理,工衣领取,人事资料归档及辞工手续处理;5. 各品质报表的日统计、周统计、月统计和年统计;6. 准时参加本部门日常会议,并作好相关记录,发放相关人员;7. 部门间之事务联络工作;8. 按期完成工作报告与上级交协之事务。
品管岗位职责篇2岗位职责:1.对信用卡及其它信贷清收作业流程的合规性实施具体的检查和监控,及时发现问题提请处理,完成相关品质报表和品质报告;2.按照银行服务体系的规划目标,通过多种监控手段(例如:抽听录音)实施工作质量和效率的监控和管理工作,跟进各专项品质监听指标;任职要求:1、懂地区方言优先录取(方言:潮汕话、客家话、东莞话、闽南语、福州话、昆贵话、四川话、长沙话、武汉话、上海话、杭州话、温州话、宁波话、合肥话、河南话等等);1、大专或以上学历,专业不限;2、具备良好的沟通能力以及逻辑思维和数据分析能力;3、具备良好的工作态度及团队合作精神。
品管岗位职责篇31、负责品质报表的管理、分类、建档保存;2、负责品质周报、月报、年报的统计分析;3、负责内、外部了联络单及资料的登记发放;4、负责品质会议记录,品管人员工作培训记录;5、负责陪同客户或第三方验货工作人员;6、协助部门主管处理其它品质事务;7、部门员工的人事考勤管理等;品管岗位职责篇41、负责各工序的质量控制和检查记录及确认工作;2、负责作业指导书、生产工艺的落实、检查和监督工作;3、负责成品及半成品的出厂质量检验工作;4、负责检查和纠正现场不合格品质要求的作业方法和作业行为;5、负责检查落实车间各项标准制度的执行工作;品管岗位职责篇5岗位职责:1、制度文件和质量档案的建立与保管、受控发放、印章管理等;2、各类质量管理数据的收集、整理;3、部门办公用品申购;4、部门后勤工作及主管交办的各项临时工作。
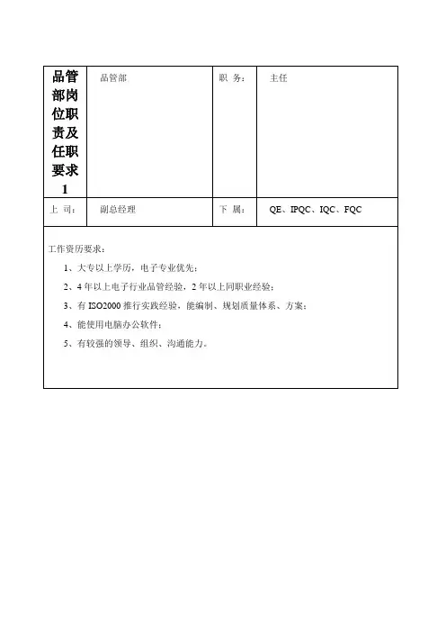
部门:品质部职务:品质部主管上司:总经理下属:质检员()工作资历要求:1、大专以上学历,机械制造、数控、模具类相关专业;2、两年以上同行业品管经验,两年以上品质部门管理经验;3、熟悉行业质量体系、方案及相关行业标准、国家标准;4、能使用电脑办公软件;5、有较强的领导、组织、沟通能力。
品质部主管的工作范围及职责:1、负责质量管理体系之有效运作以及管理;2、追溯不良品之发生原因与纠正预防措施;3、核定并执行进料制程及最终检验与测试之品质管制;4、统计方法与统计技术的设计;5、质量计划的制定与推动;6、供应商审核及辅导;7、分析进料、成品检验的每日、周、月报告。
制表:审批:版本号:部门:品质部职务:质检员()上司:品质部主管下属:工作资历要求:1、大专以上学历,机械制造及设计类专业;2、一年以上注塑行业品控工作经验;3、熟悉作业流程及相关行业国家标准;4、能使用电脑办公软件。
品质部质检员的工作范围及职责:1.负责产品加工过程的质量检验和控制,以及产品的试验和测试;2.负责对生产加工过程中出现的产品质量问题进行处理和分析,并针对较大质量问题做好反馈,提出改善方案;3.负责企业标准、检验规程的执行和实施,起草有关的检验规程草案;4.针对生产现场做好制程解析,并进行改善活动;5.对客户抱怨做好应急对策及防止再发生处理;6.配合生产或设计做好新产品、新材料的开发和试验,以及工艺改良的检验和反馈7.针对生产过程中出现的不合格品进行处理和跟踪验证;8.每月针对生产过程中产品的检验结果和质量状况进行汇总,并运用统计技术进行分析;9.针对生产过程中的检验结果做记录,并上报;10.完成上级交办的各项工作。
制表:审批:版本号:。
生产车间品管的职责范文生产车间品管的职责是保证产品质量的一致性和稳定性。
作为生产车间的关键职能部门,品管部门需要承担多项职责,包括质量控制、过程监督和问题解决等。
在这篇文章中,我们将探讨生产车间品管的职责范文,了解品管部门在质量管理中的具体职责。
1. 质量管理体系建立品管部门需要制定并贯彻一套完整的质量管理体系,确保产品所有生产过程都符合规范要求。
这包括制定质量控制标准、建立质量检验流程和设备、规范操作方法等。
2. 质量检验与测试品管部门负责制定、实施和监督所有产品的质量检验和测试工作。
他们需要制定检验计划和程序,进行检验设备校准,监测和控制生产过程中的关键参数,并参与产品的各个生产阶段的质量检查。
3. 不良品处理与整改在质量检验中发现的不合格产品需要及时进行处理和整改。
品管部门负责制定不良品管理流程,包括不良品鉴定、原因分析和整改措施的制定。
他们还需要监督整改过程的执行,并确保问题得到彻底解决。
4. 生产过程监督与改进品管部门需要对生产车间的各个环节进行监督和检查,确保流程符合质量管理体系要求。
他们会利用统计方法和数据分析技术,对生产过程进行定量和定性分析,寻找改进的机会,并提出相应的优化建议。
5. 供应链管理品管部门还需要与供应商、合作伙伴和客户保持紧密沟通,在供应链中扮演重要角色。
他们需要审核供应商的质量体系和能力,并与他们协商建立和执行质量管理措施。
此外,品管部门还负责处理与客户之间的质量问题,建立良好的客户关系。
6. 培训和培养品管人员品管部门需要制定培训计划,提供相关培训和教育,培养和发展品管团队的技能和素质。
他们需要定期组织内部培训和知识分享,保持品管团队的专业水平,并与其他部门合作,共同推进质量管理的持续改进。
7. 风险评估与预防品管部门需要评估可能影响产品质量的风险,并采取相应的预防措施。
他们需要进行工艺评审,确定并控制关键质量风险,以确保产品质量的稳定性和可靠性。
总而言之,生产车间品管部门的职责是确保产品质量的一致性和稳定性。
品管员岗位职责一、岗位概述品管员是负责质量管理工作的专业人员,主要负责监督和管理产品质量,确保产品符合公司的质量标准和客户的要求。
他们需要进行产品质量检查、记录和分析,提出改进意见,并与相关部门进行沟通和协作,以确保产品质量的稳定和持续提升。
二、岗位职责1.执行质量管理体系:负责执行公司的质量管理体系,包括制定和完善相关的工作流程和标准操作规程,确保产品质量符合国家和行业标准要求。
2.质量检查与测试:负责对产品进行质量检查和测试,包括外观、尺寸、材料、工艺等方面的检验,确保产品符合质量要求。
3.质量问题处理:及时处理产品质量问题,包括对不合格品的处理和追溯,提出相应的改进措施,确保产品质量的稳定和持续改进。
4.质量数据分析:采集、整理和分析产品质量数据,通过统计和分析找出质量问题的根本原因,提出改进措施,并向相关部门提供相应的数据支持。
5.质量培训与指导:负责对员工进行质量培训和指导,提高员工的质量意识和技能水平,确保员工按照质量管理要求进行工作。
6.供应商管理:与供应商建立良好的合作关系,对供应商进行质量评估和监督,确保供应商提供的原材料和零部件符合质量要求。
7.质量报告编制:负责编制质量报告,向上级汇报产品质量情况和改进措施的执行情况,提供决策依据。
8.质量管理改进:参预质量管理体系的改进工作,提出改进意见和建议,推动质量管理工作的持续改进和创新。
三、任职要求1.具备相关专业背景:具备相关的质量管理、工程或者相关专业的学历背景,熟悉质量管理体系和质量管理工具。
2.相关工作经验:具有一定的品质管理工作经验,熟悉质量检查和测试的方法和流程,熟悉质量问题处理和改进的方法和技巧。
3.良好的沟通协调能力:具备良好的沟通和协调能力,能够与不同部门和供应商进行有效的沟通和协作,解决质量问题。
4.严谨细致的工作态度:工作细致认真,注重细节,具备较强的责任心和执行力,能够按时完成质量管理工作。
5.团队合作精神:具备良好的团队合作精神,能够与团队成员共同完成工作任务,积极参预团队的协作和讨论。
品管岗位职责20篇【第1篇】品管iqc岗位职责任职要求品管iqc岗位职责职责描述:1、负责按样品标准对大货产品的抽检,做性能测试。
2、对品质异样举行分析,协调解决。
3、把握行业相关标准与常规工艺技术。
4、认识品质检验流程。
任职要求:有相关阅历优先。
品管iqc岗位【第2篇】商品管控岗位职责任职要求商品管控岗位职责职责描述:1、按照公司品牌定位、经营目标和进展战略,制定公司年度的货品方案并执行2、规范商品企划流程,举行商品调研及商品规划,提交新品企划需求,合理制定商品上新方案,对商品成本价管控,销售价格指导,活动价格管控。
3、定期活动数据观测,竞品销售数据分析,潜力产品及新材料新工艺的发掘;4、在售商品卖点信息的提供和培训;5、对年度销售和库存状况举行分析,形成分析报表,为下年度货品订制提供依据和参考。
6、分析各销售渠道的销售状况及客户的需求,编制公司订、补货方案并监督执行;7、针对销售数据分析准时了解商品销售情况,控制商品进、销、存,为店铺调配相宜商品,确保货品正常流转;8、按照货品畅滞销缘由分析、与运营部门、顾客紧密交流,做好促销、换季、清仓等营销活动;9、负责组织定期举行市场调研,对竞争对手做全面深化的分析,并据此部署、调节商品销售规划。
任职要求:1.专科以上学历,营销管理类、服装相关专业;2.三年以上女装或童装相关商品企划阅历;3.对市场及流行趋势有较强的敏锐度;4.较强的数理分析能力、交流协调能力,思维清楚,良好的团队合作精神;5.具有女装或童装商品企划阅历者优先考虑;商品管控岗位【第3篇】品管经理岗位职责品管经理上海百雀羚日用化学有限公司上海百雀羚日用化学有限公司,百雀羚,百雀羚岗位职责:1.按照公司对部门定位,举行部门内部策划、建立,组织架构和工作分工、职责确认2.年度人员岗位定编3.部门内培训和再培训、培训考核的支配4.指导下属工作,对下属工作能力评估和交流处理5.部门工作流程制订、审核6.准时协调和催促,内部工作分配和管理,协调和监督改进,确保本部门工作有序开展7.对外联络,确保按标准化执行8.检验办法、标准修订审核,工艺文件、标准品更新,确保受控9.流程的准时建立或调节,确保体系有效运行10.加工厂质量管理、准入和年审及供给商质量监控、准入和年审11.每月品质汇报、品质会议召开和跟踪12.品质目标达成统计、分析;适时催促各责任部门整改,达成目标13.供方准入和年审确保协作,执行到位14.新品开发和异样的反馈处理15.不合格评审处理看法提出16.准时跟进新的法律规矩要求,确保按法律规矩要求执行17.第三方检查协作、委外检、备案监督、换证等18.标准、规矩等培训的有效实施和考核19.与其它部门相联系工作的正常开展和交流处理等任职要求:1.化学、食品、生物、分析化学等相关专业本科以上学历2.5年以上大中型日化企业质量管理工作阅历,至少3年部门全面质量管理工作阅历3.认识化妆品生产管理流程与质量管理特点,认识化妆品格业的法律规矩及行业质量标准;4.能娴熟操作各类检验仪器,认识各种检验办法和判定标准;具有良好的数理统计分析能力,娴熟使用办公软件;5.认识化妆品生产管理流程与质量管理特点,认识化妆品格业的法律规矩及行业质量标准;6.认识gmpc 、iso9001质量管理体系,认识品质管理的qc七大手法; 具有丰盛的质量体系建设阅历,能够编制质量管理系统文件;品质管理qc七大手法、组织变革管理能力、团队建设等方面的培训7.具有优秀的组织变革管理能力、创新能力、团队建设和管理能力;优秀的执行力和交流协调能力;良好的敬业精神和职业道德操守,工作责任心强无快消行业阅历者,请勿投简历,感谢!【第4篇】客户产品管理岗位职责crm产品运营经理/客户管理阳光保险集团阳光保险集团股份有限公司,阳光保险,阳光保险集团职责描述:1、负责挖掘和收集业务需求,设计及优化crm产品,撰写crm需求文档,协调相关资源推动产品上线并举行产品业务验收;2、负责制定、优化、实施crm产品的管理制度及业务流程,举行管理制度及业务流程的培训、推广。
品管部岗位职责品管部岗位职责1经理岗位职责:1、公司规章质素的维护以及公司经营管理改善建议2、帮助下属制定工作目标和制定工作计划3、负责质量管理体系的'建立和维护,并监督实施确保产品品质4、负责组织根据研发提供的相关资料以及客户提出的要求,结合国际质量标准,制定成品出货检验规范,实施成品出货质量管控5、负责组织记录品质相关数据,审核品质相关表单并进行统计分析,对表单反应的问题点,组织制定纠正和预防措施,并检查改善行动和结果6、负责组织处理客户抱怨和投诉,制定质量改进计划并监督改进效果任职要求:1、具备良好表达沟通及协调能力2、有经验者优先品管部岗位职责2一、基本职责1.在生产经理的直接领导下,全面负责企业的原材料、辅助材料、低值易耗品、工具、模具、产品生产各工序、产成品包装入库前的质量检验工作,对生产经理负责。
2.根据市场需求、企业生产和技术能力、原材料质量状况制定本企业的产品质量标准,以及各工序加工质量标准,并将标准落实到每一个生产环节,保证产品质量的不断提高,确保质量管理目标的顺利实现。
3.根据生产订单和生产计划,对采购供应的原材料,按照技术部制定的标准及本部门制定的质量标准,组织进行来料检验。
4.根据生产计划安排质检人员按照质量标准及客户要求,进行生产各环节、各工序的质量检查验收工作,以及出货前的全面检查工作。
5.定期组织对各工序质检员、各工序班组长进行培训,提高本部门的品质控制能力和工作水平。
6.必须全面配合企业推行:20某某质量管理体系/1:1996环境管理体系/002:20某某安全管理体系,按三大管理体系的标准和要求统领企业的“一体化”管理工作,以实现公司制定的管理方针和管理目标,使三大管理体系进一步完善和发展。
7.组织对原材料、生产加工过程、产成品出货过程进行检查,一般“紧急放行”与“生产叫停”的决定的重大“紧急放行”与“生产叫停”的初审。
8.努力降低质量管理成本,提高质量管理水平,加强同各部门的沟通协调工作,解决质量管理工作中出现的各类问题,并及时向总经理汇报三大体系运行情况及外部联络情况,拿出自己的处理意见和解决方式,供总经理决策参考。
品管部部长岗位职责范文岗位职责:1. 制定和完善品质管理体系和标准,确保公司产品和服务的质量符合相关法律法规和客户要求;2. 负责品质管理部门的日常管理工作,包括组织架构、人员招聘和员工培训;3. 确保品质管理部门与其他部门的紧密合作,共同推动公司整体质量管理的持续改进;4. 建立和维护供应商审核体系,确保供应商的质量符合公司要求,并与供应商进行不定期的质量管理评估和跟踪;5. 负责组织和主持公司内部质量审核,及时发现和解决质量问题,并跟踪推动整改措施的落实情况;6. 负责组织和协调客户投诉处理工作,确保客户投诉能够及时有效地得到解决,并分析和总结客户投诉情况,提出改进措施;7. 负责统计和分析质量数据,制定并推动相关改进活动,提高产品和服务的质量水平;8. 参与和指导产品的开发和改进工作,确保新产品的质量符合设计要求;9. 负责品质管理体系的认证和维护,包括ISO9001等相关认证的审核和更新工作;10. 阐述并普及品质管理理念和方法,提高员工的品质意识和质量素质。
任职要求:1. 本科及以上学历,质量管理、工程管理、机械设计及制造等相关专业背景;2. 具备较好的组织能力、计划能力、沟通协调能力和团队合作精神;3. 具有较强的质量管理经验和质量意识,熟悉ISO9001等质量管理体系标准;4. 对质量管理工具和方法有较深入的认识和了解,如SPC、FMEA、8D等;5. 具备良好的数据分析和问题解决能力,能够运用统计工具进行数据分析和质量问题的解决;6. 具备较强的领导能力,能够组织和指导团队进行工作,推动改进措施的实施;7. 具备良好的英语听说读写能力,能够与外国客户和供应商进行沟通和协调工作;8. 具备品质管理认证资质者优先。
综上所述,品管部部长作为公司质量管理的核心职位,需具备较强的组织能力、沟通协调能力和团队合作精神。
他们需要熟悉和掌握质量管理体系和标准,能够制定和完善公司的质量管理制度,并确保落实和执行。