转轮除湿参数计算表(详细)
- 格式:xls
- 大小:19.50 KB
- 文档页数:1
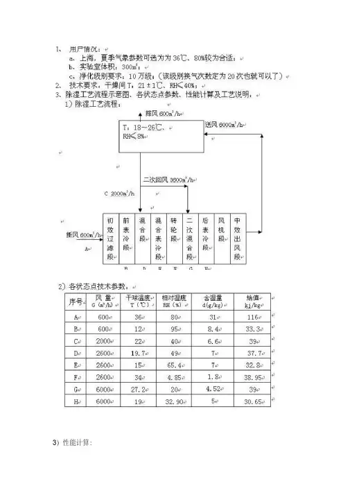
3)性能计算:新风表冷冷负荷:Q=GΔi=600×1.2×(116-33.3)/3600=16.5kw混合表冷冷负荷:Q=GΔi=2600×1.2×(37.7-32.8)/3600=4.2kw后表冷冷负荷:Q=GΔi=6000×1.2×(39-30.65)/3600=16.7kw洁净间内允许散湿量:W= GΔd=6000×1.2×(6.6-4.52)=14976g/h(若散湿量有1700 g/h,那么一次回风可增加到2400 m3/h则混合表冷冷负荷(37.7-32.8)/3600=4.9kw;除湿转轮由550×200改为770×200 Q=GΔi=3000×1.2×的就可以了)4)工艺说明:a、根据用户情况,选用型号为ZCB550(770)-6000的转轮除湿空调机组,处理风量6000m3/h;转轮处理风量2400(3000)m3/h;新风600m3/h;b、工艺流程说明:新风600m3/h经初效过滤后,先经新风表冷降温到12℃,与回风2000(2400)m3/h混合,混合后经混合表冷降温到15℃,然后通过转轮进行除湿,再和二次回风3400(3000)m3/h混合后经过后表降温到19℃,最后由风机经管道送入车间。
考虑了风机及管道的温升因素,送入车间的空气参数为T≤21℃,RH≤40%,完全满足用户要求。
c、本设计转轮再生加热系统采用蒸汽加热。
转轮再生风取室内空气,再生后湿空气排到室外。
d、本设计制冷方式采用直冷式。
用户需配置5匹2台、3匹2台、2匹一台。
若采用冷冻水,用户需提供温度≤7℃的冷水,用量约为 1.5t/h。
e、本设计电气控制采用信捷PLC,人机界面;主要电气元件为西门子、正泰。
空气干燥方案机组原理:转轮除湿机组是通过转轮的旋转,使被除湿的气流所流经的转轮除湿器的扇形部分对湿空气进行除湿,而再生气流流过的剩余扇形部分同时进行吸附剂的再生,被除湿的处理气流和再生气流一起逆流流动,从而形成一个连续的,稳定的除湿过程,达到除湿的目的。
转轮机组的核心部件为吸附式除湿转轮,它以高强度绝热材料为基材,加工成蜂巢管道结构,使其湿交换面积加大;当需要除湿的被处理空气通过除湿转轮的除湿区时,能充分与吸湿剂接触。
复合吸附剂均匀生成在基体上形成一个巨大的吸附表面。
密封装置将转轮分为270°扇形的除湿区和90°扇形的再生区。
转轮端部周边采用正压气流及硅氟弹性材料平面密封,除湿区与再生区之间为弹性密封。
需处理的潮湿空气由处理风机送入转轮除湿区,空气的水份子被吸附剂吸附,得到相对湿度极低的干燥气流,以达到除湿的目的;同时再生空气经加热加热到预定温度(一般在110~120℃之间)逆向通过转轮再生区,将吸附剂内的水份解吸出来并带走,恢复吸附湿能力。
转轮以极低的转速(一般在5~10转/h)缓慢旋转,整个过程为一反复除湿与再生的周期性过程,确保了连续的除湿效果,得到状态稳定的干燥空气!转轮除湿机组在转轮除湿的基础之上综合冷冻除湿之优势!于转轮处理前加装冷冻除湿表冷,充分利用转轮低温低湿情况下除湿之性能!于转轮后加装后表冷盘管,控制转轮出风温度;以实现温湿连控。
转轮除湿机组由蒸发冷却器,除湿转轮,后表冷,风机和再生加热器等部分有机组合而成;整机通过PLC集中整体控制,可实现节能高效稳定运行之目的。
本公司转轮除湿机组分普通型和节能型;节能型转轮除湿机利用逆卡诺循环原理;对转轮余热进行回收;用于再生进风预加热;从而节省再生功率!实现节省运行。
除湿设计:(一)设计依据《洁净厂房设计规范》GB50073-2001《采暖通风与空气调节设计规范》GB50019-2003《洁净室施工及验收规范》JGJ71-90《通风与空调工程施工及验收规范》GB50243-2001《通风与空调工程施工及验收规范》(GBJ243-82)《工业管道工程及验收规范》(GBJ235-82)《机械设备安装工程施工及验收规范》{(T)231(五)-78}《制冷设备安装工程施工及验收规范》(GBJ66-84)制剂车间转轮除湿机设计选型书一、用户单位提供的数据及要求2、使用地区:上海3、现有条件: 0.4MPa-0.6MPa饱和蒸汽冷冻水(7℃):有二、设备选型室外新风条件(按上海夏季室外极端天气参数)补充室外新风必须同时满足:1、为满足生产工艺排风与正压的需要;2、满足除湿工艺需要;本方案新风参数如下:新风量Qx:送风量*30%相对湿度Rx:75%温度Tx:39℃绝对含湿量 Xx:34g/kg按照此要求可选我公司ZKH-6500D节能型净化转轮除湿空调机组三、除湿机设计思路:新风经前冷降温处理成低温高湿的空气,与房间回风经过二级冷冻降温处理经除湿转轮干燥处理,获得高温低湿的干燥风,在与房间部分回风混合后冷降温后得到要求的温湿度送到送风管道。
四季型转轮除湿机技术规格书一.系统原理转轮冷冻组合型除湿机是针对华东地区四季分明,冬天冷、夏天热、黄霉天湿的条件而设计制造的,且将单独转轮型或单独冷冻型两种机型的有机组合,可以适合于任何环境使用,始终保持合适的湿度和较低的相对湿度。
1.除湿原理本设备采用制冷除湿和转轮吸附除湿两种组合除湿方式:湿空气首先经空气过滤器过滤后流经冷冻系统的蒸发器,与蒸发器表面接触,由于蒸发器表面温度低于湿空气的露点温度,空气中的水蒸汽就冷却凝结成水滴,聚集于积水盘内排出,空气的温度和含湿量得到降低,随后空气流经转轮,对部份空气进行深除湿,转轮除湿部分的主体结构为一不间断转动的蜂窝状吸湿材料制成的转轮。
由于吸湿剂与水的亲和力,吸收或吸附水分,从而除去空气中的部分水分。
同时在转轮再生区域,另一路的空气先经过再生加热器后,变成高温空气并穿透吸湿后的饱和转轮,使转轮中的已吸附的水分蒸发而变成湿空气,再通过再生风机将湿空气排到室外。
为了提高除湿机组的效能,当进风温度低于16℃时,仅采用转轮除湿,最终可获得所需的干空气。
2.自动控制的原理针对该类组合除湿形式的特点,利用先进的PLC程序控制系统对整个除湿系统进行温湿优选法自动控制:系统首选转轮除湿机承担湿负荷处理;在潮湿季节,当转轮除湿达到最大能率仍未满足湿度要求时,系统会逐渐提升前冷的制冷量,以提高冷冻除湿效果;反之,当湿度满足要求时,首先自动卸载制冷负荷,然后通过微调转轮除湿加热功率,控制湿度;在这里利用少量的制冷量去湿和控制送风温度。
利用上述方式进行系统的控制,可最大限度的降低制冷负荷,合理配比除湿功率。
直接蒸发制冷系统长时间在低负荷情况下运行,能有效节约能耗,延长运行寿命,具有工作易控制、故障发生率低等优点。
3.系统的组成本设备主要构成是:冷冻机组(压缩机、冷凝器、蒸发器和节流组件)、除湿系统(包括超高效除湿转轮、高效新风预表冷器、再生电加热器、主电加热器、主高压离心送风机、再生风机、过滤网等设备和部件)及智能除湿电气控制系统三大部分组成。
转轮除湿机工程方案一、转轮除湿机的设计原理转轮除湿机利用吸附剂转轮吸附和释放水分的特性,通过湿度传感器控制,实现空气中水分的去除。
其基本工作原理为:当湿空气通过转轮时,水分被吸附剂吸附,干燥空气则流出;当转轮吸附满水分后,通过吹风加热的方式将水分释放到外部环境中。
这种循环工作方式能够持续除湿,并保持环境湿度在一个合适的范围内。
二、转轮除湿机的工作流程1. 吸湿阶段:湿空气通过进气口进入转轮除湿机,转轮上的吸附剂吸附水分,使空气得到除湿。
2. 脱湿阶段:当转轮除湿机工作一段时间后,转轮上的吸附剂饱和,需要脱湿。
此时,通过吹风加热的方式将吸附的水分释放到外部环境中。
3. 循环工作:转轮除湿机通过上述两个阶段的循环工作,保持空气中的湿度在一个较为理想的范围内,实现除湿效果。
三、转轮除湿机的技术参数1. 除湿量:除湿机在单位时间内能够除去的水分量,通常以升/小时或升/天为单位。
2. 适用面积:转轮除湿机适用的最大覆盖面积,通常以平方米为单位。
3. 风量:转轮除湿机的风量大小直接影响着其除湿效果,一般以立方米/小时为单位。
4. 噪音:转轮除湿机工作时产生的噪音级别,通常以分贝为单位。
5. 控制方式:转轮除湿机的控制方式包括手动控制和自动控制两种,自动控制方式通常采用湿度传感器控制。
6. 能耗:转轮除湿机在工作时消耗的能量,通常以千瓦时为单位。
四、转轮除湿机的安装维护1. 安装:转轮除湿机安装应放置在通风良好的位置,离地面、墙壁和其它障碍物应有一定的距离,以保证出风口和进风口通畅。
另外,应注意避免阳光直射和雨淋。
2. 维护:定期清洁转轮除湿机的进气口、出风口和转轮,保持通畅。
及时更换吸附剂或清洗吸附剂,以保证除湿效果和持久稳定的工作。
3. 维修:在出现故障时,应由专业人员进行维修,不得私自拆卸或修理。
维修过程中需切断电源,确保安全。
五、转轮除湿机的应用领域转轮除湿机的应用领域包括但不限于住宅、仓储、图书馆、档案室、实验室、食品加工厂等。
空气干燥方案机组原理:转轮除湿机组是通过转轮的旋转,使被除湿的气流所流经的转轮除湿器的扇形部分对湿空气进行除湿,而再生气流流过的剩余扇形部分同时进行吸附剂的再生,被除湿的处理气流和再生气流一起逆流流动,从而形成一个连续的,稳定的除湿过程,达到除湿的目的。
转轮机组的核心部件为吸附式除湿转轮,它以高强度绝热材料为基材,加工成蜂巢管道结构,使其湿交换面积加大;当需要除湿的被处理空气通过除湿转轮的除湿区时,能充分与吸湿剂接触。
复合吸附剂均匀生成在基体上形成一个巨大的吸附表面。
密封装置将转轮分为270°扇形的除湿区和90°扇形的再生区。
转轮端部周边采用正压气流及硅氟弹性材料平面密封,除湿区与再生区之间为弹性密封。
需处理的潮湿空气由处理风机送入转轮除湿区,空气的水份子被吸附剂吸附,得到相对湿度极低的干燥气流,以达到除湿的目的;同时再生空气经加热加热到预定温度(一般在110~120℃之间)逆向通过转轮再生区,将吸附剂内的水份解吸出来并带走,恢复吸附湿能力。
转轮以极低的转速(一般在5~10转/h)缓慢旋转,整个过程为一反复除湿与再生的周期性过程,确保了连续的除湿效果,得到状态稳定的干燥空气!转轮除湿机组在转轮除湿的基础之上综合冷冻除湿之优势!于转轮处理前加装冷冻除湿表冷,充分利用转轮低温低湿情况下除湿之性能!于转轮后加装后表冷盘管,控制转轮出风温度;以实现温湿连控。
转轮除湿机组由蒸发冷却器,除湿转轮,后表冷,风机和再生加热器等部分有机组合而成;整机通过PLC集中整体控制,可实现节能高效稳定运行之目的。
本公司转轮除湿机组分普通型和节能型;节能型转轮除湿机利用逆卡诺循环原理;对转轮余热进行回收;用于再生进风预加热;从而节省再生功率!实现节省运行。
除湿设计:(一)设计依据《洁净厂房设计规范》GB50073-2001《采暖通风与空气调节设计规范》GB50019-2003《洁净室施工及验收规范》JGJ71-90《通风与空调工程施工及验收规范》GB50243-2001《通风与空调工程施工及验收规范》(GBJ243-82)《工业管道工程及验收规范》(GBJ235-82)《机械设备安装工程施工及验收规范》{(T)231(五)-78}《制冷设备安装工程施工及验收规范》(GBJ66-84)制剂车间转轮除湿机设计选型书一、用户单位提供的数据及要求2、使用地区:上海3、现有条件: 0.4MPa-0.6MPa饱和蒸汽冷冻水(7℃):有二、设备选型室外新风条件(按上海夏季室外极端天气参数)补充室外新风必须同时满足:1、为满足生产工艺排风与正压的需要;2、满足除湿工艺需要;本方案新风参数如下:新风量Qx:送风量*30%相对湿度Rx:75%温度Tx:39℃绝对含湿量 Xx:34g/kg按照此要求可选我公司ZKH-6500D节能型净化转轮除湿空调机组三、除湿机设计思路:新风经前冷降温处理成低温高湿的空气,与房间回风经过二级冷冻降温处理经除湿转轮干燥处理,获得高温低湿的干燥风,在与房间部分回风混合后冷降温后得到要求的温湿度送到送风管道。
转轮除湿机组计算过程
转轮除湿机组的计算过程涉及多个参数,包括空气流量、风机总压、湿球温度、干球温度、除湿效率等等。
以下是转轮除湿机组计算过程中的主要步骤:
1. 确定机组的空气流量,需要考虑所需除湿量、湿度比、空气换气次数等因素。
2. 根据机组空气流量和空气流速,计算出机组所需的风机总压。
3. 确定机组的湿球温度和干球温度,这些参数通常由空调控制系统自动调节。
4. 根据机组的湿球温度和干球温度,计算出机组的湿度比。
5. 确定机组的除湿效率,这通常是根据机组的设计和使用环境来确定的。
6. 根据机组的除湿效率和机组的湿度比,计算出机组所能达到的最低湿度比。
7. 根据机组所需的风机总压和所能达到的最低湿度比,选择适当的除湿轮。
8. 根据选择的除湿轮,计算出机组的除湿量。
9. 根据机组的除湿量和机组的空气流量,计算出机组的除湿效率。
10. 根据机组的除湿效率和所需除湿量,计算出机组的能力和所需功率。
以上是转轮除湿机组计算过程的主要步骤,需要结合实际使用环
境和机组设计来进行具体计算。
转轮除湿与双级热泵耦合空调系统的数值计算及分析南京师范大学动力工程学院宋倩倩牛宝联余跃进摘要本文针对转轮除湿与双级热泵耦合空调系统建立了物理模型并对系统的性能系数进行了数学描述。
通过与相同条件下的常规空调系统进行比较,得出耦合空调系统的制冷负荷降低了19.8%,压缩能耗降低了27%,一级热泵的蒸发温度提高了15.3%,冷凝温度降低了5%,COP相对常规空调系统提高了7.5%。
关键词除湿转轮双级热泵数学模型能耗分析0 引言目前空气除湿方法有冷却除湿、固体转轮除湿、液体除湿、膜除湿等。
固体转轮除湿因其结构简单、占地面积小、除湿换热性能好和易制得低露点空气等特点而被广泛应用于药品、食品和夹层玻璃等湿度要求严格的生产厂房和仓库中。
转轮除湿空调系统作为一种运行模式全新的空调系统,近年来逐渐在国内外得到重视和应用。
目前常见的运行方式包括转轮除湿与常规冷却结合的空调系统、转轮除湿与蒸发冷却结合的复合空调系统[1]以及转轮除湿/冷辐射吊顶空调系统[2]等。
再生能耗是转轮除湿空调系统的能耗之一。
笔者立足于提高热泵效率和避免热量浪费,提出了转轮与双级热泵耦合运行的复合空调系统,并以此为例,建立了数学模型并对不同室内外环境下的能耗进行了研究并进行了比较分析。
1 系统组成及工作原理1.1 系统的组成该系统主要由除湿转轮、显热换热器与双级热泵组成。
图1为转轮与双级热泵耦合空调系统的系统原理图。
图1 转轮除湿与双级热泵耦合空调系统原理图电补水热水二级热泵一级热泵建筑物冷却塔再生空气电图2 双级热泵系统示意图双级热泵系统的结构如图2所示。
双级热泵是用水循环管路将两个单级热泵系统耦合起来。
夏季制冷时一级热泵承担室内冷负荷,二级热泵将中间水循环管路的废热作为其低温热源,产生高位热能,将空气加热到75℃左右作为转轮的再生空气。
冬季供热时二级热泵停止使用,而采用一级热泵,从室外提取热量作为其低温热源,制取热水直接供给热用户使用。
1.2 系统的工作原理该系统主要由除湿转轮机、显热换热器和双级耦合热泵组合而成。
440中央空调与通风空调系统四、设计要求1、设计要求概述:本设计方案是为了满足干燥间的干燥工艺的。
使用组合式转轮除湿机空调机组,采用两次干燥方式,具体要点如下:2 、房间工况点设计要求序号房间名称温度℃湿度%房间正压Pa换气次数送风量m³/h回风量m³/h体积m³1 干燥间23+-2℃2 / / 5000 4800 187.53、除湿系统流程图的设计结合设计院的设计方案和我们在软胶囊干燥工艺项目中积累的经验,我们设计了一套详细的《除湿系统流程图》,对各个空气状态点作了精确的计算,并对除湿能力和各种能耗进行了核算,如下:4、除湿能力核算:(参见附件一《除湿系统流程图》)A、整套系统理论除湿能力计算:1 、前表冷除湿量Q 1 = 1200×(26.96-9.43)/1000 = 21.036 kg/h2 、转轮段1除湿量Q 2 = 1200×1.2×(9.43-3.71)/1000 = 8.24 kg/h3 、转轮段2除湿量Q 3 = 5000×1.2×(1.1-0.1)/1000 = 6 kg/h故:整套系统理论最大除湿量为Q4 = Q 1+ Q 2+Q3=21.036 + 8.24+6 =35.3 kg/hB、干燥间除湿能力。
由于干燥间送风与回风湿度差,即Q5 = 5000×1.2×(0.4-0.1)/1000= 1.8kg/hC、除湿能力核算:房间内有10人,每人的产湿量:100g/h,Q6= 10×100= 1000g/h =1kg/h,由:Q5 >Q6, 说明该设备除湿能力能够满足以上的假定产量要求5、表冷段冷量计算。
W=1.2⨯V⨯(h2-h1).f /3600W ---------所需制冷量(kg/h)1.2-----------空气密度(kg/m3)V-------------总风量(m3/h)h2------------新风空气焓(kj/kg)h1------------表冷出口空气焓(kj/kg)f ------------修正系数取1.15由流程图可得如下计算:A、前表冷冷量:W1 = 1.2⨯1200⨯ (104.35-37.88) ⨯1.15 /3600≈ 30.6 kwB、中表冷冷量:W2 = 1.2⨯6000⨯ (30.83-16.84) ⨯1.15 /3600≈32.2kwC、后表冷冷量:W3 = 1.2⨯5000⨯ (19.34-18.34) ⨯1.15 /3600≈ 2 kw故:整套系统理论最大制冷量为W4 = W 1+ W 2+W3=30.6 + 32.2+2 =64.8 KW6、除湿机型号确定:由上述理论计算和除湿流程图的设计,我们推荐选用HTLDS组合式转轮除湿空调机组型号为HTLDS-5000E7、控制系统:(参见控制系统示意图)为了达到设备运行稳定、控制自动、节约能耗的目的,本套除湿系统采用西门子LOGO! 控制系统,通过回风管道上温湿度传感器采集温湿度信号,与LOGO!控制器所设定好的温度湿度值比较,进行PID 运算来调节电动调节阀,调节其内部的冰水或蒸气流量,从而达到自动的精确的控制房间内所需的温湿度要求。
除湿量计算标准除湿量是指除湿机在单位时间内去除空气中的水分的能力,通常以升/小时或升/天为单位进行计算。
除湿量的计算对于选择合适的除湿机至关重要,因为一个过小的除湿机可能无法应对潮湿的环境,而一个过大的除湿机则会增加能耗。
除湿量的计算方法可以根据房间的面积(或体积)、湿度和通风情况等多个因素进行综合考虑。
下面将详细介绍几种常见的除湿量计算方法。
一、根据面积计算除湿量这是最常见的除湿量计算方法,适用于家庭和办公环境。
一般来说,每平方米的房间面积需要10-20升/小时的除湿量。
具体计算方法如下:除湿量(升/小时)=房间面积(平方米)× 10-20例如,一个20平方米的房间需要200-400升/小时的除湿量。
二、根据体积计算除湿量这种方法适用于较大的空间,如仓库、车间等。
首先需要测量房间的体积,然后根据体积计算除湿量。
一般来说,每立方米的房间体积需要0.5-1升/小时的除湿量。
具体计算方法如下:除湿量(升/小时)=房间体积(立方米)× 0.5-1例如,一个100立方米的房间需要50-100升/小时的除湿量。
三、根据湿度计算除湿量在某些极端湿度的环境中,湿度会成为主要的考虑因素。
根据湿度计算除湿量可以更准确地选择合适的除湿机。
具体计算方法如下:除湿量(升/小时)=空气湿度差(克/升)×空气流量(升/小时)需要注意的是,空气湿度差指的是设定的湿度与室内的实际湿度之间的差值。
空气流量可以根据除湿机的功率和性能指标去参考。
除了以上三种常见的计算方法,还可以考虑其他因素,如室内物品的含湿量、室内温度和通风情况等。
此外,还需要考虑除湿机的效能和运行状态等因素。
在实际选择除湿机时,建议参考厂家提供的技术参数和产品说明,以确保选择到合适的除湿量。
总之,除湿量的计算方法有多种,可以根据实际需求选择合适的方法进行计算。
除湿量的准确计算可以帮助我们选择合适的除湿机,保持室内环境的舒适和健康。