职业技能鉴定国家题库 维修电工(技师)职业技能鉴定理论知识模拟试卷含答案
- 格式:doc
- 大小:253.50 KB
- 文档页数:24
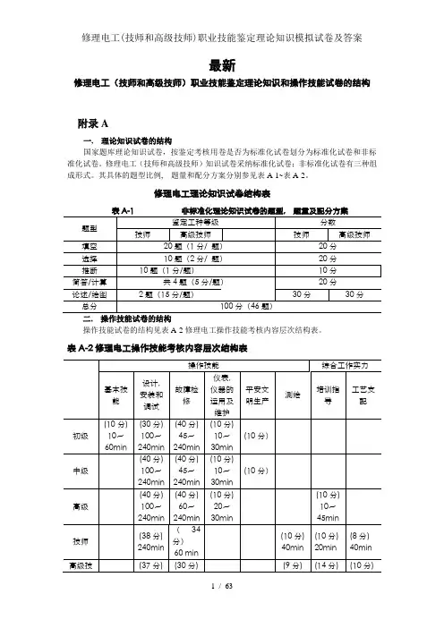
最新维修电工(技师和高级技师)职业技能鉴定理论知识和操作技能试卷的结构附录A一、理论知识试卷的结构国家题库理论知识试卷,按鉴定考核用卷是否为标准化试卷划分为标准化试卷和非标准化试卷。
维修电工(技师和高级技师)知识试卷采用标准化试卷;非标准化试卷有三种组成形式。
其具体的题型比例、题量和配分方案分别参见表A-1~表A-2。
维修电工理论知识试卷结构表表A-1非标准化理论知识试卷的题型、题量与配分方案二、操作技能试卷的结构操作技能试卷的结构见表A-2维修电工操作技能考核内容层次结构表。
表A-2维修电工操作技能考核内容层次结构表国家题库操作技能试卷采用由“准备通知单”、“试卷正文”和“评分记录表”三部分组成的基本结构,分别供考场、考生和考评员使用。
(1)准备通知单包括材料准备,设备准备,工具,量具、刃具、卡具准备等考场准备(标准、名称、规格、数量)要求。
(2)试卷正文包含需要说明的问题和要求、试题内容、总时间与各个试题的时间分配要求,考评人数,评分规则与评分方法等。
(3)评分记录表包含具体的评分标准和评分记录表。
附录B 理论知识模拟试卷一、试卷说明(1)本试卷以《国家职业职业标准》(维修电工)为命题依据。
(2)本试卷考核内容无地域限制。
(3)本试卷只适用于本等级鉴定。
(3)本试卷命题遵循学以致用的原则。
二、模拟试卷正文最新职业技能鉴定国家题库维修电工技师理论知识试卷(1)注意事项1、考试时间:120min。
2、请首先按要求在试卷的标封处填写您的姓名、准考证号和所在单位的名称。
3、请仔细阅读各种题目的回答要求,在规定的位置填写您的答案。
4、不要在试卷上乱写乱画,不要在标封区填写无关的内容。
一、填空题 (第1~20题。
请将正确答案填入题内空白处。
每题1分,共20分。
)1.劳动的双重含义决定了从业人员全新的劳动态度和职业道德观。
2.职业道德的内容包括:_职业德意道识、职业道德行为规范和职业守则等。
3.奉献社会是职业道德中的最高境界,同时也是做人的最高境界。
电工技师理论试卷及答案(总9页)--本页仅作为文档封面,使用时请直接删除即可----内页可以根据需求调整合适字体及大小--职业技能鉴定国家题库维修电工技师理论知识试卷注 意 事 项1、考试时间:120分钟。
2、请首先按要求在试卷的标封处填写您的姓名、准考证号和所在单位的名称。
2.职业纪律的特点是具有明确的规定性和 。
3.爱岗敬业的具体要求是树立职业理想、强化职业责任和提高 。
4.示波器中水平扫描信号发生器产生的是 波。
5.操作晶体图示仪时,特别注意功耗电压.阶梯选择及 选择开关。
6.分析数据系统操作单元可以更好地实现 。
7.在整定B2010型刨床速度调节器比例放大倍数必须以 为前提。
8.热电偶输出的 是从零逐渐上升到相应的温度后不再上升呈平台值。
9.肖特基二极管与普通整流二极管相比,反向恢复时间 ,工作频率高。
考 生 答 题 不 超10.通过指导操作使学员的能力不断增强和提高,熟练掌握操作技能。
11.系列标准是国际标准化组织发布的有关环境管理的系列标准。
12.生产工人在生产班内完成生产任务所需的直接和间接的全部工时为工时定额中的。
13.直流无刷电动机“直流变频”调速原理是通过电子开关把交变的送入定子绕组,由开关频率的变化而引起电动机转速的变化。
14.所谓SPWM,即,其波形是与正弦波等效的一系列等幅不等宽的矩形脉冲波。
15.带速度编码器矢量控制变频器的调速精度为,输出额定转矩时的最低频率为1HZ。
16.在纯电阻电路中,电流和电压的相位关系是相同的,在纯电感电路中,电流和电压的相位关系是。
17.某三极管的三个电极电位分别为VE =2V, VB=, VC=, 可判断该三极管是工作于饱和区的硅材料的__________型的三极管。
18.无论直流发电机还是直流电动机,其换向磁极绕组以及补偿绕组都应与电枢绕组联接;对直流电动机而言换向极极性与顺着电枢转向看的主磁极极性__________。
19.三相异步电动机的最大电磁转矩与转子回路电阻无关;而临界转差率又与__________无关。
职业技能鉴定国家题库维修电工技师理论知识试卷(1)注意事项1考试时间:120min。
2请首先按要求在试卷的标封处填写您的姓名准考证号和所在单位的名称。
3请仔细阅读各种题目的回答要求,在规定的位置填写您的答案。
4不要在试卷上乱写乱画,不要在标封区填写无关的内容。
一二三四五总分统分人得分得分评分人一填空题 (1~20题。
请将正确答案填入题内空白处。
每题1分,共20分。
)1.劳动的双重含义决定了从业人员全新的劳动态度和职业道德观。
2.职业道德的内容包括:职业道德意识职业道德行为规范和职业守则等。
3.奉献社会是职业道德中的最高境界,同时也是做人的最高境界。
4.采用YY/△接法的三相变极双速电动机变极调速时,调速前后电动机的输出功率电池基本不变。
5.使用直流双臂电桥测量电阻时,动作要迅速,以免电池耗电量过大。
6.熔断器的选用首先应确定熔体的额定电流,再根据被保护电路的性质选择熔断器的类型。
7.变频器的逆变器是利用功率器件,有规律地控制逆变器中主开关的通断,从而得到任意频率的三相交流电输出。
8.在齿轮传动中,传动比稳定往往是对传动的一个基本要求。
9.测绘电气主线路图时,首先应从电源引下端向下查。
10.不可控电力电子器件,它具有整流的作用而无可控的功能。
11.半可控器件通常为三端器件,它能在控制信号的作用下导通,但不能被控关断。
12.晶闸管中频感应加热电源,随着科学技术的发展必将被IGBT感应加热电源所取代。
13.新型的高性能高压变频调速装置的主电路的开关器件使用IGBT,实现PWM 技术更方便。
14.机电一体化是多学科领域综合交叉的技术密集性系统工程。
15.电气设计基本完成后,应反复全面地检查,并进一步完善设计的电气控制电路。
16. ISO9000族标准包括质量术语标准质量技术标准及ISO9000系列标准。
17.制定ISO14000系列标准的直接原因是环境的日益恶化。
18.维修电工班组主要是为生产服务的,活动课题一般都需要围绕提高产品质量保证设备正常运转而提出。
职业技能鉴定国家题库维修电工技师理论知识试卷注 意 事 项1、考试时间:120分钟。
2、请首先按要求在试卷的标封处填写您的姓名、准考证号和所在单位的名称。
3、请仔细阅读各种题目的回答要求,在规定的位置填写您的答案。
4、不要在试卷上乱写乱画,不要在标封区填写无关的内容。
一、填空题 (第1~20题。
请将正确答案填入题内空白处。
每题1分,共20分。
) 1. 是最严重的触电事故。
2.在维修直流电机时,对各绕组之间作耐压试验, 其试验电压用 流电. 3.在自动调速系统中按有无反馈回路分为 系统和 系统。
4.当电动机低于额定转速采用 调速。
5.可编程控制器输入指令根据 用编程器写入程序。
6.在测绘之前.应先把 测绘出来.7.IGBT 的开关特性显示关断波形存在 现象。
8.功率场效应晶体管最大功耗随管壳温度的增高而 。
9.肖特基二极管适用于电压 ,要求快速、高效的电路中。
10.绝缘栅双极晶体管具有速度快、 、阻抗高、通态电压低、耐压高、电容量大的特点。
11.大修结束后,对接线检查无误后必须进行 合格后,才能办理检修设备移交手续。
12.液压系统维修时,本着"先外后内, ,先洗后修"的原则。
13.按照工艺要求,进行电气大修首先要切断总电源,做好 性安全措施。
14.在指导学员操作中,必须经常对学员加强 教育。
15.在指导操作和独立操作训练法中要求应注意让学员反复地进行 操作训练。
16. 是质量管理和质量体系要素指南. 17.精益生产方式中,产品开发采用的是 方法.18.在转速负反馈系统中,闭环系统的转速降减为开环系统转速降的 倍。
19.在F20系统中,常开触点与母线的连接指令是 。
考 生答题 不准 超过 此 线20.是可编程控制器的程序结束指令。
二、选择题(第21~30题。
请选择一个正确答案,将相应字母填入题中括号内。
每题2分,共20分)21.触电者()时,应进行胸外挤压法进行救护。
职业技能鉴定国家题库维修电工技师理论知识试卷 注 意 事 项 1、考试时间:120分钟。
2、请首先按要求在试卷的标封处填写您的姓名、准考证号和所在单位的名称。
3、请仔细阅读各种题目的回答要求,在规定的位置填写您的答案。
4、不要在试卷上乱写乱画,不要在标封区填写无关的内容。
一、填空题 (第1~20题。
请将正确答案填入题内空白处。
每题1分,共20分。
) 1. 使用于电源中性线不直接接地的电气设备。
2.A/D 转换器是 转换器。
3.数控系统的控制对象示 。
4. 接口使变频器可以根据数控设备或PLC 输出的数字信号指令进行。
5.变频器输出侧不允许接 ,也不允许接电容式单相电动机。
6.运算放大器组成的积分器电路的性能像 。
7.热继电器的热元件整定电流I FRW = I MN 8.制动电磁铁的行程主要根据机械制动装置 的大小、动作时间及安装位置来确定。
9.肖特基二极管 短,开关损耗远小于普通二极管。
10.功率场效应晶体管功率的特点是 的静态内阻高,驱动功率小,撤除栅极信号后能自行关断,同时不存在二次击穿,安全工作区宽。
11.大修中必须注意检查 ,保证接地系统处于完好状态。
12.在制订检修工艺时,应注意技术上的先进性, 上的合理性以及良好的劳动条件等问题。
13.理论培训的一般方法是 。
考 生答题不 准过 此 线14.理论培训教学中应有条理性和系统性,注意理论联系实际,培养学员的能力。
15.ISO是的缩写。
16.系列标准是国际标准化组织发布的有关环境管理的系列标准。
17.CIMS是的缩写。
18.多谐振荡器又称电路。
19.把直流电源中恒定的电压变换成可调直流电压的装置称为。
20.二进制数1110转换成十进制数是。
二、选择题(第21~30题。
请选择一个正确答案,将相应字母填入题中括号内。
每题2分,共20分)21.重复接地的作用是降低漏电设备外壳的对地电压,减轻()断线时的危险。
A、地线B、相线C、零线D、设备22( )的符号。
职业技能鉴定国家题库高级维修电工理论知识试卷(共五份_有答案_新题型_1000道)职业技能鉴定国家题库高级维修电工理论知识试卷维修电工高级理论知识试卷一单项选择第1题~第160题选择一个正确的答案将相应的字母填入题内的括号中每题05分满分80分1 市场经济条件下职业道德最终将对企业起到的作用A决策科学化 B提高竞争力C决定经济效益 D决定前途与命运2 为了促进企业的规范化发展需要发挥企业文化的功能A娱乐 B主导 C决策 D自律3 对待职业和岗位并不是爱岗敬业所要求的A树立职业理想 B干一行爱一行专一行C遵守企业的规章制度 D一职定终身不改行4 坚持办事公道要努力做到A公私不分 B有求必应 C公正公平 D全面公开5 下列关于勤劳节俭的论述中正确的选项是A勤劳一定能使人致富 B勤劳节俭有利于企业持续发展C新时代需要巧干不需要勤劳 D新时代需要创造不需要节俭6 企业生产经营活动中要求员工遵纪守法是A约束人的体现 B保证经济活动正常进行所决定的C领导者人为的规定 D追求利益的体现7 一般规定正电荷移动的方向为的方向A电动势 B电流 C电压 D电位8 电压的方向规定由A低电位点指向高电位点 B高电位点指向低电位点C低电位指向高电位 D高电位指向低电位9 正弦量的平均值与最大值之间的关系不正确的是AEav 2πEm BUav 2πEm CIav 2πEm DI Im14410 当ωt 360°时i12i3分别为A9V B12V C24V D36V21 电气设备的巡视一般均由进行A1人 B2人 C3人 D4人22 下列污染形式中不属于公害的是A地面沉降 B恶臭 C水土流失 D振动23 下列控制声音传播的措施中不属于个人防护措施A使用耳塞 B使用耳罩 C使用耳棉 D使用隔声罩24 对于每个职工来说质量管理的主要内容有岗位的质量要求质量目标质量保证措施和等A信息反馈 B质量水平 C质量记录 D质量责任25 岗位的质量要求通常包括操作程序工作内容工艺规程及等A工作计划 B工作目的 C参数控制 D工作重点26 逆变桥由晶闸管VT7~VT10组成每个晶闸管均以限制晶闸管导通时的电流上升率A串有空心电感 B硒堆组成的过电压保护装置C串有快速熔断器 D并有CR组成的阻容吸收装置27 调频信号输入到方波变换器变成两组互差180°的方波输出经微分电路后产生尖脉冲传送至双稳态触发电路形成两组互差180°的脉冲 A尖脉冲 B矩形 C梯形 D三角波28 积分电路Cl接在V5的集电极它是的锯齿波发生器A电感负反馈 B电感正反馈 C电容负反馈 D电容正反馈29 KC41C的内部的l~6端输入块KC04来的6个脉冲A一 B二 C三 D四30 KC41的输出端10~15是按后相给前相补脉冲的规律经V1~V6放大可输出驱动电流为的双窄脉冲列A100~300μA B300~800μA C100~300mA D300~800mA31 工频电源输入端接有两级LB-300型电源滤波器是阻止的电器上去A工频电网馈送到高频设备以内B工频电网馈送到高频设备以外C高频设备产生的信号通过工频电网馈送到高频设备机房以内D高频设备产生的信号通过工频电网馈送到高频设备机房以外32 铁磁饱和式稳压器的基本结构与变压器相似由硅钢片叠成二心柱式铁心而心柱2工作在磁化曲线的段A饱和 B未饱和 C过饱和 D起始33 GP100C型高频设备中的保护措施有A过电流保护 B水压保护 C水温保护 D以上都是34 适用于8~50kHz频率范围AIGBT BSIT CMOSFET DMOSFET35 数控系统的可靠性主要取决于A数控装置 B伺服系统 C测量反馈装置 D控制器36 可分为开环控制半闭环控制和闭环控制A数控装置 B伺服系统 C测量反馈装置 D控制器37 控制方式的优点是精度高速度快其缺点是调试和维修比较复杂A闭环 B半闭环 C双闭环 D开环38 正向触发脉冲只允许在t1以后加入并要求触发脉冲有一定的A宽度 B电压 C电流 D功率39 双窄脉冲的脉宽在左右在触发某一晶闸管的同时再给前一晶闸管补发一个脉冲作用与宽脉冲一样A120° B90° C60° D18°40 通过变流器把直流电能变成某一频率或可调频率的交流电能直接供电给负载的叫做A有源逆变 B无源逆变 C整流 D反馈41 三相桥式逆变电路电压脉动小变压器利用率高晶闸管工作电压低电抗器比三相半波电路小在容量可逆系统中广泛应用A小 B中小 C大 D大中42 在要求零位附近快速频繁改变转动方向位置控制要求准确的生产机械往往用可控环流可逆系统即在负载电流小于额定值时让人为地制造环流使变流器电流连续A1%~5% B5%~10% C10%~15% D15%~20%43 关断晶闸管GTO构成高性能的变速调速系统但目前由于元件的制造水平只限于容量A大中 B大 C中小 D较小44 并联谐振式逆变器的换流电路并联A电感与电阻 B电感与负载 C电容与电阻 D电容与负载45 串联谐振逆变器输入是恒定的电压输出电流波形接近于属于电压型逆变器A锯齿波 B三角波 C方波 D正弦波46 电流型逆变器中间环节采用电抗器滤波A电源阻抗很小类似电压源 B电源呈高阻类似于电流源C电源呈高阻类似于电压源 D电源呈低阻类似于电流源47 触发脉冲信号应有一定宽度脉冲前沿要陡电感性负载一般是 ms 相当于50Hz正弦波的18°A01 B05 C1 D1548 数字式触发电路中如UK=O时脉冲频率f=13kHzUK=10V时f=kHzA13 B13 C130 D130049 消除关断过电压最常用的方法是在晶闸管两端并联ARC吸收电路 B无敏电阻 C接地电容 D硒堆50 采用电压上升率dudt限制办法后电压上升率与桥臂交流电压成正比的作用A有效值 B平均值 C峰值 D瞬时值51 真空三极管具有阳极阴极和A发射极 B栅极 C控制极 D基极52 当Rˊ=Ri时电路阻抗匹配振荡器的工作状态叫做A过零状态 B欠压状态 C过压状态 D临界状态53 剩磁消失而不能发电应重新充磁直流电源电压应低于额定励磁电压一般取100V左右充磁时间约为A1~2min B2~3min C3~4min D4~5min54 启动电动机组后工作台高速冲出不受控产生这种故障有原因A交磁放大机控制绕组接反 B发电机励磁绕组WEG接反 C发电机旋转方向相反 D以上都是55 停车时产生振荡的原因常常由于环节不起作用A电压负反馈 B电流负反馈C电流截止负反馈 D桥型稳定56 数控系统程序数据保存不住可直接检查后备电池断电检测及切换电路以及A震荡电路 BCPU及周边电路C存储器周边电路 D地址线逻辑57 伺服驱动过电流可能是驱动装置输出L1L2L3之间短路或或功率开关晶体管Vl~V6损坏或是加速过快A使用环境温度超过了规定值 B伺服电动机过载C负载有冲击 D编码器故障58 晶体管的集电极与发射极之间的正反向阻值都应大于如果两个方向的阻值都很小则可能是击穿了A05KΩ B1KΩ C15KΩ D2KΩ59 材质制成的螺栓螺母或垫片在中频电流通过时会因涡流效应而发热甚至局部熔化A黄铜 B不锈钢 C塑料 D普通钢铁60 对触发脉冲要求有A一定的宽度且达到一定的电流 B一定的宽度且达到一定的功率C一定的功率且达到一定的电流 D一定的功率且达到一定的电压61 启动电容器CS上所充的电加到由炉子L和补偿电容C组成的并联谐振电路两端产生电压和电流A正弦振荡 B中频振荡 C衰减振荡 D振荡62 逆变电路为了保证系统能够可靠换流安全储备时间tβ必须大于晶闸管的A引前时间 B关断时间 C换流时间 Dtf- tr63 SP100-C3型高频设备半高压接通后阳极有电流产生此故障的原因有A阳极槽路电容器 B栅极电路上旁路电容器C栅极回馈线圈到栅极这一段有断路的地方 D以上都是64 根据分析和判断故障是诊断所控制设备故障的基本方法A原理图 B逻辑功能图 C指令图 D梯形图65 弱磁调速是从n0向上调速调速特性为输出A恒电流 B恒效率 C恒转矩 D恒功率66 要调节异步电动机的转速可从入手A变极调速 B变频调速 C转差率调速 D以上都是67 交磁电机扩大机可用来控制直流电动机的电枢电压构成交磁电机扩大机直流电动机系统简称AGM系统 BAGM系统 CAGGM系统 DCNCM系统68 电流正反馈是在时起着补偿作用其补偿程度与反馈取样电阻Rv 的分压比有关A程序运行时 B负载发生变化 C电机高速 D电机低速69 非独立励磁控制系统在的调速是用提高电枢电压来提升速度的电动机的反电动势随转速的上升而增加在励磁回路由励磁调节器维持励磁电流为最大值不变A低速时 B高速时 C基速以上 D基速以下70 反电枢可逆电路由于电枢回路适用于要求频繁启动而过渡过程时间短的生产机械如可逆轧钢机龙门刨等A电容小 B电容大 C电感小 D电感大71 由一组逻辑电路判断控制整流器触发脉冲通道的开放和封锁这就构成了可逆调速系统A逻辑环流 B逻辑无环流 C可控环流 D可控无环流72 转矩极性鉴别器常常采用运算放大器经组成的施密特电路检测速度调节器的输出电压unA负反馈 B正反馈 C串联负反馈 D串联正反馈73 逻辑保护电路一旦出现的情况与非门立即输出低电平使和均被箝位于0将两组触发器同时封锁AuR 1uF=0 BuR 0uF=0 CuR 0uF=1 DuR 1uF=174 是经济型数控机床按驱动和定位方式划分A闭环连续控制式 B变极控制式C步进电动机式 D直流点位式75 微处理器一般由程序存储器内部数据存储器接口和功能单元如定时器计数器以及相应的逻辑电路所组成ACNC BPLC CCPU DMPU76 经济型数控系统常用的有后备电池法和采用非易失性存储器如片内带锂电池的随机存储器AEEPROM BNVRAM CFLASHROM DEPROM77 MPU与外设之间进行数据传输有方式A程序控制 B控制中断控制C选择直接存储器存取DMA D以上都是78 非编码键盘接口一般通过或82558155等并行IO接口和MPU相连A与门 B与非门 C或非门 D三态缓冲器79 各位的段驱动及其位驱动可分别共用一个锁存器每秒扫描次数大于次靠人眼的视觉暂留现象便不会感觉到闪烁A20 B30 C40 D5080 电动机绕组电感L当V突然导通时绕组电流按指数规律上升时间常数=是电动机绕组的电阻值A B C D81 三相六拍脉冲分配逻辑电路由FFlFF2FF3三位D触发器组成其脉冲分配顺序是AA→B→C→ BAB→BC→CA→CA→AC→C→CB→B→BA→A→ DA→AB→B→BC→C→CA→A→82 不是CPU和RAM的抗干扰措施A人工复位 B掉电保护 C软件陷阱 D接地技术83 中频发电机组启动时交流电动机的冲击电流约为额定电流的倍A3~5 B4~6 C5~7 D6~784 实践证明在高于额定灯丝电压情况下长期工作管子寿命几乎减少一半A3% B5% C10% D15%85 当使用新管或长期贮存的管子时应加额定灯丝电压进行预热时间不少于hA1 B2 C25 D386 电子管水套内壁的圆度要求公差不超过 mmA±025 B±05 C±075 D±187 检查可编程序控制器电柜内的温度和湿度不能超出要求范围和35%~85%RH不结露否则需采取措施A-5~50℃ B0~50℃ C0~55℃ D5~55℃88 更换电池之前先接通可编程序控制器的交流电源约 s为存储器备用电源的电容器充电电池断开后该电容器对存储器做短时供电A3 B5 C10 D1589 运行指示灯是当可编程序控制器某单元运行正常时该单元上的运行指示灯一直亮A自检 B调节 C保护 D监控90 正常时每个输出端口对应的指示灯应随该端口有输出或无输出而亮或熄否则就是有故障其原因可能是A输出元件短路 B开路 C烧毁 D以上都是91 外部环境检查时当湿度过大时应考虑装A风扇 B加热器 C空调 D除尘器92 组合机床电磁阀和信号灯采用直流电源A6V B12V C24V D36V93 强供电回路的管线尽量避免与可编程序控制器输出输入回路且线路不在同一根管路内A垂直 B交叉 C远离 D平行94 根据液压控制梯形图下列指令正确的是AAND 00 BLD 12 CANI 12 DLDI 1295 根据主轴控制梯形图下列指令正确的是AORI31 BLD31 CLDI31 DOR3196 根据滑台向前控制梯形图下列指令正确的是AANI11 BAND11 CLD11 DLDI1197 根据加工完成控制梯形图下列指令正确的是A ANI 100BAND100COR100DORI10098 根据滑台向后控制梯形图下列指令正确的是AANI100 BAND100 CORI100 DOR10099 根据工件松开控制梯形图下列指令正确的是AAND07LD30 BLD07AND30 CLDI07AND30 DAND07AND30100 将程序写入可编程序控制器时首先将存储器清零然后按操作说明写入结束时用结束指令A地址 B程序 C指令 D序号101 程序检查过程中如发现有错误就要进行修改包括A线路检查 B其他检查 C语法检查 D以上都是102 语法检查键操作中代码表示设定常数值K不正确Al-l B1-2 C1-3 D1-4103 线路检查键操作中代码2-2表示LDLDI和使用不正确AANIAND BORORI CANIANB DANBORB104 双线圈检查是当指令线圈使用时会发生同一线圈接通和断开的矛盾A两次 B八次C七次 D两次或两次以上105 可编程序控制器采用可以编制程序的存储器用来在其内部存储执行逻辑运算顺序控制计时计数和算术运算等指令A控制 B基本 C操作 D特殊106 可编程序控制器编程灵活性编程语言有布尔助记符功能表图和语句描述A安装图 B逻辑图 C原理图 D功能模块图107 阶段把逻辑解读的结果通过输出部件输出给现场的受控元件A输出采样 B输入采样 C程序执行 D输出刷新108 可编程序控制器通过编程灵活地改变其控制程序相当于改变了继电器控制的线路A主控制 B控制 C软接线 D硬接线109 F-20MS可编程序控制器表示类型A继电器输出 B晶闸管输出 C晶体管输出 D单晶体管输出110 F-40MR可编程序控制器中M表示A基本单元 B扩展单元 C单元类型 D输出类型111 F系列可编程序控制器系统是由基本单元扩展单元编程器用户程序和程序存入器等组成A鼠标 B键盘 C显示器 D写入器112 F系列可编程序控制器计数器用表示AX BY CT DC113 F-20MR可编程序控制器输入的点数是A5 B8 C12 D16114 当程序需要接通时全部输出继电器的输出自动断开而其他继电器仍继续工作AM70 BM71 CM72 DM77115 F系列可编程序控制器常开点用指令ALD BLDI COR DORI116 F系列可编程序控制器常闭触点的串联用指令AAND BANI CANB DORB117 F系列可编程序控制器常开触点的并联用指令AOR BORI CANB DORB118 F系列可编程序控制器中的ORB指令用于A串联连接 B并联连接 C回路串联连接 D回路并联连接119 F系列可编程序控制器中回路串联连接用指令AAND BANI CORB DANB120 指令为复位指令ANOP BEND CS DR121 用指令可使LD点回到原来的公共线上ACJP BEJP CMC DMCR122 编程器的显示内容包括地址数据工作方式情况和系统工作状态等A位移储存器 B参数 C程序 D指令执行123 编程器的数字键由0~9共10个键组成用以设置地址号计数器的设定值等A顺序控制 B参数控制 C工作方式 D定时器124 检查电源电压波动范围是否在数控系统允许的范围内否则要加A直流稳压器 B交流稳压器 CUPS电源 D交流调压器125 检查变压器上有无检查电路板上有无5060Hz频率转换开关供选择A熔断器保护 B接地 C插头 D多个插头126 短路棒用来设定短路设定点短路设定点由完成设定A维修人员 B机床制造厂 C用户 D操作人员127 电源相序可用相序表或来测量A示波器 B图形仪 C万用表 D兆欧表128 准备功能又叫AM功能 BG功能 CS功能 DT功能129 数控装置工作基本正常后可开始对各项迹行检查确认和设定A参数 B性能 C程序 D功能130 JWK系列经济型数控机床通电试车不包含内容A数控系统参数核对 B手动操作C接通强电柜交流电源 D直流电源的检查131 以最高进给速度运转时应在全行程进行分别往复A1次和5次 B2次和4次 C3次和2次 D4次和1次132 在主轴调速范围内选一适当转速调整切削量使之达到最大功率机床工作正常无颤振现象A恒转矩 B恒功率 C恒电流 D恒电流133 数控机床的几何精度检验包括A主轴的轴向窜动 B主轴箱沿Z坐标方向移动时主轴轴心的平行度CX Z坐标方向移动时工作台面的平行度 D以上都是134 主轴回转轴心线对工作台面的垂直度属于数控机床的精度检验 A定位 B几何 C切削 D联动135 直线运动坐标轴的定位精度和重复定位精度属于数控机床的精度检验A几何 B定位 C切削 D联动136 数控机床的定位精度检验包括A回转运动的定位精度和重复分度精度 B回转运动的反向误差C回转轴原点的复归精度 D以上都是137 数控机床的定位精度检验包括A回转运动的定位精度和重复分度精度 B各直线运动坐标轴机械原点的复归精度C回转轴原点的复归精度 D以上都是138 端面铣刀铣平面的精度属于数控机床的精度检验A切削 B定位 C几何 D联动139 数控单元是由双8031 组成的MCS-51系统APLC B单片机 C微型机 D单板机140 JWK经济型数控机床通过编程指令可实现的功能有A返回参考点 B快速点定位 C程序延时 D以上都是141 JWK经济型数控机床通过编程指令可实现的功能有A直线插补 B圆弧插补 C程序循环 D以上都是142 使用自动循环当程序结束后又自动从程序循环执行A终止点 B断开点 C开头 D暂停143 为了方便和减少加工程序的执行时间参考点应设在靠近工件的地方在换刀前让刀架先退出一段距离以便刀架转位转位完毕后再按相同距离返回A读写 B编程 C测试 D检查144 引导程序包括A参考点工件号设定和快进速度设定 B间隙补偿量的设定和刀具补偿量的设定C换刀偏置量的设定和机械原点设定 D以上都是145 S功能设定有两种输出方式供选择分别是A编码方式和数字方式 B逻辑式和数字方式C编码方式和逻辑式 D编制方式和数字方式146 JWK型经济型数控机床按照程序输入步骤输入零件加工程序检查正常后方可联机调试A各种功能 B程序 C轴流风机 D电机147 JWK型经济型数控机床系统电源切断后必须等待 s以上方可再次接通电源不允许连续开关电源A10 B20 C30 D40148 为了保护零件加工程序数控系统有专用电池作为存储器RAM芯片的备用电源当电池电压小于 V时需要换电池更换时应按有关说明书的方法进行A15 B3 C45 D6149 线绕电阻器用表示ART BRPJ CRJ DRX150 电阻器的阻值及精度等级一般用文字或数字直接印于电阻器上允许偏差为5用表示A无色 B银色 C金色 D白色151 铌电解电容器的型号用表示ACJ BCD CCA DCN152 统称为极限偏差A最大极限尺寸和最大极限尺寸 B最大极限上偏差和最大极限下偏差C最大上偏差和最大下偏差 D上偏差和下偏差153 规定孔的尺寸减去轴的尺寸的代数差为正是配合A基准 B间隙 C过渡 D过盈154 国家标准规定了基轴制的代号为hA上偏差为零上偏差大于零 B上偏差为零下偏差小于零C下偏差为零上偏差小于零 D下偏差为零上偏差大于零155 车床尾架体孔和顶尖套筒的配合种类为基本偏差Ae Bf Cg Dh156 金属材料的性能中不属于工艺性能的是A铸造性能 B切削性能 C化物性能 D热处理性能157 逻辑代数的基本公式和常用公式中反演律德摩根定理A B C D158 与非门电路与非门逻辑关系中下列正确的表达式是AA 1B 0Z 0 BA 0B 1Z 0 CA 0B 0Z 0 DA 1B 1Z 0159 导线的绝缘强度必须符合国家部局规定的耐压试验标准绝缘电阻应不低于 MΩA025 B05 C1 D4160 从机械设备电器修理质量标准方面判断下列不属于电器仪表需要标准A表盘玻璃干净完整 B盘面刻度字码清楚C表针动作灵活计量正确 D垂直安装二判断题第161题~第200题将判断结果填入括号中正确的填√错误的填×每题05分满分20分161 向企业员工灌输的职业道德太多了容易使员工产生谨小慎微的观念162 事业成功的人往往具有较高的职业道德163 职业道德活动中做到表情冷漠严肃待客是符合职业道德规范要求的164 在日常接待工作中对待不同服务对象采取一视同仁的服务态度165 部分电路欧姆定律反映了在含电源的一段电路中电流与这段电路两端的电压及电阻的关系166 电解电容有正负极使用时负极接高电位正极接低电位167 在磁场外部磁力线由N极指向S极在磁场内部磁力线由S极指向N极168 变压器是根据电磁感应原理而工作的它能改变交流电压和直流电压169 启动按钮优先选用绿色按钮急停按钮应选用红色按钮停止按钮优先选用红色按钮170 按钮联锁正反转控制线路的优点是操作方便缺点是容易产生电源两相短路事故在实际工作中经常采用按钮接触器双重联锁正反转控制线路171 电动机是使用最普遍的电气设备之一一般在70-95额定负载下运行时效率最高功率因数大172 发电机发出的嗡嗡声属于气体动力噪音173 变压器的嗡嗡声属于机械噪声174 可编程带RAM的IO接口8155芯片则作为输入和键盘用的接口175 来自三块KC04触发器13号端子的触发脉冲信号分别送入KC42的2412端V1V2V3构成与非门电路只要任何一个触发器有输出S点就是低电平V4截止使V5V6V8组成的环形振荡器停振176 整流状态时整流器将交流电能变成直流电能供给电动机177 锯齿波同步的晶闸管触发电路由锯齿波发生脉冲相位控制脉冲整形脉冲放大等环节组成178 非线性电阻元件具有正反向相同的很陡的伏安特性正常工作时漏电流极小遇到浪涌电压时反应快可通过数安培的放电电流因此抑制过电压能力强179 根据真空三极管的特性曲线可以看出改变栅极电流就可使阳极电流发生变化180 丙类工作状态的栅偏压比截止栅压更负若振荡管采用固定栅偏压管子将恒处于饱和状态181 如果发电机的电流达到额定值而其电压不足额定值则需减小淬火变压器一次线圈的匝数182 开环控制系统仅适用于要求高的场合183 传统的驱动电源有单电源驱动电路和双电源驱动电路新型电源有高压电压斩波电源184 当可编程序控制器输出额定电压和额定电流值大于负载时可加装中间继电器过渡185 按INSTR若程序中存在某一线路上的错误则显示出错代码186 F-20MR可编程序控制器的输出继电器用来将可编程序控制器输出信号传送给外部负载它只能在程序内部用指令驱动外部信号无法直接驱动用户可任选继电器输出晶体管输出或晶闸管输出187 F系列可编程控制器内部元件计数器为加法计数器当计数器接通后从设定值一直减到零时计数器线圈有电相应触点动作188 检查直流电源输出端为系统提供的5V6V40V120V等电源电压有无通地和开路现象189 数控机床的几何精度包括检验工作台的垂直度190 机床的切削精度不仅反映了机床的几何精度和定位精度同时还包括了试件的材料环境温度刀具性能以及切削条件等各种因素造成的误差191 轴端键槽应画出剖视图因为各轴段的尺寸用标注即可表达清楚所以其他视图必须画剖视图192 N型硅材料稳压管二极管用2CW表示193 轴主要指圆柱形的外表面也包括其他外表面中由单一尺寸确定的部分如键槽等194 锡的熔点比铅高195 在数字电路中门电路是用得最多的器件它可以组成计数器分频器寄存器移位寄存器等多种电路196 移位寄存器每当时钟的后沿到达时输入数码移入C0同时每个触发器的状态也移给了下一个触发器197 地址总线用以传送存储器和IO设备的地址198 所谓应用软件就是用来使用和管理计算机本身的程序它包括操作系统诊断系统开发系统和信息处理等199 设备已老化腐蚀严重的管路线路床身线路进行大修更新敷设200 按图纸要求在管内重新穿线并进行绝缘检测管内允许有接头进行整机电气接线一单项选择第1题~第160题选择一个正确的答案将相应的字母填入题内的括号中每题05分满分80分1 B2 D3 D4 C5 B6 B7 B 8。
最新修理电工(技师和高级技师)职业技能鉴定理论知识和操作技能试卷的结构附录A一, 理论知识试卷的结构国家题库理论知识试卷,按鉴定考核用卷是否为标准化试卷划分为标准化试卷和非标准化试卷。
修理电工(技师和高级技师)知识试卷采纳标准化试卷;非标准化试卷有三种组成形式。
其具体的题型比例, 题量和配分方案分别参见表A-1~表A-2。
修理电工理论知识试卷结构表二, 操作技能试卷的结构操作技能试卷的结构见表A-2修理电工操作技能考核内容层次结构表。
表A-2修理电工操作技能考核内容层次结构表国家题库操作技能试卷采纳由“打算通知单”, “试卷正文”和“评分记录表”三部分组成的基本结构,分别供考场, 考生和考评员运用。
(1)打算通知单 包括材料打算,设备打算,工具,量具, 刃具, 卡具打算等考场打算(标准, 名称, 规格, 数量)要求。
(2)试卷正文 包含须要说明的问题和要求, 试题内容, 总时间及各个试题的时间安排要求,考评人数,评分规则及评分方法等。
(3)评分记录表 包含具体的评分标准和评分记录表。
附录B 理论知识模拟试卷一, 试卷说明(1)本试卷以《国家职业职业标准》(修理电工)为命题依据。
(2)本试卷考核内容无地域限制。
(3)本试卷只适用于本等级鉴定。
(3)本试卷命题遵循学以致用的原则。
二, 模拟试卷正文最新职业技能鉴定国家题库修理电工技师理论知识试卷(1)注 意 事项1, 考试时间:120min 。
2, 请首先按要求在试卷的标封处填写您的姓名, 准考证号和所在单位的名称。
3, 请细致阅读各种题目的回答要求,在规定的位置填写您的答案。
一, 填空题 (第1~20题。
请将正确答案填入题内空白处。
每题1分,共20分。
)1.劳动的双重含义确定了从业人员全新的劳动看法和职业道德观。
2.职业道德的内容包括:_职业德意道识, 职业道德行为规范和职业守则等。
3.奉献社会是职业道德中的最高境界,同时也是做人的最高境界。
4.采纳YY/△接法的三相变极双速电动机变极调速时,调速前后电动机的输电出功率池基本不变。
维修电工(技师)模拟试题(附参考答案)一、单选题(共40题,每题1分,共40分)1、盘柜内电子元件回路、弱电回路采用锡焊连接时,在满足载流量和电压降及有足够机械强度的情况下,可采用不小于( )mm2 截面的绝缘导线。
A、1B、1.5C、0.75D、0.5正确答案:D2、计算机接口的抗干扰技术常使用( )和接地。
A、缩短导线长度B、屏蔽C、接零D、信号匹配正确答案:B3、数字式电压表测量的精度高,是因为仪表的( )。
A、能读取的有效数字多B、所用电源的稳定性好C、准确度高D、输人阻抗高正确答案:D4、凡制造、使用或储存炸药、火药、起爆药、火工品等大量爆炸物质的建筑物,因电火花而引起爆炸,会造成巨大破坏和人身伤亡者的建筑物均属第( )类防雷建筑物。
A、四B、一C、二D、三正确答案:B5、引言(Introduction):这是正文的开头部分。
简单扼要地介绍( )等。
A、研究课题的动机、价值B、研究课题的动机、价值,意义和对核心内容的总结C、研究课题的动机、价值,意义D、研究课题的动机、意义正确答案:C6、设备中选用并励电动机的是( )。
A、挖掘机B、城市电车C、金属切削机床D、起重机正确答案:C7、定时限过流保护的动作值是按躲过线路( )电流整定的。
A、最大负荷B、平均负荷C、末端短路D、空载正确答案:A8、PLC 的安装场所应满足( )条件。
A、高温B、结露C、通风D、灰尘正确答案:C9、采用( )调节的自动控制系统,工作时必须存在静差。
A、积分调节器B、比例积分微分调节器C、微分调节器D、比例调节器正确答案:D10、电力变压器并联运行是将满足条件的两台或多台电力变压器( )端子之间通过同一母线分别互相连接。
A、一次侧同极性B、一次侧和二次侧同极性C、一次侧和二次侧异极性D、二次侧同极性正确答案:B11、晶闸管导通后,本身的压降约为( )V 左右,称为通态平均电压。
A、3B、1C、0.7D、0.5正确答案:B12、630kVA 以下的变压器绕组的直流电阻的测试线间差别一般不大于三相平均值的( )。
职业技能鉴定国家题库维修电工高级技师理论知识试卷一、单项选择(第1题~第243题。
选择一个正确的答案,将相应的字母填入题内的括号中。
每题1分,满分243分。
) 1. 在自动调速系统中,电流正反馈主要补偿()上电压的损耗。
A、电枢回路电阻B、电源内阻C、电枢电阻D、电抗器电阻2. 低频正弦信号可以由()三种振荡器产生。
A、LC振荡器、差频振荡器、RC振荡器B、脉冲振荡器、差频振荡器、RC振荡器C、LC振荡器、多谐振荡器、RC振荡器D、脉冲振荡器、多谐振荡器、差频振荡器3. 自动控制是指在人不直接参与的情况下,利用()使被控对象自动地按照预定的规律运行或变化。
A、控制设备B、反馈环节C、比较环节D、执行环节4. 在两组晶闸管变流器反并联可逆调速系统中,当控制电压U c=0时,两组触发装置的控制角的零位αF0和βR0均整定为( ) 。
A、0°B、90°C、180°D、270°5. 三相交流换向器异步电动机的调速是通过改变()来实现的。
A、磁极对数B、电源频率C、电刷位置D、电源电压6. 研磨后的电刷与集电环或换向器的接触面应在()以上。
A、70%B、80%C、90%D、100%7. 以只读方式打开的Excel文件,做了某些修改后,要保存时,应使用“文件”菜单中的()命令。
A、保存B、全部保存C、另存为D、关闭8. 机床电路中,主要有失压、过载、短路、联锁、()保护等。
A、限位B、信号C、欠压D、过流9. 直流测速发电机输出端负载阻抗的大小会直接影响其在自动控制系统中的精度。
从理论上讲,直流测速发电机随输出端接入负载阻抗的增大,其测量精度将()。
A、降低B、提高C、先提高,后降低D、无关10. 转速电流双闭环调速系统启动时,转速调节器处于()。
A、调节状态B、饱和状态C、截止状态D、放大状态11. 高压断路器发生跳闸失灵的故障原因从电气方面分析,可能是()。
A、分闸连扳位置过低,合闸线圈烧毁B、操作电源电压过低,分闸回路断路,跳闸线圈烧毁C、分闸铁心的冲力不足D、分闸铁心行程太小,分闸铁心顶杆卡住12. 与磁介质无关的物理量是()。
维修电工(技师)考试模拟题与参考答案一、单选题(共40题,每题1分,共40分)1、可编程控制器的输入、输出,辅助继电器,计时、计数的触点是( )无限地重复使用。
A、有限的,能B、无限的,能C、有限的,不能D、无限的,不能正确答案:B2、消防用电设备的两个电源或两路供电线路应在( )切换。
A、线路中间B、末端C、始端D、以上三项都对正确答案:B3、变频器在( )情况下,不选用输出电抗器。
A、电动机过热B、由过电流造成保护电路误动作C、变频器进入限流动作,以致于得不到足够大的转矩D、转矩效率正常时正确答案:D4、无功计算负荷 Kvar 公式中,为设备铭牌给定功率因数角用电设备组或用电单位功率因数角的( )。
A、余切值B、余弦值C、正弦值D、正切值正确答案:D5、避雷器试验周期一般为( )。
每年雷雨季前A、2 年B、3 年C、5 年正确答案:A6、某功率均分 UPS 双机系统已运行五年,近期检查发现其中一台机的母排出现拉弧痕迹,其最可能的原因是( )。
A、输出三相不平衡B、负载太小C、交流电电压过高D、直流电容老化正确答案:D7、热电偶是测量( )时常用的传感器。
A、湿度B、温度C、流量D、电阻正确答案:B8、为防止切换时间造成瞬间供电中断并产生继电器触点拉弧灯大火等现象,在大功率 UPS供电系统及切换过程中,采用( )作为切换元件。
A、整流模块B、旁路装置C、静态开关D、逆变器正确答案:C9、对于全控整流大电感负载电路,采用( )的触发电路,可使输出直流平均电压与控制电压呈线性关系。
A、同步信号为正弦波B、同步信号为锯齿波C、集成触发器D、均不对正确答案:A10、高压电动机当容量超过 2000kw 时,应装设( )。
A、过负荷保护B、短路保护C、差动保护D、速断保护正确答案:C11、单结晶体管触发电路输出的脉冲宽度主要决定于( )。
A、电源电压的高低B、电容的放电时间常数C、电容的充电时间常数D、单结晶体管的特性正确答案:B12、数字信号受到干扰产生毛刺,可以根据毛刺幅度的大小选择合适的( )滤波的方法。
试卷编号:004职业技能鉴定国家题库维修电工初级理论知识试卷注 意 事 项1、考试时间:60分钟。
2、本试卷依据2001年颁布的《维修电工 国家职业标准》命制。
3、请首先按要求在试卷的标封处填写您的姓名、准考证号和所在单位的名称。
4、请仔细阅读各种题目的回答要求,在规定的位置填写您的答案。
5、不要在试卷上乱写乱画,不要在标封区填写无关的内容。
一、单项选择(第1题~第80题。
选择一个正确的答案,将相应的字母填入题内的括号中。
每题1分,满分80分。
)1. 在企业的经营活动中,下列选项中的( )不是职业道德功能的表现。
A 、激励作用B 、决策能力C 、规范行为D 、遵纪守法 2. 为了促进企业的规范化发展,需要发挥企业文化的( )功能。
A 、娱乐B 、主导C 、决策D 、自律 3. 下列关于诚实守信的认识和判断中,正确的选项是( )。
A 、一贯地诚实守信是不明智的行为B 、诚实守信是维持市场经济秩序的基本法则C 、是否诚实守信要视具体对象而定D 、追求利益最大化原则高于诚实守信4. 部分电路欧姆定律反映了在( )的一段电路中,电流与这段电路两端的电压及电阻的关系。
A 、含电源B 、不含电源C 、含电源和负载D 、不含电源和负载 5. 串联电路中流过每个电阻的电流都( )。
A 、电流之和B 、相等C 、等于各电阻流过的电流之和D 、分配的电流与各电阻值成正比 6. 用右手握住通电导体,让拇指指向电流方向,则弯曲四指的指向就是( )。
A 、磁感应B 、磁力线C 、磁通D 、磁场方向7. 当直导体和磁场垂直时,与直导体在磁场中的有效长度、所在位置的磁感应强度成( )。
A 、相等B 、相反C 、正比D 、反比 8. 相线与相线间的电压称线电压。
它们的相位( )。
A 、45°B 、90°C 、120°D 、180° 9. 当ωt=360°时,i1、i2、i3分别为( )。
维修电工(技师)模拟题与参考答案一、单选题(共40题,每题1分,共40分)1、在调速系统中,当电流负反馈参与系统调节作用时,说明调速系统主电路电流( )。
A、为零B、过小C、正常D、过大正确答案:D2、MTBP 是指( )。
A、平均维修时间B、手动维修旁路C、脉宽调制D、平均无故障时间正确答案:D3、脉冲输出指令的操作码为( )。
A、PLUSB、PLSC、ATCHD、DTCH正确答案:B4、增大电缆间距主要是为了减小( )。
A、接近效应B、肌肤效应C、边缘效应D、邻近效应正确答案:D5、三菱 PLC 中 16 位的内部计数器,计数数值最大可设定为( )A、32768B、32767C、10000D、100000正确答案:B6、三角形连接的电动机,应选用( )的热继电器。
A、大电流B、两相结构C、小电流D、带断相保护装置正确答案:D7、脉冲宽度就是( )持续的时间。
常用来作为采样信号或者晶闸管等元件的触发信号。
A、低电平B、高电平C、一周期D、波形上升沿正确答案:B8、隔爆接合面的表面粗糙度不应大于( )。
A、粗糙度 6.3B、粗糙度 3.2C、粗糙度 4.2D、粗糙度 5.3正确答案:A9、热电阻是利用电阻与温度呈现一定函数关系的( )制成的感温元件。
A、绝缘体B、金属导体或半导体C、金属导体D、半导体正确答案:B10、( )变压器是一种输出电压随转子转角变化的信号元件。
当励磁绕组以一定频率的交流电压励磁时,输出绕组的电压幅值与转子转角成正弦、余弦函数关系,或保持某一比例关系,或在一定转角范围内与转角成线性关系。
它主要用于坐标变换、三角运算和角度数据传输,也可以作为两相移相器用在角度--数字转换装置中。
A、旋转B、输出C、电焊D、隔离正确答案:A11、变频器的信号线、输出线采用屏蔽电缆安装的原因是( )??A、防止高次谐波电流B、防止系统发生共振C、防止高次谐波电压D、防止干扰信号串入、抑制电流谐波正确答案:D12、在 TN-S 供电系统中,低压架空进户线的进线横担、绝缘子铁脚应进行( )。
精品文档考试教学资料施工组织设计方案维修电工技师题库 附答案(职业技能鉴定国家题库统一试卷)一、电工基础部分一)、判断题1. 线圈自感电动势的大小,正比于线圈中电流的变化率,与线圈中的电流的大小无关。
√2. 当电容器的容量和其两端的电压值一定时,若电源的频率越高,则电路的无功功率就越小。
X3. 在RLC 串联电路中,总电压的有效值总是大于各元件上的电压有效值。
√4. 当RLC 串联电路发生谐振时,电路中的电流将达到其最大值。
√5. 磁路欧姆定律适用于只有一种媒介质的磁路。
X6. 若对称三相电源的U 相电压为Uu=100sin(ωt+60) V ,相序为U -V -W ,则当电源作星形连接时线电压为Uuv=173.2sin(ωt+90)V 。
√7. 三相负载做三角形连接时,若测出三个相电流相等,则三个线电流也必然相等。
╳8..三相三线制星形连接对称负载,当有一相断路时,其它两相的有效值等于相电压的一半。
√9.在三相半波可控整流电路中,若出发脉冲在自然换相点之前加入,输出电压波形将变为缺相运行。
×10.提高功率因数是节约用电的主要措施之一 √ 。
11.为了提高电源的利用率,感性负载电路中应并联适当的 (电容),以提高功率因数。
√二)、选择题1.图1-31中安培表内阻极低,伏特表电压极高,电池内阻不计,如果伏特表被短接,则(C )A 、灯D 将被烧毁;B 、灯D 特别亮;C 、安培表被烧。
2.图1-31中如果安培表被短接,则(C )A 、电灯不亮;B 、电灯将被烧;C 、不发生任何事故。
3.如果图1-31电路中电灯灯丝被烧断,则(B )A 、安培表读数不变,伏特表读数为零;B 、伏特表读数不变,安培表读数为零;C 、安培表和伏特表的读数都不变。
4.如果图1-31电路中伏特表内部线圈烧断,则(D )A 、安培表烧毁;B 、电灯不亮;C 、电灯特别亮;D 、以上情况都不发生。
5.中性线的作用就在于使星形连接的不对称负载的(B )保持对称。
维修电工技师题库 附答案(职业技能鉴定国家题库统一试卷)一、电工基础部分一)、判断题1. 线圈自感电动势的大小,正比于线圈中电流的变化率,与线圈中的电流的大小无关。
√2. 当电容器的容量和其两端的电压值一定时,若电源的频率越高,则电路的无功功率就越小。
X3. 在RLC 串联电路中,总电压的有效值总是大于各元件上的电压有效值。
√4. 当RLC 串联电路发生谐振时,电路中的电流将达到其最大值。
√5. 磁路欧姆定律适用于只有一种媒介质的磁路。
X6. 若对称三相电源的U 相电压为Uu=100sin(ωt+60) V ,相序为U -V -W ,则当电源作星形连接时线电压为Uuv=173.2sin(ωt+90)V 。
√7. 三相负载做三角形连接时,若测出三个相电流相等,则三个线电流也必然相等。
╳8..三相三线制星形连接对称负载,当有一相断路时,其它两相的有效值等于相电压的一半。
√9.在三相半波可控整流电路中,若出发脉冲在自然换相点之前加入,输出电压波形将变为缺相运行。
×10.提高功率因数是节约用电的主要措施之一 √ 。
11.为了提高电源的利用率,感性负载电路中应并联适当的 (电容),以提高功率因数。
√二)、选择题1.图1-31中安培表内阻极低,伏特表电压极高,电池内阻不计,如果伏特表被短接,则(C )A 、灯D 将被烧毁;B 、灯D 特别亮;C 、安培表被烧。
2.图1-31中如果安培表被短接,则(C )A 、电灯不亮;B 、电灯将被烧;C 、不发生任何事故。
3.如果图1-31电路中电灯灯丝被烧断,则(B )A 、安培表读数不变,伏特表读数为零;B 、伏特表读数不变,安培表读数为零;C 、安培表和伏特表的读数都不变。
4.如果图1-31电路中伏特表内部线圈烧断,则(D )A 、安培表烧毁;B 、电灯不亮;C 、电灯特别亮;D 、以上情况都不发生。
5.中性线的作用就在于使星形连接的不对称负载的(B )保持对称。
最新维修电工(技师和高级技师)职业技能鉴定理论知识和操作技能试卷的结构附录A一、理论知识试卷的结构国家题库理论知识试卷,按鉴定考核用卷是否为标准化试卷划分为标准化试卷和非标准化试卷。
维修电工(技师和高级技师)知识试卷采用标准化试卷;非标准化试卷有三种组成形式。
其具体的题型比例、题量和配分方案分别参见表A-1~表A-2。
维修电工理论知识试卷结构表操作技能试卷的结构见表A-2维修电工操作技能考核内容层次结构表。
国家题库操作技能试卷采用由“准备通知单”、“试卷正文”和“评分记录表”三部分组成的基本结构,分别供考场、考生和考评员使用。
(1)准备通知单包括材料准备,设备准备,工具,量具、刃具、卡具准备等考场准备(标准、名称、规格、数量)要求。
(2)试卷正文包含需要说明的问题和要求、试题内容、总时间与各个试题的时间分配要求,考评人数,评分规则与评分方法等。
(3)评分记录表包含具体的评分标准和评分记录表。
附录B 理论知识模拟试卷一、试卷说明(1)本试卷以《国家职业职业标准》(维修电工)为命题依据。
(2)本试卷考核内容无地域限制。
(3)本试卷只适用于本等级鉴定。
(3)本试卷命题遵循学以致用的原则。
二、模拟试卷正文最新职业技能鉴定国家题库维修电工技师理论知识试卷(1)注意事项1、考试时间:120min。
2、请首先按要求在试卷的标封处填写您的姓名、准考证号和所在单位的名称。
3、请仔细阅读各种题目的回答要求,在规定的位置填写您的答案。
4、不要在试卷上乱写乱画,不要在标封区填写无关的内容。
一、填空题 (第1~20题。
请将正确答案填入题内空白处。
每题1分,共20分。
)1.劳动的双重含义决定了从业人员全新的劳动态度和___________。
2.职业道德的内容包括:___________、职业道德行为规范和职业守则等。
3.___________是职业道德中的最高境界,同时也是做人的最高境界。
4.采用YY/△接法的三相变极双速电动机变极调速时,调速前后电动机的________基本不变。
职业技能鉴定国家题库维修电工技师理论知识试卷(1)注意事项1、考试时间:120min。
2、请首先按要求在试卷的标封处填写您的姓名、准考证号和所在单位的名称。
3、请仔细阅读各种题目的回答要求,在规定的位置填写您的答案。
4、不要在试卷上乱写乱画,不要在标封区填写无关的内容。
一、填空题(第1~20题。
请将正确答案填入题内空白处。
每题1分,共20分。
)1.劳动的双重含义决定了从业人员全新的劳动态度和___________。
2.职业道德的内容包括:___________、职业道德行为规范和职业守则等。
3.___________是职业道德中的最高境界,同时也是做人的最高境界。
4.采用YY/△接法的三相变极双速电动机变极调速时,调速前后电动机的________基本不变。
5.使用直流双臂电桥测量电阻时,动作要迅速,以免________。
6.熔断器的选用首先应确定___________,再根据被保护电路的性质选择熔断器的类型。
7.变频器的逆变器是利用功率器件,有规律地控制逆变器中主开关的通断,从而得到________频率的三相交流电输出。
8.在齿轮传动中,________稳定往往是对传动的一个基本要求。
9.测绘电气主线路图时,首先应从________向下查。
10.不可控电力电子器件,它具有整流的作用而无________的功能。
11.半可控器件通常为三端器件,它能在控制信号的作用下导通,但不能________。
12.晶闸管中频感应加热电源,随着科学技术的发展必将被________感应加热电源所取代。
13.新型的高性能高压变频调速装置的主电路的开关器件使用________,实现PWM 技术更方便。
14.机电一体化是多学科领域综合交叉的________系统工程。
15.电气设计基本完成后,应反复,并进一步完善设计的电气控制电路。
16. ISO9000族标准包括质量术语标准、质量技术标准及________系列标准。
17.制定ISO14000系列标准的直接原因是环境的________。
18.维修电工班组主要是为生产服务的,活动课题一般都需要围绕提高________、保证设备正常运转而提出。
19.提高劳动生产率;必须设法缩短所占比例大的那些因素,降低________,使劳动生产率有明显地提高。
20.精益是适用于现代制造企业的组织管理方法,以“人”为中心,以“简化”为手段,以________为最终目标,增强企业适应时市场的应变能力。
二、选择题(第21~30题。
请选择一个正确答案,将相应字母填入括号内。
每题2分,共20分)21.职业道德是从事某种职业的工作或劳动过程中所应遵守的与其职业活动紧密联系的()和原则的总和。
(A)思想体系(B)道德规范(C)行为规范(D)精神文明22. 集成稳压器按工作方式可分为线性串联型和()串联型。
(A)非线性(B)开关(C)连续(D)断续23.临时线应有严格的审批制度,临时线最长使用期限是()天,使用完毕后应立即拆除。
(A)7 (B)10 (C) 15 (D)3024.JT-1型晶体管图示仪输出集电极电压的峰值是()V。
(A)100 (B)200 (C)500 (D)100025.识读J50数控系统电气图的第二步是()。
(A)分析数控装置(B)分析测量反馈装置(C)分析伺服系统装置(D)分析输入/输出设备26.识读完J50数控系统电气原理图以后,还要进行()。
(A)分析连锁(B)总体检查(C)记录(D)总结27.电气设备标牌上英文词汇“asynchronous motor”的中文意思是()。
(A)力矩电动机(B)异步电动机(C)同步电动机(D)同步发电机28.PLC的一个工作周期内的工作过程分为输入处理、()输出处理三个阶段。
(A)程序编排(B)采样(C)程序处理(D)反馈29.运算放大器是一种标准化的电路,基本是由高输入阻抗差分放大器、高增益电压放大器和()放大器组成。
(A)低阻抗输出(B)高阻抗输出(C)多级(D)功率30.理论培训讲义的内容应(),并有条理性和系统性。
(A)由浅入深(B)简明扼要(C)面面俱到(D)具有较深的内容三、判断题(第31~40题。
请将判断结果填入括号中,正确的填“√”错误的填“×”。
每题1分,共10分。
) ()31.电动机工业上用得最普遍的硬磁材料是铝镍钴合金。
()32.电磁噪声污染是构成环境污染的一个重要方面。
()33.漏电保护作为防止低压触电伤亡事故的前置保护,广泛应用在低压配电系统中。
()34.按钮的触头允许通过的电流较小,一般不超过2A。
()35.国产集成电路系列和品种的型号由五部分组成,第一部分的符号C表示符合国家标准。
()36.IGBT驱动电路大多采用集成式电路。
()37.电子器件组成的缓冲电路是为避免器件过电流和在器件上产生过电压以及为了避免电压、电流的峰值区同时出现而设置的电路。
()38.指导操作的目的是为了显示操作者的技术水平,使学员的能力得以提高。
()39.示范操作法是富有直观性的教学形式。
()40.计算机集成制造系统着重解决产品设计和经营管理中的系统信息集成,缩短了产品开发设计和制造周期。
四、简答题(第41~44题。
每题5分,共20分。
)41.常见的一般机械设备电气图有哪些?42.变频器的配线安装注意事项有哪些?43.一般机械设备电气大修工艺应包括的内容?44.电路设计的内容包括哪几个方面?五、论述题(第45~46题。
每题15分,共30分。
)45.试述数控机床日常电气维修项目的内容?46.试述龙门刨床V5系统常见电气故障的分析方法?维修电工技师理论知识试卷(1)答案及评分标准一、填空题评分标准:每题答对给1分;答错或漏答不给分,也不倒扣分。
1.职业道德观2.职业道德意识3.奉献社会4.输出功率电池5.电池耗电量过大6.熔体的额定电流7.任意频率8.传动比9.电源引下端10.可控11.被控关断12.IGBT13.IGBT14.技术密集性15.全面地检查16.ISO900017.日益恶化18.产品质量19.劳动消耗20.尽善尽美二、选择题评分标准:每题答对给1分;答错或漏答不给分,也不倒扣分。
21.22.23.24.25.26.27.28.29.30.D B A B C B B C A A三、判断题评分标准:每题答对给1分;答错或漏答不给分,也不倒扣分。
31.32.33.34.35.36.37.38.39.40.√√××√√√×√√四、简答题评分标准:每题5分,共20分。
41.答:常见的一般机械设备电气图有:电气原理图、安装接线图、平面布置图和剖面图。
维修电工以电气原理图、安装接线图和平面布置图最为重要。
(1)电气原理图电气原理图简称为电路图。
它能充分表达电气设备和电气元件的用途、作用和工作原理,是电气线路安装、调试和维修的理论依据。
(2)电气安装接线图电气安装接线图是根据电气设备和电器元件的实际位置和安装情况绘制的,只用来表示电气设备和电器元件的位置、配线方式和接线方式,而不明显表示电气动作原理。
(3)平面布置图平面布置图是根据电器元件在控制板上实际安装位置,采用简化的外形符号而绘制的一种简图。
它不表示各电器元件的结构、接线情况以及工作原理,主要用于电器元件的布置和安装。
42.答:变频器配线安装注意事项如下:(1)在电源和变频器之间,通常要接入低压断路器与接触器,以便在发生故障时能迅速切断电源,同时便于安装修理;(2)变频器与电动机之间一般不允许接入接触器;(3)由于变频器具有电子热保护功能,一般情况下可以不接热继电器;(4)变频器输出侧不允许接电容器,也不允许接电容式单相电动机。
43.答:一般机械设备电气大修工艺应包括的内容如下:(1)整机及部件的拆卸程序及拆卸过程中应检测的数据和注意事项;(2)主要电气设备、电器元件的检查、修理工艺以及达到的质量标准;(3)电气装置的安装程序及应达到的技术要求;(4)系统的调试工艺和应达到的性能指标;(5)需要的仪器、仪表和专用工具应另行注明;(6)试车程序及需要特别说明的事项;(7)施工中的安全措施。
44.答:电路设计的内容包括以下几个方面:(1)确定控制电路的电流种类和电压数值。
(2)主电路设计主要是电动机的启动、正反运转、制动、变速等控制方式及其保护环节的电路设计。
(3)辅助电路设计主要有控制电路、执行电路、连锁保护环节、信号显示及安全照明等环节的设计。
1)控制电路控制电路的设计主要是实现主电路控制方式的要求,满足生产加工工艺的自动/半自动及手动调整。
动作程序更换,检测或测试等控制要求。
2)执行电路执行电路是用于控制执行元件的电路。
常见的执行元件有电磁铁、电磁离合器、电磁阀等,它们是针对将电磁能、气动压力能、液压能转换为机械能的电磁器件实施的控制电路。
3)连锁保护环节常见的连锁保护措施有短路保护、过载保护、过电流保护、零电压或欠电压保护、失(欠)磁保护、终端或超程保护、超速保护、油压保护等。
通常,连锁保护一般穿插在主电路、控制电路和执行电路中。
4)信号显示与照明电路信号电路是用于控制信号器件的电路。
常用的信号器件有信号指示灯,蜂鸣器、电铃、电喇叭及电警笛等。
五、论述题评分标准:共30分。
45.答:数控机床日常电气维修项目包含以下内容:(1)数控系统控制部分的检修日常检修的项目包括:1)检查各有关的电压值是否在规定的范围内,应按要求调整。
2)检查系统内各电气元件连接是否松动。
3)检查各功能模块的风扇运转是否正常,清除风扇及滤尘网的尘灰。
4)检查伺服放大器和主轴放大器使用的外接式再生放电单元的连接是否可靠,并清除灰尘。
5)检查各功能模块存储器的后备电池电压是否正常,一般应根据厂家要求进行定期更换。
(2)伺服电动机和主轴电动机的检查与保养对于伺服电动机和主轴电动机,应重点检查噪声和温升。
若噪声和温升过大,应查明是轴承等机械问题还是与其相配的放大器的参数设置问题,并采取相应的措施加以解决,还应该检查电动机的冷却风扇运转是否正常并清扫灰尘。
(3)测量反馈元件的检查和保养数控系统采用的测量元件包括编码器、光栅尺、感应同步器、磁尺、旋转变压器等,应根据使用环境定期进行检查和保养,检查检测元件连接是否松动,是否被油液或灰尘污染。
测量反馈元件的重新安装应严格按规定要求进行,否则可能造成新的故障。
(4)电气部分的维护保养电气部分包括电源输入电路、继电器、接触器、控制电路等,可按下列步骤进行检查:1)检查三相电源电压是否正常。
如果电压超出允许范围,则应采取措施。
2)检查所有电气元件连接是否良好。
3)借助数控系统CRT显示的诊断画面或输入/输出模块上的LED指示灯,检查各类开关是否有效,否则应更换。
4)检查各接触器、继电器工作是否正常,触点是否良好。