检测设备和计量器具维修记录表
- 格式:xlsx
- 大小:11.70 KB
- 文档页数:1
计量器具、检测设备使用管理规定目的:保证计量器具、检测设备有效准确运行适用范围:山东德克风机有限公司具体内容:1.使用部门建立计量器具、检测设备台帐并保证帐物一致。
2.使用人员应保护校准标识,无标识或标识不清的设备不得使用,应及时向质量部门反映。
3.使用者在使用计量器具、检测设备时,要检查设备是否完好,是否在设备有效期内,并确保设备的监测能力与所要求的能力一致,确保设备的使用环境符合相关文件的要求。
4.按使用说明书或操作规程的要求进行操作和调整,以防止校准失效。
5.在计量器具、检测设备的搬运、维护和贮存过程中,应严格遵守使用说明书或操作规程的要求,防止其损坏或失效。
6.计量器具、检测设备不得随意拆卸。
固定安装的监测设备,未经质量部计量器具管理员同意,不得擅自移动。
7.使用人应妥善保管好领用的计量器具、检测设备,使用后要进行适当的维护和保养,发现问题应及时向质量部门反映。
8.计量器具、检测设备在日常使用过程中发生故障,若操作者无力排除,使用部门应及时通知质量部,由质量部进行现场指导,或由供应商提供技术支持,同时由使用部门开具《维修检定申请单》。
9.检修后的计量器具、检测设备由质量部计量器具管理员视情况决定是否重新检定或校准,检修情况及结论记录在《维修检定申请单》上。
10.公司内部不能完成的维修,由质量部计量器具管理员负责委外维修,提出“委外维修申请”,报质量部部长批准。
委外维修后,由质量部组织验收并填写《维修检定申请单》,由使用部门对维修情况进行试车验收。
11.计量器具、检测设备偏离校准状态时的处理11.1使用中发现计量器具设、检测设备失准,应停止工作并及时报告质量部计量器具管理员。
11.2由质量部计量器具管理员组织使用部门确定失效的时间及影响范围,制订相应的措施:确保消除因失效而造成的不合格,如对被测产品隔离或标识、进行复检;已出厂的通过电话等方式对产品质量进行调查并记录,根据记录情况,确认是否追回产品等。
检验报告检品编号:检品名称:生产批次:生产日期:产品商标:产品包装:检验日期:检品数量:产品规格:报告日期:依据标准:SB/T 10379-2004 《速冻调制食品》检测依据:GB/T 5009.3~9-2003食品卫生检验方法理化部分(一)GB/T 4789.2.3-2008 食品卫生微生物学检验检验项目:感官、净含量、菌落总数、大肠菌群。
检验结果项目名称单位描述标准要求结果判定感官形态色泽组织香味杂质品温(中心温度)℃≤-18净含量g/袋菌落总数CFU/g ≤3000000本栏以下空白结论:检验人(签字):盖章签发人(签字):二〇〇年月日检验报告反应产品质量,与检验原始记录合并归当保存。
临沂市太合食品有限公司微生物检验原始记录样品编号第页/共页样品名称:检验前样品状态:□正常□异常仪器名称显微镜电热恒温培养箱仪器型号仪器编号检测依据:GB/T 4789.2-2008 食品卫生微生物学检验菌落总数测定GB/T 4789.3-2008 食品卫生微生物学检验大肠菌群计数检测程序:细菌菌落计数检测:取2~3个稀释度,做细菌菌落计数,36±1℃培养48h。
大肠菌群测定:取样品匀浆稀释液3个稀释度接种乳糖胆盐发酵管,做大肠菌群测定,初发酵36±1℃,24±2h,复发酵36±1℃,24±2h。
检测结果:1.细菌总数测定:取2~3个稀释度检验,36±1℃培养48h,做细菌菌落总数。
细菌总数稀释倍数10-110-210-310-4空白对照报告结果计数平皿1 细菌总数CFU/g 平皿22.大肠菌群计数:接种不同的样品稀释液于乳糖蛋白胨水培养基中,初发酵36±1℃经48±2h培养。
证实实验36±1℃经48±2h培养。
查检索表,报结果。
大肠菌群计数接种量(ml)接种管数初发酵结果分离染色结果复发酵结果报告结果+ —符合不符合+ —大肠菌群MPN/(100g)检验时间年月日时检毕时间年月日时检验人员:检验原始记录、检验报告合并装订归档。
检测设备行业计量器具校准方案第1章引言 (3)1.1 校准方案目的 (4)1.2 校准依据 (4)第2章校准范围与对象 (4)2.1 校准范围 (4)2.2 校准对象 (4)第3章校准方法与程序 (5)3.1 校准方法 (5)3.1.1 直接比较法 (5)3.1.2 间接比较法 (5)3.1.3 互换法 (5)3.1.4 自校准法 (5)3.2 校准程序 (5)3.2.1 校准前准备 (5)3.2.2 校准过程 (6)3.2.3 校准后处理 (6)3.3 校准周期 (6)3.3.1 固定校准周期 (6)3.3.2 动态校准周期 (6)3.3.3 紧急校准 (6)第4章校准设备与标准 (6)4.1 校准设备 (6)4.1.1 校准设备的选择 (6)4.1.2 校准设备的配置 (7)4.2 校准标准 (7)4.2.1 校准标准的制定 (7)4.2.2 校准标准的实施 (7)4.2.3 校准标准的追溯与传递 (7)第5章校准人员与职责 (7)5.1 校准人员资质 (7)5.1.1 校准人员应具备相应的专业技术背景和资质证书,以保证其具备进行设备校准工作的能力。
(7)5.1.2 校准人员需持有国家或地方计量管理部门颁发的计量员资格证书,且在有效期内。
(8)5.1.3 校准人员应定期参加专业技术培训,不断提升自身业务水平和技能。
(8)5.1.4 校准负责人应具备丰富的校准实践经验,具备高级工程师或相应职称。
(8)5.2 职责分配 (8)5.2.1 校准负责人 (8)5.2.2 校准人员 (8)5.2.3 质量管理人员 (8)5.2.4 设备使用人员 (8)第6章校准环境与设施 (9)6.1 校准环境要求 (9)6.1.1 温度与湿度 (9)6.1.2 空气清洁度 (9)6.1.3 噪音与振动 (9)6.2 校准设施配置 (9)6.2.1 校准设备 (9)6.2.2 环境监测设备 (9)6.2.3 防护设施 (10)6.2.4 安全设施 (10)第7章校准数据与记录 (10)7.1 校准数据收集 (10)7.1.1 校准数据收集前的准备 (10)7.1.2 校准数据收集方法 (10)7.1.3 校准数据收集要求 (10)7.2 校准记录填写 (10)7.2.1 校准记录表格设计 (10)7.2.2 校准记录填写要求 (11)7.3 校准数据分析与处理 (11)7.3.1 校准数据分析 (11)7.3.2 校准数据处理 (11)第8章校准结果与评价 (11)8.1 校准结果判定 (11)8.1.1 校准完成后,根据检测设备行业相关标准及计量技术规范,对校准数据进行整理、分析,以判定校准结果的合格性。
计量器具检测报告引言计量器具是用于测量和评定物理量的仪器或设备。
为确保计量结果的准确性和可靠性,需要进行计量器具的定期检测。
本报告旨在记录对一台计量器具的检测过程、结果和结论。
背景计量器具在工业生产、科学实验、贸易交易等领域中扮演着重要角色。
计量器具的准确度直接影响到生产质量和支付费用的准确性,因此对计量器具进行定期检测是必要的。
检测对象本次检测的对象为一台电子秤,用于测量物体的质量。
检测过程1. 外观检查首先对电子秤进行外观检查,包括检查是否有明显的损坏或污垢,是否有缺失的部件。
此外,还对附属设备如显示屏、电源线等进行检查,确保其完好无损。
2. 功能检测接下来进行对电子秤的功能进行检测。
此项检测包括以下几个方面: - 开机和关机功能:确保电子秤能够正常启动和关闭。
- 归零功能:测试电子秤在无负荷情况下是否能够自动回到零位。
- 称重功能:测试电子秤在不同负荷情况下的测量准确性和稳定性。
3. 校准比对校准比对是判断电子秤的准确性的关键步骤。
我们将使用一组已知质量的物体进行校准比对。
首先将电子秤置零,然后依次称量每个已知质量的物体,并记录电子秤显示的值。
4. 数据处理与分析对校准比对的结果进行数据处理和分析。
首先计算电子秤显示值与已知质量之间的差异,在确定这些差异是否在允许的误差范围内。
同时,还可以分析电子秤在不同负荷下的测量结果,以评估其准确性和稳定性。
检测结果通过对电子秤的外观检查、功能检测和校准比对,我们得到了以下检测结果: - 外观检查结果:电子秤整体完好无损,无明显损坏或污垢。
- 功能检测结果:电子秤的开机、关机、归零和称重功能均正常。
- 校准比对结果:电子秤的显示值与已知质量的差异在允许的误差范围内,符合准确性要求。
结论根据以上检测结果,可以得出以下结论: - 电子秤经过本次检测,其外观完好,功能正常。
- 电子秤的准确性符合要求,可以继续使用于质量测量工作中。
总结本文对一台电子秤进行了计量器具检测,并对检测过程、结果和结论进行了详细描述。
计量器具及检测设备使用管理制度一、目的和依据为了加强对计量器具及检测设备的使用管理,确保测量结果的准确性和可靠性,提高工作质量和效率,制定此管理制度。
二、适用范围适用于公司内所有计量器具及检测设备的使用和管理。
三、管理原则1.科学性原则:以科学的方法选择、使用和维护计量器具及检测设备。
2.准确性原则:保证计量器具及检测设备的准确性和可靠性。
3.及时性原则:及时对计量器具及检测设备进行检定、校正和维护。
四、管理要求1.计量器具及检测设备的选择根据工作需要,选择适合的计量器具及检测设备,并确保其符合国家法律法规和行业标准的要求。
2.计量器具及检测设备的购置3.计量器具及检测设备的登记4.计量器具及检测设备的保管和使用5.计量器具及检测设备的检定和校正6.计量器具及检测设备的维护和保养7.计量器具及检测设备的报废处理8.计量器具及检测设备的定期审查对计量器具及检测设备使用管理情况进行定期审查,发现问题及时整改,确保整个管理过程的规范性和有效性。
五、责任与处罚1.相关人员的责任相关人员包括计量器具和检测设备管理员、使用人员等,应严格按照本制度的要求进行管理和操作,如有违反,将承担相应的责任。
2.处罚措施对违反本制度的行为,视情节轻重,采取口头警告、书面警告、停用计量器具或检测设备等相应的处罚措施。
六、附则1.本制度由公司计量器具及检测设备管理部负责解释和修订。
2.本制度自发布之日起生效。
以上是计量器具及检测设备使用管理制度的主要内容,该制度旨在规范计量器具及检测设备的使用和管理,确保测量结果的准确性和可靠性,不仅有助于提高工作质量和效率,同时也符合法律法规的要求。
公司应根据实际情况进行适当调整和补充,并严格执行该制度,从而提升公司整体管理水平和信誉度。
XXX机动车综合检测服务有限公司文件编号:JA-JLBG-2019技术文件计划、记录及表格版次:第B版页次:编制:日期:审核:日期:批准:日期:受控印章:管理部门:2019年4月20日发布2019年5月1日实施XXX机动车综合检测服务有限公司各部门:XX机动车综合检测服务有限公司(以下简称本公司)依据《检验检测机构资质认定评审准则》要求,编写《计划、记录及表格》第B版。
本公司的管理体系文件由《质量手册》、《程序文件》、《作业指导书》、《计划、记录及表格》等四个层次的文件构成。
《质量手册》是纲领性文件,《程序文件》和《作业指导书》是支持性文件,《计划、记录及表格》是证实性文件。
为规范实本公司的检测程序和行为,进一步检测水平,保证检测试验结果的真实性和准确性,客观反映公司检测质量,促进检测行业健康稳定发展,公司依据RB/T214-2017、RB/T218-2017、《质量手册》、《程序文件》、《作业指导书》等组织编制了《计划、记录及表格》第B版。
《计划、记录及表格》第B版现已通过审定,予以批准颁布,并自2019年 5月1日起正式实施。
本公司全体员工务必认真学习'并严格贯彻执行,始终保持质量体系运行有效,确保检测工作的公正性和科学性,如发现问题,请及时反馈,以利于进一步修改完善。
在执行过程中发现内容需要修改或补充时,授权综合办公室为本《计划、记录及表格》第B版的管理部门。
XX机动车综合检测服务公司总经理/法人代表:XXX 二O—九年四月二十日检验公正性检查记录表保密工作承诺书身份证号:,于年月日加入公司工作,现任职务。
为保障公司的利益不受损失,以及为保证本人的职业道德和行为操守,现郑重作出如下承诺:1、本人在任职期间,必定尽忠职守,自觉遵守公司的有关规定。
2、本人承诺拒绝一切商业贿赂。
3、本人承诺在任职期间,对在检验检测活动中所知悉的国家祕密、商业祕密和技术秘密进行保密4、本人承诺诚信守法开展检验检测,绝不在没有实施检验检测或没有完成全过程检验检测的情况下出具数据和结果;5、本人承诺不同时在两个及以上检验检测机构从业。
检量器具(测量设备)校验规程1目的为了规范计量器具校验方法和周期,确保计量器具都在良好的状态下工作,特制订本规程。
2适用范围厂内所有计量器具的校验。
3职责和权限3.1设备部电气分部负责所有计量器具的校验。
3.2计量器具使用部门负责计量器具的日常维护和点检,并配合设备部电气分部进行计量器具的校验。
4工作程序4.1指针式显示表校验4. 1.1校验条件1)信号发生器2)毫安表3)环境条件:现场检定4. 1.2校验项目及方法D外观检查指针是否弯曲,外壳无破损2)零点校验:首先把毫安表按正确的方法串入被校仪表与信号发生器的接线中,毫安表的负极连接被校仪表的正极,正极连接信号发生器的正极,调整信号发生器的输出,到毫安表的指示为4mA,被校仪表的指针应停留在起始位置,其误差不能超过允许误差3)量程校验:再将信号发生器调至毫安表显示为20mA,被校仪表的指针应指在上限位置,误差不能超过允许误差4)零点和量程上限校验完后分别将信号发生器调到4mA、8mA、12mA、16mA、20mA,把被校仪表全量程五等分进行校验,被校表所指示的数值分别对应量程的0%、25%、50%.75%、100%,各点的误差不能超过允许误差,其允许误差计算公式:允许误差W±(上限一下限)X精度%4. 1.3校验要求和周期1)计算后合格的仪表贴上合格证,对于不合格的仪表可按4.1.2步骤重做一次,如果还是不合格,作报废处理2)校验周期:一年3)此方法适用于接受标准直流信号的转速表、液位表、电压表、电流表。
4.2游标卡尺校验4.2.1本方法适用于新制造、使用中和修理后的分度值O.02mm、0.05mm、0.10mm,测量上限至IOOOmm的游标卡尺的检定。
4.2.2检定用的主要工具和检定条件D卡尺专用量块(5等)2)刀口尺(0级)3)杠杆千分尺4)检定游标卡尺的室内温度对0.02级为20÷3度,对0.05级和0.10级为20±5度,检定前被检卡尺(量块)置室内平衡温度时间对测量上限W300mm最少为2小时,对于测量上限>30Omnl的最少为3小时。
二十二、检验设备、计量器具管理制度一、目的确保检验设备、计量器具的精准,防止因检验设备、计量器具的误差,而产生不良品,并延长检验设备、计量器具的使用寿命。
二、范围凡本公司所使用的检验设备、计量器具。
三、职责品质部门:检验设备、计量器具的编号、记录、校正及管理.相关部门:自己部门的检验设备、计量器具的使用、维护。
四、定义内校:运用可追溯国家标准之标准件,校验公司内之检验设备、计量器具。
外校:凡本公司无法校验的检验设备、计量器具,有国家认可之校验单位校验。
五、实施要点(一)所有检验设备、计量器具均需建卡或台帐,并指定专人负责保管、使用、维护保养及校正。
(二)生产和检验用的检验设备、计量器具须由专人负责校验并按国家相关规定送计量部门检定,经检验合格后方能使用,检定后的检验设备、计量器具应贴上合格证并规定使用期限。
(三)为使员工确实了解正确的使用方法,以及维护保养与校正工作的实施,凡有关人员均需参加讲习,由品质部门负责排定课程讲授,如新进人员未参加讲习前就须使用检验仪器量规时,则由各该单位派人先行讲解。
(四)检验仪器量规应放置于适宜的环境(要避免阳光直接照射,适宜的温度),且使用人员应依正确的使用方法实施检验,于使用后,如其有附件者应归复原位,以及尽量将量规存放于适当盒内。
(五)有关维护保养方面1.由使用人负责实施.2.在使用前后应保持清洁且切忌碰撞。
3.维护保养周期实施定期维护保养并作记录。
4.检验仪器量规如发生功能失效或损坏等异常现象时,应立即送请专门技术人员修复。
5.久不使用的电子仪器,宜定期插电开动。
6.一切维护保养工作以本公司现有人员实施为原则,若限于技术上或特殊方法而无法自行实施时,则委托设备完善的其他机构协助,但须要提供维护保养证明书,或相当的凭证。
(六)有关校正方面1.由品质部门负责实施,并作记录,但在使用前后或使用中必须校正者,则由使用人随时实施。
2.定期校正:依校正周期,排定日程实施。
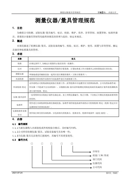
测量仪器/量具管理规范1. 目的为确保公司检测、试验仪器/量具编号、标识、校验、维护、保养、异常管制、闲置管制、标准件器具、重要的计量器具管制等均能得到规范的管理与监控,制定本规范。
2. 概述本规范描述了检测仪器/量具、试验设备的编号、校验、标识、维护、使用、闲置与异常管制、搬运及储存和标准器具的管理。
3. 术语4. 内容4.1编号规则4.1.1当新仪器购入内部验收或外校校验合格后,及时编号归档;4.1.2公司所有检测仪器/量具、试验设备编号具有唯一性;4.1.3当仪器/量具无法使用已报废时,其编号不再重复使用。
4.2编号方式序列号组别/工种/性质部门代码仪器代码公司代码4.3编号说明4.3.1第一位字符表示公司代码,用英文QQ代替;4.3.2第二位字符表示仪器代码,用英文YQ 代替;4.3.3第三位字符表示部门代码,用英文编写代替。
各部门相对应的代码,QA表示品质部、ZS表示注塑部、GM表示工模部、YF表示研发部、PT表示涂装部、ZP表示装配部、SB表示设备部、CK表示仓库、SJ表示生技部、XZ表示行政部;4.3.4第四位字符区分检测仪器放置位置或操作员工种代码,用英文编写代替,如:QAMC表示检测中心、QAQE表示CQE、QAIQC表示IQC、QAZS表示注塑QC、QAPT表示喷涂QC、QAZZ表示组装QC、HWQA 表示华为专案品质、QAMM表示试模QC,此项只针对品质部,其他部门省略;4.3.5第五位字符表示仪器先后购入顺序号,用数字代替,从001、002、003、----100开始往下编号。
4.4仪器/量具的校验4.4.1内校:本公司有可追溯的标准件或更精密的量具,且由具有校验资格的仪校员依规范校验程序进行内部校验作业,校验以书面方式发出;内校记录于内校报告中;4.4.2外校:须选定国家法定的计量检定所对外校的仪器进行外校,外校报告及检验标识需妥善保管;4.4.3品质部制订校验计划;4.4.4外校仪器/量具由外校机构提供校验报告;内校之报告记录于《仪器/量具内校报告》上;4.4.5校验频率一般分为;次/年、次/半年、次/三月三种;4.4.6当仪器/量具在使用过程中发现异常时,随时送仪校室校验。
好好学习社区计量器具管理规范 责任部门:品管部目 的确保本公司计量检测设备满足产品的检测精度要求适用范围 适用用于产品计量检测设备的检验控制流 程 表責任部門工 作 内 容工作标准记录表格备注NOYES1采购 1 需要计量器具的部门,填写《申购单》,交品管主管审核后,交总经理批准。
采购员根据批准后的《申购单》要求负责计量检测设备的采购和验收。
采购必须符合申请的规格、型号。
实际需要 《申购单》2品管部 2 所有检测设备由品管部进行归口管理,编号、记录名称、规格型号、精度、生产厂家、校准日期、周期等,登记在《检测设备一览表》中,对不符合采购申请规格、精度要求的计量器具不予接受,采购应重新换货。
《申购单》《检测设备一览表》《计量校验计划》3 品管部 3 对需校验才能使用的仪器,校验后才能使用。
校验分为外校和内校。
① 需外校时,负责送有资质的计量单位校准。
并取得校验合格报告,作为准用的依据,出厂合格证不能代替合格的校验报告 ② 内校设备由具有内校资格的人员按照计量周期进行。
内校必须要追踪到合格的标准样,作为内校的标准,建立《检测设备履历表》,记录计量器具的校验维修状况。
校验合格要贴上准用的标识。
内校指导书《内校记录表》 《检测设备履历表》 内校人员资格证书4 品管部4 校准合格贴上绿色“合格”标签,不合格贴上黄色“限制使用”标签或红色“停止使用”标签。
将校验信息记录在《检测设备履历表》中,计量仪器应保管在符合要求的环境中,环境因素包括:温度、湿度、振动、磁场、辐射、空气洁净等。
5 使用部门 5 使用部门根据需要,填写领用单,品管部根据需要发放检测仪器,并记录领用信息。
使用部门明确使用人,对检测仪器负责保管,维护,当发现仪器不准时,及时交回品管部处理,部门不能私自处理。
《领料单》 检测设备发放记录表采购校 验 领用验标 识注:品管部于每年年初编制本年度的《计量校验计划》,根据计划在设备校验有效期内统一进行校验。
检验设备、计量器具管理制度(实用版)编制人:__________________审核人:__________________审批人:__________________编制单位:__________________编制时间:____年____月____日序言下载提示:该文档是本店铺精心编制而成的,希望大家下载后,能够帮助大家解决实际问题。
文档下载后可定制修改,请根据实际需要进行调整和使用,谢谢!并且,本店铺为大家提供各种类型的实用资料,如管理制度、企业管理、岗位职责、心得体会、工作总结、工作计划、演讲稿、合同范本、作文大全、其他资料等等,想了解不同资料格式和写法,敬请关注!Download tips: This document is carefully compiled by this editor.I hope that after you download it, it can help you solve practical problems. The document can be customized and modified after downloading, please adjust and use it according to actual needs, thank you!And, this store provides various types of practical materials for everyone, such as management systems, enterprise management, job responsibilities, experiences, work summaries, work plans, speech drafts, contract templates, essay compilations, and other materials. If you want to learn about different data formats and writing methods, please pay attention!检验设备、计量器具管理制度第1篇检验设备、计量器具管理制度第一条目的确保检验设备、计量器具的精准,防止因检验设备、计量器具的误差,而产生不良品,并延长检验设备、计量器具的使用寿命。