四位超前进位加法器原理
- 格式:doc
- 大小:1.13 MB
- 文档页数:8
超前进位加法器的设计原理概述及解释说明1. 引言1.1 概述超前进位加法器是一种用于在数字电路中进行二进制数的加法运算的特殊电路。
相较于传统的二进制加法器,超前进位加法器通过预先计算进位,从而实现更快速的运算。
本文旨在对超前进位加法器的设计原理进行概述和解释说明。
1.2 文章结构本文分为五个主要部分,分别是引言、超前进位加法器的设计原理、实现步骤和流程、优势与应用范围以及结论。
首先介绍引言部分,接下来详细解释超前进位加法器的设计原理,然后说明实现步骤和流程。
之后介绍该加法器的优势及其应用范围,并最后得出结论。
1.3 目的本文旨在向读者阐明超前进位加法器的设计原理并提供相关解释说明。
对于数字电路领域的研究者和工程师而言,了解超前进位加法器背后的原理可以帮助他们更好地应用这一技术,并且展示其在优势与应用范围方面所具备的潜力。
2. 超前进位加法器的设计原理2.1 超前进位加法器的定义和背景超前进位加法器是一种常用于数字电路中的加法器,用来实现两个二进制数的相加操作。
与传统的普通进位加法器不同,超前进位加法器在进行计算时能够提前计算并预测进位信号,从而减少计算时间并提高加法运算速度。
2.2 原理解释超前进位加法器采用了两级运算的方式,利用了先行进位预测的思想,以优化传统加法器的运算效率。
其基本原理如下:- 首先,对于每一位(bit)进行相应位置的逻辑门电路设计。
- 然后,在相邻位之间引入前导输入(Generate input)和进位输出(Carry output),这样可以使得下一级可以预测到当前级别产生的所有可能进位。
- 通过与门、或门和异或门等逻辑门之间巧妙的组合连接,实现了高速、低功耗的超前进位运算。
超前进位加法器主要依靠已知最高有效输入块(G代表Generate, P代表Propagate, C代表Carry In) 确定其对应输出(S代表Sum, C代表Carry Out),并将这些信息传递给下一级加法器。
超前进位的原理及应用1. 什么是超前进位?超前进位是一种计算机算法,用于在数值加法中处理进位的问题。
通常,在进行加法计算时,我们需要将每个位上的数值相加,如果相加的结果超过了该位所能表示的最大值,就会发生进位。
而超前进位的算法可以在发生进位之前就预先计算出进位的结果,并将其应用到后续的计算中。
2. 超前进位的原理超前进位的原理主要是基于二进制数的加法规则。
在二进制加法中,同一位上的两个数相加,可能会有以下四种情况:•0 + 0 = 0•0 + 1 = 1• 1 + 0 = 1• 1 + 1 = 0,进位为1根据这些规则,我们可以发现,只有当两个数都为1时才会发生进位。
因此,可以通过逻辑电路来实现超前进位的计算。
超前进位的计算过程如下:1.首先,将需要相加的两个数的每一位输入到超前进位的电路中。
2.对于每一位,进行逻辑判断,如果两个输入数都为1,则表示该位要发生进位,输出1;否则,输出0。
3.将这些进位输出和相加的结果相加,即可得到最终的计算结果。
3. 超前进位的应用超前进位算法在计算机的运算器中有广泛的应用。
它可以提高加法运算的效率,减少进位的延迟时间,从而提高运算速度。
在实际应用中,超前进位算法可以用于优化处理器的设计。
处理器中的加法器单元通常会采用超前进位的策略,以提高运算速度。
超前进位还可以用于高速缓存控制器等需要进行快速计算的电路中。
除了在硬件电路中的应用,超前进位算法也可以应用于软件算法中。
例如,一些高性能的计算库会使用超前进位算法来优化大整数的加法运算,以提高计算速度。
4. 超前进位的优势超前进位算法相比于传统的进位处理算法,具有以下几个优势:•提高运算速度:超前进位算法可以减少进位的延迟时间,从而加快计算速度。
•降低功耗:由于减少了进位的发生次数,超前进位算法可以降低功耗,使得计算更加节能。
•简化电路设计:超前进位算法可以简化电路设计,减少逻辑门的数量,降低成本。
5. 总结超前进位是一种用于处理进位问题的算法,它可以在进行加法计算时提前计算出进位的结果,并应用到后续的计算中。
沈阳航空航天大学课程设计报告课程设计名称:计算机组成原理课程设计课程设计题目:超前进位加法器的设计院(系):计算机学院专业:班级:学号:姓名:指导教师:完成日期:沈阳航空航天大学课程设计报告目录第1章总体设计方案 (1)1.1设计原理 (1)1.2设计思路 (2)1.3设计环境 (3)第2章详细设计方案 (4)2.1顶层方案图的设计与实现 (4)2.1.1创建顶层图形设计文件 (4)2.1.2器件的选择与引脚锁定 (5)2.1.3编译、综合、适配 (7)2.2功能模块的设计与实现 (7)2.2四位超前进位加法器模块的设计与实现 (7)2.3仿真调试 (9)第3章编程下载与硬件测试 (11)3.1编程下载 (11)3.2硬件测试及结果分析 (11)参考文献 (13)附录(程序清单或电路原理图) (14)第1章总体设计方案1.1设计原理八位超前进位加法器,可以由2个四位超前进位加法器构成。
由第一个四位超前进位加法器的进位输出作为第二个超前进位加法器的进位输入即可实现八位超前进位加法器的设计。
超前进位产生电路是根据各位进位的形成条件来实现的。
只要满足下述条件,就可形成进位C1、C2、C3、C4。
所以:第一位的进位C1=X1*Y1+(X1+Y1)*C0第二位的进位C2=X2*Y2+(X2+Y2)*X1*Y1+(X2+Y2)(X1+Y1)C0第三位的进位C3=X3*Y3+(X3+Y3)X2*Y2+(X3+Y3)*(X2+Y2)*X1*Y1+(X3+Y3)(X2+Y2)(X1+Y1)*C0第四位的进位C4=X4*Y4+(X4+Y4)*X3*Y3+(X4+Y4)*(X3+Y3) * X2*Y2+(X4+Y4)(X3+Y3)(X2+Y2)*X1*Y1+(X4+Y4)(X3+Y3)(X2+Y2)(X1+Y1)*C0 下面引入进位传递函数Pi和进位产生函数Gi的概念。
它们定义为:Pi=Xi+YiGi=Xi*YiP1的意义是:当X1和Y1中有一个为1时,若有进位输入,则本位向高位传递此进位。
4位超前进位加法器原理
4位超前进位加法器是一种用于进行4位二进制数相加的电路,能够进行四位二进制数的相加,若两个4位二进制数相加结果超过4位,则可以产生一个进位。
其原理如下:
1. 输入:两个四位二进制数A和B以及一个进位输入Cin。
2. 输出:一个四位的和S和一个进位输出Cout。
3. 首先,对于每一位相加,可以使用一个全加器。
4. 对于最低位的相加,输入为A0、B0和Cin,输出为S0和
C0(即第一位的进位)。
5. 对于其他位的相加(A1+B1、C0+A2+B2、C1+A3+B3),
输入为A1、B1、C0,输出为S1和C1(即第二位的进位)。
6. 最后,输出为四位和S3和一个进位输出Cout,Cout等于最
高位相加的进位。
7. 这样,就能够实现4位超前进位加法器,并且能够处理进位的情况。
总之,4位超前进位加法器通过使用多个全加器来实现四位二
进制数的相加,并且能够产生进位。
超前进位加法器原理74283为4位超前进位加法器,不同于普通串行进位加法器由低到高逐级进位,超前进位加法器所有位数的进位大多数情况下同时产生,运算速度快,电路结构复杂。
其管脚如图1所示:图1 74283管脚图其真值表如下所示:表1 4位超前进位加法器真值表由全加器的真值表可得Si 和Ci的逻辑表达式:定义两个中间变量Gi 和Pi:当Ai =Bi=1时,Gi=1,由Ci的表达式可得Ci=1,即产生进位,所以Gi称为产生量变。
若Pi =1,则Ai·Bi=0,Ci=Ci-1,即Pi=1时,低位的进位能传送到高位的进位输出端,故Pi称为传输变量,这两个变量都与进位信号无关。
将Gi 和Pi代入Si和Ci得:进而可得各位进位信号的逻辑表达如下:根据逻辑表达式做出电路图如下:逻辑功能图中有2输入异或门,2输入与门,3输入与门,4输入与门,2输入或门,3输入或门,4输入或门,其转化成CMOS晶体管图如下:电路网表如下:*xor 2.subckt xor2 a b c d fmxorpa 1 a vdd vdd pmos l=2 w=8 mxorpb f d 1 vdd pmos l=2 w=8 mxorpc 2 b vdd vdd pmos l=2 w=8 mxorpd f c 2 vdd pmos l=2 w=8 mxorna f a 3 0 nmos l=2 w=4 mxornb 3 b 0 0 nmos l=2 w=4 mxornc f c 4 0 nmos l=2 w=4 mxornd 4 d 0 0 nmos l=2 w=4.ends xor2*and2.subckt and2 a b fmandpa f a vdd vdd pmos l=2 w=4 mandpb f b vdd vdd pmos l=2 w=4 mandna f a 1 0 nmos l=2 w=4 mandnb 1 b 0 0 nmos l=2 w=4.ends and2*and3.subckt and3 a b c fmandpa f a vdd vdd pmos l=2 w=4 mandpb f b vdd vdd pmos l=2 w=4 mandpc f c vdd vdd pmos l=2 w=4 mandna f a 1 0 nmos l=2 w=6 mandnb 1 b 2 0 nmos l=2 w=6 mandnc 2 c 0 0 nmos l=2 w=6.ends and3*and4.subckt and4 a b c d fmandpa f a vdd vdd pmos l=2 w=4 mandpb f b vdd vdd pmos l=2 w=4 mandpc f c vdd vdd pmos l=2 w=4 mandpd f d vdd vdd pmos l=2 w=4 mandna f a 1 0 nmos l=2 w=8 mandnb 1 b 2 0 nmos l=2 w=8 mandnc 2 c 3 0 nmos l=2 w=8 mandnd 3 d 0 0 nmos l=2 w=8.ends and4*or2.subckt or2 a b fmorpa 1 a vdd vdd pmos l=2 w=8 morpb f b 1 vdd pmos l=2 w=8mna f a 0 0 nmos l=2 w=4mnb f b 0 0 nmos l=2 w=4.ends or2*or3.subckt or3 a b c fmorpa 1 a vdd vdd pmos l=2 w=12 morpb 2 b 1 vdd pmos l=2 w=12 morpc f c 2 vdd pmos l=2 w=12mna f a 0 0 nmos l=2 w=4mnb f b 0 0 nmos l=2 w=4mnc f c 0 0 nmos l=2 w=4.ends or3*or4.subckt or4 a b c d fmorpa 1 a vdd vdd pmos l=2 w=16 morpb 2 b 1 vdd pmos l=2 w=16 morpc 3 c 2 vdd pmos l=2 w=16 morpd f d 3 vdd pmos l=2 w=16mna f a 0 0 nmos l=2 w=4mnb f b 0 0 nmos l=2 w=4mnc f c 0 0 nmos l=2 w=4mnd f d 0 0 nmos l=2 w=4.ends or4*not.subckt not a fmnotpa f a vdd vdd pmos l=2 w=4 mnotna f a 0 0 nmos l=2 w=2.ends not *反相器*or21.subckt or21 a b fxor2 a b 1 or2xnot 1 f not.ends or21 *2输入或门*or31.subckt or31 a b c fxor3 a b c 1 or3xnot 1 f not.ends or31 *3输入或门*or41.subckt or41 a b c d fxor4 a b c d 1 or4xnot 1 f not.ends or41 *4输入或门*xor21.subckt xor21 a b fxm a A5 notxn b B5 notxxor a b A5 B5 f xor2.ends xor21 * 2输入异或门*and21.subckt and21 a b fxand2 a b 1 and2xnot 1 f not.ends and21 *2输入与门*and31.subckt and31 a b c fxand3 a b c 1 and3xnot 1 f not.ends and31 *3输入与门*and41.subckt and41 a b c d fxand4 a b c d 1 and4xnot 1 f not.ends and41 *4输入与门xxor211 a1 b1 p1 xor21xxor212 a2 b2 p2 xor21xxor213 a3 b3 p3 xor21xxor214 a4 b4 p4 xor21xand211 a1 b1 g1 and21xand212 a2 b2 g2 and21xand213 a3 b3 g3 and21xand214 p1 c0 m0 and21xor211 m0 g1 c1 or21 *进位C1xand311 p2 p1 c0 m1 and31xand215 p2 g1 m2 and21xor312 g2 m1 m2 c2 or31 *进位C2xand411 p3 p2 p1 c0 m3 and41xand313 p3 p2 g1 m4 and31xand216 p3 g2 m5 and21xor412 m3 m4 m5 g3 c3 or41 *进位C3xxor215 p1 c0 s1 xor21 *输出s1xxor216 p2 c1 s2 xor21 *输出s2xxor217 p3 c2 s3 xor21 *输出s3xxor218 p4 c3 s4 xor21 *输出s4.include "c:\lib\130nm_bulk.l"tt.opt scale=0.05u.global vdd gndvdd vdd 0 1.2va1 a1 0 pulse 1.2 1.2 20n 1f 1f 30n 100nva2 a2 0 pulse 0 0 20n 1f 1f 30n 100nva3 a3 0 pulse 0 0 20n 1f 1f 30n 100nva4 a4 0 pulse 0 0 20n 1f 1f 30n 100nvb1 b1 0 pulse 1.2 1.2 20n 1f 1f 30n 100n vb2 b2 0 pulse 1.2 1.2 20 1f 1f 30n 100nvb3 b3 0 pulse 0 0 20n 1f 1f 30n 100nvb4 b4 0 pulse 1.2 1.2 20n 1f 1f 30n 100nvc0 c0 0 pulse 0 0 4n 1f 1f 0n 100n.tran 1n 100n.plot tran v(s1).plot tran v(s2).plot tran v(s3).plot tran v(s4).end。
超前进位加法器公式
超前进位加法器是一种数字电路,用于执行加法运算。
它在执行加法时可以提前产生进位信号,从而加快运算速度。
其公式可以通过逻辑门电路来表示。
一般来说,超前进位加法器的公式可以分为两部分,和的计算和进位的计算。
对于和的计算部分,我们可以使用异或门来实现。
假设我们有两个输入A和B,它们分别代表要相加的两个数的对应位,然后我
们使用一个异或门来计算它们的和,即S = A ⊕ B。
这部分公式表示了加法的结果。
接下来是进位的计算部分。
进位的计算涉及到两个方面,一是当前位的进位,二是下一位的进位。
我们可以使用与门和或门来实现这一部分。
假设我们有两个输入A和B,它们分别代表要相加的
两个数的对应位,然后我们使用一个与门来计算它们的进位,即C = A ∧ B。
这部分公式表示了当前位的进位。
然后,我们使用一个或门来计算下一位的进位,即P = A ∧ B。
这部分公式表示了下一位的进位。
综合起来,超前进位加法器的公式可以表示为,S = A ⊕ B,C
= A ∧ B,P = A ∧ B。
这些公式描述了超前进位加法器的运算原理和逻辑电路结构。
通过合理的设计和布线,我们可以将这些公式转化为实际的电路,从而实现超前进位加法器的功能。
4位快速加法器设计原理快速加法器是一种计算器件,可以快速地对两个二进制数进行加法运算。
相对于一般的加法器,它具有更高的速度和效率。
本文主要介绍4位快速加法器的设计原理。
1.基本概念在二进制加法中,加法器通过对两个二进制数分别进行逐位相加的方法,得到它们的和。
二进制加法的基本规则如下:0+0=0;1+0=1;0+1=1;1+1=0(进位1)。
在四位二进制数的加法中,每位相加可以得到一个位和进位两位。
4位快速加法器在计算时需要考虑到位和进位两个方面。
2.快速加法器的组成4位快速加法器可以由4个1位全加器和1个2位全加器组成。
1位全加器的输出等于输入A、B和进位C的和。
输出S等于(A xor B) xor C,进位C 等于AB+C(A xor B)。
2位全加器是由两个1位全加器和一个2选1选择器组成。
输入A和B分别与这两个全加器相连,进位C输入到这两个全加器的进位端。
选择器的选择信号是两个输入和上一个全加器的进位,选择器的输出连接到2位全加器的进位输出。
3.原理图4位快速加法器的原理图如下所示:每个1位全加器都由具有相同运算功能的逻辑门电路组成。
在1位全加器中,输入A、B和进位C分别与XOR、AND和OR门相连,这些门的输出再次进行逻辑运算得到输出S和新的进位C。
2位全加器由两个1位全加器和一个2选1选择器组成。
选择器的选择信号是上一个1位全加器的进位和两个输入的和。
这两个1位全加器的进位输出也分别与这个选择器相连。
4.流程图4位快速加法器的计算流程图如下所示:将输入的两个4位二进制数的第0位分别输入到1位全加器1和2中。
这两个全加器的进位C0均为0,得到第0位的位和(S0)和进位(C1)。
然后,将输入的两个4位二进制数的第1位分别输入到1位全加器3和4中。
全加器3的进位C1为1,因为它是在第0位加法器的进位C1的基础上进行的。
全加器4的进位C2为全加器3的进位C2与两个输入的和的2选1选择器输出的结果。
[转]4位超前进位加法器代码及原理超前进位加法器module add4_head ( a, b, ci, s, pp, gg);input[3:0] a;input[3:0] b;input ci;output[3:0] s;output pp;output gg;wire[3:0] p;wire[3:0] g;wire[2:0] c;assign p[0] = a[0] ^ b[0];assign p[1] = a[1] ^ b[1];assign p[2] = a[2] ^ b[2];assign p[3] = a[3] ^ b[3];assign g[0] = a[0] & b[0];assign g[1] = a[1] & b[1];assign g[2] = a[2] & b[2];assign g[3] = a[3] & b[3];assign c[0] = (p[0] & ci) | g[0];assign c[1] = (p[1] & c[0]) | g[1];assign c[2] = (p[2] & c[1]) | g[2];assign pp = p[3] & p[2] & p[1] & p[0];assign gg = g[3] | (p[3] & (g[2] | p[2] & (g[1] | p[1] & g[0])));assign s[0] = p[0] ^ ci;assign s[1] = p[1] ^ c[0];assign s[2] = p[2] ^ c[1];assign s[3] = p[3] ^ c[2];endmodule⾸先要明确⼏个概念:p表⽰进位否决信号(pass),如果p为0就否决调前⼀级的进位输⼊。
否决的意思就是即使前⼀级有进位,本级也不会向后⼀级产⽣进位输出。
超前进位加法器公式全文共四篇示例,供读者参考第一篇示例:超前进位加法器是一种用来进行超前进位加法的计算器,它在数位计算领域是非常重要和实用的工具。
超前进位加法器的设计原理是利用进位延迟来减少计算时间,提高计算效率。
在本文中,我们将详细介绍超前进位加法器的公式及其工作原理。
超前进位加法器的公式基本上是基于二进制加法的原理进行设计的。
在二进制加法中,当两个位相加时,如果有进位产生,则需要等待进位的延迟时间。
而超前进位加法器通过提前计算进位,可以在加法器的计算周期内完成多个位的相加操作,从而减少计算时间。
超前进位加法器的公式如下:S = A XOR B XOR CinCout = (A AND B) OR ((A XOR B) AND Cin)S是结果位,A和B是待相加的两个位,Cin是前一位相加的进位,Cout是当前位相加产生的进位。
在这个公式中,第一部分计算了没有考虑进位的情况下的结果位S。
通过对A和B进行异或运算,可以得到不考虑进位情况下的结果。
第二部分计算了当前位的进位Cout。
通过A和B的与运算,可以得到进位的生成情况,并且结合前一位的进位Cin,可以得到当前位的进位。
第二篇示例:超前进位加法器是一种用于进行数值加法运算的电子装置,其特点是在进位计算时会提前将进位信号传输到下一位,从而加快计算速度。
它的工作原理是通过预测下一个进位值来提前确定进位的传递路径,从而实现高效的加法运算。
在现代计算机系统中,超前进位加法器被广泛应用于高速运算模块,能够在瞬间完成大规模的数值计算。
超前进位加法器通常由多个加法单元和进位预测单元组成。
加法单元负责实际的加法运算,而进位预测单元则负责提前预测下一个进位值。
在进行加法运算时,进位预测单元会提前计算下一个进位值,并将进位信号传输到下一位。
这种提前传递的方式可以减少计算过程中的等待时间,提高计算效率。
超前进位加法器在数字信号处理、通信系统、图像处理等领域都有着广泛的应用。
4位快速加法器设计故障与调试4位快速加法器设计故障与调试引言:在数字电路设计中,快速加法器是一个非常重要的组件。
它用于将两个二进制数相加,并输出其结果。
然而,在设计和实现过程中,可能会遇到一些故障或错误。
本文将介绍4位快速加法器的设计故障和调试方法。
一、4位快速加法器的基本原理1.1 二进制加法的基本概念二进制加法是指将两个二进制数相加,并按照二进制规则进行进位和求和。
当两个二进制数A=1101和B=1010相加时,其结果为C=10111。
1.2 4位快速加法器的结构4位快速加法器由四个全加器组成,每个全加器负责计算一对输入位的和以及前一位的进位。
四个全加器按照级联方式连接起来,形成一个完整的4位快速加法器。
二、常见故障与解决方法2.1 电路连接错误在设计和实现过程中,可能会出现电路连接错误导致功能无法正常工作。
这种情况下,需要检查电路连接是否正确,并进行修正。
2.2 逻辑门选择错误在选择逻辑门时,可能会选错门类型或门数量不足,导致电路无法正确计算和输出结果。
解决方法是仔细检查逻辑门的选择,并根据需要增加或更换逻辑门。
2.3 信号线延迟问题在数字电路中,信号线延迟是一个常见的问题。
当信号传输的时间超过了设计所允许的范围时,可能会导致计算结果出错。
解决方法是通过添加缓冲器或调整信号线长度来解决延迟问题。
2.4 电源供应不稳定电源供应不稳定可能导致电路工作不正常或产生噪声干扰。
为了解决这个问题,可以使用稳压器来提供稳定的电源,并添加滤波器以降低噪声干扰。
三、调试方法3.1 逐级验证在进行调试时,可以使用逐级验证的方法。
首先验证单个全加器的功能是否正常,然后再将多个全加器级联起来进行整体验证。
3.2 输入输出检查通过检查输入和输出信号是否符合预期结果,可以确定是否存在故障。
如果输入和输出不匹配,则需要检查逻辑门连接、输入数据和控制信号等方面是否有错误。
3.3 示波器测量使用示波器可以观察信号的波形和时序,从而帮助定位故障。
数字集成电路课程设计报告-4bits超前进位加法器福州⼤学⾄诚学院数字集成电路课程设计报告设计题⽬:4bits 超前进位加法器班级:专业:姓名:学号:组名:指导⽼师:教师评分:⽇期:4bits超前进位加法器⽬录第1章概述.................................................................... - 3 -1.1课程设计⽬的 (3)1.2课程设计的主要内容 (3)1.2.1设计题⽬ (3)1.2.2设计内容 (3)第2章功能分析及逻辑分析...................................................... - 3 -2.1功能分析 (3)2.2推荐⼯作条件 (4)2.3电性能 (4)2.4交流(开关)特性 (5)2.5真值表 (6)2.6表达式 (6)2.7电路图 (7)第3章电路设计及器件参数设计.................................................. - 7 -3.1性能指标: (7)3.2模块划分 (7)3.2.1输出级电路设计 (7)3.2.2内部反相器 (8)3.2.3内部电路等效 (8)3.2.4输⼊级电路 (9)3.2.5中间缓冲级电路 (9)3.2.6输出缓冲级电路 (9)3.2.7输⼊、输出保护电路 (10)3.3本章⼩结 (10)第4章功耗估算与延时......................................................... - 10 -4.1电容估算 (10)4.2功耗估算 (11)4.3延时估算 (11)4.4本章⼩结 (12)第5章电路模拟与仿真......................................................... - 12 -5.1电路搭建 (12)5.1.1建⽴新库 (12)5.1.2建⽴SCHEMATIC VIEW (13)5.1.3建⽴SYMBOL (13)5.1.4建⽴总体电路SCHEMATIC VIEW (13)数字集成电路课程设计5.1.5建⽴总体SYMBOL (14)5.1.6测试电路 (14)5.2功能仿真 (15)5.3功耗仿真 (15)5.4仿真结果分析 (16)5.5本章⼩结 (16)第6章版图设计............................................................... - 16 -6.1原理 (16)6.2反相器版图 (17)6.2.1 LAYOUT VIEW的建⽴ (17)6.2.2添加器件 (18)6.2.3互连,实现反相器功能 (18)6.3输⼊级 (19)6.4输出级 (19)6.5输出缓冲 (19)6.6异或门 (20)6.7或⾮门 (20)6.8与门 (20)6.9整体版图 (21)6.10本章⼩结 (21)总体⼼得....................................................................... - 22 -对课程内容的建议................................................... 错误!未定义书签。
数字集成电路课程设计题目:4 bits超前加法进位器的全定制设计姓名:席高照学号:111000833学院:物理与信息工程学院专业:微电子(卓越班)年级:2010级指导教师:群超(签名)2013 年 6 月 3 日目录第1章概述 (1)1.1课程设计目的 (1)1.2课程设计的主要容 (1)1.2.1设计题目 (1)1.2.2设计容 (1)第2章功能分析及逻辑分析 (2)2.1功能分析 (2)2.2推荐工作条件 (3)2.3电性能 (3)2.4真值表 (6)2.5表达式 (6)2.6电路图 (7)第3章电路设计与器件参数设计 (8)3.1性能指标: (8)3.2模块划分 (8)3.2.1输出级电路设计 (8)3.2.2部反相器 (9)3.2.3部电路等效 (9)3.2.4输入级电路 (10)3.2.5输出缓冲级电路 (10)3.2.6输入、输出保护电路 (10)3.3本章小结 (11)第4章电路模拟与仿真 (12)4.1电路搭建 (12)4.1.1建立新库 (12)4.1.2建立SCHEMATIC VIEW (13)4.1.3建立SYMBOL (14)4.1.4建立总体电路SCHEMATIC VIEW (14)4.1.5建立总体SYMBOL (15)4.1.6测试电路 (16)4.2功能仿真 (16)4.3功耗仿真 (18)4.4仿真结果分析 (18)4.5本章小结 (18)5.2反相器版图 (19)5.3输入级 (20)5.4输出级 (20)5.5输出缓冲 (20)5.6异或门 (21)5.7或非门 (23)5.8与非门 (24)5.9整体版图 (25)5.10本章小结 (25)心得 (26)参考文献 (27)附录 (28)附录174LS283中文资料 (28)第1章概述1.1 课程设计目的•综合应用已掌握的知识•熟悉集成电路设计流程•熟悉集成电路设计主流工具•强化学生的实际动手能力•培养学生的工程意识和系统观念•培养学生的团队协作能力1.2 课程设计的主要容1.2.1 设计题目4bits超前进位加法器全定制设计1.2.2 设计要求Vdd=1.8V,VoH=4.6V,Vol=0.4V可驱动10个LSTTL电路(相对于15pf电容负载)1.2.3 设计容•功能分析及逻辑分析•电路设计及器件参数设计•估算功耗与延时•电路模拟与仿真•版图设计•版图数据提交及考核,课程设计总结第2章功能分析及逻辑分析2.1功能分析74283为4为超前进位加法器,不同于普通串行进位加法器由低到高逐级进位,超前进位加法器所有位数的进位大多数情况下同时产生,运算速度快,电路结构复杂。
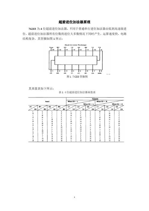
超前进位加法器原理
74283为4位超前进位加法器,不同于普通串行进位加法器由低到高逐级进位,超前进位加法器所有位数的进位大多数情况下同时产生,运算速度快,电路结构复杂。
其管脚如图1所示:
图1 74283管脚图
其真值表如下所示:
表1 4位超前进位加法器真值表
由全加器的真值表可得S
i 和C
i
的逻辑表达式:
定义两个中间变量G
i 和P
i
:
当A
i =B
i
=1时,G
i
=1,由C
i
的表达式可得C
i
=1,即产生进位,所以G
i
称为产生量变。
若P
i =1,则A
i
·B
i
=0,C
i
=C
i-1
,即P
i
=1时,低位的进位能传
送到高位的进位输出端,故P
i
称为传输变量,这两个变量都与进位信号无关。
将G
i 和P
i
代入S
i
和C
i
得:
进而可得各位进位信号的逻辑表达如下:
根据逻辑表达式做出电路图如下:
逻辑功能图中有2输入异或门,2输入与门,3输入与门,4输入与门,2输入或门,3输入或门,4输入或门,其转化成CMOS晶体管图如下:
电路网表如下:
*xor 2
.subckt xor2 a b c d f
mxorpa 1 a vdd vdd pmos l=2 w=8 mxorpb f d 1 vdd pmos l=2 w=8 mxorpc 2 b vdd vdd pmos l=2 w=8 mxorpd f c 2 vdd pmos l=2 w=8 mxorna f a 3 0 nmos l=2 w=4 mxornb 3 b 0 0 nmos l=2 w=4 mxornc f c 4 0 nmos l=2 w=4 mxornd 4 d 0 0 nmos l=2 w=4
.ends xor2
*and2
.subckt and2 a b f
mandpa f a vdd vdd pmos l=2 w=4 mandpb f b vdd vdd pmos l=2 w=4 mandna f a 1 0 nmos l=2 w=4 mandnb 1 b 0 0 nmos l=2 w=4
.ends and2
*and3
.subckt and3 a b c f
mandpa f a vdd vdd pmos l=2 w=4 mandpb f b vdd vdd pmos l=2 w=4 mandpc f c vdd vdd pmos l=2 w=4 mandna f a 1 0 nmos l=2 w=6 mandnb 1 b 2 0 nmos l=2 w=6 mandnc 2 c 0 0 nmos l=2 w=6
.ends and3
*and4
.subckt and4 a b c d f
mandpa f a vdd vdd pmos l=2 w=4 mandpb f b vdd vdd pmos l=2 w=4 mandpc f c vdd vdd pmos l=2 w=4 mandpd f d vdd vdd pmos l=2 w=4 mandna f a 1 0 nmos l=2 w=8 mandnb 1 b 2 0 nmos l=2 w=8 mandnc 2 c 3 0 nmos l=2 w=8 mandnd 3 d 0 0 nmos l=2 w=8
.ends and4
*or2
.subckt or2 a b f
morpa 1 a vdd vdd pmos l=2 w=8 morpb f b 1 vdd pmos l=2 w=8
mna f a 0 0 nmos l=2 w=4
mnb f b 0 0 nmos l=2 w=4
.ends or2
*or3
.subckt or3 a b c f
morpa 1 a vdd vdd pmos l=2 w=12 morpb 2 b 1 vdd pmos l=2 w=12 morpc f c 2 vdd pmos l=2 w=12
mna f a 0 0 nmos l=2 w=4
mnb f b 0 0 nmos l=2 w=4
mnc f c 0 0 nmos l=2 w=4
.ends or3
*or4
.subckt or4 a b c d f
morpa 1 a vdd vdd pmos l=2 w=16 morpb 2 b 1 vdd pmos l=2 w=16 morpc 3 c 2 vdd pmos l=2 w=16 morpd f d 3 vdd pmos l=2 w=16
mna f a 0 0 nmos l=2 w=4
mnb f b 0 0 nmos l=2 w=4
mnc f c 0 0 nmos l=2 w=4
mnd f d 0 0 nmos l=2 w=4
.ends or4
*not
.subckt not a f
mnotpa f a vdd vdd pmos l=2 w=4 mnotna f a 0 0 nmos l=2 w=2
.ends not *反相器
*or21
.subckt or21 a b f
xor2 a b 1 or2
xnot 1 f not
.ends or21 *2输入或门
*or31
.subckt or31 a b c f
xor3 a b c 1 or3
xnot 1 f not
.ends or31 *3输入或门
*or41
.subckt or41 a b c d f
xor4 a b c d 1 or4
xnot 1 f not
.ends or41 *4输入或门
*xor21
.subckt xor21 a b f
xm a A5 not
xn b B5 not
xxor a b A5 B5 f xor2
.ends xor21 * 2输入异或门
*and21
.subckt and21 a b f
xand2 a b 1 and2
xnot 1 f not
.ends and21 *2输入与门
*and31
.subckt and31 a b c f
xand3 a b c 1 and3
xnot 1 f not
.ends and31 *3输入与门
*and41
.subckt and41 a b c d f
xand4 a b c d 1 and4
xnot 1 f not
.ends and41 *4输入与门
xxor211 a1 b1 p1 xor21
xxor212 a2 b2 p2 xor21
xxor213 a3 b3 p3 xor21
xxor214 a4 b4 p4 xor21
xand211 a1 b1 g1 and21
xand212 a2 b2 g2 and21
xand213 a3 b3 g3 and21
xand214 p1 c0 m0 and21
xor211 m0 g1 c1 or21 *进位C1
xand311 p2 p1 c0 m1 and31
xand215 p2 g1 m2 and21
xor312 g2 m1 m2 c2 or31 *进位C2
xand411 p3 p2 p1 c0 m3 and41
xand313 p3 p2 g1 m4 and31
xand216 p3 g2 m5 and21
xor412 m3 m4 m5 g3 c3 or41 *进位C3
xxor215 p1 c0 s1 xor21 *输出s1
xxor216 p2 c1 s2 xor21 *输出s2
xxor217 p3 c2 s3 xor21 *输出s3
xxor218 p4 c3 s4 xor21 *输出s4
.include "c:\lib\130nm_bulk.l"tt
.opt scale=0.05u
.global vdd gnd
vdd vdd 0 1.2
va1 a1 0 pulse 1.2 1.2 20n 1f 1f 30n 100n
va2 a2 0 pulse 0 0 20n 1f 1f 30n 100n
va3 a3 0 pulse 0 0 20n 1f 1f 30n 100n
va4 a4 0 pulse 0 0 20n 1f 1f 30n 100n
vb1 b1 0 pulse 1.2 1.2 20n 1f 1f 30n 100n vb2 b2 0 pulse 1.2 1.2 20 1f 1f 30n 100n
vb3 b3 0 pulse 0 0 20n 1f 1f 30n 100n
vb4 b4 0 pulse 1.2 1.2 20n 1f 1f 30n 100n
vc0 c0 0 pulse 0 0 4n 1f 1f 0n 100n
.tran 1n 100n
.plot tran v(s1)
.plot tran v(s2)
.plot tran v(s3)
.plot tran v(s4)
.end。