车削端面外圆教案
- 格式:doc
- 大小:92.00 KB
- 文档页数:8
兖州市高级技工学校——学年第学期实训教案本课程任课教师授课班级年月日实训教案NO课题序号:12 课题名称:车削端面、外圆授课时间:18 需用科日:2012 、 6 月 5 日至 6 月7 日九、课后记事:1.多数学生能够掌握操作方法,极少数还不能达到要求,需个别辅导。
2.中滑板进刀格数的计算较慢。
一、外圆车刀常用的外圆车刀:90°、75°、45°外圆车刀1. 45°外圆车刀俗称弯头车刀,刀尖角为90°,刀体强度和散热条件比90°外圆车刀好,可车削工件外圆、端面和45°倒角。
2. 90°外圆车刀俗称偏刀,其主偏角为90°。
又分为右偏刀和左偏刀。
用右偏刀主要车削工件外圆,当车削工件端面时,自工件外缘向中心进给,由副切削刃担任切削任务,如果切削深度大,切削抗力就大,车刀往往会扎入工件,端面形成凹面。
为避免产生这种现象,可改从中心向外进给,由主切削刃切削,但切削深度较小。
3. 75°外圆车刀刀尖角大于90 °,刀头强度高,较耐用,适用于粗车结合实物进行解决二、车刀的装夹• 1.车刀的装夹要求•(1)车刀伸出刀架的长度,一般为刀杆厚度的1~1.5倍,约25~30mm 。
•(2)车刀垫片应平整、无毛刺、厚薄均匀,所用垫片数量尽量少,垫片应与刀架边缘对齐,且至少用两个螺钉压紧。
•(3)刀杆中心线应与进给方向垂直或平行。
•(4)车刀刀尖必须对准工件的回转中心。
2.车刀刀尖对中心的方法1)根据车床主轴的中心高,用钢直尺测量装刀。
(2)利用车床尾座后顶尖对刀、装夹车刀。
(3)通过试车工件端面来调整车刀高度。
三、工件在三爪自定心卡盘上的安装演示并讲解。
车外圆及车端⾯教案⼀.课题车外圆及车端⾯⼆.教学⽬标(⼀)知识⽬标1、掌握外圆及端⾯车削的基本知识,选择合理的切削三要素。
2、掌握车床安全操作规程(⼆)技能⽬标能⽤硬质合⾦或⾼速钢车⼑对外圆的切削和对车端⾯的加⼯(三)情感⽬标培养坚强、吃苦耐劳的精神。
严格执⾏5S管理三.课型理实⼀体,新课四.课时共8课时第1-8课五.教学重点1、安全操作要领2、切削⽤量三要素的选择3、量具的使⽤六.教学难点1、粗车、精车的概念和要领2、切削⽤量三要素的选择3、⼑具选⽤及刃磨七、教学策略与⼿段?理实⼀体,讲授+演⽰+操作⼋.教具1、C6140车床2、设备⼯量具准备通知单:序号名称规格数量备注1普通车床CA6136B62CA6140B14 1车⼑90°YT1520 245°YT1520量具游标卡尺20千分尺20钢⽪尺20其他辅具垫⼑⽚若⼲,油⽯条等其他车⼯常⽤辅具材料45钢九.教学过程1、清点学⽣到位情况,记录出勤,分组,选好组长2、布置实训任务3、讲解:讲解车外圆及端⾯的内容及操作相关要领和注意点。
4、⽰范:根据练习图纸,指导⽼师进⾏实物⽰范并讲解操作要求和注意事项,并对学⽣提出⽤试切法来控制尺⼨。
5、学⽣分组练习,教师巡回指导,记录学⽣课堂操作情况,如有必要,随时集中学⽣进⾏讲解。
(1)⼯件图样(附练习图⼀)(2)加⼯步骤:1)⽤卡盘夹住⼯件外圆长20左右,找正夹紧。
2)装⼑,注意中⼼⾼度3)粗车平⾯及外圆φ87长60(留精车余量)。
4)精车平⾯及外圆φ87长60⾄精度尺⼨,倒⾓1×45°。
5)调头夹住外圆φ87⼀端,长20左右,找正夹紧。
6)粗车平⾯及外圆φ78,(留精车余量)。
7)精车平⾯及外圆φ78长50⾄精度尺⼨,倒⾓1×45°。
8)检查卸车。
9)打扫整理训练场地,⼯件交指导⽼师检查。
6、⼯件上交,打分⼗.作业写出实训报告⼗⼀. 教学后记归纳⼩结,总结教学效果,提出整改⽅法。
课题三:轴类零件加工轴是机器零件最常见的零件之一,它一般由外圆、端面、台阶、倒角、过度圆角、沟槽、螺纹和中心孔等结构要素组成,加工轴类零件要保证图样标注规定的尺寸、表面粗糙度、形状公差和位置精度要求,见图3-1。
图3-1 台阶轴§3-1 车削外圆与端面课题任务——车削外圆与端面1、学习在三爪自定心卡盘上安装工件、车削外圆与端面的方法。
2、掌握在三爪自定心卡盘上安装工件的方法和步骤。
3、掌握外圆与端面车削时车刀的安装和步骤。
4、掌握外圆与端面车削的方法和步骤。
图3-2 车削外圆与端面工艺分析外圆与端面是轴类零件组成的基本要素,要掌握轴类零件的加工,首先要掌握外圆与端面加工的知识。
图3-2所示的轴正是由外圆与端面组成的,其加工工艺过程如下:相关工艺知识 一、外圆与端面的技术要求1、尺寸精度分析:外圆尺寸有φ47010.0 mm ,它的上偏差为0mm ,下偏差为-0.10mm,公差为0.10,长度尺寸有40±1mm 、122±0.1mm 。
2、形位精度分析:外圆有圆度○、圆柱度形状要求,端面有平面度形状要求。
外圆的两素线与端面有垂直度⊥要求。
3、表面粗糙度分析:零件各表面的表面粗糙度公差为Ra=3.2μm, 车削加工可以达到。
二、车削外圆与端面的车刀车削该轴可选用90°、45°车刀,如图3-3所示。
90°车刀可用于车削外圆,也可用于车削端面;45°可用于车削端面与倒1×45°角。
图3-3车削外圆与端面的车刀90°外圆车刀45°车刀二、车削外圆与端面时车刀安装的工艺要求车削外圆车刀与车削端面时车刀的安装要求和方法基本相同,车刀安装得是否正确,将直接影响切削能否顺利进行和工件的加工质量。
即使刃磨合理的车刀,如果安装得不正确,也会改变车刀工作时的实际角度。
因此车刀安装后,必须保证做到:(1)车刀的伸出长度不宜过长,否则在切削过程中会减弱刀杆的刚性,容易产生振动,影响工件的表面粗糙度,严重时会损坏车刀。
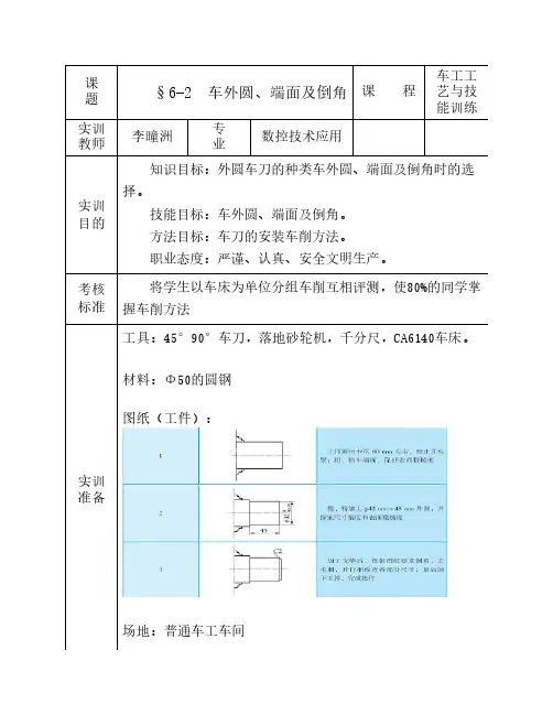
模块二车削初级工技能训练本项目参考节数:10节课题项目6车外圆、端面和倒角参考资料教材、教参《车工工艺与技能训练》教学配套课件教学方法学生讨论,示范,讲解与展示授课节数2节知识与技能目标1.了解外圆车刀的种类及各种外圆车刀的应用场合2.学会刃磨外圆车刀3.掌握外圆、端面和倒角的加工过程及加工方法4.学会测量工件外圆和端面知识连接1.外圆车刀的种类、特征和用途2.90°外圆车刀的刃磨要求3.车刀的安装4.车外圆的步骤与方法5.车端面的方法6.倒角及加工7.刻度盘的计算与应用8.工件的测量学习重点1. 90°外圆车刀的刃磨要求2. 车刀的安装3. 车外圆的步骤与方法4. 车端面的方法实施建议1.播放如图右图所示的车外圆视频,结合用挂图、实物、多媒体等手段一一列举,也可通过展示高年级学生车削完成的轴、套类工件来进行讲解,使学生对车外圆内容产生更加直观的认识,激发他们的学习兴趣2. 讲解教材表6—1时(1)先横向对比:45°右车刀→45°左车刀75°右车刀→75°左车刀90°右车刀→90°左车刀(2)然后沿另一条主线45°车刀→75°车刀→90°车刀,对比讲解各自的应用特点3.讲解90°右偏刀车端面产生凹面的原因时,要抓住两个要点:(1)是用副切削刃进行切削的(2)切削力合力的作用方向是垂直于切削刃的讲明这两点的同时,通过右图进行分析,工件作用在车刀上的切削力F分解成进给力F f和背向力F p,在F f的作用下,使车刀逐渐向内而产生凹面4.利用各种量具对工件尺寸、形状等进行检测,是车削过程中不可缺少的一个重要环节。
能否快速、准确的测量出工件的实际【组织教学】检查学生出勤,作好学生考勤记录。
强调课堂纪律,活跃课堂气氛。
强调实习纪律,做好安全文明生产。
【复习巩固】1.复习上次课主要学习了文明生产和工具、夹具、量具、图样的合理放置以及刀具刃磨安全知识等内容。
课题四:车削外圆、平面、台阶机动进给车外圆和端面(一)实训目的、1、练习机动进给车削外圆和平面的方法。
2、练习用游标卡尺测量工件的长度和外圆。
3、会用划针盘找正工件。
4、掌握调整机动进给手柄位置的方法。
(二)、实训内容1、游标卡尺读数方法:首先读出游标零线,在尺身上多少毫米的后面,其次看游标上哪一条刻线与尺身上的刻线相对齐,把尺身上的整毫米数和游标上的小数加起来,即为测量的尺寸读数。
2、游标卡尺的使用方法和测量范围:游标卡尺的测量范围很广,可以测量工件外径、孔径、长度、深度以及沟槽宽度等,测量工件的姿势和方法见下图:3、中溜板刻度盘的应用:中溜板刻度盘转动一格,中溜板就移动0.05mm(在直径方向就变化0.1mm)。
4、切削用量的选择(高速钢车刀):1)、粗车(1)转速为75r/min至150r/min。
(2)进给量为0.1mm/r至0.25mm/r。
(3)吃刀深度为0.5mm至1.5mm。
2)、精车(1)转速为25r/min至45r/min。
(2)进给量为0.1mm/r。
(3)吃刀深度为0.05mm至0.1mm。
5、中心高:1)CA6140A为206mm。
2)C6140A1为202mm。
3)C6132A1为175mm。
4)CZ6132A为172mm。
6、看生产实习图和确定加工步骤:1)、读图该零件为轴类零件,有两个外圆,尺寸精度一般,有两个长度尺寸,尺寸精度要求不高,没有表面光洁度要求,有三个倒角1x45°。
2)、所需的刀具为外圆粗精车刀各一把,切断刀一把,45°车刀一把。
3)、所需的量具为游标卡尺、钢直尺、千分尺各一把。
7、加工过程:1)、工件安装(1)工件的夹持长度(25mm至30mm)(2)找正工件(3)用加力棒夹紧2)、刀具安装(1)中心高(刀尖对准中心高)(2)垫片的放置(3)刀头伸出长度(一般为刀杆厚度的1.5倍)(4)刀杆中心线与工件轴线垂直(5)用两个螺钉压紧,不能用加力棒夹紧3)、切削用量的选用(按照上面第4点)4)、纵向车外圆过程如下:启动机床工件旋转(启动机床前刀具离开工件)→试切削(移动大溜板、中溜板,使车刀刀尖轻轻的接触工件外圆表面——中溜板不动,大溜板作纵向退出至工件端面——中溜板横向进给所需的吃刀深度——移动大溜板使车刀的主切削刃轻轻接触的工件的端面——机动进给车削外圆至长2-3mm后,停止机动手柄—大溜板作纵向退出至工件端面——停止机床——测量尺寸——根据测量尺寸和目标尺寸调整吃刀深度—启动机床)→机动进给→纵向车外圆→车至接近需要长度时停止进给→改用手动进给→车至长度尺寸→退刀→停车。
模块二车削初级工技能训练本项目参考节数:10节【组织教学】检查学生出勤,作好学生考勤记录。
强调课堂纪律,活跃课堂气氛。
强调实习纪律,做好安全文明生产。
【复习巩固】1.复习上次课主要学习了文明生产和工具、夹具、量具、图样的合理放置以及刀具刃磨安全知识等内容。
通过实际演示、讲解和学生观察,更进一步增强了学生对遵守安全文明操作规程的感性认识。
2.提问1)车刀磨损后是否要及时刃磨?2)刃磨有哪些具体要求?3.作业讲评作业完成情况统计表图6-2 车台阶轴用车刀1-45°车刀 2-90°车刀 3-75°车刀 4-车槽刀【讲授新课】(2课时)任务一 外圆车刀的认识、刃磨及安装一、外圆车刀的种类、特征和用途 二、90°外圆车刀的刃磨要求 三、车刀的安装 【技能训练】(3小时) 一、目标任务1.了解外圆车刀的种类及各种外圆车刀的应用场合。
2.学会刃磨外圆车刀。
二、示范操作刃磨45°车刀、75°车刀、90°车刀三、分组练习(见附表)按课题小组轮流练习,完成本次课的训练任务。
四、巡回指导1.身体不准靠近旋转表面,严格通电,确保设备和人身安全。
2.刃磨车刀的每一个姿势、车刀的位置和角度。
3.车刀快速安装的技巧。
4.经常提醒学生,磨刀时要戴防护眼镜和应站的安全位置,以防发生人身事故。
5.分析刃磨过程中的情况,强调注意事项。
6.及时纠正练习中出现的问题。
图6-1任务二车外圆、端面和倒角一、车外圆的步骤与方法1.加工准备2.对刀试切削3.正常切削二、车端面的方法1.45°车刀车端面2.用偏刀车端面三、倒角及加工四、刻度盘的计算与应用1.中滑板上的刻度盘2.小滑板上的刻度盘五、工件的测量1.游标卡尺测量工件2.千分尺测量工件3.工件径向跳动误差的测量4.端面的测量【技能训练】(3小时)一、目标任务1.掌握外圆、端面和倒角的加工过程及加工方法。
机械工程系实习讲义首页教学过程及教学内容[课前组织]1.检查学生出勤情况,填写教学日志。
2.检查学生装束是否整齐3.讲述要求:纪律、卫生、学习方法、如何作笔记4.宣布本项目的学习任务与目的要求:[设备工量具准备]任务一车削基础知识(1)了解车削加工时切削用量的选择原则。
(2)了解金属车削的过程。
(3)基本掌握车削过程中表面质量的控制方法。
(4)了解车刀切削时磨损的原因与刀具寿命的含义。
任务二外圆、端面、台阶的车削(1)掌握试切法与试测法控制外圆尺寸的方法。
(2)熟练掌握工件找正和安装方法。
(3)掌握零件尺寸的测量方法和对质量进行简单分析。
任务三切外沟槽、切断(1)了解切断刀和车槽刀的种类和用途。
(2)了解切断刀和车槽刀的组成部分和角度要求。
(3)掌握掌握切断刀和车槽刀的刃磨方法。
(4)掌握外沟槽的车削方法和测量方法。
(5)了解车沟槽时产生的问题和防止方法。
(6)掌握直进法和左右车削法切断工件。
[入门指导]任务一车削的基础知识导语:在车削加工时,合理选择切削用量对提高劳动生产率,延长刀具的使用寿命,保证加工质量,降低生产成本有着重要的意义。
一、车削加工时切削用量的选择1.合理选择切削用量的含义衡量切削用量是否合理的标准:①能否保证加工零件的质量要求(主要是加工精度和表面质量)②在加工系统刚性许可的条件下,是否充分利用了车床功率。
③在保证加工质量和刀具寿命的条件下,是否充分发挥了刀具的切削性能。
2.选择切削用量的原则(1)切削深度的选择(2)进给量的选择(3)切削速度的选择•选择切削速度的一般原则如下1)车刀材料使用硬质合金车刀可比高速工具钢车刀的切削速度快。
2)工件材料切削强度和硬度较高的工件时,因为产生的热量和切削力都比较大,车刀容易磨损,所以切削速度应选得低些。
脆性材料如铸铁工件,虽然强度不高,但车削时形成崩碎切屑,热量集中在切削刃附近,不易传散。
因此,切削速度也应取得低一些。
3)表面粗糙度要求表面粗糙度值小的工件,如用硬质合金车刀车削,切削速度应取得高些;如用高速工具钢车刀车削,切削速度应取得低些。
精选教课教课设计设计| Excellent teaching plan教师学科教课设计[ 20–20学年度第__学期]任教课科: _____________任教年级: _____________任教老师: _____________xx市实验学校精选教课教课设计设计| Excellent teaching plan 生产实习课教课设计(首页)专业课题名称教学目标工量器具材图纸说明日机电班级10 机电 1 班课程名称车工生产实习共3页需用课总课题:灵活进给车削外圆、端面和台20日起止日分课题:灵活进给车削外圆和端面期1、娴熟掌握灵活进给车削外圆和端面的方法。
2、掌握调整灵活进给手柄地点的方法。
一般车床、各样规格车刀、千分尺、游标卡尺、钢直尺、圆钢、砂轮等批阅者年月第2页灵活进给车削外圆和端面一、组织教课(20分钟)1、准备好资料2、检查学生的上课人数3、检查学生配带安全劳保用品的状况4、准备好各样工量具,游标卡尺,千分尺,直尺二、有关工艺知识。
灵活进给比手动进给又好多的长处,如操作力,进给平均,加工后工件表面粗拙度小等。
但灵活进给是机械传动,操作者对车床手柄地点一定相当熟习,不然在紧迫状况下简单破坏工件或机床,使用灵活进给的过程以下:纵向车外圆过程以下:启动机床工件旋转试切削灵活进给纵向车外圆车至靠近需要长度时停止进给改用手动进给车至长度尺寸退刀泊车。
横向车平面过程以下:启动机床工件旋转试切削灵活进给横向车平面车至工件中心时停止进给改用手动进给车至工件中心退刀泊车。
工件资料长度余量较少或一次装夹不可以达成切削的光轴,往常采纳调头装夹。
再用接刀法车削,掉头接刀取消的工件,一般表面有接刀印迹,有损表面质量和雅观。
但因为找正工件是车工的基本功,所以一定认真学习。
1、接刀工件的装夹找正和车削方法:装夹接刀工件时,找正一定从严要求,不然会造成表面接刀偏差,直接影响工件质量,为保证接刀质量,往常要求车削工件的第一头时,车的长一些,调头装夹时,两点间的找正距离应大些。
车外圆和端面手动车削外圆、端面的方法一、组织教学1.集合,点名,记考勤。
2、检查工作服,强调安全问题。
二、任务引入每次实习中针对学生掌握内容的差异,表扬掌握好的同学,对操作不得当的或有失误的同学给予纠正并布置下一次实习内容需复习的知识。
三、任务分析车削外圆、端面、阶台工件的方法四、相关知识车削工件时,必须使工件和刀具做相对运动。
根据与运动的性质和作用,车削运动主要分为工件的旋转(主运动)和车刀的直线运动(进给运动)。
主运动工件的旋转运动。
进给运动车刀的直线运动。
车削时工件上形成的表面已加工表面已切除多余金属层而形成的新表面。
过渡表面车刀切削刃在工件上形成的表面。
待加工表面工件上有待切除多余金属层的表面。
五、任务实施手动进给车外圆和端面(一)车刀的装夹方法和要求:1、装夹车刀时,刀尖应对准工件中心线。
1)按车床中心高的数值,用钢直尺对中心。
2)刀尖与顶尖找平,对中心。
2、车刀伸出部分长度应尽可能短些,若伸出过长,刚性不足,容易引起振动。
伸出长度约为刀杆厚度的1~1.5倍。
3、刀杆中心线应与工件表面垂直,否则会引起主偏角和副偏角的数值发生变化。
4、车刀要夹紧,至少要用两个螺钉紧固在刀架上。
(二)刻度盘的原理和应用:1、刻度盘的原理:以中滑板刻度盘为例:刻度盘装在中滑板丝杠上,当摇手柄带着刻度盘专一周时,丝杆也转了一周,这时固定在中滑板的螺母就带动中滑板、车刀移动一个导程。
如果横向进给丝杠导程为5mm,刻度盘分为100格,当摇动进给丝杠一周时,中滑板就移动5mm。
当刻度盘转过一格时,中滑板移动量为:5÷100=0.05mm。
2、刻度盘使用时应注意的问题:1)中滑板空行程的消除方法:(1)产生原因:由于丝杠和螺母之间存在着间隙,因此会产生空行程。
即:刻度盘转动而溜板并没移动。
(2)使用方法:当使用时,必须慢慢的转动到所需的格数,如不注意多转几格(或吃刀量过大时,绝不能简单的退回几格,因为间隙的存在只退回几格,实际中滑板没有退回),必须向相反方向退回全部空行程,然后再转到所需要的格数。
教学案例一端面外圆加工技能目标u掌握车削外圆的方法;u掌握车削端面的方法;u掌握车削外圆和端面的检测方法。
知识准备1.刃磨车刀1)粗磨:(1)磨主后刀面,同时磨出主偏角及主后角。
(2)磨副后刀面,同时磨出副偏角及副后角。
(3)磨前刀面,同时磨出前角。
2)精磨:(1)修磨前刀面(2)修磨主后刀面和副后刀面(3)修磨刀尖圆弧,磨负倒棱2.砂轮的选用目前常用的砂轮有氮化铝砂轮和碳化硅砂轮两类。
⑴氮化铝砂轮适用于高速钢和碳素工具钢刀具的刃磨。
⑵碳化硅砂轮适用于硬质合金车刀的刃磨。
砂轮的粗细以粒度表示,一般可分为36#. 60#. 80#. 120#等级别。
粒度愈大表示组成砂轮的磨料愈细,反之愈粗。
粗磨车刀应选粗砂轮,精磨车刀应选细砂轮。
3. 检查车刀角度的方法⑴目测法观察车刀角度是否合乎切削要求,刀刃是否锋利,表面是否有裂痕和其他不符合切削要求的缺陷。
⑵角度尺和样板测量法对于角度要求高的车刀,可用此法检查。
4. 工件的装夹. 找正和车削方法每当接刀工件装夹时,必须严格找正,否则会造成表面接刀偏差,直接影响工作质量。
为了保证接刀质量,通常要求在车削工件的第一头时,车得长一些,调头装夹时两点间的找正距离大一些。
在工件的一头精车最后一刀时,车刀不能直接碰到台阶,应在稍离台阶处停刀,以防车刀碰到台阶突然增加切削量,产生扎刀现象。
在调头精车时,车刀要锋利,最后一刀的精车余量要小,否则工件上容易产生凹痕。
5. 找正工件两端平行度的方法以工件先车削的一端外圆和台阶平面为基准,用划线盘找正。
找正的正确与否,可在车削过程中用游标卡尺进行检查,如发现偏差,应从工件最薄处用铜棒敲击,逐次找正。
任务实施1. 正确选择和刃磨车刀,车刀选用YT15;90°外圆车刀;45°端面车刀。
2. 合理地选择切削用量;切削深度. 进给量. 切削速度3. 车平面的方法开动车床使工件旋转,移动小滑板或床鞍控制切削深度,然后锁紧床鞍,摇动中滑板丝杆进给,由工件外向中心或由工件中心向外车削。
车削端面教案教案标题:车削端面教案学科:实用技术教学目标:1. 理解车削端面的概念和重要性。
2. 掌握车削端面的基本操作步骤。
3. 能够选择合适的车刀和切削参数进行车削端面。
4. 能够评估和调整车削端面的质量。
教学准备:1. 铣床、车床等车削设备。
2. 不同类型的车刀、切削液等。
3. 实物样品或模型以进行示范。
教学过程:引入(5分钟):1. 引导学生思考车削端面的重要性,如何影响零件的质量和性能。
概念讲解(10分钟):2. 解释车削端面的概念,即通过车床等车削设备对工件进行切削,使其端面形成特定形状和平整度。
3. 解释车削端面的要求,如平整度、垂直度、光洁度等。
操作步骤(15分钟):4. 介绍车削端面的基本操作步骤,包括准备工作、夹紧工件、选择合适的车刀和切削参数、设定工件的位置和尺寸等。
5. 示范操作过程,并请学生进行实操。
质量评估(10分钟):6. 解释如何评估车削端面的质量,如使用测量工具检查平整度、使用观察和触感判断光洁度等。
7. 强调调整车刀和切削参数对端面质量的影响,并演示调整过程。
综合练习(15分钟):8. 提供一些练习题或案例,让学生通过实际操作来综合应用所学知识。
讨论与总结(10分钟):9. 组织学生进行讨论,分享他们的操作经验和问题。
10. 总结课程内容,重点强调车削端面的重要性和注意事项。
延伸活动:11. 建议学生在实践中多进行车削端面的练习,以提高操作和质量控制的技能。
12. 鼓励学生研究和了解不同材料在车削端面过程中的特点和挑战。
教学辅助:1. PPT演示。
2. 实物样品或模型。
3. 车削设备和相关工具。
评估方法:1. 学生的参与度和反馈。
2. 综合练习的结果评估。
3. 对学生操作过程和质量评估的观察。
教学反思:1. 整理学生的反馈意见,针对教学过程改进教案内容和教学方法。
2. 对学生的操作技能和质量评估进行详细的记录和分析,以便指导后续教学。
《端面、外圆、台阶的加工》说课稿各位老师、各位评委:你们好!现在我向大家讲述实训项目《端面、外圆、台阶加工》的教学设计思路。
下面,我将从教学指导思想、教材分析、学情分析、实训的方法、实训程序设计和实训效果分析六个方面,对实训项目进行说课。
一、教学指导思想:1.本节课注重体现职业教育专业实训课教学的理念,以学生就业为导向,以企业用人标准为依据。
在专业知识安排上,坚持必须、实用、够用的原则。
2.严格执行学校增加实训量的教学要求,加强了技能训练的力度,特别是加强基本技能与核心技能的训练。
在教学内容结构安排上,由浅入深,由简到难,循序渐进,师生互动密切,学生学习积极性高。
3.体现教室即车间,课堂即岗位的教学思想。
二、教材分析(说教材)“外圆、端面、台阶的加工”实训内容选自教材《车工工艺与技能训练》第二单元“车外圆柱面”,是车工实训的第五个课题。
本项目的实训是在学生反复练习,熟悉车床的性能和各部位功能的基础上进行,通过该项目的实践训练,掌握端面、外圆、台阶的加工方法,使学生的操作技能进一步提高,为后面的车削加工操作打下坚实基础。
教学大纲对本项目的教学要求是:(1) 掌握台阶、外圆的车削方法。
(2) 学会简单轴类工件的车削工艺分析。
根据以上大纲要求,结合项目内容,确定如下实训目标及实训重点、难点。
1.实训目标结合教材和我校学生情况,对本项目的实训教学应达到三个目标:知识目标:学生通过接触实物和亲自动手练习车削,真正感受工件切削的过程。
能力目标:使学生掌握简单轴类工件车削技术,具有相对熟练的操作水平。
素质目标:激发学生的专业学习兴趣,在实习中培养学生安全生产意识和较好的职业道德。
2.实训重点车削过程就是一个提高尺寸精度的控制能力的过程,而车削时尺寸形成的关键取决于对刀。
因此,本项目的重点是:(1)掌握车削端面、外圆和台阶的方法。
(2)掌握车削端面、外圆和台阶的要领。
确定这个重点的目的就是要解决如何将学生对金属切削的感性认识上升到实践技能的问题。
兖州市高级技工学校——学年第学期
实训教案本
课程
任课教师
授课班级
年月日
实训教案
课题序号: 12 课题名称:车削端面、外圆
授课时间: 18 需用科日: 2012 、 6 月 5 日至 6 月 7 日
授课日期2012年6月5日教时
组织形式教学方法
教具、挂图
工件实物
计划实用
专业、班次12中数二18 集中讲解指导练习
一、教学目的:掌握车削端面、外圆的方法及切削用量的选择。
二、教学重点:掌握车削端面、外圆的方法
三、教学难点:切削用量的选择
四、课题技术要求理论知识切削速度的计算
技术操作中滑板进刀格数的计算示范标准正确、规范
五、时间分配入门指导时分六、复习提问内容、时间:产品图号名称件数工时定额
巡回指导时分
车床的结构
工人学生结束指导时分
七、新课内容(附后)八、零件草图:
九、课后记事:
1.多数学生能够掌握操作方法,
极少数还不能达到要求,需个别辅导。
2.中滑板进刀格数的计算较慢。
NO
一、外圆车刀
常用的外圆车刀:90°、75°、45°外圆车刀
1. 45°外圆车刀
俗称弯头车刀,刀尖角为90°,刀体强度和散热条件比90°外圆车刀好,可车削工件外圆、端面和45°倒角。
2. 90°外圆车刀
俗称偏刀,其主偏角为90°。
又分为右偏刀和左偏刀。
用右偏刀主要车削工件外圆,当车削工件端面时,自工件外缘向中心进给,由副切削刃担任切削任务,如果切削深度大,切削抗力就大,车刀往往会扎入工件,端面形成凹面。
为避免产生这种现象,可改从中心向外进给,由主切削刃切削,但切削深度较小。
3. 75°外圆车刀
刀尖角大于90 °,刀头强度高,较耐用,适用于粗车轴类外圆和强力切削锻、铸件等余量较大的工件。
结合实物进行解决
教学过程及授课内容附记二、车刀的装夹
• 1.车刀的装夹要求
•(1)车刀伸出刀架的长度,一般为刀杆厚度的1~1.5倍,约25~30mm 。
•(2)车刀垫片应平整、无毛刺、厚薄均匀,所用垫片数量尽量少,垫片应与刀架边缘对齐,且至少用两个螺钉压紧。
•(3)刀杆中心线应与进给方向垂直或平行。
•(4)车刀刀尖必须对准工件的回转中心。
2.车刀刀尖对中心的方法
1)根据车床主轴的中心高,用钢直尺测量装刀。
(2)利用车床尾座后顶尖对刀、装夹车刀。
(3)通过试车工件端面来调整车刀高度。
三、工件在三爪自定心卡盘上的安装演示并讲解。