锅炉水检测标准
- 格式:doc
- 大小:22.00 KB
- 文档页数:1
锅炉用水水质标准锅炉用水水质标准是指用于工业锅炉的水质要求,它直接关系到锅炉的安全运行和使用寿命。
合格的锅炉用水水质标准能够有效预防锅炉结垢、腐蚀、泄漏等问题,保证锅炉的高效、稳定运行。
因此,严格遵守锅炉用水水质标准,对于保障生产安全、节约能源、延长设备寿命具有重要意义。
锅炉用水水质标准主要包括以下几个方面:1. pH值,pH值是衡量水溶液酸碱度的指标。
对于工业锅炉来说,水的pH值应保持在8.5-12之间,过低或过高的pH值都会对锅炉造成腐蚀和结垢的危害。
2. 溶解氧,水中的溶解氧含量直接影响金属材料的腐蚀情况。
在锅炉用水中,溶解氧含量一般要求控制在0.1mg/L以下,以减少金属材料的腐蚀速度。
3. 硬度,水中的硬度主要由钙、镁等金属离子组成,硬度过高容易导致结垢,影响热交换效果。
因此,锅炉用水的硬度一般要求控制在100mg/L以下。
4. 渣沉积物含量,锅炉用水中的渣沉积物含量过高会导致锅炉管道堵塞、热效率降低等问题。
因此,渣沉积物含量一般要求控制在25mg/L以下。
5. 硅酸盐含量,水中的硅酸盐含量过高容易导致管道结垢、影响热交换效果。
因此,硅酸盐含量一般要求控制在150mg/L以下。
综上所述,锅炉用水水质标准是确保锅炉安全、高效运行的重要保障。
只有严格遵守水质标准,定期对水质进行监测和处理,才能有效预防锅炉结垢、腐蚀等问题,延长锅炉的使用寿命,保障生产安全。
因此,对于锅炉使用单位来说,建立健全的水质管理制度,加强对水质的监测和处理工作,是非常重要的。
同时,锅炉使用单位还应加强对锅炉操作人员的培训,提高其对水质管理的重视和处理能力,共同保障锅炉的安全、稳定运行。
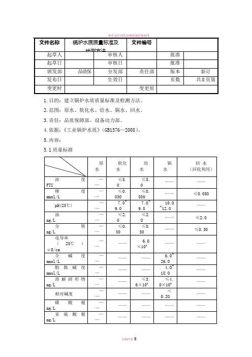
文件名称锅炉水质质量标准及检测方法文件编号起草人审核人批准起草日审核日批准颁发部品质保分发部责任部版本新订发布日生效日页数共8页第变更时变更原1.目的:建立锅炉水质质量标准及检测方法。
2.范围:原水、软化水、给水、锅水、回水。
3.责任:品质保障部、设备动力部。
4.依据:《工业锅炉水质》(GB1576—2008)。
5.内容:5.1质量标准原水软化水给水锅水回水(回收利用)浊度FTU——≤5.≤5.————硬度mmol/L——≤0.030≤0.030——≤0.030pH(25℃)——7.0~9.07.0~9.010.0~12.0——油mg/L——≤2.≤2.——≤2.0全铁mg/L——≤0.30≤0.30——≤0.30电导率(25℃)μS/cm————6.0×102————全碱度mmol/L——————6.0~26.0——酚酞碱度mmol/L——————4.0~18.0——溶解固形物mg/L————≤3.6×102≤4.0×103——相对碱度——————<0.20——磷酸根mg/L——————————亚硫酸根mg/L——————————水准标项目样5.2检测方法5.2.1 浊度的测定5.2.1.1概要:本测定方法是根据光透过被测水样的强度,以福马肼标准悬浊液作标准溶液,采用浊度仪来测定。
5.2.1.2仪器:浊度仪、滤膜过滤器(装配孔径为0.15μm的微孔滤膜)。
5.2.1.3试剂:无浊度水、硫酸联氨溶液、六次甲基四胺溶液、浊度为400FTU 的福马肼贮备标准溶液、浊度为200FTU福马肼工作液。
5.2.1.4测定方法1)仪器校正2)水样的测定:取充分摇匀的水样冲洗试样瓶3次,再将水样倒入试样瓶内至刻度线,擦净瓶体的水迹和指印后置于试样座内,旋转试样瓶的位置,使试样瓶的记号线对准试样座上的定位线,然后盖上遮光盖,待仪器显示稳定后,直接在浊度仪上读数。
3)允许差:浊度测定的允许差见下表5.2.2 硬度的测定5.2.2.1概要:本测定方法是在pH为10±0.1的水溶液中,用铬黑T做指示剂,以乙二胺四乙酸二钠盐(EDTA)标准滴定溶液滴定至蓝色为终点,根据消耗EDTA的体积,即可算出硬度值。
锅炉水质标准锅炉水质是指锅炉内水的化学成分和物理性质。
合理的锅炉水质是保证锅炉安全运行和延长锅炉使用寿命的重要条件之一。
因此,严格控制锅炉水质,符合相关标准是非常重要的。
首先,我们来看一下锅炉水质标准的相关内容。
根据国家标准《锅炉水质标准》(GB1576-2001),锅炉水质应符合以下要求:1. 总硬度,应小于0.03mol/L;2. PH值,应在10-12之间;3. 溶解氧,应小于0.1mg/L;4. 总碱度,应小于0.02mol/L;5. 游离氨,应小于20mg/L;6. 总铁,应小于0.2mg/L;7. 总硅酸盐,应小于120mg/L。
以上是国家标准中对于锅炉水质的基本要求,但在实际应用中,不同类型的锅炉、不同的工况要求可能会有所不同,因此在具体使用中还需要根据实际情况进行调整。
其次,我们来谈一谈锅炉水质标准的重要性。
首先,合格的锅炉水质可以有效地减少锅炉的腐蚀和垢积,延长锅炉的使用寿命,降低维护成本。
其次,合格的锅炉水质可以保证锅炉的热效率,提高能源利用率,降低能源消耗。
最后,合格的锅炉水质可以减少对环境的污染,保护生态环境,符合可持续发展的要求。
因此,对于锅炉水质的管理非常重要。
在日常使用中,需要定期对锅炉水质进行监测,一旦发现不符合标准的情况,需要及时采取相应的处理措施,保证锅炉水质符合要求。
同时,对于新建锅炉和改造锅炉,也需要根据实际情况确定合适的水质标准,并严格执行。
在实际操作中,我们可以采取以下措施来保证锅炉水质符合标准,首先,加强对水质的监测,定期进行水质分析,及时发现问题并进行处理;其次,加强对水质处理设备的维护和管理,保证其正常运行;最后,加强对操作人员的培训,提高其对水质管理的重视和能力。
总之,锅炉水质标准是保证锅炉安全运行和延长使用寿命的重要条件,合格的锅炉水质可以有效地减少锅炉的腐蚀和垢积,提高能源利用率,保护环境。
因此,我们必须严格执行相关标准,加强对锅炉水质的管理和监测,确保锅炉水质符合要求,为锅炉的安全运行和节能降耗做出贡献。
锅炉水处理检验规则范文一、引言锅炉水处理是保证锅炉安全稳定运行的重要环节,通过对锅炉水进行定期检验,可以及时了解水质状况,发现问题并采取相应措施进行处理。
本规则旨在规范锅炉水处理检验工作,确保其科学、准确和规范进行。
二、检验项目及方法1. 总硬度检验总硬度是衡量锅炉水中钙镁盐含量的重要指标,其检验可以通过滴定法进行。
首先,取适量锅炉水样本,并加入酸性指示剂,使溶液呈酸性。
然后,按照硬度试剂的使用说明,滴定硬度试剂至溶液颜色变化。
记录滴定所需的硬度试剂用量,并按照公式计算总硬度的含量。
2. 碱度检验碱度是衡量锅炉水中氢氧根离子含量的指标,其检验可采用酸碱滴定法。
首先,取适量锅炉水样本,并加入酸性指示剂,使溶液呈酸性。
然后,用盐酸标准溶液进行滴定,滴定至溶液颜色变化。
记录滴定所需的盐酸用量,并按照公式计算碱度的含量。
3. pH值检验pH值是衡量锅炉水酸碱性的指标,其检测可以使用pH计进行。
首先,取适量锅炉水样本,将其倒入pH计中,使pH电极完全浸入其中,等待一段时间。
待pH计显示稳定的数值后,记录下该数值。
4. 溶解氧检验溶解氧是衡量锅炉水中氧气溶解度的指标,其检测可以使用溶解氧仪进行。
首先,将仪器校准至合适的状态,然后将适量的锅炉水样本倒入溶解氧仪中,等待一段时间。
仪器会自动测定并显示溶解氧的数值,将其记录下来。
5. 总碱度检验总碱度是锅炉水中总氢氧根离子含量的指标,其检验可采用酸碱滴定法。
首先,取适量锅炉水样本,并加入酸性指示剂,使溶液呈酸性。
然后,用硫酸标准溶液进行滴定,滴定至溶液颜色变化。
记录滴定所需的硫酸用量,并按照公式计算总碱度的含量。
三、检验结果判定1. 总硬度判定:根据锅炉水的使用情况和相关标准规定,确定总硬度的合理范围。
若检测结果超过合理范围,则需要采取相应措施,如增加对水质的处理或进行水样调整。
2. 碱度判定:根据锅炉水的使用情况和相关标准规定,确定碱度的合理范围。
若检测结果超过合理范围,则需要采取相应措施,如增加对水质的调整或进行酸洗处理。
蒸汽锅炉水质检测标准一、总硬度。
总硬度是指水中钙和镁的离子总和,通常以mg/L(毫克/升)表示。
蒸汽锅炉水中总硬度的标准范围为150-400mg/L,超出此范围会导致水垢的生成,影响锅炉的热传递效果,甚至损坏设备。
二、碱度。
碱度是指水中碳酸氢根离子和羟根离子的总和,通常以mg/L(毫克/升)表示。
蒸汽锅炉水中碱度的标准范围为100-300mg/L,低于此范围会导致锅炉水腐蚀,高于此范围则会导致碱蒸汽腐蚀。
三、氧含量。
蒸汽锅炉水中氧的含量对设备的腐蚀具有重要影响。
通常情况下,蒸汽锅炉水中的溶解氧含量应控制在0.1mg/L以下,超出此范围会导致设备的腐蚀加剧。
四、水垢生成倾向。
水垢是蒸汽锅炉中常见的问题之一,其生成会影响设备的热传递效果,甚至导致设备的故障。
因此,蒸汽锅炉水质检测中需要对水垢生成倾向进行评估,以便采取相应的防护措施。
五、水中杂质。
蒸汽锅炉水中可能存在各种杂质,如铁、铜、锰等。
这些杂质的存在会对设备造成损害,因此在水质检测中需要对这些杂质进行检测和分析,以便及时采取清除措施。
六、水质监测方法。
蒸汽锅炉水质监测的方法主要包括化学分析和物理分析两种。
化学分析主要是通过化学试剂对水中各项指标进行检测,而物理分析则是通过仪器设备对水质进行监测。
在进行水质监测时,需要严格按照相关标准和方法进行操作,以确保检测结果的准确性和可靠性。
七、水质检测标准的重要性。
蒸汽锅炉水质检测标准的制定和执行对于保障锅炉设备的安全运行和延长设备寿命具有重要意义。
只有通过科学、严格的水质检测和监测,才能及时发现问题并采取相应的措施,从而保证锅炉设备的正常运行。
总结,蒸汽锅炉水质检测标准是保障设备安全运行的重要保障措施,各行业工作者应加强对相关知识的学习和掌握,提高水质检测的科学性和准确性,以确保蒸汽锅炉设备的安全运行和延长设备寿命。
锅炉水质检测标准锅炉水质检测是保障锅炉安全运行和延长锅炉使用寿命的重要手段。
合理的水质检测标准可以有效地预防水垢、腐蚀等问题,保证锅炉系统的正常运行,提高能源利用效率,降低能源消耗。
下面将介绍锅炉水质检测的标准及相关内容。
一、总固体含量。
总固体含量是指水中所有溶解性固体的总和,通常以毫克/升(mg/L)来表示。
合格的锅炉水总固体含量应在规定范围内,过高的总固体含量会导致水垢和结垢,影响锅炉的传热效果和热交换效率。
二、溶解氧含量。
溶解氧含量是指水中溶解的氧气的含量,通常以毫克/升(mg/L)来表示。
合格的锅炉水溶解氧含量应在规定范围内,过高或过低的溶解氧含量都会对锅炉造成腐蚀和氧化的影响。
三、PH值。
PH值是指水溶液中氢离子的活度,是衡量水的酸碱性的指标。
合格的锅炉水PH值应在规定范围内,过高或过低的PH值都会影响水的腐蚀性和结垢性。
四、碱度。
碱度是指水中碱性物质的含量,通常以碳酸氢根离子或氢氧根离子的当量浓度来表示。
合格的锅炉水碱度应在规定范围内,过高或过低的碱度都会对锅炉造成腐蚀和结垢的影响。
五、氯离子含量。
氯离子是常见的水质污染物之一,会对锅炉系统造成腐蚀和结垢的影响。
合格的锅炉水氯离子含量应在规定范围内,过高的氯离子含量会对锅炉系统造成严重的腐蚀和腐蚀疲劳。
六、硅酸盐含量。
硅酸盐是常见的水质污染物之一,会对锅炉系统造成结垢和管道堵塞。
合格的锅炉水硅酸盐含量应在规定范围内,过高的硅酸盐含量会对锅炉系统造成严重的结垢和管道堵塞。
七、浊度。
浊度是指水中悬浮物和颗粒物的含量,通常以浊度值来表示。
合格的锅炉水浊度应在规定范围内,过高的浊度会影响锅炉的传热效果和热交换效率。
综上所述,锅炉水质检测标准涉及多个指标,合格的水质检测标准可以保证锅炉系统的正常运行,提高能源利用效率,延长锅炉的使用寿命。
因此,对锅炉水质进行定期检测,及时调整和处理水质问题,对于保障锅炉系统的安全运行和延长锅炉的使用寿命具有重要意义。
文件名称 锅炉水质质量标准及 检测方法文件编号起草人 审核人批准人 起草日期 审核日期 批准日期 颁发部门 品质保障部分发部门 责任部门版本状态 新订 发布日期生效日期页数共8页第1页 变更时间变更原因1.目的:建立锅炉水质质量标准及检测方法。
2.范围:原水、软化水、给水、锅水、回水.3.责任:品质保障部、设备动力部。
4。
依据:《工业锅炉水质》(GB1576—2008). 5.内容:5.1质量标准原 水 软化水 给 水 锅 水 回 水 (回收利用)浊度 FTU —— ≤5。
0 ≤5.0 -- -— 硬度 mmol/L —- ≤0.030 ≤0。
030 —— ≤0.030 pH(25℃)—— 7.0~9。
0 7.0~9。
0 10。
0~12。
0 —— 油 mg/L —- ≤2.0 ≤2。
0 —- ≤2。
0 全铁 mg/L —— ≤0.30 ≤0。
30 —— ≤0。
30 电导率(25℃) μS/cm —— —— 6。
0×102 —- -— 全碱度 mmol/L -— —- —- 6.0~26。
0 —— 酚酞碱度 mmol/L —— —— —— 4。
0~18.0 -- 溶解固形物 mg/L —- —— ≤3.6×102 ≤4。
0×103 -— 相对碱度————-—<0.20--水准标 项目样5。
2检测方法5。
2.1 浊度的测定5.2。
1。
1概要:本测定方法是根据光透过被测水样的强度,以福马肼标准悬浊液作标准溶液,采用浊度仪来测定。
5。
2。
1.2仪器:浊度仪、滤膜过滤器(装配孔径为0.15μm的微孔滤膜).5。
2.1.3试剂:无浊度水、硫酸联氨溶液、六次甲基四胺溶液、浊度为400FTU 的福马肼贮备标准溶液、浊度为200FTU福马肼工作液。
5。
2.1。
4测定方法1)仪器校正2)水样的测定:取充分摇匀的水样冲洗试样瓶3次,再将水样倒入试样瓶内至刻度线,擦净瓶体的水迹和指印后置于试样座内,旋转试样瓶的位置,使试样瓶的记号线对准试样座上的定位线,然后盖上遮光盖,待仪器显示稳定后,直接在浊度仪上读数.3)允许差:浊度测定的允许差见下表5.2。
锅炉给水水质标准标准化管理处编码[BBX968T-XBB8968-NNJ668-MM9N]
中华人民共和国锅炉给水水质标准(GB1576-79、DL/T561-95)
一、范围
本标准规定了工业锅炉运行时的要求。
本标准适用于额定出口蒸汽压力小于等于,以水为介质的固定式蒸汽锅炉和汽水两用锅炉也适用于以水为介质的固定式承压热水锅炉和常压热水锅炉。
二、标准
1、蒸汽锅炉和汽水两用锅炉的给水一般应采用锅外化学水处理,应符合表1规定
表1
国家质量技术监督局2001-01-10批准 2001-10-01实施表1(完)
表2
3 、承压热水锅炉给水应进行锅外水处理,对于额定功率小于等于非管架式承压的热水锅炉和常压热水锅炉,可采用锅内加药处理,但必须对锅炉的结垢、腐蚀和加强监督,认真做好加药工作,其应符合表3的规定。
表3
1) 通过补加药剂使锅水pH值控制在10一12。
2) 额定功率大于等于的承压热水锅炉给水应除氧,额定功率小于的承压热水锅炉
和常压热水锅炉给水应尽量除氧。
4、直流(贯流)锅炉给水应采用锅外化学水处理,其按表1中额定蒸汽压力为大于、小
于等于的标准执行。
5、余热锅炉及电热锅炉的指标应符合同类型、同参数锅炉的要求。
表1 90T、35T锅炉水质标准项目入炉水炉水1效水2效水煮糖水软水检测时间含糖份(mg/L)≤1/6w≤1/6w≤1/15w≤1/4w—1小时一次硬度(μmol/L)≤2.0———≤2.0一班两次总碱度(m mol/L)—≤5———2小时一次pH(25℃)8.8-9.3 9.0-11.0 ———2小时一次磷酸根(mg/L)—5-15 ———2小时一次Cl-(mg/L)—≤50——不大于生水2小时一次表2 20T、25T、30T锅炉水质标准项目入炉水(除氧箱水)炉水1效水2效水煮糖水软水检测时间含糖份(mg/L)≤1/6w≤1/6w≤1/15w≤1/4w—1小时一次硬度(μmol/L)≤2.0———≤2.0一班两次总碱度(m mol/L)—≤5———2小时一次pH(25℃)8.0-9.2 10-12 ———2小时一次磷酸根(mg/L)—10-30 ———2小时一次Cl-(mg/L)—≤50——不大于生水2小时一次分析项目及结果1、联氨(μg/L) —2、pH(25℃) 8.8~9.33、总硬度(μmol/L) ≤2.04、含油量(mg/L) 〈1.0 TOC/(μg/L) —5、溶解氧(μg/L) ≤156、Cl-(mg/L) —7、铁(μg/L) ≤508、镍(μg/L)9、铜(μg/L) ≤1010、钠(μg/L) —11、电导率(25℃)(μS/cm) —12、二氧化硅(mg/L) 应保证蒸汽二氧化硅符合标准13、二氧化硅(mg/L) —14、总碱度(m mol/L) ≤18 (〉18时排污)15、pH(25℃) 9.0~11.016、二氧化硅(mg/L) —17、磷酸根(mg/L) 5~1518、总含盐量(mg/L)19、Cl-(mg/L) —20、电导率(25℃)(μS/cm) —表1锅项目给水水>1.6 >1.6 额定蒸汽压力, MPa≤2.5 ≤2.5悬浮物,mg/L ≤5总硬度,mmol/L1)≤0.03总碱度,mmol/L2)≤12pH(25≥710-12 ℃)溶解氧,mg/L3)≤0.05溶解固形物,mg/L4)无过热器<3000 有过热器<2500SO2-3,mg/L4)10-30PO3-4,mg/L 10-30相对碱度游离NaOH/溶解固形物)5)<0.2含油量,mg/L ≤2含铁量,mg/L6) ≤0.3表1区分额定蒸汽压力MPa1.6<P≤2.5 补给水类型软化水除盐水给水浊度FTU≤5.0 ≤2.0 硬度mmol/L≤0.030≤0.030 pH(25℃)7.0~9.0 8.0~9.5溶解氧amg/L≤0.050≤0.050油mg/L≤2.0≤2.0全铁mg/L≤0.30 ≤0.10 电导率(25℃)μS/cm≤5.0×102≤1.0×102锅水全碱度bmmol/L无过热器 6.0~16.0 ≤8.0有过热器≤12.0 ≤8.0 酚酞碱度mmol/L无过热器 4.0~12.0 ≤5.0有过热器≤8.0 ≤5.0 pH(25℃)10.0~12.010.0~12.0溶解固形物 mg/L无过热器 ≤3.0×103 ≤3.0×103 有过热器 ≤2.5×103 ≤2.5×103磷酸根c mg/L 10.0~30.0 10.0~30.0 亚硫酸根dmg/L 10.0~30.0 10.0~30.0 相对碱度e<0.20<0.20项目 给水 锅水 额定蒸汽压力,Mpa ≤1.0 >1.0 ≤1.6 >1.6≤2.5 ≤1.0 >1.0 ≤1.6 >1.6 ≤2.5悬浮物,mg/L ≤5 ≤5 ≤5 — — —总硬度,mmol/L1) ≤0.03 ≤0.03 ≤0.03 — — — 总碱度,mmol/L2) 无过热器 — — — 6~26 6~24 6~16 有过热器 — — — — ≤14 ≤12pH(25℃) ≥7 ≥7 ≥7 10~12 10~12 10~12溶解氧,mg/L3) ≤0.1 ≤0.1 ≤0.05 — — — 溶解固形物,mg/L4) 无过热器 — — — <4000 <3500 <3000 有过热器 — — — — <3000 <2500 SO32-,mg/L — — — — 10~30 10~30 PO43-,mg/L — — — — 10~30 10~30相对碱度(游离NaOH\溶解固形物)5) — — — — <0.2 <0.2 含油量,mg/L ≤2 ≤2 ≤2 — — —含铁量,mg/L6) ≤0.3 ≤0.3 ≤0.3 — — —。
锅炉水质监测标准及方法
一、引言
锅炉是工业生产中常见的设备之一,水质的监测对于保证锅炉
正常运行具有重要意义。
本文将介绍锅炉水质监测的标准及方法。
二、标准
在进行锅炉水质监测时,需要参考以下标准:
1. 《锅炉水质标准》(GB/T -2016):该标准规定了锅炉水中
各项指标的要求和限值。
在监测过程中需要根据该标准进行检测,
并确保水质符合标准要求。
2. 《锅炉及压力管理条例》(JB/T 1617-2002):该条例详细
规定了锅炉及压力的管理要求,包括水质的监测与控制。
在监测过
程中需要遵守该条例的相关规定。
三、方法
进行锅炉水质监测时,可以采用以下方法:
1. 采样:首先需要在合适位置取样,可以选择锅炉进水口、水
冷壁回水口等位置。
取样时应注意避免污染,避免异物进入样品中。
2. 检测:采样后,可以采用化学分析方法或仪器分析方法进行
水质检测。
化学分析方法包括pH值检测、硬度检测、氧化还原电
位检测等,仪器分析方法包括离子色谱法、电导率测量法等。
3. 结果分析:对于检测结果,需要与标准进行比对,判断水质
是否符合要求。
若水质超出标准限值,需要采取相应措施进行调整
和处理。
四、结论
锅炉水质监测是确保锅炉正常运行的重要环节。
在监测过程中,应参考相应标准进行检测,并根据检测结果判断水质是否符合要求。
如发现异常情况,应及时采取措施进行调整和处理,以保证锅炉的
安全运行。
锅炉水质检测标准锅炉是工业生产中常见的一种设备,它的运行状态直接关系到生产效率和安全。
而锅炉的水质则是影响锅炉运行的重要因素之一。
因此,对锅炉水质进行检测,是确保锅炉安全运行的重要手段之一。
本文将介绍锅炉水质检测的标准及相关内容。
一、外观检测。
外观检测是锅炉水质检测的第一步,通过观察水质的颜色、透明度等外观特征,初步判断水质是否正常。
正常的水质应该是无色透明的,如果出现浑浊、有色等异常情况,就需要进一步检测。
二、PH值检测。
PH值是衡量水质酸碱度的重要指标,对于锅炉水质来说,PH值的正常范围一般在7-9之间。
过低或过高的PH值都会对锅炉产生不利影响,因此需要定期检测PH值,并根据检测结果进行调整。
三、含氧量检测。
水中的含氧量对于锅炉来说也是一个重要指标,过高的含氧量会导致锅炉腐蚀,而过低的含氧量则会影响燃烧效率。
因此,需要对水中的含氧量进行检测,并根据检测结果采取相应的措施。
四、总硬度检测。
总硬度是指水中钙和镁的含量,高硬度的水会导致结垢,影响锅炉的热传导效果,因此需要对水中的总硬度进行检测,确保水质符合要求。
五、碱度检测。
碱度是指水中碳酸氢根离子和碳酸根离子的含量,对于锅炉水质来说,碱度的合理范围可以有效防止锅炉水垢和腐蚀的产生,因此需要对水中的碱度进行检测,并根据检测结果进行调整。
六、电导率检测。
电导率是衡量水中电解质含量的指标,对于锅炉水质来说,电导率的变化会直接影响水的导热性能,因此需要对水中的电导率进行检测,确保水质处于正常范围内。
七、微生物检测。
水中微生物的存在会导致水质恶化,对于锅炉来说也会产生不利影响。
因此,需要定期对水中微生物进行检测,并采取相应的消毒措施,确保水质符合要求。
总结,锅炉水质检测是确保锅炉安全运行的重要环节,通过对水质各项指标的检测,可以及时发现水质异常,并采取相应的措施进行调整,保证锅炉的正常运行。
因此,对于锅炉水质检测标准的严格执行,对于确保生产安全和提高生产效率具有重要意义。
2023年锅炉水处理检验规则随着科技的进步和环境保护意识的增强,锅炉水处理在工业生产中扮演着重要的角色。
为了确保锅炉的正常运行和安全性,2023年将实施一系列新的锅炉水处理检验规则。
本文将对这些规则进行详细介绍。
一、水质检测方法1. 禁止使用硝普钠法(化学法)进行水质检测。
替代方法包括电化学法、光谱法等,这些方法可以提供更加准确和可靠的检测结果。
2. 强制实施在线水质监测系统。
各种锅炉系统都应安装在线水质监测设备,并与锅炉自动控制系统进行连接,实现实时监测和控制。
3. 水样采集和处理应遵循严格的操作规程。
采样过程中应注意避免任何可能引入污染物的情况,采样容器和工具应经过洁净处理。
二、水质指标及标准1. pH值:对于不同类型的锅炉系统,要求不同的pH值范围。
例如,低压锅炉要求pH值在7.5-9.0之间。
2. 锅炉水硬度:硬度限制应根据锅炉系统的具体要求确定。
3. 溶解氧含量:低压锅炉水中的溶解氧含量不得超过0.1mg/L,高压锅炉水中不得超过0.02mg/L。
4. 游离氯含量:锅炉水中游离氯的含量不得超过10mg/L。
5. 其他有害物质的限制:对锅炉水中其他有害物质,如铁、铜、铅等的含量也应有相应的限制。
三、检测频率和方法1. 对于大型锅炉系统,每日进行在线水质监测,记录系统的基本水质参数。
2. 每周对锅炉水进行全面的化学分析。
包括pH值、硬度、溶解氧含量、游离氯含量等指标的测定。
3. 每月对锅炉水进行微生物检测,包括常见微生物菌群的检测和计数。
4. 每季度对锅炉水进行全面的物理性能检测,包括水位、流量、压力、温度等参数的测定。
5. 每年对锅炉水进行全面的化学成分检测,包括铁、铜、铅等有害物质的测定。
四、检测结果和处理措施1. 检测结果应及时记录,形成检测报告并保存。
检测报告包括水质指标的测定结果和与标准的比较。
2. 针对超标的指标,应立即采取相应的处理措施。
处理措施可以包括添加药剂、增加补充水流量、清洗设备等。
锅炉水质化验标准及方法锅炉水质化验指标要求一、锅炉运行水质指标1.硬度指标:热水锅炉:≤0.6 mmoi/L蒸气锅炉:≤0.03 mmoi/L2.氯化物含量:锅水的氯化物含量<生水的氯化物含量×23.碱度指标:热水锅炉:14-18mmoi/L蒸气锅炉:16-19mmoi/L4.PH值热水锅炉:9-11蒸气锅炉:10-12二、硬度的测定1.硬度的测定原理:当水样PH=10.0±0.1时,EDTA能够和水中的钙镁离子生成无色的稳定络合物;铬黑T指示剂也能与钙镁离子生成酒红色络合物,但不如EDTA所生成的络合物稳定;当用EDTA溶液滴定到达终点时,EDTA从铬黑T酒红色络合物中夺取钙镁离子,使铬黑T指示剂由酒红色游离出它本身的颜色纯蓝色,即为滴定终点。
2.生水的硬度测定用量筒量取50ML水样,倒入锥型瓶;加5毫升氨缓冲溶液;加2-3滴铬黑T指示剂,水样呈酒红色;用EDTA溶液滴定水样呈纯蓝色为终点;记录EDTA消耗体积数;用质量守恒定律计算生水硬度。
计算方法:YD生=EDTA浓度×EDTA消耗体积×1000/水样体积计量单位:XXX(mmoi/L)3.软水的硬度测定用量筒量取100ML水样,倒入锥型瓶;加3毫升氨缓冲溶液;加2-3滴铬黑T指示剂,水样呈酒红色;用EDTA溶液滴定水样呈纯蓝色为终点;记录EDTA消耗体积数;用质量守恒定律计算软水硬度。
计算方法:YD软=EDTA浓度×EDTA消耗体积×1000/水样体积计量单位:XXX(mmoi/L)三、氯化物的测定1.氯化物的测定原理:在中性或弱碱性溶液中,氯化物与硝酸银作用生成白色氯化银沉淀,过量的硝酸银与铬酸钾作用生成砖红色铬酸银沉淀,使溶液颜色显橙色,即为滴定终点。
2.生水的氯化物测定:用量筒量取100ML水样,倒入锥心瓶;加铬酸钾指示剂1毫升,水样呈黄色;用硝酸银溶液滴定水样显橙色为滴定终点;记录消耗硝酸银溶液体积数;用质量守恒定律计算生水氯化物含量。
锅炉水处理水质化验标准一检测项目一硬度的测定(一)所需试剂:NH4—(NH4)CL缓冲溶液。
0.5%铬黑T指示剂。
EDTA(C=0.02mol/l)(二)水样的硬度﹥0.5mmol/l时;(1)取透明水样50ml注于250ml锥形瓶中,用除盐水稀释至100ml。
(2)加入5mlNH4—(NH4)CL缓冲溶液和2~5滴铬黑T指示剂,在不断摇动下,用0.02mol/lEDTA标准溶液滴定至溶液由酒红色转变为蓝色为终点,记录所耗EDTA的体积数(V).(三)水样硬度≤0.5mmol/l时;(1)取100m透明水样注于250ml锥形瓶中.(2)加3ml NH4—(NH4)CL缓冲溶液和2滴铬黑T指示剂,在不断摇动下,用0.001mol/lEDTA标准溶液滴定至蓝色为终点,记录所耗EDTA的体积数(V).(四)计算方法硬度(YD)=C*V*103/Vs…………..mmol/l(1)或(YD)=C*V*106/ Vs………….. mmol/l(2)式中:C—C1/2EDTA标准溶液的摩尔浓度,mol/l;V—滴定时所耗EDTA标准溶液的体积,ml;Vs—水样的体积,ml。
二碱度的测定(一)所需试剂:1%酚酞指示剂。
0.1%甲基橙指示剂。
甲基红—亚甲基蓝指示剂。
硫酸标准溶液(C=0.1000mol/l`0.050mol/l`0.0100mol/l)。
(二)测定方法:1 `碱度大的水样,如锅水`化学净水`生水……单位mmol/l(1)取100ml透明水样注于250ml锥形瓶中。
(2)加入3滴1%酚酞指示剂,若显红色,用0.1mol/l硫酸标准溶液滴定至恰好无色,记录耗酸量(V1)。
再加入2滴甲基橙指示剂,用硫酸标准溶液滴定至溶液呈橙红色为终点,记录耗酸量(V2)2碱度小的水样,如凝结水`回水……单位mmol/l(1)取100ml透明水样注于250ml锥形瓶中。
(2)加入3滴1%酚酞指示剂,若显红色,用微量滴定管用0.01mol/l硫酸标准溶液滴定至恰好无色,记录耗酸量(V1)。
锅炉水质标准锅炉水质是指在锅炉中使用的水的质量要求。
锅炉水质的标准受到各种条件的影响,例如锅炉设计、制造材料、水源地区、水质处理方式等。
因此,各个国家和地区都制定了相应的锅炉水质标准以确保锅炉的安全和高效运行。
在中国,锅炉水质标准由国家质量监督检验检疫总局和国家标准化管理委员会联合发布了《锅炉用水质量标准(GB1576-2001)》。
该标准主要包括以下几个方面:1. 总硬度:锅炉水中的总钙和镁离子浓度,通常以毫克每升(mg/L)来表示。
总硬度应控制在100 mg/L以下。
2. pH值:锅炉水的pH值是指水的酸碱程度,对于大多数锅炉来说,pH值应该控制在7-12之间。
3. 溶解氧:氧气是锅炉中的一个常见污染物,它会造成腐蚀和垢积。
溶解氧的含量应控制在0.1 mg/L以下。
4. 硅酸盐:硅酸盐是锅炉水中的另一个常见污染物,它会造成热管堵塞和锅炉管道的腐蚀。
硅酸盐的含量应控制在80 mg/L以下。
5. 氯离子:氯离子是一种常见的水中污染物,它可能会造成腐蚀和垢积,应该控制在50 mg/L以下。
6. 总碱度:锅炉水的总碱度是指水中碳酸盐和氢氧化物的浓度,通常用mg/L 来表示。
总碱度应控制在400 mg/L以下。
7. 硫酸盐:硫酸盐是锅炉水中的一种污染物,它可能会造成腐蚀和垢积。
硫酸盐的含量应控制在30 mg/L以下。
8. 氨氮:氨氮是锅炉水中的一种污染物,它可能会对锅炉管道造成腐蚀。
氨氮的含量应控制在0.5 mg/L以下。
以上是中国《锅炉用水质量标准(GB1576-2001)》的主要内容。
需要注意的是,不同的锅炉类型和使用条件可能需要不同的水质标准,因此在实际应用中需要根据具体情况进行合理的水质控制。
锅炉水质化验标准锅炉水质是影响锅炉运行安全和经济运行的重要因素之一,合理的水质化验标准对于保障锅炉的正常运行具有重要意义。
本文将详细介绍锅炉水质化验标准的相关内容,以期为相关工程技术人员提供参考。
一、总硬度。
总硬度是水中钙和镁离子的总和,通常以mg/L(ppm)为单位。
一般来说,锅炉水的总硬度应控制在150mg/L以下,过高的总硬度会导致水垢的生成,影响锅炉的热传导效果,增加能耗。
二、碱度。
碱度是水中碳酸氢根离子和碳酸根离子的总和,通常以mg/L (CaCO3)为单位。
合格的锅炉水碱度应在100-300mg/L之间,碱度过高会导致锅炉水泡沫、腐蚀等问题,碱度过低则会影响水质的稳定性。
三、氧含量。
氧气是导致锅炉水腐蚀的主要原因之一,因此氧含量的控制至关重要。
一般来说,锅炉水中的氧含量应控制在0.02mg/L以下,过高的氧含量会导致锅炉水腐蚀加剧,影响锅炉寿命。
四、PH值。
PH值是衡量水性酸碱度的重要指标,对于锅炉水来说,PH值应控制在8.5-12之间,过低或过高的PH值都会对锅炉造成损害,影响其安全运行。
五、氯离子含量。
氯离子是导致锅炉水腐蚀的另一个重要因素,因此氯离子含量的控制也十分重要。
一般来说,锅炉水中的氯离子含量应控制在30mg/L以下,过高的氯离子含量会导致锅炉水腐蚀加剧,影响锅炉寿命。
六、硅含量。
硅是锅炉水中的一种常见元素,但过高的硅含量会导致水垢的生成,影响锅炉的热传导效果。
因此,合格的锅炉水硅含量应控制在150mg/L以下。
七、总溶解固体。
总溶解固体是水中所有溶解固体物质的总和,通常以mg/L (ppm)为单位。
合格的锅炉水总溶解固体应控制在2500mg/L以下,过高的总溶解固体会影响水质的稳定性,增加锅炉的清洗频率。
综上所述,锅炉水质化验标准是保障锅炉安全运行的重要保障之一,合理的水质化验标准能够有效预防水垢、腐蚀等问题的发生,延长锅炉的使用寿命,降低能耗,提高锅炉的运行效率。
因此,相关工程技术人员在进行锅炉水质化验时,务必严格按照标准进行,确保锅炉的安全稳定运行。
锅炉用水化验标准及方法一、硬度测定(注:所用水样容器先用被测水冲洗干净)取100ml透明水样注于250ml 锥形瓶中,加入3ml 氨-氯化铵缓冲液,再加入2 滴铬黑T指示剂。
在不断摇动下,用0.001mmol/L EDTA 标准溶液滴定至蓝色即为终点,记EDTA 标准溶液所消耗的体积。
计算公式如下:式中:C指EDTA标准溶液的浓度;V 指滴定时所消耗的EDTA 的体积;VS指水样的体积。
二、碱度测定取100ml 透明水样,置于锥形瓶中,加入2~3滴酚酞指示剂,此时溶液若显红色,则用0.1mmol∕L硫酸标准溶液滴定至无色,记录耗酸体积V1,然后再加入2 滴甲基橙指示剂,继续用硫酸标准液滴定至橙红色,记录第二次耗酸体积V2(不包括V1)。
计算公式如下:式中:JD总指全碱度;C指硫酸标准溶液的浓度(mmol/L);V1、V2指两次滴定时所耗硫酸标准溶液的体积,单位ml;VS指水样体积,单位ml。
三、氯根测定(1)量取100mL水样,注入锥形瓶中,加2~3滴酚酞指示剂,若显红色,即用硫酸标准溶液中和至无色,若不显红色,则用0.1N NaOH(氢氧化钠)溶液滴至微红色,然后用H2SO4(硫酸)中和到无色。
(2)加入10% 的铬酸钾指示剂10 滴,摇匀,用硝酸银标准溶液(1mL≈1mgCl-)进行滴定。
终点显橙色。
记录硝酸银消耗体积为 a mL 。
同时取100mL 蒸馏水,按上述操作方法作空白试验,记录消耗AgNO3(硝酸银)的体积为b mL 计算公式如下:C=氯化物含量a ——滴定水样时硝酸银的消耗量,mL;b ——滴定蒸馏水时硝酸银体积,mL;1.0——硝酸银浓度T=1 ;V ——水样体积,mL ;。
1.目的:建立公司锅炉水质监督的管理规范。
2.适用范围:公司锅炉水质监督。
3.责任相关:设备工程部经理(或主管)、生产部、设备工程师、锅炉操作工。
4.内容:
4.1锅炉水质化验监督,首先要按有关操作规定正确取样,水样要具有真实性与代表性。
在水质测定过程中要保证各项数据的准确性和可靠性,用以指导锅炉、水处理设备的安全经济运行。
4.2操作工应加强对锅炉软化水系统的原理和操作过程的学习和认识。
4.3对水质的检查:对锅炉用水要通过化学分析来进行监督,对于水质变化不大的原水,可根据具体条件,每月或每季分析一次。
4.4对于补给水,在使用时由水质化验员每周分析一次,软化器处理可只测定软水的残余硬度、碱度。
根据交换器水硬度变化确定再生时间。
4.5对于锅炉水应每班,进行一次硬度、碱度、pH值的测定。
4.6严禁非操作人员对锅炉软化水系统进行操作。
水质化验员检测时应填写检测记录,由锅炉工复核。
4.7严格检查锅炉系统内循环用水的水质情况,保证锅炉的正常使用。
4.8及时对锅炉内循环用水进行定量定时排污、更换及时补充,以使锅炉内循环水的水量附合要求,水质不恶化,从而确保系统免受不必要的损害。
4.9做好停炉检修时的检查监督。
4.9.1 锅炉停止运行检修时,首先要由水质管理人员检查结垢,腐蚀情况,对垢的成份和厚度、腐蚀的面积和深度以及部位做好详细记录,要采集保留水垢及腐蚀产物的样品。
4.9.2搞好水处理的经济核算工作。
5.附记录清单:锅炉水质检测记录
1/2。