ERP采购流程
- 格式:docx
- 大小:160.94 KB
- 文档页数:4
erp使用流程【ERP 使用流程】**前言**亲爱的小伙伴们,在当今数字化的时代,企业资源规划(ERP)系统就像是企业运营的得力助手,能让我们的工作更加高效、有序。
那什么是 ERP 呢?简单来说,它就是一个能把企业的各种资源,比如人力、财务、物资等整合在一起管理的软件。
今天咱们就来聊聊 ERP 的使用流程,目的就是让大家都能轻松上手,让工作变得更轻松、更高效!**适用范围**咱们这套 ERP 使用流程适用于各种规模的企业,不管你是大企业还是小企业,只要你想把企业的资源管理得井井有条,都能用得上。
比如说,一家制造企业,需要管理原材料的采购、生产过程的监控、产品的销售以及财务的收支,这时候 ERP 就能大显身手啦。
再比如一家服务型企业,要安排员工的工作任务、跟进客户的需求、计算项目的成本等等,ERP 也能帮上大忙。
说白了,只要你的企业有资源需要管理和协调,ERP 就能发挥作用。
**术语定义**在了解 ERP 使用流程之前,咱们先得弄明白几个关键的术语。
“模块”:ERP 系统里被划分出来的不同功能区域,就像一个大柜子被分成了好多小抽屉,每个抽屉都有专门的用途,比如财务模块、采购模块、销售模块等等。
“流程节点”:这就像是在完成一项任务过程中的一个个关键步骤,比如采购流程中的下单、审批、收货等就是流程节点。
“数据录入”:把各种信息输入到 ERP 系统里,就像把东西放进仓库一样,得按照规定的方式和位置放好。
**正文**1. 系统登录- 打开浏览器,输入 ERP 系统的网址。
- 输入用户名和密码,点击登录按钮。
- 登录成功后,你会看到系统的主界面,上面有各种模块的入口。
比如说,你是负责采购的,就可以直接点击采购模块进入相应的工作页面。
常见问题:有时候可能会忘记密码,别着急,一般系统都有“忘记密码”的功能,按照提示操作就能重置密码啦。
2. 基础数据录入- 客户信息录入- 进入客户管理模块。
- 点击“新增客户”按钮。
3-1 ERP系统物资业务流程操作§1采购需求计划(采购申请)△登陆→项目需求计划→申请→“采购申请”录入界面▲需求计划录入操作1、头信息。
说明→审批组:一人兼两个以上项目岗位的,要选对项目→2、行信息。
类型:货物→物料→数量→价格→日期→3、分配→项目→保存—编号→关闭→4、单击“行”,自行信息“类型”开始重复2至3的步骤,以编制第二行计划→5、审批→附注→确定注意:1、说明:如输入“钢材需求计划”,以备遗忘编号时便于查找申请单。
2、价格:务必填0!3、日期:做计划当天的实际日期之后的某一天。
4、物料查找——%①输入法要用英文方式②模糊查找,统配符;③输入%后打开的第二个对话框中,可输入两个%,中间夹汉字(具体品种中的部分字眼),以快速查找物料。
如“%红砖%”。
5、一份计划中,同一品种规格的物料,其它信息相同时,不要做成两行,除非时间不同,否则会出错!▲首选项操作步骤1、进入“采购申请”录入界面→2、工具→首选项→3、需要日期→项目信息→项目—确定→关闭注意:1、进入申请编制界面,未做任何操作前使用首选项!2、只选择日期、项目,不选别的!项目信息中,只选项目,不要动其它的。
首选项UPK,见“单据快捷输入”→材料计划要配▲查找申请单步骤申请汇总→输入“%+单据号后3位”→查找△带“汇总”的功能项,均为可实施查询的。
▲查询单据状态步骤查找→选择行→工具→历史活动记录§2采购合同管理(一揽子采购协议=采购合同,采购订单之一)△登陆→项目采购合同管理→采购订单→“一揽子采购协议/采购合同/采购订单”录入界面。
▲采购合同/一揽子采购协议操作步骤1、头信息。
供应商→说明→“全局”前打钩→审批组→2、行信息。
类型:货物→物料→价格→3、协议/条款→4、保存—编号→5、单击按钮“行”,自行信息“类型”开始重复2至4的步骤,以编制第二行物料→6、附件→7、审批→附注→确定注意:1、供应商:注意右边的地点,确保为“材料供应”!否则会导致财务费用类型错误。
ERP操作图解一般流程控制(具体操作可以查看ERP操作视频)一)已成车为例第一步:销售订单录入。
菜单选择【销售】→【销售订单录入】第二步:销售订单的审核.菜单选择【销售】→【销售订单审核】注:如果系统参数设置中的【销售订单直接审核】,该步省略。
第三步:订单客户BOM的提交【技术】→【订单客户BOM维护】第四步:订单客户BOM的审核【技术】→【订单客户BOM审核】注:如果系统参数中设定【订单客户BOM提交后直接审核】,该步省略。
第五步:做LRP维护.菜单【生产】→【LRP维护】注:在LRP中会出现以下数据的分支,外购件下达给采购,自制件下达给加工中心对于外购件:(采购管理)对应的单据为:采购订单以下为采购管理步骤步骤一:LRP采购指导菜单【采购】→【采购计划指导】→【LRP采购指导】注:跟踪条件的选择:方便起见使用“按销售订单”跟踪(这里需要根据公司情况而定)选择生成以后,物料明细将会到达下面的窗口中,我们要对下面的物料进行采购订单的保存注:如果在系统参数中【是否有采购修补单业务】,当选择物料保存时将会提示是否保存采购修补单步骤二:采购订单维护:菜单:【采购】→【采购订单维护】可以进行采购订单信息的维护。
注:只有采购订单为【新建】状态时,可修改单据信息.步骤三:采购订单审核菜单:【采购】→【采购订单审核】注:如果在系统参数中【采购订单直接审核】框中,当选择某一采购订单来源时,所生成的采购订单将直接通过审核。
步骤四:采购收料单录入菜单【采购】→【采购收料单管理】→【采购收料单录入】【新增】→【供应商选择】→【收料类型:依据订单】→【确定】→【保存】步骤五:采购收料单据的审核菜单【采购】→【采购收料单管理】→【采购收料单审核】注:如果系统参数中设置了【采购收料单直接审核】,该步省略。
步骤六:采购收料检验菜单【采购】→【采购收料检验】步骤七:采购入库:菜单【仓库】→【入库】→【采购入库】注:入库日期应在相应的仓库会计期内进行步骤八:应付单录入菜单【核算】→【应付】→【应付单管理】→【应付单录入】【新增】→【选择厂商】→【开票依据:依据订单】→【确定】→【保存】注:如果系统参数设置中的【销售出库直接生成应收单】,此步省略。
医药行业ERP操作流程医药行业是一个涉及到医疗和药品销售的复杂行业,因此企业需要一个有效的ERP系统来管理各个方面的业务流程。
以下是医药行业ERP的一般操作流程:1.采购管理:-采购计划:根据需求评估制定采购计划,确保库存充足。
-供应商选择:比较不同供应商的价格、质量和信誉,选择合适的供应商。
-采购订单:生成采购订单,包括物料信息、数量和价格等。
-采购跟踪:跟踪采购订单的执行情况,确保按时交付。
2.生产管理:-生产计划:根据市场需求和库存情况,制定生产计划。
-物料需求计划:根据生产计划,生成物料需求计划,以确保所需物料的充足。
-生产订单:生成生产订单,包括产品信息、数量和交付日期等。
-生产过程跟踪:实时跟踪生产过程的状态,如原材料消耗、产品制造进展等。
-成品入库:对生产完成的产品进行质检,符合质量要求后入库。
3.销售管理:-客户管理:建立客户档案,包括客户信息、销售历史等。
-销售订单:根据客户需求生成销售订单,包括产品信息、数量和价格等。
-销售合同:确定订单后生成销售合同,明确双方的权利和义务。
-发货管理:根据销售订单,合理安排产品的发货时间和方式。
-销售回款:跟踪销售订单的回款情况,保持与客户的良好关系。
4.库存管理:-入库管理:根据采购和生产订单,将物料和成品入库,并记录库存信息。
-出库管理:根据销售订单,安排产品的出库,并记录库存变动。
-库存调整:对库存进行盘点和调整,确保库存准确性。
-库存查询:根据需求查询库存情况,包括可用库存、安全库存等。
5.财务管理:-采购付款:核对采购订单和供应商发票后,进行相关付款操作。
-销售收款:核对销售订单和客户付款后,进行相关收款操作。
-成本核算:记录生产过程中的成本信息,如原料成本、人工成本等。
-财务报表:生成财务报表,如利润表、资产负债表等。
6.统计分析:-销售统计:根据销售订单和收款情况,进行销售额和利润的统计分析。
-成本分析:根据成本核算,分析各项成本的占比和趋势。
ERP业务流程整理ERP(Enterprise Resource Planning)是一种集成管理信息系统,旨在帮助企业统一管理和整合资源,提高效率和效益。
企业的业务流程是ERP系统的重要组成部分,通过对业务流程的整理,可以更好地理解和优化ERP系统的实施。
一、采购管理流程采购管理流程包括需求确认、寻找供应商、发出采购订单、收货、验收和支付等环节。
首先,根据企业的需求和计划,确认采购需求,并与相关部门进行沟通。
然后,通过询价或招标的方式寻找合适的供应商,并与供应商进行洽谈和谈判,达成采购合同。
接下来,根据采购合同发出采购订单,并监控供应商交货进度。
收到货物后,进行验收,并更新库存信息。
最后,核对相关发票和付款单据,并进行支付。
二、销售管理流程销售管理流程包括订单接收、备货、发货和收款等环节。
首先,接收客户的订单,并进行数据录入和确认。
将订单传递给相关部门,进行备货和生产计划。
备货完成后,进行包装和发货。
同时,更新库存信息,并生成相应的发货单。
客户收到货物后,进行确认和验收。
最后,根据销售合同和发货单生成相应的发票,并进行收款。
三、生产管理流程生产管理流程包括生产计划制定、物料需求计划、生产订单排程、生产执行和产品入库等环节。
首先,根据市场需求和销售计划制定生产计划,并编制原材料和物料需求计划。
根据计划,生成生产订单,并进行排程和分解。
生产执行过程中,监控生产进度和质量,及时处理异常情况。
生产完成后,进行产品入库,并更新库存和财务账务信息。
四、财务管理流程财务管理流程包括会计核算、财务报表编制、资金管理和成本核算等环节。
首先,根据凭证和票据进行会计核算,更新账簿、科目和总账。
根据凭证记录的信息,编制财务报表,并进行财务分析和决策。
同时,进行资金管理,监控企业的现金流量和资金余额。
最后,进行成本核算,计算产品和服务的成本,并进行成本分析和控制。
五、人力资源管理流程人力资源管理流程包括招聘、培训、绩效考核和薪酬管理等环节。
企业使用金蝶ERP软件的流程1. 介绍金蝶ERP软件是一款集成化的企业资源规划软件,广泛应用于各类企业中。
它提供了全面的功能和工具,帮助企业管理和优化业务流程。
本文将介绍企业使用金蝶ERP软件的流程,包括采购管理、销售管理、库存管理、财务管理等方面。
2. 采购管理企业使用金蝶ERP软件进行采购管理流程如下: - 创建采购订单,包括选择供应商、填写商品信息、数量和价格等。
- 审批采购订单,确保采购请求得到批准,并进行相应的财务核算。
- 生成采购合同或发出采购订单给供应商,以确保商品的交付和供应。
- 收到商品后,进行收货验收和入库,并更新库存信息。
- 进行发票核对和付款操作,确保供应商得到应付的款项。
3. 销售管理企业使用金蝶ERP软件进行销售管理流程如下: - 创建销售订单,包括选择客户、填写商品信息、数量和价格等。
- 审批销售订单,确保销售请求得到批准,并进行相应的财务核算。
- 生成销售合同或发出销售订单给客户,以确保商品的交付和销售。
- 发货商品后,进行出库操作,并更新库存信息。
- 生成发票和收款操作,确保企业收到应收的款项。
4. 库存管理企业使用金蝶ERP软件进行库存管理流程如下: - 设置货物属性,包括商品名称、规格、单位等,并进行分类和编码。
- 记录货物的进货、销售、盘点等操作,并自动更新库存数量和价值。
- 设置库存预警,当库存数量低于设定值时,系统会自动提醒进行补货。
- 进行库存盘点,确保库存信息的准确性,并进行相应的调整操作。
- 生成库存报表和统计信息,帮助企业进行库存管理和预测。
5. 财务管理企业使用金蝶ERP软件进行财务管理流程如下: - 设置企业的财务账户和科目体系,包括资产、负债、收入和支出等。
- 记录企业的日常财务活动,如收入、支出、借贷等,并进行凭证的生成和审核。
- 进行财务报表的生成和分析,包括资产负债表、利润表、现金流量表等。
- 进行财务预算和成本核算,帮助企业进行财务控制和决策。
明源ERP采购管理系统操作手册【最新】介绍本操作手册旨在向用户提供明源ERP采购管理系统的详细操作指南。
明源ERP采购管理系统是一个强大而灵活的工具,可以帮助企业高效管理采购流程和供应商关系。
系统登录1. 打开明源ERP采购管理系统的网页。
2. 输入用户名和密码。
3. 点击“登录”按钮。
主界面1. 登录成功后,您将进入系统的主界面。
2. 主界面显示了系统的各个功能模块,如采购订单、供应商管理、物料管理等。
3. 点击相应的模块,可以进入对应的功能页面。
采购订单创建采购订单1. 在主界面点击“采购订单”模块。
2. 点击“创建采购订单”按钮。
3. 填写采购订单的相关信息,如供应商、物料、数量等。
4. 点击“保存”按钮,保存采购订单。
查看采购订单1. 在主界面点击“采购订单”模块。
2. 在采购订单列表中,可以查看所有已创建的采购订单。
3. 点击相应的采购订单,可以查看详细信息。
编辑采购订单1. 在主界面点击“采购订单”模块。
2. 在采购订单列表中,找到需要编辑的采购订单。
3. 点击编辑按钮,修改采购订单的相关信息。
4. 点击“保存”按钮,保存修改后的采购订单。
供应商管理添加供应商1. 在主界面点击“供应商管理”模块。
2. 点击“添加供应商”按钮。
3. 填写供应商的相关信息,如名称、联系人、联系方式等。
4. 点击“保存”按钮,保存供应商信息。
查看供应商列表1. 在主界面点击“供应商管理”模块。
2. 在供应商列表中,可以查看所有已添加的供应商。
3. 点击相应的供应商,可以查看详细信息。
编辑供应商信息1. 在主界面点击“供应商管理”模块。
2. 在供应商列表中,找到需要编辑的供应商。
3. 点击编辑按钮,修改供应商的相关信息。
4. 点击“保存”按钮,保存修改后的供应商信息。
物料管理添加物料1. 在主界面点击“物料管理”模块。
2. 点击“添加物料”按钮。
3. 填写物料的相关信息,如名称、规格、单位等。
4. 点击“保存”按钮,保存物料信息。
ERP系统操作流程(完整版)一、系统登录1. 打开浏览器,输入ERP系统网址。
2. 在登录界面,输入用户名和密码。
3. “登录”按钮,进入ERP系统主界面。
二、基础信息管理1. 客户管理(1)添加客户:填写客户基本信息,如名称、联系方式、地址等,并保存。
(2)修改客户:在客户列表中找到需修改的客户,“编辑”,修改相关信息后保存。
(3)查询客户:输入关键词,如客户名称、联系方式等,“搜索”查看结果。
2. 供应商管理(1)添加供应商:填写供应商基本信息,如名称、联系方式、地址等,并保存。
(2)修改供应商:在供应商列表中找到需修改的供应商,“编辑”,修改相关信息后保存。
(3)查询供应商:输入关键词,如供应商名称、联系方式等,“搜索”查看结果。
3. 产品管理(1)添加产品:填写产品基本信息,如名称、型号、规格、单价等,并保存。
(2)修改产品:在产品列表中找到需修改的产品,“编辑”,修改相关信息后保存。
(3)查询产品:输入关键词,如产品名称、型号等,“搜索”查看结果。
三、采购管理1. 采购申请(1)填写采购申请单:选择供应商、产品、数量、预计到货日期等信息,并提交。
(2)审批采购申请:采购经理对采购申请进行审批,同意后进入采购订单环节。
2. 采购订单(1)采购订单:根据审批通过的采购申请,采购订单。
(2)发送采购订单:将采购订单发送给供应商。
3. 采购入库(1)验收货物:核对供应商送货单与采购订单,确认无误后进行验收。
(2)入库操作:将验收合格的货物入库,并更新库存信息。
四、销售管理1. 销售订单(1)创建销售订单:填写客户、产品、数量、预计发货日期等信息,并保存。
(2)审批销售订单:销售经理对销售订单进行审批,同意后进入发货环节。
2. 发货管理(1)发货单:根据审批通过的销售订单,发货单。
(2)发货操作:按照发货单进行货物出库,并更新库存信息。
3. 销售回款(1)登记回款:输入客户回款金额、日期等信息,并保存。
erp流程图简要ERP(Enterprise Resource Planning,企业资源计划)是指将不同部门的业务流程和数据整合到一个系统中,实现企业资源的统一管理和信息的高效流转。
ERP的流程图描述了企业的各个业务流程,并展示了这些流程之间的关系和数据的交互。
本文将从企业采购、生产、销售和库存管理四个方面,对ERP的流程图进行简要描述。
一、企业采购流程:(1)需求提出:企业各个部门根据业务需要,提出采购需求。
(2)供应商选择:采购部门通过询价、招标等方式,选择合适的供应商。
(3)供应商合同签署:采购部门与供应商签订采购合同,明确采购内容和价格等细节。
(4)物料采购:采购部门根据合同要求,下达物料采购订单。
(5)物料收货:仓库接收到供应商发来的物料,并进行验收和登记。
(6)入库记录:仓库将物料入库记录,并更新库存信息。
(7)财务结算:财务部门根据采购订单和收货记录,进行付款结算。
二、生产流程:(1)生产计划:根据市场需求和销售订单,制定生产计划。
(2)物料准备:仓库根据生产计划,将所需物料准备好。
(3)工单下达:生产部门根据生产计划,下达工单,明确生产任务和目标。
(4)生产过程:生产部门根据工单,进行生产作业,包括物料配料、加工等工艺流程。
(5)生产完工:生产部门将生产完成的产品进行检验,并记录生产数量和质量等信息。
(6)产品入库:仓库接收到生产完工的产品,并进行入库记录和库存更新。
(7)质量检验:质检部门对产品进行质量检验,并记录检验结果。
(8)生产成本计算:财务部门根据生产过程和工单信息,计算生产成本。
三、销售流程:(1)销售订单:销售部门接收到客户订单,进行订单录入,并确认订单详情和交付日期等细节。
(2)库存检查:销售部门检查库存情况,确保有足够的库存来满足订单需求。
(3)物料调拨:仓库根据销售订单,将所需物料从库存中调拨出来。
(4)发货准备:仓库将销售订单需要的产品打包,准备发货。
(5)发货:仓库发货给物流公司或客户,并记录发货信息。
ERP系统操作流程说明一、ERP系统操作流程概述1.系统登录:用户输入账号和密码登录系统。
2.系统主界面:进入系统主界面,查看各模块和功能。
3.模块选择:根据需求选择相应的模块,如销售、采购、仓库、财务等。
4.功能选择:在所选模块中选择相应的功能,如订单管理、库存查询、报表分析等。
5.功能操作:进行具体的功能操作,如录入订单、采购商品、出库商品等。
6.数据保存:操作完成后,将数据保存到系统数据库中。
二、销售模块操作流程1.订单管理①录入订单:进入订单管理功能,点击新建订单,输入客户信息、商品信息、数量、价格等,保存订单。
③订单跟踪:订单审核通过后,进行订单跟踪,可以实时查看订单状态,如已发货、已签收等。
④订单结算:订单完成后,进行订单结算,生成应收款和发票等相关信息。
⑤订单报表:通过订单报表功能,查看销售明细、销售趋势、客户分析等报表。
2.客户管理②客户查询:在客户管理功能中,通过条件查询功能,客户信息。
③客户分析:通过客户管理功能中的报表分析功能,查看客户销售额、销售排名等数据。
三、采购模块操作流程1.采购商品①供应商选择:进入采购商品功能,选择供应商,可通过供应商名称、类型等进行筛选。
②商品选择:在采购商品功能中,选择需采购的商品,输入数量、价格等信息。
③提交订单:确认采购商品信息无误后,提交订单给供应商,等待供应商发货。
2.供应商管理②供应商查询:在供应商管理功能中,通过条件查询功能,供应商信息。
③供应商分析:通过供应商管理功能中的报表分析功能,查看供应商采购额、采购排名等数据。
四、仓库模块操作流程1.入库管理①采购入库:在入库管理功能中,点击采购入库,输入采购订单号、商品信息、数量等,进行入库操作。
②退货入库:在入库管理功能中,点击退货入库,输入退货订单号、退货商品信息、退货数量等,进行入库操作。
2.出库管理①销售出库:在出库管理功能中点击销售出库,输入销售订单号、商品信息、出库数量等,进行出库操作。
erp业务流程图ERP(Enterprise Resource Planning)即企业资源计划,是指以信息化技术为支撑,对企业各个业务流程进行整合和管理的一套软件系统。
下面是一个大致的ERP业务流程图,帮助了解ERP的运作过程。
1. 采购流程:- 采购请求:员工提出采购需求,并向相关部门提交采购申请。
相关部门审核申请并进行需求评估。
- 采购订单:根据需求评估结果,采购部门对供应商下达采购订单。
- 供应商管理:与供应商进行沟通,确保订单的准确交付。
- 采购收货:采购部门接收并检验所采购的物品,并记录到系统中。
- 采购支付:财务部门根据物品的收货情况进行付款。
2. 销售流程:- 销售订单:销售团队根据客户需求,向系统中录入销售订单。
- 生产计划:根据销售订单信息,生产部门制定生产计划。
- 生产执行:生产部门按照生产计划进行生产,并记录生产过程中的数据。
- 质检:质检部门对生产出的物品进行质量检验,并记录检验结果。
- 出货和发票:仓库根据销售订单出货,并将出货信息通知给财务部门,财务部门据此开具发票。
- 财务结算:财务部门根据发票信息进行结算,并记录销售收入。
3. 仓储流程:- 入库:仓库接收到货物后,进行入库操作,并记录入库信息。
- 仓储管理:仓库管理人员负责货物摆放和库存管理,保证物品的安全和正确摆放。
- 出库:仓库根据销售订单进行出库,并记录出库信息。
- 库存管理:仓库管理人员负责库存的盘点和管理,以确保库存量的准确和充足。
4. 财务流程:- 会计凭证:财务人员根据采购和销售等业务流程,制作会计凭证。
- 会计审核:财务主管对会计凭证进行初步审核,确保凭证的准确性。
- 财务入账:会计将审核通过的凭证进行入账,并更新到总账中。
- 财务报表:财务人员根据入账信息生成财务报表,并提交给管理层进行审查和决策。
以上是一个大概的ERP业务流程图,实际的业务流程可能还会根据企业的具体需求和业务特点进行调整和优化。
企业用友ERP中采购管理教程简介企业用友ERP系统是一款综合性企业管理软件,提供了包括采购管理在内的多个模块,帮助企业实现高效的采购管理和控制成本。
本教程将介绍企业用友ERP中的采购管理功能以及如何使用。
1. 采购管理的重要性采购管理是企业的重要环节,它涉及到企业的供应链管理、成本控制、供应商管理等方面。
良好的采购管理可以帮助企业降低成本、提高采购效率,从而提升企业的竞争力。
2. 采购流程企业用友ERP中的采购管理功能涵盖了采购流程的各个环节,包括需求分析、供应商选择、询价比价、采购订单管理等。
下面将逐一介绍每个环节的具体操作。
2.1 需求分析在进行采购之前,企业需要进行需求分析,明确所需采购的物品或服务的具体规格和数量。
企业用友ERP提供了需求分析的功能模块,用户可以在系统中创建采购需求,记录物品或服务的具体信息,便于后续的采购流程。
2.2 供应商选择企业用友ERP系统集成了供应商管理功能,用户可以在系统中维护供应商信息,并根据需求选择合适的供应商。
在选择供应商时,可以综合考虑供应商的价格、质量、交货时间等因素,以确保选择到合适的供应商。
2.3 询价比价为了获取最有利的采购报价,企业可以通过企业用友ERP系统进行询价比价。
用户可以在系统中创建询价单,向多个供应商发送询价,并记录供应商的报价信息。
通过比较供应商的报价,企业可以选择最有利的供应商。
2.4 采购订单管理当企业确定选择了供应商后,就需要生成采购订单进行采购管理。
在企业用友ERP系统中,用户可以创建采购订单,并记录订单的详细信息,包括物品或服务的数量、价格、交货时间等。
系统还提供了订单跟踪的功能,用户可以随时查看订单的状态。
3. 采购管理的注意事项在进行采购管理时,企业需要注意以下几点:3.1 规范流程企业需要规范采购管理流程,明确每个环节的职责和操作,并建立相应的制度和流程文档。
这样可以确保采购管理的顺利进行,并减少错误和风险。
3.2 供应商管理供应商是企业采购的重要合作伙伴,企业需要对供应商进行全面的管理。
u8erp采购订单管理1. 引言u8erp采购订单管理是指在u8erp系统中进行采购订单的创建、管理和跟踪的一系列操作。
采购订单管理模块的主要功能是帮助企业实现高效的采购订单处理,对供应链进行有效管理。
本文档将介绍u8erp采购订单管理的使用方法和注意事项。
2. 功能概述u8erp采购订单管理模块的功能主要包括以下几个方面:2.1 采购订单创建在u8erp系统中,用户可以通过采购订单创建功能,填写采购订单的相关信息,包括供应商信息、采购商品信息、数量、价格等。
用户还可以根据需要添加附件或备注信息。
2.2 采购订单审批u8erp采购订单管理模块提供了采购订单审批的功能,用户可以设置不同的审批流程,根据企业的实际情况,设计出符合规定的审批流程。
通过审批流程的设置,可以提高采购订单的审批效率和准确性。
2.3 采购订单查询与跟踪u8erp采购订单管理模块提供了采购订单的查询与跟踪功能,用户可以根据不同的条件查询已有的采购订单,并且可以实时查看采购订单的状态和进展情况。
这样可以帮助企业及时掌握采购订单的动态,提高对供应链的管理。
2.4 采购订单变更与关闭在实际采购过程中,可能会因为各种原因需要对已有的采购订单进行变更或关闭。
u8erp采购订单管理模块提供了采购订单变更与关闭功能,用户可以根据需要对采购订单进行修改、取消或关闭操作。
3. 使用方法3.1 采购订单创建首先,在u8erp系统中登录用户账号,并进入采购订单管理模块。
点击新建采购订单按钮,填写相应的信息,包括供应商信息、采购商品信息、数量、价格等。
点击保存按钮,即可成功创建一条采购订单。
3.2 采购订单审批待采购订单创建完成后,需要进行审批操作。
点击待审批的采购订单,进入审批页面,根据企业的规定进行审批操作。
审批人可以通过系统显示的采购订单信息,进行审批意见的填写和审批结果的决策。
点击提交按钮,即可完成采购订单的审批流程。
3.3 采购订单查询与跟踪在u8erp系统的采购订单管理模块中,用户可以通过各种条件进行采购订单的查询与跟踪。
ERP物控操作流程详解1. 引言在企业管理中,ERP(Enterprise Resource Planning,企业资源规划)系统是一种集成了各种管理功能的信息系统。
物控(物料控制)是ERP系统中的重要模块之一,负责管理企业的物料采购和库存,以保证生产和销售的正常运作。
本文将详细介绍ERP物控操作流程,帮助读者了解物控模块的功能和使用方法。
2. ERP物控操作流程2.1 物料采购物料采购是物控模块中的核心功能之一。
在ERP系统中,物料采购流程包括需求计划、采购申请、采购订单和采购收货等步骤。
首先,根据生产计划和库存情况,制定物料的需求计划。
需求计划可以根据企业的实际情况进行手动编制,也可以通过系统的自动计算和推荐生成。
需求计划包括物料编码、名称、数量、单位等信息。
根据需求计划,生成采购申请。
采购申请是向采购部门提出物料采购的申请单,包括物料的详细信息、采购数量、采购日期等。
采购申请可以通过系统提交,并由采购员进行审批。
采购员根据采购申请,生成采购订单。
采购订单是向供应商下达的购买物料的指令,包括物料的详细信息、采购数量、交货日期、付款条件等。
采购订单可以打印出来或者通过电子邮件发送给供应商。
供应商收到采购订单后,根据订单的要求进行物料的采购和供货。
供应商将物料运送到企业,并与企业进行采购收货的确认。
采购员在ERP系统中登记采购收货信息,包括物料的实际收货数量、质量情况、收货日期等。
2.2 库存管理库存管理是物控模块的另一个重要功能。
通过合理管理和控制库存,可以降低企业的运营成本和风险。
在ERP系统中,库存管理包括物料入库、出库和盘点等步骤。
物料入库是将采购收货的物料放入库存中的过程。
在物料入库时,需要更新库存数量、位置等信息,并生成相应的入库凭证。
物料出库是将库存中的物料分配给生产线或销售部门的过程。
在物料出库时,需要更新库存数量、位置等信息,并生成相应的出库凭证。
物料盘点是对库存进行定期或不定期的实际盘点,以确保库存数量与系统记录一致。
1 / 4
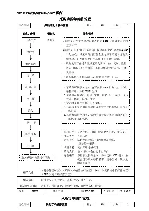
请购部门 采购部门
/录入请购单 ----------------------- / 维护请购信/采购审查
主要功能与处理流程
主要为:新增(作废)、审核(取消审核)、出库(取 消出库)
具体如下:
a) 新增(作废)
b) 审核:采购日期、验收日期、采购人等
c) 出库:出库日期、出库人等
单
据
修
改
2 / 4
(一)、采购计划流程
采购计划流程
1 、采购计划执行主流程如上图所示;
2、 由物流部根据年度采购计划, 分解成《月度采购计划》,由部门主管审核,财务审核、 总经理
(授权人)审批。
3、 物流部根据采购计划,联系供应商,考查供应商资质,建立优质供应链体系。与供 应商询价、议
价、订立采购合同,重大的设备工程采购应采用投标方式。
4、 已订立合同的,采购员应在合同签订完毕的第 2个工作日内,在ERP系统中完成“采 购价格管
理”维护。
(二)、采购、入库流程
1 、物流部根据《月度采购计划》在 ERP系统上,编制《进货订单》,由部门主管审核,
采购部 年度采购 计划 分解 月度采购计划 仓库 质量部 财务部 核决
采购部经理审核
联系供应商
订立合同
财务审核
总经理及
被授权人
审批
3 / 4
经总经理批准。在系统外按标准格式填制《采购订单》 ,要求供应商按采购订单发货, 批送
货数量不得超订单的10%超出部分,仓库应拒收。
2、 供应商送货抵达本公司,采购员将《收料通知单》分别传递至仓库和品质部。仓管
员按单点货、点数,来料检验员按单检验;检验完毕出具《检验报告单》 ,仓管员凭《检验
报告单》办理入库。仓管员在 ERP系统中,通过《进货订单》生成《进货单》 ,并打印,仓 管员按单办理
实物入库,并进行有效的仓储管理。
3、 供应商送货,经检验不合格,不得入库,直接退回;不能直接退回的,和供应商协 商后处理;
4、 财务部负责监督“采购、入库流程”的正确执行。
1 、物流部负责与供应商联系已送货物的发票办理。
2、 供应商开发票之前,采购员应与供应商对账,开票数据核对一致后,供应商根据对 账结果开具正规
发票,由采购员签收发票,首先应对发票记载事项进行核对,确认无误后, 登记业务台账后1个工作日内,
将发票传递到财务部,并办好发票签收手续。
3、 采购员收到发票有瑕疵,应及时与供应商沟通,退回发票,并督促供应商及时补开
4、 财务部签收发票后,应及时对发票进行审查,审查范围包括发票真伪、业务真实、
业务票据一致等。财务部根据《进货单》 、《检验报告单》、《发票》三单汇齐后,在 ERP系统 中,由
《进货单》生成《进货开票》。《进货开票》与《进货单》钩稽后,进行材料入库核算; 检查核算正确后,
编制凭证,并及时进行总账与供应链账目核对一致。
5、 经财务审查,不合格的发票,返回至采购员;采购员应及时与供应商进行沟通,并 将发票及时退回
供应商。
6、各经手发票的部门与人员须持严谨工作态度,确保发票在流转过程的完全,由于管 理不善等导致的
发票遗失,由直接责任人承担赔偿责任,部门经理承担管理责任。
7、具体采购发票流程见上图所示。
4 / 4
(四)、退货流程
1 、物流部负责与供应商联系退货、补货、红字发票等事宜。
2、 供应商开发票之前, 采购员应与供应商对账, 就退货事宜达成一致后, 采购员将《退 货通知
单》传递仓库,通知仓管员准备退货事宜。仓管员根据《退货通知单》生成《进货退
货单》,仓管员按单整理退货,包装好、清楚标识,放置在特定退货区域,由采购员检查后 发运给供应商。
3、 采购员与供应商协商一致,退货需补货的,由供应商及时办妥补货,补货入库流程 参照“采购、入
库流程”。由采购员提示财务人员在 ERP系统中就退货与补货在《进货单》 中“对等核销”。
4、 采购员与供应商协商一致,退货不补,且有未开发票的送货,可直接在送货中抵消 开票数量。
5、 采购员与供应商协商一致,退货不补,且无未开发票的送货,由采购员填写《退货
协商》,列明退货信息资料与相关的采购发票号码,交财务至税务机关办理《开具红字增值 税专用发票申请
单》,并从税务机关取得 《开具红字增值税专用发票通知单》 ,交采购员签收
后,寄给供应商开具红字增值税发票,在 ERP系统中的操作流程同“采购发票流程” 。
6、 具体退货流程见上图所示。
r
退货流程