盖梁侧模板计算书
- 格式:doc
- 大小:114.00 KB
- 文档页数:8
梁模板(扣件钢管架)计算书我的工程工程;属于框架结构;地上0层;地下0层;建筑高度:0.00m;标准层层高:0.00m ;总建筑面积:0.00平方米;总工期:0天;施工单位:某某施工单位。
本工程由某某房开公司投资建设,某某设计院设计,某某堪察单位地质勘察,某某监理公司监理,某某施工单位组织施工;由章某某担任项目经理,李某某担任技术负责人。
高支撑架的计算依据《建筑施工扣件式钢管脚手架安全技术规范》(JGJ130-2001)、《混凝土结构设计规范》GB50010-2002、《建筑结构荷载规范》(GB 50009-2001)、《钢结构设计规范》(GB 50017-2003)等规范编制。
梁段:L1。
一、参数信息1.模板支撑及构造参数梁截面宽度 B(m):0.30;梁截面高度 D(m):0.77混凝土板厚度(mm):120.00;立杆梁跨度方向间距La(m):1.00;立杆上端伸出至模板支撑点长度a(m):0.10;立杆步距h(m):1.40;梁支撑架搭设高度H(m):2.90;梁两侧立柱间距(m):0.50;承重架支设:无承重立杆,方木支撑垂直梁截面;板底承重立杆横向间距或排距Lb(m):1.20;采用的钢管类型为Φ48×3;扣件连接方式:单扣件,考虑扣件质量及保养情况,取扣件抗滑承载力折减系数:0.80;2.荷载参数模板自重(kN/m2):0.35;钢筋自重(kN/m3):1.50;施工均布荷载标准值(kN/m2):2.5;新浇混凝土侧压力标准值(kN/m2):18.5;倾倒混凝土侧压力(kN/m2):2.0;振捣混凝土荷载标准值(kN/m2):2.03.材料参数木材品种:柏木;木材弹性模量E(N/mm2):10000.0;木材抗弯强度设计值fm(N/mm2):17.0;木材抗剪强度设计值fv(N/mm2):1.7;面板类型:胶合面板;面板弹性模量E(N/mm2):9500.0;面板抗弯强度设计值fm(N/mm2):13.0;4.梁底模板参数梁底方木截面宽度b(mm):50.0;梁底方木截面高度h(mm):100.0;梁底纵向支撑根数:6;面板厚度(mm):15.0;5.梁侧模板参数主楞间距(mm):500;次楞根数:4;穿梁螺栓水平间距(mm):500;穿梁螺栓竖向根数:3;穿梁螺栓竖向距板底的距离为:200mm,200mm,200mm;穿梁螺栓直径(mm):M12;主楞龙骨材料:钢楞;截面类型为圆钢管48×3.0;主楞合并根数:2;次楞龙骨材料:木楞,,宽度50mm,高度100mm;二、梁模板荷载标准值计算1.梁侧模板荷载强度验算要考虑新浇混凝土侧压力和倾倒混凝土时产生的荷载;挠度验算只考虑新浇混凝土侧压力。
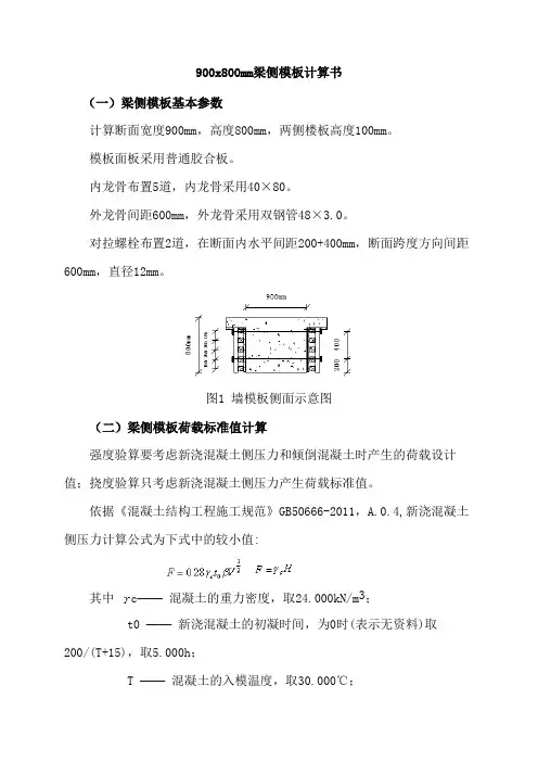
900x800mm梁侧模板计算书(一)梁侧模板基本参数计算断面宽度900mm,高度800mm,两侧楼板高度100mm。
模板面板采用普通胶合板。
内龙骨布置5道,内龙骨采用40×80。
外龙骨间距600mm,外龙骨采用双钢管48×3.0。
对拉螺栓布置2道,在断面内水平间距200+400mm,断面跨度方向间距600mm,直径12mm。
图1 墙模板侧面示意图(二)梁侧模板荷载标准值计算强度验算要考虑新浇混凝土侧压力和倾倒混凝土时产生的荷载设计值;挠度验算只考虑新浇混凝土侧压力产生荷载标准值。
依据《混凝土结构工程施工规范》GB50666-2011,A.0.4,新浇混凝土侧压力计算公式为下式中的较小值:其中c——混凝土的重力密度,取24.000kN/m3;t0 ——新浇混凝土的初凝时间,为0时(表示无资料)取200/(T+15),取5.000h;T ——混凝土的入模温度,取30.000℃;V ——混凝土的浇筑速度,取2.500m/h;H ——混凝土侧压力计算位置处至新浇混凝土顶面总高度,取0.800m;——混凝土坍落度影响修正系数,取1.000。
根据公式计算的新浇混凝土侧压力标准值 F1=19.200kN/m2,实际计算中采用新浇混凝土侧压力标准值 F1=19.200kN/m2,倾倒混凝土时产生的荷载标准值 F2= 2.000kN/m2。
(三)梁侧模板面板的计算面板为受弯结构,需要验算其抗弯强度和刚度。
模板面板的按照三跨连续梁计算。
面板的计算宽度取0.60m。
荷载设计值 q = 1.10×(1.35×0.9×19.200×0.600+1.4×0.9×2.000×0.600)=17.060kN/m面板的截面惯性矩I和截面抵抗矩W分别为:本算例中,截面抵抗矩W和截面惯性矩I分别为:W = 60.00×1.20×1.20/6 = 14.40cm3;I = 60.00×1.20×1.20×1.20/12 = 8.64cm4;计算简图剪力图(kN)弯矩图(kN.m)经过计算得到从左到右各支座力分别为N1=1.106kNN2=3.217kNN3=2.614kNN4=3.217kNN5=1.106kN最大弯矩 M = 0.049kN.m最大剪力 Q = 1.709kN最大变形 V = 0.2mm(1)抗弯强度计算经计算得到面板抗弯强度计算值 f = 0.049×1000×1000/14400=3.403N/mm2面板的抗弯强度设计值 [f],取12.00N/mm2;面板的抗弯强度验算 f < [f],满足要求!(2)抗剪计算截面抗剪强度计算值 T=3×1.7/(2×600.000×12.000)=0.356N/mm2截面抗剪强度设计值 [T]=1.20N/mm2抗剪强度验算 T < [T],满足要求!(3)挠度计算面板最大挠度计算值 v = 0.220mm面板的最大挠度小于175.0/250,满足要求!(四)梁侧模板内龙骨的计算内龙骨直接承受模板传递的荷载,通常按照均布荷载连续梁计算。
梁模板(扣件式,梁板立柱共用)计算书计算依据:1、《建筑施工脚手架安全技术统一标准》GB51210-20162、《建筑施工模板安全技术规范》JGJ162-20083、《混凝土结构设计规范》GB 50010-20104、《建筑结构荷载规范》GB 50009-20125、《钢结构设计规范》GB 50017-2003一、工程属性二、荷载设计风荷载参数:三、模板体系设计荷载系数参数表:设计简图如下:平面图立面图四、面板验算面板类型覆面木胶合板面板厚度t(mm) 15面板抗弯强度设计值[f](N/mm2) 17 面板抗剪强度设计值[τ](N/mm2) 1.5面板弹性模量E(N/mm2) 5000取单位宽度b=1000mm,按四等跨连续梁计算:W=bh2/6=1000×15×15/6=37500mm3,I=bh3/12=1000×15×15×15/12=281250mm4 q1=γ0×[1.35(G1k+(G2k+G3k)×h)+1.4×φc×Q1k]×b=1.1×[1.35×(0.1+(24+1.5)×1)+1.4×0.9×3]×1=42.174kN/mq1静=γ0×1.35×[G1k+(G2k+G3k)×h]×b=1.1×1.35×[0.1+(24+1.5)×1]×1=38.016kN/m q1活=γ0×1.4×φc×Q1k×b=1.1×1.4×0.9×3×1=4.158kN/mq2=[1×(G1k+(G2k+G3k)×h)]×b=[1×(0.1+(24+1.5)×1)]×1=25.6kN/m计算简图如下:1、强度验算M max=0.107q1静L2+0.121q1活L2=0.107×38.016×0.1382+0.121×4.158×0.1382=0.086kN ·mσ=M max/W=0.086×106/37500=2.304N/mm2≤[f]=17N/mm2满足要求!2、挠度验算νmax=0.632q2L4/(100EI)=0.632×25.6×137.54/(100×5000×281250)=0.041mm≤[ν]=L/2 50=137.5/250=0.55mm满足要求!3、支座反力计算设计值(承载能力极限状态)R1=R5=0.393q1静L+0.446q1活L=0.393×38.016×0.138+0.446×4.158×0.138=2.309kN R2=R4=1.143q1静L+1.223q1活L=1.143×38.016×0.138+1.223×4.158×0.138=6.674kN R3=0.928q1静L+1.142q1活L=0.928×38.016×0.138+1.142×4.158×0.138=5.504kN标准值(正常使用极限状态)R1'=R5'=0.393q2L=0.393×25.6×0.138=1.383kNR2'=R4'=1.143q2L=1.143×25.6×0.138=4.023kNR3'=0.928q2L=0.928×25.6×0.138=3.267kN五、小梁验算承载能力极限状态:梁底面板传递给左边小梁线荷载:q1左=R1/b=2.309/1=2.309kN/m梁底面板传递给中间小梁最大线荷载:q1中=Max[R2,R3,R4]/b =Max[6.674,5.504,6.674]/1= 6.674kN/m梁底面板传递给右边小梁线荷载:q1右=R5/b=2.309/1=2.309kN/m小梁自重:q2=1.1×1.35×(0.3-0.1)×0.55/4 =0.041kN/m梁左侧模板传递给左边小梁荷载q3左=1.1×1.35×0.5×(1-0.12)=0.653kN/m梁右侧模板传递给右边小梁荷载q3右=1.1×1.35×0.5×(1-0.12)=0.653kN/m梁左侧楼板传递给左边小梁荷载q4左=1.1×[1.35×(0.5+(24+1.1)×0.12)+1.4×0.9×3]×(0. 525-0.55/2)/2×1=1.172kN/m梁右侧楼板传递给右边小梁荷载q4右=1.1×[1.35×(0.5+(24+1.1)×0.12)+1.4×0.9×3]×((1 .05-0.525)-0.55/2)/2×1=1.172kN/m左侧小梁荷载q左=q1左+q2+q3左+q4左 =2.309+0.041+0.653+1.172=4.175kN/m中间小梁荷载q中= q1中+ q2=6.674+0.041=6.715kN/m右侧小梁荷载q右=q1右+q2+q3右+q4右 =2.309+0.041+0.653+1.172=4.175kN/m小梁最大荷载q=Max[q左,q中,q右]=Max[4.175,6.715,4.175]=6.715kN/m正常使用极限状态:梁底面板传递给左边小梁线荷载:q1左'=R1'/b=1.383/1=1.383kN/m梁底面板传递给中间小梁最大线荷载:q1中'=Max[R2',R3',R4']/b =Max[4.023,3.267,4.023]/1= 4.023kN/m梁底面板传递给右边小梁线荷载:q1右'=R5'/b=1.383/1=1.383kN/m小梁自重:q2'=1×(0.3-0.1)×0.55/4 =0.027kN/m梁左侧模板传递给左边小梁荷载q3左'=1×0.5×(1-0.12)=0.44kN/m梁右侧模板传递给右边小梁荷载q3右'=1×0.5×(1-0.12)=0.44kN/m梁左侧楼板传递给左边小梁荷载q4左'=[1×(0.5+(24+1.1)×0.12)]×(0.525-0.55/2)/2×1=0 .439kN/m梁右侧楼板传递给右边小梁荷载q4右'=[1×(0.5+(24+1.1)×0.12)]×((1.05-0.525)-0.55/2) /2×1=0.439kN/m左侧小梁荷载q左'=q1左'+q2'+q3左'+q4左'=1.383+0.027+0.44+0.439=2.29kN/m中间小梁荷载q中'= q1中'+ q2'=4.023+0.027=4.051kN/m右侧小梁荷载q右'=q1右'+q2'+q3右'+q4右' =1.383+0.027+0.44+0.439=2.29kN/m小梁最大荷载q'=Max[q左',q中',q右']=Max[2.29,4.051,2.29]=4.051kN/m为简化计算,按简支梁和悬臂梁分别计算,如下图:1、抗弯验算M max=max[0.125ql12,0.5ql22]=max[0.125×6.715×0.452,0.5×6.715×0.22]=0.17kN·mσ=M max/W=0.17×106/54000=3.148N/mm2≤[f]=11.44N/mm2满足要求!2、抗剪验算V max=max[0.5ql1,ql2]=max[0.5×6.715×0.45,6.715×0.2]=1.511kNτmax=3V max/(2bh0)=3×1.511×1000/(2×40×90)=0.63N/mm2≤[τ]=1.232N/mm2满足要求!3、挠度验算ν1=5q'l14/(384EI)=5×4.051×4504/(384×7040×243×104)=0.126mm≤[ν]=l1/250=450/ 250=1.8mmν2=q'l24/(8EI)=4.051×2004/(8×7040×243×104)=0.047mm≤[ν]=2l2/250=2×200/250=1.6mm满足要求!4、支座反力计算承载能力极限状态R max=max[qL1,0.5qL1+qL2]=max[6.715×0.45,0.5×6.715×0.45+6.715×0.2]=3.022kN同理可得:梁底支撑小梁所受最大支座反力依次为R1=1.879kN,R2=3.022kN,R3=2.495kN,R4=3.0 22kN,R5=1.879kN正常使用极限状态R max'=max[q'L1,0.5q'L1+q'L2]=max[4.051×0.45,0.5×4.051×0.45+4.051×0.2]=1.823kN 同理可得:梁底支撑小梁所受最大支座反力依次为R1'=1.03kN,R2'=1.823kN,R3'=1.482kN,R4'=1.8 23kN,R5'=1.03kN六、主梁验算主梁类型钢管主梁截面类型(mm) Φ48×2.7主梁计算截面类型(mm) Φ48×2.7主梁抗弯强度设计值[f](N/mm2) 205主梁抗剪强度设计值[τ](N/mm2) 125 主梁截面抵抗矩W(cm3) 4.12主梁弹性模量E(N/mm2) 206000 主梁截面惯性矩I(cm4) 9.89可调托座内主梁根数 11、抗弯验算主梁弯矩图(kN·m)σ=M max/W=0.172×106/4120=41.788N/mm2≤[f]=205N/mm2满足要求!2、抗剪验算主梁剪力图(kN)V max=4.27kNτmax=2V max/A=2×4.27×1000/384=22.237N/mm2≤[τ]=125N/mm2 满足要求!3、挠度验算主梁变形图(mm)νmax=0.04mm≤[ν]=L/250=350/250=1.4mm满足要求!4、支座反力计算承载能力极限状态支座反力依次为R1=0.045kN,R2=6.103kN,R3=6.103kN,R4=0.045kN七、可调托座验算荷载传递至立杆方式可调托座可调托座承载力容许值[N](kN) 30扣件抗滑移折减系数k c 11、扣件抗滑移验算两侧立杆最大受力N=max[R1,R4]=max[0.045,0.045]=0.045kN≤1×8=8kN单扣件在扭矩达到40~65N·m且无质量缺陷的情况下,单扣件能满足要求!2、可调托座验算可调托座最大受力N=max[R2,R3]=6.103kN≤[N]=30kN满足要求!八、立杆验算立杆钢管截面类型(mm) Φ48×2.7立杆钢管计算截面类型(mm) Φ48×2.7钢材等级Q235 立杆截面面积A(mm2) 384回转半径i(mm) 16 立杆截面抵抗矩W(cm3) 4.121、长细比验算l0=h=1600mmλ=l0/i=1600/16=100≤[λ]=210长细比满足要求!查表得:φ=0.5882、风荷载计算M wd=γ0×φc×γQ×Mωk=γ0×φc×γQ×(ζ2×ωk×l a×h2/10)=1.1×0.9×1.4×(1×0.028×0.45×1.62/1 0)=0.004kN·m3、稳定性计算R1=0.045kN,R2=6.103kN,R3=6.103kN,R4=0.045kN梁两侧立杆承受楼板荷载:左侧楼板传递给梁左侧立杆荷载:N边1=1.1×[1.35×(0.5+(24+1.1)×0.12)+1.4×0.9×3]×(0. 9+0.525-0.55/2)/2×0.45=2.425kN右侧楼板传递给梁右侧立杆荷载:N边2=1.1×[1.35×(0.5+(24+1.1)×0.12)+1.4×0.9×3]×(0. 9+1.05-0.525-0.55/2)/2×0.45=2.425kNN d=max[R1+N边1,R2,R3,R4+N边2]+1.1×1.35×0.15×(4.3-1)=max[0.045+2.425,6. 103,6.103,0.045+2.425]+0.735=6.838kNf d=N d/(φA)+M wd/W=6838.091/(0.588×384)+0.004×106/4120=31.256N/mm2≤[f]=20 5N/mm2满足要求!九、高宽比验算根据《建筑施工脚手架安全技术统一标准》GB51210-2016 第8.3.2条: 支撑脚手架独立架体高宽比不应大于3.0H/B=4.3/6.7=0.642≤3满足要求!十、架体抗倾覆验算支撑脚手架风线荷载标准值:q wk=l'a×ωfk=0.9×0.204=0.184kN/m:风荷载作用在支架外侧模板上产生的水平力标准值:F wk= l'a×H m×ωmk=0.9×1.5×0.259=0.35kN支撑脚手架计算单元在风荷载作用下的倾覆力矩标准值M ok:M ok=0.5H2q wk+HF wk=0.5×4.32×0.184+4.3×0.35=3.201kN.m参考《规范》GB51210-2016 第6.2.17条:B2l'a(g k1+ g k2)+2ΣG jk b j≥3γ0M okg k1——均匀分布的架体面荷载自重标准值kN/m2g k2——均匀分布的架体上部的模板等物料面荷载自重标准值kN/m2G jk——支撑脚手架计算单元上集中堆放的物料自重标准值kNb j——支撑脚手架计算单元上集中堆放的物料至倾覆原点的水平距离mB2l'a(g k1+ g k2)+2ΣG jk b j=B2l'a[qH/(l'a×l'b)+G1k]+2×G jk×B/2=6.72×0.9×[0.15×4.3/(0.9×0.9)+0.5]+2×1×6.7/2=59.0 72kN.m≥3γ0M ok =3×1.1×3.201=10.563kN.M满足要求!十一、立杆支承面承载力验算F1=N=6.838kN1、受冲切承载力计算根据《混凝土结构设计规范》GB50010-2010第6.5.1条规定,见下表可得:βh=1,f t=1.001N/mm2,η=1,h0=h-20=100mm,u m =2[(a+h0)+(b+h0)]=800mmF=(0.7βh f t+0.25σpc,m)ηu m h0=(0.7×1×1.001+0.25×0)×1×800×100/1000=56.056kN≥F1=6. 838kN满足要求!2、局部受压承载力计算根据《混凝土结构设计规范》GB50010-2010第6.6.1条规定,见下表可得:f c=10.01N/mm2,βc=1,βl=(A b/A l)1/2=[(a+2b)×(b+2b)/(ab)]1/2=[(300)×(300)/(100×100)]1/2=3,A ln=ab=10000mm 2F=1.35βcβl f c A ln=1.35×1×3×10.01×10000/1000=405.405kN≥F1=6.838kN 满足要求!。
梁侧模板计算书一、梁侧模板基本参数计算断面宽度400mm,高度850mm,两侧楼板厚度130mm。
模板面板采用普通胶合板。
内龙骨布置5道,内龙骨采用40×80mm木方。
外龙骨间距600mm,外龙骨采用双钢管48mm×3.0mm。
对拉螺栓布置2道,在断面内水平间距150+450mm,断面跨度方向间距600mm,直径14mm。
面板厚度15mm,剪切强度1.4N/mm2,抗弯强度15.0N/mm2,弹性模量9000.0N/mm2。
木方剪切强度1.6N/mm2,抗弯强度13.0N/mm2,弹性模量10000.0N/mm2。
1717171785mm模板组装示意图二、梁侧模板荷载标准值计算强度验算要考虑新浇混凝土侧压力和倾倒混凝土时产生的荷载设计值;挠度验算只考虑新浇混凝土侧压力产生荷载标准值。
新浇混凝土侧压力计算公式为下式中的较小值:其中γc——混凝土的重力密度,取24.000kN/m3;t ——新浇混凝土的初凝时间,为0时(表示无资料)取200/(T+15),取4.000h;T ——混凝土的入模温度,取20.000℃;V —— 混凝土的浇筑速度,取2.500m/h ;H —— 混凝土侧压力计算位置处至新浇混凝土顶面总高度,取3.000m ; β—— 混凝土坍落度影响修正系数,取1.000。
根据公式计算的新浇混凝土侧压力标准值 F1=33.390kN/m 2考虑结构的重要性系数0.9,实际计算中采用新浇混凝土侧压力标准值: F1=0.9×42.500=38.250kN/m 2考虑结构的重要性系数0.9,倒混凝土时产生的荷载标准值: F2=0.9×4.000=3.600kN/m 2。
三、梁侧模板面板的计算面板为受弯结构,需要验算其抗弯强度和刚度。
模板面板的按照连续梁计算。
面板的计算宽度取0.60m 。
荷载计算值 q = 1.2×38.250×0.600+1.40×3.600×0.600=30.564kN/m 面板的截面惯性矩I 和截面抵抗矩W 分别为: 本算例中,截面惯性矩I 和截面抵抗矩W 分别为: W = 60.00×1.50×1.50/6 = 22.50cm 3; I = 60.00×1.50×1.50×1.50/12 = 16.88c m 4;30.56kN/mA计算简图0.106弯矩图(kN.m)剪力图(kN)变形的计算按照规范要求采用静荷载标准值,受力图与计算结果如下:22.95kN/mA变形计算受力图0.005变形图(mm)经过计算得到从左到右各支座力分别为 N 1=2.161kN N 2=6.287kN N 3=5.109kN N 4=6.287kN N 5=2.161kN 最大弯矩 M = 0.106kN.m 最大变形 V = 0.101mm (1)抗弯强度计算经计算得到面板抗弯强度计算值 f = M/W = 0.106×1000×1000/22500=4.711N/mm 2 面板的抗弯强度设计值 [f],取15.00N/mm 2; 面板的抗弯强度验算 f < [f],满足要求!(2)抗剪计算截面抗剪强度计算值T=3Q/2bh=3×3340.0/(2×600.000×15.000)=0.557N/mm2截面抗剪强度设计值 [T]=1.40N/mm2面板抗剪强度验算 T < [T],满足要求!(3)挠度计算面板最大挠度计算值 v = 0.101mm面板的最大挠度小于180.0/250,满足要求!四、梁侧模板内龙骨的计算内龙骨直接承受模板传递的荷载,通常按照均布荷载连续梁计算。
梁模板(扣件式,梁板立柱共用)计算书计算依据:1、《建筑施工脚手架安全技术统一标准》GB51210-20162、《建筑施工模板安全技术规范》JGJ162-20083、《混凝土结构设计规范》GB 50010-20104、《建筑结构荷载规范》GB 50009-20125、《钢结构设计规范》GB 50017-2003一、工程属性二、荷载设计风荷载参数:三、模板体系设计设计简图如下:平面图立面图四、面板验算按三等跨连续梁计算:截面抵抗矩:W=bh2/6=1200×18×18/6=64800mm3,截面惯性矩:I=bh3/12=1200×18×18×18/12=583200mm4q1=γ0×max[1.2(G1k+(G2k+G3k)×h)+1.4Q1k,1.35(G1k+(G2k+G3k)×h)+1.4ψc Q1k]×b=1.1×max[1.2×(0.1+(24+1.5)×1.2)+1.4×3,1.35×(0.1+(24+1.5)×1.2)+1.4×0.7×3]×1.2=58.588kN/mq1静=γ0×1.35×[G1k+(G2k+G3k)×h]×b=1.1×1.35×[0.1+(24+1.5)×1.2]×1.2=54.707kN/mq1活=γ0×1.4×0.7×Q1k×b=1.1×1.4×0.7×3×1.2=3.881kN/mq2=[1×(G1k+(G2k+G3k)×h)]×b=[1×(0.1+(24+1.5)×1.2)]×1.2=36.84kN/m简图如下:1、抗弯验算M max=0.1q1静L2+0.117q1活L2=0.1×54.707×0.1252+0.117×3.881×0.1252=0.093kN·mσ=M max/W=0.093×106/64800=1.429N/mm2≤[f]=15N/mm2满足要求!2、挠度验算νmax=0.677q2L4/(100EI)=0.677×36.84×1254/(100×5400×583200)=0.019mm≤[ν]=L/250=125/250=0.5mm满足要求!3、支座反力计算设计值(承载能力极限状态)R max=1.1q1静L+1.2q1活L=1.1×54.707×0.125+1.2×3.881×0.125=8.104kN标准值(正常使用极限状态)R'max=1.1q2L=1.1×36.84×0.125=5.066kN五、小梁验算承载能力极限状态:面板传递给小梁q1=8.104/1.2=6.754kN/m小梁自重q2=1.1×1.35×(0.3-0.1)×0.125=0.037kN/m梁左侧楼板传递给小梁荷载F1=1.1×max[1.2 ×(0.5+(24+1.1)×0.18)+1.4×3,1.35 ×(0.5+(24+1.1)×0.18)+1.4×0.7×3]×(0.75-1.2/2)/2×0.125+1.1×1.35×0.5×(1.2-0.18)×0.12 5=0.2kN梁右侧楼板传递给小梁荷载F2=1.1×max[1.2 ×(0.5+(24+1.1)×0.18)+1.4×3,1.35 ×(0.5+(24+1.1)×0.18)+1.4×0.7×3]×((1.5-0.75)-1.2/2)/2×0.125+1.1×1.35×0.5×(1.2-0.18)×0.125=0.2kN正常使用极限状态:面板传递给小梁q1=5.066/1.2=4.221kN/m小梁自重q2=1×(0.3-0.1)×0.125=0.025kN/m梁左侧楼板传递给小梁荷载F1=(1×0.5+1×(24+1.1)×0.18)×(0.75-1.2/2)/2×0.125+1×0.5×(1.2-0.18)×0.125=0.111kN 梁右侧楼板传递给小梁荷载F2=(1×0.5+1×(24+1.1)×0.18)×((1.5-0.75)-1.2/2)/2×0.125+1×0.5×(1.2-0.18)×0.125=0.111kN计算简图如下:承载能力极限状态正常使用极限状态1、抗弯验算小梁弯矩图(kN·m)σ=M max/W=0.117×106/133333=0.874N/mm2≤[f]=11.44N/mm2满足要求!2、抗剪验算小梁剪力图(kN)V max=1.685kNτmax=3V max/(2bh0)=3×1.685×1000/(2×80×100)=0.316N/mm2≤[τ]=1.232N/mm2 满足要求!3、挠度验算小梁变形图(mm)νmax=0.021mm≤[ν]=L/250=450/250=1.8mm满足要求!4、支座反力计算承载能力极限状态R1=0.558kN,R2=3.031kN,R3=1.381kN,R4=3.031kN,R5=0.558kN 正常使用极限状态R'1=0.341kN,R'2=1.886kN,R'3=0.87kN,R'4=1.886kN,R'5=0.341kN 六、主梁验算主梁自重忽略不计,主梁2根合并,其主梁受力不均匀系数=0.6由上节可知P=max[R2,R3,R4]×0.6=1.819kN,P'=max[R2',R3',R4']×0.6=1.132kN主梁计算简图一主梁计算简图二1、抗弯验算主梁弯矩图一(kN·m)主梁弯矩图二(kN·m)σ=M max/W=0.955×106/4730=201.903N/mm2≤[f]=205N/mm2 满足要求!2、抗剪验算主梁剪力图一(kN)主梁剪力图二(kN)V max=5.457kNτmax=2V max/A=2×5.457×1000/450=24.253N/mm2≤[τ]=125N/mm2 满足要求!3、挠度验算主梁变形图一(mm)主梁变形图二(mm)跨中νmax=0.162mm≤[ν]=L/250=500/250=2mm满足要求!悬臂端νmax=1.382mm≤[ν]=2l2/250=2×300/250=2.4mm满足要求!4、支座反力计算图一:R max=10.518kN图二:R max=9.141kN用小梁的支座反力分别代入可得:承载能力极限状态图一立杆2:R2=10.518kN,立杆3:R3=4.794kN,立杆4:R4=10.518kN图二立杆2:R2=9.141kN,立杆3:R3=4.166kN,立杆4:R4=9.141kN立杆所受主梁支座反力依次为:立杆2:P2=10.518/0.6=17.53kN,立杆3:P3=4.794/0.6=7.989kN,立杆4:P4=10.518/0.6=17.53kN七、纵向水平钢管验算由小梁验算一节可知P=max[R1,R5]=0.558kN,P'=max[R1',R5']=0.341kN纵向水平钢管计算简图一纵向水平钢管计算简图二1、抗弯验算纵向水平钢管弯矩图一(kN·m)纵向水平钢管弯矩图二(kN·m)σ=M max/W=0.293×106/4730=61.945N/mm2≤[f]=205N/mm2 满足要求!2、抗剪验算纵向水平钢管剪力图一(kN)纵向水平钢管剪力图二(kN)V max=1.674kNτmax=2V max/A=2×1.674×1000/450=7.44N/mm2≤[τ]=125N/mm2 满足要求!3、挠度验算纵向水平钢管变形图一(mm)纵向水平钢管变形图二(mm)跨中νmax=0.049mm≤[ν]=L/250=500/250=2mm满足要求!悬臂端νmax=0.416mm≤[ν]=2l2/250=2×300/250=2.4mm满足要求!4、支座反力计算图一:R max=3.227kN图二:R max=2.804kN用小梁两侧的支座反力分别代入可得:承载能力极限状态图一:立杆1:R1=3.227kN,立杆5:R5=3.227kN图二:立杆1:R1=2.804kN,立杆5:R5=2.804kN八、可调托座验算1、扣件抗滑移验算两侧立杆最大受力N=max[R1,R5]=max[3.227,3.227]=3.227kN≤1×8=8kN 单扣件在扭矩达到40~65N·m且无质量缺陷的情况下,单扣件能满足要求!2、可调托座验算可调托座最大受力N=max[P2,P3,P4]=17.53kN≤[N]=30kN满足要求!九、立杆验算1、长细比验算l0=h=1200mmλ=l0/i=1200/15.9=75.472≤[λ]=210长细比满足要求!查表得:υ=0.752、风荷载计算M wd=γ0×υc×γQ×Mωk=γ0×υc×γQ×(ζ2×ωk×l a×h2/10)=1.1×0.6×1.4×(1×0.061×0.5×1.22/10)=0.004kN·m3、稳定性计算R1=3.227kN,P2=17.53kN,P3=7.989kN,P4=17.53kN,R5=3.227kN梁两侧立杆承受楼板荷载:左侧楼板传递给梁左侧立杆荷载:N边1=1.1×max[1.2×(0.5+(24+1.1)×0.18)+1.4×3,1.35×(0.5+(24+1.1)×0.18)+0.7×1.4×3]×(0.5+0.75-1.2/2)/2×0.5=1.827kN右侧楼板传递给梁右侧立杆荷载:N边2=1.1×max[1.2×(0.5+(24+1.1)×0.18)+1.4×3,1.35×(0.5+(24+1.1)×0.18)+0.7×1.4×3]×(0.5+1.5-0.75-1.2/2)/2×0.5=1.827kNN d=max[R1+N边1,P2,P3,P4,R5+N边2]+1.1×1.35×0.15×(5.4-1.2)=max[3.227+1.827,17.53,7.989,17.53,3.227+1.827]+0.936=18.466kNf d=N d/(υA)+M wd/W=18465.617/(0.75×450)+0.004×106/4730=55.559N/mm2≤[f]=205N/mm2满足要求!十、高宽比验算根据《建筑施工脚手架安全技术统一标准》GB51210-2016 第8.3.2条: 支撑脚手架独立架体高宽比不应大于3.0H/B=5.4/8.4=0.643≤3满足要求!十一、架体抗倾覆验算支撑脚手架风线荷载标准值:q wk=l'a×ωfk=0.5×0.449=0.225kN/m:风荷载作用在支架外侧模板上产生的水平力标准值:F wk= l'a×H m×ωmk=0.5×1.5×0.362=0.271kN支撑脚手架计算单元在风荷载作用下的倾覆力矩标准值M ok:M ok=0.5H2q wk+HF wk=0.5×5.42×0.225+5.4×0.271=4.739kN.m参考《规范》GB51210-2016 第6.2.17条:B2l'a(g k1+ g k2)+2ΣG jk b j≥3γ0M okg k1——均匀分布的架体面荷载自重标准值kN/m2g k2——均匀分布的架体上部的模板等物料面荷载自重标准值kN/m2G jk——支撑脚手架计算单元上集中堆放的物料自重标准值kNb j——支撑脚手架计算单元上集中堆放的物料至倾覆原点的水平距离mB2l'a(g k1+ g k2)+2ΣG jk b j=B2l'a[qH/(l'a×l'b)+G1k]+2×G jk×B/2=8.42×0.5×[0.15×5.4/(0.5×0.5)+0.5]+2×1×8.4/2=140. 347kN.m≥3γ0M ok =3×1.1×4.739=15.64kN.M满足要求!十二、立杆地基基础计算立杆底垫板的底面平均压力p=N/(m f A)=18.466/(1×0.15)=123.104kPa≤γu f ak=1.363×350 =477.05kPa满足要求!。
梁模板(扣件式,梁板立柱共用)计算书计算依据:1、《建筑施工脚手架安全技术统一标准》GB51210-20162、《建筑施工扣件式钢管脚手架安全技术规范》JGJ 130-20113、《建筑施工模板安全技术规范》JGJ162-20084、《混凝土结构设计规范》GB 50010-20105、《建筑结构荷载规范》GB 50009-20126、《钢结构设计标准》GB 50017-2017一、工程属性平面图立面图四、面板验算面板类型覆面木胶合板面板厚度t(mm) 18面板抗弯强度设计值[f](N/mm2) 15 面板抗剪强度设计值[τ](N/mm2) 1.5面板弹性模量E(N/mm2) 5400 验算方式三等跨连续梁截面抵抗矩:W=bh2/6=300×18×18/6=16200mm3,截面惯性矩:I=bh3/12=300×18×18×18/12=145800mm4q1=γ0×max[1.2(G1k+(G2k+G3k)×h)+1.4Q1k,1.35(G1k+(G2k+G3k)×h)+1.4φc Q1k]×b=1×max[1.2×(0.1+(24+1.5)×0.7)+1.4×3,1.35×(0.1+(24+1.5)×0.7)+1.4×0.7×3]×0.3=8.152kN/mq1静=γ0×1.35×[G1k+(G2k+G3k)×h]×b=1×1.35×[0.1+(24+1.5)×0.7]×0.3=7.27kN/m q1活=γ0×1.4×0.7×Q1k×b=1×1.4×0.7×3×0.3=0.882kN/mq2=[1×(G1k+(G2k+G3k)×h)]×b=[1×(0.1+(24+1.5)×0.7)]×0.3=5.385kN/m简图如下:1、抗弯验算M max=0.1q1静L2+0.117q1活L2=0.1×7.27×0.22+0.117×0.882×0.22=0.033kN·mσ=M max/W=0.033×106/16200=2.05N/mm2≤[f]=15N/mm2满足要求!2、挠度验算νmax=0.677q2L4/(100EI)=0.677×5.385×2004/(100×5400×145800)=0.074mm≤[ν]=L/250=200/250=0.8mm满足要求!3、支座反力计算设计值(承载能力极限状态)R max=1.1q1静L+1.2q1活L=1.1×7.27×0.2+1.2×0.882×0.2=1.811kN标准值(正常使用极限状态)R'max=1.1q2L=1.1×5.385×0.2=1.185kN五、小梁验算小梁类型钢管小梁截面类型(mm) Φ48.3×3.0小梁计算截面类型(mm) Φ48×2.8 小梁抗弯强度设计值[f](N/mm2) 205小梁抗剪强度设计值[τ](N/mm2) 125 小梁截面抵抗矩W(cm3) 4.25小梁弹性模量E(N/mm2) 206000 小梁截面惯性矩I(cm4) 10.19面板传递给小梁q1=1.811/0.3=6.037kN/m小梁自重q2=1×1.35×(0.3-0.1)×0.2=0.054kN/m梁左侧楼板及侧模传递给小梁荷载F1=1×max[1.2 ×(0.5+(24+1.1)×0.25)+1.4×3,1.35 ×(0.5+(24+1.1)×0.25)+1.4×0.7×3]×(0.4-0.3/2)/2×0.2+1×1.35×0.5×(0.7-0.25)×0.2=0.369kN梁右侧楼板及侧模传递给小梁荷载F2=1×max[1.2 ×(0.5+(24+1.1)×0.25)+1.4×3,1.35×(0.5+(24+1.1)×0.25)+1.4×0.7×3]×((0.8-0.4)-0.3/2)/2×0.2+1×1.35×0.5×(0.7-0.25)×0.2=0.369kN正常使用极限状态:面板传递给小梁q1=1.185/0.3=3.949kN/m小梁自重q2=1×(0.3-0.1)×0.2=0.04kN/m梁左侧楼板及侧模传递给小梁荷载F1=(1×0.5+1×(24+1.1)×0.25)×(0.4-0.3/2)/2×0.2+1×0.5×(0.7-0.25)×0.2=0.214kN 梁右侧楼板及侧模传递给小梁荷载F2=(1×0.5+1×(24+1.1)×0.25)×((0.8-0.4)-0.3/2)/2×0.2+1×0.5×(0.7-0.25)×0.2=0.214kN 计算简图如下:承载能力极限状态正常使用极限状态1、抗弯验算小梁弯矩图(kN·m)σ=M max/W=0.027×106/4250=6.447N/mm2≤[f]=205N/mm2 满足要求!2、抗剪验算小梁剪力图(kN)V max=0.81kNτmax=2V max/A=2×0.81×1000/398=4.071N/mm2≤[τ]=125N/mm2满足要求!3、挠度验算小梁变形图(mm)νmax=0.006mm≤[ν]=L/250=267/250=1.068mm满足要求!4、支座反力计算承载能力极限状态R1=0.057kN,R2=1.353kN,R3=1.353kN,R4=0.057kN正常使用极限状态R'1=0.038kN,R'2=0.86kN,R'3=0.86kN,R'4=0.038kN六、主梁验算主梁类型钢管主梁截面类型(mm) Φ48.3×3.0 主梁计算截面类型(mm) Φ48×2.8 主梁抗弯强度设计值[f](N/mm2) 205主梁抗剪强度设计值[τ](N/mm2) 125 主梁截面抵抗矩W(cm3) 4.25主梁弹性模量E(N/mm2) 206000 主梁截面惯性矩I(cm4) 10.19主梁计算方式三等跨连续梁可调托座内主梁根数 2主梁受力不均匀系数0.6由上节可知P=max[R2,R3]×0.6=0.812kN,P'=max[R2',R3']×0.6=0.516kN主梁计算简图一1、抗弯验算主梁弯矩图一(kN·m)σ=M max/W=0.211×106/4250=49.647N/mm2≤[f]=205N/mm2 满足要求!2、抗剪验算主梁剪力图一(kN)V max=1.279kNτmax=2V max/A=2×1.279×1000/398=6.427N/mm2≤[τ]=125N/mm2满足要求!3、挠度验算主梁变形图一(mm)跨中νmax=0.171mm≤[ν]=L/250=800/250=3.2mm满足要求!悬臂端νmax=0.01mm≤[ν]=2l2/250=2×200/250=1.6mm满足要求!4、支座反力计算图一:R max=3.309kN用小梁的支座反力分别代入可得:承载能力极限状态图一立杆2:R2=3.309kN,立杆3:R3=3.309kN立杆所受主梁支座反力依次为:立杆2:P2=3.309/0.6=5.515kN,立杆3:P3=3.309/0.6=5.515kN七、纵向水平钢管验算钢管截面类型(mm) Φ48.3×3.0 钢管计算截面类型(mm) Φ48×2.8钢管截面面积A(mm2) 398 钢管截面回转半径i(mm) 16钢管弹性模量E(N/mm2) 206000 钢管截面惯性矩I(cm4) 10.19钢管截面抵抗矩W(cm3) 4.25 钢管抗弯强度设计值[f](N/mm2) 205 钢管抗剪强度设计值[τ](N/mm2) 1251414纵向水平钢管计算简图一1、抗弯验算纵向水平钢管弯矩图一(kN·m)σ=M max/W=0.015×106/4250=3.529N/mm2≤[f]=205N/mm2满足要求!2、抗剪验算纵向水平钢管剪力图一(kN)V max=0.09kNτmax=2V max/A=2×0.09×1000/398=0.451N/mm2≤[τ]=125N/mm2 满足要求!3、挠度验算纵向水平钢管变形图一(mm)跨中νmax=0.013mm≤[ν]=L/250=800/250=3.2mm满足要求!悬臂端νmax=0.001mm≤[ν]=2l2/250=2×200/250=1.6mm满足要求!4、支座反力计算图一:R max=0.232kN用小梁两侧的支座反力分别代入可得:承载能力极限状态图一:立杆1:R1=0.232kN,立杆4:R4=0.232kN八、可调托座验算两侧立杆最大受力N=max[R1,R4]=max[0.232,0.232]=0.232kN≤0.85×8=6.8kN 单扣件在扭矩达到40~65N·m且无质量缺陷的情况下,单扣件能满足要求!2、可调托座验算可调托座最大受力N=max[P2,P3]=5.515kN≤[N]=30kN满足要求!九、立杆验算顶部立杆段:l01=kμ1(h d+2a)=1×1.386×(750+2×200)=1594mm非顶部立杆段:l02=kμ2h =1×1.755×1500=2632mmλ=max[l01,l02]/i=2632/16=164.5≤[λ]=210长细比满足要求!顶部立杆段:l01=kμ1(h d+2a)=1.155×1.386×(750+2×200)=1841mm非顶部立杆段:l02=kμ2h =1.155×1.755×1500=3041mmλ=max[l01,l02]/i=3041/16=190.062查表得:φ=0.1992、风荷载计算M wd=γ0×φc×γQ×Mωk=γ0×φc×γQ×(ζ2×ωk×l a×h2/10)=1×0.6 ×1.4×(1×0.031×0.8×1.52/10)=0.005kN·m3、稳定性计算R1=0.232kN,P2=5.515kN,P3=5.515kN,R4=0.232kN梁两侧立杆承受楼板荷载:左侧楼板传递给梁左侧立杆荷载:N边1=1×max[1.2×(0.5+(24+1.1)×0.25)+1.4×3,1.35×(0.5+(24+1.1)×0.25)+0.7×1.4×3]×(0.8+0.4-0.3/2)/2×0.8=5.179kN右侧楼板传递给梁右侧立杆荷载:N边2=1×max[1.2×(0.5+(24+1.1)×0.25)+1.4×3,1.35×(0.5+(24+1.1)×0.25)+0.7×1.4×3]×(0.8+0.8-0.4-0.3/2)/2×0.8=5.179kNN d=max[R1+N边1,P2,P3,R4+N边2]+1×1.35×0.15×(3.6-0.7)=max[0.232+5.179,5.515,5.515,0.232+5.179]+0.587=6.102kNf d=N d/(φA)+M wd/W=6102.1/(0.199×398)+0.005×106/4250=78.221N/mm2≤[f]=205N/mm2满足要求!十、高宽比验算根据《建筑施工脚手架安全技术统一标准》GB51210-2016 第8.3.2条: 支撑脚手架独立架体高宽比不应大于3.0H/B=3.6/72=0.05≤3满足要求!十一、架体抗倾覆验算支撑脚手架风线荷载标准值:q wk=l'a×ωfk=0.8×0.675=0.54kN/m:风荷载作用在支架外侧模板上产生的水平力标准值:F wk= l'a×H m×ωmk=0.8×1×0.259=0.207kN支撑脚手架计算单元在风荷载作用下的倾覆力矩标准值M ok:M ok=0.5H2q wk+HF wk=0.5×3.62×0.54+3.6×0.207=4.245kN.m参考《规范》GB51210-2016 第6.2.17条:B2l'a(g k1+ g k2)+2ΣG jk b j≥3γ0M okg k1——均匀分布的架体面荷载自重标准值kN/m2g k2——均匀分布的架体上部的模板等物料面荷载自重标准值kN/m2G jk——支撑脚手架计算单元上集中堆放的物料自重标准值kNb j——支撑脚手架计算单元上集中堆放的物料至倾覆原点的水平距离mB2l'a(g k1+ g k2)+2ΣG jk b j =B2l'a[qH/(l'a×l'b)+G1k]+2×G jk×B/2=722×0.8×[0.15×3.6/(0.8×0.8)+0.5]+2×1×72/2=5644.8kN.m≥3γ0M ok =3×1×4.245=12.735kN.M满足要求!十二、立杆地基基础计算地基土类型素填土地基承载力特征值f ak(kPa) 140立杆垫木地基土承载力折减系数m f 1 垫板底面面积A(m2) 0.15立杆底垫板的底面平均压力p=N/(m f A)=6.102/(1×0.15)=40.681kPa≤γu f ak=1.363×140 =190.82kPa满足要求!。
梁侧模板计算书计算依据:1、《混凝土结构工程施工规范》GB50666-20112、《混凝土结构设计规范》GB50010-20103、《建筑结构荷载规范》GB 50009-20124、《钢结构设计规范》GB 50017-2003一、工程属性承04k c4k 1×[1.35×0.9×15.36+1.4×0.9×2]=21.182kN/m2下挂部分:正常使用极限状态设计值S正=G4k=15.36 kN/m2三、支撑体系设计左侧支撑表:模板设计剖面图四、面板验算梁截面宽度取单位长度,b=1000mm。
W=bh2/6=1000×152/6=37500mm3,I=bh3/12=1000×153/12=281250mm4。
面板计算简图如下:1、抗弯验算q1=bS承=1×21.182=21.182kN/mq1静=γ0×1.35×0.9×G4k×b=1×1.35×0.9×15.36×1=18.662kN/mq1活=γ0×1.4×φc×Q4k×b=1×1.4×0.9×2×1=2.52kN/mM max=0.1q1静L2+0.117q1活L2=0.1×18.662×0.2172+0.117×2.52×0.2172=0.101kN·mσ=M max/W=0.101×106/37500=2.705N/mm2≤[f]=15N/mm2满足要求!2、挠度验算q=bS正=1×15.36=15.36kN/mνmax=0.677qL4/(100EI)=0.677×15.36×216.6674/(100×10000×281250)=0.081mm≤216.667/400=0.542mm满足要求!3、最大支座反力计算承载能力极限状态R下挂max=1.1×q1静×l左+1.2×q1活×l左=1.1×18.662×0.217+1.2×2.52×0.217=5.103kN正常使用极限状态R'下挂max=1.1×l左×q=1.1×0.217×15.36=3.661kN 五、小梁验算计算简图如下:跨中段计算简图悬挑段计算简图1、抗弯验算q=5.103kN/mM max=max[0.1×q×l2,0.5×q×l12]=max[0.1×5.103×0.62,0.5×5.103×0.152]=0.184kN·mσ=M max/W=0.184×106/54000=3.402N/mm2≤[f]=15.444N/mm2满足要求!2、抗剪验算V max=max[0.6×q×l,q×l1]=max[0.6×5.103×0.6,5.103×0.15]=1.837kNτmax=3V max/(2bh0)=3×1.837×1000/(2×40×90)=0.765N/mm2≤[τ]=1.663N/mm2满足要求!3、挠度验算q=3.661kN/mν1max=0.677qL4/(100EI)=0.677×3.661×6004/(100×8415×2430000)=0.157mm≤600/400=1.5mmν2max=qL4/(8EI)=3.661×1504/(8×8415×2430000)=0.011mm≤150/400=0.375mm 满足要求!4、最大支座反力计算承载能力极限状态R下挂max=max[1.1×5.103×0.6,0.4×5.103×0.6+5.103×0.15]=3.368kN正常使用极限状态R'下挂max=max[1.1×3.661×0.6,0.4×3.661×0.6+3.661×0.15]=2.416kN六、主梁验算因主梁2根合并,验算时主梁受力不均匀系数为0.6。
梁模板计算书梁模板的计算主要包括:①底板下内楞、底板下外楞和底板下支撑;②梁侧模板、侧模板内楞、梁侧模板外楞和对拉钢片。
1、梁模底板及内楞计算(1)梁截面≤350×600梁底板按350×600计算①强度验算:底板承受标准荷载:恒载:混凝土自重力 24KN/m3×0.35m×0.6m×1.2=6.048KN/m底板自重力 5KN/m3×0.015m×0.35m×1.2=0.0315KN/m钢筋自重力 1.5KN/m3×0.35m×0.6m×1.2=0.378KN/m动载:振捣混凝土荷载 2.0KN/m3×0.35m×1.4=0.98KN/m施工人员及机械荷载 2.5KN/m3×0.35m×1.4=1.225KN/m合计 q1=8.663KN/m木模板需乘折减系数0.9:则q=q1×0.9=7.8KN/m梁模板下内楞的间距相等,设为L,是一个等跨多跨连续梁,可按四等跨连续梁来计算:所用公式:δ=M/W≤fmM=Km×qL2W=bh2/6式中:δ—计算最大应力M—计算最大内力Km—弯距系数W—截面抵抗矩Fm—木材抗弯强度设计值b×h—模板横截面的宽度与厚度L—内楞间距一般按4跨连续梁计算,按最不利荷载布置,查附表2得:Km=0.121δ=0.121×7.8×L2×6/(350×152)≤13N/mm2解得:L≤425mm②剪应力验算所用公式:τ=3V/2bh≤fv V=Kvql查表得Kv=0.620τ=3×0.620×7.8×L/(2×600×15)≤fv=1.4N/mm2解得:L≤510mm③挠度验算所用公式:w=Kwql4/100EI≤L/250查表得:Kw=0.967w=0.967×7.8×L4×12/(100×9000×350×153)≤L/250解得:L≤361mm综合以上三种情况,L≤361mm,底板可满足要求,可取L=350mm(2)350×600<梁截面≤350×1100梁底板按350×1100计算①强度验算:底板承受标准荷载:恒载:混凝土自重力 24KN/m3×0.35m×1.1m×1.2=11.088KN/m底板自重力 5KN/m3×0.015m×0.35m×1.2=0.0315KN/m钢筋自重力 1.5KN/m3×0.35m×1.1m×1.2=0.693KN/m动载:振捣混凝土荷载 2.0KN/m3×0.35m×1.4=0.98KN/m施工人员及机械荷载 2.5KN/m3×0.35m×1.4=1.225KN/m合计 q1=14.018KN/m木模板需乘折减系数0.9:则q=q1×0.9=12.616KN/m梁模板下内楞的间距相等,设为L,是一个等跨多跨连续梁,可按四等跨连续梁来计算:所用公式:δ=M/W≤fmM=Km×qL2W=bh2/6式中:δ—计算最大应力M—计算最大内力Km—弯距系数W—截面抵抗矩Fm—木材抗弯强度设计值b×h—模板横截面的宽度与厚度L—内楞间距一般按4跨连续梁计算,按最不利荷载布置,查附表2得:Km=0.121δ=0.121×12.616×L2×6/(350×152)≤13N/mm2解得:L≤334mm②剪应力验算所用公式:τ=3V/2bh≤fv V=Kvql查表得Kv=0.620τ=3×0.620×12.616×L/(2×1100×15)≤fv=1.4N/mm2解得:L≤444mm③挠度验算所用公式:w=Kwql4/100EI≤L/250查表得:Kw=0.967w=0.967×12.616×L4×12/(100×9000×350×153)≤L/250解得:L≤307mm综合以上三种情况,L≤307mm,底板可满足要求,可取L=300mm(3)梁截面>350×1100梁底板计算按350×2600计算①强度验算:底板承受标准荷载:恒载:混凝土自重力 24KN/m3×0.35m×2.6m×1.2=26.208KN/m底板自重力 5KN/m3×0.015m×0.35m×1.2=0.0315KN/m钢筋自重力 1.5KN/m3×0.35m×2.6m×1.2=1.638KN/m动载:振捣混凝土荷载 2.0KN/m3×0.35m×1.4=0.98KN/m施工人员及机械荷载 2.5KN/m3×0.35m×1.4=1.225KN/m合计 q1=30.083KN/m木模板需乘折减系数0.9:则q=q1×0.9=27.074KN/m梁模板下内楞的间距相等,设为L,是一个等跨多跨连续梁,可按四等跨连续梁来计算:所用公式:δ=M/W≤fmM=Km×qL2W=bh2/6式中:δ—计算最大应力M—计算最大内力Km—弯距系数W—截面抵抗矩Fm—木材抗弯强度设计值b×h—模板横截面的宽度与厚度L—内楞间距一般按4跨连续梁计算,按最不利荷载布置,查附表2得:Km=0.121δ=0.121×27.04×L2×6/(350×152)≤13N/mm2解得:L≤228mm②剪应力验算所用公式:τ=3V/2bh≤fv V=Kvql查表得Kv=0.620τ=3×0.620×27.074×L/(2×2600×15)≤fv=1.4N/mm2解得:L≤466mm③挠度验算所用公式:w=Kwql4/100EI≤L/250查表得:Kw=0.967w=0.967×27.074×L4×12/(100×9000×350×153)≤L/250解得:L≤238mm综合以上三种情况,L≤228mm,底板可满足要求,可取L=200mm2、梁底外楞验算(1)梁截面≤350×600梁底外楞计算①强度验算:外楞下钢管的纵向间距设为L2,沿纵向为三排。
梁模板(扣件式,梁板立柱共用)计算书计算依据:1、《建筑施工脚手架安全技术统一标准》GB51210-20162、《建筑施工扣件式钢管脚手架安全技术规范》JGJ 130-20113、《建筑施工模板安全技术规范》JGJ162-20084、《混凝土结构设计规范》GB 50010-20105、《建筑结构荷载规范》GB 50009-20126、《钢结构设计标准》GB 50017-20177、《建筑结构可靠性设计统一标准》GB50068-2018一、工程属性二、荷载设计风荷载参数:三、模板体系设计荷载系数参数表:设计简图如下:平面图立面图四、面板验算取单位宽度b=1000mm,按二等跨连续梁计算:W=bh2/6=1000×15×15/6=37500mm3,I=bh3/12=1000×15×15×15/12=281250mm4q1=γ0×[1.3(G1k+(G2k+G3k)×h)+1.5×γL×Q1k]×b=1×[1.3×(0.1+(24+1.5)×0.85)+1.5×0.9×3]×1=32.358kN/mq1静=γ0×1.3×[G1k+(G2k+G3k)×h]×b=1×1.3×[0.1+(24+1.5)×0.85]×1=28.307kN/mq1活=γ0×1.5×γL×Q1k×b=1×1.5×0.9×3×1=4.05kN/mq2=[1×(G1k+(G2k+G3k)×h)]×b=[1×(0.1+(24+1.5)×0.85)]×1=21.775kN/m计算简图如下:1、强度验算M max=0.125q1L2=0.125×32.358×0.152=0.091kN·mσ=M max/W=0.091×106/37500=2.427N/mm2≤[f]=15N/mm2满足要求!2、挠度验算νmax=0.521q2L4/(100EI)=0.521×21.775×1504/(100×5400×281250)=0.038mm≤[ν]=L/250=150/250=0.6mm满足要求!3、支座反力计算设计值(承载能力极限状态)R1=R3=0.375q1静L+0.437q1活L=0.375×28.307×0.15+0.437×4.05×0.15=1.858kN R2=1.25q1L=1.25×32.358×0.15=6.067kN标准值(正常使用极限状态)R1'=R3'=0.375q2L=0.375×21.775×0.15=1.225kNR2'=1.25q2L=1.25×21.775×0.15=4.083kN五、小梁验算承载能力极限状态:梁底面板传递给左边小梁线荷载:q1左=R1/b=1.858/1=1.858kN/m梁底面板传递给中间小梁最大线荷载:q1中=Max[R2]/b = Max[6.067]/1= 6.067kN/m梁底面板传递给右边小梁线荷载:q1右=R3/b=1.858/1=1.858kN/m小梁自重:q2=1×1.3×(0.3-0.1)×0.3/2 =0.039kN/m梁左侧模板传递给左边小梁荷载q3左=1×1.3×0.5×0.85=0.552kN/m梁右侧模板传递给右边小梁荷载q3右=1×1.3×0.5×(0.85-0.13)=0.468kN/m梁右侧楼板传递给右边小梁荷载q4右=1×[1.3×(0.5+(24+1.1)×0.13)+1.5×0.9×3]×((0.9-0.45)-0.3/2)/2×1=1.341kN/m左侧小梁荷载q左=q1左+q2+q3左=1.858+0.039+0.552=2.449kN/m中间小梁荷载q中= q1中+ q2=6.067+0.039=6.106kN/m右侧小梁荷载q右=q1右+q2+q3右+q4右 =1.858+0.039+0.468+1.341=3.706kN/m 小梁最大荷载q=Max[q左,q中,q右]=Max[2.449,6.106,3.706]=6.106kN/m正常使用极限状态:梁底面板传递给左边小梁线荷载:q1左'=R1'/b=1.225/1=1.225kN/m梁底面板传递给中间小梁最大线荷载:q1中'=Max[R2']/b = Max[4.083]/1= 4.083kN/m梁底面板传递给右边小梁线荷载:q1右'=R3'/b=1.225/1=1.225kN/m小梁自重:q2'=1×(0.3-0.1)×0.3/2 =0.03kN/m梁左侧模板传递给左边小梁荷载q3左'=1×0.5×0.85=0.425kN/m梁右侧模板传递给右边小梁荷载q3右'=1×0.5×(0.85-0.13)=0.36kN/m梁右侧楼板传递给右边小梁荷载q4右'=[1×(0.5+(24+1.1)×0.13)]×((0.9-0.45)-0.3/2)/2×1=0.564kN/m左侧小梁荷载q左'=q1左'+q2'+q3左'=1.225+0.03+0.425=1.68kN/m中间小梁荷载q中'= q1中'+ q2'=4.083+0.03=4.113kN/m右侧小梁荷载q右'=q1右'+q2'+q3右'+q4右' =1.225+0.03+0.36+0.564=2.179kN/m 小梁最大荷载q'=Max[q左',q中',q右']=Max[1.68,4.113,2.179]=4.113kN/m为简化计算,按二等跨连续梁和悬臂梁分别计算,如下图:1、抗弯验算M max=max[0.125ql12,0.5ql22]=max[0.125×6.106×0.452,0.5×6.106×0.22]=0.155kN·mσ=M max/W=0.155×106/24500=6.308N/mm2≤[f]=15.444N/mm2满足要求!2、抗剪验算V max=max[0.625ql1,ql2]=max[0.625×6.106×0.45,6.106×0.2]=1.717kN τmax=3V max/(2bh0)=3×1.717×1000/(2×30×70)=1.227N/mm2≤[τ]=1.782N/mm2满足要求!3、挠度验算ν1=0.521q'l14/(100EI)=0.521×4.113×4504/(100×9350×85.75×104)=0.11mm≤[ν]=l1/250=450/250=1.8mmν2=q'l24/(8EI)=4.113×2004/(8×9350×85.75×104)=0.103mm≤[ν]=2l2/250=2×200/250=1.6mm满足要求!4、支座反力计算承载能力极限状态R max=max[1.25qL1,0.375qL1+qL2]=max[1.25×6.106×0.45,0.375×6.106×0.45+6.106×0.2]=3.435kN同理可得:梁底支撑小梁所受最大支座反力依次为R1=1.378kN,R2=3.435kN,R3=2.085kN 正常使用极限状态R max'=max[1.25q'L1,0.375q'L1+q'L2]=max[1.25×4.113×0.45,0.375×4.113×0.45+4.113×0.2]=2.314kN同理可得:梁底支撑小梁所受最大支座反力依次为R1'=0.945kN,R2'=2.314kN,R3'=1.226kN 六、主梁验算1、抗弯验算主梁弯矩图(kN·m)σ=M max/W=0.18×106/4490=40.164N/mm2≤[f]=205N/mm2满足要求!2、抗剪验算主梁剪力图(kN)V max=1.718kNτmax=2V max/A=2×1.718×1000/424=8.102N/mm2≤[τ]=125N/mm2满足要求!3、挠度验算主梁变形图(mm)νmax=0.032mm≤[ν]=L/250=300/250=1.2mm满足要求!4、支座反力计算承载能力极限状态支座反力依次为R1=0.258kN,R2=3.353kN,R3=4.06kN,R4=0.258kN正常使用极限状态支座反力依次为R1'=0.174kN,R2'=2.276kN,R3'=2.557kN,R4'=0.174kN 七、纵向水平钢管验算R=max[R1,R2,R3,R4]=max[0.258,3.353,4.06,0.258]=4.06kN,R'=max[R1',R2',R3',R4']=max[0.174,2.276,2.557,0.174]=2.557kN计算简图如下:1、抗弯验算纵向水平钢管弯矩图(kN·m)σ=M max/W=0.639×106/4490=142.422N/mm2≤[f]=205N/mm2满足要求!2、抗剪验算纵向水平钢管剪力图(kN)V max=2.639kNτmax=2V max/A=2×2.639×1000/424=12.448N/mm2≤[τ]=125N/mm2满足要求!3、挠度验算纵向水平钢管变形图(mm)νmax=0.97mm≤[ν]=L/250=900/250=3.6mm满足要求!4、支座反力计算支座反力依次为R1=5.481kN,R2=8.729kN,R3=8.729kN,R4=5.481kN同理可得:立杆所受支座反力依次为R1=0.555kN,R2=7.209kN,R3=8.729kN,R4=0.555kN八、扣件抗滑移验算扣件最大受力N=max[R1,R2,R3,R4]=8.729kN≤R c=k c×12=0.85×12=10.2kN满足要求!九、立杆验算1、长细比验算顶部立杆段:l01=kμ1(h d+2a)=1×1.386×(750+2×200)=1594mm非顶部立杆段:l02=kμ2h =1×1.755×1500=2632mmλ=max[l01,l02]/i=2632/15.9=165.535≤[λ]=210长细比满足要求!顶部立杆段:l01=kμ1(h d+2a)=1.155×1.386×(750+2×200)=1841mm非顶部立杆段:l02=kμ2h =1.155×1.755×1500=3041mmλ=max[l01,l02]/i=3041/15.9=191.258查表得:φ=0.1972、风荷载计算M wd=γ0×γL×φwγQ×Mωk=γ0×γL×φwγQ×(ζ2×ωk×l a×h2/10)=1×0.9×0.6×1.5×(1×0.04×0.9×1.52/10)=0.007kN·m3、稳定性计算R1=0.555kN,R2=7.209kN,R3=8.729kN,R4=0.555kN梁两侧立杆承受楼板荷载:右侧楼板传递给梁右侧立杆荷载:N边=1×[1.3×(0.5+(24+1.1)×0.13)+1.5×0.9×3]×(0.9+0.9-0.45-0.3/2)/2×0.9=4.829kNN d=max[R1,R2,R3,R4+N边]+1×1.3×0.15×(6.45-0.85)=max[0.555,7.209,8.729,0.555+4.829]+1.092=9.821kNf d=N d/(φA)+M wd/W=9821.099/(0.197×424)+0.007×106/4490=119.138N/mm2≤[f]=205N/mm2满足要求!十、高宽比验算根据《建筑施工脚手架安全技术统一标准》GB51210-2016 第8.3.2条: 支撑脚手架独立架体高宽比不应大于3.0H/B=6.45/36=0.179≤3满足要求!十一、架体抗倾覆验算支撑脚手架风线荷载标准值:q wk=l'a×ωfk=0.9×0.96=0.864kN/m:风荷载作用在支架外侧模板上产生的水平力标准值:F wk= l'a×H m×ωmk=0.9×1×0.362=0.326kN支撑脚手架计算单元在风荷载作用下的倾覆力矩标准值M ok:M ok=0.5H2q wk+HF wk=0.5×6.452×0.864+6.45×0.326=20.074kN.m参考《规范》GB51210-2016 第6.2.17条:B2l'a(g k1+ g k2)+2ΣG jk b j≥3γ0M okg k1——均匀分布的架体面荷载自重标准值kN/m2g k2——均匀分布的架体上部的模板等物料面荷载自重标准值kN/m2G jk——支撑脚手架计算单元上集中堆放的物料自重标准值kNb j——支撑脚手架计算单元上集中堆放的物料至倾覆原点的水平距离mB2l'a(g k1+ g k2)+2ΣG jk b j=B2l'a[qH/(l'a×l'b)+G1k]+2×G jk×B/2=362×0.9×[0.15×6.45/(0.9×0.9)+0.5]+2×1×36/2=2 012.4kN.m≥3γ0M ok =3×1×20.074=60.221kN.M满足要求!十二、立杆地基基础计算立杆底垫板的底面平均压力p=N/(m f A)=9.821/(1×0.15)=65.474kPa≤γu f ak=1.254×140 =175.56kPa满足要求!。
梁侧模板计算书1、《混凝土结构工程施工规范》GB50666-20112、《混凝土结构设计规范》GB50010-20103、《建筑结构荷载规范》GB 50009-20124、《钢结构设计规范》GB 50017-2003一、工程属性二、荷载组合4k c0c min{0.28×24×4×0.9×21/2,24×3.75}=min{34.213,90}=34.213kN/m2 承载能力极限状态设计值S承=γ0[1.35×0.9×G4k+1.4×φc Q4k]=1×[1.35×0.9×32.4+1.4×0.9×2]=41.886kN/m2正常使用极限状态设计值S正=G4k=32.4 kN/m2三、支撑体系设计设计简图如下:模板设计剖面图四、面板验算bh3/12=1000×153/12=281250mm4。
计算简图如下:1、抗弯验算q1=bS承=1×41.886=41.886kN/mM max=0.125q1l2=0.125×41.886×0.2252=0.265kN·mσ=M max/W=0.265×106/37500=7.068N/mm2≤[f]=15N/mm2满足要求!2、挠度验算q=bS正=1×32.4=32.4kN/mνmax=5×32.4×2254/(384×10000×281250)=0.384mm≤225/250=0.9mm 满足要求!3、支座反力验算承载能力极限状态R=q1l=41.886×0.225=9.424kN正常使用极限状态R'=ql=32.4×0.225=7.29kN五、小梁验算1、抗弯验算小梁弯矩图(kN·m)q=9.424kN/mσ=M max/W=0.369×106/32062=11.522N/mm2≤[f]=15.44N/mm2 满足要求!2、抗剪验算小梁剪力图(kN)τmax=3 V max/(2bh)=3×2.713×1000/(2×45×95)=0.952N/mm2≤[τ]=1.78N/mm2 满足要求!3、挠度验算小梁变形图(mm)q=7.29kN/mνmax=1.708mm≤450/250=1.8mm满足要求!4、主梁所受支座反力计算承载能力极限状态R max=5.352kN正常使用极限状态R'max=4.14kN六、主梁验算计算简图如下:1、抗弯验算主梁弯矩图(kN·m)q=5.352kN/mσ=M max/W=0.542×106/4490=120.688N/mm2≤[f]=205N/mm2满足要求!2、抗剪验算主梁剪力图(kN)τmax=2V max/A=2×2.713×1000/424=30.925N/mm2≤[τ]=120N/mm2 满足要求!3、挠度验算主梁变形图(mm)q=4.14kN/mνmax=0.253mm≤450/250=1.8mm满足要求!4、最大支座反力计算R max=11.908/1=11.908kN七、对拉螺栓验算t 满足要求!梁侧模板计算书1、《混凝土结构工程施工规范》GB50666-20112、《混凝土结构设计规范》GB50010-20103、《建筑结构荷载规范》GB 50009-20124、《钢结构设计规范》GB 50017-2003一、工程属性二、荷载组合4k c0c min{0.28×24×4×0.9×21/2,24×3.75}=min{34.213,90}=34.213kN/m2 承载能力极限状态设计值S承=γ0[1.35×0.9×G4k+1.4×φc Q4k]=1×[1.35×0.9×32.4+1.4×0.9×2]=41.886kN/m2正常使用极限状态设计值S正=G4k=32.4 kN/m2三、支撑体系设计设计简图如下:模板设计剖面图四、面板验算bh3/12=1000×153/12=281250mm4。
梁(以350X1200为例)侧模板计算书一、梁侧模板基本参数计算断面宽度350mm,高度1200mm,两侧楼板厚度130mm。
模板面板采用普通胶合板。
内龙骨布置5道,内龙骨采用45×95mm木方。
外龙骨间距600mm,外龙骨采用200×100mm木方。
对拉螺栓布置2道,在断面内水平间距300+600########mm,断面跨度方向间距600mm,直径18mm。
面板厚度18mm,剪切强度1.4N/mm2,抗弯强度15.0N/mm2,弹性模量6000.0N/mm4。
木方剪切强度1.3N/mm2,抗弯强度13.0N/mm2,弹性模量9500.0N/mm4。
25625625625612mm模板组装示意图二、梁侧模板荷载标准值计算强度验算要考虑新浇混凝土侧压力和倾倒混凝土时产生的荷载设计值;挠度验算只考虑新浇混凝土侧压力产生荷载标准值。
新浇混凝土侧压力计算公式为下式中的较小值:其中c——混凝土的重力密度,取24.000kN/m3;t ——新浇混凝土的初凝时间,为0时(表示无资料)取200/(T+15),取3.000h; T ——混凝土的入模温度,取20.000℃;V ——混凝土的浇筑速度,取2.500m/h;H ——混凝土侧压力计算位置处至新浇混凝土顶面总高度,取1.200m;1——外加剂影响修正系数,取1.000;2——混凝土坍落度影响修正系数,取0.850。
根据公式计算的新浇混凝土侧压力标准值 F1=21.280kN/m2考虑结构的重要性系数0.9,实际计算中采用新浇混凝土侧压力标准值 F1=0.9×21.290=19.161kN/m 2考虑结构的重要性系数0.9,倒混凝土时产生的荷载标准值 F2=0.9×4.000=3.600kN/m 2。
三、梁侧模板面板的计算面板为受弯结构,需要验算其抗弯强度和刚度。
模板面板的按照简支梁计算。
面板的计算宽度取0.26m 。
梁模板(承插型盘扣式支撑)计算书计算依据:《建筑施工承插型盘扣式钢管支架安全技术规程》(JGJ 231-2010)《建筑施工模板安全技术规范》(JGJ162-2008)《建筑地基基础设计规范》(GB 50007-2011)《建筑结构荷载规范》(GB 50009-2012)《混凝土结构设计规范》(GB50010-2010)一、参数信息梁段:L1。
1.模板构造及支撑参数(一) 构造参数梁截面宽度(m) 0.4 梁截面高度(m) 0.8楼层高度(m) 6 结构表面要求 隐藏立杆沿梁跨度方向间距(m)1.2 立杆最大步距(m) 2立杆顶部步距(m) 1 梁底构造横杆形式 扣件式 支撑梁搭设形式独立支撑(2层梁上顺下横) 板的形式 梁2侧有板 混凝土楼板厚度(mm)130(二) 支撑参数立杆钢管类型(mm): A-LG-3000(Φ60×3.2×3000)2.荷载参数新浇筑砼自重标准值(kN/m3) 24钢筋自重标准值(kN/m3)1.5砼对模板侧压力标准值(kN/m2) 19.2梁侧模板自重标准值(kN/m2)0.3梁底模板自重标准值(kN/m2) 0.343.梁侧模板参数加固楞搭设形式:主楞横向次楞竖向设置;(一) 面板参数面板材料 克隆(平行方向)18mm厚覆面木胶合板面板厚度(mm) 18抗弯设计值(N/mm2) 29 弹性模量(N/mm2)11500 (二) 主楞参数主楞材料 2根Ф48×3.5钢管 主楞间距(mm) 100,250*2 钢材品种 钢材Q235钢(>16-40)弹性模量(N/mm2) 206000屈服强度(N/mm2)235 抗拉/抗压/抗弯强度设计值(N/mm2)205抗剪强度设计值(N/mm2) 120端面承压强度设计值(N/mm2)325(三) 次楞参数次楞材料 1根100×100矩形木楞次楞间距(mm) 400木材品种 东北落叶松 弹性模量(N/mm2) 10000抗压强度设计值(N/mm2) 15抗弯强度设计值(N/mm2)17抗剪强度设计值(N/mm2) 1.6(四) 加固楞支拉参数支拉方式 采用穿梁螺栓支拉螺栓直径 M14 螺栓水平间距(mm) 500 螺栓竖向间距(mm) 100,250*24.梁底模板参数搭设形式为:独立支撑(2层梁上顺下横);面板材料 模板宽300面板厚2.30钢面板厚度(mm) 2.3抗弯设计值(N/mm2) 205 弹性模量(N/mm2)206000二、梁侧模板面板的计算面板为受弯结构,需要验算其抗弯强度和刚度。
梁底模板支撑架计算计算依据《建筑施工模板安全技术规》(JGJ162-2008)。
一、计算参数:新浇混凝土梁名称KL12 新浇混凝土梁计算跨度(m) 3.8混凝土梁截面尺寸(mm×mm) 300*700新浇混凝土结构层高(m) 5.8梁侧楼板厚度(mm) 130二、模板体系设计新浇混凝土梁支撑方式梁两侧有板,梁板立柱共用(A) 梁跨度方向立柱间距la(mm) 900梁两侧立柱间距lb(mm) 1000 步距h(mm) 1500新浇混凝土楼板立柱间距l'a(mm)、l'b(mm): 900、900混凝土梁居梁两侧立柱中的位置居中梁左侧立柱距梁中心线距离(mm) 500梁底增加立柱根数 2梁底增加立柱布置方式:按梁两侧立柱间距均分梁底增加立柱依次距梁左侧立柱距离(mm) 500梁底支撑小梁根数 4每纵距附加梁底支撑主梁根数 0梁底支撑小梁最大悬挑长度(mm) 100结构表面的要求结构表面隐蔽三、面板验算取单位宽度1000mm,按三等跨连续梁计算,计算简图如下:W=bh2/6=1000×15×15/6=37500mm3,I=bh3/12=1000×15×15×15/12=281250mm4q1=0.9max[1.2(G1k+ (G2k+G3k)×h)+1.4Q2k,1.35(G1k+ (G2k+G3k)×h)+1.4×0.7Q2k]×b=0.9max[1.2×(0.1+(24+1.5)×1)+1.4×2,1.35×(0.1+(24+1.5)×1)+1.4×0.7×2]×1=32.868kN/mq1静=0.9×1.35×[G1k+(G2k+G3k)×h]×b=0.9×1.35×[0.1+(24+1.5)×1]×1=31.104kN/mq1活=0.9×1.4×0.7×Q2k×b=0.9×1.4×0.7×2×1=1.764kN/m q2=(G1k+ (G2k+G3k)×h)×b=[0.1+(24+1.5)×1]×1=25.6kN/m1、强度验算Mmax=0.1q1静L2+0.117q1活L2=0.1×31.104×0.2672+0.117×1.764×0.2672=0.236kN·mσ=Mmax/W=0.236×106/37500=6.29N/mm2≤[f]=22N/mm2 满足要求!2、挠度验算νmax=0.677q2L4/(100EI)=0.677×25.6×266.6674/(100×10000×281250)=0.312mm ≤[ν]=l/250=266.667/250=1.067mm满足要求!3、支座反力计算设计值(承载能力极限状态)R1=R4=0.4 q1静l +0.45 q1活l=0.4×31.104×0.267+0.45×1.764×0.267=3.529kN R2=R3=1.1 q1静l +1.2 q1活l=1.1×31.104×0.267+1.2×1.764×0.267=9.688kN 标准值(正常使用极限状态)R1'=R4'=0.4 q2l=0.4×25.6×0.267=2.731kNR2'=R3'=1.1 q2l=1.1×25.6×0.267=7.509kN四、小梁验算小梁类型方木小梁材料规格(mm) 45×90小梁抗弯强度设计值[f](N/mm2) 13.07小梁抗剪强度设计值[τ](N/mm2) 1.43小梁弹性模量E(N/mm2) 8415小梁截面抵抗矩W(cm3) 60.75小梁截面惯性矩I(cm4) 273.38为简化计算,按四等跨连续梁和悬臂梁分别计算,如下图:q1=max{3.529+0.9×1.35×[(0.3-0.1)×0.8/3+0.5×(1-0.12)]+0.9max[1.2×(0.5+(24+1.1)×0.12)+1.4×2,1.35×(0.5+(24+1.1)×0.12)+1.4×0.7×2]×max[0.55-0.8/2,(1.1-0.55)-0.8/2]/2×1,9.688+0.9×1.35×(0.3-0.1)×0.8/3}=9.753kN/mq2=max[2.731+(0.3-0.1)×0.8/3+0.5×(1-0.12)+(0.5+(24+1.1)×0.12)×max[0.55-0.8/2,(1.1-0.55)-0.8/2]/2×1,7.509+(0.3-0.1)×0.8/3]=7.563kN/m1、抗弯验算Mmax=max[0.107q1l12,0.5q1l22]=max[0.107×9.753×0.452,0.5×9.753×0.12]=0.211kN·mσ=Mmax/W=0.211×106/60750=3.479N/mm2≤[f]=13.07N/mm2 满足要求! 2、抗剪验算Vmax=max[0.607q1l1,q1l2]=max[0.607×9.753×0.45,9.753×0.1]=2.664kN τmax =3Vmax/(2bh0)=3×2.664×1000/(2×45×90)=0.987N/mm2≤[τ]=1.43N/mm2 满足要求!3、挠度验算ν1=0.632q2l14/(100EI)=0.632×7.563×4504/(100×8415×2733800)=0.085mm≤[ν]=l/250=450/250=1.8mmν2=q2l24/(8EI)=7.563×1004/(8×8415×2733800)=0.004mm≤[ν]=l/250=100/250=0.4mm 满足要求!4、支座反力计算梁头处(即梁底支撑小梁悬挑段根部) 承载能力极限状态Rmax=max[1.143q1l1,0.393q1l1+q1l2]=max[1.143×9.753×0.45,0.393×9.753×0.45+9.753×0.1]=5.017kN同理可得,梁底支撑小梁所受最大支座反力依次为R1=R4=2.367kN,R2=R3=5.017kN正常使用极限状态R'max=max[1.143q2l1,0.393q2l1+q2l2]=max[1.143×7.563×0.45,0.393×7.563×0.45+7.563×0.1]=3.89kN同理可得,梁底支撑小梁所受最大支座反力依次为R'1=1.956kN,R'2=3.89kNR'3=3.89kNR'4=1.956kN五、主梁验算钢管主梁材料规格(mm) Ф48×3 可调托座主梁根数1 主梁弹性模量E(N/mm2) 206000主梁抗弯强度设计值[f](N/mm2) 205主梁抗剪强度设计值[τ](N/mm2) 125主梁截面惯性矩I(cm4) 10.78主梁截面抵抗矩W(cm3) 4.49主梁自重忽略不计,计算简图如下1、抗弯验算σ=Mmax/W=0.609×106/4490=135.719N/mm2≤[f]=205N/mm2 满足要求!2、抗剪验算Vmax=5.557kNτmax=2Vmax/A=2×5.557×1000/424=26.212N/mm2≤[τ]=125N/mm2 满足要求!3、挠度验算νmax=0.228mm≤[ν]=l/250=550/250=2.2mm 满足要求!4、扣件抗滑计算R=max[R1,R3]=1.827kN≤1×8=8kN单扣件在扭矩达到40~65N·m且无质量缺陷的情况下,单扣件能满足要求!同理可知,右侧立柱扣件受力R=1.827kN≤1×8=8kN单扣件在扭矩达到40~65N·m且无质量缺陷的情况下,单扣件能满足要求!七、立柱验算剪刀撑设置加强型立杆顶部步距hd(mm) 1500立杆伸出顶层水平杆中心线至支撑点的长度a(mm) 200顶部立杆计算长度系数μ1 1.386非顶部立杆计算长度系数μ2 1.755钢管类型Ф48×3立柱截面面积A(mm2) 424 回转半径i(mm) 15.9立柱截面抵抗矩W(cm3) 4.49抗压强度设计值f(N/mm2) 205立杆自重q(kN/m) 0.15长细比验算顶部立杆段:l01=kμ1(hd+2a)=1×1.386×(1500+2×200)=2633.4mm非顶部立杆段:l02=kμ2h =1×1.755×1500=2632.5mmλ=l0/i=2633.4/15.9=165.623≤[λ]=210长细比满足要求!1、风荷载计算Mw=0.9×1.4×ωk×la×h2/10=0.9×1.4×0.16×0.45×1.52/10=0.02kN·m2、稳定性计算根据《建筑施工模板安全技术规》公式5.2.5-14,荷载设计值q1有所不同:1面板验算q1=[1.2×(0.1+(24+1.5)×1)+0.9×1.4×2]×1=33.24kN/m2小梁验算q1=max{3.221+(0.3-0.1)×0.8/3+[1.2×(0.5+(24+1.1)×0.12)+0.9×1.4×1]×max[0.55-0.8/2,(1.1-0.55)-0.8/2]/2×1,8.836+(0.3-0.1)×0.8/3}=8.889kN/m同上四~六计算过程,可得:R1=1.696kN,R2=10.17kN,R3=1.696kN顶部立杆段:l01=kμ1(hd+2a)=1.217×1.386×(1500+2×200)=3204.848mmλ1=l01/i=3204.848/15.9=201.563,查表得,υ1=0.179立柱最大受力Nw=max[R1+N边1,R2,R3+N边2]+Mw/lb=max[1.696+[1.2×(0.5+(24+1.1)×0.12)+0.9×1.4×1]×(0.9+0.55-0.8/2)/2×0.9,10.17,1.696+[1.2×(0.5+(24+1.1)×0.12)+0.9×1.4×1]×(0.9+1.1-0.55-0.8/2)/2×0.9]+0.02/1.1=10.207kNf=N/(υA)+Mw/W=10206.871/(0.179×424)+0.02×106/4490=139.031N/mm2≤[f]=205N/mm2满足要求!非顶部立杆段:l02=kμ2h =1.217×1.755×1500=3203.752mmλ2=l02/i=3203.752/15.9=201.494,查表得,υ2=0.179立柱最大受力Nw=max[R1+N边1,R2,R3+N边2]+0.15×(11.4-1)+Mw/lb=max[1.696+[1.2×(0.75+(24+1.1)×0.12)+0.9×1.4×1]×(0.9+0.55-0.8/2)/2×0.9,10.17,1.696+[1.2×(0.75+(24+1.1)×0.12)+0.9×1.4×1]×(0.9+1.1-0.55-0.8/2)/2×0.9]+1.56+0.02/1.1=11.748kNf=N/(υA)+Mw/W=11748.315/(0.179×424)+0.02×106/4490=159.341N/mm2≤[f]=205N/mm2八、可调托座验算满足要求!荷载传递至立杆方式可调托座2可调托座承载力容许值[N](kN) 30由"主梁验算"一节计算可知可调托座最大受力N=max[R2]×1=11.114kN≤[N]=30kN 满足要求!梁侧模板计算书一、梁侧模板基本参数计算断面宽度300mm,高度700mm,两侧楼板厚度130mm。
梁侧模板计算书一、梁模板基本参数梁截面宽度 B=600mm,梁截面高度 H=1700mm,H方向对拉螺栓4道,对拉螺栓直径12mm,对拉螺栓在垂直于梁截面方向距离(即计算跨度)600mm。
梁模板使用的方木截面60×80mm,梁模板截面侧面方木距离200mm。
梁底模面板厚度h=12mm,弹性模量E=6000N/mm2,抗弯强度[f]=15N/mm2。
梁侧模面板厚度h=12mm,弹性模量E=6000N/mm2,抗弯强度[f]=15N/mm2。
二、梁模板荷载标准值计算模板自重 = 0.340kN/m2;钢筋自重 = 2.000kN/m3;混凝土自重 = 24.000kN/m3;施工荷载标准值 = 2.500kN/m2。
强度验算要考虑新浇混凝土侧压力和倾倒混凝土时产生的荷载;挠度验算只考虑新浇混凝土侧压力。
新浇混凝土侧压力计算公式为下式中的较小值:其中——混凝土的重力密度,取24.000kN/m3;t ——新浇混凝土的初凝时间,为0时(表示无资料)取200/(T+15),取2.000h; T ——混凝土的入模温度,取20.000℃;V ——混凝土的浇筑速度,取5.000m/h;H ——混凝土侧压力计算位置处至新浇混凝土顶面总高度,取1.600m;1——外加剂影响修正系数,取1.200;2——混凝土坍落度影响修正系数,取1.150。
根据公式计算的新浇混凝土侧压力标准值 F1=32.580kN/m2实际计算中采用新浇混凝土侧压力标准值 F1=32.590kN/m2倒混凝土时产生的荷载标准值 F2= 6.000kN/m2。
三、梁模板侧模计算梁侧模板按照三跨连续梁计算,计算简图如下200200200 q图梁侧模板计算简图1.强度计算强度计算公式要求: = M/W < [f]其中——梁侧模板的强度计算值(N/mm2);M ——计算的最大弯矩 (kN.m);q ——作用在梁侧模板的均布荷载(N/mm);q=(1.2×32.59+1.4×6.00)×1.70=80.764N/mm最大弯矩计算公式如下:M=-0.10×80.764×0.2002=-0.323kN.m=0.323×106/40800.0=7.918N/mm2梁侧模面板计算强度小于15.00N/mm2,满足要求!2.抗剪计算最大剪力的计算公式如下:Q = 0.6ql截面抗剪强度必须满足:T = 3Q/2bh < [T]其中最大剪力 Q=0.6×0.200×80.764=9.692kN截面抗剪强度计算值 T=3×9692/(2×1700×12)=0.713N/mm2截面抗剪强度设计值 [T]=1.40N/mm2面板的抗剪强度计算满足要求!3.挠度计算最大挠度计算公式如下:其中 q = 32.59×1.70=55.40N/mm三跨连续梁均布荷载作用下的最大挠度v = 0.677×55.403×200.04/(100×6000.00×244800.0)=0.409mm梁侧模板的挠度计算值: v = 0.409mm小于 [v] = 200/250,满足要求!五、穿梁螺栓计算计算公式:N < [N] = fA其中 N ——穿梁螺栓所受的拉力;A ——穿梁螺栓有效面积 (mm2);f ——穿梁螺栓的抗拉强度设计值,取170N/mm2;穿梁螺栓承受最大拉力 N = (1.2×32.59+1.4×6.00)×1.70×0.60/4=12.12kN穿梁螺栓直径为12mm;穿梁螺栓有效直径为9.9mm;穿梁螺栓有效面积为 A=76.000mm2;穿梁螺栓最大容许拉力值为 [N]=12.920kN;穿梁螺栓承受拉力最大值为 N=12.115kN;穿梁螺栓的布置距离为侧龙骨的计算间距600mm。
梁模板设计计算书已知条件:梁高h=0.900m;梁宽b=0.400m(取最大截面);一. 荷载计算:①.模板自重 0.500KN/m2②.新浇混凝土自重标准值 0.900×24.0=21.600KN/m2③.钢筋自重 0.900×1.5=1.35KN/m2⑤.振捣对水平模板产生的压力标准值 2.0KN/m2⑥.新浇混凝土对模板侧面的压力标准值 21.600 KN/m2⑦倾倒混凝土时产生的水平荷载 4.0 KN/m2γc=24 KN/m3混凝土自重设混凝土的入模温度 T=20℃t=200/(T+15)=200/(20+15)=5.714设混凝土浇筑速度 V=0.6m/sβ1=1.2 外加剂修正系数β2=1 设塌落度80mm 塌落度修正系数F 1=0.22γctβ1β2V1/2=0.22×24×5.714×1.2×1.×6.0=28.04 KN/m2F 2=γcH=24×0.900=21.600 KN/m2取F=21.600 KN/m21.2×(①+②+③)+1.4×⑤=1.2×(0.500+21.600+1.425)+1.4×2.0=31.03KN/m2(用于计算梁底模板龙骨弯矩、应力)①+②+③=0.500+21.600+1.5=23.6KN/m2(用于计算梁底模板龙骨、挠度)1.2×⑥+1.4×⑦=1.2×21.600+1.4×4.0=31.52KN/m2(用于计算梁侧模板龙骨弯矩、应力)⑥=21.600KN/m2(用于计算梁侧模板龙骨挠度)二.底模计算:模板采用1.8cm厚多层板,荷载折减系数取0.90按模板宽度:0.001m单元计算;模板EI=3160000.0N·mm2模板W=54.00mm3;按四跨连续梁计算模板计算跨度L=0.300m模板允许应力[σ]=20.000 N/mm21.荷载q1=0.90×31.030×0.001=0.028KN/mq2=0.90×23.6×0.001=0.021KN/m2.抗弯强度验算:M=0.105ql2=0.105×0.028×0.3002=0.00026KN·mσ=M/W=0.00026×106/54.00=4.815N/mm2<20.000N/mm23.挠度验算:ω=0.632×ql4/100EI=0.632×0.021×(0.300×1000)4/(100×3160000.0)=0.360mm<[ω]=1.5mm允许挠度[ω]=1.5mm二.梁底小龙骨验算:小龙骨采用5CM×10CM木龙骨;间距0.300m;已知条件:截面抵抗矩: W=83333.00mm3截面刚度: EI=45800000000.00N·mm2=13.00N/mm2抗弯承载力:fm允许挠度: [w]=L/500mm2; 计算跨度: L=0.600m 按四跨连续梁计算q=31.03×0.400×0.300=3.723KN/m (用于计算弯矩)q’=23.6×0.400×0.300=2.832KN/m (用于计算挠度) 查内力计算手册=0.11×qL2=0.11×2.723×0.6002=0.108KN·mMmaxσ=M max/W=0.108×106/83333.00=1.298N/mm2<13.00N/mm2ω=0.6q’l4/100EI=0.6×2.832×(0.600×1000)4÷(100×45800000000.00) =0.05mm< [ω]=(0.600×1000)/500=1.200mm三、梁底大龙骨强度及挠度验算大龙骨采用10CM×10CM木龙骨;间距0.600mm按五跨连续梁计算已知条件:截面抵抗矩: W=166667.000cmm3截面刚度: EI=91700000000.000N·mm2=13.000N/mm2抗弯承载力:fm允许挠度: [w]=L/500mm计算跨度: L=1.200mq=0.607×3.732×0.600÷0.300=4.530KN/mq’=0.607×2.832×0.600÷0.300=3.43KN/m=0.105×ql2=0.105×4.530×1.2002=0.685KN·m Mmaxσ=M max/W=0.685×106/166667.000=4.1N/mm2<13.000N/mm2ω=0.632q’l4/100EI=0.632×3.43×(1.200×1000)4÷(100×91700000000.000) =0.5mm<[ω]=(1.200×1000)/500=2.400mm四.梁底支柱验算:采用φ48钢管脚手架;间距1.200m;计算长度L=150.000cm;=215.000N/mm2允许荷载fm已知:支柱面积A=489.000mm2回转半径i=15.78cmN=31.03×0.600×1.200=22.3KNλ=L/i =150.000×/15.78=95.1查表:φ=0.6σ=N/φA=22.3/(0.6×489.000)=76.5N/mm2〈215.000N/mm2=215.000N/mm2允许荷载fm五.梁侧模板计算:梁侧模板采用1.8cm厚多层板,荷载折减系数取0.90模板宽度:0.001m; 模板EI=3160000.0N·mm2模板W=54.00mm3;按单跨简支梁计算模板计算跨度L=0.300m模板允许应力[σ]=20.000 N/mm22.荷载荷载: q=0.90×(1.2×⑥+1.4×⑦) ×0.001=0.90×(1.2×21.600+1.4×4)×0.001=0.02836KN/m用于计算弯矩q’=0.90×⑥×0.001=0.90×21.600×0.001=0.01944KN/m用于计算挠度2.抗弯强度验算:M=0.125ql2=0.125×0.02836×0.3002=0.0003KN·mσ=M/W=0.0031×106/54.00=5.9N/mm2<20.000N/mm23.挠度验算:ω=0.013×q’l4/100EI=0.013×0.01944×(0.300×1000)4/(100×3160000.0)=0.006mm<[ω]=1.5mm允许挠度[ω]=1.5mm六.梁侧水平龙骨强度验算:梁侧水平龙骨采用1根5CM×10CM木龙骨;间距0.300mm水平龙骨截面抵抗矩W=83333.000; 水平龙骨允许应力[σ]=13.000N/mm2梁侧水平龙骨计算跨度l=0.300m按五跨连续梁计算; 荷载折减系数取0.90荷载: 0.90×(1.2×⑥+1.4×⑦)=0.90×31.52=28.360KN/m2q=28.36×0.300=8.508KN/m 用于计算弯矩q’=0.90×⑥×0.300=5.832 N/mm用于计算挠度M=0.105×ql2=0.105×8.508×0.3002=0.084KN·mmax/2W=0.084×106/(2×83333.000)σ=Mmax=0.5N/mm2<13.000N/mm2ω=0.00168q’l4/(2×100EI)=0.00168×5.832×(0.300×1000)4/(2×100×45800000000.000)=0.003mm< [ω]=L/500=(0.300×1000)/500=0.6mm七.梁侧竖向龙骨强度验算:竖向龙骨采用2根10CM×10CM木龙骨; 间距≤0.300mm竖向龙骨截面抵抗矩W=333334.00; 竖向龙骨允许应力[σ]=13.00 N/mm2竖向主龙骨计算跨度 l=0.300m;竖向龙骨刚度EI=183400000000.000; 按四跨连续梁计算:荷载: 0.90×(1.2×⑥+1.4×⑦)=0.90×(1.2×21.600+1.4×4)=28.36 KN/m2q=28.36×0.300=8.508KN/m 用于计算弯矩q’=0.90×⑥×0.300=6.156N/mm用于计算挠度=0.105×ql2=0.105×8.508×0.3002=0.084KN·mMmad/2W=0.084×106/(2×333334.00)σ=Mmax=0.126N/mm2<13.00N/mm2ω=0.632q’l4/(2×100EI)=0.632×5.832×(0.300×1000)4/(2×100×183400000000.000) =0.0008mm< [ω]=L/500=(0.300×1000)/500=0.600mm。
梁侧模板计算书
计算依据:
1、《混凝土结构工程施工规范》GB50666-2011
2、《混凝土结构设计规范》GB50010-2010
3、《建筑结构荷载规范》GB 50009-2012
4、《钢结构设计规范》GB 50017-2003
一、工程属性
承04k c4k 1×[1.35×0.9×34.213+1.4×0.9×2]=44.089kN/m2
下挂部分:正常使用极限状态设计值S正=G4k=34.213 kN/m2
三、支撑体系设计
左侧支撑表:
模板设计剖面图四、面板验算
梁截面宽度取单位长度,b=1000mm。
W=bh2/6=1000×152/6=37500mm3,I=bh3/12=1000×153/12=281250mm4。
面板计算简图如下:
1、抗弯验算
q1=bS承=1×44.089=44.089kN/m
q1静=γ0×1.35×0.9×G4k×b=1×1.35×0.9×34.213×1=41.569kN/m
q1活=γ0×1.4×υc×Q4k×b=1×1.4×0.9×2×1=2.52kN/m
M max=0.107q1静L2+0.121q1活L2=0.107×41.569×0.32+0.121×2.52×0.32=0.428kN·m
σ=M max/W=0.428×106/37500=11.407N/mm2≤[f]=15N/mm2
满足要求!
2、挠度验算
q=bS正=1×34.213=34.213kN/m
νmax=0.632qL4/(100EI)=0.632×34.213×3004/(100×10000×281250)=0.623mm≤300/400=0.75mm
满足要求!
3、最大支座反力计算
承载能力极限状态
R下挂max=1.143×q1静×l左+1.223×q1活×l左=1.143×41.569×0.3+1.223×2.52×0.3=15.179kN
正常使用极限状态
R'下挂max=1.143×l左×q=1.143×0.3×34.213=11.732kN
五、小梁验算
计算简图如下:
跨中段计算简图
悬挑段计算简图
1、抗弯验算
q=15.179kN/m
M max=max[0.1×q×l2,0.5×q×l12]=max[0.1×15.179×0.52,0.5×15.179×0.152]=0.379kN·m
σ=M max/W=0.379×106/166667=2.277N/mm2≤[f]=15.444N/mm2
满足要求!
2、抗剪验算
V max=max[0.6×q×l,q×l1]=max[0.6×15.179×0.5,15.179×0.15]=4.554kN
τmax=3V max/(2bh0)=3×4.554×1000/(2×100×100)=0.683N/mm2≤[τ]=1.663N/mm2 满足要求!
3、挠度验算
q=11.732kN/m
ν1max=0.677qL4/(100EI)=0.677×11.732×5004/(100×8415×8333330)=0.071mm≤500/400=1.25mm
ν2max=qL4/(8EI)=11.732×1504/(8×8415×8333330)=0.011mm≤150/400=0.375mm 满足要求!
4、最大支座反力计算
承载能力极限状态
R下挂max=max[1.1×15.179×0.5,0.4×15.179×0.5+15.179×0.15]=8.348kN
正常使用极限状态
R'下挂max=max[1.1×11.732×0.5,0.4×11.732×0.5+11.732×0.15]=6.452kN
六、主梁验算
1、下挂侧模
因主梁2根合并,验算时主梁受力不均匀系数为0.6。
同前节计算过程,可依次解得:
承载能力极限状态:R1=1.729kN,R2=5.009kN,R3=4.104kN,R4=4.104kN,R5=4.104kN,R6=5.009kN,R7=1.729kN
正常使用极限状态:R'1=1.331kN,R'2=3.871kN,R'3=3.143kN,R'4=3.143kN,R'5=3.143kN,R'6=3.871kN,R'7=1.331kN
计算简图如下:
1、抗弯验算
主梁弯矩图(kN·m)
σmax=M max/W=0.393×106/4490=87.493N/mm2≤[f]=205 N/mm2
满足要求!
2、抗剪验算
梁左侧剪力图(kN)
τmax=2V max/A=2×4.893×1000/424=23.081N/mm2≤[τ]=120 N/mm2 满足要求!
3、挠度验算
梁左侧变形图(mm)
νmax=0.063mm≤500/400=1.25 mm
满足要求!
4、最大支座反力计算
R下挂max=7.822/0.6=13.036kN
七、对拉螺栓验算
受力N=0.95×Max[13.036]=12.385kN≤N t b=24.5kN
满足要求!。