桩基桩头防水施工方案
- 格式:doc
- 大小:1.59 MB
- 文档页数:7
桩头防水工程施工方案目录一、项目概述 (1)二、施工准备工作 (1)2.1 现场勘察与测量 (2)2.2 设计图纸审查与交底 (3)2.3 材料设备采购与验收 (4)三、施工方案制定 (5)3.1 施工流程设计 (6)3.2 工艺参数确定 (7)3.3 施工队伍组织安排 (8)四、桩头防水工程施工流程 (9)4.1 基础处理与准备 (10)4.2 防水材料施工操作 (11)4.3 质量检查与验收标准 (12)五、质量控制与安全保障措施 (14)5.1 质量控制措施 (15)5.2 安全保障措施与应急预案制定和实施流程化六、桩头防水工程的维护保养及检测验收管理规范16一、项目概述本项目为桩头防水工程施工,主要涉及对建筑物桩基的防水处理,以确保建筑物使用过程中的安全性及耐久性。
桩头防水工程是建筑工程中一个重要环节,其质量直接影响到整个建筑物的结构安全和使用寿命。
项目内容包括但不限于:桩头部位的处理、防水材料的选用与施工、施工工艺的制定与执行等。
我们将在保证施工质量和安全的前提下,高效地完成本项目的施工任务,为业主提供优质的桩头防水工程服务。
针对本项目的特点,我们将制定详细的施工方案,确保桩头防水工程的顺利进行。
我们将严格按照国家和行业的相关标准和规范进行施工,确保工程质量符合要求。
在施工过程中,我们将加强现场管理,确保安全生产,为业主交一份满意的答卷。
二、施工准备工作材料准备:根据设计要求及国家相关标准,采购符合质量要求的防水材料,如聚氨酯涂料、丙纶布、橡胶防水卷材等。
确保材料的质量稳定、性能优良,以满足工程需要。
机具准备:准备相应的施工机具,如搅拌器、刮板、刷子、滚刷、剪刀、切缝机等,确保施工过程中工具的正常使用。
人员准备:组织专业的施工队伍,包括防水工、混凝土工、电工等,确保施工过程中人员的技能水平和安全意识满足工程需要。
施工现场准备:清理施工区域的杂物,确保施工现场整洁有序。
根据施工进度安排,做好施工前的各项准备工作,如测量放线、安装模板等。
桩头防水施工方案及工艺方法工程本有钻孔灌注桩基础多根,,桩头防水处理工序如下:1、施工工艺桩头处理→湿润基面→涂刷水泥基渗透结晶型涂料第一遍→养护→涂刷水泥基渗透结晶型涂料第二遍→养护→质量检查→第一遍1.5mm厚溶剂型橡胶沥青涂刷(中间夹密纹玻璃网布增强层)→卷材收头到桩头根部→烤化卷材PE膜→第二遍溶剂型橡胶沥青涂刷→验收。
2、桩头防水基层处理(1)由总承包方按设计要求凿出桩头至设计标高位置,桩身应基本平整。
(2)总包方在对验收合格的桩头混凝土基面的进行处理,使基层表面见坚硬洁净的混凝土面,用高压水枪冲洗暴露的桩身上的泥土、浮浆、松动的碎石等,保证混凝土基层的洁净;(3)桩头基层要达到平整并具备一定粗糙的麻面状态;(4)桩头上的受力钢筋由总包方调整到位,桩头上暴露的箍筋必须清理干净,涂刷水泥基渗透结晶材料后不再对其调整;3、桩头涂刷水泥基涂料前的处理(1)基层清理:基层应干净粗糙,无附着的灰浆,灰尘;(2)涂刷水泥基渗透结晶前要先对桩头基层进行反复淋水处理,使其保持在湿润状态,但不得存有明水;4、涂刷水泥基渗透结晶(1)涂刷范围:桩顶表面、暴露的桩身范围,涂刷用量约1.5kg/㎡,厚度1mm;(2)施工配合比(重量比):水泥基渗透结晶粉料:水=1:0.25-0.4,先将水倒入容器中,机器快速搅拌约5分钟,搅拌做到随混合随施工,混合好的材料应从混合时起30分钟内用完;(3)涂刷:用硬毛刷将涂料均匀的涂刷在湿润的基层表面,应分至少两边完成,第一遍养护后以手触摸不掉粉为佳方可涂刷第二遍;(4)涂刷每一遍时要保证施工的连续性,不得出现露底、漏刷现象,第一遍和第二遍涂刷的方向要互相垂直;5、养护(1)每遍涂刷完毕在涂层出现收水现象(即变色)时开始养护,养护采用喷雾器喷雾状水形式养护,但不可呈水珠状;(2)每遍涂层均需要2-3次喷雾状水养护,每次相隔至少4小时;(3)总的养护时间48-72小时,以确保每遍涂层的质量;6、涂刷溶剂型改性沥青涂料(1)涂刷范围要求准确,第一道刷到桩周250mm及桩侧面上返50mm处范围,厚度1.5mm;第二道刷到桩周200mm及桩侧面上返50mm处范围,厚度2mm;在涂刷第一道涂料时桩头侧面与垫层连接的部位涂料之间做密纹玻璃网布增强处理;(2)涂料成膜要求平整,连续,无落刷露底现象,外观整洁美观,以保证接口的严密;。
桩头施工方案1编制依据:1.1《水泥基渗透结晶防水材料》(GB 18445—2001)1.2《聚合物水泥防水砂浆》(JCT 984—2005)1.3《地下防水工程质量验收规范》(GB 50208-2002)1.4《地下防水工程技术规范》(GB50108-2001)1.5《混凝土结构工程施工质量验收规范》(GB 50204-2002)1.6《建筑地面工程施工质量验收规范》(GB 50209-2002)1。
7《建筑工程施工质量验收统一标准》(GB 50300-2001)2桩头防水构造本工程桩基承台及底板采用3+4SBS卷材防水.按照设计要求,基础桩桩身混凝土需嵌入承台内100㎜,且桩头钢筋锚入承台35d。
由于桩头与承台板混凝土之间存在施工缝,桩头结构型式又造成卷材防水层在桩头部位无法闭合交圈,且桩头部位钢筋密集,桩头与承台部位防水节点成为底板防水工程的关键点。
为保证桩头部位防水施工质量,结合工程自身特点,经广泛研究,本工程桩头与承台板交界面及桩头周边250㎜范围采用水泥基渗透结晶型防水涂料,与基础底板卷材防水层自桩边搭接过渡,形成桩头部位刚柔结合的防水体系。
水泥基渗透结晶防水层施工完毕达到要求后在上层涂刷6MM厚聚合物水泥防水砂浆。
钢筋采用遇水膨胀止水条.3水泥基渗透结晶施工工艺工艺流程:基层处理→湿润基层→涂刷水泥基渗透结晶防水涂料灰浆层→养护→检查验收3.1基层处理⑴清理剔凿合格后的桩头和桩身(垫层上部分),用钢钎铲除桩头松动的混凝土块及浮土,将桩头、桩身表面以及桩身周围250㎜范围内的混凝土垫层用钢丝刷刷成粗糙毛面并清扫干净,最后用清水和墩布冲洗干净。
⑵桩头及桩身若有超过0.4㎜的裂缝,均凿成“U”型槽,槽宽20㎜,深20㎜,用清水清洗干净,但不得有明水,在槽内和沿槽口的两面延伸150㎜涂刷一道水泥基渗透结晶防水涂料灰浆,待灰浆层干燥约10分钟,但仍有粘着性的时候,用水泥基渗透结晶防水涂料半干料团填平压实凹槽;填平层初凝后再涂刷一层水泥基渗透结晶防水涂料灰浆层;灰浆在半干时开始用雾状水喷洒养护,每天喷洒水4-6遍。
桩基桩头防水施工方案一、项目背景分析桩基桩头是建筑工程中一种重要的基础设施,其负责承受建筑物的重力并将其传导至地基。
由于桩头处于地下水位以上,因此在施工过程中需要进行防水处理,以确保桩头的稳定性和耐久性。
本文将针对桩基桩头的防水施工方案进行详细讨论。
二、施工前准备1.确定施工现场的地下水位和土层情况,以及建筑物的荷载要求,有针对性地选择合适的防水材料和技术。
2.施工前准备必须要制定详细的施工工艺流程、施工方案和施工图纸。
三、防水材料与工艺选择1.防水材料:(1)优质水泥:具有较高的抗渗性和耐久性,能够有效地抵抗地下水的侵蚀。
(2)高分子材料:如环氧树脂、聚氨酯等,能够形成一层连续的防水膜来阻挡地下水的渗透。
2.防水工艺:(1)刷涂:首先使用水泥砂浆将桩头进行修补、充实和找平,然后刷涂一层防水涂料,如聚氨酯涂料,形成一层致密的防水膜。
(2)覆盖:采用聚乙烯薄膜或聚氯乙烯板覆盖桩头,并采用专用的密封胶进行粘结,形成一层密封防水层。
(3)灌注:在桩头周围灌注一定厚度的高分子防水材料,如环氧树脂,形成一层坚固的防水体。
四、施工工艺流程1.准备工作:清理桩头表面的杂物和污渍,确保施工面干净平整。
2.修补:使用水泥砂浆对桩头进行修补,填补裂缝和空洞,提高桩头的整体强度和密实度。
3.底涂:在修补好的桩头表面刷涂一层防水涂料,形成一层基础防水层。
4.密封:使用专用的粘结胶将聚乙烯薄膜或聚氯乙烯板覆盖在桩头表面,形成一层密封层,并确保其与桩体紧密粘结。
5.面涂:在密封层上刷涂聚氨酯涂料,形成一层连续的防水膜,提高桩头的防水性能。
6.边缘处理:对桩头与地表的接触处进行边缘处理,如采用渗水胶带进行密封。
7.防护层:在桩头周围灌注一定厚度的环氧树脂,形成一层耐候、耐渗透的防水体。
五、质量控制与验收标准1.质量控制:在施工过程中,应定期进行质量检查,确保施工工艺操作规范,材料用量合理,防水效果达标。
2.合格标准:防水层应具有耐水压力和耐渗透性,桩头表面应平整光滑,无明显的裂缝和起皮现象。
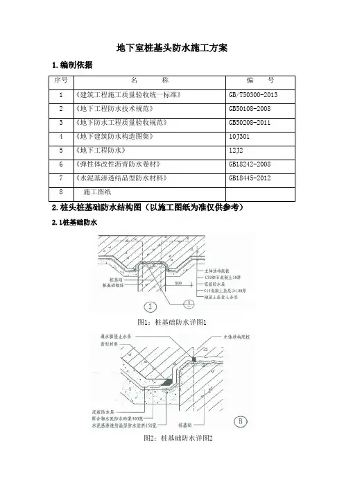
地下室桩基头防水施工方案1.编制依据序号名称编号1 《建筑工程施工质量验收统一标准》GB/T50300-20132 《地下工程防水技术规范》GB50108-20083 《地下防水工程质量验收规范》GB50208-20114 《地下建筑防水构造图集》10J3015 《地下工程防水》12J26 《弹性体改性沥青防水卷材》GB18242-20087 《水泥基渗透结晶型防水材料》GB18445-20128 施工图纸2.桩头桩基础防水结构图(以施工图纸为准仅供参考)2.1桩基础防水图1:桩基础防水详图1图2:桩基础防水详图2图3:桩基础防水详图3 2.2桩头防水构造图1:桩头防水构造(一)图2:桩头防水构造(二)3.施工准备3.1劳动力准备配备专业的施工队伍,并在进场前进行相应的培训和技术交底。
3.2机具准备铁锹、扫帚、墩布、手锤、钢凿、油开刀、手提喷雾器、水桶、拌料板或拌料桶,吹尘器、、滚刷、毛刷、铁抹子等。
3.3现场准备(1)基层表面不得有空鼓、开裂、起砂、脱皮等缺陷。
(2)基层表面如有残留的砂浆硬块及突出部分,应铲除干净;阴、阳角,桩头等部位应抹成圆弧或钝角,并将尘土、杂物清扫干净。
(3)桩头应先进行剔凿到水泥原基面,基面保持平整,将面层用吹风机清理干净后用水湿润但不得有明水,不得抹灰,方可施工;桩头混凝土基面必须洁净,适当粗糙,以利渗透。
3.4材料准备主材选用水泥基渗透结晶防水涂料,辅材选用遇水膨胀止水条,主材进场前均应带有出厂合格证、防伪标识和质量检验报告。
材料进场后,不得交叉叠放。
材料进场后由甲方、乙方、监理三方共同抽样,抽样送至实验室做复试,可参照国家标准《水泥基渗透结晶型防水材料》(GB18445-2012)。
检验合格后由试验室出具抽样试验报告,方可进场,以保证材料符合要求。
4.施工方法4.1清理基层将基层杂物、尘土、灰渣清扫干净,基层验收合格。
4.2桩头、桩基础防水(刚柔结合)工艺流程本工程桩头、桩基础处理是防水工程技术关键之一,处理桩头、桩基础防水效果好坏直接关系到本工程防水成功与否。
桩基工程雨施方案一、前言桩基工程是土木工程中常见的一种基础施工方式。
它的施工质量直接影响着工程的整体安全和稳定性。
而雨水天气对桩基工程施工的影响也是不可忽视的。
本文旨在针对桩基工程雨施工的特点和流程,提出有效的雨施方案,以确保施工安全和质量。
二、桩基工程雨施的主要特点1. 水浸影响:雨水会使施工现场积水,导致施工难度增加、材料流失和设备损坏等问题;2. 土壤湿度:雨水使得土壤湿度增加,会对桩基的承载能力和抗压强度等产生影响;3. 施工安全:雨水天气容易引发滑坡、泥石流等自然灾害,对施工现场和人员安全造成威胁;4. 进度影响:雨水天气会导致施工间断,影响工程进度和成本。
三、雨施方案的基本原则1. 安全第一:确保施工现场和人员的安全;2. 资源合理利用:优化施工方案,尽可能减少资源浪费;3. 施工质量保障:严格控制雨天施工的质量,确保工程稳定。
四、桩基工程雨施方案1. 施工前的准备工作在雨季来临之前,需提前制定施工计划,并对施工现场进行全面的检查和采取必要的防雨措施,如搭建防雨棚、排水设施等。
同时,要做好施工人员的培训工作,加强对雨天施工的安全管理。
2. 桩基设备保护在雨天施工,需对施工设备进行特殊保护,如增加雨棚、加装防水设备等,以确保设备正常运转和延长使用寿命。
3. 施工工艺调整根据实际情况,灵活调整桩基施工工艺。
如采用封闭式施工工艺,减少雨水对桩基的影响。
优化施工过程,减少施工难度,提高施工效率。
4. 土壤湿度控制在雨水过后,需对土壤进行充分的排水和干燥,以保证土壤湿度合适,从而保证桩基的稳定性和承载能力。
5. 安全管理严格执行雨天施工的安全管理规定,如实行临时封闭管理、增加施工监管人员等,确保施工现场和人员的安全。
6. 质量监控加强质量监控,确保雨天施工的质量。
加强桩基的质量把关,及时发现和处理质量问题。
7. 进度控制加强对雨天施工进度的控制,合理安排施工任务,确保工程进度。
五、雨施方案的效果评估按照施工进展情况,对雨施方案的效果进行评估和总结。
桩基桩头防水施工方案
一、前言
在桩基施工中,桩头的防水工作是至关重要的环节,其质量直接影响整个工程
的安全和稳定。
本文将就桩头防水的施工方案进行详细介绍,包括施工准备、材料准备、施工工艺等内容。
二、施工准备
1.方案确认:根据设计要求确定桩头的防水材料和施工工艺方案。
2.施工人员:指定有经验的专业施工人员进行施工操作。
3.施工设备:准备好必要的施工设备和工具,确保施工顺利进行。
三、防水材料准备
1.防水材料:选用高质量的防水材料,如聚氨酯密封胶等。
2.辅助材料:准备好必要的辅助材料,如防水带、防水胶条等。
四、施工工艺
1.清理桩头:首先对桩头进行清理,确保表面无污物和杂质。
2.涂抹防水材料:采用刷涂或喷涂方式,均匀涂抹一层防水材料于桩
头表面。
3.铺设防水带:在桩头与桩身过渡处,铺设防水带,确保防水效果更
加完善。
4.养护:在施工完成后,对防水层进行充分的养护,确保其密封效果。
五、验收与保养
1.验收:完成防水施工后,需进行验收,确保工程质量符合设计要求。
2.保养:定期对桩头防水层进行检查和保养,及时修补破损部分,延
长防水层的使用寿命。
六、总结
桩头防水施工是桩基工程中的重要环节,合理的施工方案和严格的操作流程对
工程的安全和稳定具有至关重要的作用。
通过本文的介绍,相信读者对桩头防水施工有了更深入的了解,希望能对日后实际工作有所帮助。
以上是桩基桩头防水施工方案的详细介绍,希望能为相关从业人员提供一定的参考价值。
桩基桩头防水施工方案一、施工前的准备工作1.1对施工地点进行勘察和测量,并根据实际情况确定桩基桩头的尺寸和位置。
1.2准备所需的材料和设备,包括防水材料、土方机械、钢筋等。
1.3制定详细的施工方案和施工流程。
二、基坑的处理2.1进行基坑的开挖,注意保持坑壁的平整和垂直度。
2.2对坑底进行处理,保证坑底的平整度和强度。
三、桩基的施工3.1按照设计要求进行桩基的施工,包括打桩和灌注混凝土。
3.2确保桩基的强度和稳定性,以满足预期的荷载要求。
四、桩头的施工4.1对桩头进行清理,保证表面光滑和无颗粒。
4.2使用特制的防水材料对桩头进行包裹,确保桩头的密封性和耐久性。
4.3使用专用的施工工具对桩头进行加固,提高桩头的强度和稳定性。
五、施工后的处理5.1对施工现场进行清理,清除垃圾和杂物。
5.2对施工过程中受损的地面进行修复和恢复。
5.3进行施工记录和验收,确保施工质量和安全。
六、质量控制和安全防护6.1在施工过程中,严格按照相关的质量控制标准进行操作,确保施工质量。
6.2在施工现场设置必要的安全防护设施,保护工人的安全。
七、成本控制和进度管理7.1控制施工过程中的成本,包括材料和设备的采购成本,人工和运输成本等。
7.2根据施工计划和进度表,合理安排施工工序,确保施工按时完成。
总结:在桩基桩头防水施工中,需要进行细致的准备工作,包括施工地点的勘察、材料和设备的准备,以及施工方案和流程的制定。
在施工过程中,需要注意基坑的处理、桩基的施工、桩头的施工等环节,确保施工质量和安全。
在施工完成后,还需进行施工现场的清理和恢复,并进行质量验收和记录。
同时,也要严格控制成本和管理进度,保证施工任务按时完成。
通过以上工作的高效完成,可以有效防止桩基桩头的渗漏问题,提高施工质量和工程可靠性。
地下室桩头防水施工方案地下室桩头防水施工是地下室建设中非常重要的一环,有效的防水工程可以保证地下室的安全和持久性。
本文将介绍一种常用的地下室桩头防水施工方案。
施工方案1. 材料准备在进行地下室桩头防水施工前,首先需要准备好以下材料: - 防水涂料 - 防水卷材 - 粘结剂 - 填缝材料2. 施工步骤步骤一:清理桩头在进行防水施工前,需要对桩头进行清理。
清理桩头表面的灰尘、油污等杂物,确保桩头表面干净。
这样有利于防水材料的附着和使用寿命。
步骤二:涂刷防水涂料在清理干净的桩头表面上,涂刷一层防水涂料。
防水涂料应均匀覆盖桩头表面,确保完整的涂覆。
待第一层涂料干燥后,可以涂刷第二层,以增加防水效果。
步骤三:铺贴防水卷材在防水涂料干燥后,可以铺贴防水卷材。
将防水卷材按照规定的方向和重叠方式铺贴在桩头表面。
使用粘结剂将卷材粘合在一起,确保卷材之间无空隙。
步骤四:填缝在铺贴防水卷材后,需要对卷材的接缝处进行填缝。
使用填缝材料填充卷材的接缝,确保接缝处无漏水隐患。
3. 施工注意事项•施工过程中要注意操作规范,确保防水材料的质量和效果。
•在施工过程中要注意安全,做好防护措施,避免发生安全事故。
•施工完毕后要定期检查和维护,确保地下室桩头防水系统的正常运行。
结论地下室桩头防水施工是地下室建设中不可或缺的一环。
采取有效的防水施工方案,可以有效地防止地下室漏水问题,保护地下室结构的安全和完整性。
在施工过程中,需要重视材料选择、施工步骤和施工注意事项,确保施工质量达到预期效果。
桩头防水施工方案1
在地下工程中,桩基施工是一个至关重要的环节,而桩头的防水工作更是一项关乎整个工程质量和安全的重要任务。
工程背景
桩基工程是地下综合体工程中的关键部分,桩基施工中桩头防水是确保地下结构稳定安全的重要环节。
本方案旨在提供一种有效的桩头防水施工方案,确保工程质量和安全。
材料准备
1.防水涂料:优质耐水性强的防水涂料。
2.埋件:用于加固桩头防水层的埋件材料。
3.底部填缝材料:用于填充桩基与桩周土壤之间的缝隙的材料。
施工步骤
1.清理桩头
–对桩头表面进行清理,确保桩头表面干净。
2.涂刷防水涂料
–使用刷子或辊涂机将防水涂料均匀涂刷在桩头表面。
3.加固埋件
–在涂刷防水涂料的基础上,围绕桩头设置加固埋件。
4.底部填缝
–在桩基与桩周土壤之间填充底部填缝材料,确保桩头与周围土壤紧密结合。
施工注意事项
1.施工过程中确保桩头表面清洁干燥。
2.涂刷防水涂料时要均匀、密实,确保防水效果。
3.选择优质材料,提高防水层的耐久性。
总结
桩头防水是地下工程中不可或缺的重要工作,通过本方案中的施工步骤和注意事项,可以有效保障桩基工程的质量和安全。
在实际施工中,需要严格按照方案要求进行操作,并根据具体情况做出调整,确保施工效果符合要求。
地下室桩基头防水施工方案1.编制依据图1:桩基础防水详图1图2:桩基础防水详图22.2桩头防水构造图1:桩头防水构造(一)图2:桩头防水构造(二)3.施工准备3.1劳动力准备配备专业的施工队伍,并在进场前进行相应的培训和技术交底。
3.2机具准备铁锹、扫帚、墩布、手锤、钢凿、油开刀、手提喷雾器、水桶、拌料板或拌料桶,吹尘器、、滚刷、毛刷、铁抹子等。
3.3现场准备(1)基层表面不得有空鼓、开裂、起砂、脱皮等缺陷。
(2)基层表面如有残留的砂浆硬块及突出部分,应铲除干净;阴、阳角,桩头等部位应抹成圆弧或钝角,并将尘土、杂物清扫干净。
(3)桩头应先进行剔凿到水泥原基面,基面保持平整,将面层用吹风机清理干净后用水湿润但不得有明水,不得抹灰,方可施工;桩头混凝土基面必须洁净,适当粗糙,以利渗透。
3.4材料准备主材选用水泥基渗透结晶防水涂料,辅材选用遇水膨胀止水条,主材进场前均应带有出厂合格证、防伪标识和质量检验报告。
材料进场后,不得交叉叠放。
材料进场后由甲方、乙方、监理三方共同抽样,抽样送至实验室做复试,可参照国家标准《水泥基渗透结晶型防水材料》(GB18445-2012)。
检验合格后由试验室出具抽样试验报告,方可进场,以保证材料符合要求。
4.施工方法4.1清理基层将基层杂物、尘土、灰渣清扫干净,基层验收合格。
4.2桩头、桩基础防水(刚柔结合)工艺流程本工程桩头、桩基础处理是防水工程技术关键之一,处理桩头、桩基础防水效果好坏直接关系到本工程防水成功与否。
桩头、桩基础防水节点如图。
主要材料分析如下:(1)水泥基渗透结晶型防水涂料是一种粉状材料,以硅酸盐类水泥、石英砂等为基料,掺入活性化学物质组成的刚性无机类防水涂层材料。
经与水拌合可调配成刷涂或喷涂在水泥混凝土表面的浆料,也可以其干粉撒覆并压入未完全凝固的水泥混凝土表面,从而向混凝土内部渗透,在混凝土中形成不溶于水的结晶体,填塞毛细孔道,使混凝土致密、防水。
(2)作业条件1)桩头混凝土基面均应用水浸湿,但不得有明水。
桩头防水技术
桩头防水技术是一种用于水利工程、土木工程和建筑工程中的防水处理方法。
它主要通过在地下工程桩基的顶部进行特殊的防水处理,防止水从桩基顶部渗入地下结构。
桩头防水技术通常采用以下方法:
1.堵塞法:在桩顶部设置堵塞材料,如混凝土、土工合成材料等。
这些材料具有较高的抗渗性能,能够有效地阻止水分的渗透。
2.挡水板法:在桩顶部设置挡水板,通常使用钢板或防水胶带。
挡水板与桩体之间形成一个封闭的隔离层,防止水分进入桩体。
3.防水涂料法:在桩顶部涂刷特殊的防水涂料。
这种涂料具有较高的抗渗性能,能够在桩体表面形成一层防水膜,有效地抵御水分的渗透。
4.桩顶加密法:在桩顶部设置多道防水层,如层叠式防水板、细石混凝土、沥青等。
这些防水层能够形成多层隔离层,提高防水效果。
桩头防水技术在地下工程中起着重要的作用,可以有效地保护地下结构免受渗水的侵害。
在实际应用中,根据具体情况选择适合的桩头防水方法,并进行合理的设计和施工,以确保防水效果的可靠性和持久性。
桩头防水技术及施工流程桩头防水技术及施工流程一、施工前准备在开始防水施工之前,需要进行一系列的准备工作。
首先,需要确保桩头表面干净、整洁,无油污、灰尘等杂质。
其次,对于桩头表面存在的凹凸不平或损伤,需要进行打磨平整或修补处理。
此外,还要准备好所需的防水材料和施工工具,如涂料、刷子、填缝枪等。
二、防水材料选用选择适合的防水材料对于桩头防水施工至关重要。
常见的桩基防水材料包括沥青防水卷材、防水涂料、防水砂浆等。
根据桩头结构、环境条件和使用要求等因素,选择适合的防水材料。
例如,对于暴露在外的桩头,应选用耐候性、耐腐蚀性较好的防水材料。
三、施工工艺流程桩头防水施工的工艺流程如下:1.清理桩头表面:使用高压水枪或打磨机等工具,清除桩头表面的污垢、灰尘等杂质。
2.桩头底部处理:使用水泥砂浆对桩头底部进行抹平处理,使其表面平整、光滑。
3.涂刷底漆:在桩头表面涂刷一层底漆,使其与防水材料紧密结合,防止渗水。
4.涂抹防水材料:根据所选防水材料的施工要求,将防水材料均匀涂抹在桩头表面,确保涂抹均匀、无遗漏。
5.附加层处理:根据需要,在防水材料上加涂一层附加层,以提高防水效果。
6.涂刷面漆:在防水材料表面涂刷一层保护面漆,使其具有较好的耐候性和美观度。
四、安全措施在防水施工过程中,需要注意以下安全事项:1.施工人员应佩戴防护眼镜、手套等防护用品,避免施工过程中受伤。
2.使用高压水枪清洗桩头时,应注意水流方向,避免水流溅射到他人或设备上。
3.施工现场应设置安全警示标志,防止无关人员进入,确保施工安全。
4.防水材料应妥善存放,避免误用或接触皮肤。
5.遵守施工规范和安全操作规程,确保施工过程安全可靠。
五、常见问题及处理方法在桩头防水施工过程中,可能会遇到以下常见问题:1.止水带损坏:在施工过程中,止水带可能受到损伤,导致防水效果下降。
处理方法:更换新的止水带,确保密封性。
2.地下水位过高:地下水位过高可能导致桩头底部渗水。
桩头防水技术交底一、防水材料准备在进行桩头防水施工前,必须准备好所需的防水材料。
这些材料应符合设计要求,并具有相应的质量证明文件。
防水材料应存放在干燥、通风的地方,避免阳光直射和雨淋。
在施工过程中,应按照规定的比例混合各种防水材料,确保施工质量。
二、桩头基层处理在进行防水层施工前,必须对桩头基层进行处理。
首先,应清除桩头表面的杂物、灰尘和油污等,确保表面干净、平整。
然后,应对桩头基层进行找平处理,确保表面无凹凸不平、裂缝等现象。
如果基层存在缺陷,应及时进行修补处理。
三、防水层施工在基层处理完成后,可以进行防水层施工。
首先,按照设计要求,将防水材料按照规定的比例混合均匀。
然后,按照施工规范,将防水材料均匀涂抹在桩头基层上,确保涂抹均匀、无遗漏。
在涂抹过程中,应注意控制涂抹厚度和涂抹速度,避免出现气泡、裂纹等现象。
四、保护层施工在防水层施工完成后,需要进行保护层施工。
保护层的作用是保护防水层不受外界因素影响,延长防水层的使用寿命。
保护层应选用与防水层相容的材料,并按照施工规范进行施工。
在施工过程中,应注意控制保护层厚度和施工质量,确保保护层与防水层紧密结合。
五、质量检查与验收在防水层和保护层施工完成后,需要进行质量检查与验收。
首先,应检查防水层和保护层的施工质量,确保无气泡、裂纹等现象。
然后,应进行闭水试验,检查防水层的防水效果。
如果发现漏水现象,应及时进行修补处理。
最后,应按照相关规范进行验收,确保施工质量符合设计要求。
以上是桩头防水技术交底的主要内容。
在进行桩头防水施工时,必须严格遵守施工规范和操作规程,确保施工质量符合设计要求。
同时,在施工过程中应注意安全,避免发生意外事故。
桩基桩头防水施工方案教学提纲一、引言随着城市建设的不断推进,桥梁、建筑物等工程项目的地下结构占据越来越重要的地位。
其中,桩基桩头作为地下结构的重要组成部分,具有承重和支撑的功能,它的防水工作尤为重要。
本教学提纲将介绍桩基桩头防水施工方案,包括施工前的准备工作、施工过程中的关键步骤以及施工后的验收和维护。
二、施工前的准备工作1.工程资料的整理:根据施工图纸和相关技术规范,调查并了解工程的情况,包括地下水位、土质情况、施工条件等。
2.施工方案的制定:根据工程情况,制定桩基桩头防水的施工方案,包括材料选择、施工方法等。
3.材料的准备:根据施工方案,准备所需的材料和设备,包括防水材料、施工工具等。
4.人员培训:对施工人员进行相关培训,确保他们了解施工方法和安全操作规程。
三、施工过程中的关键步骤1.桩基净化:在进行桩基桩头防水施工之前,需要对桩身进行净化处理,去除附着的杂质和污染物。
2.防水材料的施工:选择适合的防水材料,根据施工方案进行施工。
可以采用涂刷、喷涂等方式,确保桩基桩头的表面完全被涂覆。
3.防水层的交接处理:在防水层施工过程中,需要注意交接处理的问题,确保各部位之间的连接紧密,不存在渗漏和裂缝。
4.板桩防水工程:如果需要对板桩进行防水处理,需要在施工过程中注意板桩的密封性和连接性,确保整体防水效果。
5.防水施工质量的监控:在施工过程中,需要进行质量监控和检测,确保防水层的厚度和质量符合要求。
四、施工后的验收和维护1.防水施工的验收:在施工完成后,进行防水施工的验收。
检查防水层的厚度和质量是否符合要求,以及是否存在渗漏和裂缝等问题。
2.维护和修补:如果在验收中发现防水层存在问题,及时进行修补和维护。
例如,对防水层进行补涂、加固等操作,确保其稳定性和密封性。
3.定期巡检和维护:对已经完成的桩基桩头防水工程,进行定期巡检和维护。
检查防水层的状况,避免长期使用和自然等因素导致的防水层老化和损坏。
五、结语桩基桩头防水施工方案的制定和实施,对保障工程的安全和持久使用至关重要。
带桩基础底板桩头防水施工技术带桩基础是在具有一定承载能力的土层或岩层上,利用连续墙桩钢筋混凝土结构形式来扩大基础接触面积和提高承载力的一种基础形式。
由于桩基一般埋入土层较深,因此在桩头部分需要进行防水处理,避免水泥砂浆与土壤发生反应,导致桩头腐蚀受损。
本文将介绍带桩基础底板桩头防水施工技术。
一、施工前准备1.1 设计方案在设计带桩基础时,需要充分考虑土层、地下水位等因素,选取合适的桩径和桩长。
同时需要在设计方案中纳入桩头防水措施的考虑,确定桩头形式、防水材料、施工方法等。
1.2 施工材料带桩基础底板桩头防水主要使用的材料包括:•防水涂料:常用的防水涂料有聚氨酯涂料、环氧涂料、丙烯酸涂料等。
其优点是不易老化、防水效果好,但缺点是成本较高。
•防水卷材:防水卷材主要有防水沥青纸、聚乙烯薄膜等。
优点是成本较低,缺点是易老化、需要接缝处处置妥当。
•密封材料:包括硬性密封材料和柔性密封材料两种。
硬性密封材料由于受力均匀,不易在接缝处发生渗漏;柔性密封材料相对灵活,适用于复杂形状的桩头。
1.3 施工人员带桩基础底板桩头防水是一项技术性较强的工作,需要具备一定的专业知识和技能。
施工人员需要经过培训,并熟练掌握施工规范和标准。
二、施工步骤2.1 预处理首先,需要对桩头进行清理、切割,去除大块的混凝土和其他杂物。
然后,用高压水枪和风扇将桩头表面清理干净,去除杂物和灰尘。
2.2 防水涂料处理如果采用防水涂料作为防水措施,需要进行以下操作:•充分搅拌涂料•用刷子或辊涂刷在桩头表面上,保证涂料均匀•避免涂料成膜后,表面不平整,影响防水效果•涂层要达到一定的厚度,可根据涂料性质和施工规范确定•涂料干燥后,需要进行二次涂刷,保证涂层完整性2.3 防水卷材处理如果采用防水卷材作为防水措施,需要进行以下操作:•在桩头表面上涂刷底漆,使其与防水卷材完全贴合•将防水卷材贴附在桩头表面上•保证防水卷材平整,不存在褶皱或挤出现象•采取重叠固定方式,即在两卷防水卷材之间涂抹密封材料,使其紧密粘合在一起2.4 密封材料处理如果采用密封材料进行防水处理,需要进行以下操作:•将硬性密封材料或柔性密封材料拼接成桩头形式•采取化工胶或其他材料固定,确保密封材料和桩头表面紧密贴合•确保密封材料表面无气泡、褶皱或撕裂等情况•若有局部损坏或漏水,应及时进行修补三、施工注意事项在带桩基础底板桩头防水的施工过程中,需要注意以下事项:•防水材料应符合国家标准,选择时应考虑材料的防水性能、使用寿命、适用环境等因素•涂料施工应在干燥的天气下进行,不宜在高温、低温或潮湿的环境中施工•防水卷材敷设时,应注意防止卷材表面破损;使用切割工具要小心,避免对卷材造成损伤•密封材料施工时,应注意密封材料之间的接缝处和密封材料与桩头的紧密度,避免出现渗漏现象•施工过程中,如遇到施工质量或工作环境等问题,应及时处理并记录整改措施四、带桩基础底板桩头防水施工技术对工程质量和保安的重要性不容低估。
抗拔桩桩头节点防水施工工法一、前言抗拔桩桩头节点防水施工工法是一种为保护桩基础不受水侵袭的施工方法。
它通过在桩基础节点处进行特殊防水处理,阻止地下水的渗透,提高桩基础的抗拔性能。
本文将对这一施工工法进行全面介绍,包括工法特点、适应范围、工艺原理、施工工艺、劳动组织、机具设备、质量控制、安全措施、经济技术分析和工程实例等。
二、工法特点抗拔桩桩头节点防水施工工法的特点主要有以下几点:1. 强抗拔性能:采用该工法施工的桩基础可以有效抵抗水压力,提高抗拔性能,减少桩基础变形。
2. 防水效果好:通过对桩头节点进行专门的防水处理,可以防止地下水渗透到桩基础内部,从而减少地下水对桩基础的侵蚀,保持基础的稳定性。
3. 施工工艺简单:该工法采用的施工工艺简单易行,不需要复杂的设备和技术操作,适用于各类工程。
4. 成本低廉:该工法所需的材料和设备成本较低,在施工过程中也不需要大量的人力投入,能够有效降低施工成本。
三、适应范围抗拔桩桩头节点防水施工工法适用于各类建筑工程中的桩基础施工,尤其适用于以下工程情况:1. 基础处于高地下水位地区的建筑工程。
2. 基础需要承受较大水压力的河道、湖泊等水域工程。
3. 基础周围存在高含水层的湿地工程。
4. 基础需要承受海水冲刷的海洋工程。
四、工艺原理该工法的工艺原理主要是通过在桩头节点进行防水处理来实现抗拔和防水双重功能。
具体工艺原理如下:1. 桩头节点选择:根据不同工程的需要,合理选择桩头节点的位置和形状,以提高桩基础的抗拔性能。
2. 防水材料选用:选用适用于地下水环境的防水材料,如胶凝土密封剂、沥青等,以保持桩基础的封闭性。
3. 防水处理工艺:在桩头节点处进行专门的防水处理,采用刷涂、喷涂等方式施工,确保节点处的防水效果。
五、施工工艺抗拔桩桩头节点防水施工工法的施工工艺包括以下几个阶段:1. 桩基础准备:对桩基础进行挖土、清理和测量等准备工作。
2. 桩头节点施工:在桩头节点处进行防水处理,包括涂刷防水材料、加固节点等。
地下室桩基头防水施工方案
1.编制依据
序号名称编号
1 《建筑工程施工质量验收统一标准》GB/T50300-2013
2 《地下工程防水技术规》GB50108-2008
3 《地下防水工程质量验收规》GB50208-2011
4 《地下建筑防水构造图集》10J301
5 《地下工程防水》12J2
6 《弹性体改性沥青防水卷材》GB18242-2008
7 《水泥基渗透结晶型防水材料》GB18445-2012
8 施工图纸
2.桩头桩基础防水结构图(以施工图纸为准仅供参考)
2.1桩基础防水
图1:桩基础防水详图1
图2:桩基础防水详图2
图3:桩基础防水详图3 2.2桩头防水构造
图1:桩头防水构造(一)
图2:桩头防水构造(二)
3.施工准备
3.1劳动力准备
配备专业的施工队伍,并在进场前进行相应的培训和技术交底。
3.2机具准备
铁锹、扫帚、墩布、手锤、钢凿、油开刀、手提喷雾器、水桶、拌料板或拌料桶,吹尘器、、滚刷、毛刷、铁抹子等。
3.3现场准备
(1)基层表面不得有空鼓、开裂、起砂、脱皮等缺陷。
(2)基层表面如有残留的砂浆硬块及突出部分,应铲除干净;阴、阳角,桩头等部位应抹成圆弧或钝角,并将尘土、杂物清扫干净。
(3)桩头应先进行剔凿到水泥原基面,基面保持平整,将面层用吹风机清理干净后用水湿润但不得有明水,不得抹灰,方可施工;桩头混凝土基面必须洁
净,适当粗糙,以利渗透。
3.4材料准备
主材选用水泥基渗透结晶防水涂料,辅材选用遇水膨胀止水条,主材进场前均应带有出厂合格证、防伪标识和质量检验报告。
材料进场后,不得交叉叠放。
材料进场后由甲方、乙方、监理三方共同抽样,抽样送至实验室做复试,可参照国家标准《水泥基渗透结晶型防水材料》(GB18445-2012)。
检验合格后由试验室出具抽样试验报告,方可进场,以保证材料符合要求。
4.施工方法
4.1清理基层
将基层杂物、尘土、灰渣清扫干净,基层验收合格。
4.2桩头、桩基础防水(刚柔结合)工艺流程
本工程桩头、桩基础处理是防水工程技术关键之一,处理桩头、桩基础防水效果好坏直接关系到本工程防水成功与否。
桩头、桩基础防水节点如图。
主要材料分析如下:
(1)水泥基渗透结晶型防水涂料是一种粉状材料,以硅酸盐类水泥、石英砂等为基料,掺入活性化学物质组成的刚性无机类防水涂层材料。
经与水拌合可调配成刷涂或喷涂在水泥混凝土表面的浆料,也可以其干粉撒覆并压入未完全凝固的水泥混凝土表面,从而向混凝土部渗透,在混凝土中形成不溶于水的结晶体,填塞毛细孔道,使混凝土致密、防水。
(2)作业条件
1)桩头混凝土基面均应用水浸湿,但不得有明水。
2)混凝土基面应平整、牢固、无油渍、起砂等缺陷,如有桩头应先进行处理后方可施工。
3)桩头混凝土基面必须洁净,适当粗糙,以利渗透。
4)尽量避免烈日下工作,必要时采取遮护措施,但应透气。
5)不得在雨中或环境温度低于4℃时施工。
(3)作业方法
1)工艺流程:基层清理→配料→涂抹→细部构造处理→自检、清扫→验收 2)操作要点:
①基层检查
检查基层存在油污、灰浆、杂物等并及时清除处理,检查混凝土裂纹状况及宽度,区别裂纹宽度大于或小于1.0mm并做相应处理。
②清理基层
对混凝土表面的有机物、油漆、油污、其他粘结物进行清除。
大于1.0mm裂纹需凿成15×20(或20×30)mm U形槽,用钢丝刷、高压水枪清理混凝土毛面(或5%盐酸清洗),经过清理的混凝土基面不得留有悬浮物和残渣。
③润湿基层。
用水充分润湿处理过的混凝土基层,达到湿润、润透,表面无明水。
3)制备涂料料浆。
①配合比:
水泥基渗透结晶型防水涂料与洁净水调和施工时按涂料(粉料)∶水,具体详见说明规定的比例充分搅拌均匀。
②调制:
将计量准确的粉料和水倒入容器,用手持电动搅拌器充分搅拌3~5min达到料浆混合均匀。
每次应按需备料,不宜过多。
按一次使用30min用完为准,严禁使用中再加水。
(4)作业。
以专用的半硬尼龙刷涂刷,刷涂时要反复用力,使凹凸处都能刷涂到位。
阳角与凸处涂覆均匀,阴角与凹处不得涂料过厚或沉积,否则影响涂料渗透或造成局部涂层开裂。
水泥基渗透结晶型防水涂料涂刷的防水涂层厚度在防水等级为Ⅰ级要求应≥0.8mm。
在水泥基渗透结晶涂刷完成后上做20厚防水砂浆保护层,之后将防水卷材卷上桩身用遇水膨胀止水条、密封膏和铅丝做接头密封处理。
5.成品保护
1)养护十分重要,当水泥基渗透结晶型防水材料涂层固化到不会被喷洒水损害时养护就可以开始了,必须精心养护1~2天,每天喷洒水3~5次,或用潮湿透气的粗麻布、草席覆盖三天。
施工后48小时,应避免雨淋、霜冻、日光暴晒或4℃以下的长期低温;
2)穿过地面、墙面等处管根,不得损伤和变位。
不得在已做完的防水层上凿眼打洞。
3)变形缝、管道等处施工中临时堵塞的废纸、棉丝等杂物应及时清理出去,
保持管、口畅通。
4)防水层施工完成后,应及时做好保护层或砌筑保护墙和进行回填土。
在进行细石混凝土保护层施工时,应采取保护措施,以防损坏防水层。
5)底板防水施工完成后,在做保护层时,应设专人在现场协助监督,防止土建施工工具等尖锐物损坏防水层,一旦发现防水层破坏,应及时修补杜绝隐患。
6)立墙甩出的预留茬头,用泥巴粘合并砌两层砖予以保护,立面防水施工结束后,应及时回填,严防架子管、施工工具等抛落造成防水层损坏。
7)已做好的桩头防水层,应及时采取保护措施,不得损坏,一旦发现防水层被破坏,应及时修补,以免造成渗漏隐患。
8)防水层施工时,应注意本成品和其他成品保护,防止污染。
6.质量标准
6.1主控项目
桩头防水层所用水泥基渗透结晶防水涂料必须符合设计要求和施工规规定。
检验方法:检查出厂合格证、质量检验报告和现场抽样复验报告。
6.2一般项目
(1)桩头防水层的基层应牢固,基层应洁净、平整,不得有空鼓、松动、起砂和脱皮现象。
检验方法:观察检查和隐蔽工程验收记录。
(2)桩头防水层的施工方法符合施工规规定,粘结牢固,表面平整,结合紧密,厚度均匀一致,不得有损伤、松动,鼓泡等缺陷。
检验方法:观察检查。
7.安全措施
1)参加操作人员应穿工作服,戴好安全帽、口罩、手套、帆布脚盖等劳保用品,进行劳动保护。
2)施工时应保持通风,禁止在封闭环境中施工,做好防毒防火措施。
3)配备好消防、灭火设备,施工现场严禁吸烟,并按现场实际情况配备相应的消防器材。
4)注意基坑边坡的维护,各施工操作人员相互配合,防止事故发生。
5)施工时材料工具分开放置,并设置专人看管。