石料及岩石密度和强度试验记录表
- 格式:xls
- 大小:66.00 KB
- 文档页数:1
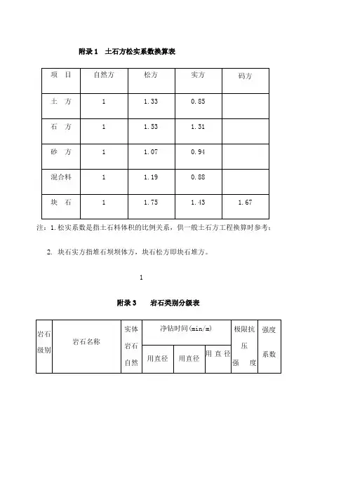
岩石分级表注: 1. 松实系数是指土石料体积的比例关系,供一般土石方工程换算时参考;2. 块石实方指堆石坝坝体方,块石松方即块石堆方。
附录 3 岩石类别分级表12.2 11.6~)14.1 13.4 ~)29022(20.1~25)(261~320)36027.5(25.1~30)(321~400)140016001600180014~1616~181. 特别坚实的细粒花岗岩 23002. 花岗片麻岩 23003. 闪长岩 22004. 最坚实的石灰岩 23005. 坚实的玢岩 29001.安山岩、玄武岩、坚实的角闪岩3100 2.最坚实的辉绿岩及闪长 岩 2900 3.坚实的辉长岩及石英岩 28001. 钙钠长石质橄榄石质3300 玄武岩 2. 特别坚实的辉长岩、3000 辉绿岩、石英岩及玢岩 15.5(14.9 ~18.2)(18.3 ~24)>2432.5 1800 20(30.1 ~ 40) 2000 18~20 32.5 (40.1 ~ 60) 2000 2500 20~25 >60 >2500 >25附录 4 河道疏浚工程分级表1. 土、砂分级表续上表2. 水力冲挖机组土类划分表附录 5 岩石十二类分级与十六类分级对照表附录 5 岩石十二类分级与十六类分级对照表附录 6 钻机钻孔工程地层分类与特征表附录7 混凝土、砂浆配合比及材料用量表1、混凝土配合比有关说明(1) 除碾压混凝土材料配合参考表外,水泥混凝土强度等级均以28d 龄期用标准试验方法测得的具有95%保证率的抗压强度标准值确定,如设计龄期超过28d,按表7-1 系数换算。
计算结果如介于两种强度等级之间,应选用高一级的强度等级。
表7- 1(2) 混凝土配合比表中混凝土骨料按卵石、粗砂拟定,如改用碎石或中、细砂,按表7-2 系数换算。
表7-2注:水泥按重量计,砂、石子、水按体积计(3)混凝土细骨料的划分标准为:细度模数 3.19 ~ 3.85 (或平均粒径 1.2 ~2.5mm)为粗砂;细度模数 2.5 ~3.19 (或平均粒径0.6 ~1.2mm)为中砂;细度模数 1.78 ~2.5 (或平均粒径0.3 ~0.6mm)为细砂;细度模数0.9 ~1.78 (或平均粒径0.15 ~0.3mm)为特细砂。
岩石检验记录范文一、引言岩石检验是对岩石进行详细的分析和测试,以获取其物理、化学、力学等性质的数据。
这些数据对于岩石的工程评估、岩石类型鉴定、地质勘探等都具有重要的指导意义。
本检验记录将对岩石的检验方法和结果进行详细的描述和分析。
二、检验方法1.采样:在地质现场选择具有代表性的岩石样品进行采样,采用岩心钻孔或炸药炸碎的方式获取岩石样品。
2.样品准备:将采样得到的岩石样品进行必要的处理,如洗净、破碎、筛分等。
3.物理性质测试:对岩石样品进行密度、孔隙率、饱和度、容重、吸湿性等物理性质测试,采用标准的实验室设备进行测定。
4.化学成分分析:通过X射线荧光光谱仪或其他分析仪器对岩石样品的主要化学成分进行分析,如SiO2、Al2O3、Fe2O3、CaO等。
5.力学性质测试:对岩石样品进行抗压强度、抗拉强度、弹性模量等力学性质测试,采用万能试验机或其他专用设备进行测定。
三、检验结果及分析1.物理性质测试结果:- 密度:样品A的密度为2.7g/cm³,样品B的密度为2.5g/cm³。
-孔隙率:样品A的孔隙率为5%,样品B的孔隙率为10%。
-饱和度:样品A的饱和度为80%,样品B的饱和度为70%。
- 容重:样品A的容重为2.4g/cm³,样品B的容重为2.2g/cm³。
-吸湿性:样品A的吸湿性为5%,样品B的吸湿性为8%。
根据以上结果,可以得出样品A比样品B更为致密、饱和度更高,具有较低的孔隙率和吸湿性。
2.化学成分分析结果:-SiO2含量:样品A的SiO2含量为60%,样品B的SiO2含量为50%。
-Al2O3含量:样品A的Al2O3含量为15%,样品B的Al2O3含量为20%。
-Fe2O3含量:样品A的Fe2O3含量为10%,样品B的Fe2O3含量为8%。
-CaO含量:样品A的CaO含量为5%,样品B的CaO含量为7%。
通过化学成分分析结果,可以判断出样品A为富含SiO2和Al2O3的酸性岩石,而样品B则含有较高的Fe2O3,可能为含铁矿物的岩石。
二. 石料单轴抗压强度试验之答禄夫天创作1.试验原理石料的单轴抗压强度是石料力学性质中最重要的一项力学指标,是指石料尺度试件经吸水饱和后,在规定试验条件下单轴受压达到极限破坏时,单位承压面积的强度。
测定石料在饱水状态下的单轴抗压强度,用于岩石的强度分级和岩性描述。
(1)压力试验机(图2-3):加载范围为300~2000kn。
(2)承压板:圆盘形钢板。
两个承压板之一应是球面座,球面座应放在试件的上端面,并用矿物油稍加润滑,以使在滑块自重作用仍能闭锁。
试件、压板和球面座要精确地彼此对中,并与加载机器设备对中,球面座的曲率中心应与试件端面的中心相重合。
(3)石料加工全套设备:切石机或钻石机、磨平机(图2-4)。
(4)其他:游标卡尺(精度0.1mm)、角尺及水池等。
(单击观看视频)(1)用切石机(或钻石机)从岩石试样或岩芯中钻取尺度试件(即边长50mm±±0.5mm的圆柱体试件)6块。
对有显著层理的岩石,应分别沿平行和垂直层理方向各取试件6块。
试件上下端面应平行和磨平,试件端面的平面度公差应小于0.05mm,端面对于试件轴线垂直度偏差不该超出0.25o。
(2)用游标卡尺量取试件尺寸(精确至0.1mm),对于立方体试件在顶面和底面各量取其边长,以各个面上相互平行的两个边长的算术平均值计算其承压面积;对于圆柱体试体在顶面和底面分别量取两个相互正交的直径,以其算术平均值计算顶面和底面的面积,取顶面和底面面积的算术平均值作为计算抗压强度所用的截面积。
(3)按吸水率试验方法对试件进行饱水处理,最后一次加水深度应使水面高出试件至少20mm。
(4)试件自由浸水48h后取出,擦干概况,放在压力机上进行强度试验。
施加在试件上的应力速率应在0.5~1.0mpa/s的限度内。
石料的抗压强度按下式计算,精确至1mpa:式中:r--石料的抗压强度,mpa;p --试件的极限破坏荷载,n;a --试件的截面积,mm2。
石料密度试验比重瓶法一、目的和适用范围石料的密度是指在100℃~110℃下烘至石料矿质单位体积(不包括开口与闭口孔隙体积)的质量。
本方法适用于不含水溶性矿物成分的石料的密度测定。
二、主要试验步骤1、粉碎岩石试样成能通过0.25mm的石粉。
2、用四分法取烘干的石粉倒入比重瓶,(称取时精确至0.0001g,本试验精度均同)煮沸比重瓶里的悬液为止。
恒温后加入蒸馏水置于恒温水槽中,温度稳定后称其质量。
3、到出悬液,注入蒸馏水,到恒温水箱恒温。
温度稳定后,称取其质量。
三、结果整理石料密度值:(精确至0.01g/cm3)Pt=m1*Pwt/(m1+m2-m3)Pt--石料密度,g/cm3Pwt--t℃时蒸馏水的密度,g/cm3m1--烘干试样的质量,gm2--瓶加水的合质量,gm3--瓶、水与试样的总质量,g以两次试验结果的算术平均值为测定值,如两次试验结果之差大于0.02g/cm3时,应重新取样试验。
李氏比重瓶法一、目的和适用范围对含有水溶性矿物成分的岩石宜选用本法测定密度。
二、主要步骤1、贯入煤油读出比重瓶的始度数,将李氏比重瓶置于恒温箱中恒温,读出第一次读数,精确至0.05mlL。
2、称出冷却后的瓷皿加石粉质量(精确至0.0001g,以下同)。
将石粉加入瓶中,摇匀,排出空气,放入恒温箱中恒温,记下第二次读数。
3、称出瓷皿加剩余石粉的合质量。
三、结果整理Pt=(m1-m2)/VV=V2-V1Pt--石料密度,g/cm3m1--试验前石粉加瓷皿合质量,gm2--试验后剩余石粉加瓷皿的合质量,gV--被石粉所排开的液体体积,cm3石料单轴抗压强度试验一、目的与适用范围本试验是测定规则形状岩石试样单轴抗压强度的方法。
主要用于岩石的强度的强度分机和延性描述。
本方法采用饱水状态下的岩石立方体(或圆柱体)试件的抗压强度来评定岩石强度(包括碎石或软石的原始岩石强度)。
二、主要试验步骤1、量取立方体的变长,计算其顶面和底面面积的算术平均值作为计算抗压强度所用的界面积。
砂石材料试验1.1 石料毛体积密度及孔隙率试验(蜡封法)1.1.1 试验目的和适用范围(1)试验目的:测定石料在干燥状态下包括孔隙在内的单位体积固体材料的质量,评定石料质量及其技术性能。
(2)适用范围:适用于遇水崩解、溶解和干缩湿胀性松软石料的毛体积密度测定。
1.1.2 试验设备试件加工设备、物理天平(感量0.01 g)、烘箱、石蜡(密度一般为0.93 g/cm3,可测定)、软毛刷、细线、大烧杯等。
1.1.3 试验步骤(1)试件制备:将石料试样锤打成边长为40~60 mm的立方体试件,并把尖锐棱角用砂轮打磨光滑;或采用直径为48~52 mm圆柱体试件。
测定天然密度的试件,应在岩样拆封后,在设法保持天然湿度的条件下,迅速制样、称量和密封,同一含水状态,试样数量每组不得少于3个。
(2)测天然密度时,应取有代表性的岩石制备试件并称量;测干密度时,将试件放入烘箱,在(105±5)℃下烘至恒重,烘干时间一般为12~24 h,取出后置于干燥器内冷却至室温。
(3)从干燥器中取出试件,放在天平上称其质量m(精确至0.01 g)。
(4)将石蜡加热熔化,在石蜡温度为55~58℃(石蜡熔点)时,用软毛刷在石料试件表面涂上一层厚度不大于1 mm的石蜡层,冷却后准确称出涂有石蜡试件空气中的质量m。
1。
(5)将涂有石蜡的试件系于天平上,称出其在水中的质量m2(6)擦干试件表面的水分,在空气中重新称取蜡封试件的质量,检查此时蜡封,如超过0.05 g,说明试件蜡封不好,水已浸试件的质量是否大于浸水前的质量m1入试件,应取件重新测定。
1.1.4 试验数据整理(1)计算石料毛体积密度,精确至0.01 g/cm3:式中:ρ——石料毛体积密度,g/cm3;m——烘至恒重时的试件质量,g;——涂石蜡后的试件在空气中的质量,g;m1m——涂石蜡后的试件在水中的质量,g;2ρ——石蜡的密度,g/cm3;p——水的密度,g/cm3。
项目名称
施工单位取样日期合同段
监理单位试验日期单位工程
检验单位分部工程
工程部位分项工程
使用范围进场单号
取样位置岩石种类
序号标准溶液氢离子浓度(mol/L)石料清洗烘干研磨筛分后试样质量(g)试验前清液的氢离子浓度(mol/L)纯碳酸钙粉末试样质量(g)试验后清液的氢离子浓度(mol/L)
石料的碱值自检意见
监理意见原始记录
本表号册号
页码
序号SYF12
石料碱值试验记录表JTG E41-2005 公路工程岩石试验规程页码 共 页编号:____________________试验:复核:试验室主任:试验监理工程师:。
实验四:石料(粗集料)的强度和磨耗试验一、实验目的单轴抗压强度试验是测定规则形状岩石式样单轴抗压强度的方法。
只要用于岩石的强度分级和岩性描述。
本法采用饱水状态下的岩石立方体(或圆柱体)试件的抗压强度来评定岩石强度(包括碎石或卵石的原始岩石强度)。
注:在某些情况下,对于某些材料可以要求试件具有其它的含水量,如天然含水量(此时要求试样保管期不超过3od )或在105 ±5℃下烘至绝对干操的含水量。
这种含水量要在试验报告中注明。
集料压碎值用于衡量石料在逐渐增加的荷载下抵抗压碎的能力,是衡量石料力学性质的指标,以评定其在公路工程中的适用性。
磨耗试验用于测定标准条件下粗集料抵抗摩擦、撞击的能力,以磨耗损失(%)表示。
本方法适用于各种等级规格集料的磨耗试验。
二、试验原理详见实验目的、实验内容。
三、预习要求1、理解单轴抗压强度、压碎值、磨耗值的概念及应用,了解试验原理。
2、了解试验仪器及设备的用法,掌握石料(粗集料)的强度和磨耗试验方法。
四、实验仪器(1) 单轴抗压强度试验仪器1、检验合格且能很好地按所要求的速率加载的300 -2000kN 的压力试验机。
2、试件两端的承压板为洛氏硬度不低于HRC58 的圆盘钢板,压板直径应大于试件直径D +2mm 或试件承压面对角线,压板厚度至少为15mm ,圆盘表面应磨光,其平面度公差应小于0 . 005mm 。
3、两压板之一应是球面座。
球面座应放在试件的上端面,并用矿物油稍加润滑.以使在滑块自重作用下仍能闭锁。
试件、压板和球面座要精确的彼此对中,并与加载机器设备对中,球面座的曲率中心应与试件端面的中心相重合。
4、切石机或钻石机、磨平机。
5、游标卡尺(精度0.lmm )、角尺及水池等。
注:压力机吨位的选择视试件的破坏荷载大小而定。
一般试件的破坏荷载宜大于压力机(度盘)最大吨位的30%、小于其80% ,所测结果较为准确。
(2)压碎值试验仪器1、石料压碎值试验仪:由内径150㎜、两端开口的钢制圆形试筒、压柱和底板组成,其形状和尺寸见图4-1和表4-1。