安全疏散距离
- 格式:docx
- 大小:21.45 KB
- 文档页数:3
4.2 安全疏散距离和出口宽度《建筑设计防火规范》GBJ16—87(1997年版)5.2.8 民用建筑的安全疏散距离,应符合下列要求:一、直接通向公共走道的房间门至最近的外部出口或封闭楼梯间的距离,应符合表5.3.8的要求。
安全疏散距离表5.3.8名称房间至外部出口或封闭楼梯间的最大距离(m)位于两个外部出口或楼梯间之间的房间位于袋形走道两侧或尽端的房间耐火等级耐火等级一、二级三级四级一、二级三级四级托儿所、幼儿园25 20 —20 15 —医院、疗养院35 30 —20 15 —学校35 30 —22 20 —其他民用建筑40 35 25 22 20 15二、房间的门至最近的非封闭楼梯间的距离,如房间位于两个楼梯间之间时,应按表5.3.8减少5.00m;如房间位于袋形走道或尽端时,应按表5.3.8减少2.00m。
楼梯间的首层应设置直接对外的出口,当层数不超过四层时,可将对外出口设置在离楼梯间不超过15m 处。
三、不论采用何种形式的楼梯间,房间内最远一点到房门的距离,不应超过表5.3.8中规定的袋形走道两侧或尽端的房间从房门到外部出口或楼梯间的最大距离。
5.3.10 剧院、电影院、礼堂等人员密集的公共场所观众厅的疏散内门和观众厅外的疏散外门、楼梯和走道各自总宽度,均应按不小于表5.3.10的规定计算。
疏散宽度指标表5.3.10注:等场需要的入场门,不应作为观众厅的疏散门。
5.3.11 体育馆观众厅的疏散门以及疏散外门,楼梯和走道各自宽度,均应按不小于表5.3.11的规定计算。
疏散宽度指标表5.3.11注:表中较大座位数档次按规定指标计算出来的疏散总宽度,不应小于相邻较小座位数档次按其最多座位数计算出来的疏散总宽度。
5.3.12 学校、商店、办公楼、候车室等民用建筑底层疏散外门、楼梯、走道的各自总宽度。
应通过计算确定,疏散宽度指标不应小于表5.3.12的规定。
楼梯门和走道的宽度指标表5.3.12注:1.每层疏散楼梯的总宽度应按本表规定计算。
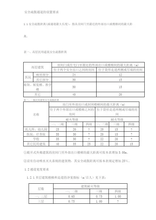
安全疏散通道的设置要求1.1安全疏散距离(或通道最大长度):指从房间门至最近的外部出口或楼梯间的最大距离。
表一、高层民用建筑安全疏散距离①敞开式外廊建筑的房间门至外部出口楼梯的最大距离可按本表增加5.00m。
②设有自动喷水灭火系统的建筑物,其安全疏散距离可按本表规定增加25%。
1.2通道宽度要求1.2.1多层建筑楼梯和走道的净宽指标(m/百人)见下表:1.2.2高层建筑楼梯和走道的净宽度指标为1m/100人。
其中,首层疏散楼梯的最小净宽度见下表:1.3一般设置要求1.3.1楼梯间及消防前室内不应附设烧水间、可燃材料储藏室、非封闭的电梯井、可燃气体管道和甲、乙、丙类液体管道,并不应有影响疏散的突出物。
1.3.2疏散走道内不应设置阶梯、门槛、门垛、管道等突出物,以免影响疏散。
1.3.3通道的墙面、顶棚、地面的装修应为A级不燃材料。
同时,走道与房间隔墙应砌至梁、极底部并全部现实所有空隙。
2.安全出口的设置要求2.1每个防火分区的安全出口不应少于两个,且应分散布置。
2.2出口处不得设正门槛、台阶,采用卷帘门、转门、吊门和侧拉门。
2.3营业、使用时间安全出口不应上锁、阻塞、堆物。
2.4公共场所、观念厅的入场门、太平门宽度不应小于1.4m。
3.应急照明灯的设置要求3.1设置范围:单层、多层公共建筑、乙丙类高层厂房、人防工程和高层民用建筑的下列部位应设火灾事故照明灯。
3.1.1封闭楼梯间、防烟楼梯间及其前室、消防电梯间及其前室、合用前室和避难层(间)。
3.1.2配电室、消防控制室、消防水泵房、防烟排烟机房、供消防用电的蓄电池室、自备发电机房、电话总机房以及发生火灾时仍需坚持工作的其它房间。
3.1.3观众厅、展览厅、多功能厅、餐厅、商场营业厅、演播室等人员密集的场所。
3.1.4人员密集且建筑面积超过的300m2地下室。
3.1.5公共建筑内的疏散走道和居住建筑内长度超过20m的内走道。
3.2设置要求:3.2.1疏散用的应急照明灯,其地面最低照度不应低于0.5勒克斯。
安全疏散距离设计安全疏散距离设计是指建筑物内最远处到外部出口或楼梯最大允许距离的设计,这是建筑防火设计的重要组成部分。
根据不同的建筑类型和用途,安全疏散距离的设计标准有所不同。
以下是一些常见的安全疏散距离设计标准:对于一、二级耐火等级的民用建筑,安全疏散距离应满足以下要求:房间内最远点至该房间门的距离不应大于袋形走道两侧或尽端的房间自室内最远点至门洞的距离的1.2倍。
楼梯间门至楼梯间内最远点的距离,不应大于30m。
医院病房部分的安全疏散距离应满足以下要求:医院病房部分24m,教学楼、旅馆、展览楼、医院其他部分30m,其他40m。
对于高层和地下建筑,双向疏散时,托幼25m,医疗、学校35m,其他40m;袋形走道时,托幼、医疗20m,学校、其他22m;开敞外廊时增加5m,设自动喷淋时加25%。
非封闭楼梯间时,双向疏散减5m,袋形走道减2m。
对于非高层建筑(一、二级耐火、封闭楼梯间):双向疏散时:托幼25m,医疗、学校35m,其他40m。
袋形走道时:托幼、医疗20m,学校、其他22m。
开敞外廊时增加5m,设自动喷淋时加25%。
非封闭楼梯间时,双向疏散减5m,袋形走道减2m。
楼梯底层应设直接对外的出口,层数不超过4层时,可将对外出口布置在离楼梯间不超过15m处。
任何情况下,房间最远点到房门的距离不应超过袋形走道时的规定最大疏散距离,即20m~22m。
对于直通疏散走道的房间疏散门至最近安全出口的直线距离不应大于下表的规定。
注:1 设置自动喷水灭火系统的建筑,其安全性能有所提高,所以建筑物内全部设置自动喷水灭火系统时,其安全疏散距离可按上表的规定增加25%。
2 敞开式外廊通风、采光、降温等方面情况较好,对安全疏散有利,所以建筑内开向敞开式外廊的房间疏散门至最近安全出口的直线距离可按上表的规定增加5m。
即,对于一座全设置自动喷水灭火系统的建筑,且符合设置敞开式外廊或敞开楼梯间的要求时,其疏散距离是先增加25%后,再进行增减。
消防安全疏散距离要求消防安全疏散距离是指在火灾发生时,人员从火灾现场安全撤离所需的最短距离。
合理确定和遵守消防安全疏散距离要求对于保障人员生命安全至关重要。
下面将介绍消防安全疏散距离的相关要求和注意事项。
1. 建筑物内部疏散距离要求:在建筑物内部,疏散距离的要求主要取决于建筑物的类型和使用性质。
一般来说,公共场所、商业建筑和高层建筑的疏散距离要求较高,因为这些场所通常容纳了大量的人员。
根据相关法规和标准,这些建筑物应设置足够数量的疏散通道,并确保通道畅通无阻。
此外,疏散通道的宽度、长度和出口位置也需要符合规定,以便人员能够快速、安全地撤离。
2. 建筑物外部疏散距离要求:建筑物外部的疏散距离要求主要是指建筑物周围的空地或道路宽度。
这些空地或道路应足够宽敞,以便消防车辆进入,并为人员提供安全的撤离通道。
根据建筑物的高度和周围环境的特点,相关法规和标准规定了建筑物外部疏散距离的具体要求。
例如,在高层建筑周围,应保持一定的安全距离,以防止火势蔓延到相邻建筑物。
3. 特殊场所的疏散距离要求:对于一些特殊场所,如医院、学校、地下商场等,疏散距离的要求可能会有所不同。
这些场所通常需要制定详细的疏散预案,并配备相应的疏散设施,如应急照明、疏散指示标识、紧急广播系统等。
此外,特殊场所还需要定期进行疏散演练,以确保人员熟悉疏散路线和应对火灾的能力。
4. 疏散距离的计算方法:确定疏散距离的计算方法通常是根据建筑物的人员容量、疏散通道的宽度和长度等因素进行综合考虑。
相关法规和标准提供了具体的计算公式和指导,以帮助建筑物设计者和管理者合理确定疏散距离。
在进行计算时,还需要考虑人员的行动速度、疏散通道的阻塞情况等因素,以确保疏散距离的准确性和可行性。
消防安全疏散距离要求是保障人员生命安全的重要措施之一。
建筑物的设计者、管理者和使用者都应该充分了解和遵守相关要求,确保建筑物内外的疏散通道畅通无阻,并定期进行疏散演练,提高人员应对火灾的能力。
消防疏散间距
消防疏散间距是指建筑物内部的空间距离,用于确保在火灾等突发事件发生时建筑物内的人员可以安全、快速地撤离。
在中国,消防疏散间距通常以米为单位进行计算,而疏散间距的大小则取决于建筑物的类型、高度、面积、人员密度等因素。
一般来说,每个房间相邻两个疏散门最近边缘之间的水平距离不应小于5米,商业企业疏散安全距离主要依据是每个房间相邻两个疏散门最近边缘之间的水平距离不应小于5米。
在高层主体对高层主体的消防疏散距离为13米,高层主体对多层的消防疏散距离为9米,高层群房对高层群房的消防疏散距离为6米。
在商场营业厅、影剧院、多功能厅和大型会议室等人员集中的房间,从最远点到房间的安全出口距离应控制在25m以内,每个安全出口的距离也要控制在25m以内,这样统一、分散地设置一些数量和宽度合适的出口,有利于安全疏散。
以上信息仅供参考,如有需要,建议咨询专业消防人员。
消防疏散距离记忆口诀消防疏散是一项非常重要的安全措施,它能够在火灾等突发情况下,保障人员的安全,并有效减少伤亡事故的发生。
而正确记忆和应用消防疏散距离是确保疏散顺利进行的关键。
本文将介绍一个便于记忆的消防疏散距离记忆口诀,帮助您更好地掌握这一重要知识。
口诀:一米、三米、五米、十米一米,代表的是室内消防疏散最基本的安全距离。
在发生火灾时,我们要尽量保持离火源一米的安全距离,以避免因火势蔓延而导致的火灾扩大和人员伤亡。
三米,是指在火灾发生时,人员应尽量远离火源,保持与火源的安全距离。
这样做有助于避免火势蔓延到人身上,减少烟雾对人体的危害,并增加人员自救、互救的机会。
五米,代表着在消防疏散过程中人员需要保持与紧急出口的安全距离。
紧急出口是人员疏散的重要通道,保持距离能够避免因人员拥堵而导致的疏散困难,确保人身安全。
十米,是指在火灾发生时,人员需要迅速跑离火灾现场,保持与危险区域的安全距离。
火势蔓延迅速,迅速逃离现场是确保人身安全的关键。
同时,火势蔓延的热辐射区也是一个重要的注意点,要远离热辐射区,避免被高温烧伤。
以上口诀是一个简单却实用的消防疏散距离记忆口诀。
通过灵活运用这一口诀,不仅能帮助人们更好地掌握疏散的安全距离,还能在紧急情况中提供指导和参考,增加自救和互救的机会。
除了上述口诀,我们还需要掌握以下几点:1.保持冷静。
在火灾发生时,保持冷静是十分重要的。
冷静的头脑能更好地判断情况,执行疏散计划,并帮助他人安全脱离。
2.避免乘坐电梯。
在火灾发生时,电梯很可能失去运行功能,还可能成为烟雾和火势蔓延的通道。
因此,选择使用楼梯进行疏散是更明智的选择。
3.跪地低姿态逃生。
火灾时,烟雾会导致能见度下降,呼吸困难等问题。
在疏散途中,如果有烟雾,我们应该跪地低姿态前进,尽量避免吸入过多的烟雾。
总结:消防疏散距离记忆口诀“一米、三米、五米、十米”是一种便于记忆和应用的方式,通过记忆这一简单的口诀,我们可以更好地掌握消防疏散的安全距离,提高自身的安全意识和自救互救能力。
安全疏散距离1、非高层建筑(一、二级耐火、封闭楼梯间):双向疏散时:托幼25m,医疗、学校35m,其他40m。
袋形走道时:托幼、医疗20m。
学校、其他22m。
开敞外廊时增加5m,设自动喷淋时加25%。
非封闭楼梯间时,双向疏散减5m,袋形走道减2m。
楼梯底层应设直接对外的出口,层数不超过4层时,可将对外出口布置在离楼梯间不超过15m处。
任何情况下,房间最远点到房门的距离不应超过袋形走道时的规定最大疏散距离,即20m~22m。
2、高层和地下建筑:双向疏散时:医院病房部分24m,教学楼、旅馆、展览楼、医院其他部分30m,其他40m。
袋形走道时:医院病房部分12m,教学楼、旅馆、展览楼、医院其他部分15m,其他20m。
地上人员集中的大厅(观众厅、展厅、多功能厅、餐厅、营业厅、阅览室等)内任一点到最近疏散口的直线距离不宜超过30m;其他房间不宜超过15m。
地下车库疏散距离不大干45m,自动喷淋时不大于60m;底层车库疏散距离不大于60m。
疏散宽度:1、除规范另有规定者外,建筑中的疏散走道、安全出口、疏散楼梯以及房间疏散门的各自总宽度应经计算确定。
安全出口、房间疏散门的净宽度不应小于,疏散走道和疏散楼梯的净宽度不应小于;不超过6层的单元式住宅,当疏散楼梯的一边设置栏杆时,最小净宽度不宜小于1m。
2、剧院、电影院、礼堂、体育馆等人员密集场所的疏散走道、疏散楼梯、疏散门、安全出口的各自总宽度,应根据其通过人数和疏散净宽度指标计算确定。
观众厅内疏散走道的净宽度应按每100人不小于的净宽度计算,且不应小于1m;供观众疏散的所有内门、外门、楼梯和走道每100人所需的各自总宽度,平坡地面的门和走道,阶梯地面的门、走道以及楼梯;体育馆供观众疏散的所有内门、外门、楼梯和走道的自总宽度,应按每100人~计算确定;耐火等级为一二级的学校、商店、办公楼、候车(船)室、民航候机厅、展览厅、歌舞娱乐放映游艺场所等非高层民用建筑中的疏散走道、安全出口、疏散楼梯以及房间疏散门,每100人净宽度不应小于:地上一、二层;地上三层及与地面出入口地面的高差不超过10m的地下建筑;地上四层、四层以上各层及与地面出入口地面的高差超过10m的地下建筑 1m;人员密集的厅、室以及歌舞娱乐放映游艺场所设置在地下或半地下时,其疏散总宽度,应按其通过人数每100人不小于1m计算确定;录像厅、放映厅的疏散人数应按该场所的建筑面积人/m2计算确定;其它歌舞娱乐放映游艺场所的疏散人数应按该场所的建筑面积人/m2计算确定;商店的疏散人数应按每层营业厅建筑面积乘以面积折算值和疏散人数换算系数计算。
安全疏散距离1、非高层建筑(一、二级耐火、封闭楼梯间):双向疏散时:托幼25m,医疗、学校35m,其他40m。
袋形走道时:托幼、医疗20m。
学校、其他22m。
开敞外廊时增加5m,设自动喷淋时加25%。
非封闭楼梯间时,双向疏散减5m,袋形走道减2m。
楼梯底层应设直接对外的出口,层数不超过4层时,可将对外出口布置在离楼梯间不超过15m处。
任何情况下,房间最远点到房门的距离不应超过袋形走道时的规定最大疏散距离,即20m~22m。
2、高层和地下建筑:双向疏散时:医院病房部分24m,教学楼、旅馆、展览楼、医院其他部分30m,其他40m。
袋形走道时:医院病房部分12m,教学楼、旅馆、展览楼、医院其他部分15m,其他20m。
地上人员集中的大厅(观众厅、展厅、多功能厅、餐厅、营业厅、阅览室等)内任一点到最近疏散口的直线距离不宜超过30m;其他房间不宜超过15m。
地下车库疏散距离不大干45m,自动喷淋时不大于60m;底层车库疏散距离不大于60m。
疏散宽度:1、除规范另有规定者外,建筑中的疏散走道、安全出口、疏散楼梯以及房间疏散门的各自总宽度应经计算确定。
安全出口、房间疏散门的净宽度不应小于0.9m,疏散走道和疏散楼梯的净宽度不应小于1.1m;不超过6层的单元式住宅,当疏散楼梯的一边设置栏杆时,最小净宽度不宜小于1m。
2、剧院、电影院、礼堂、体育馆等人员密集场所的疏散走道、疏散楼梯、疏散门、安全出口的各自总宽度,应根据其通过人数和疏散净宽度指标计算确定。
观众厅内疏散走道的净宽度应按每100人不小于0.6m的净宽度计算,且不应小于1m;供观众疏散的所有内门、外门、楼梯和走道每100人所需的各自总宽度,平坡地面的门和走道0.65m,阶梯地面的门、走道以及楼梯0.75m;体育馆供观众疏散的所有内门、外门、楼梯和走道的自总宽度,应按每100人0.32m~0.50m 计算确定;耐火等级为一二级的学校、商店、办公楼、候车(船)室、民航候机厅、展览厅、歌舞娱乐放映游艺场所等非高层民用建筑中的疏散走道、安全出口、疏散楼梯以及房间疏散门,每100人净宽度不应小于:地上一、二层0.65m;地上三层及与地面出入口地面的高差不超过10m的地下建筑0.75m;地上四层、四层以上各层及与地面出入口地面的高差超过10m的地下建筑1m;人员密集的厅、室以及歌舞娱乐放映游艺场所设置在地下或半地下时,其疏散总宽度,应按其通过人数每100人不小于1m计算确定;录像厅、放映厅的疏散人数应按该场所的建筑面积1.0人/m2计算确定;其它歌舞娱乐放映游艺场所的疏散人数应按该场所的建筑面积0.5人/m2计算确定;商店的疏散人数应按每层营业厅建筑面积乘以面积折算值和疏散人数换算系数计算。
安全疏散通道的设置要求1.1安全疏散距离(或通道最大长度):指从房间门至最近的外部出口或楼梯间的最大距离。
表一、高层民用建筑安全疏散距离①敞开式外廊建筑的房间门至外部出口楼梯的最大距离可按本表增加 5.00m。
②设有自动喷水灭火系统的建筑物,其安全疏散距离可按本表规定增加25 %1.2通道宽度要求1.2.1多层建筑楼梯和走道的净宽指标(m/百人)见下表:1.00 1.251.2.2高层建筑楼梯和走道的净宽度指标为1m/100人。
其中,首层疏散楼梯的最小净宽度见下表:1.3 一般设置要求1.3.1楼梯间及消防前室内不应附设烧水间、可燃材料储藏室、非封闭的电梯井、可燃气体管道和甲、乙、丙类液体管道,并不应有影响疏散的突出物。
1.3.2疏散走道内不应设置阶梯、门槛、门垛、管道等突出物,以免影响疏散。
1.3.3通道的墙面、顶棚、地面的装修应为A级不燃材料。
同时,走道与房间隔墙应砌至梁、极底部并全部现实所有空隙。
2. 安全出口的设置要求2.1 每个防火分区的安全出口不应少于两个,且应分散布置。
2.2 出口处不得设正门槛、台阶,采用卷帘门、转门、吊门和侧拉门2.3 营业、使用时间安全出口不应上锁、阻塞、堆物2.4 公共场所、观念厅的入场门、太平门宽度不应小于 1.4m。
3. 应急照明灯的设置要求3.1 设置范围:单层、多层公共建筑、乙丙类高层厂房、人防工程和高层民用建筑的下列部位应设火灾事故照明灯。
3.1.1 封闭楼梯间、防烟楼梯间及其前室、消防电梯间及其前室、合用前室和避难层(间)。
3.1.2 配电室、消防控制室、消防水泵房、防烟排烟机房、供消防用电的蓄电池室、自备发电机房、电话总机房以及发生火灾时仍需坚持工作的其它房间。
3.1.3 观众厅、展览厅、多功能厅、餐厅、商场营业厅、演播室等人员密集的场所。
3.1.4 人员密集且建筑面积超过的300m2地下室。
3.1.5 公共建筑内的疏散走道和居住建筑内长度超过20m的内走道。
疏散距离指标安全疏散距离包括两部分: 一是房间内最远点到房门的疏散距离; 二是房门到疏散楼梯间或 外部出口的距离;(一)厂房的安全疏散距离厂房内任一点到最近的安全出口的直线距离不应大于表中规定的数值;火灾危险性越 大,安全疏散距离要求越严格;厂房的耐火等级越低,安全疏散距离要求越严格;对于丁、 戊类生产厂房,当采用一、二级耐火等级的厂房时,其疏散距离可以不受限制;记忆口诀:(1)甲类3025 ;(2)乙类结合甲类记忆, 755030 (75正好是甲类3x25,50正 好是甲类2x25,30正好是甲类的 30),( 3)丙类864,64 ;( 4)丁、戊类记不记都可以,最好记住,丁、戊类基本不考; (5)只有一、二级耐火等级才可以设在地下半地下,在防火分区中已经说明甲乙类生产场所不可以设在地下半地下, 火很难扑救,现在就只剩下丙丁戊类的一、二级,只要记搞定了!初学者还需要做题目巩固记忆,刚开始看到这张表记不住没有关系, 多看几遍和做因为火灾危险性比较大,一旦着3456就好可以了,一张表就这样的题目多了自然就记住了,千万不要被这张表吓到,都是纸老虎!增加25% ;记忆口诀:(1)医疗建筑高层病房24 (医高病饿死),(2)托幼老歌25,(3)高层旅馆、展览建筑、教学建筑高层、医疗建筑高层其他部分30 (医教旅展咼30),(4)医疗建筑、教学建筑单、多层35 (医教单多层35 ); (5)最小的9m必须要记住;(6)高层是高层的半,表中加粗的数字;(7)记住一、二级其他的就好记了!(1 )建筑内开向敞开式外廊的房间疏散门至最近安全出口的直线距离可按表的规定值增加5m ;I <■ T J - -厂花----(2 )直通疏散走道的房间疏散门至最近敞开楼梯间的直线距离,当房间位于两个楼梯间的 之间时,应按表规定减少 5m ;当房间位于袋型走道两侧或尽端时,应按表规定减少 2m ;(3)楼梯间应在首层直通室外,确有困难时,可在首层采用扩大的封闭楼梯间或防烟楼梯 间前室;当层数不超过 4层且未采用扩大的封闭楼梯间或防烟楼梯间前室时,可将直通室 外的门设置在离楼梯间不大于 15m 处;(4 )房间内任一点至该房间直通疏散走道的疏散门的直线距离,不应大于表中规定的袋型 走道两侧或尽端的疏散门至最近安全出口的直线距离; (5)一、二级耐火等级建筑内疏散门或安全出口不少于两个的观众厅、展览厅、多功能厅、 餐厅、营业厅等,其室内任一点至最近疏散门或安全出口的直线距离不应大于 30m ;当疏 散门不能直通室外地面或疏散楼梯时,应采用长度不超过10m 的疏散走道通至最近的安全 出口;当该场所设置自动喷水灭火系统时, 室内任一点至最近安全出口的安全疏散距离可增加 25% ; (三)住宅建筑安全疏散距离 等同于公共建筑的安全疏散距离中的“其他建筑”(1 )设置敞开式外廊的建筑,开向该外廊的房间疏散门至安全出口的最大直线距离可按表的规定增加5m ;(2 )直通疏散走道的户门至最近未封闭的楼梯间的距离,当房间位于两个楼梯间之间时,应按表的规定减少5m ;当位于袋型走道两侧或尽端时,应按表的规定减少2m;(3)住宅建筑内全部设置自动喷水灭火系统时,其安全疏散距离可按表的规定增加25%;(4)跃廊式住宅户门至最近安全出口的距离,应从户门算起,小楼梯的一段距离可按其水平投影长度的1.5倍计算;(四)木结构建筑的安全疏散距离位于两个安全出口之间的疏散门的疏散距离是公共建筑单、多层的数值减去10;^2-0-13木结构宵同直通蹄斂走道的疏徽门至最近安全出口的距离5)(1)房间内任一点至该房间直通疏散走道的疏散门的距离,不应大于表中规定的袋型走道两侧或尽端的疏散门至最近安全出口的距离;(2 )木结构工业建筑中的丁、戊类厂房内任意一点至最近安全出口的疏散距离不应大于50m 和60m ;。
安全疏散距离以及疏散宽度的计算一、公共建筑的安全晞散距离1,位于两个安全出口之间:A、歌舞娱乐放映游艺、托儿所、幼儿园以及老年人照料设施:一二级不超过25米、三级20米、四级15米;b、单多层医疗建筑、单多层教学建筑:一二级不超过35米、三级30米、四级25米;U高层医疗建筑病房部分:一二级不超过24米;d、高层医疗建筑其它部分、高层教学建筑、高层旅馆、展览建筑:一二级不超过30米;e、其它单多层建筑:一二级不超过40米、三级35米、四级30米;f、其它高层建筑:一二级不超过40米;2、位于袋形走道的两侧或尽端a、歌舞娱乐放映游艺不超过9米;b、托儿所、幼儿园以及老年人照料设施、单多层医疗建筑:一二级不超过20米、三级15米、四级10米;c、高层医疗建筑的病房部分不超过12米、其它部分不超过15米;d、高层医疗建筑其它部分、高层教学建筑、高层旅馆、展览建筑不超过15米;e、单多层教学建筑及其他建筑一二级不超过22米、三级20米、四级教学不超10米其它不超15米;f、其它高层建筑不超过20米;3.放宽和收紧的规定:a、通过敞开外廊疏散的可以增加5米;b、当疏散楼梯是敞开楼梯间时位于两个安全出口之间的疏散距离减少5米,位于袋形走道两侧或尽端的减少2米;J设有自喷时可增加25%;d、疏散距离应该是直线距离不是步行距离;A观众厅.展览厅•多功能厅、餐厅、营业厅等场所的疏散距离应分两部分进行计算,一部分是厅室内不超过30米、另一部分是疏散走道不超过10米,设有自喷时应分别增加25%o二、公共建筑晞散门、晞散走道即楼梯的宽度1、公共建筑内的安全出口和疏散门的宽度不得小于0∙9米,楼梯间和疏散走道的宽度不得小于LI米(规范另有规定的从其规定);2、高层公共建筑中的医疗建筑的楼梯间的首层疏散门、首层疏散外门不得小于1.3米;疏散走道的宽度为单面布房不小于1・4米、双面布房不小于L5米;疏散楼梯不需要1.3米;高层其它公共建筑的楼梯间的首层疏散门、首层疏散外门不得小于1・2米;疏散走道的宽度为单面布房不小于1.3米、双面布房不小于1.4米;疏散楼梯不需要1.2米;3、人员密集的公共场所、观众厅的疏散门净宽度不应小于L40m且不应设置门槛,门内外各l∙40m范围内不应设置踏步。
安全疏散距离名词解释
安全疏散距离是指在紧急情况下,人们需要移动到安全地点所需的最短距离。
它是根据建筑物、设备或现场的特定情况而定的,旨在确保人们在火灾、化学泄漏、爆炸等紧急情况下能够安全撤离。
安全疏散距离的目的是保护人们的生命安全,减轻伤亡和财产损失。
在确定安全疏散距离时,需要考虑多个因素,包括建筑物或设备的结构、容量、防火措施、紧急出口的位置和数量,以及人员密度等。
这些因素有助于确定人们从紧急情况发生地点到达安全地点所需的最短路径和时间。
安全疏散距离通常通过进行建筑物或设备的安全评估来确定。
这包括检查建筑物或设备的紧急出口是否符合规范,通道是否通畅,紧急出口标识是否清晰可见,以及是否有紧急疏散计划等。
根据评估的结果,可以制定相应的疏散计划,确保人们在紧急情况下能够快速、安全地撤离。
安全疏散距离的确切数值取决于不同的情况和国家的法规要求。
它可能是建筑物内部的疏散距离,也可能是建筑物外部到达安全地点所需的距离。
无论如何,确保安全疏散距离的准确性和合理性对于保护生命安全至关重要。
消防五距要求摘要:一、消防五距的定义与重要性二、消防五距的具体要求1.防火间距2.消防车道距离3.安全疏散距离4.灭火设施距离5.室外消防栓距离三、违反消防五距要求的后果四、如何确保符合消防五距要求五、总结正文:消防安全是关系到人民生命财产安全的重要问题,而消防五距则是衡量一个建筑或场所消防安全的重要指标。
消防五距包括防火间距、消防车道距离、安全疏散距离、灭火设施距离和室外消防栓距离。
严格遵守消防五距要求,是预防火灾事故、保障人员生命安全的关键。
一、消防五距的定义与重要性1.防火间距:防火间距是指建筑物之间或建筑物与防火设施之间的距离,用以防止火势蔓延。
防火间距的设置能有效减少火灾事故发生的风险,为灭火救援提供有利条件。
2.消防车道距离:消防车道是为火灾扑救和救援工作提供通道的道路。
确保消防车道畅通,有利于火灾事故的快速处理。
3.安全疏散距离:安全疏散距离是指人员从火灾发生地到安全出口的距离。
合理设置安全疏散距离,有利于提高人员疏散效率,减少火灾事故中的伤亡。
4.灭火设施距离:灭火设施距离是指灭火设施与火灾发生地的距离。
合理设置灭火设施,有助于火灾初期的快速扑灭。
5.室外消防栓距离:室外消防栓距离是指室外消防栓与火灾发生地的距离。
保证室外消防栓的设置,能为火灾扑救提供水源支持。
二、消防五距的具体要求1.防火间距:建筑物之间或建筑物与防火设施之间的距离应符合国家有关规定,确保火势不至于迅速蔓延。
2.消防车道距离:消防车道应满足火灾扑救和救援工作的需要,其宽度、长度和转弯半径等参数应符合相关规定。
3.安全疏散距离:安全疏散距离应保证人员在火灾发生时能够迅速撤离,通常不超过30米。
4.灭火设施距离:灭火设施应设置在火灾易发区和火势可能蔓延的区域,且距离火灾发生地不超过10米。
5.室外消防栓距离:室外消防栓应设置在消防车道附近,便于消防车辆快速接入水源,距离火灾发生地不超过20米。
三、违反消防五距要求的后果违反消防五距要求,可能导致火势蔓延加快、人员疏散困难、灭火救援难度增大,从而造成严重的人员伤亡和财产损失。
安全疏散距离
1、非高层建筑(一、二级耐火、封闭楼梯间):
双向疏散时:托幼25m,医疗、学校35m,其他40m。
袋形走道时:托幼、医疗20m。
学校、其他22m。
开敞外廊时增加5m,设自动喷淋时加25%。
非封闭楼梯间时,双向疏散减5m,袋形走道减2m。
楼梯底层应设直接对外的出口,层数不超过4层时,可将对外出口布置在离楼梯间不超过15m处。
任何情况下,房间最远点到房门的距离不应超过袋形走道时的规定最大疏散距离,即20m~22m。
2、高层和地下建筑:
双向疏散时:医院病房部分24m,教学楼、旅馆、展览楼、医院其他部分30m,其他40m。
袋形走道时:医院病房部分12m,教学楼、旅馆、展览楼、医院其他部分15m,其他20m。
地上人员集中的大厅(观众厅、展厅、多功能厅、餐厅、营业厅、阅览室等)内任一点到最近疏散口的直线距离不宜超过30m;其他房间不宜超过15m。
地下车库疏散距离不大干45m,自动喷淋时不大于60m;底层车库疏散距离不大于60m。
疏散宽度:
1、除规范另有规定者外,建筑中的疏散走道、安全出口、疏散楼梯以及房间疏散门的各自总宽度应经计算确定。
安全出口、房间疏散门的净宽度不应小于0.9m,
疏散走道和疏散楼梯的净宽度不应小于1.1m;
不超过6层的单元式住宅,当疏散楼梯的一边设置栏杆时,最小净宽度不宜小于1m。
2、剧院、电影院、礼堂、体育馆等人员密集场所的疏散走道、疏散楼梯、疏散门、安全出口的各自总宽度,应根据其通过人数和疏散净宽度指标计算确定。
观众厅内疏散走道的净宽度应按每100人不小于0.6m的净宽度计算,且不应小于1m;供观众疏散的所有内门、外门、楼梯和走道每100人所需的各自总宽度,平坡地面的门和走道0.65m,阶梯地面的门、走道以及楼梯0.75m;
体育馆供观众疏散的所有内门、外门、楼梯和走道的自总宽度,应按每100人0.32m~0.50m计算确定;
耐火等级为一二级的学校、商店、办公楼、候车(船)室、民航候机厅、展览厅、歌舞娱乐放映游艺场所等非高层民用建筑中的疏散走道、安全出口、疏散楼梯以及房间疏散门,每100人净宽度不应小于:
地上一、二层0.65m;
地上三层及与地面出入口地面的高差不超过10m的地下建筑0.75m;
地上四层、四层以上各层及与地面出入口地面的高差超过10m的地下建筑1m;人员密集的厅、室以及歌舞娱乐放映游艺场所设置在地下或半地下时,其疏散总宽度,应按其通过人数每100人不小于1m计算确定;
录像厅、放映厅的疏散人数应按该场所的建筑面积1.0人/m2计算确定;
其它歌舞娱乐放映游艺场所的疏散人数应按该场所的建筑面积0.5人/m2计算确定;商店的疏散人数应按每层营业厅建筑面积乘以面积折算值和疏散人数换算系数计算。
地上商店的面积折算值宜为50%~70%,地下商店的面积折算值不应小于70%。
疏散人数的换算系数:地下一层、地上第一、二层0.85;地下二层0.80;地上第三层0.77;地上第四层及四层以上各层0.60。
高层建筑的疏散宽度,每100人不小于1m,底层外门按人数最多一层计。
人防工程及地下街每个防火分区的安全出口总宽度应按该防火分区设计容纳总人数乘以疏散宽度指标计算确定。
地下室埋深小于10m时,每100人不小于0.75m;埋深大于10m时,每100人不小于1m。
超过100m的高层公共建筑和地下人防的特殊疏散要求:
超过100m的高层公共建筑应设避难层。
避难层的设置,自首层至第一个避难层或两个避难层之间,不宜超过15层。
超过100m,且标准层建筑面积超过1000m2的高层公共建筑宜设屋顶直升飞机停机坪。
当人防工程设置直通室外的安全出口的数量和位置受条件限制时,可设置避难走道。
避难走道是设有防烟设施,用于人员安全通行至室外出口的疏散走道,通向避难走道的疏散出口可视为安全出口。