厂房的安全疏散
- 格式:docx
- 大小:11.58 KB
- 文档页数:5
厂房安全疏散措施厂房是一种重要的工业建筑,但由于其特殊的工作环境和大量的人员聚集,其安全问题尤为重要。
因此,厂房的安全疏散措施是保障工人生命安全的重要措施之一、下面我们就厂房安全疏散措施进行详细介绍。
首先,对于厂房的安全疏散措施,我们需要进行合理的厂房规划和设计。
厂房应该按照消防法规的要求,设有足够数量和合理布局的疏散通道和疏散门。
这些疏散通道和疏散门应该保持畅通,并且设置有明显的标识和指示牌,以便工人在逃生时能够迅速找到正确的疏散通道和疏散门。
同时,厂房的楼梯、走廊和通道等区域应该保持清洁和整洁,以免在疏散途中发生滑倒等意外。
其次,厂房应该配备有效的报警系统和灭火设备。
在厂房内部应该安装烟雾报警器、火灾报警器等设备,一旦发生火灾,这些设备能够及时发出警报,提醒工人进行疏散。
此外,厂房还应该配备灭火器、消防栓等灭火设备,以便工人在火灾发生时能够及时进行初期灭火,防止火势蔓延。
同时,厂房还应该定期进行消防演练,提高工人对火灾应急处理的能力。
第三,厂房应该进行合理的人员管理和安全教育。
厂房管理员需要对工人进行消防安全知识和疏散逃生技能的培训和指导,提高工人的安全意识和应急能力。
同时,厂房管理员还需要定期检查疏散通道和疏散门是否畅通有效,确保工人的安全疏散。
在工人进入厂房时,管理员还应该进行进厂登记和出厂检查,以确保工人在紧急情况下可以及时掌握工人的状况和发出紧急警报。
最后,厂房应该与周边社会资源进行合作,建立良好的安全联动机制。
厂房可以与当地消防部门、医院、交通部门等进行紧密合作,建立安全信息共享和应急资源调配的机制。
一旦发生紧急情况,厂房可以及时调动相关部门的力量,快速响应并进行应急处理,最大限度地保护工人的生命安全。
总之,厂房的安全疏散措施是确保工人在火灾等紧急情况下能够及时疏散的重要措施。
合理的规划和设计、有效的报警系统和灭火设备、合理的人员管理和安全教育以及与周边社会资源的合作都是重要的安全疏散措施。
厂房疏散距离解析一、疏散路线的规划在规划疏散路线时,应考虑到厂房的结构、布局以及工作流程。
确保疏散路线简单、明确,避免过多的转弯和障碍物。
此外,要确保疏散路线的宽度足够,能够容纳大量人员迅速撤离。
二、出口设置厂房的出口数量和分布应满足消防安全要求,每个区域都应设置至少两个出口。
出口应保持畅通,不得堆放杂物或关闭。
同时,出口应标识清晰,指示明确。
三、消防设施厂房内应配备足够的消防设施,如灭火器、消防栓等。
这些设施应定期检查和维护,确保其正常工作。
此外,厂房还应配备消防报警系统,以便及时发现火情并采取相应措施。
四、安全出口指示安全出口指示应清晰可见,指向明确的逃生路线。
指示牌应设置在显眼的位置,如门顶、墙面等。
此外,指示牌应使用明显的颜色和字体,以便人员快速识别。
五、疏散距离限制厂房内的设备、工作台等应与最近的出口保持一定的距离。
这个距离应根据具体情况进行计算,但一般不应超过25米。
此外,厂房的内部布局也应有利于人员疏散。
六、逃生路线规划逃生路线的规划应考虑到厂房的布局、人员分布和工作流程。
逃生路线应尽量短、直,避免过多的转弯和障碍物。
此外,逃生路线应标识清晰,指示明确。
七、紧急照明在紧急情况下,如火灾、停电等,厂房内应有良好的照明。
因此,厂房内应配备紧急照明设备,如备用照明灯、疏散指示灯等。
这些设备应定期检查和维护,确保其正常工作。
八、应急预案为了应对紧急情况,厂房应制定详细的应急预案。
应急预案应包括疏散程序、紧急联络方式、急救措施等内容。
此外,应急预案应定期进行演练,以提高人员的应对能力。
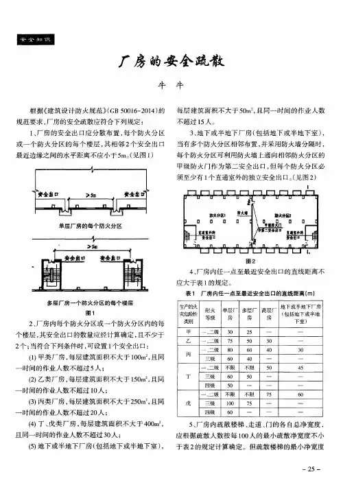
厂房的安全疏散厂房的安全出口数目不应少于两个,在符合下列要求时可设一个:a.甲类厂房,每层面积不超过100m2且同一时间的生产人数不超过5人。
b.乙类厂房,每层面积不超过150m2且同一时间的生产人数不超过10人。
c.丙类厂房,每层面积不超过250m2且同一时间的生产人数不超过20人。
d.丁、戊类厂房,每层面积不超过400m2且同一时间的生产人数不超过30人。
厂房的地下室、半地下室的安全出口的数目不应少于两个,但面积不超过50 m2且人数不超过10人时可设一个。
地下室和半地下室如用防火墙隔成几个防火分区时,每个防火分区可利用防火墙上通向相邻分区的防火门作为第二安全出口,但每个防火分区必须有一个直通室外的安全出口。
厂房内最远工作地点到外部出口或楼梯的距离(安全疏散距离)不应超过表1的规定。
表1 厂房安全疏散距离厂房每层的疏散楼梯、走道、门的各自总宽度应按表2的规定计算。
当各层人数不相符时,其楼梯总宽度分层计算,下层楼梯总宽度按其上层人数最多的一层人数计算,但楼梯最小宽度不宜小于。
底层外门的总宽度应按该层或该层以上人数最多的一层人数计算,但疏散门的最小宽度不宜小于,疏散走道不宜小于。
表2 厂房疏散楼梯、走道和门的宽度注:1.当使用人数少于50人时,楼梯、走道和门的最小宽度可适当减小。
2.本条和以后有关条文中规定的宽度均指净宽度。
甲、乙、丙类厂房和高层厂房的疏散楼梯应采用封闭楼梯间,高度超过32m的且每层人数超过10人的高层厂房宜采用防烟楼梯间,高度超过32m的设有电梯的高层厂房,每个防火分区内设一台消防电梯(可与客、货梯兼用),并应符合下列条件:a.消防电梯间应设前室,其面积不应小于6m2,与防烟楼梯间合用的前室,其面积不应小于10 m2。
b.消防电梯的前室宜靠外墙,在底层应设直通室外的出口,或经过长度不超过30m的通道向外开。
c.消防电梯井、机房与相邻电梯井、机房之间应采用耐火极限不低于的墙隔开;如在隔墙上开门时,应设甲级防火门。
关于厂房住宅安全疏散距离那点事安全疏散是建筑防火设计的一项重要内容,它主要包括人员密度计算、疏散宽度指标、疏散距离指标等参数。
安全疏散距离包括两个部分:一是房间内最远点到房门的疏散距离;二是从房门到疏散楼梯间或外部出口的距离。
一、厂房的安全疏散距离确定厂房的安全疏散距离,需要考虑楼层的实际情况(如单、多、高层)、生产的火灾危险性类别及建筑物的耐火等级等。
厂房内任一点到最近安全出口的直线距离不应大于下表的规定。
注:1 火灾危险性越大,安全疏散距离要求越严格。
2 厂房耐火等级越低,安全疏散距离要求越严格。
3 厂房的安全疏散距离规范指的是厂房内任一点到最近安全出口的距离,而不是厂房内任一点到疏散门的距离或者疏散门到安全出口的距离。
4 对于厂房来说,规范上没有规定当设置自动喷水灭火系统时安全疏散距离可以增加25%。
二、仓库的安全疏散距离由于仓库内人员较少,且对仓库内环境比较了解,故规范未规定仓库的安全疏散距离。
三、公共建筑的安全疏散距离1.直通疏散走道的房间疏散门至最近安全出口的直线距离不应大于下表的规定。
注:1 设置自动喷水灭火系统的建筑,其安全性能有所提高,所以建筑物内全部设置自动喷水灭火系统时,其安全疏散距离可按上表的规定增加25%。
2 敞开式外廊通风、采光、降温等方面情况较好,对安全疏散有利,所以建筑内开向敞开式外廊的房间疏散门至最近安全出口的直线距离可按上表的规定增加5m。
举例:如一设有敞开式外廊的多层办公楼,当未设置自动喷水灭火系统时,其位于两个安全出口之间的房间疏散门至最近安全出口的疏散距离为40+5=45(m);当设有自动喷水灭火系统时,该疏散距离可为40×(1+25%)+5=55(m)。
即,对于一座全设置自动喷水灭火系统的建筑,且符合设置敞开式外廊或敞开楼梯间的要求时,其疏散距离是先增加25%后,再进行增减。
3 敞开楼梯间在火灾时会变成烟气蔓延的主要通道,所以直通疏散走道的房间疏散门至最近敞开楼梯间的直线距离,当房间位于两个楼梯间之间时,应按上表的规定减少5m;当房间位于袋形走道两侧或尽端时,应按本表的规定减少2m。
厂房地下室的疏散要求
1. 疏散通道,地下室应设有明确标识的疏散通道,并确保通道
畅通无阻。
通道应有足够的宽度,以容纳所有员工和访客快速疏散。
2. 紧急照明和标识,地下室应配备紧急照明设备,以确保在断
电情况下仍能提供足够的照明。
此外,应该有清晰可见的疏散标识,以指引人员朝向安全出口。
3. 疏散演练,定期组织疏散演练,让员工熟悉地下室的疏散路
线和安全出口位置。
演练可以帮助员工在紧急情况下保持镇定,并
且提高他们对疏散程序的熟悉度。
4. 火灾报警系统,地下室应安装火灾报警系统,并定期进行检
测和维护,以确保在火灾发生时能及时发出警报,提醒人员进行疏散。
5. 安全出口和避难点,地下室应设有足够数量的安全出口,并
且这些出口应保持畅通。
此外,应该确定地下室内的避难点,以便
在疏散过程中人员可以暂时避难。
6. 紧急通信设备,地下室应配备紧急通信设备,如对讲机或应急电话,以便人员在紧急情况下与外界联系。
总的来说,厂房地下室的疏散要求包括疏散通道、紧急照明和标识、疏散演练、火灾报警系统、安全出口和避难点以及紧急通信设备等方面的要求。
这些措施的落实可以有效提高地下室紧急情况下的疏散效率和人员安全。
工业厂房安全疏散距离标准工业厂房安全疏散距离标准是指在发生火灾或其他紧急情况时,工业厂房内的人员能够快速、安全地撤离到安全区域的距离要求。
1.安全疏散距离概述:安全疏散距离是指从工业厂房内最远的任何一个点到达最近的安全出口的距离。
它是根据厂房内的建筑结构、人员密度、紧急疏散时间和消防设施等因素来确定的。
2.人员密度要求:工业厂房的安全疏散距离标准通常会考虑人员密度,即单位面积内的人数。
根据不同的国家和地区,人员密度要求可能有所不同,但一般来说,为了保证人员能够顺利撤离,每个人应有足够的空间进行移动,并避免拥挤。
3.紧急疏散时间:紧急疏散时间是指从发生紧急情况到所有人员撤离到安全区域所需的时间。
根据不同的国家和地区,对于不同类型的工业厂房,有不同的紧急疏散时间要求。
通常,较大规模、复杂结构或危险性较高的工业厂房可能需要更短的紧急疏散时间。
4.安全出口要求:工业厂房的安全疏散距离标准还会涉及到安全出口的数量、位置和尺寸等要求。
一般来说,工业厂房应设置足够数量的安全出口,以确保人员能够迅速找到最近的出口并顺利撤离。
此外,安全出口的位置应合理分布,尽量避免出现死角或阻塞的情况。
出口的尺寸也要符合相关的规定,以便人员顺利通过。
5.消防设施要求:工业厂房的安全疏散距离标准还会考虑消防设施的设置。
例如,厂房内应设置火灾报警系统、消防栓、灭火器、喷淋系统等。
这些设施的布置应符合相关的消防安全标准,以确保在紧急情况下能够及时控制火灾并提供逃生通道。
需要注意的是,工业厂房安全疏散距离标准会根据不同的国家、地区和具体情况有所不同。
因此,在设计和建设工业厂房时,应遵守当地的是标准和建筑规范,并咨询专业相关部门意见,以确保工业厂房的安全性和可靠性。
工业建筑的安全疏散常见考点大全1. 安全出口数量1)厂房和仓库的安全出口应分散布置。
每个防火分区或一个防火分区的每个楼层,其相邻2个安全出口最近边缘之间的水平距离不应小于5m。
2)厂房内每个防火分区或一个防火分区内的每个楼层,其安全出口的数量应经计算确定,且不应少于2个。
3)当符合下列条件时,下列厂房可设置1个安全出口:•甲类厂房,每层建筑面积不大于100㎡,且同一时间的作业人数不超过5人。
•乙类厂房,每层建筑面积不大于150㎡,且同一时间的作业人数不超过10人。
•丙类厂房,每层建筑面积不大于250㎡,且同一时间的作业人数不超过20人。
•丁、戊类厂房,每层建筑面积不大于400㎡,且同一时间的作业人数不超过30人。
•地下或半地下厂房(包括地下或半地下室),每层建筑面积不大于50㎡,且同一时间的作业人数不超过15人。
4)每座仓库的安全出口不应少于2个,符合下列条件之一时,可设置1个安全出口:•当仓库的占地面积不大于300㎡时。
•仓库防火分区的建筑面积不大于100㎡时。
•地下或半地下仓库(包括地下或半地下室)的建筑面积不大于100㎡。
•地下或半地下仓库(包括地下或半地下室),当有多个防火分区相邻布置并采用防火墙分隔时,每个防火分区可利用防火墙上通向相邻防火分区的甲级防火门作为第二安全出口,但每个防火分区必须至少有1个直通室外的安全出口。
5)粮食筒仓上层面积小于1000㎡,且作业人数不超过2人时,可设置1个安全出口。
2. 借道要求1)地下或半地下厂房(包括地下或半地下室),当有多个防火分区相邻布置,并采用防火墙分隔时,每个防火分区可利用防火墙上通向相邻防火分区的甲级防火门作为第二安全出口,但每个防火分区必须至少有1个直通室外的独立安全出口。
2)地下或半地下仓库(包括地下或半地下室),当有多个防火分区相邻布置并采用防火墙分隔时,每个防火分区可利用防火墙上通向相邻防火分区的甲级防火门作为第二安全出口,但每个防火分区必须至少有1个直通室外的安全出口。
第一章总则第一条为加强本厂房的安全管理,确保在紧急情况下能够迅速、有序地疏散人员,减少人员伤亡和财产损失,依据《中华人民共和国消防法》及相关消防法规,结合本厂房实际情况,特制定本制度。
第二条本制度适用于本厂房所有生产、办公、生活区域及附属设施。
第三条本制度旨在规范厂房安全疏散设施的设置、维护、使用和管理,确保疏散设施完好有效,为员工的生命安全提供保障。
第二章安全疏散设施设置第四条安全疏散设施包括但不限于以下内容:1. 疏散楼梯、安全出口、疏散通道;2. 防火门、防火卷帘、防火分隔设施;3. 应急照明灯、疏散指示标志;4. 消防器材、报警装置等。
第五条安全疏散设施的设置应符合以下要求:1. 疏散楼梯、安全出口、疏散通道的宽度、高度和数量应符合国家消防技术规范的要求;2. 防火门、防火卷帘等防火分隔设施应设置在易燃、易爆物品存放区域及人员密集场所;3. 应急照明灯、疏散指示标志应设置在疏散通道、楼梯间等关键位置,并保证其数量充足、亮度适宜;4. 消防器材、报警装置等应设置在明显位置,并定期进行检查、维护。
第三章安全疏散设施维护与管理第六条各部门负责人应负责本部门安全疏散设施的维护与管理,确保设施完好、有效。
第七条疏散设施维护与管理内容包括:1. 定期检查疏散楼梯、安全出口、疏散通道的畅通情况,发现障碍物及时清理;2. 定期检查防火门、防火卷帘等防火分隔设施,确保其功能正常;3. 定期检查应急照明灯、疏散指示标志的完好情况,发现问题及时更换;4. 定期检查消防器材、报警装置等,确保其功能正常;5. 对疏散设施进行定期保养,延长设施使用寿命。
第八条员工应自觉遵守本制度,不得随意破坏、遮挡或损坏安全疏散设施。
第四章紧急疏散演练第九条厂房应定期组织紧急疏散演练,提高员工的安全意识和应急处理能力。
第十条紧急疏散演练内容包括:1. 熟悉疏散路线、方法;2. 熟悉应急设备的使用方法;3. 掌握紧急情况下的人员疏散程序。
第一章总则第一条为加强本厂安全管理工作,确保在发生火灾、地震等紧急情况时,员工能够迅速、有序地疏散,保障人员生命财产安全,特制定本制度。
第二条本制度适用于本厂所有生产、办公、生活区域,包括厂房、仓库、办公室、宿舍等。
第三条本制度遵循国家有关消防法律法规和安全生产标准,结合本厂实际情况制定。
第二章安全疏散设施第四条本厂应按照国家消防技术规范的要求,设置完善的安全疏散设施,包括:1. 疏散楼梯:保证疏散楼梯的畅通,不得堆放杂物,确保疏散通道的宽度符合规定。
2. 安全出口:每个区域应设置不少于两个安全出口,并确保出口的畅通无阻。
3. 防火门:按照国家规定设置防火门,常闭型防火门应保持关闭状态,确保在火灾时能迅速关闭。
4. 防火卷帘:在必要时使用防火卷帘,确保其在火灾时能够及时关闭,防止火势蔓延。
5. 应急照明灯和疏散指示标志:在疏散通道和关键位置设置应急照明灯和疏散指示标志,确保在停电或火灾时能够提供照明和指示。
第五条安全疏散设施应由专业人员进行安装、维护和检查,确保设施完好有效。
第三章疏散通道管理第六条疏散通道应保持畅通,任何单位和个人不得占用、堵塞疏散通道。
第七条禁止在疏散通道上堆放杂物、设备、安装栅栏等,确保疏散通道畅通无阻。
第八条在生产、办公、工作期间,禁止将安全出口上锁、遮挡,确保出口的随时可用。
第四章疏散演练第九条本厂应定期组织疏散演练,提高员工的安全意识和应急处理能力。
第十条疏散演练应包括火灾逃生、地震逃生等紧急情况,确保员工熟悉疏散路线和逃生方法。
第五章监督检查第十一条本厂应设立安全管理部门,负责安全疏散设施的管理和监督检查。
第十二条安全管理部门应定期对安全疏散设施进行检查,发现问题及时整改。
第十三条对违反本制度的行为,应按照相关规定进行处罚。
第六章附则第十四条本制度由厂安全管理部门负责解释。
第十五条本制度自发布之日起实施。
注:本制度范本仅供参考,具体内容应根据本厂实际情况进行调整和完善。
厂房安全疏散管理制度为了保障厂房内员工和设备的安全,有效防范火灾等意外事件发生,公司制定了厂房安全疏散管理制度,明确了安全疏散的流程、责任和措施,以确保在紧急情况下所有人员能够安全有效地疏散离开厂房。
一、制度目的1.为了保障厂房内员工的生命财产安全,降低火灾等意外事件造成的损失,建立健全的安全疏散管理制度是必要的。
2.制定该制度的目的在于规范厂房内部安全疏散流程、加强员工的安全意识和应急能力,确保在紧急情况下所有人员能够及时有序地疏散离开厂房。
二、制度适用范围1.该制度适用于公司所有厂房及办公区域。
2.所有员工、外来人员和访客均须遵守该制度。
三、疏散标识设置1.在厂房内设立明显的疏散指示标志,标明疏散通道和疏散出口的位置。
2.保持疏散指示标志清晰可见,避免遮挡。
3.定期检查疏散标识的完好性和可读性,及时更换疏散标识,确保其有效性。
四、疏散预案制定1.公司应制定完善的疏散预案,明确各岗位人员的职责和疏散程序。
2.定期组织疏散演练,提高员工应对紧急情况的应急能力。
3.建立应急疏散演练档案,记录每次演练的情况和总结经验,及时调整疏散预案。
五、员工安全意识培训1.公司应定期组织员工参加安全疏散演练及安全意识培训,加强员工对疏散流程和安全措施的了解和掌握。
2.员工应掌握疏散信号的含义和疏散逃生的方法,提高应对紧急情况的能力。
3.公司可借助多媒体手段,向员工普及安全知识和疏散技能,提升员工的安全意识和自救能力。
六、疏散逃生通道设置1.确定疏散逃生通道和紧急疏散出口的位置和宽度,在通道两侧不得设置物品或堵塞。
2.通道应保持畅通、无障碍,保持疏散通道的安全性和便利性。
3.定期对疏散通道进行检查和维护,确保疏散逃生通道畅通有效。
七、紧急疏散措施1.一旦发生火灾等紧急情况,员工应立即停止工作,按照疏散预案有序撤离至安全区域。
2.禁止员工携带易燃易爆危险品逃生,避免造成二次伤害。
3.遇有残障员工或老弱病残员工时,应予以帮助和照顾,确保他们安全疏散到位。
厂房地下设备用房的疏散要求
1. 疏散通道规划,地下设备用房的疏散通道应该合理规划,确
保员工在紧急情况下能够快速、安全地撤离。
通道应该宽敞、明亮,并且应该有明显的标识指示疏散方向。
2. 紧急照明和安全出口,地下设备用房应当配备紧急照明设备,以确保在断电或火灾等情况下仍然能够提供足够的照明。
此外,安
全出口应当明确标识并保持畅通无阻。
3. 疏散演练和培训,员工应该定期接受关于地下设备用房疏散
的培训,包括如何正确使用疏散通道、如何应对火灾、泄露等紧急
情况等。
4. 紧急通讯设备,在地下设备用房中应当配备紧急通讯设备,
以便员工在紧急情况下能够与外界进行有效的沟通。
5. 防烟控制和排烟系统,地下设备用房应当配备有效的防烟控
制和排烟系统,以确保在火灾发生时能够尽量减少烟雾对疏散的影响。
总之,厂房地下设备用房的疏散要求涉及到诸多方面,包括疏散通道规划、紧急照明和安全出口、疏散演练和培训、紧急通讯设备以及防烟控制和排烟系统等。
这些要求的落实将有助于提高地下设备用房的紧急疏散效率和员工的安全意识,从而最大程度地减少紧急情况下的伤亡和损失。
厂房最小疏散净宽度新规1. 说说厂房疏散的重要性大家好,咱们今天聊点有趣的话题,厂房的疏散问题。
听起来像是个枯燥无味的技术文档,但是实际上关系到每一个在厂房里打拼的小伙伴的安全哦!想象一下,如果哪天发生了紧急情况,比如火灾、地震,大家慌慌张张的往外跑,这个时候宽度可就显得特别重要了。
你想想,要是那个疏散门窄得像小河沟,大家都挤在一起,那可真是九死一生呀!所以呀,咱们得好好聊聊这最小疏散净宽度的新规。
1.1 为什么要设置最小宽度?那么,最小疏散净宽度为什么这么重要呢?其实,这就像我们日常出门一样,门太小了,根本装不下所有的亲戚朋友。
厂房疏散的道道,最小宽度,就是为了确保人们能安全、快速地撤离。
要知道,等你们都挤在那儿争先恐后,效果可想而知。
万一来不及逃,那可就得不偿失了。
1.2 新规的好处说到这儿,大家肯定好奇新的宽度规矩到底有什么好处。
其实,它就像是为厂房的出入口点燃了绿灯,大家在紧急情况下能够随便走走,随便跑跑。
你想想,宽度增加了,心里就放松了,逃命的时候不再被其他人挤得四脚朝天。
而且,厂房的老板们也会觉得“哎呀,我这投资真划算,安全第一嘛!”2. 新规具体怎么执行?当然,光说不练假把式,现在就聊聊这新规到底怎么执行。
首先,厂房的管理者得要清晰明了,关于这些宽度的规定,不能敷衍了事。
每个出入口的宽度,得根据厂房的规模、用途,人员密度来合理设置。
人多的地方,门就得宽一点;人少的地方,门就可以小一点。
简单明了,大家伙都懂得!2.1 设计阶段的考虑在设计阶段,大伙可千万别马虎。
这时候可得考虑到各种因素,比如消防设备、通风情况等等。
每个细节都得想到位,这可不是随便哪个设计师能搞定的事儿。
设计好后,还得进行一次疏散演练,让大家在演练中熟悉通道,万一真的有啥情况,能找到路,脚底抹油飞快撤离。
2.2 定期检查与维护当然啦,新规制定后,定期的检查和维护也是必不可少的。
就像咱们家里的花儿一样,得及时浇水,才能长得好。
厂房的安全疏散3.7.1 厂房的安全出口应分散布置。
每个防火分区或一个防火分区的每个楼层,其相邻2个安全出口最近边缘之间的水平距离不应小于5m。
3.7.2 厂房内每个防火分区或一个防火分区内的每个楼层,其安全出口的数量应经计算确定,且不应少于2个;当符合下列条件时,可设置1个安全出口:1 甲类厂房,每层建筑面积不大于100m2,且同一时间的作业人数不超过5人;2 乙类厂房,每层建筑面积不大于150m2,且同一时间的作业人数不超过10人;3 丙类厂房,每层建筑面积不大于250m2,且同一时间的作业人数不超过20人;4 丁、戊类厂房,每层建筑面积不大于400m2,且同一时间的作业人数不超过30人;5 地下或半地下厂房(包括地下或半地下室),每层建筑面积不大于50m2,且同一时间的作业人数不超过15人。
3.7.3 地下或半地下厂房(包括地下或半地下室),当有多个防火分区相邻布置,并采用防火墙分隔时,每个防火分区可利用防火墙上通向相邻防火分区的甲级防火门作为第二安全出口,但每个防火分区必须至少有1个直通室外的独立安全出口。
3.7.4 厂房内任一点至最近安全出口的直线距离不应大于表3.7.4的规定。
表 3.7.5 厂房内任一点至最近安全出口的直线距离3.7.5 厂房内疏散楼梯、走道、门的各自总净宽度,应根据疏散人数按每 100 人的最小疏散净宽度不小于表 3.7.5 的规定计算确定。
但疏散楼梯的最小净宽度不宜小于1.10m,疏散走道的最小净宽度不宜小于 1.40 m,门的最小净宽度不宜小于 0.90m。
当每层疏散人数不相等时,疏散楼梯的总净宽度应分层计算,下层楼梯总净宽度应按该层及以上疏散人数最多一层的疏散人数计算。
表 3.7.5 厂房内疏散楼梯、走道和门的每 100 人最小疏散净宽度(m/百人)首的总净宽度应按该层及以上疏散人数最多一层的疏散人数计算,且该门的最小净宽度不应小于1.20m。
3.7.6 高层厂房和甲、乙、丙类多层厂房的疏散楼梯应采用封闭楼梯间或室外楼梯。
厂房安全疏散管理制度范本第一章总则第一条为了加强厂房安全疏散管理,确保火灾等紧急情况下人员迅速、有序、安全疏散,根据《中华人民共和国消防法》、《机关、团体、企业、事业单位消防安全管理规定》等法律法规,制定本制度。
第二条本制度适用于我国境内各类厂房的安全疏散管理,以及相关单位和个人的消防安全行为。
第三条厂房安全疏散管理应遵循安全第一、预防为主、综合治理的原则,实行单位负责、部门监管、员工参与的管理模式。
第二章安全疏散设施设置第四条厂房应根据建筑规模、生产工艺、员工数量等因素,合理设置安全出口、疏散通道、消防设施等,确保疏散通道畅通,满足人员迅速疏散的需要。
第五条厂房的安全出口应符合以下要求:1. 每个防火分区应设置至少2个安全出口,且安全出口的数量、宽度应满足人员疏散的需要。
2. 安全出口应设置在火灾风险较低、便于人员疏散的方向。
3. 安全出口的门应采用平开门,不得设置门槛,且应保证畅通无阻。
第六条厂房的疏散通道应符合以下要求:1. 疏散通道的宽度不应小于1.5米,通道内不得堆放杂物、设置障碍物。
2. 疏散通道的墙面、顶棚应采用不燃材料,地面应铺设防滑、耐磨的材料。
3. 疏散通道的指示标志应明显、清晰,便于人员识别和疏散。
第七条厂房应设置应急照明灯和疏散指示标志,确保在火灾等紧急情况下,人员能够顺利疏散。
第八条厂房应配置符合国家标准的消防设施,如灭火器、消防栓等,并保证其正常运行。
第三章安全疏散管理第九条厂房单位应设立消防安全组织,明确消防安全责任人和消防安全管理人员,负责安全疏散设施的日常管理、维护和检查。
第十条厂房单位应定期组织消防安全培训和演练,提高员工的消防安全意识和应急疏散能力。
第十一条厂房单位应加强安全疏散设施的检查和维护,确保其处于良好状态。
检查内容包括:1. 安全出口的设置、数量、宽度、门的开闭是否符合规定。
2. 疏散通道的宽度、畅通情况、指示标志是否明显清晰。
3. 应急照明灯和疏散指示标志的运行情况。
厂房安全疏散措施随着工业发展的迅猛,厂房作为生产的重要场所,安全问题备受关注。
疏散是厂房安全的核心环节之一,合理的疏散措施能够最大限度地保护员工的生命安全。
本文将从疏散路线规划、疏散标识设置和疏散演练三个方面,探讨厂房安全疏散措施的重要性和具体实施方法。
一、疏散路线规划疏散路线规划是厂房安全疏散措施的基础,它的合理性和清晰性对疏散效果起到至关重要的作用。
首先,根据厂房的具体情况,确定主要疏散通道和备用疏散通道,确保员工在紧急情况下能够快速、顺利地撤离现场。
其次,要对疏散通道进行标识和设置,确保员工能够明确疏散方向,避免混乱和阻塞。
此外,还应根据厂房的特点设置疏散出口的数量和位置,保证员工在疏散过程中不会出现拥挤和堵塞的情况。
二、疏散标识设置疏散标识的设置是为了让员工在紧急情况下能够迅速找到疏散通道和出口,提高疏散效率和安全性。
首先,要在厂房内部的重要位置和关键通道设置疏散标识牌,明确指示员工的疏散方向。
标识牌应具备醒目、易懂、耐用等特点,可以使用明亮的颜色和清晰的图案,避免使用过于复杂或模糊的标识。
其次,要定期检查和维护疏散标识,确保其完整性和可读性。
对于已损坏或模糊的标识,要及时更换或修复,以免影响员工的疏散判断和行动。
三、疏散演练疏散演练是检验和提高厂房安全疏散措施有效性的重要手段,通过定期组织演练,可以让员工熟悉疏散路线和应急程序,增强应对突发事件的能力。
首先,要制定详细的演练计划,包括时间、地点、参与人员和演练内容等。
演练内容可以包括模拟火灾、爆炸等紧急情况,让员工在真实场景中进行应急疏散。
其次,要进行全员参与的疏散演练,让每个员工都能够亲身体验疏散的过程,掌握正确的疏散技巧和自救方法。
演练过程中,要及时总结和反馈,发现问题并及时改进,提高疏散效果和员工的安全意识。
厂房安全疏散措施对于员工的生命安全至关重要。
通过合理的疏散路线规划、清晰的疏散标识设置和定期的疏散演练,可以最大限度地提高员工在紧急情况下的自救能力和疏散效率。
厂房百人疏散宽度指标在建筑设计中,厂房的疏散通道是一项至关重要的要求。
为了确保员工在紧急情况下的安全和迅速疏散,厂房的疏散通道必须满足一定的宽度指标。
本文将探讨厂房百人疏散宽度指标的重要性及其设计要求。
厂房百人疏散宽度指标是指在紧急情况下,厂房内每百人疏散所需的最小通道宽度。
这一指标的合理设置能够确保员工在紧急情况下的安全疏散,减少人员伤亡和财产损失。
根据相关规范和经验,厂房百人疏散宽度指标通常为2米至2.5米。
这一宽度可以容纳一百人同时通过,并保证他们的安全。
考虑到厂房内可能存在设备、物品和障碍物,通道宽度的设置还应综合考虑这些因素,确保疏散通道的畅通。
为了满足厂房百人疏散宽度指标,设计师需要在厂房平面布局中合理规划疏散通道。
首先,疏散通道应尽可能短,减少员工在紧急情况下的逃生时间。
其次,通道应设置在厂房的不同区域,以便员工能够快速找到最近的疏散通道。
此外,通道应沿着最短路径布置,并避免穿越危险区域或设备。
除了疏散通道的设置,还应合理设置通道的进出口。
通道的入口应宽敞明亮,以便员工能够迅速找到,并且不受阻碍。
出口应明显标识,标示出疏散通道的方向和距离。
应设置适当的疏散标志和指示灯,以提供紧急情况下的可见性和指导。
疏散通道的设计还应考虑到特殊人群的需求,如老年人、残疾人和孕妇。
对于这些人群,应设置无障碍通道,并考虑到他们的行动能力和需求。
在实际的厂房建设中,除了满足百人疏散宽度指标外,还应对人员密度进行合理控制。
在高峰时段或特殊情况下,人员密度可能会增加,从而影响疏散效率。
因此,厂房设计中应充分考虑到人员的数量和流动性,确保疏散通道的容量能够满足实际需求。
厂房百人疏散宽度指标是确保员工在紧急情况下安全疏散的重要要求。
合理设置疏散通道的宽度和布局,能够保障员工的生命安全和财产安全。
设计师应根据相关规范和经验,结合实际情况,合理规划厂房的疏散通道,以满足百人疏散宽度指标的要求。
同时,还应考虑到特殊人群的需求和人员密度的控制,确保疏散通道的有效性和安全性。
厂房的安全疏散
厂房的安全出口应分散布置。
每个防火分区或一个防火分区的每个楼层,其相邻2个安全出口最近边缘之间的水平距离不应小于5m。
厂房内每个防火分区或一个防火分区内的每个楼层,其安全出口的数量应经计算确定,且不应少于2个;当符合下列条件时,可设置1个安全出口:
1 甲类厂房,每层建筑面积不大于100m2,且同一时间的作业人数不超过5人;
2 乙类厂房,每层建筑面积不大于150m2,且同一时间的作业人数不超过10人;
3 丙类厂房,每层建筑面积不大于250m2,且同一时间的作业人数不超过20人;
4 丁、戊类厂房,每层建筑面积不大于400m2,且同一时间的作业人数不超过30人;
5 地下或半地下厂房(包括地下或半地下室),每层建筑面积不大于50m2,且同一时间的作业人数不超过15人。
地下或半地下厂房(包括地下或半地下室),当有多个防火分区相邻布置,并采用防火墙分隔时,每个防火分区可利用防火墙上通向相邻防火分区的甲级防火门作为第二安全出口,但每个防火分区必须至少有1个直通室外的独立安全出口。
厂房内任一点至最近安全出口的直线距离不应大于表的规定。
表厂房内任一点至最近安全出口的直线距离
厂房内疏散楼梯、走道、门的各自总净宽度,应根据疏散人数按每 100 人的最小疏散净宽度不小于表的规定计算确定。
但疏散楼梯的最小净宽度不宜小于,疏散走道的最小净宽度不宜小于 m,门的最小净宽度不宜小于。
当每层疏散人数不相等时,疏散楼梯的总净宽度应分层计算,下层楼梯总净宽度应按该层及以上疏散人数最多一层的疏散人数计算。
表厂房内疏散楼梯、走道和门的每 100 人最小疏散净宽度(m/百人)
首
的总净宽度应按该层及以上疏散人数最多一层的疏散人数计算,且该门的最小净宽度不应小于。
高层厂房和甲、乙、丙类多层厂房的疏散楼梯应采用封闭楼梯间或室外楼梯。
建筑高度大于 32m 且任一层人数超过 10 人的厂房,应采用防烟楼梯间或室外楼梯。
仓库的安全疏散
仓库的安全出口应分散布置。
每个防火分区或一个防火分区的每个楼层,其相邻 2 个安全出口最近边缘之间的水平距离不应小于 5m。
每座仓库的安全出口不应少于 2 个,当一座仓库的占地面积不大于 300m 时,可
设置 1 个安全出口。
仓库内每个防火分区通向疏散走道、楼梯或室外的出口不宜少于 2 个,当防火分区的建筑面积不大于 100 m 时,可设置 1 个出口。
通向疏散走道或楼梯的门应为乙级防火门。
地下或半地下仓库(包括地下或半地下室)的安全出口不应少于 2 个;当建筑面积不大于 100m 时,可设置 1 个安全出口。
地下或半地下仓库(包括地下或半地下室),
当有多个防火分区相邻布置并采用防火墙分隔时,每个防火分区可利用防火墙上通向相邻防火分区的甲级防火门作为第二安全出口,但每个防火分区必须至少有 1 个直通室外的安全出口。
2
冷库、粮食筒仓、金库的安全疏散设计应分别符合现行国家标准《冷库设计规范》GB 50072 和《粮食钢板筒仓设计规范》GB 50322 等标准的规定。
粮食筒仓上层面积小于 1000m ,且作业人数不超过 2 人时,可设置 1 个安全出口。
仓库、筒仓中符合本规范第条规定的室外金属梯,可作为疏散楼梯,但筒仓室外
楼梯平台的耐火极限不应低于。
高层仓库的疏散楼梯应采用封闭楼梯间。
除一、二级耐火等级的多层戊类仓库外,其他仓库内供垂直运输物品的提升设施宜
设置在仓库外,确需设置在仓库内时,应设置在井壁的耐火极限不低于的井筒内。
室内外提升设施通向仓库的入口应设置乙级防火门或符合本规范第条规定的防火卷帘。