空气等离子切割机保养与维护
- 格式:doc
- 大小:29.50 KB
- 文档页数:3
等离子切割机安全操作及注意事项范文等离子切割机是一种广泛应用于金属加工行业的机械设备,它利用高温的等离子气体将金属材料进行切割。
虽然等离子切割机可以提高工作效率,但在使用过程中需要特别注意安全操作。
下面将介绍等离子切割机的安全操作及注意事项。
一、机器使用前的准备工作1. 确保机器的工作环境安全,周围没有易燃、易爆物品,并保持通风良好。
2. 检查机器及相关设备的连接部分,确保接头良好、无松动。
3. 检查机器的电源线松紧情况,确保电源线接触良好且不损坏。
4. 检查等离子切割机上的管路系统,确保气源充足且无泄漏现象。
二、机器操作中的安全注意事项1. 在操作等离子切割机之前,必须佩戴相关安全防护装备,如耳塞、防护眼镜、手套等,以保护自身安全。
2. 操作时必须保持专注,并遵循操作规范,不得随意更改机器设置或越过安全防护装置。
3. 在操作过程中,绝对禁止接触等离子切割机的切割区域,以免发生意外伤害。
4. 在机器工作状态下,不得擅自离开工作岗位,必要时应停止机器运行,并确保机器及切割区域的安全后方可离开。
5. 切割时应确保金属材料牢固固定在工作平台上,防止材料滑动或倾倒造成伤害。
6. 确保机器的切割区域周围没有其他人员,以避免切割时造成他人伤害。
7. 在切割过程中,应定期检查等离子气体供应管路是否正常,以确保气源畅通且无泄漏。
8. 当机器发生异常情况,如异响、烟雾、火花等,应立即关闭机器,并通知维修人员来检修。
9. 操作结束后,应关闭机器的电源,并保持机器及周围清洁整洁,消除安全隐患。
三、机器的维护与保养1. 定期对机器进行检查维护,包括清洗、润滑、紧固等,以保证机器的正常运转。
2. 需要定期更换切割头等易损件,以保持机器的切割效果和安全性。
3. 对机器的电气元件进行定期检查,确保电路安全可靠,防止电源线老化、短路等故障。
通过遵守以上安全操作及注意事项,可以有效降低等离子切割机使用过程中发生事故的概率,保障人身安全和设备的正常运行。
外接附件:等离子切割机检查
等离子切割机:等离子切割机要正常工作,不只是主机电源,外接附近是工作的必要附件,如:空压机,油水分离器,割枪附件。
1.空压机:空压机供气不足会导致切割不透,割嘴消耗过快。
空压机自身水气太多,如油水分离器损坏不能过滤,水气会顺气管流到枪头,导致烧枪嘴,费割嘴,电极,严重火烧坏枪头。
2.油水分离器:空压机与切割主机之间的过滤空气原件起到过滤,调节气压的作用。
气压调节过大,会不好起弧,过小会费割嘴,一般我们的设备的油水分离器调节在0.35-0.4Mpa之间比较合适。
3.气管:一般空压机自身气体压力大,会导致气管破裂直接冲破跑气。
4.割枪:气压电源一切正常的情况下,按枪开关无反应。
检查枪开关和开关控制联系到主机航空插头之间是否断线或者枪开关自身损坏。
方法是:拔掉开关航空插头,LGK8为1.4插孔,LGK为两芯插头,直接短路,直接正常则开关线坏:再这检查等离子枪头电极,导电咀,分配器安装是否正确,型号是否相符。
最常见是气体分配器装错导致不起弧(枪头的气体分配器有正反方向)。
注:上海通用100以上的等离子切割机内部有气压开关,如气压调节过小会导致主机不正常工作。
等离子切割机维护保养
一、润滑点表
每3~6个月进行一次如下检查:
1、导轨直线度,水平度及导轨外观检查
2、机架导向轮是否夹紧
3、钢带松紧是否良好,有无损坏
4、割炬内是否运行正常,有无异声,在齿条或螺杆上润滑油或油脂。
5、用煤油清洗齿条和齿轮。
6、请检查电源的输入输出电缆连接部位的紧固螺栓是否松弛,是否生锈导致接触
不良,绝缘方面是否没有问题。
7、为了防止有可燃气体泄漏,应每6个月检查气体密封性。
二、数控柜及电气柜的保养
1、日常使用时要将电气柜门关好。
2、每三个月对各电柜进行一次吹灰清洁,清洁时关闭电源,用干燥的无油的洁净的空气小压力吹。
3、数控电脑机箱洁清时请将后门打开,用微风吹除灰尘,清洁后将后盖恢复。
4、每半年检查各主要电缆连接处是否有松动,如有则加以紧固。
三、电源系统保养
1、每三个月关闭电源,打开等离子发生器外罩进行吹灰清洁工作。
2、每三个月检查一次冷却液过滤器并清洁,如果不能继续
使用就更换。
3、每三个月进行一次冷却泵过滤器清洁。
4、每半年进行一次冷却系统的清洗并更换新的冷却液。
5、每半年进行一次冷却系统流量测试。
如果流量太低会出现FS报警,如果检查冷却液液位正常,流量计正常,冷却管路正常,则有可能泵问题,可进行此测试来确定泵是否有问题。
目录1.介绍31.1目的31.2适用范围31.3法律、法规及相关要求31.4定义和缩略语31.5意见反馈32.职责33.操作规程43.1基本要求43.2开机前的检查43.3开机43.4停机54.维护保养54.1日保54.2周保54.3月保54.4季保64.5半年保65.相关文件66.记录67.附件71. 介绍1.1 目的为了规范空气等离子切割焊机的操作与维护,确保使用过程中人员、设备的安全以及焊接件的质量,特制定本工作文件。
1.2 适用范围适用于塘沽石油工具基地空气等离子切割焊机的操作与维护。
1.3 法律、法规及相关要求《特种设备注册登记与使用管理规则》,2001年4月9日《中央企业安全生产禁令(国资委令24号)》,2011年1月5日《特种作业人员安全技术培训考核管理规定》,2010年7月1日《劳动防护用品配备标准(试行)》,2000年1月1日1.4 定义和缩略语无1.5 意见反馈钻井事业部鼓励文件使用者反馈有关本文件的意见和建议,使本文件能够得到持续的改进和更新。
相关意见和建议可以直接反馈给文件所有人或文件责任人。
2. 职责1)钻具检测中心主任负责本安全操作规程的监督实施;2)设备主管负责监督检查设备的日常管理工作,随时掌握设备的技术状况,建立技术档案;3)电气工程师:a)设备出现故障时,组织检修,保证设备的正常运转;b)负责监督检查设备周、月、季、半年、年保养情况,督促设备操作人员和电工及时、认真做好设备保养工作,各种保养工作按照PMS保养指令卡完成后,在保养指令卡上签字确认。
4)班组长负责本班组管辖设备的管理工作,安排员工对设备的维保工作,使设备处于完好状态;5)操作者:a)负责按本安全操作规程使用设备;b)负责对空气等离子切割焊机的维护及一般保养工作;c)认真、及时、准确填写设备运转、维修、保养记录。
3. 操作规程3.1 基本要求1)操作人员必须持证上岗,无证人员严禁操作;2)操作人员必须了解切割焊机的性能、工作原理,懂得操作方法和安全及技术的使用要求;3)穿戴好劳动保护用品,按基地《个人安全防护管理》L3.3-TGSYGJ-HSE-P/002执行;4)切割焊机禁止在有压力、带电、装有易燃易爆物质的管道、容器和设备中进行作业。
等离子切割机维护保养内容等离子切割机是一种常用于金属加工的设备,它能够通过产生高温等离子弧来实现对金属材料的切割。
为了保证切割机的正常运行和延长其使用寿命,对其进行定期的维护保养是非常重要的。
本文将从清洁、润滑、检查和调整等方面介绍等离子切割机的维护保养内容。
一、清洁清洁是维护切割机的基本步骤,可以有效防止灰尘、油污等杂质对设备的损害。
在清洁过程中,首先要断开电源,并确保设备已经冷却。
然后用软布蘸取清洁剂,擦拭切割机的外壳、操作面板和导轨等部位,注意不要使用带有酸碱性的清洁剂,以免损坏设备表面。
另外,还要定期清理设备内部的积尘和杂物,保持通风良好。
二、润滑润滑是维护切割机的关键环节,它能够减少设备的磨损和摩擦,保证设备正常运行。
在润滑过程中,需要注意以下几点:首先,选择适合的润滑油,一般建议使用高温润滑油,以确保在高温环境下仍能正常润滑。
其次,在润滑之前,要清洁润滑部位的杂质,以免影响润滑效果。
最后,润滑油的添加量应适量,过多过少都会对设备造成不利影响。
三、检查定期检查切割机的各项指标和部件的工作状态,能够及时发现问题并采取相应措施。
具体的检查内容包括:1.检查切割机的电源线和接地线是否完好,以及各个电气设备的工作是否正常。
2.检查切割机的气源供应是否畅通,压力是否稳定。
3.检查等离子弧压力调节器和等离子弧电流调节器的工作状态,确保其正常工作。
4.检查导轨、滑块和传动装置等部件的磨损情况,及时更换磨损严重的部件,以免影响切割精度。
5.检查各个传感器和控制器的连接是否良好,确保其工作正常。
四、调整切割机在长时间使用后,由于各种因素的影响,可能会导致设备的工作不稳定,此时需要进行相应的调整。
具体的调整内容包括:1.调整等离子弧压力和电流的参数,以达到最佳的切割效果。
2.调整切割速度和进给速度,以适应不同材料的切割需求。
3.调整切割头和工作台之间的间隙,以确保切割质量。
维护保养是保证等离子切割机正常运行的重要环节,只有定期进行清洁、润滑、检查和调整等工作,才能保证切割机的稳定性和切割精度。
海宝125空气等离子切割机操作规程1. 本机必须培训后,专人操作,操作人员必须戴好防护面罩、电焊手套、帽子、滤膜防尘口罩和隔音耳罩。
不戴防护镜的人员严禁直接观察等离子弧,裸露的皮肤严禁接近等离子弧。
切勿手持工件,手不能进入切割路径;切勿将割炬朝向自己或他人。
2. 检查并确认电源、气源、无漏电、漏气,接零安全可靠。
气源必须使用清洁的干燥、无油压缩空气,严禁使用未经过滤水份、油气的活塞式空压机产生的压缩空气。
3. 主机周围至少有0.25m的空间,保证通风;不得在雨雪中使用;为防止主机翻到,切勿将主机放在倾斜度超过10度的斜面上。
4. 开机前检查气压和割把不得漏气,应根据工件材质和厚度,按照使用切割表调整切割电流和气体压力。
5. 割嘴和电极根据使用情况和切割工件质量进行更换,更换时割嘴和电极必须同时更换。
6. 发现异常立即停机通知电工维修。
7. 切割时务必让火花从工件下方散落;沿着工件轻轻拖动割嘴,保持切割稳定;如果火花从工件上方喷散,应放慢割炬的移动速度,或将输出电流升高;使用手持割炬时最好让割炬喷嘴垂直于工件,使喷嘴与切割表面的角度为90°在切割过程中观察切割电弧。
8. 从工件边缘开始切割时,先用接地夹夹住工件,使割炬喷嘴垂直于工件边缘;按下割炬的触发器,启动电弧。
在工件边缘停留片刻,直至电弧完全割透工件;沿工件轻轻拖动割嘴,继续切割,保持稳定、均匀的速度。
9. 对工件进行穿孔时,用接地夹夹住工件,使割炬与工件约呈30°角,将割嘴与工件的距离保持在1.5mm以内,然后启动割炬;在割炬与工件仍保持一定角度时启动割炬,缓慢转动割炬,达到垂直位置;使割炬位置不变,同时继续按下触发器。
当火花从工件下方散落时,电弧就穿透了材料;完成穿孔后,可沿工件表面轻轻拖动喷嘴,继续进行切割。
10. 严禁在设备通电的状态下用手试验割嘴是否出气。
对承压状态的压力容器及管道、带电设备、承载结构的受力部位和装有易燃、易爆物品的容器严禁进行切割。
枣庄市鲁源电器设备有限公司LYDQ/SB-11-A空气等离子切割机操作维护规程1 范围本规程规定了空气等离子切割机的正确使用方法及维护要求。
本规程适用于空气等离子切割机。
2操作前准备a)将切割机的电路和气路接好并检查一下:切割机的放置、按装、操作者的防护是否符合要求。
b)切割机的顺序将瓷咀、气筛、电极一次装入切割炬,再拧紧(拧紧的力量不要太大,以在使用中不松动为准)注意:每次每次更换或检查喷咀电极时必须将电源开关旋至“关机”位置。
c)将空气压缩机启动,当空气压力升至0.5Mpa以上时,打开空气压缩机出气节门,然后把切割机的电源开头旋至“关机”的位置,把试气开头拨至“试气”位置,这时有气从割炬喷出,此该将切割机后的减压阀压力调至0.36-0.4Mpa(一般出厂前已调好)再把试气开关拨至“切割”位置。
d)将切割地线卡在被切工作上。
3操作阶段a)手持割炬与工件接触的力比用笔写字的力稍大些即可。
b)切割速度与板材厚度有关系,一般薄板速度快些,厚板速度慢些,根据切透情况调节速度。
c)若在2.5mm以上板上切割或掏孔(即不是边缘)应先用φ2mm 以上的钻头在切割线边上打个孔,然后以此孔为起点进行切切割。
d)当切割机停止应先松开割炬开关,再将割炬离开工作。
3.1 操作后整理a)将切割机的电源开关旋至“关机”位置。
b)将空气压缩机出气节门关闭。
c)将切割机、空气压缩机的电源闸切断。
d)将切割电缆切割地线盘好。
4操作后整理及维护a)切割机应保持清洁,定期用压缩空气对切割机内部粉尘进行清理。
注意:切断电源。
b)定期检查切机内部的紧固螺丝、引线接头有无松动,发现隐患即时排除。
c)定期检查气路各接头的密封情况,如有泄露即时修理。
d)风机应每半年加一次润滑油。
e)定期检查切割机的内外部接地情况和主变压器一次端与地线的绝缘电阻。
f)切割机累计工作出——10小时须将减压过滤器的油、水排放一次。
g)切割机在运输或推行中应防止振动。
空气等离子切割机安全操作规程空气等离子切割机是一种高能量和高温的工具。
如果不正确使用,不仅可能会导致严重的人身伤害和财产损失,也会对周围环境产生严重的影响。
因此,为了保证个人安全以及设备的可靠运行,我们需要了解和遵守以下空气等离子切割机的安全操作规程。
前置准备在使用空气等离子切割机之前,应该做好以下前置准备:1.了解设备的工作原理和操作方法。
在熟练掌握所有操作方法之前,不要轻易尝试操作空气等离子切割机。
2.穿戴适当的安全装备。
至少要戴好防护手套和护目镜。
3.确保切割区域周围没有易燃物质和易爆物质。
4.检查设备是否正常工作并处于安全状态。
5.准备好所需的切割工具和耗材。
6.确保设备上的所有保护设施和安全锁都已解除。
操作步骤在进行切割时,必须遵循以下安全操作规程:1. 安放设备将空气等离子切割机放置在平稳的表面上。
确保设备的周围没有任何绊脚的杂物,以免操作时出现危险。
2. 连接电源插好设备的电源线,并将其插入合适的电源插座。
确保电源线完好无损。
3. 启动设备启动设备前,应该检查设备的所有控件和警告灯是否正常。
然后按下启动按键,等待设备完全启动。
4. 调整切割参数在正式操作之前,必须对切割参数进行合理的设置。
这些参数包括切割速度、电流强度和气体流量等。
不同的工件需要不同的切割参数,因此必须在切割前根据工件类型进行合理的设置。
5. 进行切割在开始切割之前,应该先将切割头调整到正确的位置。
然后,轻轻地触碰工件以确保切割头已经正确接触目标物。
在切割时,必须保持注意力集中,避免将切割头靠近身体或其他物体,以免发生意外。
应该保持一定的距离,以便观察切割过程。
6. 切割完毕后在切割完毕后,必须关闭设备并将其从电源插座中拔出。
在设备冷却之前,不要进行任何拆卸或清理工作。
等待设备完全冷却之后,再进行维护和清理。
安全注意事项在操作空气等离子切割机时,需要注意以下事项:1.不要在易燃或易爆区域使用切割机。
2.不要超出设备的额定工作时间和额定功率范围。
等离子切割机的保养等离子切割机是一种常用的工业切割设备,它可以通过将气体引入电弧中使其被加热并离子化,从而产生等离子体,利用等离子体的高温高速来切割金属、合金等材料。
然而,长期使用等离子切割机可能会导致设备磨损和故障,我们需要对设备进行定期维护保养,本文将为您详细介绍等离子切割机的保养方法。
1. 定期清洁在使用等离子切割机前,需要对设备进行彻底的清洁。
使用软布或刷子清洁切割机表面以及内部组件,清洁时需要注意不要使用砂纸或钢刷等有损金属表面的工具,以避免损坏设备表面。
2. 更换磨损部件等离子切割机的磨损部件主要包括钬极、陶瓷嘴、散热器等部件,这些部件在长时间的运作中会逐渐磨损,如果不及时更换,可能会导致设备短路甚至损坏。
因此,我们需要定期检查这些磨损部件并进行更换。
3. 调整和保养气体供应系统等离子切割机的气体供应系统是切割过程中不可或缺的一部分,因此保养这一系统对于设备的寿命和效率非常重要。
我们需要定期对气体供应系统进行检查并清洁,同时注意维护气体压力和流量等参数,这样可以保证设备始终处于最佳工作状态。
4. 检修控制系统等离子切割机的控制系统是设备顺利运行的关键之一,定期检查和维护控制系统可以避免故障发生。
我们需要检查各个控制按钮的灵敏度和正常性,检查控制系统中各个电子元器件和电线的接触情况,以确保设备顺利运行。
5. 保养电源系统等离子切割机的电源系统是设备能够正常工作的基础,因此对电源系统的保养尤为重要。
我们需要关注电源系统正常工作的电压和电流等参数,注意检查设备的电源线和插头是否处于良好状态,确保电源系统和设备整体运作良好。
维护好等离子切割机能够延长设备的使用寿命,提高设备的效率,同时还可以减少故障和事故发生的可能性,保证工人们的安全。
因此,定期对设备进行保养和维修是非常必要的,希望本文提供的方法能够对您有所帮助。
如何保养精创数控等离子切割机
等离子切割机的保养按阶段可分为每日的维护和保养、每周的维护和保养和每季度的维护和保养。
一、每日的维护保养:
1、使用完等离子切割机后,要及时打扫切割机机床内的污垢,保持切割机的干净,还要及时关闭电源。
2、使用使用切割机时,需要工作员在旁查看,如果有事需要离开的时间过长,最好切断切割机的电源。
3、要每日观察等离子切割机的轨线和齿条是不是润滑,如果不够润滑,要及时补充润滑油。
二、每周的维护保养:
1、最好每周一次全面清理等离子切割机,同时添加润滑油。
2、检查等离子切割器的擦轨器有无故障,如果发现擦轨器有的地方磨损了,需要及时进行更换。
3、检查等离子切割机的割炬有没有出现松动,要及时保持枪口周围的干净,保证要能点上火。
4、切割机如果有随意调高低的装置,要检查其探头是否正常。
三、每季度的维护保养:
1、检查等离子切割机的进气口是否有顺通,阀门不能影响工作。
2、检查气管接头和传动部分有没有松动,有必要的话进行加固、调整或者更换。
3、松开切割机的松紧装置,看能否自如的用手把滑车推开,如果遇到故障要及时修理。
4、总之,全面检查等离子切割机的各个部件,看每个部件能否正常工作,如果不能,则调整的调整,更换的更换。
空气等离子切割机操作规程空气等离子切割机是一种常见的切割设备,广泛应用于金属加工行业。
为了确保操作安全和切割效果,以下是使用空气等离子切割机的操作规程。
一、准备工作1. 检查设备及附件完好,并确保所有连接紧固可靠。
2. 安放好工作台,确保工作台平稳并有足够的支撑力。
3. 检查切割机周围环境,确保空气流通,并清除杂物和易燃物。
二、安全操作1. 佩戴适当的个人防护装备,包括护目镜、防护手套、耳塞等。
2. 切勿将手插入切割机工作区域,以免造成意外伤害。
3. 禁止在电源未关闭或插头未拔掉的情况下进行任何维护和调试。
4. 在使用切割机前,将附件安装好,并确保附件切割面锐利和正常工作。
三、切割准备1. 打开切割机电源,并将气体开关打开,确保切割区域有足够的气体供应。
2. 调整切割机电流和电压适合当前切割需求,一般来说,切割铁材需要较高的电流和电压。
3. 调整切割模式,包括切割长度、切割速度和距离等参数,以获得最佳的切割效果。
4. 检查并确认切割区域没有易燃物、易爆物或其他危险物品。
四、切割操作1. 将待切割的金属材料放在工作台上,并使用夹具或磁吸装置固定好。
2. 按下电源开关,等待设备启动并进入正常工作状态。
3. 将切割火花引导到目标位置,在切割区域进行准确而稳定的运动。
4. 切割完成后,松开电源开关,等待设备停止运转。
5. 关闭切割机电源,关闭气体开关,并等待设备冷却后再进行维护和清洁。
五、维护与保养1. 每次使用后,清理切割机和附件,去除切割渣滓和灰尘。
2. 定期检查并更换切割机切割头、电极和气嘴等易损件。
3. 定期检查切割机的电源线、气管和连接件,确保其完好无损。
4. 不得随意拆卸切割机内部零部件,如需维修,应由专业人员操作。
六、注意事项1. 切割机在工作时会产生噪音和飞溅的火花和碎屑,请注意周围的安全。
2. 在操作过程中,不得擅自调整电流和电压,以免引起设备故障或损坏。
3. 切割机工作时会产生高温,切勿触摸切割头和金属材料,以免烫伤。
等离子切割机日常保养
1.正确地装配割炬
正确、仔细地安装割炬,确保所有零件配合良好,确保气体及冷却气流通。
安装将所有的部件放在干净的绒布上,避免脏物粘到部件上。
在O型环上加适当的润滑油,以O型环变亮为准,不可多加。
2.消耗件在完全损坏前要及时更换
消耗件不要用完全损坏后再更换,因为严重磨损的电极、喷咀和涡流环将产生不可控制的等离子弧,极易造成割炬的严重损坏。
所以当第一次发现切割质量下降时,就应该及时检查消耗件。
3.清洗割炬的连接螺纹
在更换消耗件或日常维修检查时,一定要保证割炬内、外螺纹清洁,如有必要,应清洗或修复连接螺纹。
4.清洗电极和喷咀的接触面
在很多割炬中,喷咀和电极的接触面是带电的接触面,如果这些接触面有脏物,割炬则不能正常工作,应使用过氧化氢类清洗剂清洗。
5.每天检查气体和冷却气
每天检查气体和冷却气流的流动和压力,如果发现流动不充分或有泄漏,应立即停机排队故障。
6.避免割炬碰撞损坏
为了避免割炬碰撞损坏,应该正确地编程避免系统超限行走,安装防撞装置能有效地避免碰撞时割炬的损坏。
7.最常见的割炬损坏原因
(1)割炬碰撞。
(2)由于消耗件损坏造成破坏性的等离子弧。
(3)脏物引起的破坏性等离子弧。
(4)松动的零部件引起的破坏性等离子弧。
8.注意事项
(1)不要在割炬上涂油脂。
(2)不要过度使用O形环的润滑剂。
(3)在保护套还留在割炬上时不要喷防溅化学剂。
(4)不要拿手动割炬当榔头使用。
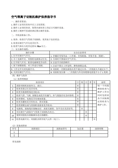
空气等离子切割机保养与维护
一. 安全操作:
1. 数控切割机是一种精密的设备,所以对切割机的操作必须做到三定(定人、定机、定岗)
2. 操作者必须经过专业培训且能熟练操作的,非专业者勿动。
3. 在操作前必须确认无外界干扰,一切正常后,把所切割的板材吊放在切割平台上,板材不能超过切割范围(注意:在吊装时要小心)。
二. 日常维护和保养:
1. 每个工作日必须清理机床及导轨的污垢,使床身保持清洁,下班时关闭气源及电源,同时排空机床管带里的余气。
2. 如果离开机器时间较长则要关闭电源,以防非专业者操作。
3. 注意观察机器横、纵向导轨和齿条表面有无润滑油,使之保持润滑良好!
三. 每周的维护与保养:
1. 每周要对机器进行全面的清理,横、纵向的导轨、传动齿轮齿条的清洗,加注润滑油。
2. 检查横纵向的擦轨器是否正常工作,如不正常及时更换。
3. 检查所有割炬是否松动,清理点火枪口的垃圾,使点火保持正常。
4. 如有自动调高装置,检测是否灵敏、是否要更换探头。
四.月与季度的维修保养:
1. 检查总进气口有无垃圾,各个阀门及压力表是否工作正常。
2. 检查所有气管接头是否松动,所有管带有无破损。
必要时紧固或更换。
3. 检查所有传动部分有无松动,检查齿轮与齿条啮合的情况,必要时作以调整。
4. 松开加紧装置,用手推动滑车,是否来去自如,如有异常情况及时调整或更换。
5. 检查夹紧块、钢带及导向轮有无松动、钢带松紧状况,必要时调整。
6. 检查强电柜及操作平台,各紧固螺钉是否松动,用吸尘器或吹风机清理柜内灰尘。
检查接线头是否松动(详情参照电气说明书)
7. 检查所有按钮和选择开关的性能,损坏的更换,最后画综合检测图形检测机器的精度。
等离子割炬的保养
1. 正确地装配割炬
正确、仔细地安装割炬,确保所有零件配合良好,确保气体及冷却气流通。
安装将所有的部件放在干净的绒布上,避免脏物粘到部件上。
在O型环上加适当的润滑油,以O
型环变亮为准,不可多加。
2.消耗件在完全损坏前要及时更换
消耗件不要用完全损坏后再更换,因为严重磨损的电极、喷咀和涡流环将产生不可控制的等离子弧,极易造成割炬的严重损坏。
所以当第一次发现切割质量下降时,就应该及时检查消耗件。
3.清洗割炬的连接螺纹
在更换消耗件或日常维修检查时,一定要保证割炬内、外螺纹清洁,如有必要,应清洗或修复连接螺纹。
4.清洗电极和喷咀的接触面
在很多割炬中,喷咀和电极的接触面是带电的接触面,如果这些接触面有脏物,割炬则不能正常工作,应使用过氧化氢类清洗剂清洗。
5.每天检查气体和冷却气
每天检查气体和冷却气流的流动和压力,如果发现流动不充分或有泄漏,应立即停机排队故障。
6.避免割炬碰撞损坏
为了避免割炬碰撞损坏,应该正确地编程避免系统超限行走,安装防撞装置能有效地避免碰撞时割炬的损坏。
7.最常见的割炬损坏原因
(1)割炬碰撞。
(2)由于消耗件损坏造成破坏性的等离子弧。
(3)脏物引起的破坏性等离子弧。
(4)松动的零部件引起的破坏性等离子弧。
8.注意事项
(1)不要在割炬上涂油脂。
(2)不要过度使用O形环的润滑剂。
(3)在保护套还留在割炬上时不要喷防溅化学剂。
(4)不要拿手动割炬当榔头使用。
如何延长消耗件的使用寿命
1. 保证等离子正确的气压和流动
等离子体正确的气压和流动对消耗件的使用寿命非常重要。
如果气压太高,电极的寿命就会大大减少;气压太低,喷嘴的寿命就会受到影响。
2. 采用合理的割距
按照使用说明书的要求,采用合理的切距,切距即切割喷嘴与工件表面的距离,当穿孔时,尽量采用正常切距的2倍距离或采用等离子弧所能传递的最大高度。
3. 穿孔厚度应在机器系统的允许范围内
切割机不能在超过工作厚度的钢板上穿孔,通常的穿孔厚度为正常切割厚度的
1/2
4. 喷嘴不要过载使用
让喷嘴过载(即超过喷嘴的工作电流),将使喷嘴很快损坏。
电流强度应为喷嘴的工作电流的95%为宜。
例如:100A的喷嘴的电流强度应设定为95A。
5. 保持等离子气体的干燥和洁净
等离子系统需要干燥和洁净的等离子气体才能正常工作,脏污的气体通常是气体压缩系统的问题,它会缩短消耗件的使用寿命,造成非正常损坏。
测试气体质量的方法是将割炬设在测试状态,在其下方放一面镜子,消耗割炬内的气体,如果在镜子上出现水气和雾状物,则需要查明原因并改正。
6. 切割应从边缘开始
尽可能从边缘开始切割,而不要穿孔切割。
采用边缘作为起始点会延长消耗件的寿命,正确的方法是将喷嘴直接对准工件边缘后再启动等离子弧。
7. 避免等离子弧拉长扩展
如果等离子弧只有拉长扩展才能接触到工件表面,等离子弧在切割开始和结束时均会产生这种拉伸和扩展,这将造成喷嘴非正常的损坏。
如果采用正确的边缘起点技巧,选用合适的“断弧”信号时间,这个问题就能避免。
8. 减少不必要的“起弧(或导弧)时间
起弧时喷嘴和电极的消耗都非常快,在开始前,应将割炬放在切割金属行走距离内。
9. 在保护壳上涂抹防溅化学涂料
防溅化学涂料有助于减少熔渣堆积在保护壳上。
但一定要将保护壳从割炬上取下后才能涂防溅涂料。
10. 清除保护壳上的熔渣
应经常清除在割炬保护壳上的熔渣,否则这种熔渣将引起有破坏性的重等离子弧。
11. 更换消耗件后清除气体
在更换消耗件或较长时间的停机后,应清除气体(2-3分钟为宜),以保证将水和雾气从割炬中排出。
12. 尽量保持割炬和消耗件清洁
在割炬和消耗件上的任何脏物都会极大地影响等离子系统的功能。
更换消耗件时要将其放在干净的绒布上,要经常检查割炬的连接罗纹,用过氧化氢类清洁剂清洗电极接触面和喷嘴。
13. 清除空气或氧气喷嘴上的氧化物
当选用空气或氧气等离子时,喷嘴内会沉积氧化物,这种氧化物会影响气流和减少消耗件的寿命。
用干净的绒布擦喷嘴内侧的可消除氧化物。
14. 采用软化水注入割炬
硬水会造成喷嘴环上沉淀金属杂质,这将影响气流流动,降低割炬质量并缩短消耗件寿命。
15. 每天检查气流和冷却流
最常见的割炬损坏的原因之一是缺少冷却流,需要经常检查至割炬的气流和气压(如是气冷)或冷却液(如是水冷),如果发现气流不够或泄露时,应立即停机排除故障。