砂浆配合比通知单(M7.5)
- 格式:doc
- 大小:556.00 KB
- 文档页数:44
砂浆的配合比严格地说,与使用的砂粒径、含水率、水泥的实际强度及施工水平有很大的关系。
假定:水泥32.5级(实际强度37.5),使用的是中砂,砂子的含水率是1.5%,施工水平:一般,配制强度8.71MPa.每立方米M7.5水泥砂浆的配合比是(重量比):水泥:砂=1.5.51
注意事项
水泥砂浆在使用时,还要经常掺入一些添加剂如微沫剂、防水粉等,以改善它的和易性与粘稠度。
水泥砂浆里按比例加入石子,就成为混凝土。
水泥砂浆标号强度的意思是指对按标准方法制作和养护的7.07CMX7.07CMX7.07CM的正立方体试件,在28d龄期,用标准试验方法测得的抗压强度总体分布中的一个值。
100号水泥砂浆是指它的强度是100Kg/cm2,全部改成以MPa为单位了,100号对应于M10。
配合比根据原材料不同、砂浆用途不同而不同,以常用的42.5普通硅酸盐水泥、中砂配100(M10)砌筑砂浆为例:每立方米砂浆配比为水泥305kg:砂1.10m3:水183kg。
砂浆试配时各材料的用量比例:水泥∶砂=275∶1450=1∶6.3,参考用水量310~330。
条件:用于砌筑沟井的水泥砂浆,强度为M7.5,稠度30~50mm。
原材料的主要参数,水泥:32.5级水泥;中砂,堆积密度为1541kg/m3;施工水平:一般。
选取水泥用量260kg/m3,砂子用量QS=1541kg/m3,水量为280kg/m3
水泥砂浆及预拌砌筑砂浆强度等级可分为M5、M7.5、M10、M15、M20、M25、M30水泥混合砂浆的强度等级可分为M5、M7.5、M10、M15。
其各砂浆等级配合比如下表所示:。
M7.5砂浆配合比计算书1、施工说明本配合比用于砌筑工程。
因施工工艺的需要,砂浆稠度取30~50 mm。
2、设计依据《砌筑砂浆配合比设计规程》JGJ/T98—20103、原材料情况(1)机制砂:II区中砂,生产地:百合砂场(2)水泥:邵阳南方PC32.54、计算初步配合比(1)确定砂浆试配强度设计强度:fuc,k=7.5Mpa,标准差取a=2.25Mpa则砂浆的试配强度: fcu,0=7.5+0.645×2.25=9.0Mpa(2) 计算每立方砂浆中的水泥用量无法取得水泥强度实测值时:fce=32.5×1.0=32.5砂浆的特征系数a=3.03 b=-15.09则:QC=1000(fm0-b)/a fce=1000×(9.0+15.09)/(3.03×32.5)=245kg根据现在施工条件,水泥取值290kg(3) 确定每立方砂浆砂用量每立方砂浆中的砂用量根据砂的自然堆积密度做为参考值,选为:Qc=1663kg (4)选定每立方米砂浆用水量:每立方米砂浆中的用水量根据砂浆稠度等要求选用250kg5、砂浆配合比试配A根据初步配合比进行试配,测锝其稠度为35 mm符合设计要求,且和易性、粘聚性、保水性均符合要求。
由此定出基准配合比A组:Qc:Qs:Qw=290:1663:250=1:5.73:0.86B、在基准配合比A组的基础上水泥用量增加10%,得配合比B组为:Qc:Qs:Qw=319:1663:250=1:5.21:0.78C、在基准配合比A组的基础上水泥用量减少10%,得配合比C组为:Qc:Qs:Qw=261:1663:250=1:6.37:0.966、成果请详见配合比试验列表:根据经济合理的原则,选定A组作为M7.5砂浆配合比:Qc:Qs:Qw=290:1663:250=1:5.73:0.86。
M7.5 水泥砂浆配合比介绍水泥砂浆是建筑施工中常用的材料之一,用于粘结砖块、石材等建筑材料。
M7.5 水泥砂浆是指强度等级为M7.5的砂浆,其强度等级由水泥与砂的配合比决定。
配合比的合理选择对砂浆强度、工作性能、耐久性等方面有重要影响。
本文将介绍M7.5水泥砂浆的配合比设计原则和步骤。
配合比设计原则1.满足工程强度要求:M7.5水泥砂浆的强度等级为M7.5,应根据工程需要确定。
2.保证砂浆的工作性能:砂浆的工作性能包括可塑性、保水性、硬化时间等多个方面,在确定配合比时需考虑这些工作性能的指标。
3.提高砂浆的耐久性:合适的配合比可提高砂浆的抗渗性、耐久性,延长建筑物的使用寿命。
4.节约材料:选用经济合理的配合比,尽量减少水泥和砂的用量,从而节约材料成本。
配合比设计步骤以下介绍M7.5水泥砂浆配合比的设计步骤:步骤一:确定强度等级和工作性能要求根据工程需要,确定M7.5水泥砂浆的强度等级和工作性能要求。
强度等级通常根据设计要求或相关规范确定,而工作性能要求可根据具体施工情况、砂浆使用的环境等因素确定。
步骤二:选择合适的砂和水泥选择合适的砂和水泥对配合比设计至关重要。
合适的砂应具有良好的分级、坚固耐磨的颗粒,而水泥则应选用强度合适的产品。
步骤三:确定最佳配合比确定最佳配合比是保证砂浆强度和工作性能的关键一步。
配合比的确定需要根据试验结果和经验进行。
试验中,可以根据设定的配合比,进行逐步试配,通过试验结果来确定最佳的配合比。
常见的M7.5水泥砂浆的配合比为1:3(水泥:砂),即每份水泥将配3份砂。
根据试验结果和实际工程需求,适量调整水泥和砂的比例,以满足工程要求。
步骤四:考虑现场条件和加工性能在确定最终的配合比之前,需要考虑现场的施工条件和保证砂浆加工性能的因素。
根据施工要求和现场条件,对配合比进行适当调整,以保证施工顺利进行。
结论M7.5水泥砂浆的配合比设计需根据工程要求、砂浆的工作性能和施工条件等因素进行综合考虑。
M7.5和M10砂浆配合比
M7.5 水泥砂浆配合比:水泥砂浆配合比:
要求设计用于砌筑沟井的水泥砂浆,设计强度为M7.5,稠度30~50mm。
原材料的主要参数,水泥:32.5 级水泥;中砂,堆积密度为1541kg/m3;施工水平:一般。
(1)根据《砌筑砂浆配合比设计规程》(JGJ98-2000)选取水泥用量260kg/m3
(2)砂子用量QS QS=1541kg/m3
(3)根据《砌筑砂浆配合比设计规程》(JGJ98-2000)选取用水量为280kg/m3 ,砂浆试配时各材料的用量比例:
水泥∶砂=260∶1541=1∶5.93
M10 水泥砂浆配合比:水泥砂浆配合比:
要求设计用于砌筑毛石挡土墙的水泥砂浆,设计强度为M10,稠度30~50mm。
原材料的主要参数,水泥:32.5 级水泥;中砂,堆积密度为1221kg/m3;施工水平:一般。
(1)根据《砌筑砂浆配合比设计规程》(JGJ98-2000)选取水泥用量240kg/m3
(2)砂子用量QS QS=1221kg/m3
根据《砌筑砂浆配合比设计规程》(JGJ98-2000)选取用水量为290kg/m3 砂浆各材料的用量比例:
水泥∶砂=240∶1221=1∶5.09。
m7.5和M10砂浆配比M7.5和M10砂浆配合比
M7.5 水泥砂浆配合比: 水泥砂浆配合比:
要求设计用于砌筑沟井的水泥砂浆,设计强度为 M7.5,稠度 30~50mm.原材料的主要参数,水泥:32.5 级水泥;中砂,堆积密度为 1541kg/m3;施工水平:一般。
(1)根据《砌筑砂浆配合比设计规程》(JGJ98-2000)选取水泥用量 260kg/m3
(2)砂子用量 QS QS=1541kg/m3
(3)根据《砌筑砂浆配合比设计规程》 (JGJ98-2000)选取用水量为 280kg/m3 ,砂浆试配时各材料的用量比例:
水泥∶砂=260∶1541=1∶5.93
M10 水泥砂浆配合比:水泥砂浆配合比:
要求设计用于砌筑毛石挡土墙的水泥砂浆, 设计强度为 M10, 稠度 30~50mm。
原材料的主要参数,水泥:32.5 级水泥;中砂,堆积密度为 1221kg/m3;施工水平:一般。
(1)根据《砌筑砂浆配合比设计规程》(JGJ98—2000)选取水泥用量 240kg/m3
(2)砂子用量 QS QS=1221kg/m3
根据《砌筑砂浆配合比设计规程》(JGJ98-2000)选取用水量为 290kg/m3 砂浆各材料的用量比例:
水泥∶砂=240∶1221=1∶5。
09。
1,M5水泥砂浆的配合比条件:建设水平,一般;沙子,中等沙子;砂子含水率:2.5%;水泥的实际强度:32.5mpam5混合比(重量比):水泥:中砂= 1:5.23。
在每立方米砖石中,所需的M5水泥砂浆为0.238m3,包括67.59kg水泥和354kg中砂(0.26m3)材料名称:水泥河砂水250kg 1450kg-300kg每立方米每箱75kg1.5袋435kg3.5汽车--- 100kg1.3汽车注意:单位:车辆-现场的卡车,斗-现场的小泥桶,布袋-标准水泥袋。
每辆卡车的重量为140公斤沙子,80公斤水和50公斤标准水泥袋。
2,M7.5水泥砂浆的配合比条件:建设水平,一般;沙子,中等沙子;砂子含水率:2.5%;水泥实际强度:32.5mpam7.5配合比(重量比);水泥:中砂= 1:4.82。
每立方米砖石中,所需的M7.5水泥砂浆为0.251m3,其中包括77.31kg水泥和373kg中砂(0.27m3)3,M10水泥砂浆的配合比每立方米32.5水泥275kg,河砂1450kg和水320kg的混合比为1:5.27:1.16;对于M5混合砂浆,每立方米使用32.5水泥250kg,河砂1450kg,石灰浆100kg和水280kg,混合比例为1:5.8:0.4:1.12注意:M5水泥砂浆的混合比:水泥:砂子= 209kg:1631kgM7.5水泥砂浆的混合比:水泥:砂= 274kg:1631kgM10水泥砂浆的混合比:水泥:砂= 346kg:1631kg水泥砂浆配合比试验条件1.如果不是饮用水,则有腐蚀的可能性,应对水进行测试。
2.同时,所用的水泥和沙子应按常规规范进行测试3.对于海沙,可以同时检测氯离子的含量;注意事项水泥砂浆在使用时,还要经常掺入一些添加剂如微沫剂、防水粉等,以改善它的和易性与粘稠度。
水泥砂浆里按比例加入石子,就成为混凝土。
水泥砂浆标号强度的意思是指对按标准方法制作和养护的7.07CMX7.07CMX7.07CM的正立方体试件,在28d龄期。
M7.5浆砌片石是一种常见的建筑材料,主要用于建筑工程中的砌体结构。
M7.5表示这种砌体的标号,即砂浆的抗压强度为7.5MPa。
配合比是指不同材料混合在一起的比例,正确的配合比能够确保砌体的质量和工程的安全。
以下是关于M7.5浆砌片石配合比的详细介绍。
1. M7.5浆砌片石配合比基本要求M7.5浆砌片石的配合比通常涉及到水泥、砂和水等基本材料。
配合比的确定应遵循相关的国家标准和规范。
根据《建筑砂浆配合比设计规程》(JGJ/T70-2009),M7.5砂浆的配合比设计需要考虑多个因素,包括材料的种类、性能、强度等级、工作性要求以及环境条件等。
2. 材料选择2.1 水泥应选用符合国家标准的普通硅酸盐水泥或其他等级的水泥,其应具备良好的稳定性和适宜的早期强度。
2.2 砂砂应清洁、干净,不含泥土和有害杂质。
砂的粒径大小会影响砂浆的密实度和工作性,一般应采用中砂。
2.3 水水应清洁,不含有害物质。
生活饮用水一般都可以用作混合砂浆的水。
2.4 片石片石应坚硬、耐久,表面粗糙以增加与砂浆的粘结力,不能有风化和裂纹。
3. 配合比设计3.1 实验室设计设计配合比之前,需要进行试验来确定最佳的水泥砂比。
一般而言,M7.5砂浆的水泥砂比在1:3到1:4.5之间,但具体比例需通过试验确定。
3.2 配合比计算配合比的计算需要考虑水泥和砂的容重和吸水率。
通常,水泥的容重约为1400kg/m³,砂的容重约为1600kg/m³。
配合比的计算公式为:\[ V = \frac{W_c}{ρ_c} + \frac{W_s}{ρ_s} + \frac{W_w}{ρ_w} \]其中:- \( V \) 是单位体积砂浆的总体积;- \( W_c \)、\( W_s \) 和 \( W_w \) 分别是水泥、砂和水的质量;- \( ρ_c \)、\( ρ_s \) 和 \( ρ_w \) 分别是水泥、砂和水的容重。
3.3 工作性调整配合比确定后,还需要根据工作性要求调整水的用量。
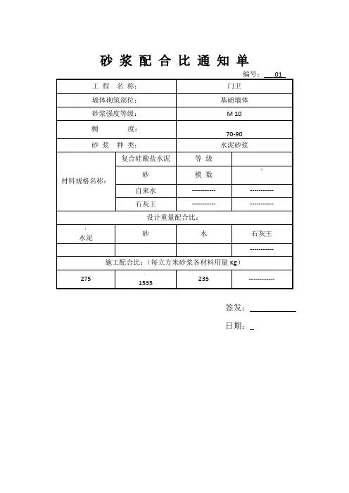
砂浆配合比通知单签发:日期:砂浆配合比通知单#签发:日期:砂浆配合比通知单签发:日期:砂浆配合比通知单%签发:日期:砂浆配合比通知单签发:日期:砂浆配合比通知单签发:@日期:砂浆配合比通知单签发:日期:砂浆配合比通知单【签发:日期:砂浆配合比通知单签发:日期:砂浆配合比通知单!签发:日期:签发:日期:签发:\日期:签发:日期:2016 .签发:日期:2016 . ~签发:日期:2016 .砂浆配合比通知单签发:]日期:2016 .签发:日期:2016 .签发::日期:2016 .签发:日期:2016 .砂浆配合比通知单@签发:日期:2016 .签发:日期:2016 .】签发:日期:2016 .签发:日期:2016 . |砂浆配合比通知单签发:日期:2016 .{签发:日期:2016 .签发:日期:2016 . !签发:日期:2016 .签发:日期:2016 . '签发:日期:2016 .签发:日期:2016 . {签发:日期:2016 .签发:日期:2016 . &签发:日期:2016 .签发:日期:2016 . —签发:日期:2016 .签发:日期:2016 . (签发:日期:2016 .签发:日期:2016 . @签发:日期:2016 .签发:日期:2016 . 》签发:日期:2016 .签发:日期:2016 .签发:日期:2016 .签发:日期:2016 .。
M7.5砂浆配合比设计说明一、本砂浆配合比设计依据1、《砌筑砂浆配合比设计规程》JGJ/T98-20102、《公路工程质量检验评定标准》JTG F80/1-20043、设计图纸及相关技术规范。
二、设计说明1、使用部位桥涵附属工程、防护工程2、设计指标a、M7.5水泥砂浆b、要求稠度为:30-50mm。
3、材料a、水泥: 枣庄山水水泥有限公司生产的P.O 42.5水泥b、细集料: 采用各项指标符合要求的骆马湖中砂c、水: 饮用水三、设计步骤1、配制强度的确定:f m,O =k*f2=1.20*7.5=9..0 Mpa其中:砂浆强度标准差k取1.20 f2=7.5Mpa2. 砂浆中水泥用量QCQ C =1000×(fm,O-β)/(α×fce)=1000×[9.0-(-15.09)]/(3.03×42.5)=187 kg其中:α、β为砂浆特征系数,α=3.03,β=-15.09根据《砌筑砂浆配合比设计规程》(JGJ/T98-2010)、施工工艺和以往经验,单位水泥用量确定为260kg;则Mco=260kg;3、计算单位砂用量根据《砌筑砂浆配合比设计规程》(JGJ/T98-2010)中的要求,每立方米砂浆中的砂用量,宜用干燥状态的堆积密度作为计算值,结合经验取Mso=1450kg;4、确定单位用水量根据《砌筑砂浆配合比设计规程》(JGJ/T98-2010),且砂浆设计稠度为30-50mm。
因此,单位用水量Mwo选定为230kg,则:Mwo=230kg;5、确定水泥砂浆初步配合比为:水泥:砂:水=260:1450:230四、试拌1、根据计算出的初步配合比水泥:砂:水=260:1450:230进行试拌,得出砂浆稠度为40mm;分层度为15mm;砂浆稠度符合设计满足施工要求。
因此不需要调整配合比。
2、计算另两个配合比根据计算出的基准配合比,另外两个配合比为在基准配合比的基础上分别上下调整水泥用量10%,由此可得:五、砂浆立方体的实际抗压强度,如下图:六、确定施工配合比根据砂浆配合比设计相关规定,拌合砂浆满足施工,7天立方体抗压强度为7.4 Mpa ,考虑项目实际施工需求,选定施工配合比为:水泥:砂:水=260:1450:230。
一、M5水泥砂浆的配合比:水泥:中砂=1:5.23。
条件:施工水平,一般;砂子,中砂;砂子含水率:2.5%;水泥实际强度:32.5 MPa二、M7.5水泥砂浆配合比:砂浆试配时各材料的用量比例:水泥∶砂=260∶1541=1∶5.93条件:用于砌筑沟井的水泥砂浆,强度为M7.5,稠度30~50mm。
原材料的主要参数,水泥:32.5级水泥;中砂,堆积密度为1541kg/m3;施工水平:一般。
选取水泥用量260kg/m3,砂子用量QS=1541kg/m3,水量为280kg/m3三、M10水泥砂浆配合比:砂浆各材料的用量比例:水泥∶砂=240∶1221=1∶5.09条件:用于砌筑毛石挡土墙的水泥砂浆,强度为M10,稠度30~50mm。
原材料的主要参数,水泥:32.5级水泥;中砂,堆积密度为1221kg/m3;施工水平:一般。
水泥用量240kg/m3,砂子用量QS=1221kg/m3,水量为290kg/m3四、C20混凝土配合比:水泥:砂:碎石:水=1:1.83:4.09:0.50条件:坍落度35--50mm;砂子种类:粗砂,配制强度:28.2MPa;石子:河石;最大粒径:31.5mm;水泥强度等级32.5,实际强度35.0MPa .每立方米混凝土中,水泥含量:326Kg;砂的含量:598Kg;碎石:1332Kg五、C25混凝土配合比:水泥:砂:碎石:水=1:1.48:3.63:0.44条件:坍落度35--50mm;砂子种类:粗砂,配制强度:28.2MPa;石子:河石(卵石);最大粒径:31.5mm;水泥强度等级32.5,实际强度35.0MPa .其中每立方米混凝土中,水泥含量:370Kg;砂的含量:549Kg;碎石:1344KgM5水泥砂浆配合比条件:施工水平,一般;砂子,中砂;砂子含水率:2.5%;水泥实际强度:32.5 MPa M5配合比(重量比):水泥:中砂=1:5.23。
每立方米砖砌体中,需要M5水泥砂浆是0.238m3,其中水泥67.59Kg;中砂354Kg(0.26m3)材料名称325#水泥河砂-- 水每立方米用量250KG 1450KG -- 300KG每罐用量75KG 1.5袋435KG 3.5车-- -- 100KG 1.3车注:其中单位:车——现场劳动车,桶——现场小泥桶,袋——标准水泥袋。
设计M7.5砂浆配合比使用郑州上街建筑牌32.5水泥,新郑七里井砂场的河砂(视比重2620kg/m3,细度模数2.45),设计稠度为30~50mm强度等级为7.5的砂浆步骤:1.试配强度f m,0=f2+0.645×δ=8.7Mpa (δ为1.88)-β)]÷α×f c e=242 Kg2.每立方砂浆中水泥用量=[1000(f m,0(α为3.03,β-15.09,f c e为32.5)3.查表得每立方用水量275 (Kg)4.确定每立方砂浆中砂子用量,为1560 (Kg)5.经试配调整后,水灰比为0.89,用水量为279Kg/m3,水泥用量为313 Kg/m3,砂用量为1560 Kg/m3.稠度和七天强度能够满足设计要求.1:0.89:4.98设计M7.5砂浆配合比使用郑州上街建筑牌32.5水泥,新郑七里井砂场的河砂(视比重2620kg/m3,细度模数2.45),设计稠度为30~50mm强度等级为7.5的砂浆步骤:1.试配强度f m,0=f2+0.645×δ=8.7Mpa (δ为1.88)2.在基准配合比的基础上水泥用量减少10%为218 (Kg)3.查表得每立方用水量275 (Kg)4.确定每立方砂浆中砂子用量,为1560 (Kg)5.经试配调整后,水灰比为0.99,用水量为279Kg/m3,水泥用量为282 Kg/m3,砂用量为1560 Kg/m3.稠度能够满足设计要求.1:0.99:5.53设计M7.5砂浆配合比使用郑州上街建筑牌32.5水泥,新郑七里井砂场的河砂(视比重2620kg/m3,细度模数2.45),设计稠度为30~50mm强度等级为7.5的砂浆步骤:1.试配强度f m,0=f2+0.645×δ=8.7 Mpa (δ为1.88)2.在基准配合比的基础上水泥用量增加10%为266 (Kg)3.查表得每立方用水量275 (Kg)4.确定每立方砂浆中砂子用量,为1560 (Kg)5.经试配调整后,水灰比为0.81,用水量为279Kg/m3,水泥用量为344 Kg/m3,砂用量为1560 Kg/m3.稠度和七天强度能够满足设计要求.1:0.81:4.53。
M7.5水泥砂浆配合比设计书一、工程名称:路基工程二、使用部位:浆砌片石、护肩、边沟、截水沟、急流槽等三、设计强度等级:M7.5四、设计砂浆稠度:30-50㎜五、设计砂浆分层度:≯30㎜六、设计要素1.设计依据依据设计文件要求及JGJ/T 98-2010砌筑砂浆配合比设计规程。
2.所用原材料的产地与规格:(1)水泥:P.C 32.5(2)细集料:中砂(4)水:当地饮用水七、配合比计算过程1.计算试配强度:f m.o=k f2=1.5*7.5=11.3MPa (k值根据JGJ/T 98-2010规程表5.1.1施工水平差查得)2.计算单位水泥用量Q c=1000(f m.o-β)/α·f ce=1000*(11.3 +15.09)/3.03·32.5=268kg/m3α、β——砂浆的特征系数,其中α=3.03, β=-15.09f ce=у·f ce,k =1.0·32.5=32.5 MPa, у=1.0为强度等级值的富余系数,无统计资料时的取值3.每立方米砂浆中的砂子用量,按其干燥状态的堆积密度值作为计算值,取1532 kg/m34.选取用水量,根据JGJ/T 98-2010规程,选取用水量为250 kg/m35.由以上,确定初步计算配合比基准配合比水泥:河砂:水=268:1532:270………….①水泥用量加10% 水泥:河砂:水=295:1532:270………….②水泥用量减10% 水泥:河砂:水=241:1532:270………….③八.试拌调整、确定试验室理论配合比1.按基准配合比拌和砂浆10L时,称取各种材料用量如下:经拌和砂浆稠度为40㎜,分层度为12㎜,符合设计要求。
2.按水泥用量加10%拌和砂浆10L时,称取各种材料用量如下:经拌和砂浆稠度为50㎜,分层度为11㎜,符合设计要求。
3.按水泥用量减10%拌和砂浆10L时,称取各种材料用量如下:经拌和砂浆稠度为45㎜,分层度为14㎜,符合设计要求。
1000 2、计算每方砂浆水泥用量:Q C = 3、水:饮用水。
四、基准配合比计算(重量法):1、试配强度: fm .o =f 2+0.645σ=7.5+0.645×1.88=8.7(Mpa)α×f ce 1000×(f m,o -β)三、材料选用:1、水泥:水泥采用河南省焦作市岩鑫水泥有限责任公司生产的岩鑫牌2、砂子:砂子采用鲁山生产的河砂,经试验为中砂,其各项指标见试验 P.C32.5水泥,其各项指标见试验报告单。
报告单。
M7.5水泥砂浆配合比设计报告二、设计依据:一、设计说明M7.5浆砌片石主要用于桥梁附属工程挡墙、八字墙、锥护、护坡、踏步的浆砌;涵洞洞口铺底浆砌片石;路基附属工程护坡、边沟浆砌等。
1、《砌筑砂浆配合比设计规程》JGJ 98-20002、《公路工程桥涵施工技术规范》JTJ 041-20003、《公路工程集料试验规程》JTG E42-2005=(根据JGJ98-2000表5.1.3,施工水平选一般,M7.5 σ取值1.88)1000×(8.7+15.09)3.03×32.5×1.03、砂堆积密度:砂风干后实测堆积密度为1454Kg/m 3.4、确定用水量:砂浆稠度设计为50-70mm,根据JGJ98-2000表5.2.1及经验=242(Kg/m 3)选用水量为290Kg/m 3.25mm,泥:砂:水=300:1454:290为基准砂浆配合比,并经试拌,稠度为65mm,分层度为后测定:稠度分别为65mm、65mm,分层度分别为20mm、23mm,密度分别为2020Kg/m 3、2070Kg/m 3,满足设计要求.计配合比。
予以上报,请予批复。
压强度达到了试配强度,且稠度、分层度满足要求,所以确定其为M7.5砂浆设七、试验室配合比确定根据实测抗压强度,配合比为水泥:砂:水=300:1454:290的28天抗水泥:砂:水=270:1454:290Kg/m 3和水泥:砂:水=330:1454:290Kg/m 3分别试拌 5、根据经验,水泥:砂:水=242:1454:290时无法满足强度要求,以经验值水 6、以基准砂浆配合比水泥用量的10%增减水泥设计另两组配合比,即为:。
砂浆配合比通知单
签发:
日期:2015.10.20
砂浆配合比通知单
签发:
日期:2015.10.20
砂浆配合比通知单
签发:
日期:2015.11.7
砂浆配合比通知单
签发:
日期:2015.11.7
砂浆配合比通知单
签发:
日期:2015.11.29
砂浆配合比通知单
签发:
日期:2015.12.3
砂浆配合比通知单
签发:
日期:2015.12.13
砂浆配合比通知单
签发:
日期:2015.12.15
砂浆配合比通知单
签发:
日期:2015.12.17
砂浆配合比通知单
签发:
日期:2015.12.20
签发:
日期:2015.12.24
签发:
日期:2015.12.27
签发:
日期:2016 .1.12
签发:
日期:2016 .1.15
签发:
日期:2016 .2.26
砂浆配合比通知单
签发:
日期:2016 .2.28
签发:
日期:2016 .3.2
签发:
日期:2016 .3.2
签发:
日期:2016 .3.4
砂浆配合比通知单
签发:
日期:2016 .3.7
签发:
日期:2016 .3.11
签发:
日期:2016 .3.12
签发:
日期:2016 .3.13
签发:
日期:2016 .3.16
签发:
日期:2016 .3.16
签发:
日期:2016 .3.16
签发:
日期:2016 .3.19
签发:
日期:2016 .3.23
签发:
日期:2016 .3.24
签发:
日期:2016 .3.25
签发:
日期:2016 .3.26
签发:
日期:2016 .3.27
签发:
日期:2016 .3.27
签发:
日期:2016 .4.9
签发:
日期:2016 .4.10
签发:
日期:2016 .4.11
签发:
日期:2016 .4.14
签发:
日期:2016 .4.15
签发:
日期:2016 .4.20
签发:
日期:2016 .4.22
签发:
日期:2016 .4.25
签发:
日期:2016 .4.27
签发:
日期:2016 .4.27
签发:
日期:2016 .4.5。