电气安全用具与安全标识
- 格式:ppt
- 大小:711.50 KB
- 文档页数:35
电气安全用具与安全标识培训讲义一、电气安全用具1.绝缘手套绝缘手套是电气作业中常用的安全用具,主要用于保护工作人员避免电击。
在使用绝缘手套前,必须检查手套的表面是否有破损或磨损,如果有损坏必须立刻更换。
另外,在使用绝缘手套时,必须配合绝缘垫和绝缘杆等辅助工具,以确保安全作业。
2.绝缘垫绝缘垫常用于电气设备的维修和检修中,用于在工作人员和带电设备之间建立绝缘隔离,避免电击事故的发生。
使用时,必须确保绝缘垫的表面完整,无明显的损坏。
3.绝缘杆绝缘杆也是电气安全用具中常用的一种,主要用于操作带电设备,避免直接接触到带电部件。
在使用绝缘杆时,必须确保杆体表面光滑,无明显的缺陷,以及操作人员必须通过专门的培训,掌握正确的使用方法。
二、安全标识1.警示标识警示标识常用于标识危险区域和禁止操作的地方,如高压电气设备间等。
员工必须严格遵守警示标识的规定,避免擅自进入危险区域,以免发生意外。
2.安全标识安全标识常用于标识安全出口、急救设备等,员工在实际工作中必须熟悉安全标识的含义,并能够迅速找到安全出口和急救设备的位置,以便在紧急情况下及时逃生和救援。
总之,电气安全用具和安全标识在电气作业中起着至关重要的作用,员工必须严格遵守规定,正确使用安全用具,并熟悉安全标识的含义,才能够有效地保障自己和他人的生命安全。
由于电气事故可能导致严重的人身伤害和财产损失,因此对电气安全用具和安全标识的认识和正确使用至关重要。
在工作中,特别是在接触电气设备和进行电气作业时,员工必须始终牢记安全第一的原则,严格遵守相关规定,正确使用电气安全用具和遵守安全标识的指示。
三、电气安全用具的正确使用1.绝缘手套的使用使用绝缘手套时,员工必须确保手套没有破损、涂层完好,并且必须保持手部和手套的干燥。
在使用前和使用过程中,工作人员需要检查绝缘手套的表面是否有划痕或其他损坏,确保手套的使用安全。
另外,绝缘手套的尺寸必须合适,不可过大或过小。
在使用高压电气设备时,需要佩戴两层绝缘手套,并且在佩戴时需要使用绝缘带,以免手套滑落或脱落,导致电击伤害。
第四章电气安全用具与安全标识第一节绝缘安全用具电气安全用具是指:保护电气作业人员,以避免触电事故、弧光灼伤事故或高空坠落等伤害事故所必备的工器具和用具。
电气安全测量是指将被测的电量或磁量与同类标准量比较的过程,包括使用仪器和测量方法。
第一节电气安全用具电气安全用具按功能可分为操作用具和防护用具两类。
一、操作用具高压设备的操作用具有绝缘杆、绝缘夹钳和高压验电器等。
低压设备的操作用具有装有绝缘手柄的工具、低压验电笔等。
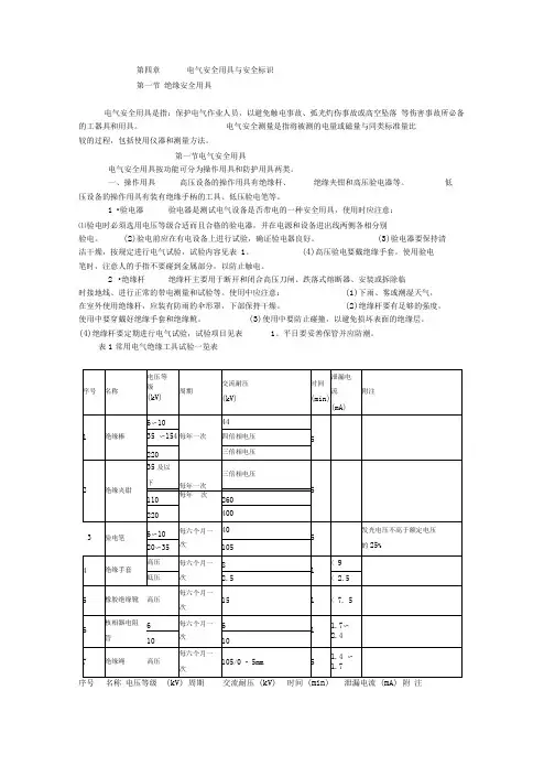
1•验电器验电器是测试电气设备是否带电的一种安全用具,使用时应注意:⑴验电时必须选用电压等级合适而且合格的验电器,并在电源和设备进出线两侧各相分别验电。
(2)验电前应在有电设备上进行试验,确证验电器良好。
(3)验电器要保持清洁干燥,按规定进行电气试验,试验内容见表1。
(4)高压验电要戴绝缘手套。
使用验电笔时,注意人的手指不要碰到金属部分,以防止触电。
2•绝缘杆绝缘杆主要用于断开和闭合高压刀闸、跌落式熔断器、安装或拆除临时接地线、进行正常的带电测量和试验等。
使用中应注意:(1)下雨、雾或潮湿天气,在室外使用绝缘杆,应装有防雨的伞形罩,下部保持干燥。
(2)绝缘杆要有足够的强度,使用中要穿戴好绝缘手套和绝缘靴。
(3)使用中要防止碰撞,以避免损坏表面的绝缘层。
(4)绝缘杆要定期进行电气试验,试验项目见表1。
平日要妥善保管并应防潮。
表1常用电气绝缘工具试验一览表序号名称电压等级周期交流耐压时间泄漏电流附注1 绝缘棒 6〜10 每年一次 44 535〜 154四倍相电压220三倍相电压 2 绝缘夹钳35 及以下 每年一次 三倍相电压 5110 2602204003 验电笔 6〜 1020〜 35每六个月一次10540 5发光电压不高于额定电压的25%4绝缘手套高压每六个月一次81 < 9低压2.5< 2.55 橡胶绝缘靴 高压每六个月一次15 1 < 7. 56核相器电阻管6 每六个月一次611.7〜2.410 107绝缘绳 高压每六个月一次105 / 05mm 5 1.4〜 1.7 3.绝缘夹钳 主要用于拆卸 35kV 以下的电力系统中的高压熔断器等项工作。
车间安全用电规章制度标牌为了确保车间电气设备的安全运行和人员的生命财产安全,制定如下车间安全用电规章制度,遵守制度规定是每位员工的责任和义务。
**一、电气设备使用**1. 严格按照设备说明书操作。
2. 环境湿度大的情况下,应采取相应措施。
3. 严禁私拉乱接电源线。
4. 电缆线路应定期检查更换,不得有断裂或暴露的现象。
5. 电缆线路应保持整洁,不得有搅乱现象。
**二、电气用品储存**1. 危险电气用品应存放在专用库房,不得交叉存放。
2. 电气用品应避免阳光暴晒,避免在高温潮湿环境下存放。
3. 电气用品不得叠放,应保证存放整齐。
4. 储存电气用品的库房应定期清理,保持干净整洁。
**三、电气保养**1. 定期对电气设备及线路进行检查。
2. 设备故障及时维修处理,不得强行使用。
3. 设备运行异常应立即停机排除故障。
**四、用电人员管理**1. 电气设备专用员工必须持证上岗。
2. 未经培训的员工不得私自操作电气设备。
3. 使用电气设备的员工应具备一定的电气常识,能熟练操作设备。
**五、应急处理**1. 发现电气设备故障、漏电等情况应立即停机,及时报修。
2. 发生电气火灾等事故,应迅速采取应急措施,安全撤离。
3. 在电气事故现场不得乱动、拔插电源。
**六、违规处理**1. 对于违反电气安全规定者,将进行批评教育、通报批评、甚至纪律处分。
2. 造成重大事故的违规者,将追究其法律责任。
以上是车间安全用电规章制度,希望全体员工严格遵守,确保工作安全顺利进行。
电力设备的电气安全检查与标识电力设备的电气安全是我们生活和工作中至关重要的一个方面。
为了确保电力设备的正常运行和人身安全,进行电气安全检查和标识是必要的。
本文将介绍电力设备的电气安全检查与标识的重要性和步骤。
一、电气安全检查的重要性电力设备的电气安全检查是为了排除隐患,预防事故发生,保障电力设备的正常运行和使用者的安全。
通过定期的电气安全检查,可以及时发现设备的故障、老化、损坏等状况,并采取相应的维修或更换措施,以确保设备的可靠性和安全性。
二、电气安全检查的步骤1. 外观检查:首先要检查电气设备的外观是否完好无损,是否有明显的电气故障痕迹。
同时还要检查设备的接地是否正常,接地装置是否良好,各种接线是否松动等。
2. 绝缘电阻测试:对于电气设备,绝缘电阻测试是非常重要的一项检查。
使用绝缘电阻测试仪,对设备的绝缘电阻进行测试,以确定设备的绝缘状况和探测是否存在漏电等问题。
3. 过载保护检查:过载保护是电力设备使用过程中非常重要的一个环节。
通过检查设备的过载保护装置,确保在设备过载时能够自动切断电源,避免设备过热、短路等情况发生。
4. 接地电阻测试:设备的接地质量直接关系到设备的安全性。
通过接地电阻测试,可以确定设备的接地电阻是否符合要求,以确保设备的安全接地。
5. 标志齐全与合格:对于使用的电力设备,标识的齐全和合格非常重要。
要确保设备上的电气安全标志清晰可见,且符合相关标准和要求。
标识内容包括设备名称、额定电压、接地标识等。
三、电气安全标识的重要性电气安全标识是确定设备安全性能的重要依据,它不仅可以告知使用者设备的特性和参数,还可以提醒使用者注意设备的操作规范和安全风险。
良好的电气安全标识可以帮助使用者正确操作设备,减少安全事故的发生。
四、电气安全标识的要求1. 清晰可见:电气安全标识应该清晰可见,方便使用者观察和参考。
标识应该采用易于辨识的字体和颜色,并应该放置在使用者容易看到的位置。
2. 信息完整:电气安全标识上的信息应该是完整的,包括设备的名称、型号、额定电压、额定电流等重要参数。
电气安全用具与安全标识1、绝缘安全用具绝缘安全用具包括绝缘杆、绝缘夹钳、绝缘靴、绝缘手套、绝缘垫和绝缘站台。
绝缘安全用具分为基本安全用具和辅助安全用具,前者的绝缘强度能长时间承受电气设备的工作电压,能直接用来操作带电设备,后者的绝缘强度不够以承受电气设备的工作电压,只能强化基本安全用具的保安作用。
〔1〕绝缘杆和绝缘夹钳绝缘杆和绝缘夹钳都是绝缘基本安全用具。
绝缘夹钳只用于35千伏以下的电气操作。
绝缘杆和绝缘夹钳都由工作部分、绝缘部分和握手部分组成。
握手部分和绝缘部分用浸过绝缘漆的木材、硬塑料、胶木或玻璃钢制成,其间有护环分开。
配备不同工作部分的绝缘杆,可用来操作高压隔离开关,操作跌落式保险器,安装和拆掉临时接地线,安装和拆掉避雷器,以及进行测量和试验等项工作。
绝缘夹钳主要用来拆掉和安装熔断器及其他类似工作。
合计到电力系统内部过电压的可能性,绝缘杆和绝缘夹钳的绝缘部分和握手部分的最小长度应符合要求。
绝缘杆工作部分金属钩的长度,在满足工作要的状况下,不宜超过5-8厘米,以免操作时造成相间短路或接地短路。
〔2〕绝缘手套和绝缘靴绝缘手套和绝缘靴用橡胶制成。
二者都作为辅助安全用具,但绝缘手套可作为低压工作的基本安全用具,绝缘靴可作为防护跨步电压的基本安全用具。
绝缘手套的长度至少应超过手腕10厘米。
〔3〕绝缘垫和绝缘站台绝缘垫和绝缘站台只作为辅助安全用具。
绝缘垫用厚度5毫米以上、表面有防滑条纹的橡胶制成,其最小尺寸不宜小于0.8×0.8米。
绝缘站台用木板或木条制成。
相邻板条之间的距离不得大于2.5厘米,以免鞋跟陷入;站台不得有金属零件;台面板用支持绝缘子与地面绝缘,支持绝缘子高度不得小于10厘米;台面板边缘不得伸出绝缘子之外,以免站台翻倾,人员摔倒。
绝缘站台最小尺寸不宜小于0.8×0.8米,但为了便于移动和检查,最大尺寸也不宜超过 1.5×1.0米。
2、一般防护用具防护安全用具是在施工、检修、测试等工作中,直接保护人身安全的用具,一般防护安全用具主要有临时接地线、遮栏、标示牌、护目眼镜等。