单位工程划分实例
- 格式:doc
- 大小:407.00 KB
- 文档页数:11
单位、分部、分项划分说明
S222大海线滑县城区至京港澳高速段(滑县境)改建工程起点里程K0+000,终点K4+905.5,主线全长4.905Km,按JTGF80/1-2004《公路工程质量检验评定标准》附录的规定划分为5个单位工程,各单位工程按规范要求结合工程实际情况依次划分为19个分部工程、45个子分部工程、183个分项工程、206个子分项工程。
单位、分部、分项划分情况如下:
单位工程
分部工程
(个)子分部工程
(个)
分项工程(个)
子分项工程
(个)
编号名称
1 路基工程 3 10 93 93
2 路面工程7 19 39 39
3 桥梁工程
4 11 40 63
4 环保工程 1 1 2 2
5 交通安全设施 4 4 9 9
桥梁划分:长虹渠中桥为一个单位工程,其下划分分部、分项工程。
路基划分:全段主线路基(K0+000-K4+905.5)为一个单位工程。
路面划分:全段路面(K0+000-K4+905.5)为一个单位工程。
环保工程:全段环保工程(K0+000-K4+905.5)为一个单位工程。
交通安全设施:全段交通安全设施(K0+000-K4+905.5)为一个单位工程。
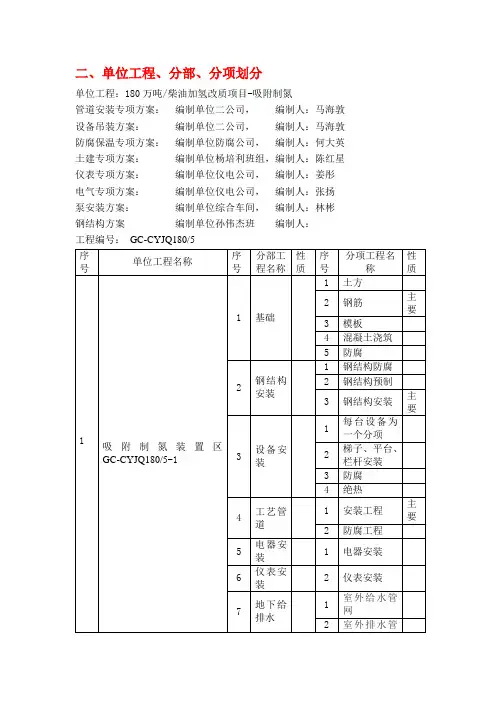
二、单位工程、分部、分项划分
单位工程:180万吨/柴油加氢改质项目-吸附制氮
管道安装专项方案:编制单位二公司,编制人:马海敦设备吊装方案:编制单位二公司,编制人:马海敦防腐保温专项方案:编制单位防腐公司,编制人:何大英土建专项方案:编制单位杨培利班组,编制人:陈红星仪表专项方案:编制单位仪电公司,编制人:姜彤电气专项方案:编制单位仪电公司,编制人:张扬泵安装方案:编制单位综合车间,编制人:林彬钢结构方案编制单位孙伟杰班编制人:
工程编号:GC-CYJQ180/5
二、单位工程、分部、分项划分
单位工程:180万吨/柴油加氢改质项目-外部配套低温热和凝结水项目管道安装专项方案:编制单位一公司,编制人:朱学兵
钢结构安装专项方案:编制单位一公司,编制人:朱学兵
设备吊装方案:编制单位一公司,编制人:朱学兵
防腐保温专项方案:编制单位防腐公司,编制人:何大英
土建专项方案:编制单位范宇班组,编制人:范维文
仪表专项方案:编制单位仪电公司,编制人:姜彤
电气专项方案:编制单位仪电公司,编制人:张扬
泵安装方案:编制单位综合车间,编制人:林彬
工程编号:GC-CYJQ180/4
二、单位工程、分部、分项划分
单位工程:180万吨/柴油加氢改质项目-管网部分
安装专项方案:编制单位二公司,编制人:马海敦(管道安装)
编制单位一公司,编制人:朱学兵(钢结构)防腐保温专项方案:编制单位防腐公司,编制人:何大英
土建专项方案:编制单位赵鑫班组,编制人:孙景刚
仪表专项方案:编制单位仪电公司,编制人:姜彤
电气专项方案:编制单位仪电公司,编制人:张扬
泵安装方案:编制单位综合车间,编制人:林彬
工程编号:GC-CYJQ180/3。
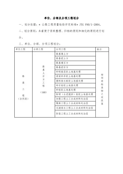
单位、分部及分项工程划分一、划分依据:«公路工程质量检验评定标准»JTG F80/1-2004。
二、划分原则:本着便于资料整理、归档的原则和细化的原则进行划分。
三、单位、分部、分项工程划分:注:1、土方路基和石方路基划分标准是看路床或路堤,石方路基不检查弯沉;2、单根桩基钢筋加工及安装、砼浇筑分别作为子分项,表中以0-1为例;3、根据项目内容选择有的项目,不足1KM按1KM划分;4、路基土石方分部划分时,遇大、中桥、互通和隧道断开,并扣除其长度;5、分离式路基,按左、右幅增加子分部;6、大型挡土墙是指平均墙高不小于6m,且墙身面积不小于1200m2。
注:1、基础及下部构造其他墩台参照1#、0#划分;2、左幅参照右幅进行划分;3、根据项目内容选择有的项目。
4、桥头引道工程子分项根据实际情况参照路基、路面工程进行合理划分。
5、特大斜拉桥和悬索桥不常有,本划分未列。
具体参照«公路工程质量检验评定标准»JTG F80/1-2004第143页、144页进行合理划分。
6、单根桩基钢筋加工及安装、砼浇筑分别作为子分项注:1、基础及下部构造其他墩台参照1#、0#划分;左幅参照右幅进行划分;2、根据项目内容选择有的项目,3、匝道工程子分项根据实际情况参照路基、路面工程进行合理划分;4、单根桩基钢筋加工及安装、砼浇筑分别作为子分项,表中以0-11-1为例。
注:1、长隧道每作为一个单位工程,不设子单位工程;每个合同段所有中、短隧道为一个单位工程,具体每个隧道为子单位工程;左、右洞分别作为子分部工程(左、右洞后面写上分部工程名称)。
2、每个紧急停车带作为一个分项,洞身衬砌子分项分别为该停车带的钢支撑支护、锚杆支护、钢筋网支护、喷射砼支护、仰拱、衬砌钢筋、衬砌砼;辅助施工措施中,也必须把每个停车带单独作为子分项。
3、车(人)行通道与主洞交叉口往往加强设计,应把交叉口初期支护单独作为一个分项,子分项分别为初期支护的各个项目。
单项工程、单位工程、子单位工程划分在内业资料表格填写时有工程名称、单位(子单位)工程名称的,这些名称是不可以任意简化或修改的,该怎么填写我们可以来深入了解一下。
以下图某某花园为例,该工程分为两期开发建设。
在解释之前先问大家几个问题:问题一:如果1#楼没有桩基,那1#楼塔楼能建起来吗?路没有路基能形成完整的路吗?答案:不能,某某花园1#楼、规划1路或九江大桥为一个单位工程。
因此,单位(子单位)工程由各分部(子分部)组成,问题二:我不进1#楼商场买东西,我能在1#楼塔楼居住吗?答案:可以,1#楼可以划分为塔楼、商场两个子单位工程。
是否划分子单位工程由施工、监理、建设等责任单位自行协商确认。
当然,如果想把地下室也划分成一个子单位工程也行,我只把车停在地下室不行吗?但划分完子单位工程后,所有资料及汇总都得按子单位工程来,会增加一定的工程量,如果没有必要的情况下建议按单位工程来。
工程建立:大家在建立工程时,建议按单位或子单位工程进行建立,以个人觉得比较好用的那云资料软件为例:1、菜单栏选择新建工程。
2、填写工程概况这里需注意工程名称与单位工程名称都需要填写全称,或有子单位工程时直接填写子单位工程名称。
之后就可以根据工程情况从模板中选择表格双击调入到工程里,完成表格编制。
3、复制另一个单位工程若一个单位或子单位工程与当前做的工程比较类似,可以在这个工程首张表格做完后复制成另一个单位工程,在工程概况修改后还可以重新生成示例数。
之后,再通过部位规划统一建立就完成了另一个工程,有清晰规划的情况下两个小时内搞定!!!!权威说明:单项工程:具有独立的设计文件,竣工后可以独立发挥生产能力或效益的工程。
从施工的角度看是一个独立的系统,在工程项目总体施工部署和管理目标的指导下,形成自身的项目管理方案和目标,依照其投资和质量要求,如期建成并交付使用。
来源:百度百科单位(子单位)工程:具备独立施工条件并能形成独立使用功能的建筑物及构筑物为一个单位工程。
①表内标注*号者为主要工程,评分时给以2的权值;不带*号者为一般工程,权值为1。
②按路段长度划分的分部工程,高速公路、一级公路宜取低值,二级及二级以下公路可取高值。
③斜拉桥和悬索桥可参照附表A-2进行划分。
④护岸参照挡土墙。
⑤分项工程编号示例LL1-1-4(1)-01 :LL1表示黎洛1合同段,1表示路基单位工程,4(1)表示本合同段第一个涵洞、通道分部工程,01表示涵洞的基础及下部构造分项工程。
⑥红色字体表示有子分部工程时则加上(X),无子分部工程时,则去掉(X)
⑦蓝色字体是根据贵州施工实际情况作的调整
⑧各标可根据标段情况,将分项工程再进行细化到子分项工程,编号原理同上。
合同段:TJ1标施工单位:中铁五局安邵建设单位:湖南利联高邵高速公路开发有限公司 监理单位:北京华路顺工程咨询有限公司合同段:TJ1标施工单位:中铁五局安邵建设单位:湖南利联高邵高速公路开发有限公司 监理单位:北京华路顺工程咨询有限公司合同段:TJ1标施工单位:中铁五局安邵建设单位:湖南利联高邵高速公路开发有限公司 监理单位:北京华路顺工程咨询有限公司合同段:TJ1标施工单位:中铁五局安邵单位、分部、分项工程划分 建设单位:湖南利联高邵高速公路开发有限公司 监理单位:北京华路顺工程咨询有限公司构(Q2Z-A)横岩头高架桥21×25m、YK98+452.5横岩头高架桥14×25预制和安装(Q2Z-B)(Q2Z-A01)(Q2Z-B01~21)合同段:TJ1标施工单位:中铁五局安邵单位、分部、分项工程划分建设单位:湖南利联高邵高速公路开发有限公司 监理单位:北京华路顺工程咨询有限公司合同段:TJ1标施工单位:中铁五局安邵单位、分部、分项工程划分建设单位:湖南利联高邵高速公路开发有限公司监理单位:北京华路顺工程咨询有限公司构(Q2Y-A)(Q2Y-A02)合同段:TJ1标施工单位:中铁五局安邵建设单位:湖南利联高邵高速公路开发有限公司 监理单位:北京华路顺工程咨询有限公司和附属工程合同段:TJ1标施工单位:中铁五局安邵建设单位:湖南利联高邵高速公路开发有限公司 监理单位:北京华路顺工程咨询有限公司合同段:TJ1标施工单位:中铁五局安邵单位、分部、分项工程划分建设单位:湖南利联高邵高速公路开发有限公司 监理单位:北京华路顺工程咨询有限公司(Q3Z-A18)合同段:TJ1标施工单位:中铁五局安邵单位、分部、分项工程划分建设单位:湖南利联高邵高速公路开发有限公司 监理单位:北京华路顺工程咨询有限公司合同段:TJ1标施工单位:中铁五局安邵建设单位:湖南利联高邵高速公路开发有限公司 监理单位:北京华路顺工程咨询有限公司合同段:TJ1标施工单位:中铁五局安邵建设单位:湖南利联高邵高速公路开发有限公司 监理单位:北京华路顺工程咨询有限公司合同段:TJ1标施工单位:中铁五局安邵建设单位:湖南利联高邵高速公路开发有限公司 监理单位:北京华路顺工程咨询有限公司合同段:TJ1标施工单位:中铁五局安邵建设单位:湖南利联高邵高速公路开发有限公司 监理单位:北京华路顺工程咨询有限公司合同段:TJ1标施工单位:中铁五局安邵建设单位:湖南利联高邵高速公路开发有限公司 监理单位:北京华路顺工程咨询有限公司合同段:TJ1标施工单位:中铁五局安邵建设单位:湖南利联高邵高速公路开发有限公司 监理单位:北京华路顺工程咨询有限公司合同段:TJ1标施工单位:中铁五局安邵建设单位:湖南利联高邵高速公路开发有限公司 监理单位:北京华路顺工程咨询有限公司合同段:TJ1标施工单位:中铁五局安邵建设单位:湖南利联高邵高速公路开发有限公司 监理单位:北京华路顺工程咨询有限公司合同段:TJ1标施工单位:中铁五局安邵建设单位:湖南利联高邵高速公路开发有限公司 监理单位:北京华路顺工程咨询有限公司合同段:TJ1标施工单位:中铁五局安邵建设单位:湖南利联高邵高速公路开发有限公司监理单位:北京华路顺工程咨询有限公司(Q5Y-A20)合同段:TJ1标施工单位:中铁五局安邵单位、分部、分项工程划分建设单位:湖南利联高邵高速公路开发有限公司 监理单位:北京华路顺工程咨询有限公司构(Q6Z-A)(Q6Z-A02~桥12×30m、YK101+700落水洞II高架桥11×30m预应力砼T梁(Q6)合同段:TJ1标施工单位:中铁五局安邵建设单位:湖南利联高邵高速公路开发有限公司 监理单位:北京华路顺工程咨询有限公司合同段:TJ1标施工单位:中铁五局安邵建设单位:湖南利联高邵高速公路开发有限公司监理单位:北京华路顺工程咨询有限公司(Q6Y-A12)合同段:TJ1标施工单位:中铁五局安邵单位、分部、分项工程划分建设单位:湖南利联高邵高速公路开发有限公司 监理单位:北京华路顺工程咨询有限公司口山高架桥5×30m、YK105+710水口山高架桥6×30m预应力砼T梁(Q7)构(Q7Z-A)合同段:TJ1标施工单位:中铁五局安邵单位、分部、分项工程划分建设单位:湖南利联高邵高速公路开发有限公司 监理单位:北京华路顺工程咨询有限公司(Q7Y-A04~06)和附属工程(Q7Z-C)合同段:TJ1标施工单位:中铁五局安邵单位、分部、分项工程划分建设单位:湖南利联高邵高速公路开发有限公司 监理单位:北京华路顺工程咨询有限公司合同段:TJ1标施工单位:中铁五局安邵单位、分部、分项工程划分建设单位:湖南利联高邵高速公路开发有限公司 监理单位:北京华路顺工程咨询有限公司和附属工程(Q7Y-C)合同段:TJ1标施工单位:中铁五局安邵建设单位:湖南利联高邵高速公路开发有限公司 监理单位:北京华路顺工程咨询有限公司合同段:TJ1标施工单位:中铁五局安邵建设单位:湖南利联高邵高速公路开发有限公司监理单位:北京华路顺工程咨询有限公司和附属工程合同段:TJ1标施工单位:中铁五局安邵单位、分部、分项工程划分 建设单位:湖南利联高邵高速公路开发有限公司 监理单位:北京华路顺工程咨询有限公司(Q8Y-A08~10)合同段:TJ1标施工单位:中铁五局安邵建设单位:湖南利联高邵高速公路开发有限公司 监理单位:北京华路顺工程咨询有限公司力砼空心板(Q9)合同段:TJ1标施工单位:中铁五局安邵建设单位:湖南利联高邵高速公路开发有限公司 监理单位:北京华路顺工程咨询有限公司家山I高架桥35×20m、合同段:TJ1标施工单位:中铁五局安邵单位、分部、分项工程划分建设单位:湖南利联高邵高速公路开发有限公司 监理单位:北京华路顺工程咨询有限公司构(Q9Y-A)(Q9Z-A36)(Q9Y-A02~33)合同段:TJ1标施工单位:中铁五局安邵建设单位:湖南利联高邵高速公路开发有限公司 监理单位:北京华路顺工程咨询有限公司合同段:TJ1标施工单位:中铁五局安邵建设单位:湖南利联高邵高速公路开发有限公司 监理单位:北京华路顺工程咨询有限公司合同段:TJ1标施工单位:中铁五局安邵建设单位:湖南利联高邵高速公路开发有限公司 监理单位:北京华路顺工程咨询有限公司合同段:TJ1标施工单位:中铁五局安邵单位、分部、分项工程划分建设单位:湖南利联高邵高速公路开发有限公司 监理单位:北京华路顺工程咨询有限公司板(Q10)合同段:TJ1标施工单位:中铁五局安邵单位、分部、分项工程划分建设单位:湖南利联高邵高速公路开发有限公司 监理单位:北京华路顺工程咨询有限公司板(Q10)构(Q10Y-A)合同段:TJ1标施工单位:中铁五局安邵单位、分部、分项工程划分建设单位:湖南利联高邵高速公路开发有限公司 监理单位:北京华路顺工程咨询有限公司和附属工程(Q10Y-C)。
单位、分部、分项⼯程划分案例六沾复线Ⅰ标段单位、分部、分项⼯程划分中铁⼋局集团六沾铁路⼯程指挥部⼆00七年七⽉⼗⽇六沾复线Ⅰ标段铁路⼯程单位、分部、分项⼯程划分为质量良好地编制六沾复线Ⅰ标段⼯程项⽬竣⼯⽂件,确保顺利交接和归档,根据六沾指〔2007〕42号《六沾复线铁路竣⼯⽂件编制实施细则》、铁道部办档[2002]8号《关于印发<铁路建设项⽬竣⼯⽂件编制移交办法>的通知》、铁建设[2001]117号《关于印发<铁路建设项⽬竣⼯验收交接办法>的通知》及成都铁路局档案馆的有关规定,六沾指挥部对Ⅰ标段⼯程进⾏了单位、分部、分项⼯程划分。
⼀、六沾复线Ⅰ标段竣⼯资料编制组卷顺序1、开⼯报告2、施⼯现场质量管理检查记录表3、施⼯⼩结4、竣⼯验收报告5、竣⼯数量表6、单位⼯程质量表7、建交表8、变更设计资料9、施⼯组织设计及审批(100⽶以上的⼤桥、3公⾥以上(含3公⾥)单线隧道及1公⾥(含1公⾥)双线隧道、⼆等站以上的站场)10、分部、分项⼯程质量验收记录表、检验批11、检查证及附件、施⼯记录(含相关竣⼯测量资料)12、⽔质试验报告13、⽔泥、钢筋等原材料出⼚证明及试验报告14、岩⽯、粗细⾻料试验报告15、砼、砂浆配合⽐16、砼、砂浆抗压强度报告17、基底试验、回填⼟报告、密实度报告等18、功能性检测报告(桩基⽆损、隧道⽆损检测等)19、其他试验报告及资料20、⼯程照⽚⼆、铁路⼯程单位、分部、分项⼯程和检验批划分依据1、单位⼯程:按⼀个完整⼯程或⼀个相当规模的施⼯范围来划分。
2、分部⼯程:按⼀个单位⼯程中的完整部位、主要结构、施⼯阶段或功能相对独⽴的组成部分来划分。
3、分项⼯程:按⼯种、⼯序、材料、设备和施⼯⼯艺等划分。
4、检验批:按⼯程实体划分。
三、六沾复线Ⅰ标段单位、分部、分项⼯程和检验批划分六沾复线Ⅰ标段施⼯⼯程严格执⾏2004《铁路⼯程施⼯质量验收标准应⽤指南》及相关施⼯规范、定型图、设计图,具体划分如下:6、综合卷建交表采⽤表格:(1)控制桩表(2)坡度表(3)⽔准点表(4)曲线表统⼀⾥程与施⼯⾥程对照表中铁⼋局集团六沾铁路⼯程指挥部2007年7⽉10⽇。
QC炼油厂加氢-制氢联合装置单位工程、分部工程、分项工程划分编制说明1.工程简介QC炼油厂加氢-制氢联合装置是QC炼油厂技术改造及配套工程的一个独立装置,主要包括制氢部分、加氢部分以及系统配套工程等几个相对独立的工程,其中中心控制室、配电室、压缩机房、部分管廊等工程为制、加氢共用工程。
在进行工程招标时,基本按照制氢部分安装工程(含自控、电气室内安装工程、压缩机安装工程)、加氢部分安装工程(含压缩机厂房钢结构安装工程)、全厂土建工程划分为三个独立标段,无总承包单位。
目前图纸尚未完全到位,但主要工程内容基本明确,单位、分部、分项工程划分条件已经具备。
2.工程划分的原则在对本工程进行单位、分部、分项工程划分时,主要考虑满足合理施工流程,符合QC炼油厂有关工程项目的资料编制要求,尽可能避免不同施工承包单位之间的资料交叉,方便工程交工资料的组卷。
基于上述原则,根据工程实际情况,将工程按工程合同内容划分为三个单位工程:加氢部分安装工程、制氢部分安装工程和土建工程,其中压缩机的安装和压缩机厂房、自控和电气室内安装等共用工程,不按工艺区域归属划分,仅按合同归属划分。
安装单位工程划分基本按照专业和设备类别进行划分,分部工程依照工程的设备分类、钢结构单元进行划分,分项工程按照基本工序进行划分。
土建单位工程按照工程区域(如制氢部分、加氢部分、 PSA部分、厂区工程)以及独立建筑物(如控制室、配电室)进行划分,分部工程按照区域内工程类别(如塔基础、炉基础、设备基础、构架基础等)划分,分项工程按基本工序划分。
3.操作中应注意的问题( 1)本单位、分部、分项工程划分方法是原则性方法,特别是分项工程的划分,应该在实际操作过程中具体情况具体对待,其深度和广度可在符合有关工程交工资料规定的前提下参照本划分由施工单位自行调整并及时报告监理部。
( 2)操作中出现矛盾或漏项时,将随时根据划分原则进行补充和完善。
** 监理公司2002年 4月 10日QC炼油厂加氢-制氢联合装置安装(加氢部分)单位、分部、分项工程划分表、QC炼油厂加氢-制氢联合装置安装(制氢部分)单位、分部、分项工程划分表三.QC炼油厂加氢-制氢联合装置(土建工程)单位、分部、分项工程划分表注:在性质一栏中,未填写的性质为“一般”0。
第1篇一、单位工程划分原则1. 按功能划分:单位工程应按照其功能进行划分,如住宅、商业、工业等。
2. 按施工顺序划分:单位工程应按照施工顺序进行划分,确保施工顺利进行。
3. 按专业划分:单位工程应按照专业进行划分,如土建、安装、装饰等。
4. 按区域划分:单位工程应按照区域进行划分,便于管理和施工。
二、单位工程划分方法1. 单位工程划分依据:单位工程划分依据主要包括《建筑工程施工质量验收统一标准》(GB50300—2001)、《建筑与市政工程施工质量控制通用规范》(GB55032-2022)等。
2. 单位工程划分步骤:(1)明确工程规模:根据工程规模,确定单位工程的划分范围。
(2)分析工程特点:分析工程特点,如结构形式、施工工艺、施工难度等,为划分单位工程提供依据。
(3)确定划分原则:根据工程规模、特点及规范要求,确定单位工程的划分原则。
(4)划分单位工程:按照划分原则,将工程划分为若干个单位工程。
(5)编制单位工程施工组织设计:针对每个单位工程,编制相应的施工组织设计。
三、单位工程划分注意事项1. 单位工程划分应遵循“合理、明确、简洁”的原则,便于施工管理和质量控制。
2. 单位工程划分应考虑施工进度、质量和成本控制等因素。
3. 单位工程划分应与工程验收标准相一致,确保工程质量。
4. 单位工程划分应便于施工单位的施工组织和管理。
5. 单位工程划分应与工程设计、施工图纸等文件相一致。
四、单位工程划分实例以一个住宅小区为例,其单位工程划分如下:1. 土建工程:包括地基基础、主体结构、屋面、装饰装修等。
2. 安装工程:包括给排水、电气、通风、空调等。
3. 装饰装修工程:包括室内外装饰、幕墙、门窗等。
4. 绿化工程:包括绿化景观、绿化种植等。
通过以上单位工程划分,可以确保施工顺利进行,提高施工质量,降低施工成本。
总之,施工时单位工程的划分是建筑工程项目管理的重要环节,应充分考虑工程规模、特点、施工顺序、专业划分等因素,确保施工顺利进行。
单位工程:一个桥、一个隧道、一段路基
分项工程:桩基、承台、墩身
分部工程:桩基(钻孔、混凝土、钢筋
1、单位工程划分
特大、大、中桥每座划分为一个单位工程。
2、分部工程
特大、大、中桥基础及下部构造每桥为一个分部工程,按每墩台划分一个子分部工程。
上部构造预制和安装,上部构造现场浇筑,总体、桥面系和附属工程,防护工程,引道工程每桥为一个分部工程。
3、分项工程划分
每个分部工程中的桩基划分为一个分项工程,每根桩划分为一个子分项工程;承台划分为一个分项;墩台身划分为一个分项工程;墩台帽划分为一个分项工程;支座垫石及挡块划分为一个分项工程。
其他结构类型的桥梁工程参照此形式划分。
上部构造预制及安装中的每片梁划分为一个分项工程,包括主要构件预制子分项、钢筋加工及安装子分项和预应力筋的加工和张拉子分项。
其他分项工程划分按JTG F80/1-2004附录A执行。
单位工程,单项工程,分部工程,分项工程,检验批举例【主题】如何深入理解单位工程、单项工程、分部工程、分项工程以及检验批的关系?在施工工程管理中,单位工程、单项工程、分部工程、分项工程和检验批是五个非常重要且常见的概念。
它们之间既有联系又有区别,理解其关系有助于施工项目的管理和执行。
在本文中,我们将深入讨论这五个概念的联系和区别,并通过具体的举例来进一步加深理解。
1. 单位工程单位工程是工程勘查设计和施工过程中一个完整的独立部分,具有明确的工程界址,可以单独进行施工组织和管理,如一座建筑物、一段道路、一座桥梁等。
其特点是具有明确的用途和功能,可以独立进行施工进度计划、质量控制和安全管理。
2. 单项工程单项工程是在单位工程内部,按照一定的施工顺序和组织规律,划分出的一个个独立的施工范围和施工任务。
比如在一座建筑的单位工程内,可以划分出土石方工程、混凝土工程、钢结构工程等单项工程。
每个单项工程都有自己的施工组织设计和施工方案。
3. 分部工程分部工程是指在一个单项工程中,按照工程结构、施工特点、专业分工等因素,对施工任务进行细分和划分,形成的独立的工程单位。
比如在混凝土工程单项工程内,可以划分出基础分部工程、主体结构分部工程、装饰装修分部工程等。
4. 分项工程分项工程是对施工工程的各项任务进行细化、划分和分解,形成的独立的工程项目单元。
它是施工项目管理的基本单元,有利于施工过程的组织和控制。
比如在装饰装修分部工程内,可以划分出墙面装饰分项工程、地面装饰分项工程、天花装饰分项工程等。
5. 检验批举例我们以建筑工程中的混凝土浇注工程为例,来说明单位工程、单项工程、分部工程、分项工程和检验批的关系。
在一座建筑的单位工程内,混凝土浇注工程是一个单项工程,可以根据不同的工程结构和部位划分为基础板、柱、梁、楼板等分部工程,同时每个分部工程又可以按照不同的施工任务划分为配筋、模板、浇筑、养护等分项工程。
在实际施工中,每个分项工程都需要进行检验批的管理,确保施工质量符合设计要求和规范标准。
第1篇一、单位工程的划分原则1. 功能原则:按照建筑物的使用功能将工程划分为不同的单位工程。
如住宅楼、办公楼、商业楼等。
2. 结构原则:根据建筑物的结构形式,将工程划分为不同的单位工程。
如框架结构、剪力墙结构、钢结构等。
3. 部位原则:按照建筑物的部位划分单位工程。
如地基基础、主体结构、装饰装修、设备安装等。
4. 工程量原则:根据工程量的大小,将工程划分为不同的单位工程。
如大型公共建筑、高层住宅等。
5. 施工顺序原则:按照施工顺序,将工程划分为不同的单位工程。
如基础工程、主体结构工程、装饰装修工程等。
二、单位工程的划分方法1. 分项工程划分:根据主要工种、楼层、轴线、变形缝等因素,将单位工程划分为若干个分项工程。
如砌体工程、钢筋工程、混凝土工程等。
2. 分部工程划分:按照建筑物的部位,将单位工程划分为地基基础、主体结构、装饰装修、设备安装等分部工程。
3. 单位工程划分:根据建筑物的功能、结构、部位等因素,将工程划分为若干个独立的单位工程。
三、单位工程划分的意义1. 便于施工管理:通过单位工程划分,可以将工程分解为若干个易于管理的单元,有利于施工进度、质量、成本等方面的控制。
2. 便于质量控制:单位工程划分有助于明确各分项工程的质量要求,有利于质量控制和质量验收。
3. 便于进度控制:通过单位工程划分,可以制定合理的施工进度计划,确保工程按期完成。
4. 便于成本控制:单位工程划分有助于合理分配资源,降低工程成本。
5. 便于验收交付:单位工程划分有利于工程验收和交付,确保工程符合设计要求和规范标准。
总之,建筑施工单位工程划分是建筑工程管理的重要环节,对于提高工程质量、控制施工进度和成本具有重要意义。
在实际工作中,应根据工程特点、施工要求等因素,合理划分单位工程,确保工程顺利进行。
第2篇一、单位工程划分的原则1. 功能原则:单位工程的划分应充分考虑建筑物的功能需求,确保各部分工程之间功能上的协调与衔接。
单位工程、单项工程、分项工程举例下载提示:该文档是本店铺精心编制而成的,希望大家下载后,能够帮助大家解决实际问题。
文档下载后可定制修改,请根据实际需要进行调整和使用,谢谢!本店铺为大家提供各种类型的实用资料,如教育随笔、日记赏析、句子摘抄、古诗大全、经典美文、话题作文、工作总结、词语解析、文案摘录、其他资料等等,想了解不同资料格式和写法,敬请关注!Download tips: This document is carefully compiled by this editor. I hope that after you download it, it can help you solve practical problems. The document can be customized and modified after downloading, please adjust and use it according to actual needs, thank you! In addition, this shop provides you with various types of practical materials, such as educational essays, diary appreciation, sentence excerpts, ancient poems, classic articles, topic composition, work summary, word parsing, copy excerpts, other materials and so on, want to know different data formats and writing methods, please pay attention!单位工程、单项工程、分项工程解析在工程领域中,单位工程、单项工程、分项工程是常用的概念,它们在工程项目管理和执行中起着至关重要的作用。
成兰桥涵工程单位及分部分项划分说明说到成兰桥涵工程的单位和分部分项划分,哎呀,这事儿可真不简单。
说实话,这可不是我们随便把几块石头一堆就算完成了。
这背后可有大文章,真得动动脑筋想想才能搞得清楚。
你要是把它当成一个简单的工程,打个比方,就像是你说做个三明治,结果给你堆了一个馅料满天飞的汉堡,能吃得了才怪呢!这事儿得分清楚,每一块得好好地有个归属,不能乱七八糟的。
得聊聊这工程的单位划分。
说白了,单位划分就是把这个大工程拆解成一个个小块,每一块都得有人负责,咱可不能因为这个桥涵是一个“个头不小”的项目就给它随便丢了。
这可得先从大单位开始,像是“土建工程”,“安装工程”这些都是咱们第一时间要划分清楚的大头儿。
比如说,土建工程负责的就是这个桥涵的基础部分,钢筋、水泥啥的,它们都得搭配得好,不能太松,也不能太紧。
要是桥涵的基础一开始不稳固,后头的工作就是给自己找麻烦,谁能保证它不会塌下来?安装工程呢,专门负责各种管道、电线的铺设,跟桥涵的“表演”密切相关。
但咱说的这些还只是个大概,具体到分部分项的划分,嘿,你要是仔细琢磨起来,可就一套一套的了。
咱得分个土方开挖这一块,来个“土”字当头,一开始就得把地面掀开,搞清楚下面的土质,别一掘就挖个坑,把你自己给埋了。
之后呢,要进行基础施工,包括放线、浇筑水泥啥的。
别小看这一块,地基一塌,接下来的工程就像纸牌屋,吹得一口气全倒了,搞不好还得重头再来。
所以,大家都得小心翼翼,手脚麻利,分寸得把握好。
然后,接下来就是结构施工了。
大家看到的桥梁,通常会觉得好像就是一个“横”字,搭一根桥面在两头一撑就行。
可真不是这么简单,桥涵的结构啊,得一根一根钢筋、一块一块水泥地拼起来,才有可能形成稳固的骨架。
特别是你得注意其中的防水层,那可是桥涵能不能“长久活”下去的关键。
水不进来,桥涵才能“安然无恙”。
当然了,还得注意细节,比如说桥面和桥涵之间的接口,做得不好,哪怕是再精致的工程,时间一久也可能就会被“水患”弄得“折腾”得不成样子。
QQ炼油厂加氢-制氢联合装置
单位工程、分部工程、分项工程划分编制说明
1.工程简介
QQ炼油厂加氢-制氢联合装置是QQ炼油厂技术改造及配套工程的一个独立装置,主要包括制氢部分、加氢部分以及系统配套工程等几个相对独立的工程,其中中心控制室、配电室、压缩机房、部分管廊等工程为制、加氢共用工程。
在进行工程招标时,基本按照制氢部分安装工程(含自控、电气室内安装工程、压缩机安装工程)、加氢部分安装工程(含压缩机厂房钢结构安装工程)、全厂土建工程划分为三个独立标段,无总承包单位。
目前图纸尚未完全到位,但主要工程内容基本明确,单位、分部、分项工程划分条件已经具备。
2.工程划分的原则
在对本工程进行单位、分部、分项工程划分时,主要考虑满足合理施工流程,符合QQ 炼油厂有关工程项目的资料编制要求,尽可能避免不同施工承包单位之间的资料交叉,方便工程交工资料的组卷。
基于上述原则,根据工程实际情况,将工程按工程合同内容划分为三个单位工程:加氢部分安装工程、制氢部分安装工程和土建工程,其中压缩机的安装和压缩机厂房、自控和电气室内安装等共用工程,不按工艺区域归属划分,仅按合同归属划分。
安装单位工程划分基本按照专业和设备类别进行划分,分部工程依照工程的设备分类、钢结构单元进行划分,分项工程按照基本工序进行划分。
土建单位工程按照工程区域(如制氢部分、加氢部分、PSA部分、厂区工程)以及独立建筑物(如控制室、配电室)进行划分,分部工程按照区域内工程类别(如塔基础、炉基础、设备基础、构架基础等)划分,分项工程按基本工序划分。
3.操作中应注意的问题
(1)本单位、分部、分项工程划分方法是原则性方法,特别是分项工程的划分,应该在实际操作过程中具体情况具体对待,其深度和广度可在符合有关工程交工资料规定的前提下参照本划分由施工单位自行调整并及时报告监理部。
(2)操作中出现矛盾或漏项时,将随时根据划分原则进行补充和完善。
**监理公司
2002年4月10日
一.QQ炼油厂加氢-制氢联合装置安装(加氢部分)
单位、分部、分项工程划分表
二、QQ炼油厂加氢-制氢联合装置安装(制氢部分)
单位、分部、分项工程划分表
三.QQ炼油厂加氢-制氢联合装置(土建工程)
单位、分部、分项工程划分表。