scl3300倾角传感器转换成角度的公式
- 格式:docx
- 大小:38.49 KB
- 文档页数:5
假设机器人有两个角度传感器,通过传动链将每一个角感连接到主动轮上。
轮子的直径为D,R为角感的分辨率,G为编码器与轮子的传动比,你能得到一个转换系数F,它将角度传感器的每一个单位转换成响应的运动距离:F = (D x π) / (G x R)这个比的分子是D x π,表示轮子的圆周长,它刚好等于轮子转动一周运动的距离。
这个比的分母是G x R,定义编码器计数的增量刚好等于轮子的一转。
F就表示每跳动一下移动的单位距离。
机器人使用最大的轮子,它的直径是81.6mm。
角度传感器每一转有16的分辨率,她与轮子的传动比是1;5(轮子转动一圈,角度传感器转动5圈)。
结果是:F = 81.6 mm x 3.1416 / (5 x 16 ticks) 3.2 mm/tick就是说每次传感器计数一次,轮子就会运动3.2mm。
在任何给定的时间间隔,左轮运动的距离TL等于角度传感器计数的增量IL乘以系数FTL = IL x F同样,对右轮:TR = IR x F机器人的中心点,就是在连接两轮的的中线上的一点,它移动的距离是TCTC = (TR + TL) / 2为了计算方向ΔO的变化你需知道机器人的另一个参数,轮子间的距离B,或更精确一点,轮子与地接触的那两点间的距离。
ΔO = (TR – TL) / B这个公式返回的值ΔO是弧度,使用下面的关系式将弧度转变为角度。
ΔODegrees = ΔORadians x 180 /π你现在可以计算机器人的相对方位,在I时刻的新方位ΔO是建立在I-1时刻的方位变化ΔOO是机器人所指的方位,为ΔO选择同样的单位的结果是:Oi = Oi-1 + ΔO同样的,新的中心点卡迪尔坐标是根据前一中心点移动距离的增量:xi = xi-1 + TC x cosOiyi = yi-1 + TC x sin Oi这两个三角函数把移动距离的矢量表示转换成卡迪尔坐标。
不幸的是,在进行定位时你无法除去三角式中角度O,还好,有些特殊的情况,你可以避免三角函数,比如,当机器人在某个位置精确的转动90度,并按照你所期望的笔直往前走。
倾角传感器简介3.1 倾角传感器的分类与比较倾角传感器经常用于系统的水平距离和物体的高度的测量,从工作原理上可分为固体摆式、液体摆式、气体摆式三种倾角传感器,这三种倾角传感器都是利用地球万有引力的作用,将传感器敏感器件对大地的姿态角,即与大地引力的夹角(倾角)这一物理量,转换成模拟信号或脉冲信号,他们的原理分别介绍如下:3.1.1 固体摆式倾角传感器固体摆在设计中广泛采用力平衡式伺服系统,如图1所示,其由摆锤、摆线、支架组成,摆锤受重力G和摆拉力T的作用,其合外力F为:(1)式中的θ为摆线与垂直方向的夹角。
在小角度范围内测量时,可以认为F与θ成线性关系。
如应变式倾角传感器就是基于此原理。
3.1.2液体摆式倾角传感器液体摆的结构原理是在玻璃壳体内装有导电液,并有三根铂电极和外部相连接,三根电极相互平行且间距相等,如图2所示。
当壳体水平时,电极插入导电液的深度相同。
如果在两根电极之间加上幅值相等的交流电压时,电极之间会形成离子电流,两根电极之间的液体相当于两个电阻RI3所示,左边电极浸入深度小,则导电液减少,导电的离子数减少,电阻RI减少,即RI>RIII。
反之,若倾斜方向相反,则RI<RIII。
增大,相对极则导电液增加,导电的离子数增加,而使电阻RIII和RIII。
若液体摆水平时,则RI=RIII。
当玻璃壳体倾斜时,电极间的导电液不相等,三根电极浸入液体的深度也发生变化,但中间电极浸入深度基本保持不变。
在液体摆的应用中也有根据液体位置变化引起应变片的变化,从而引起输出电信号变化而感知倾角的变化。
在实用中除此类型外,还有在电解质溶液中留下一气泡,当装置倾斜时气泡会运动使电容发生变化而感应出倾角的“液体摆”。
3.1.3 气体摆式倾角传感器气体在受热时受到浮升力的作用,如同固体摆和液体摆也具有的敏感质量一样,热气流总是力图保持在铅垂方向上,因此也具有摆的特性。
“气体摆”式惯性元件由密闭腔体、气体和热线组成。
真倾角与视倾角转换公式在我们探索地质世界的奇妙旅程中,真倾角与视倾角的转换公式就像是一把神奇的钥匙,能帮助我们打开了解地层结构的神秘大门。
先来说说什么是真倾角和视倾角。
真倾角呀,那可是地层真正倾斜的角度,就像一个人真实的内心想法,毫不掩饰,原汁原味。
而视倾角呢,就像是我们从某个特定角度看这个人,所产生的一种“错觉”角度。
想象一下,你站在一个山坡上,正前方的山坡看起来陡峭无比,可当你换个位置,从侧面看过去,感觉好像又没那么陡了。
这就是真倾角和视倾角给我们带来的不同感受。
那这真倾角和视倾角到底是怎么转换的呢?这就得提到那个重要的转换公式啦。
公式是:tanβ = tanα×cosω 。
这里的α就是真倾角,β是视倾角,ω则是视倾向与真倾向之间的夹角。
为了更好地理解这个公式,咱们来举个例子。
有一次我去野外考察,在一处山脚下,我通过测量工具得出了真倾角是 60 度。
然后我沿着山路往上走,走到半山腰的一个位置,从这个位置看地层的倾斜,测出来视倾角是 45 度。
经过仔细观察和测量,我发现此时视倾向与真倾向之间的夹角是 30 度。
回到实验室后,我就用这个转换公式来验证。
tanα =tan60°≈1.732 ,cosω = cos30°≈0.866 ,那么tanα×cosω = 1.732×0.866 ≈ 1.5 ,tanβ =tan45° = 1 。
哎呀,这结果不太对呀!我赶紧重新检查了测量的数据,发现原来是在测量夹角的时候出了点小差错。
重新测量和计算后,发现完全符合公式,那一刻的成就感真是满满的!在实际的地质工作中,这个转换公式的用处可大了。
比如说,地质工程师在进行矿产勘探的时候,如果只测量到了视倾角,就可以通过这个公式算出真倾角,从而更准确地了解地层的结构和矿产的分布情况。
对于地质专业的学生来说,掌握这个公式也是非常重要的。
在课堂上,老师会通过各种实例和模型来帮助学生理解和运用这个公式。
基康移动测斜仪计算公式全文共四篇示例,供读者参考第一篇示例:基康移动测斜仪是一种用于监测建筑物或其他结构体倾斜状态的仪器。
它可以实时监测结构体的倾斜角度,帮助工程师及时发现并解决倾斜问题,确保结构体的安全性。
在使用基康移动测斜仪时,需要进行一些计算工作,以得出结构体的倾斜角度。
本文将介绍基康移动测斜仪的计算公式及其使用方法。
基康移动测斜仪计算倾斜角度的原理是通过测量仪器的水平方向和垂直方向上的倾角来计算得出结构体的总倾斜角度。
该仪器通过一根测斜杆与被监测结构物相连,当被监测结构物倾斜时,测斜杆也相应地倾斜,测斜仪器会自动记录下这一倾斜角度。
接下来,我们将介绍基康移动测斜仪的计算公式。
基康移动测斜仪的计算公式如下:倾斜角度=arctan(水平方向倾角/垂直方向倾角)arctan表示反正切函数,水平方向倾角和垂直方向倾角是通过基康移动测斜仪测量得出的数据。
这个公式可以帮助工程师快速准确地计算出被监测结构物的总倾斜角度,从而及时采取措施来防止结构体的进一步倾斜。
在实际使用基康移动测斜仪时,需要注意以下几点:1. 在安装测斜仪时,确保其牢固地固定在被监测结构物上,并保证测斜杆的垂直度。
2. 在测量过程中,定期检查测斜仪的数据,确保数据的准确性和可靠性。
3. 与基康移动测斜仪配套使用的软件可以帮助工程师更快速、更方便地进行数据处理和分析。
4. 当监测到结构物的倾斜角度超出安全范围时,应及时采取措施进行修复或加固。
第二篇示例:基康移动测斜仪是一种用于测量地下管道或结构物倾斜程度的仪器,采用物理原理和数学公式来计算倾斜角度。
在实际工程中,准确计算斜角是非常重要的,可以帮助工程师评估结构物的稳定性和安全性。
下面我们将介绍基康移动测斜仪的计算公式以及其原理。
基康移动测斜仪是一种便携式仪器,主要由仪器本体、传感器、显示屏和数据处理模块组成。
它通过内置的传感器来监测结构物或管道的倾斜程度,并将数据传输到显示屏上进行实时显示。
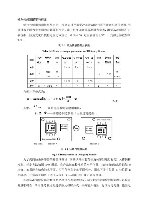
倾角传感器配置与标定倾角传感器选用抗外界电磁干扰能力以及承受冲击震动能力强的硅微机械传感器,测量以水平面为参考面的双轴倾角变化。
输出角度以测量基准面为参考,测量基准面出厂时被校准。
倾角变化以模拟电压方式输出,0.5-4.5V 对应满量程±90°。
其部分参数如表 3-3 。
表 3-3 倾角传感器部分参数T able 3-3 Main technique parameters of Obliquity Sensor角度计算公式为:()[]Φ-*-=πα180/arcsin K b U out (3-8)其中: out U ——倾角传感器测量输出电压,b 、K 、Φ——传感器制造参数(由制造商提供)。
图 3-9 倾角传感器标定Fig.3-9 Demarcation of Obliquity Sensor为了提高倾角传感器的补偿准确性,在测试开始前对倾角传感器进行标定,又称偏移校准。
标定方法如图3-9所示。
将产品放在校准后的水平位置,将此时的输出值记做0度值。
如果没有精确的水平面,可用任何稳定的平面代替。
测出下图中位置A 与位置B 的输出,计算出平均值({V (outA )+V(outB)}/2)并记做零度值。
利用标准角度仪器对角度传感器进行准确度验证。
验证时注意角度的精确性,以保证测量准确性。
其原理是利用制造参数及相应公式,根据输入电压、标准标定角度、输出电压,计算相应测量参数,从而为角度测量制定参考标准。
角度测量还应注意在每次测量前都要进行标定。
理论标准曲线如图3-10所示:图3-10倾角传感器的标准曲线Fig.3-10 Obliquity Sensor standard curve。
倾角度与坡度计算公式在工程和建筑领域中,倾角度与坡度是非常重要的概念。
倾角度是指某一物体与水平面之间的夹角,而坡度则是指斜面上升或下降的程度。
在实际工程中,我们经常需要计算倾角度和坡度,以便确定斜面的稳定性和适用性。
本文将介绍倾角度与坡度的计算公式,并且讨论它们在工程实践中的应用。
倾角度的计算公式如下:倾角度(θ)= arctan(斜面上升或下降的高度/斜面的水平距离)。
其中,arctan是反正切函数,斜面上升或下降的高度是指斜面的垂直距离,斜面的水平距离是指斜面的水平长度。
倾角度的单位通常是度或弧度,具体取决于所采用的计量单位。
坡度的计算公式如下:坡度(S)= 斜面上升或下降的高度/斜面的水平距离。
与倾角度的计算公式相比,坡度的计算公式更为简单,它直接给出了斜面上升或下降的高度与水平距离的比值。
坡度通常用百分比表示,例如,一个斜坡的坡度为10%意味着斜面上升或下降的高度是水平距离的10%。
在实际工程中,倾角度与坡度的计算常常涉及到地形测量、道路设计、建筑施工等方面。
例如,在道路设计中,需要确定道路的坡度,以便确保车辆能够顺利行驶而不会出现滑坡或者车辆翻车的危险。
在建筑施工中,需要计算建筑物的倾角度,以便确定墙体的倾斜程度和结构的稳定性。
因此,倾角度与坡度的计算对于工程设计和施工具有重要意义。
除了上述的基本计算公式之外,倾角度与坡度的计算还涉及到一些特殊情况和复杂情形。
例如,在地形测量中,如果地形较为复杂,需要考虑多个点的高程和位置信息,然后通过数学模型来计算整个区域的倾角度和坡度分布。
在建筑设计中,还需要考虑到建筑物的结构特点和建筑材料的性质,以便确定合适的倾角度和坡度范围。
因此,倾角度与坡度的计算不仅仅是简单的数学计算,还需要考虑到具体的工程背景和要求。
总之,倾角度与坡度是工程和建筑领域中的重要概念,它们与斜面的稳定性和适用性密切相关。
倾角度与坡度的计算公式可以帮助工程师和设计师确定斜面的倾斜程度和坡度范围,从而确保工程设计和施工的安全性和可行性。
FNN-3300数字罗盘(可选带显示仪表)一.产品特点1.三轴磁阻传感器测量平面地磁场,双轴倾角补偿。
2.高速高精度A/D转换,磁场测量精度100μGuass。
3.内置微处理器计算传感器与磁北夹角,输出RS232格式数据帧。
4.外壳结构防水,无磁。
(可选不带外壳)5.工作温度范围-40℃到+85℃。
保存温度-55℃到+100℃。
二.主要技术指标:俯仰和横滚输出:响应速度3-12次/秒(可调)输出范围±60°精度(范围±30°)±0.1°精度(范围±30°到±45°)±0.2°分辨率±0.01°重复性±0.03°航向输出:响应速度3-12次/秒(可调)测量精度±1°分辨率±0.2°重复性±0.4°其它指标:磁场测量范围0.1 Gauss 到 3 Gauss最大干扰磁场20 Gauss电源电压+12V DC,+5V DC(不带外壳)电源电流60mA工作温度-40℃到 +85℃存储温度-55℃到 +100℃外壳尺寸铝外壳( 长100mm宽75mm高40mm)不带外壳:55*40mm 三.极限工作指标工作温度-50℃到 +85℃四.FNN-3300输出信号格式:FNN-3300输出RS-232格式数据,格式“9600,n,8,1”。
每帧输出20字节16进制数。
数据结构如下:五.命令六.命令详解FNN-3300罗盘为用户提供了13条指令。
罗盘接到指令后,在数据帧的第二字节显示指令执行情况,如果与命令相同表示已经执行完指令,如果是“0xee”,表示指令无法执行。
1.响应速度设置:命令字:0x01,0x02,0x03,0x04,0x05 调整罗盘响应速度,在连续输出和单次输出方式下有效。
2.罗盘转动校准:命令字:0xd0,0xd1发送命令字0xd0缓慢转动罗盘,转动范围超过360度,为保证校准精度建议罗盘俯仰范围小于20度。
倾角传感器使用说明书一. 产品特点1.通过硅微机械传感器测量以水平面为参面的双轴倾角变化。
2.数据通讯RS232接口。
3.通过串口指令标定倾角水平零点。
4.开极电极角度门限输出。
二.产品描述***是双轴倾角传感器,通过测量静态重力加速度变化,转换成倾角变化。
测量输出传感器相对于水平面的倾斜和俯仰角度。
传感器附带角度开关量检测输出。
输出方式开极电极。
传感器角度响应速度5次/秒。
三. 要技术指标1.常规模式时主要指标(环境温度=20℃,电源=+12V)输出速度5次/秒单位测量范围双轴±60度分辨率±0.02 度精度(<±30°) <±0.3 度精度(<±60°)<±0.5 度非线性 ±1%重复性 ±0.05 度温度漂移 0.05°/℃2.其它指标(测试温度=20℃)3.工作参数极限值(注意:长期工作在极限参数条件下,将导致产品永久性不可恢复性损坏)最小最大单位工作温度-40 +100 ℃四.输出数据格式XW QJ02-01S上电工作后,等待命令,命令格式和输出格式如下:1.发送命令格式:字节位置 含义 数据 说明1,2 帧头 0xAA 0XAA3 数据长度 0x04 除帧头外数据长度4 传感器地址 0Xxx 232输出方式地址为25 命令 0x01 命令罗盘输出数据帧6 效验字 前面全部数据的异或结果2.接收输出格式:字节位置 含义 数据类型 说明1,2 帧头 0xAA,0xAA3 帧长 字节 除帧头外全部数据长度4 地址 字节 0Xxx(232输出方式地址为2)5 命令返回 字节 接收到的命令字返回6,7 保留8,9 保留10,11 X轴角度 整数 角度=整数/100(单位:度)*12,13 Y轴角度 整数 角度=整数/100(单位:度)14 保留15 校验 字节 前面14字节数据的异或效验结果 *注释说明:标准双字节整数,最高比特位=0,表示正数,最高比特位=1,表示负数。
倾角和坡度计算公式在工程和建筑领域中,倾角和坡度是两个重要的概念,它们用于描述物体或地形的倾斜程度。
倾角是指物体或地形与水平面之间的夹角,而坡度则是指物体或地形与水平面之间的斜率。
在实际应用中,我们经常需要根据已知的数据来计算倾角和坡度,因此了解倾角和坡度的计算公式是非常重要的。
倾角的计算公式。
倾角通常用度(°)来表示,它是物体或地形与水平面之间的夹角。
倾角的计算公式如下:倾角 = arctan(坡度)。
其中,arctan是反正切函数,坡度是指物体或地形与水平面之间的斜率。
在实际计算中,我们可以先计算出坡度,然后通过反正切函数来求得倾角。
坡度的计算公式。
坡度是指物体或地形与水平面之间的斜率,它通常用百分比或度数来表示。
坡度的计算公式如下:坡度 = tan(倾角)。
其中,tan是正切函数,倾角是物体或地形与水平面之间的夹角。
通过这个公式,我们可以根据已知的倾角来计算出坡度。
倾角和坡度的实际应用。
倾角和坡度的计算公式在工程和建筑领域中有着广泛的应用。
例如,在道路建设中,我们需要根据地形的倾斜程度来设计路面的坡度,以确保车辆能够顺利通行。
此外,在建筑设计中,我们也需要根据建筑物的倾角来确定其结构和支撑方式。
除此之外,倾角和坡度的计算公式还可以应用于地质勘探、水利工程、航空航天等领域。
通过计算倾角和坡度,我们可以更好地了解地形的特征,从而为工程和建筑设计提供重要的参考信息。
总结。
倾角和坡度是描述物体或地形倾斜程度的重要概念,在工程和建筑领域中有着广泛的应用。
了解倾角和坡度的计算公式对于工程师和设计师来说是非常重要的,它可以帮助他们更好地理解和分析地形的特征,从而为工程和建筑设计提供重要的参考信息。
希望通过本文的介绍,读者们能够更加深入地理解倾角和坡度的计算公式,从而为实际工程和建筑项目的设计和施工提供帮助。
角度坐标测量计算公式细则文件编码(008-TTIG-UTITD-GKBTT-PUUTI-WYTUI-8256)计算细则1、坐标计算:X1=X+Dcosα,Y1=Y+Dsinα。
式中 Y、X为已知坐标,D为两点之间的距离,Α为方位角。
2、方位角计算:1)、方位角=tan=两坐标增量的比值,然后用计算器按出他们的反三角函数(±号判断象限)。
2)、方位角:arctan(y2-y1)/(x2-x1)。
加减180(大于180就减去180(还大于360就在减去360)、小于180就加180如果x轴坐标增量为负数,则结果加180°。
如果为正数,则看y轴的坐标增量,如果Y轴上的结果为正,则算出来的结果就是两点间的方位角,如果为负值,加360°。
S=√(y2-y1)+(x2-x1),1)、当y2-y1>0,x2-x1>0时;α=arctan(y2-y1)/(x2-x1)。
2)、当y2-y1<0,x2-x1>0时;α=360°+arctan(y2-y1)/(x2-x1)。
3)、当x2-x1<0时;α=180°+arctan(y2-y1)/(x2-x1)。
再用两点之间的距离公式可算距离(根号下两个坐标距离差的平方相加)。
拨角:arctan(y2-y1)/(x2-x1)1、例如:两条巷道要互相平行掘进的话,求它们的拨角:方法(前视边方位角减后视边方位)在此后视边方位要加减180°,若拨角结果为负值为左偏“逆时针”(+360°就可化为右偏,正值为右偏“顺时针”。
2、在图上标识方位的方法:就是导线边与Y轴的夹角。
3、高程计算:目标高程=测点高程+h+仪器高—占标高。
4、直角坐标与极坐标的换算:(直角坐标用坐标增量表示;极坐标用方位角和边长表示)1)、坐标正算(极坐标化为直角坐标)已知一个点的坐标及该点至未知点的距离和方位角,计算未知点坐标方位角,知A(Xa,Ya)、Sab、αab,求B(Xa,Ya)解:Xab=Sab×COSαab 则有Xb=Xa+XabYab=Sab×SINαab Yb=Ya+Yab2)、坐标反算,已知两点的坐标,求两点的距离(称反算边长)和方位角(称反算方位角)的方法已知A(Xa,Ya)、B(Xb,Yb),求αab、Sab。
单个角度观测记录计算公式在科学研究和工程应用中,我们经常需要对物体或现象进行观测和记录。
而在进行观测时,我们往往需要使用一些计算公式来帮助我们得出准确的结果。
本文将以单个角度观测记录计算公式为标题,介绍在单个角度观测记录中常用的计算公式,并探讨其应用。
在进行单个角度观测记录时,我们通常需要考虑到物体的距离、高度、角度等因素。
以下将介绍一些在单个角度观测记录中常用的计算公式。
1. 视线距离计算公式。
在观测记录中,我们经常需要计算物体与观测者之间的视线距离。
视线距离可以通过以下公式进行计算:D = H / tan(α)。
其中,D表示视线距离,H表示物体的高度,α表示观测者与物体之间的角度。
通过这个公式,我们可以快速计算出物体与观测者之间的视线距离,为观测记录提供准确的数据。
2. 角度转换计算公式。
在观测记录中,我们有时需要将角度从一种单位转换为另一种单位。
例如,将度数转换为弧度,或将弧度转换为度数。
角度转换可以通过以下公式进行计算:度数转换为弧度,弧度 = 度数π / 180。
弧度转换为度数,度数 = 弧度 180 / π。
通过这些计算公式,我们可以方便地将角度从一种单位转换为另一种单位,满足不同观测记录的需求。
3. 视差计算公式。
在观测记录中,我们有时需要考虑到视差的影响。
视差是由于观测者的双眼位置不同而引起的物体位置的视觉差异。
视差可以通过以下公式进行计算:视差 = 视线距离 tan(δ)。
其中,视差表示观测者在观测记录中需要考虑到的视差,视线距离表示物体与观测者之间的视线距离,δ表示观测者的双眼间距。
通过这个公式,我们可以计算出视差的影响,并在观测记录中进行修正。
4. 水平距离计算公式。
在观测记录中,我们有时需要计算物体在水平方向上的距离。
水平距离可以通过以下公式进行计算:水平距离 = 视线距离 cos(α)。
通过这个公式,我们可以快速计算出物体在水平方向上的距离,为观测记录提供准确的数据。
以上介绍了在单个角度观测记录中常用的计算公式,这些公式在科学研究和工程应用中具有重要的作用。
倾角仪操作规程
倾角仪操作规程
一、操作方法
1、开启电源后仪器显示为测量角度。
2、角度零点校准步骤
2.1在任意平面放置倾角传感器,按下K7
2.2在平面上反向180度放置传感器,按下K8
2.3按下K9,保存设置,标定后在标准水平面上测量结果在误差范围内
3、开关定义表
开关符号命令字说明
K1 0xd0 在非水平面上设置X轴相对角度零点
K2 0xd1 在非水平面上设置Y轴相对角度零点
K3 0xd2 清除0xd1,0xd2命令设置的零点
K4 0x02 设置输出速度10次/秒
K6 0x05 设置输出速度4次/秒
K7 0xb6 0xba 角度零点校准1
K8 0xb7 0xbb 角度零点校准2
K9 0xbe 保存K7,K8设置
二、维护保养
1、传感器内装有高精度传感器及信息处理电路,严禁浸湿。
2、仪器长期不使用,应取出电池,以免造成腐蚀。
3、严禁自行分解电路板或调整标定数据。
4、开启电源后,若液晶显示屏无显示数字,应及时更换电池。
5、显示仪要避免受到剧烈冲击、划伤和挤压液晶显示屏。
使用温度范围为-20℃~70℃,存储温度范围为-30℃~80℃。
6、显示仪连接线为专用线,严禁连接其他仪器。
在连接DB9插头时,螺丝勿拧的过紧。
7、显示仪标准的供电电压为12V,供电范围为7V~18V,长期工
作在极限条件下,会造成数据失准,或者造成产品永久性损坏。
传感器的计算公式_v5_传感器计算公式(V5)用户自定义公式(U):E=k 1(λ-λ0)+B 1(λt1-λt0)+ k 2(λ-λ0)2+B 2(λt1-λt0)2+C+α(S-S 0)其中E 为被测值,k 1、k 2为一次及二次波长系数,21B B 、为一次温度、二次温度影响系数,λ0、λt0为波长初始值,C 为常数项,S 、S 0为水压计的外界大气压力,α为压强修正系数。
一.温度传感器计算公式(T)T= k (λ-λ0)+ T 0k 为温度系数如:k=100 o C/nm,λ为光栅当前波长(nm),T 为当前温度(o C);温度传感器在0T 温度下的波长为λ0,一般取T 0=0oC 的波长。
二.裂缝计计算公式(自补偿裂缝计)(C)ΔL=K[(λ1-λ10)-(λ2-λ20)]λ1为测位移光栅的当前波长、λ2为温补光栅的当前波长,λ10为测位移光栅的初始波长值、λ20为温补光栅的初始波长值,单位取nm。
K 为传感器系数,单位为mm/nm。
三.应变计算公式(S)1、被测物体由于温度变化引起的应变,加上荷载变化引起的应变总和计算如下。
ε总=K(λ1-λ0)+B(λt1-λt0)ε总为应变量,单位为με。
K 为应变系数(με/nm)(取正值)B 为温度修正系数,B=1000-K*2.3,单位取με/nm。
(出厂时直接给定数值)λ1为应变栅当前的波长值(nm)λ0为应变栅初始的波长值(nm)λt1为温补光栅当前波长值(nm)λt0为温补光栅初始波长值(nm)2、仅因荷载变化引起的应变;ε=K(λ1-λ0)+B(λt1-λt0)-α*ΔTε为应变量,单位为με。
K 为应变计应变系数(με/nm)(取正值)B 为传感器温度修正系数,B= 1000-K*2.3,单位取με/nm(出厂时直接给定数值)。
λ1为应变光栅当前的波长值(nm)λ0为应变光栅初始的波长值(nm)λt1为温补光栅当前波长值(nm)λt0为温补光栅初始波长值(nm)α为被测物体热膨胀系数,单位取με/oC。
倾角换算距离计算公式在实际生活和工程领域中,经常会遇到需要计算两点之间的距离的情况。
而当我们知道两点之间的水平距离和倾角时,就可以利用倾角换算距离的公式来进行计算。
本文将介绍倾角换算距离的计算公式及其应用。
倾角换算距离的计算公式可以通过三角函数来推导。
假设两点之间的水平距离为d,倾角为α,我们可以利用正弦函数来表示d和α之间的关系。
根据正弦函数的定义,我们有sin(α) = d / l,其中l为两点之间的直线距离。
通过对该等式进行变形,我们可以得到d = l sin(α)。
这就是倾角换算距离的计算公式。
在实际应用中,倾角换算距离的公式可以用于各种领域。
例如在建筑工程中,当需要在斜坡上铺设管道或电缆时,我们就需要计算斜坡的倾角以及管道或电缆的水平距离,从而确定需要多长的管道或电缆。
又如在地质勘探中,当需要测量地下某一点到地表的水平距离时,我们可以利用倾角换算距离的公式来进行计算。
因此,倾角换算距离的公式具有广泛的应用价值。
除了倾角换算距离的公式外,我们还可以通过倾角换算高度的公式来进行计算。
假设两点之间的垂直距离为h,倾角为α,我们可以利用正切函数来表示h和α之间的关系。
根据正切函数的定义,我们有tan(α) = h / l,其中l为两点之间的直线距离。
通过对该等式进行变形,我们可以得到h = l tan(α)。
这就是倾角换算高度的计算公式。
倾角换算高度的公式同样具有广泛的应用价值。
例如在架设电线杆或信号塔时,我们需要知道塔底到塔顶的垂直距离,就可以利用倾角换算高度的公式来进行计算。
又如在地质勘探中,当需要测量地下某一点到地表的垂直距离时,我们同样可以利用倾角换算高度的公式来进行计算。
除了倾角换算距离和倾角换算高度的公式外,我们还可以通过倾角换算坡度的公式来进行计算。
假设两点之间的水平距离为d,垂直距离为h,我们可以利用正切函数来表示d和h之间的关系。
根据正切函数的定义,我们有tan(α) = h / d。
倾角传感器的精度理解倾角传感器作为测量物体相对海平面的角度测量设备,已有100多年以上的历史了。
从传统的水泡式水平仪,到当前的基于加速度原理或电解液原理以及液体电容原理等,已经发展非常成熟,产品精度不断提高,应用领域也逐渐广泛和专业,制造厂家也非常多。
但市场上多数倾角传感器对精度的描述,显得含糊不清或者存在一定偏差。
一般地说,按照计量法和相关国家/国际标准,对精度的描述有总体性和确定性的描述,但这些描述具有普遍性,是否适合于倾角传感器领域,值得商榷。
我们可以在市场上随处获得各种不同倾角传感器产品或供应商对精度的描述,大多数是将倾角传感器的非线性作为传感器的测量精度,这样做是存在一些偏差的。
首先,我们需要分析影响倾角传感器测量精度的因素有哪些,再讨论如何确定倾角传感器的精度的定义。
以加速度原理的倾角传感器为例。
它是测量重力加速度在加速度传感器敏感轴上的分量转换成角度数据,即倾角值与加速度值成正弦关系。
这个原理在很多文献以及产品说明中给予了充分的说明。
影响倾角传感器的测量精度与以下指标密切相关:灵敏度误差——取决于核心敏感器件的自身特性,但同时与频率响应关联,也称幅频特性。
经过实际的测试,对灵敏度的影响很小,可以忽略不计。
零点偏置——取决于核心敏感器件的自身特性,是指传感器在没有角度输入的情况下(如绝对水平面),传感器测量输出不为零,该实际输出角度值即为零点偏置。
这个指标跟传感器是否能置零没有任何关系非线性——可以通过后续进行校正,取决于校正点的多少。
校正点越多,非线性越好。
横轴误差——是指当传感器在垂直于其灵敏轴方向施加一定的加速度或者倾斜一定的角度时耦合到传感器的输出信号上所产生的误差。
如对于测量范围为±30°的单轴(假定X方向为倾角测量方向)倾角传感器,在空间垂直于X方向发生10°的倾斜时(此时实际被测量的X方向的倾斜角度保持不变,如为+8.505°),传感器的输出信号会因为这个10°的倾斜而产生额外误差,这个误差称为横轴误差。
TIMM高精度倾角仪使用说明书一、规格:测量范围:4×90°分辨率:0.05°工作电源:CR2032 3V锂电池*3工做温度:0o C-40o C相对湿度:40%-80%二、按键使用方法:1、ON/OFF (电源开关)按此键打开电源;按住3~5秒关机。
2、0% 度(°)/百分比(%)(当前角度tg a×100%转换)按一下“0/%”键,从tg0°(即0%)到tg45°(即100%),再一下回到角度(°)。
3、ABS/REL(绝对/相对角度测量切换)按一下该键将设置任何平面为0.00°测量相对角度。
按该键3秒回到绝对角度状态。
4、HOLD (保持)如需要保持当前测量的数值,按一下“HOLD”锁定,两边的箭头闪烁,再按解除。
三、功能说明:1、绝对角度测量:按下[电源开关]键直接进入绝对角度的测量状态,液晶屏将显示被测面与倾角仪之间的角度值。
当倾角仪工作面与水平面角度发生变化时,角度值将随之改变。
屏幕两端的水平水平提示箭头出现时,表示水平位置在(如一端出现“↓”),则表示该端在水平位置之下,要达到水平位置需抬高该端;反之在水平位置之上。
在水平位置时两端箭头消失。
2、相对角度测量把倾角仪放在第一个被测量面上,按(绝对/相对)键,显示为0.00°,将倾角仪移向第二个被测量面,此时液晶屏显示值为上述两个被测量面的相对夹角。
按下[绝对/相对]键3~5秒时,则转换为绝对角度的测量。
3、正反显示当倾角仪的测试面在下方时,显示为正显;当测试面在上方时,显示为反显。
(仪器倒置而显示的数字不倒)四、注意事项:1、本产品属精密仪器,禁止使用有机溶剂擦拭,注意防水防腐,使用时要轻拿轻放。
2、本产品工作面避免碰撞、磨损,测量后如有污物,请及时用软布擦拭干净,以免影响倾角仪的测量精度。
3、本产品在使用过程中,如在3分钟之内没有按任何功能键时自动关机,以便节约用电;当液晶屏电量提示符显示时,表明电池电量已耗尽,此时倾角仪停止测量,请及时更换规格为CR2032的3V电池。
文章标题:深入探讨scl3300倾角传感器转换成角度的公式
一、概述
在工程领域和科学研究中,倾角传感器被广泛应用于测量物体的
倾斜角度。
其中,scl3300倾角传感器因其高精度和稳定性而备受青睐。
但是,倾角传感器所得到的原始数据通常以电压或数字信号的形式呈现,我们需要借助特定的公式进行转换,以得到物体的真实倾斜角度。
本文将为你深入解析scl3300倾角传感器转换成角度的公式,帮助你
更好地理解和应用该传感器。
二、scl3300倾角传感器简介
scl3300倾角传感器是一种MEMS(Micro-Electro-Mechanical Systems)倾斜传感器,其核心部件包括微机械感应器和微电子技术。
它能够实时、精确地测量物体相对水平面的倾斜角度,通常用于测量
工程设备、航空航天器件和地质勘探等领域。
scl3300倾角传感器在工业自动化和智能化控制中具有重要的应用价值。
三、scl3300倾角传感器输出电压与角度间的关系
要将scl3300倾角传感器测得的原始电压信号转换成倾斜角度,
我们首先需要了解scl3300传感器的输出特性。
通常情况下,scl3300传感器输出的电压信号与其倾斜角度呈线性关系。
即可表示为以下公式:
V = kθ + b
其中,V表示传感器输出的电压信号,k为传感器的灵敏度系数,θ代表倾斜角度,b是偏置误差。
在实际应用中,我们需要通过实验测得k和b的具体数值,然后根据上述公式将原始电压信号转换成真实的倾斜角度。
四、scl3300倾角传感器角度转换公式的推导
为了更加深入地理解scl3300倾角传感器转换成角度的公式,我们将对上述公式进行推导。
1. 对公式进行改写,得到:
θ = (V - b)/k
其中,我们将公式中的V、k和b的位置进行调换,即可得到倾斜角度θ的表达式。
2. 使用最小二乘法,求解k和b的数值。
最小二乘法是一种数学优化方法,能够通过最小化误差的平方和来估计模型的参数。
具体求解过程略。
3. 将实验测得的k和b代入上述公式,即可得到最终的角度转换
公式。
五、个人观点和理解
作为工程师,我深知scl3300倾角传感器在工程测量和控制中的
重要性。
对于倾角传感器输出信号的转换,我更倾向于使用数学模型
进行推导和优化求解,以获得更准确可靠的角度转换公式。
对于
scl3300传感器的数据处理和校准,我建议结合现代信号处理和计算机仿真技术,进行数字滤波和系统辨识,以进一步提高传感器的精度和
稳定性。
六、总结与展望
通过本文的探讨,我们对scl3300倾角传感器转换成角度的公式
有了更加全面和深入的理解。
我们了解了该传感器的输出特性和角度
转换公式的推导过程,也共享了个人的观点和建议。
在未来,希望能
够结合更多的实际案例和应用场景,进一步完善scl3300倾角传感器
的角度转换公式,为工程和科学领域的测量和控制提供更可靠的技术
支持。
七、实际案例分析
为了更好地理解和应用scl3300倾角传感器的角度转换公式,我们
可以结合实际案例进行分析。
举例来说,在地质勘探领域,我们需要
测量地下岩层的倾斜角度以确定地质结构。
利用scl3300倾角传感器,我们可以实时、准确地获取岩层的倾斜角度数据,然后通过角度转换
公式将原始电压信号转换成真实的倾斜角度。
在石油钻探过程中,这
些准确的数据对于确定钻井的方向和深度至关重要。
另外,在工程测量和控制中,scl3300倾角传感器也被广泛应用。
比如在建筑工程中,我们可以利用该传感器对建筑物的倾斜角度进行
实时监测,确保建筑物的安全性。
通过角度转换公式,我们可以将传
感器输出的倾斜角度数据转换成可视化的图表或报告,为工程师提供
及时、准确的数据支持。
八、现代信号处理和计算机仿真技术在角度转换中的应用
随着科技的发展,现代信号处理和计算机仿真技术在角度转换中的
应用越来越重要。
在scl3300倾角传感器的数据处理和校准过程中,
我们可以借助数字滤波技术对传感器输出的信号进行平滑处理,消除
噪音和干扰,提高数据的准确性和稳定性。
通过系统辨识技术,我们
可以分析传感器的动态特性和非线性特性,在角度转换公式中引入更
多的参数和修正项,进一步提高角度转换公式的精度和可靠性。
计算机仿真技术也可以帮助工程师对角度转换公式进行优化和验证。
通过建立倾角传感器的数学模型,利用仿真软件进行大量的仿真实验
和参数优化,可以快速而准确地得到最优的角度转换公式。
这样不仅
能够节省成本和时间,同时也能够保证传感器在不同工况下的准确性
和稳定性。
九、进一步完善角度转换公式的展望
随着科学技术的不断发展,scl3300倾角传感器角度转换公式的完善仍然是一个持续的过程。
未来,我们可以结合更多的实际案例和数据,进一步优化倾角传感器的角度转换公式。
通过大规模的实验数据和仿真数据的支持,我们可以不断改进传感器输出的电压信号与实际角度之间的转换关系,提高传感器的测量精度和稳定性。
结合新型的数学模型和优化算法,我们也可以设计出更加通用和可靠的角度转换公式,满足不同领域和工况下的测量需求。
希望未来能够加强对scl3300倾角传感器角度转换公式的标准化和规范化。
通过建立统一的测试方法和验证流程,确保不同厂家生产的scl3300倾角传感器可以满足同一标准下的角度转换要求。
这样不仅能够提高传感器的通用性和可比性,同时也能够降低用户使用和维护的成本,促进传感器在各类工程和科学领域的广泛应用。
十、结语
在工程领域和科学研究中,scl3300倾角传感器是一种非常重要的测量工具。
通过本文的深入探讨,我们更加全面地了解了scl3300倾角传感器角度转换公式的原理和应用。
我们可以结合实际案例和现代技术手段,进一步完善和优化角度转换公式,为工程和科学领域的测量和控制提供更可靠的技术支持。
希望未来能够加强对倾角传感器角度转换公式的研究和标准化工作,推动传感器技术的不断进步和应用的广泛推广。