岩石坑爆破施工安全技术措施通用范本
- 格式:docx
- 大小:74.26 KB
- 文档页数:5
爆破施工安全技术措施爆破施工安全技术措施目录1 常规措施1.1 露天煤矿爆破作业必须遵守《爆破安全规程》,爆破施工作业人员必须熟练掌握安全生产知识、爆破安全规程并通过严格培训考核,否则不准上岗作业。
1.2 必须对爆破施工人员进行经常性的安全教育,严格执行三级安全教育及技术交底制度。
未经安全教育及交底的人员不准上岗作业。
1.3 接触爆炸物品的人员应穿戴抗静电保护用品。
1.4 爆破作业前,必须由爆破技术员及安全员进行验孔。
不合格的钻孔用黄土填堵,不准进行装药。
1.5 爆破前应绘制爆破警戒范围图,并实地标出警戒点的位置。
1.6 炸药车进场前,必须经过严格检查。
爆破区负责人必须对运输到爆破地点的爆炸物品进行检查。
验收无误后经双方签字,不准超出设计炸药量。
1.7 炸药专用车必须有明显的标志,并按指定路线行驶。
在行驶中不得与其他车辆抢行,严禁随意停车。
不允许无关人员搭乘。
冬季在冰雪路面上行驶,要有防滑措施。
汽车装运爆炸材料时,装运量不得超过汽车额定装载量的80%。
严禁炸药、雷管同车装运。
1.8 爆破作业必须在白天进行,严禁在雷雨时进行,严禁裸露爆破。
2 装药安全技术措施3 填塞安全技术措施4 连线安全技术措施5 起爆安全技术措施6 安全警戒措施7 爆破后检查措施8 盲炮处理安全技术措施9 浅孔爆破安全技术措施10 采空区上方爆破安全技术措施1.在爆破区域内放置和使用爆炸物品的地点,严禁烟火,非工作人员不得进入,距离爆破区域20米内严禁烟火,10米内严禁非工作人员进入。
2.1 爆破员进行现场装药工作时,必须按照技术交底进行作业,不得随意更改装药量和填塞长度。
在遇到特殊情况需要调整时,必须征得当日值班领导及爆破技术员同意后方可进行,并形成记录。
2.2 爆破员完成装药后必须形成装药记录。
2.3 爆破作业时,必须有专职安全员在现场监督。
2.4 装药过程中,不得拔出或硬拉起导爆管,必须保护好导爆管,不得踩到或被硬物硌到,不得对导爆管和炸药进行硬物冲击。
爆破安全技术措施总体来说,爆破施工环境十分复杂。
施工期间要确保自己、他人及周边建筑结构物的安全。
针对以上情况,采取以下主要措施来控制爆破地震波、冲击波个别飞散物、噪声、粉尘、有毒气体等爆破有害因素、做到安全文明施工,确保自己及他人安全、确保周边建筑物的安全。
严格控制齐发爆破总药量或延时爆破最大一段药量是控制爆破地震波、个别飞散物,确保自己及他人安全,做到安全文明施工的根本措施。
1.1 爆破震动安全距离1.1.1 合理选取K、a、m、VK、a~与地形、地质条件有关系数和衰减系数,现场岩石中硬偏软,按最不利取K=250,a=1.8(见GB 6722-2003《爆破安全规程》表5):m~药量系数:m=1/3(见GB 6722-2003《爆破安全规程》):V~振动安全允许速度:cm/s,GB 6722-2003《爆破安全规程》给出了“一般砖房、非抗震的大型砌块建筑物a”的爆破振动安全允许速度为≤2.3~3.0cm/s:“钢筋混凝土结构房屋a”的爆破振动安全允许速度为≤3.5~5.0cm/s:调查发现爆破区域周边的建筑物主要为钢筋混凝土结构。
为了确保建筑物的安全,做到不扰民,取V=2.0cm/s,这样就将有效控制齐发爆破总药量或延时爆破最大一段药量。
1.1.2 通用公式计算R=(K/V)1/a ×Q m或Q=R1/m(V/K)1/am取K=250,a=1.8,m=1/3时,V=2.0cm/s情况下爆破振动安全允许距离R与齐发爆破总药量Q或延时爆破最大一段药量Q的关系如下表:装药限量表3V=2.0 cm/s R(m)15 20 30 40 50 60 ≥60 Q(kg) 1.07 2.5 8.6 20 40 69 ≤69特别需要指出的是如果施工过程中发现新的障碍物,应重新选取爆破地震安全速度V值,重新进行爆破振动安全允许距离R与齐发爆破总药量Q的关系计算。
1.1.3 具体的最大起爆药量按照表3进行控制,同时满足以下要求:1.1.3.1 距离被保护建筑物小于15m的区域采用人工开挖或机械开挖。
爆破施工专项安全方案范本一、工程概况1.工程概述民治水电站位于___省雅安地区宝兴县境内东河上,为宝兴河梯级开发的第二级。
坝址位于宝兴县蜂桶寨乡上游约___km石门坎附近,厂址位于宝兴县蜂桶寨乡下游约___km的邓池沟附近,与宝兴县城相距约___km。
工程区有宝兴~小金省道公路通过,对外交通方便。
电站为引水式,其开发任务主要为发电,无灌溉、防洪、漂木等综合利用要求。
电站共装机___台,单机容量___MW,总装机容量为___MW。
本工程为民治水电站引水隧洞MZ/CII标工程,引水系统隧洞布置在右岸,隧洞长___Km,施工范围为引2+000~引7+000,设___个施工支洞,分别为2#、3#施工支洞,2#支洞承担引水隧洞引2+___m~引5+___m段所有施工任务,3#支洞承担引水隧洞引5+___m~引7+___m段所有施工任务。
全线采用马蹄形断面开挖。
Ⅱ、Ⅲ类围岩洞段开挖半径___m,断面尺寸___m______m(宽___高),采用锚喷衬砌,其中Ⅱ类围岩洞段边、顶拱喷素混凝土10cm厚,底板衬20cm厚素混凝土,局部地段采用挂网锚喷;Ⅲ类围岩洞段,边、顶拱挂网锚喷,喷混凝土厚15cm,挂网钢筋Φ6.5@___mm______mm,锚杆Φ22,L=___m,每排7/8根,排距___m,底板衬20cm厚素混凝土;Ⅳ、Ⅴ类围岩洞段采用钢筋混凝土衬砌,内断面尺寸均为___m______m(宽___高),内拱半径___m,其中Ⅳ类围岩衬厚40cm,Ⅴ类围岩衬厚60cm;混凝土衬砌段顶拱进行全线回填灌浆,周边进行固结灌浆。
2.工程地质(1)大水沟~桦溪林沟段(桩号(引)2+000~(引)2+___m)段长___km。
洞室垂直埋深约580~___m。
围岩主要为晋宁~澄江期第四期花岗岩,岩石坚硬,岩体内无区域性断层分布,主要发育小断层、挤压带和节理裂隙,岩体较完整,地下水一般呈浸润状或滴状渗出,围岩类别以Ⅲ类为主,局部节理裂隙密集带属Ⅳ类,小断层或挤压破碎带属Ⅴ类,成洞条件总体较好。
爆破施工安全技术措施爆破施工是一种危险性较高的作业,在进行这项工作时,必须严格遵守安全技术措施,以确保作业人员的安全。
下面是爆破施工安全技术措施的一些建议:1.制定详细的爆破方案:在进行爆破施工之前,必须制定详细的爆破方案。
该方案应该包括爆破区域的细节描述,爆破装置的选择和设置,爆破物质的种类和数量,以及爆破的定时和序列。
只有制定了合理的方案,才能确保整个爆破过程的安全。
2.定期进行安全检查:在进行爆破施工之前和施工中,必须进行定期的安全检查,以确保工作区域没有存在任何隐患。
检查包括爆破装置的安装和连接是否牢固,爆破物质的储存和使用是否符合规定,所有人员是否佩戴了必要的安全装备等等。
3.设立安全警戒线:在爆破施工区域周围,必须设立明显的安全警戒线。
这将帮助阻止未经许可的人员进入施工区域,以确保工作区域的安全。
4.拆除附近的建筑物:在进行爆破施工之前,必须拆除施工区域附近的建筑物。
这样可以确保在爆破施工过程中,无人员受伤或其他损害。
5.确保人员迅速疏散:在进行爆破施工时,必须制定明确的人员疏散计划,并确保人员能够迅速安全的离开工作区域。
在爆破之前,必须对人员进行适当的培训,以确保他们了解疏散计划并能够迅速行动。
6.控制爆破震动:爆炸会产生强烈的震动波,可能对施工区域内外的建筑物和设施造成损害。
因此,在进行爆破施工之前,必须评估爆破所产生的震动对周围建筑物的潜在影响,并采取相应的措施来减少震动。
7.轨迹预警:在爆破施工之前,必须通过模拟软件对爆破轨迹进行预测和仿真,确保爆破所产生的爆破能量沿着预定的轨迹传播,避免爆破能量通过地下通道或孔洞传播到不想破坏的区域。
8.限制爆破装置的接触:在爆破施工过程中,必须限制人员对爆破装置的接触。
只有经过必要的培训和授权的人员才能操控和操作爆破装置,以减少意外事故的发生。
9.防止爆破物泄漏:在爆破施工之前,必须确保爆破物质的储存和使用符合规定,并采取必要的措施来防止爆破物泄漏。
石方爆破专项安全施工方案石方爆破是在建筑、挖掘、矿山等工程施工过程中常见的一种破坏岩石、石头的方式。
然而,由于石方爆破施工所涉及的风险较大,必须制定专项安全施工方案。
下面是一份关于石方爆破专项安全施工方案的示例,供参考。
一、项目概述本项目是在某处施工场地进行的石方爆破作业,施工总面积为XXXX平方米,爆破对象为岩石石方。
爆破作业需要遵循国家和地方相关法规标准,并且必须保证施工现场人员、设备和周边环境的安全。
二、爆破前准备工作1. 撤离周边人员和设备:在爆破作业前,必须将施工现场周围的人员和设备撤离至安全地带,并设置警示标志和隔离带,确保没有人员和设备在爆破范围内。
2. 清理施工现场:对施工现场进行彻底清理,确保无杂物、可燃物或易爆物等危险物质。
3. 安排合适的施工团队:需要组建专业的爆破团队,团队成员必须具备相关的爆破作业经验和技能,同时需要监督和指导施工现场其他人员。
4. 获取相关许可证和文件:根据当地法规要求,申请并获取石方爆破的相关许可证和文件。
三、安全措施1. 制定详细的爆破方案:根据工程要求和现场实际情况,制定详细的爆破方案,包括爆破方式、装药量、起爆顺序等,并严格按照方案进行操作。
2. 分段爆破:对于较大的石方,采用分段爆破的方式,以减小爆破的冲击力,避免造成较大的震动和噪声。
3. 网眼控制:对于每一次爆破,根据岩石的强度和破碎需求,合理设置爆破网眼的大小和布局,避免造成过大的爆破区域和危险。
4. 安全距离控制:爆破区域应设立安全距离标志,工作人员和设备都必须保持安全距离,并且在爆破之前进行事先警示和广播通知。
5. 预警系统:在施工现场设置预警系统,用于提前发现异常情况,并及时采取相应措施。
预警系统可以包括声音、光线、振动等多种感应器。
6. 防护措施:爆破作业现场必须配备防护设施,如安全帽、防护服、防护眼镜等,工作人员必须佩戴防护装备进行作业。
7. 灭火器材准备:爆破作业现场必须备有灭火器材,并进行定期检查和维护,以防止发生火灾事故。
爆破施工安全操作规程范本1. 前言本规程是为了确保爆破施工过程中的安全,保护人员和设备的生命财产安全,特制定的操作规程。
施工单位及相关人员必须严格按照本规程操作,确保施工安全,减少事故发生的可能性。
2. 术语定义2.1 爆破:使用爆炸物品将岩石、建筑物等物体破坏或拆除的施工方法。
2.2 爆炸物品:指用于爆破施工的炸药、雷管等。
2.3 爆破工程:指进行爆破施工的工程项目。
3. 人员要求3.1 爆破施工负责人必须持有合法的爆破证书,并具备相关爆破施工经验。
3.2 执行爆破作业的人员必须经过严格的职业培训,并持有合法的操作证件。
3.3 爆破施工人员必须熟悉爆破施工工艺和规程,了解爆炸物品的性能和使用方法。
4. 工艺操作4.1 爆破施工前,必须制定详细的爆破施工方案,并经过相关部门的批准。
4.2 施工现场必须设立专门的爆破区域,严禁未经许可的人员进入。
4.3 爆破物品的储存和保管必须符合相关法规和标准,禁止在施工现场携带明火或易燃物品。
4.4 在爆破前,必须进行现场勘察和安全评估,确定施工范围和预警措施。
4.5 爆破作业前,必须组织人员进行安全教育和技术交底,确保每个人了解自己的工作职责和安全注意事项。
4.6 爆破作业时,必须按照规定的程序和顺序进行,严禁逆序或跳过操作步骤。
4.7 在爆破现场必须配备足够数量的灭火器材和急救设备,并组织专人负责。
5. 安全防护5.1 所有参与爆破作业的人员必须佩戴统一的安全防护服装,包括安全帽、防护眼镜、耳塞、防护手套等。
5.2 在进行爆破作业前,必须检查各种安全防护设备的完好性和可用性,确保其正常运行。
5.3 爆炸物品必须按照规定的方式和位置进行存放和搬运,禁止堆放在易燃物品旁边。
5.4 在爆破现场必须设置明显的安全警示标志,警示周围人员注意安全。
5.5 所有作业人员必须遵守安全操作规程,严禁违规行为或不当操作,如发现安全隐患,必须及时报告上级。
6. 废弃物处理6.1 爆破施工产生的废弃物必须及时清理,严禁乱丢乱倒。
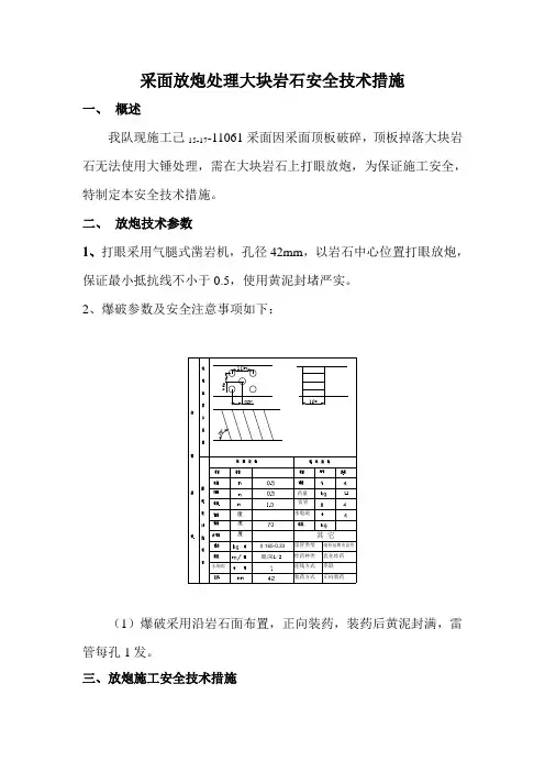
采面放炮处理大块岩石安全技术措施一、概述我队现施工己15-17-11061采面因采面顶板破碎,顶板掉落大块岩石无法使用大锤处理,需在大块岩石上打眼放炮,为保证施工安全,特制定本安全技术措施。
二、放炮技术参数1、打眼采用气腿式凿岩机,孔径42mm,以岩石中心位置打眼放炮,保证最小抵抗线不小于0.5,使用黄泥封堵严实。
2、爆破参数及安全注意事项如下:(1)爆破采用沿岩石面布置,正向装药,装药后黄泥封满,雷管每孔1发。
三、放炮施工安全技术措施1、爆破必须由专职爆破工担任,装药及充填炮泥、联线工作由爆破工负责。
2、必须严格按照《煤矿安全规程》、《操作规程》中打眼工、爆破工部分及爆破说明书的规定进行操作,不得擅自改变。
3、必须严格执行“一炮三检制”和“三人连锁放炮制”。
4、气腿式凿岩机打眼注意事项(1)、工作前准备:①准备本班所需要的钻杆、钻头、机油和其它工具。
②检查钻机各部件是否完好,并向储油器内注以适当的油量,上紧盖,同时确保油质清洁。
③检查风、水管是否畅通,吹出胶管内的水分和杂物。
④将开关渐次打开,检查风压、水压大小和钻机运转情况。
⑤检查钎尾长短等情况,不合格的禁止使用。
⑥打眼工必须将毛巾、衣服等围紧,袖口要扎紧,不得外露。
⑧在钻孔下风侧合适的位置悬挂瓦斯便携仪。
(2)、打眼施工过程:①操作上应注意先开风后开水,先关水后关风,并注意水压应低于风压,防止水倒流凿岩机气缸内部,破坏机器正常润滑,影响机器正常运转。
②待钻头钻入岩层后,点眼人员才能离开。
防止推钻用力过猛,断杆伤人。
油量不足时,要按风钻的型号、性能要求及时加油。
打眼工掌握好钻机的方向、角度,同时做到钻杆、眼口、风钻成一条直线。
钻架移动时,要2—3人配合,做好互保工作。
③打眼工打眼过程中严禁戴手套,并密切注意衣物等是否有松开现象,避免被高速旋转的风钻缠住伤人。
④经常观察机器的排粉情况,气腿凿岩机不允许拆出水针作业,或打干眼。
打钻过程中注意钻机是否排粉,如有异常,及时处理。
岩石爆破工程施工方案1. 概述本岩石爆破工程施工方案适用于xxx地段的岩石爆破项目,旨在保证施工过程的安全、高效和环保。
2. 施工前准备2.1 环保要求为减少施工对环境的影响,施工前应制定环保措施并经过审批。
同时,施工现场周边居民应提前告知并做好防护措施。
2.2 周边情况考察在施工前,应对周边的地质结构和民居进行全面检测和排查。
同时,应选定爆破点并确保爆破不影响周围建筑的安全。
2.3 施工材料准备准备好所需的爆破药剂、标志物、爆炸装置等材料,并确保其品质符合国家及行业标准。
3. 施工流程3.1 前置作业指在爆破前的清理、准备工作。
包括对爆破点周围的土石方进行挖掘和破碎,放置各类牵引绳、车辆移开等。
3.2 爆破作业3.2.1 洞眼钻孔按照设计方案,在选定的爆破点附近进行洞眼钻孔,同时要求洞孔开挖的直径、深度、倾角及异常情况进行严密地记录。
3.2.2 装药根据设计方案,将正确的爆破药剂加入洞孔中,并根据药剂种类、浓度和孔深等参数进行严格的操作。
3.2.3 安装引爆装置在爆破药剂装好后,应按照设计方案将引爆装置精确定位,并连接引爆线。
3.3 爆破后工作在爆破结束后,应对爆破点及周边进行清理,将岩石破碎物、钻孔残渣等清理干净。
同时,对民居周边的影响进行检测和控制。
4. 安全措施本方案的实施过程中,应配备防护用品,对现场作业人员进行安全教育和培训。
同时,应设立现场警戒线,确保外部人员和车辆不进入施工区。
5. 总结通过本岩石爆破工程施工方案,可以有效保证施工的安全、高效和环保。
为确保方案的实施效果,应对各个环节进行全面的监督和检测,及时修正工作中出现的问题。
岩爆隧道施工安全技术与风险控制一、风险分析岩爆是深埋地下工程在施工过程中常见的动力破坏现象。
当岩体中聚积的高弹性应变能大于岩石破坏所消耗的能量时,破坏了岩体结构的平衡,多余的能量导致岩石爆裂,使岩石碎片从岩体中剥离、崩出。
岩爆多发生在埋藏很深、整体、干燥和质地坚硬的岩层中。
常见的岩爆大多发生在隧道顶部或拱腰部位为新开挖的工作面附近,一般在开挖后几个小时内发生,也有的在开挖后较长时间内才发生。
岩爆的发生没有明显征兆,无空响的岩石一般认为不会发生掉落,但也可能突发坍塌,掉落的石块通常是中间厚、边缘薄、不规则的片状石块。
岩爆与断层、节理构造密切相关,当掌子面与断裂或节理走向平行时,极容易触发岩爆。
岩体中节理密度和张开度对岩爆有明显的影响。
掌子面岩体中有大量岩脉穿插时,也可能发生岩爆。
在我国,曾多次发生岩爆事故。
例如,2013年10月9日16时35分左右,云南省贡山县独龙江公路隧道内发生岩爆事故,造成岩石坍塌,3名施工人员不幸被坠落的岩石砸伤,由于伤势过重,经全力抢救无效不幸遇难。
相比于一般的隧道施工,岩爆隧道施工还具有如下主要风险:(1)强烈岩爆地段,若不采用即时受力锚杆并同时挂设钢筋网或柔性防护网,无法对岩石进行锚固等作用,极易发生岩爆落石而造成施工人员伤亡。
(2)若爆破方法选择不当,隧道周壁不圆顺,使得应力易集中,从而导致岩爆。
(3)若采用人工喷射混凝土,可能使作业人员遭到塌方落石伤害。
(4)施工机械操作部位前若无防护,作业人员易被岩爆弹射出的岩块砸伤。
二、风险控制重点(1)严防未及时施作即时受力锚杆、未及时挂设钢筋网或柔性防护网的不安全行为。
(2)杜绝不采用控制爆破(须采用光面爆破或预裂爆破技术)的不安全行为,杜绝装药量过大的不安全行为。
(3)人工喷射混凝土时,杜绝人身安全防护措施不到位的不安全状态。
(4)严防施工机械重要部位无防护钢板的不安全状态。
三、风险控制技术措施(1)隧道施工中可能发生岩爆时,应对开挖工作面前方的围岩特性、水文地质情况等进行预测、预报。
石方爆破专项安全技术方案一、工程概况我合同段起圪桩号为K24+260~K27+500,全长共3.24km;合同段金额为____亿元;主要工程量有大桥____米/2座,涵洞____米/5座,隧道____米/2道,路基挖方670329.68m3,填方235116.13m3,防护砌石18514.55m3。
本合同段有整体式和分离式两种路基断面形式。
整体式路基宽度为____米,其中:行车道2____米,硬路肩____米(包含右侧路缘带____米),土路肩____米,中央分隔带____米,左侧路缘带____米;分离式路基宽度为____米,其中:行车道2____米,右侧硬路肩____米(包含右侧路缘带____米),土路肩____米,左侧硬路肩____米(包含左侧路缘带____米)。
二、施工准备工作开工前,全面熟悉、核对设计文件,认真勘察施工现场了解地质状况。
首先对土石的工程分级与类别按规范进行鉴定,根据地质情况及爆破区周围环境条件确定,按浅眼松动控制爆破设计,边坡采用预裂爆破,以确保边坡坡面平顺,尽量避免扰动和损坏边坡岩体。
对于软石或强风化石,能用机械直接开挖的均用机械开挖。
施工时排水先行,后施工路基本体。
先测量出路堑的边线、中线,在路堑顶两侧每____米设一固定桩。
施工一段,成型一段并在施工中随时检查开挖坡度,严防超、欠挖。
三、石方爆破工艺流程、操作要点及注意事项平整工作面孔位放线钻孔孔位检查装药填塞网络连接安全警戒发令起爆爆破后检查解除警戒附石方爆破工艺流程图3.1平整工作面:施工前首先放出路堑边坡开挖线,并进行清理场地浮土、植被等。
平整工作面采用风钻打眼,浅孔爆破推土机整平,台阶宽度以满足钻机安全作业、移动自如,并能按设计方向钻凿炮孔。
3.2孔位放线:根据设计图测量放出孔位,从台阶边缘开始布孔,为确保钻机安全作业,边孔与台阶边缘要保留一定的距离。
炮孔要避免布置在松散岩层、节理发育或岩性变化大的岩石上。
如果遇到这些情况时候,可以调整孔位。
爆破施工安全技术措施爆破施工安全技术措施一、引言爆破施工是一种具有一定危险性的工程施工作业,为了保障人员的安全以及周边环境的安全,制定了一系列安全技术措施。
本旨在详细阐述爆破施工过程中的安全措施,包括施工前的准备工作、爆破作业的安全防护措施、爆破事故应急处理等。
二、施工前准备工作1. 指定专职爆破监理人员,负责统筹、协调和监督施工过程中的安全工作。
2. 开展爆破地区的勘察工作,确定地质条件、周边建筑物、交通道路等情况,并编制相应的勘察报告。
3. 制定爆破设计方案,明确爆破参数和爆破参数监测方案。
4. 编制施工组织设计,明确各岗位人员的职责和安全操作规程。
5. 成立安全管理小组,组织施工人员参加相关培训,并做好施工人员的身体状况筛查。
三、爆破作业安全防护措施1. 施工现场应设立明显的警示标识,限制非施工人员的进入。
2. 确保爆破场地周边区域的安全,采取警戒线、安全围挡等措施,防止炸药泄漏或者误伤他人。
3. 爆破设备和工具的运输、存放和使用必须符合相关规定,保证其安全可靠性。
4. 施工人员必须佩戴个人防护装备,并按要求参加安全教育培训。
5. 爆破过程中,应设置监测点,对震动、噪声、气体等指标进行监测,确保不超过允许范围。
6. 建立爆破作业记录,详细记录施工过程及监测数据,形成完整的工作报告。
四、爆破事故应急处理1. 配备专业救援人员和救援设备,及时处理爆破事故,并进行紧急救援。
2. 建立事故报告制度,及时上报爆破事故的相关情况,并进行调查分析,总结经验教训。
附件:1. 爆破勘察报告2. 爆破设计方案3. 施工组织设计4. 安全操作规程5. 安全培训记录6. 爆破作业记录法律名词及注释:1. 爆破施工:指使用爆炸能量进行工程破碎、破坏或挖掘的施工方式。
2. 爆炸参数:爆破作业中,控制爆破效果的物理参数,如炸药量、装药方式、引爆装置等。
3. 安全教育培训:针对爆破作业人员进行的安全知识培训和操作技能培训,旨在提高施工人员的安全意识和应急处理能力。
爆破安全作业技术措施爆破是一种常见的安全作业技术,主要用于破除或破坏建筑物、岩石、混凝土等材料结构,以达到开辟道路、建设基础设施、挖掘矿藏等目的。
然而,爆破作业存在较高的危险性,一旦操作不当,可能引发严重的安全事故。
因此,为了确保作业的安全进行,必须采取一系列的技术措施来规范作业过程。
以下将介绍一些爆破安全作业的技术措施。
第一,爆破前的详细调查和评估。
在进行爆破作业之前,必须对工程区域进行详细的勘测,确定地质情况、地下管线和障碍物的位置,评估作业的安全性和可行性。
同时,要制定合理的爆破方案,根据不同的工程特点和要求,选择适合的炸药类型、炸药量和引爆方式。
第二,爆破现场的严格管控。
爆破现场必须设置专门的防护区域,限制无关人员的进入,并配备专门的爆破负责人和作业人员。
爆破作业人员必须经过专业的培训和持证上岗,熟悉操作规程和安全技术要求。
同时,要建立健全的安全保障制度,落实安全责任,确保每个环节都符合安全要求。
第三,爆破作业的合理施工。
在进行爆破作业时,应确保作业人员按照爆破方案和作业程序进行操作,不得擅自修改或调整。
同时,要根据爆破对象的特点,采取合理的爆破方式和爆破参数,减少冲击波、飞石和外溅的威力和危害。
对于复杂的爆破作业,可以采取分段爆破、交替爆破等方法,确保每个爆破作业相互独立、互不干扰。
第四,爆破后的安全检查和处理。
在爆破作业完成后,必须进行安全检查,排除未爆炸的炸药和雷管,清理爆破碎片和杂物,修复和恢复受损的设施和环境。
同时,要及时记录和汇总爆破作业的相关资料和数据,总结经验教训,改进作业技术和安全管理,提高爆破作业的质量和安全水平。
综上所述,爆破安全作业的技术措施至关重要。
只有通过详细的调查和评估、严格的现场管控、合理的施工和完善的后期处理,才能有效预防爆破作业中的安全事故的发生,保障人员的生命安全和财产安全。
因此,在进行爆破作业时,必须严格按照相关规程和要求进行操作,确保作业的安全进行。
土石方爆破专项安全技术方案土石方爆破是在建设工程领域中广泛使用的一种技术,它可以使工人在非常短的时间内获取大量的土石材料,方便快捷,提高了工程的进度和效率。
但是土石方爆破工作的同时也带来了一定的安全隐患和带来的环境污染是难以回收的,如何在爆破作业中降低事故率,减少环境污染是一个重要的问题。
本文将从爆破前、爆破中、爆破后几个方面来讨论土石方爆破专项安全技术方案。
一、爆破前的安全措施1、制定爆破作业规程对于土石方爆破作业,必须制定完整的爆破作业规程,严格执行。
这个规程必须适用于整个工程所有爆破作业,其中需要详细说明作业时机、作业地点、爆破材料的储存、可接近地带的范围、爆破前的场地检查、力学特性测量,等重要事项。
在进行此项工作之前,召集所有可能参与其中的人员,获得他们的执行和签署。
2、场地布置在进行土石方爆破作业之前,应对场地进行全面的检查和分析,并消除可能存在的危险因素。
同时,需要对场地进行布置,对于关键区域和爆破区域,需要进行标志和区分。
同时保护区内周围的建筑和水源,及时清除可燃物和易燃物,在爆破前做好通风和防雷升降机电池降低事故率。
3、测量和监测在爆破作业之前,应进行现场的测量和监测,包括地下水位的测量、地质构造、地形、地质构造及检查爆破区域附近的管线、工程建筑物、道路等。
除此之外还需要使用合适的仪器设备检测爆破场地的震动和噪音情况,结合以前的工程数据和计算模型进行峰值预测,从而保证爆破作业的成功和安全。
二、爆破中的安全措施1、发炮时刻在发射爆破时,要确保现场有专门的指挥员统筹全局,做出全面水平监管,必要时及时下达停止工作的指令,以确保安全。
在发射爆破时,需要一套比较完整的应急措施,包括预备队伍、能源、干扰和抢救。
有特殊逼迫情况,需要在爆破前实施抢救计划。
2、爆破场地保护在爆破时,需要做好对爆破场地的保护工作,必要时应采取一些措施,例如,覆盖防尘布、遮挡防雨布、加固支撑、覆盖厚度较大的沙袋等。
如果地质构造特别复杂,需要挖掘防护壕沟,以防止工人误入危险区域造成伤害。
坚硬岩石条件下基坑爆破开挖施工技术措施摘要:会宝岭铁矿为实现扩能提效,对选矿工艺流程进行优化改造,特实施了多粒级磨前湿式预选厂房改造(皮带廊及转运站)工程。
工程基坑坐落在坚硬石英砂岩上,周围为10#皮带廊、锅炉房、粉矿仓等建筑、构筑物,属复杂环境下的石方控制爆破,为减小爆破整栋对周边建筑影响,制定了科学的爆破方案,严格控制每次爆破最大单段药量和总装药量,并采取了近体防护与隔离防护相结合的安全防护措施。
爆破作业取得了理想的效果,对类似坚硬岩石条件下的复杂环境爆破作业具有较大的借鉴意义。
关键词;坚硬石;砂岩上;近体防护;隔离防护1 概述1.1 工程概况会宝岭铁矿多粒级磨前湿式预选厂房改造(皮带廊及转运站)工程,改造环节包括2#~5#轴转运站部分以及东侧3个皮带廊。
2#~5#轴转运站基坑长约17m,宽约15m,深度为-3.200,石英砂岩段需下挖约2.6m;东侧3个皮带廊3个独立基础基坑长约3.4m,宽约3.4m,深度为-6.000,石英砂岩段需下挖1.7m。
1.2 周边环境皮带廊及转运站距离锅炉房3m;新皮带廊与原10#皮带廊相距20cm;新转运站与粉矿仓连接。
1.3 岩石条件基坑挖掘岩性主要为石英砂岩,裂隙较发育,裂隙频率6~8条∕米。
岩石饱和抗压强度69~176.4Mpa,抗剪强度5.14~9.96Mpa,岩石力学强度较高,为坚硬岩类,岩石质量指标25~70%,岩石质量差~中等。
2 设计方案该工程处于厂房、建筑集中区域,空间狭小,在爆破施工中必须做到减小爆破震动影响,同时做好安全防护措施,同时为加快施工进度,经研究确定采用潜孔钻及Ф90mm*4000mm六角中空合金钢钎配Ф90mm一字型合金钻头进行造孔,32#炸药,毫秒3段及毫秒10段导爆管,人工配合破碎锤、挖掘机出渣。
3 爆破作业原则及安全保障措施3.1 爆破作业原则3.1.1打浅眼、放小炮的原则严格控制每次爆破最大单段爆破药量和总装药量,最大限度减小爆破震动,加强炮孔填塞质。
岩石坑爆破施工方案范本一、施工方案1、校核分坑或降基面尺寸:根据杆塔中心桩和分坑辅助桩校核分坑和降基面尺寸。
2、打辅桩:在顺线路和线路垂直方向打辅桩,辅桩与中心桩的距离应保证在___过程中不被损害。
3、选炮眼位置:按照坑口位置和现场地质条件选择炮眼,沿坑的开挖轮廓线应布置间距较小的平行炮眼。
4、打眼:人工打眼或机械打眼。
5、装填___、___、导爆索:按照作业指导书装填,开挖轮廓线处的平行炮眼要减少药量,进行不耦合装药。
6、填塞炮泥:炮眼装药后,其余部分用炮泥填起来。
7、引爆:其它人员撤到安全区后,在监护人监护下由专人引爆。
8、清坑、恢复中心桩。
9、记录施工记录。
二、安全技术措施1、参加施工人员必须佩带安全帽,起爆人员必须持有___作业合格证,起爆时必须设监护人。
2、___材料的存放、发放、领取、回库等必须由专人负责,并作好记录,严格执行国家对于___材料的管理规定。
3、___、___必须分别携带,并放在专用箱内,不地放在衣袋内,多人携带时,两人之间的距离应保持___米以上。
4、___在使用前,必须进行外观检查和燃速实验,燃速速度不得低于___秒/米,在同一次___中不得使用燃速不同的___。
5、人工打孔时,打锤人应在扶钎人的侧面,注意避免滑锤伤人。
6、利用凿岩机或风动机打孔时,操作人员应先检查设备是否完好,操作时应戴口罩和风镜。
7、向炮眼内装填___和___时,必须轻填轻送,不得用力积压药包,严禁用金属工具向炮眼内捣送___和___。
8、安全警戒范围:一般顺抛掷方向___米,逆抛掷方向___米。
9、起爆前必须把___物品全部拿出危险警戒区,除监护人和点炮人外,其他人必须撤到安全区,双方联系确认危险区内无人后方可引爆,点炮后点炮人和监护人必须马上撤到安全区。
10、装药和起爆必须由一人担任,严禁由两人操作。
11、发生哑炮数不清时,必须等___分钟后方可进场处理,处理哑炮严禁直接从炮孔内掏取___和___,重新打孔时,必须与原孔方向一致,其间距离孔深不得小于___米,浅孔不得小于0.3—___米。
爆破施工注意事项及安全技术措施范本1:爆破施工注意事项及安全技术措施一、前言本文档旨在指导爆破施工的注意事项及安全技术措施,确保施工过程中的安全性和高效性。
二、施工准备1.施工区域划定:- 根据爆破设计方案,确定爆破区域的范围;- 标明施工区域的警示标志,确保人员和车辆遵守相应的限制。
2.交通和交通阻断:- 制定交通组织方案,确保施工区域周围的交通畅通;- 阻断施工区域的交通,并采取相应的道路标记和警示措施。
3.人员安排:- 指定专业的爆破工程师和炸药技术人员;- 配备足够数量的工作人员,确保施工过程中的安全和顺利进行。
4.设备和工具准备:- 确保所需的爆破设备和工具完好无损;- 检查爆破设备和工具的操作性能,确保其安全可靠。
三、施工过程控制1.爆破设计方案:- 依据爆破设计方案进行施工,严格按照规定参数进行操作;- 在施工过程中,确保与爆破设计方案的一致性。
2.安全防护措施:- 使用防护措施,如安全帽、防护眼镜、防护服等,以确保施工人员的人身安全;- 设置防护栏杆等设施,确保非施工人员不接近施工区域。
3.爆破物品运输和存储:- 采取合适的运输工具和运输容器,确保爆破物品的安全运输;- 设立专门的存储区域,妥善保管爆破物品,防止非法操作和事故发生。
四、应急预案1.爆破事故应急预案:- 建立完善的爆破施工事故应急预案;- 制定合理的逃生路线和集合地点,确保施工人员的安全。
2.协调和沟通:- 建立施工现场和相关单位之间的协调沟通机制;- 确保危险源信息的及时传递和共享。
3.事故报告和调查:- 对发生的爆破事故进行及时报告,并进行详尽的调查;- 根据调查结果,采取相应的纠正措施,以避免类似事故再次发生。
附件:- 爆破设计方案- 爆破工程师和炸药技术人员的证书法律名词及注释:- 爆破设计方案:爆破施工过程中,根据具体情况制定的详细方案,包括爆破的时间、地点、方式等。
- 防护栏杆:设置在施工区域边缘或存在危险物品的区域,起到警示和阻挡的作用,防止人员不慎接近。
石方爆破施工安全技术措施引言石方爆破施工是在工程建设过程中常见的一种技术手段,用于快速破碎岩石以便于施工。
然而,石方爆破施工涉及到爆炸、噪音、振动等安全隐患,如果不采取相应的安全技术措施,将会对工程人员和周围环境造成严重伤害。
因此,掌握石方爆破施工安全技术措施是非常重要的。
安全技术措施在进行石方爆破施工时,必须采取一系列的安全技术措施来保障工程人员和周围环境的安全。
下面将介绍一些常用的石方爆破施工安全技术措施:1. 前期勘察和设计在进行石方爆破施工之前,必须进行充分的前期勘察和设计工作。
通过综合分析工程地质条件、岩石力学性质和周围环境特点,确定合理的爆破参数和施工方案。
这样可以最大限度地降低爆炸带来的危险性。
2. 安全防护措施在石方爆破施工现场必须设置必要的安全防护措施。
例如,设置警示牌、围挡和安全警戒线,以警示周围人员不得靠近爆破区域。
此外,还需派专人负责现场安全管理,确保施工过程中的安全。
3. 爆破参数控制在石方爆破施工过程中,合理控制爆破参数是确保安全的关键。
爆破参数包括药量、装药方式、引爆时间等,必须根据岩石性质和爆破效果需求进行合理设计。
同时要注意避免过度振动和噪音对周围环境造成的影响。
4. 监测和预警系统在石方爆破施工现场应配备监测和预警系统,用于实时监测爆破过程中的振动、噪音等参数,并及时预警。
这样可以在爆破参数失控时及时采取措施避免事故的发生。
5. 施工人员培训对从事石方爆破施工的人员进行必要的培训是确保施工安全的基础。
培训内容应包括石方爆破施工的基本原理、安全规范和操作技能等。
培训后,应进行考核并颁发相应的证书,以保证施工人员具备相应的安全意识和操作能力。
6. 应急救援措施在石方爆破施工现场应设置完善的应急救援措施。
应急救援措施包括制定应急预案、设置应急通讯设备、配备急救器材等。
针对具体的风险情况,制定应急预案,并进行定期演练,以确保在事故发生时能够及时有效地进行救援。
结论石方爆破施工安全是保障工程人员和周围环境安全的重要任务。
内部编号:AN-QP-HT290
版本/ 修改状态:01 / 00
The Production Process Includes Determining The Object Of The Problem And The Scope Of Influence, Analyzing The Problem, Proposing Solutions And Suggestions, Cost Planning And Feasibility Analysis,
Implementation, Follow-Up And Interactive Correction, Summary, Etc.
编辑:__________________
审核:__________________
单位:__________________
岩石坑爆破施工安全技术措施通用范
本
岩石坑爆破施工安全技术措施通用范本
使用指引:本解决方案文件可用于对工作想法的进一步提升,对工作的正常进行起指导性作用,产生流程包括确定问题对象和影响范围,分析问题提出解决问题的办法和建议,成本规划和可行性分析,执行,后期跟进和交互修正,总结等。
资料下载后可以进行自定义修改,可按照所需进行删减和使用。
1、参加施工人员必须佩带安全帽,起爆人员必须持有爆破作业合格证,起爆时必须设监护人。
2、爆破材料的存放、发放、领取、回库等必须由专人负责,并作好记录,严格执行国家对于爆破材料的管理规定。
3、炸药、雷管必须分别携带,并放在专用箱内,不地放在衣袋内,多人携带时,两人之间的距离应保持15米以上。
4、导火索在使用前,必须进行外观检查和燃速实验,燃速速度不得低于110秒/米,在同一次爆破中不得使用燃速不同的导火索。
5、人工打孔时,打锤人应在扶钎人的侧面,注意避免滑锤伤人。
6、利用凿岩机或风动机打孔时,操作人员应先检查设备是否完好,操作时应戴口罩和风镜。
7、向炮眼内装填炸药和雷管时,必须轻填轻送,不得用力积压药包,严禁用金属工具向炮眼内捣送炸药和雷管。
8、安全警戒范围:一般顺抛掷方向200米,逆抛掷方向100米。
9、起爆前必须把爆破物品全部拿出危险警戒区,除监护人和点炮人外,其他人必须撤到安全区,双方联系确认危险区内无人后方可引爆,点炮后点炮人和监护人必须马上撤到安全区。
10、装药和起爆必须由一人担任,严禁由两人操作。
11、发生哑炮数不清时,必须等20分钟后方可进场处理,处理哑炮严禁直接从炮孔内掏取炸药和雷管,重新打孔时,必须与原孔方向一致,其间距离孔深不得小于0.6米,浅孔不得小于0.3—0.4米。
12、爆破地点与建筑物的距离较近时,应采取安全可行的措施后方可起爆,特殊爆破,应制定相应的施工和安全措施。
13、严禁使用变质失效的爆破材料,对于失效的爆破材料应采取可靠的方法处理,不得任意销毁。
严格遵守GB6722《爆破安全规程》的有关规定。
14、爆破施工必须与附近警戒人员和居民
取得联系,交通路口应设专人看守,并鸣笛预告,待危险区内无人后方可点炮。
15、施工中严格执行《电力建设安全工作规程架空电力线路部分》的有关部分和《爆破安全规程》的有关部分。
可在此位置输入公司或组织名字
You Can Enter The Name Of The Organization Here。