防爆工具
- 格式:docx
- 大小:33.40 KB
- 文档页数:20
防爆工具安全使用管理规定集团企业公司编码:(LL3698-KKI1269-TM2483-LUI12689-ITT289-防爆工具安全使用管理制度一、定义本标准采用如下定义防爆工具本身具有在工具与工件或设备等碰撞、摩擦时不产生火花的特性的工具。
二、防爆工具的选购与储存1采购部门必须选购经检验合格,符合国家标准要求的防爆工具;使用单位必须使用经检验合格,符合安全技术要求的工具。
2防爆工具由各车间部门申报,由采购部统一进行选购。
3防爆工具必须存放在干燥、无腐蚀性化学品的场所。
4防爆工具的储存应由专人保管,必须设置领用、发放台帐。
三、防爆工具的安全使用要求1公司《防爆区管理制度》规定的防爆区内一切与易燃易爆品接触的设备维修、生产操作必须使用防爆工具,若需使用不锈钢工具时必须进行严格论证并采取必要的防护措施后使用。
2防爆工具严禁加套管超负荷使用,除敲击扳手类以外不得敲击,以免引起因超载断裂和变形,影响正常使用。
3在使用工具过程中应根据需要合理选择其品种规格,不得以小代大,更不得把它当做钢制工具一样来对待,在使用活扳手、管钳、呆扳手时,要注意受力方向的要求,不得任意反向用力,在使用带刃的工具时,首先应测定工件本身的硬度,如其硬度接近工具硬度时,应仔细小心操作,高于工具硬度时则禁止使用。
4当工件是由机动旋紧的、半永久性固定的或严重锈蚀的,而使用手动工具前又不采取其他措施的,应禁止使用,以免损坏工具。
5对于防爆区内作业防爆工具性能无法满足需要时应在普通工具表面涂抹黄油,以增加其防爆性能。
四、考核1对于防爆区内未按规定使用防爆工具且未采取任何措施,未造成事故的单位,扣罚当月安全考核分0.5-3分,并扣罚违章作业人员100-200元罚款;外协单位罚款200-500元;对于造成事故的单位按《公司事故管理制度》进行处理。
2对于不按防爆工具的安全使用要求使用防爆工具的未造成工具损坏的,扣罚违章作业人员50-100元罚款;对于造成防爆工具损坏的按原价进行赔偿。
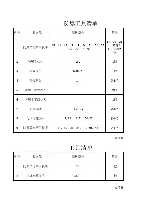
防爆工具清单
存放地点工具清单
存放地点
1手拉葫芦HSZ 2型 手拉葫芦 2吨 起升高度3米
HSZ 1型 手拉葫芦 1吨 起升高度3米
HSZ 1型 手拉葫芦 1吨 起升高度3米
4只
2直流焊机型号 WS 400A 电压 380V1部3氧气乙炔切割常规氧气瓶 乙炔瓶 30割刀1套
4台钻型号 Z516-1A 功率 550W
电机转速 1400r/min
最大钻孔直径 16mm
1台
5台钳型号 5寸重型
钳口宽12.5cm 开口12cm 全长41cm
高19.5cm 底盘孔距14cm/20cm
1台
6防爆风机型号 BSFT-40 电压380V
转速1450r/min
风量5860m³/h
功率750W
1台
7螺旋千斤顶型号 重型立式液压千斤顶
额定载重量2000kg
最低高度158mm
起升高度90mm
调整高度60mm
最高高度308mm
净重22kg
2个
放地点:中控室
放地点:装车台。
防爆工具安全使用管理制度一、定义本标准采用如下定义防爆工具本身具有在工具与工件或设备等碰撞、摩擦时不产生火花的特性的工具。
二、防爆工具的选购与储存1 采购部门必须选购经检验合格,符合国家标准要求的防爆工具;使用单位必须使用经检验合格,符合安全技术要求的工具。
2 防爆工具由各车间部门申报,由采购部统一进行选购。
3 防爆工具必须存放在干燥、无腐蚀性化学品的场所。
4 防爆工具的储存应由专人保管,必须设置领用、发放台帐。
三、防爆工具的安全使用要求1 公司《防爆区管理制度》规定的防爆区内一切与易燃易爆品接触的设备维修、生产操作必须使用防爆工具,若需使用不锈钢工具时必须进行严格论证并采取必要的防护措施后使用。
2 防爆工具严禁加套管超负荷使用,除敲击扳手类以外不得敲击,以免引起因超载断裂和变形,影响正常使用。
3 在使用工具过程中应根据需要合理选择其品种规格,不得以小代大,更不得把它当做钢制工具一样来对待,在使用活扳手、管钳、呆扳手时,要注意受力方向的要求,不得任意反向用力,在使用带刃的工具时,首先应测定工件本身的硬度,如其硬度接近工具硬度时,应仔细小心操作,高于工具硬度时则禁止使用。
4 当工件是由机动旋紧的、半永久性固定的或严重锈蚀的,而使用手动工具前又不采取其他措施的,应禁止使用,以免损坏工具。
5 对于防爆区内作业防爆工具性能无法满足需要时应在普通工具表面涂抹黄油,以增加其防爆性能。
四、考核1 对于防爆区内未按规定使用防爆工具且未采取任何措施,未造成事故的单位,扣罚当月安全考核分____分,并扣罚违章作业人员____元罚款;外协单位罚款____元;对于造成事故的单位按《公司事故管理制度》进行处理。
2 对于不按防爆工具的安全使用要求使用防爆工具的未造成工具损坏的,扣罚违章作业人员____元罚款;对于造成防爆工具损坏的按原价进行赔偿。
五、防爆工具的维护与保养要求1防爆工具停用后,应随时擦拭干净;半年内不用者应涂油或用防腐法保存,停用一年以上的应涂油装入袋或箱内储存。
防爆工具大全—河北四凯防爆工具制造有限公司专业生产产品分类防爆工具系列:防爆套筒类防爆套筒头(9mm)防爆套筒头(8mm)防爆套筒125 接杆防爆套筒75 万向接头防爆套筒13/16 防爆230 弯柄防爆接杆防爆滑行头手柄防爆方孔棘轮扳手防爆套筒头(7mm)防爆套筒头(6mm)防爆套筒头(5mm)防爆套筒头(16mm)防爆套筒头(17mm)防爆套筒头(18mm)防爆套筒头(4mm)防爆套筒头(19mm)防爆套筒头(20mm)防爆套筒头(21mm)防爆套筒头(22mm)防爆套筒头(23mm)防爆快速摇柄防爆套筒头(24mm)防爆套筒头(26mm)防爆套筒头(27mm)防爆套筒头(28mm)防爆套筒头(30mm)防爆套桶头(32mm)防爆3/4" 系列手动套筒头防爆扳手类防爆圆柄套筒棘轮扳手防爆方孔棘轮扳手防爆万能开桶扳手防爆开桶扳手防爆油管扳手防爆摩擦式棘轮扳手防爆L 型双头套筒扳手防爆L 型弹头套筒扳手防爆内四角扳手防爆弯柄防爆接杆防爆变径接头防爆直接头防爆可调式勾扳手防爆换向撬棒棘轮扳手防爆爪型阀门扳手防爆氧气瓶扳手防爆快速加力扳手防爆扭力扳手防爆快速摇柄防爆敲击梅花扳手(德标)防爆弯柄敲击呆扳手防爆撬棒梅花扳手防爆角座梅花扳手防爆弯柄单头梅花扳手防爆凸型单头梅花扳手防爆高颈单头梅花扳手防爆直柄单头梅花扳手防爆直颈双头梅花扳手防爆撬棒呆扳手防爆角座呆扳手防爆单头呆扳手防爆弯柄呆扳手防爆凸型敲击梅花扳手防爆旋具接头防爆转向手柄防爆万向接头防爆单头C 扳手防爆双头C型扳手防爆防滑F 扳手防爆加长球头内六角扳手防爆弯柄敲击梅花扳手防爆滑行头手柄防爆棘轮扳手防爆阀门反手防爆万能扳手防爆成套双头呆扳手防爆套筒棘轮扳手防爆双头梅花扳手22*24( 喷... 防爆双头呆扳手22*24(喷涂. 防爆双头呆扳手防爆250mn六方錾子防爆16mn内六角防爆18mn内六角扳手(六方)防爆勾扳手防爆高颈撬棒梅花扳手(30nn ... 防爆敲击梅花扳手防爆德标敲击呆扳手防爆方头F 扳手防爆轻型桶盖扳手(单头)防爆乙炔瓶扳手防爆活扳手300*36 防爆活板手150*19 防爆浸塑柄活扳手(200 ...防爆重型桶盖扳手防爆圆头轧花柄F扳手30*2 ... 防爆双头梅花扳手30*32n ... 防爆双头梅花扳手27*30n ... 防爆双头梅花扳手24*27n ... 防爆双头梅花扳手19*22n ... 防爆双头梅花扳手17*19n ... 防爆双头梅花扳手14*17n ... 防爆呆梅两用扳手19nn 防爆双头呆扳手30*32nn 防爆双头呆扳手27*30nn防爆双头呆扳手24*27mm防爆双头呆扳手19*22mm防爆双头呆扳手17*19mm防爆双头呆扳手14*17mm防爆双头呆扳手12*14mm防爆双头呆扳手10*12mm防爆圆头轧花柄 F 扳手70*6 ... 防爆圆头轧花柄 F 扳手60*5 ... 防爆圆头轧花柄 F 扳手50*4 ... 防爆内六角扳手14mm防爆内六角扳手12mm防爆内六角扳手10mm防爆内六角扳手8mm防爆撬棒呆扳手(喷涂)防爆直柄单头梅花扳手防爆双头呆扳手防爆双头梅花扳手12*14m ...防爆套筒棘轮扳手防爆单头36mn呆扳手防爆T 型内六角扳手防爆内六角扳手6mm防爆成套双头梅花扳手防爆敲击呆扳手防爆敲击梅花扳手防爆活扳手防爆呆梅两用扳手17mm 双头梅扳手防爆圆头F 扳手防爆直柄梅扳手防爆钳子类防爆链条管子钳防爆链条管子钳防爆管子钳(美式重型)防爆顶切钳防爆铝合金柄管子钳防爆尖嘴钳防爆克丝钳160mm 防爆斜嘴钳防爆断线钳防爆橡胶柄鲤鱼钳防爆鲤鱼钳防爆叠置式水泵钳防爆管子钳(英式)防爆克丝钳180mm防爆鲤鱼钳防爆旋具类防爆一字电工旋具防爆一字橡胶柄旋具(125* ...防爆十字塑柄旋具防爆一字塑柄旋具250*1. ... 防爆十字橡胶柄旋具4#*9* ... 防爆十字橡胶柄旋具(1#' 5' 防爆一字橡胶柄旋具(200*1 ...防爆锤斧类防爆黄铜圆头锤黄铜双面锤防爆纤维柄钳工锤防爆木柄除锈锤防爆纤维柄扁尾锤防爆圆头锤防爆木柄铜顶斧防爆木柄双刃斧防爆钎维柄羊角锤防爆木柄羊角锤0.55kg 防爆钎维柄德式钳工锤防爆木柄石工锤防爆塑柄紫铜八角锤5P 防爆木柄羊角锤0.35kg 防爆纤维柄八角锤10P 防爆纤维柄八角锤6P 防爆纤维柄八角锤3P 防爆钎维柄八角锤2P 防爆纤维柄圆头锤1.36kg 防爆纤维柄圆头锤0.91kg 防爆纤维柄圆头锤0.68kg 防爆木柄圆头锤0.91kg 防爆木柄圆头锤0.68kg 防爆木柄羊角锤0.25kg 防爆木柄八角锤1.8kg 防爆木柄八角锤1.4kg 防爆木柄八角锤3.6kg 防爆木柄八角锤2.7kg 防爆木柄圆头锤0.45kg 防爆木柄八角锤0.9kg 防爆消防斧防爆塑柄黄铜圆头锤防爆长柄尖尾检验锤防爆塑柄圆头锤防爆纤维柄除锈锤(0.4KG)防爆锨铲类防爆尖头平抹子防爆方头平抹子防爆刮板防爆除尘耙子防爆夹柄油灰刀防爆除锈铲(木柄)防爆簸箕(带柄)250*270 . ..防爆簸箕280*230mm,0 ...防爆煤锨2#510*275m ...防爆尖锨2#420*220m ...防爆方锨2#420*220防爆方锨(喷涂)2#420* ...防爆尖锨(喷涂)2#420* ...防爆煤锨(喷涂)2#510*2 . ..防爆弧形除锈铲防爆塑柄油灰刀。
防爆工具安全使用管理规定文件编码(008-TTIG-UTITD-GKBTT-PUUTI-WYTUI-8256)一、定义本标准采用如下定义防爆工具本身具有在工具与工件或设备等碰撞、摩擦时不产生火花的特性的工具。
二、防爆工具的选购与储存1采购部门必须选购经检验合格,符合国家标准要求的防爆工具;使用单位必须使用经检验合格,符合安全技术要求的工具。
2防爆工具由各车间部门申报,由采购部统一进行选购。
3防爆工具必须存放在干燥、无腐蚀性化学品的场所。
4防爆工具的储存应由专人保管,必须设置领用、发放台帐。
三、防爆工具的安全使用要求1公司《防爆区管理制度》规定的防爆区内一切与易燃易爆品接触的设备维修、生产操作必须使用防爆工具,若需使用不锈钢工具时必须进行严格论证并采取必要的防护措施后使用。
2防爆工具严禁加套管超负荷使用,除敲击扳手类以外不得敲击,以免引起因超载断裂和变形,影响正常使用。
3在使用工具过程中应根据需要合理选择其品种规格,不得以小代大,更不得把它当做钢制工具一样来对待,在使用活扳手、管钳、呆扳手时,要注意受力方向的要求,不得任意反向用力,在使用带刃的工具时,首先应测定工件本身的硬度,如其硬度接近工具硬度时,应仔细小心操作,高于工具硬度时则禁止使用。
4当工件是由机动旋紧的、半永久性固定的或严重锈蚀的,而使用手动工具前又不采取其他措施的,应禁止使用,以免损坏工具。
5对于防爆区内作业防爆工具性能无法满足需要时应在普通工具表面涂抹黄油,以增加其防爆性能。
四、考核1 对于防爆区内未按规定使用防爆工具且未采取任何措施,未造成事故的单位,扣罚当月安全考核分分,并扣罚违章作业人员100-200元罚款;外协单位罚款200-500元;对于造成事故的单位按《公司事故管理制度》进行处理。
2 对于不按防爆工具的安全使用要求使用防爆工具的未造成工具损坏的,扣罚违章作业人员50-100元罚款;对于造成防爆工具损坏的按原价进行赔偿。
五、防爆工具的维护与保养要求1 防爆工具停用后,应随时擦拭干净;半年内不用者应涂油或用防腐法保存,停用一年以上的应涂油装入袋或箱内储存。
炼油厂为例来说明部分防爆工具的应用1) 炼塔: 通常塔内有大量的易燃可燃液体或在高温高压状态下运转的气体。
若设计不当、施工质量差、管理不善、违章操作等,都可能出现跑、漏油。
而在其周围生成一定浓度的可燃气体。
此时炼塔进行维修,必须用防爆活扳手,防爆呆扳手或防爆梅花扳手。
对于拧得较紧的螺母(栓)可用防爆铲或防爆顶尖加以振动。
2) 油罐: 因油罐周围存有一定浓度的可燃气体与空气的混合物,在修理时也离不开防爆呆扳手和防爆敲击扳手。
在清洗和检修储罐过程中,曾发生过火灾,爆炸和气体中毒等偶然事故。
从事故报告中可以看出,主要原因是清罐人员在处理新的或异常的情况时,缺乏知识和经验。
在大多数油罐的清洗和检修操作中(包括人员进人罐内)可能存在的危险之一是使用非防爆工具。
应使用防爆扳手或其它防爆工具。
另外在清除油罐的油泥时,还要使用防爆开山锄、防爆锹、防爆簸箕、防爆泥铲以及防爆扁铲、防爆顶尖和防爆钳、锤。
铁路油槽车运行过程,因装油口是用铅封密封的,挥发的油气难以泄出。
除特殊情况(如撞车、出轨等),一般不会发生火灾。
火灾大多数发生在装油过程中和运输过程中,其主要原因是静电起火和装油点较高油品从高处向低处高速喷酒流进槽车。
雾状油滴与空气、车壁摩擦、撞击,产生十量静电,并积聚在油品中,一旦放电,即可引起着火。
再者,在运输过程中车辆的运转摩擦等产生静电火花而引起油槽车燃烧爆炸。
避免上述火灾和爆炸的措施之是使产生的静电及时导走,故在每辆车上必须安装防爆拖地链。
3) 炼油厂中使用的机动车绝大部分是内燃机车,在防爆方面内燃机车较蒸汽机车安全。
但内燃机车运行过程仍有油品燃烧不完全的现象。
因此,在总排气管的管壁上常附着一些炭粒,日久天长越积越厚。
当机车启动,产生较大冲力时,附着在管壁上的高温炭粒便会从烟囱喷出。
同样,汽车排气管也会喷出一些火星。
这对于经常散发易燃、可燃液体和可燃气体的炼油厂来说,很不安全。
因此机车和汽车进人炼油厂时,均应在烟囱和排气管上加装防火罩。
一、产品分类防爆仪器仪表类产品2314主要包括以下几类产品:1. 防爆仪表:用于在易燃易爆的环境中进行测量和监控,确保安全生产。
2. 防爆仪器:用于检测和分析用于易燃易爆的环境中的物质的仪器设备。
3. 防爆工具:适用于易燃易爆环境的维修、安装和调试工作所需的工具。
二、产品特点1. 高安全性:防爆仪器仪表类产品2314经过严格的防爆设计和测试,具有良好的防爆性能,确保在危险环境中使用时安全可靠。
2. 精准测量:产品具有高精度的测量功能,能够满足对于在易燃易爆环境中的精准监测和测量需求。
3. 耐用可靠:产品采用优质材料和先进工艺制造,具有耐高温、耐腐蚀、抗震抗压等性能,能够在恶劣环境下长期稳定运行。
4. 易操作维护:产品设计合理,操作简便,维护方便,用户可根据需要快速进行操作和维护。
三、应用领域防爆仪器仪表类产品2314广泛应用于石油、石化、化工、冶金、航天、船舶等行业,具体包括以下几个方面:1. 石油化工:在炼油、化工生产过程中用于监测和控制各种易燃易爆化学品的浓度、压力、温度等参数。
2. 煤矿瓦斯:用于监测煤矿瓦斯浓度,预警和防范瓦斯爆炸事故。
3. 船舶船舵:在船舶船舵系统中用于测量舵机压力、液位和温度等参数,确保舵机系统安全运行。
4. 火箭发射场:在火箭发射场用于监测各种燃料和氧化剂的浓度和压力,确保火箭发射过程中的安全。
5. 石油钻采:在石油钻采过程中用于监测井下气体、油压等参数,确保井下作业安全进行。
四、技术发展趋势随着我国石油、化工、矿山等行业的不断发展,防爆仪器仪表类产品2314的市场需求将会不断增加。
为了满足市场的需求,产品技术发展趋势主要包括以下几个方面:1. 高精度、高可靠性:产品将会朝着精度更高、可靠性更强的方向发展,以满足用户对于精准监测和安全可靠性的需求。
2. 智能化:产品将会加大在智能化方面的研发力度,采用先进的传感器技术、数据处理技术,实现远程监测、自动控制等功能。
3. 多功能化:产品将会朝着一机多能的方向发展,满足用户在不同场景下的多种监测需求。
防爆工具的使用方法1.钛合金爆破筒的使用方法:- 按照使用手册中的指示正确安装和装填爆破筒。
- 经过仔细检查和确认安全后,瞄准目标,并按下引爆按钮。
2.防爆手电筒的使用方法:- 在使用前,确保电池良好,开启开关。
- 使用手电筒时保持一定的距离,避免触及易燃或易爆物品。
- 尽量避免长时间连续使用手电筒,以免过热。
3.防爆工具箱的使用方法:- 将防爆工具放置在指定位置,确保易于取用。
- 使用工具前,确保工具和工具箱都没有损坏,以免发生意外。
4.防爆手套的使用方法:- 在使用手套前,检查手套是否有磨损或损坏。
- 佩戴防爆手套时,抓取物体时应保持适当的力度,避免手套破裂。
5.防爆面罩的使用方法:- 佩戴面罩时,确保面罩与脸部贴合,面罩上的滤镜应处在适当位置。
- 使用前,检查面罩上的滤镜是否清晰,如有模糊或损坏应及时更换。
6.防爆手推车的使用方法:- 在使用手推车前,检查轮胎和车架是否完好,确保承重安全。
- 在移动易爆物品时,小心驾驶手推车,保持平稳,防止发生意外。
7.防爆工业吸尘器的使用方法:- 打开吸尘器前,确保吸尘器和过滤器无任何损坏或堵塞。
- 使用过程中,保持吸尘器和附属设备与易燃物保持一定的距离。
8.防爆扳手的使用方法:- 使用扳手前,检查扳手是否损坏或生锈,确保使用的扳手能够正常工作。
- 在紧固或松开螺栓、螺母时,应适度用力,避免过度用力导致扳手损坏。
9.防爆草坪割草机的使用方法:- 在使用草坪割草机前,检查刀片是否锋利,机器是否正常工作。
- 使用时,保持安全距离,并确保草坪割草机周围没有易燃物。
10.防爆手持仪表的使用方法:- 在使用仪表前,确保仪表电池充足,仪表没有损坏。
- 仪表的使用时,应按照指示正确操作,避免仪表受到冲击或高温。
11.防爆防护服的使用方法:- 在佩戴防护服前,检查服装是否完好,是否有任何破损。
- 佩戴防护服后,将拉链拉至合适位置,确保防护服与身体贴合。
12.防爆地毯的使用方法:- 在铺设地毯前,检查地毯是否有损坏或磨损。
防爆工具原理及应用防爆工具主要指的是用于防护在爆炸环境下工作的人员的工具。
爆炸环境中,存在着可燃气体、蒸汽或粉尘,并且与空气混合形成可燃物质,一旦有火源引发点火,就会产生爆炸。
因此,在这种环境下工作需要使用防爆工具来保护人员的安全。
防爆工具的原理主要是通过防爆材料和防爆结构的设计来实现的。
防爆材料是指能够抵御爆炸冲击波、热辐射、火焰和飞溅物的材料,如防爆玻璃、防爆塑料和防爆涂料等。
防爆结构是指在工具的设计中采用了密封、防护和耐磨损等措施,以减轻爆炸冲击波对工具的影响,确保工具能够在爆炸环境下正常工作。
防爆工具的应用广泛,包括石油、化工、天然气、煤矿、军工等领域。
在石油和化工行业中,防爆工具被广泛应用于石油钻井、炼油、化工厂等作业场所。
这些场所存在着大量的可燃气体和蒸汽,一旦发生泄漏或失控,就可能引发爆炸。
通过使用防爆工具,可以有效减少爆炸事故的发生,保护工作人员的生命安全。
在煤矿行业中,防爆工具也是必不可少的。
煤矿存在着大量的煤尘和可燃气体,一旦有火源点燃,就会引发煤矿火灾和爆炸,给工人的生命安全带来巨大威胁。
为了防止这种危险的发生,煤矿工人必须佩戴防爆工具,如防爆头盔、防爆灯和防爆工具箱等。
在军工领域,防爆工具也起着重要作用。
军工生产过程中,往往涉及到大量的可燃物质和危险品,如果发生爆炸事故,将造成巨大的损失。
因此,在军工工厂中,使用防爆工具来确保生产过程的安全是非常重要的。
总之,防爆工具是为了保护人员在爆炸环境下工作的安全而设计的工具,其原理是通过使用防爆材料和防爆结构来实现。
防爆工具的应用范围广泛,在石油、化工、天然气、煤矿、军工等行业都起着重要作用。
通过使用防爆工具,可以有效降低爆炸事故的发生率,保护工作人员的生命安全。
化工企业防爆工具使用标准-概述说明以及解释1.引言1.1 概述化工企业是指从事化学工业生产和相关经营活动的企业,由于化工企业涉及到大量的危险化学品,因此在生产过程中必须加强安全管理。
而防爆工具作为一种重要的安全保障措施,在化工企业中起着至关重要的作用。
防爆工具是指能够有效防止爆炸和减轻爆炸损害的各种工具和设备。
在化工企业中,可能会存在着各种潜在的爆炸危险源,如易燃气体、易燃液体、易燃固体等。
一旦这些危险物质泄漏或者被点燃,就有可能引发爆炸事故,造成人员伤亡和财产损失。
因此,化工企业在进行生产活动时,必须严格遵守防爆工具的使用标准。
这些标准旨在规范化工企业在使用防爆工具时的操作和管理,确保人员安全和生产环境的安全。
本文将介绍化工企业防爆工具使用标准的重要性、防爆工具的分类、防爆工具的选择要点以及防爆工具的使用注意事项。
通过对这些内容的介绍和分析,旨在提高化工企业对防爆工具的使用和管理水平,减少因爆炸事故而导致的人员伤亡和财产损失。
在介绍完正文的相关内容后,本文还将对化工企业防爆工具使用的建议进行总结,并展望未来该领域的发展。
最后,我们将以一个简短的结束语作为文章的结尾。
通过本文的撰写,我们希望能够提高广大化工企业对防爆工具使用标准的认识,增强化工企业的安全意识,减少化工生产中的安全事故发生,为化工企业的可持续发展提供有力的保障。
1.2文章结构文章结构部分的内容可以描述整篇文章的组织架构和内容安排,使读者了解文章的主题和每个章节的主要内容。
下面是你可以参考的篇章内容:"1.2 文章结构本文将按照以下结构进行组织和阐述化工企业防爆工具的使用标准。
首先,在引言部分会对本文的概述进行简要介绍,说明文章的目的和意义,以及总结本文内容的主要结论。
接下来,在正文部分将会逐一论述关于防爆工具使用标准的重要性、防爆工具的分类、防爆工具的选择要点以及防爆工具的使用注意事项。
每个小节将详细介绍相关的知识和原则,并提供实际案例进行说明,以深入探讨和说明相关问题。
在工业生产、石油化工、矿山开采等诸多领域,存在着潜在的爆炸危险环境。
为了确保作业人员的生命安全和设备的正常运行,防爆工具的正确使用至关重要。
防爆工具因其特殊的材质和结构,具备良好的防爆性能,能够有效地防止因工具产生的火花引发爆炸事故的发生。
然而,即使是防爆工具,如果不加以正确使用,也无法发挥其应有的作用,甚至可能带来安全隐患。
深入了解防爆工具使用注意事项,严格遵守相关规定,是保障安全生产的重要环节。
一、防爆工具的分类及特点防爆工具主要包括以下几类:1. 铜合金工具铜合金工具是最常见的一种防爆工具,其主要成分是铜,加入适量的其他金属,如铝、锡、铍等,以提高其强度和硬度。
铜合金工具具有良好的导电性和导热性,不易产生火花,在一般的爆炸危险环境中能可靠地使用。
2. 铝合金工具铝合金工具相对铜合金工具来说,重量更轻,强度较高。
但其防爆性能略逊于铜合金工具,一般适用于一些对工具重量有要求且爆炸危险程度较低的场合。
3. 铍青铜工具铍青铜工具具有极高的强度和硬度,同时也具备优异的防爆性能,是防爆工具中的高端产品。
但由于其成本较高,一般用于特殊的、对防爆性能要求极高的工作环境中。
防爆工具的特点主要体现在以下几个方面:它们能够有效地防止工具与工作物相互摩擦、撞击时产生的火花,从而避免引发爆炸事故。
这是因为其特殊的材质和结构设计,能够抑制火花的产生和传播。
防爆工具具有良好的耐磨性和耐腐蚀性,能够在恶劣的工作环境下长时间保持其性能稳定,不易损坏。
防爆工具的操作轻便灵活,便于工作人员进行作业,提高工作效率。
二、防爆工具使用前的准备工作在使用防爆工具之前,必须做好充分的准备工作,以确保其安全性和有效性。
1. 检查工具的外观仔细检查防爆工具的外观是否有损伤、变形、裂纹等情况。
如有任何异常,应立即停止使用,并进行维修或更换。
2. 确认工具的型号和规格根据工作需要,选择合适型号和规格的防爆工具。
不同的工具适用于不同的工作场合和工作要求,如果选择不当,可能会影响工具的防爆性能和使用效果。
防爆⼯具的使⽤,切不可⼤意!什么是防爆⼯具?防爆⼯具⼜称安全⼯具,主要⽤于易燃易爆场所,⼯具与⼯作物相互摩擦、撞击不产⽣⽕花,有效防⽌可燃性爆炸。
防爆⼯具在易燃易爆场所是不可代替的安全⼯具,摩擦、撞击不产⽣⽕花,⽽且具有安全的机械性能,良好的硬度和扭矩,在使⽤中不变形,符合它的使⽤价值。
为什么在特殊领域使⽤防爆⼯具早在三⼗年前,中国的⽯油、化⼯、炼油、油⽓运输等易燃易爆场所,因⼯具摩擦、撞击产⽣⽕花引爆爆炸⽓体的事故时有发⽣,导致国家财产受到严重损失,⼈⾝安全没有保障。
为了确保⼈⾝安全和国家财产不受损失,当时不得不⽤很昂贵的外汇进⼝防爆⼯具。
防爆⼯具为什么防爆?防爆⼯具的防爆性能主要来源于制造材料,所采⽤材料(Cu+Be+Co+Ni 99.95%以上)化学成份≥99.97%,材料的杂质成份≤0.05%。
材料合成后,该材料在⽓体(浓度为21%的氢⽓)中做落锤试验、摩擦实验不出现⽕花、不引爆⽓体,称为防爆材料,该材料制造的⼯具称为防爆⼯具,各类防爆⼯具的硬度为HRC35度以上。
⼯具的⽕花来之于制造⼯具材料的杂质成份⽽产⽣的,如材料的化学成份杂质超出0.05%以上,杂质会产⽣冲击⽕花,会引爆⽓体,这样的⼯具不称防爆⼯具,称铜⼯具。
什么样的⼯具是安全的?安全的防爆⼯具出⼚要与国家出据的检测报告相对应,每个⼯具上要标定⽣产⼚家,商标,材质,防爆等级,粘贴合格证。
(没有材质报告的合格证不应采⽤)防爆⼯具与铜合⾦⼯具的区别是什么?铜合⾦⼯具不能定为是防爆⼯具,国内市场上有⼏百种规格的铜合⾦,只要是铜(电解铜)与任何⾦属合成都称为铜合⾦,⽬前制造防爆⼯具的材质只有铍青铜合⾦和铝青铜合⾦两种材质被市场认可,也符合防爆⼯具的性能、硬度、扭矩和机械强度。
尤其是没有材质报告的铜合⾦,其实就是市场收购的废铜,统称杂铜(铜合⾦)。
这种材料杂质⾼,很容易出现⽕花,没有硬度,没有扭矩,利⽤传统的翻砂铸造⼯艺制造⽽成,表⾯粗糙,存在⽓孔,沙眼,缩松,使⽤时易弯曲,易断裂。
防爆工具扳手标准
在工业生产和维护领域,防爆工具是非常重要的安全设备。
而扳手作为一种常
用的工具,在防爆环境中也有着特殊的标准和要求。
本文将介绍防爆工具中扳手的标准,以及在使用过程中需要注意的事项。
首先,防爆扳手的材质和制造工艺是非常重要的。
由于防爆环境中存在易燃气体、蒸汽和粉尘,因此扳手必须采用特殊的防爆材料制造,以确保在工作中不会产生火花或静电,从而引发爆炸。
一般来说,防爆扳手采用铝合金、黄铜或不锈钢等材料制造,具有较好的防爆性能。
其次,防爆扳手的结构和设计也需要符合特定的标准。
在防爆环境中,扳手的
结构必须紧凑,尽量减少空隙和接触面积,以防止静电的积聚和火花的产生。
同时,扳手的手柄部分通常会采用防滑设计,以确保在潮湿或油腻的环境中依然能够牢固握持,避免意外滑动或脱落。
此外,防爆扳手的使用和维护也需要特别注意。
在使用过程中,应该严格按照
操作规程进行,避免过度力量或不当使用导致扳手损坏或产生火花。
同时,定期对扳手进行清洁和检查,确保其表面没有积聚杂质或损坏,以免影响其防爆性能。
总的来说,防爆扳手作为防爆工具的重要组成部分,具有着特殊的材质、结构
和使用要求。
只有严格按照相关标准和规定进行选择、使用和维护,才能确保在防爆环境中的安全作业。
希望本文能够对防爆工具扳手标准有所了解,并能够在实际工作中加以应用和遵守。
防爆工具安全操作规程防爆工具是一类用于在爆炸、易燃、易爆等危险环境下操作的工具,其正常使用能够有效地减少意外事故的发生。
为了保障工作人员的安全,以下是防爆工具的安全操作规程:一、严格遵守操作规程1. 必须接受专业培训后,经过合格考核并取得相应的防爆工具使用证书,才能操作防爆工具。
2. 在使用防爆工具前,应对其进行全面检查,确保设备完好无损。
出现损坏、变形、裂纹等情况,应立即报告上级并停止使用。
二、个人防护措施1. 操作人员必须佩戴符合安全标准的防爆工具专用防护服、防爆眼镜、防爆手套等。
在操作过程中禁止穿戴松散的衣物或配饰。
2. 操作人员应穿戴防滑鞋,确保在爆炸环境中有良好的脚部固定和防滑作用。
三、操作前的准备1. 在操作前,应对工作区域进行彻底的安全检查,排除可能存在的火源、静电、电磁等危险因素。
2. 在防爆场所内,必须使用指定的防火、防爆电气设备,并确保设备正常工作。
四、操作时的安全措施1. 在操作防爆工具时,应从容、专注,严禁与其他工作人员嬉闹或分神。
2. 不得携带易燃、易爆物品或其他可能引发危险的物品进入操作区域。
3. 在操作过程中,禁止应用钢筋、撬棍等硬质物品敲击或拍打防爆设备。
4. 确保操作区域的通风良好,防止积聚的气体引起爆炸。
五、操作后的注意事项1. 在操作完成后,应关机、切断电源,并及时清理和放置好工具,以避免意外伤害。
2. 将防爆工具存放在干燥、通风、温度适宜的地方,避免直接阳光照射或高温环境。
六、事故应急处理1. 如发生防爆工具使用过程中的意外事故,应立即切断电源,并进行紧急救援。
2. 在紧急救援过程中,需佩戴个人防护装备,保护现场安全。
七、定期检验与维护1. 防爆工具需定期进行检验,包括性能、防爆性能、电气安全性等,确保其正常运行。
2. 定期对防爆工具进行维护和保养,及时更换磨损、老化的零部件,保证设备的完好性和可靠性。
总结:防爆工具的安全操作规程是保证工作人员在爆炸、易燃、易爆等危险环境下工作的关键。
防爆工具安全使用管理制度范文一、总则为确保防爆工具的安全使用,促进作业人员的安全意识和自我保护能力的提高,制定本管理制度。
二、适用范围本管理制度适用于公司所有部门和岗位使用防爆工具的人员。
三、防爆工具的定义防爆工具是指在具有爆炸危险的作业环境中使用的专用工具,包括但不限于防爆电器、防爆手工工具、防爆灯具等。
四、防爆工具的领用和管理1. 公司负责为使用防爆工具的岗位人员配备相应的防爆工具。
2. 防爆工具由专人保管,定期进行检查、维护和修理,并确保工具的完好。
3. 防爆工具的领用必须填写领用登记表,记录领用人员、日期和领用数量,领用人员需签字确认。
4. 防爆工具在领用后,归领用人负责,严禁私自转让、借用或改变用途。
五、防爆工具的使用1. 使用防爆工具的人员必须经过专门培训,了解工具的使用方法和注意事项,并参加相应的安全演练。
2. 使用防爆工具时,必须戴上防爆工具,并确保工具的完好和正确使用。
3. 不得将防爆工具使用于非爆炸环境,禁止随意拆解或使用不正常的防爆工具。
4. 在使用防爆工具时,应严格按照操作规程和作业程序进行操作,不得超负荷使用或使用有故障的工具。
5. 完成作业后,应将防爆工具进行清洁和消毒,并妥善保管。
六、防爆工具的维护和保养1. 防爆工具的保养和维护工作由专门的人员负责,定期进行检查和保养,并备案记录。
2. 对于工具的损坏、失效或有故障的情况,应立即上报,并由专人进行修理或更换。
3. 防爆工具保养期间需暂时停用时,应进行标识并及时通知相关人员。
七、防爆工具的处罚与奖励1. 对于违反防爆工具使用管理制度的人员,将给予相应的处罚,包括但不限于口头警告、书面警告、禁止领用或扣除奖金等。
2. 对于积极参与安全培训和实施安全制度的人员,可以给予相应的奖励,包括但不限于表扬、奖金或晋升等。
八、防爆工具的更新和淘汰1. 防爆工具的更新和淘汰由负责岗位安全的人员负责,根据工具的使用寿命和状态进行评估,并制定相应的更新和淘汰计划。
防爆工具安全使用管理制度第一章总则第一条为了保证员工在使用防爆工具时的人身安全和财产安全,规范防爆工具的使用,制定本制度。
第二条本制度适用于我公司全体员工、访客和外部承包商在使用防爆工具时的场所以及使用过程中的安全管理。
第三条防爆工具包括但不限于防爆电器、防爆手册、防爆灯具、防爆工具箱等。
第四条所有涉及到防爆工具的使用行为必须符合国家相关法律法规以及公司相关安全制度。
第五条本制度是公司安全管理工作的一部分,员工应严格遵守,不得违反。
第二章使用场所的安全管理第六条使用防爆工具的场所应按照国家相关规定划定为防爆区域,并配备防爆工具箱和其他防爆设施。
第七条防爆区域内禁止吸烟、使用明火等具有引发火灾和爆炸的行为。
第八条防爆区域应定期检查和维护,保证防爆设施的完好性和正常使用。
第九条防爆区域应配备防爆灯具和防爆消防器材,并进行定期检查、保养和更换。
第十条防爆区域应有明显的标识,标明禁止携带易燃易爆物品和禁止携带其他危险物品进入。
第三章防爆工具的使用管理第十一条使用防爆工具的员工必须经过专门的培训,取得防爆工具操作证书后方可上岗。
第十二条员工在使用防爆工具前必须检查并确保工具的正常运行、无损坏和无安全隐患。
第十三条在使用防爆工具时,应按照相关操作规范进行操作,不得擅自改变或混用工具。
第十四条使用防爆工具时应佩戴防护设备,包括但不限于防爆眼镜、防爆手套、防爆鞋等。
第十五条使用防爆电器时应注意配电箱的安全,禁止超负荷使用和私拉乱接电源。
第十六条使用防爆灯具时应遵循安全操作规程,并注意电缆线路的安全敷设和保护。
第十七条使用防爆工具箱时应确保工具的分类管理和定期检查,不得私自借用或挪用工具。
第四章防爆工具的维护和保养第十八条防爆工具的维护和保养应由专门人员负责,定期进行检查和维修。
第十九条防爆工具在使用过程中如有损坏或发现安全隐患,应立即报告相关人员进行处理。
第二十条防爆电器需要进行定期的绝缘电阻检测,并记录检测结果。
防爆工具的使用和注意事项!
使用防爆工具时需要注意以下几点:
1.选择正确的防爆工具:根据需要选择合适的防爆工具,如爆
破器、逆火器、防爆钳等。
确保选择的工具符合相关安全标准。
2.了解工具的使用方法:在使用前,仔细阅读和理解工具的使
用说明书,熟悉工具的操作方法和注意事项。
3.佩戴个人防护装备:在使用防爆工具时,应佩戴适当的个人
防护装备,如护目镜、防护服、手套、安全鞋等,以防止意外事故的发生。
4.检查工具状态:在使用之前,应仔细检查工具的状态,确保
工具没有损坏或者松动的部分。
如发现有问题,请及时更换或修理。
5.严禁超负荷使用:不要超负荷使用防爆工具,严禁超出其承
载能力的工作范围,以免引发安全事故。
6.定期维护保养:防爆工具应定期进行维护保养,检查工具的
工作状态和性能是否正常,并进行必要的清洁和润滑。
7.正确存放和携带:防爆工具在存放和携带时要注意防止碰撞
和损坏,应放置在干燥、通风和远离火源的地方。
8.谨慎使用工具:在使用防爆工具时要谨慎操作,遵守相关安
全规范和操作流程,避免不必要的风险。
9.合理使用工具:根据需要,合理选择使用哪种防爆工具,避免使用不必要的工具,以减少危险。
10.遵守相关法律法规:在使用防爆工具时,要遵守相关的法律法规和安全规范,确保安全生产。
关于防爆工具一、防爆工具的国内外现状在易燃易爆场所使用的手工具应采用非钢材制成,以避免钢与钢或钢与水泥地面、岩石碰撞、摩擦等原因产生火花而引起周围可燃性物质的燃烧和爆炸。
这类采用非钢材制成的,用于易燃易爆场所的手工具,称为防爆工具(又称无火花工具)。
防爆工具自80年代起才在我国开始有规模地生产和得到比较广泛的应用。
在此之前,易燃易爆场所的工人在使用工具进行操作时,常采用在钢制工具与被接触部件的相互表面涂抹黄油或在操作部位浇冷水的办法冒险作业。
如果需要在易燃易爆的生产车间内用钢制手工具进行维修、清扫时则属于动火作业,慎重的单位则要停产,因而影响企业效益。
为此,一些大企业和有色金属生产厂、铸造加工厂曾制造了—些有色金属材料的工具,但大多数工具的机械性能不理想防爆性能也不可靠。
有些单位在钢制工具上镀一层有色金属,因工作部位易磨损,如果发生碰撞,均可露出钢材表面,故防爆性能并不可靠。
我国的一些引进工程和大型企业常因无防爆工具而不能开工,因此不得不动用外汇向国外购买。
上海某1厂一次从国外购买防爆手工具花了6万美元外汇。
二、防爆工具的防爆机理通常由钢铁材料制成的钎,镐、锤、钳,扳手、吊具等工具和设备在其激烈动作或失手跌落时发生的摩擦,撞击火花是隐蔽的引爆火源,所以这些工具不能在爆炸危险场所使用。
在爆炸危险场所使用的工具(设备)必须由不发生摩擦,撞击火花,甚至不能产生炽热高温表面的特种材料制成。
钢铁材料具有较高的强度和硬度,适合于制造工具,而且钢材的强度和硬度随着含碳量的增加而提高。
然而对钢铁材料摩擦火花产生机理的研究结果表明,恰恰是钢材中所含的碳是产生摩擦火花的根源。
为了消灭工具的摩擦、撞击火花,人们把选材方向转向了铜材。
铜材用作防爆工具,与钢材比较有两个显著的不同点:第一,不含碳,不会出现氧→铁→碳反应链,所以不出现火花。
第二,铜材的强度和硬度都比较低,导热性又比钢材高,发生摩擦或撞击时,局部摩擦点会发生塑性变形而避免摩擦能量集中在个别接触点上,加上材料的高导热性,摩擦产生的热量迅速分散到基体而减少摩擦撞击点出现炽热高温的危险。
以上两点就是铜材(铜合金)工具的防爆机理。
2然而,纯铜的强度和硬度太低,不能直接用做工具,需要添加适当的元素如铍、铝、钛、镍、镁等熔炼成铜基合金以提高其强度和硬度。
但当强度和硬度提高后,前述铜材在防爆工具上的第二个特点就有削弱或消失的危险。
于是,人们又进一步探讨“两全其美’的技术途径。
这就是要求所配制的铜基合金在室温下具有高的强度和硬度;一旦受到摩擦、撞击,温度上升到一定程度,铜基合金的金相组织就发生相变而转化为低强度并出现塑性变形甚至摩损剥离。
这时局部摩擦面上的金属摩擦抗力下降,摩擦,撞击的最高温度就被限制在合金相变温度之下,成为不能点燃爆炸性混合物的防爆合金,国外称为非危险火花金属。
现在工业上已有铍青铜、铝青铜、J892铜合金等多种铜基合金成功地应用于防爆工具上。
三、不同材质防爆工具的防爆性能、机械性能与适用场所(一)铍青铜是以铜为基本合金元素的铜基合金,其含铍量为1~2.5%。
同时含有微量钴、镁、铁以及其他微量元素。
它的物理性能、导电率、电阻系数、热导率与纯铜相比较虽有降低,但与钢相比较则是钢的许3多倍。
由于固体表面一般都有细微的凹凸,因此两个固体表面的接触仅仅在最高突起部位的顶点上,实际接触面积很小。
所以在摩擦时,摩擦能变为热能集中在接触点上,使接触点上的固体表面局部达到极高的温度、在各金属中,假设其荷重及摩擦速度都相同,导热率越小,接触点的温度就越高,——铍青铜在高速冲击或高速摩擦时,其机械能在作用到物体表面时被转换热能,表面温度突然升高。
但由于其材料有较高的导电性能和导热率,工作表面的热量被迅速传递到工件的其它部位,工作表面的热量剧烈减少。
一些在冲击或摩擦作用下脱离工件的微粒,其温度也达不到点火源的温度。
——铍青铜金属间的化合物均较稳定,且熔点高,不易剧烈氧化。
在高速冲击或摩擦时,被作用表面或者一些脱离下来的微粒的温度虽有所升高,但都不能与氧气及其它可燃气体发生剧烈的氧化反应,形不成点火源。
——铍青铜这一特性已被防爆工具的不燃性试验所验证。
值得注意的一点是铍青铜除具备这一重要特性外,还有一个很重要的特点就是经过处理后的铍青铜,其抗拉强度和硬度比其它铜合金都要高的多。
由4于该材料具备这二个特点而被广泛用于一些特殊场合下的重要零部件和防爆工具的制做上。
(二)铝青铜1.在铝青铜中,各元素基本上已合金化,这些合金性能稳定,不易剧烈氧化。
2.铝在一定温度下被氧化,生成的Al2O3是一层极好的保护层,处在它保护下的铝不再氧化。
3.铝青铜中,含碳量很低,仅万分之几,不会产生类似钢铁中的C生成大量的CO而从基体中逸出呈爆花状。
4.铝青铜的基体是铜,尽管已合金化,它的导热性仍然很好,在与其他物体摩擦碰撞时所产生的热大部分被工具所吸收而散去。
磨削下的微粒所具有的热量较低,不会引起空气一可燃物质混合物的爆炸。
我国防爆工具非着火性能的测试是由国家主管部门指定的单位进行的。
所采用标准等同日本JISM-7002-84。
经反复测试和几年来的使用实践证明;国产防爆工具安全可靠,非着火性能达到国外同类产品水平。
(三)J 892铜合金1.防爆性能:按GBl0686—89《铜合金工具防爆性能试验方5法》对J892铜合金材料分别选择Ⅱ类C级代表气体氢气(浓度为21.0±2.0%),Ⅱ类B级代表气体乙烯(浓度为7.8±0.5%),Ⅱ类A级代表气体丙烷(浓度为5.3±0.2%),I类代表气体甲烷(浓度为6.5土0.5%)进行落锤、摩擦和高速冲击试验,按国家标准中规定的试验步骤和方法进行,均未发生引爆,试验合格。
证明J892铜合金防爆工具适用于各类各级爆炸性气体场合使用。
鉴于乙炔场合是用的铜合金含铜量需70%以下的要求,同时考虑乙炔气的引燃温度比氢气要低,虽然J892铜合金已做过Ⅱ类C级代表气体氢气的防爆性能试验。
为慎重起见,按国家标准规定的试验方法,又选择了乙炔气(浓度为7~10%)进行了落锤、摩擦和高速冲击试验,也未发生引爆,试验合格。
同时,在密闭的爆炸槽内放置了J892铜合金材料和试验样件,进行了J892铜合金和乙炔气混存后的引爆试验。
经混存20天后仍按国家标准规定的试验方法进行了落锤、摩擦和高速冲击试验,也未发生引爆,试验合格。
证明了J892铜合金防爆工具适于乙炔场合使用。
2.机械性能防爆工具产品国家标准(GBl0687~10693-87)中规定采用铍青铜材料制造的防爆工具产品硬度不得6低于HRC35。
采用铝青铜材料制造的防爆工具产品硬度不低于HRC25。
J892铜合金产品可满足铍青铜产品硬度的要求。
一般生产中,J892铜合金材料处理后硬度比铍青铜材料还要偏高,更接近于钢制工具产品的硬度。
按防爆工具国家标准进行对J892铜合金工具的扭矩实验,呆扳手可承受标准(GBl0687—89)中d系列所规定的扭矩,梅花扳手可承受标准(GBl0691—89)中b系列所规定的扭矩,桶盖扳手各扳口或榫头均能承受标准(GB10690—89)中规定的196N·m的扭矩。
3.适用场所对J892铜合金材料的防爆性能试验表明:J892铜合金防爆工具可适用于各类各级爆炸性气体场合。
由于其含铜量在70%以下,更适用于乙炔场合。
J892铜合金防爆工具的产品硬度、试验扭矩都能达到国家标准中对镀青铜防爆工具的要求。
目前J892铜合金的韧性还不能达到钢制工具的水平。
因此使用中对J892铜合金防爆工具不能做超载荷使用,更不能对扳手加套管以延长力臂或在柄部用锤作敲击作业。
J892铜合金的防锈性能优于铍青铜,但不能将7J 892铜合金防爆工具与酸,碱等腐蚀性物品混放,以防腐蚀。
(四)应用场合要注意的问题在以下三种情况下,发生引爆的火花不是由防爆工具本身产生,而是由工作对象所产生的。
所以使用防爆工具并不能预防这种爆炸,而要采用其他防爆办法。
——防爆工具在和岩石撞击时,有产生火花的可能。
这种情况,火花的生成与金属无关,这个作用是当岩石晶体在张力下破裂时,冲击的机械能变为电能。
这种电能以电火花的形式释放出来。
火花在含有石英、氧化硅和砂岩组成的岩石中,尤其容易产生。
一般来说,在岩石中,石英的含量愈高,或其颗粒愈大,愈易引燃。
这一现象,可以用把汽油倾于岩石上,然后用一般的凿子和防爆凿子打击岩石的方法来证明。
为防止爆炸事故的发生,可将岩石浸入水中再进行操作.——用工具(无论钢铁制品,还是防爆工具)撞击或摩擦涂有铝涂料的钢铁热工件(管道,热容器、螺栓、螺母等)时,均有产生能够引燃爆炸性物质火花的可能。
——若铝、镁及其合金的粉粒在带锈(氧化铁)的钢铁8表面上略有粘附,则在受到硬物甚至硬橡胶或塑料的打击就可能发生一种剧烈放热的“铝热反应”,很可能引爆。
(五)黑色金属产生火花的机理钢铁制品经高速旋转的砂轮磨削为屑状颗粒。
这些钢粒具有一定温度,被空气中的氧激烈氧化,温度急剧升高。
钢粒表面形成一层固态的氧化铁薄膜。
由于钢粒内含有碳元素,在高温下,碳极易与氧化铁中的氧结合,生成一氧化碳。
这时,被还原的铁再次被氧化,然后再次被还原。
这种反应的多次重复,使内部积聚了相当多的一氧化碳气体。
但固态氧化铁薄膜约束着一氧化碳气体外逸,当其膨胀力大于外界压力时,一氧化碳就突破表面氧化亚铁薄膜的约束,使钢粒粉碎而逸出,呈现爆花状,光亮的“线”和“花”。
钢粒一次爆裂后,若在碎粒中仍残留未参加反应的铁和碳的微粒,将继续发生氧化反应和爆裂。
所以,钢粒中含碳量越高,则多次爆裂的时间间隔也越短,火花爆裂的次数和爆花量也越多。
从而可知,黑色金属制成的工具在与工作物碰撞和摩擦时会产生火花,而引起空气与可燃物质混合物的爆炸。
三、防爆工具在石油化工行业的应用石油化工企业随着我国改革开放的实施得到了9迅速发展,劳动保护技采水平有了相应提高。
石油化工是技术密集、资金密集的连续化大生产,是容易发生火灾爆炸事故的企业,安全生产尤为重要。
石油是从地下贮油构造中开采出来的,主要用作动力燃料和化工原料,它往往伴生天然气。
石油是易燃和可燃液体,特别在石油化工企业加工、储存和装卸石油和石油制品的地方,都可能出现可燃气体污染的区域。
这些地方一般划分为三种不同级别的爆炸危险区域。
1.石油化工行业的爆炸危险区域举例:0级危险区:在这个区域内,危险气体将经常存在。
包括储罐,其它容器和类似的密封装置等的蒸气空间,在0级区域内由于危险气体经常不断地出现,电气设备及防爆器具应尽可能不用。
如果要用,一定要采用符合0级区域要求的安全标准很高的产品。
1级危险区:在这个区域内,危险气体在正常操作条件下,很容易出现。
例如:a.向罐内灌注油品时,正在向外排气的排气孔;b.铁路罐车和汽车罐车灌装油时,正在向外排气的排气孔或人孔;c.油桶的装油口,d.没有顶盖的排油沟、污油池和油水分离器的10表面;e.浮顶罐有缺陷的圆周密封装置。