17-三板式注射模具设计与制造
- 格式:ppt
- 大小:221.50 KB
- 文档页数:33
注射模设计步骤及实例注射模是用于制作注射器、针筒等医疗设备的模具。
模具的制作是一个复杂而精细的过程,需要经历多个步骤。
下面将详细介绍注射模的设计步骤及实例。
1.确定需求:在开始设计之前,首先需要与客户充分沟通,了解客户的需求和要求,包括产品的形状、尺寸、材料等。
同时还需要了解注射模的使用环境和功能要求,以确保设计出符合实际需要的模具。
2.绘制初步草图:在了解客户需求的基础上,设计师将根据实际情况绘制初步草图。
这个过程需要考虑到模具的整体结构、零件的尺寸和形状等。
设计师可以使用CAD等软件进行绘图,以便对模具的设计进行更好的规划和控制。
3.模具分析:在绘制初步草图之后,设计师需要进行模具分析。
这个过程包括识别和解决可能出现的问题,比如材料选择、产品的易变形部位等。
同时,还需要对模具进行结构分析,确保模具的稳定性和可靠性。
4.详细设计:在完成模具分析之后,设计师将开始进行详细设计。
这个过程需要考虑到模具的每个零件的制造和组装过程。
设计师需要了解材料的特性,选择合适的工艺和加工方法,并进行每个零件的细节设计。
5.制造模具:在完成详细设计之后,设计师需要将设计图纸交给模具制造厂家进行加工和制造。
制造过程需要使用各种加工设备,比如车床、铣床等,对模具的零件进行加工。
在制造过程中,需要进行严格的质量控制,确保每个零件的精度和质量。
6.装配和调试:在完成模具的制造之后,需要对模具进行装配和调试,以保证模具的正常运行。
这个过程包括将各个零件按照设计要求进行组装,并对模具进行调整和测试。
在调试过程中,需要确保模具的各个部分和功能都正常运作。
7.试模和样品确认:在完成装配和调试之后,需要进行试模和样品确认。
试模是指将模具放入注射机进行注射,获得产品样品,并对产品进行检验。
样品确认是指客户对样品进行验收,并根据需要提出修改要求。
8.修改和改进:根据客户的反馈和需求,设计师需要对模具进行修改和改进。
这个过程包括根据样品确认的结果,对模具的设计进行修改,以提高模具的性能和使用效果。
单元授课教案学习情境2-3 三板式注射模具设计与制造单元3 三板式注射模成型零件制造教学目标(以能力描述的目标)通过本情境的学习,使学生具备以下能力:1.掌握针点状浇口的加工方法;2.掌握点浇口模具零件的加工工艺规程编制;重点与难点针点状浇口的加工方法教学方法设计:讲授法、引导文法、现场(示范)教学法、案例教学法等教学资源:多媒体、课件、投影仪、黑板、动画、三板式塑料模具模型等学习任务与学习成果:编制模具零件的加工工艺规程课时分配:授课班次:课程执行情况:学习情境2-3单元3 教学设计表第2页,共11页:大批量、一模两件、材料用ABS主要零件加工工艺规程工作过程:基准加工——3.型面粗加工——4.型面半精加工——5.检验加工精度——8.检验加工精度引导性教学任务:模具零件加工工艺规程编制⏹三板式注射模具的零件加工(编制加工工艺)一、三板注射模主要零件加工案例相关知识:用成型铣刀铣储料井。
成型铣刀的角度可从5°~20°,每隔5°做一柄。
按5-61b计算储料井的锥度:圆锥台部分的高度为19-2.7=16.3毫米;圆锥台部分的上下直径差约为8.5-2.7=5.8毫米;圆锥部分的锥度计算约20°。
用20锥绞刀铰孔。
这种球头锥绞刀不是标准刀具,而球头部分的直径也因浇口直径而变,所以很难满足要求。
为了解决这一问题,可以分类简化并标准化:点浇口(圆形浇口)的直径分为1毫米以下,1~1.8毫米,2~2.5毫米三大类。
把储料井的球头部分直径分为3毫米、5毫米、7毫米三种,1毫米以下的浇毫米球头,以下依次增大。
(二)潜伏式浇口制造潜伏式浇口采用图5-63、5-64d镶拼结构,加工时先把镶拼件的外形尺寸做好后,用能变角度的夹具夹持,按侧面划的线找正位置,在立钻或铣床上钻孔。
钻孔前最好先铣出分流道来,这样更容易钻斜孔。
否则先要用端铣刀在要钻孔的部位铣出一些能下钻头的平面,并用中心钻先钻一引导孔,再用小钻头钻通。
插针罩(SMBS-02)注射模模具设计摘要:《插针罩(SMBS –02)注射模》是编写者两个月以来所编写的毕业设计说明书。
主要介绍:注射模的整个过程,包括成型零部件、推出机构、流道等一些设计。
在论文书写过程中,通过一个月的时间对原始资料进行搜集,充分考虑模具的各种结构并和指导老师及同学之间进行讨论,最终选择了论文所写的模具结构。
本论文的资料大多是编写者结合三年所学的各方面的理论知识完成的,包括机械制图、公差与配合、工程力学、机械设计、注射模具成型、工程材料等;一部分是通过查手册所得;还有少部分是同学之间的交流和自己三年的实习总结。
关键词:三板式、点浇口、侧抽芯1绪论1.1来源背景插针罩(SMBS-02)为PA1010塑料制品,采用注塑模成型,这种制品结构比较简单,但具有侧孔结构,在模具设计的注重考虑这一问题。
1.2目的通过本课题的设计,能够懂得模具的整个设计过程及综合性的掌握本专业知识,能够掌握Pro/E、CAD、Word等软件的操作方法。
1.3要求设计本课题的要求的理论联系实际。
在学习好相关的设计理论知识的同时,还必须了解实践操作。
另外,设计的模具首先要能制造出来,还要有一定的使用价值。
1.4实际意义通过本课题的设计,可以更好的掌握模具的整个设计过程。
在设计过程中,定会遇到许多以前没有遇到的问题,有问题就会促使自己想尽一切办法去解决,从中获得一定的知识。
把整个设计做完之后,就会对知识有个系统的了解。
另外,通过对Pro/E、CAD、Word等软件的操作,可以有更好、更熟练的操作技能。
这些工作对我以后的人生将是一笔大财富。
1.5主要设计内容本课题的饿设计主要包括成型零件的设计,流注系统设计,侧向抽芯与侧向分型的设计,导向及定位部分的设计,推出复位部分的设计,紧固件的设计,模具结构的整体设计,工艺过程的编导。
2原始资料2.1塑料制品产量和生产要求根据图纸要求,此制品为小批量生产,在生产要求上不是很高,所以在模具设计时应力求结构简单,但要能达到制品的各种要求。
教学案例2 果品盒注射模设计工作任务:根据图2-1所示塑件零件图完成以下任务:1. 根据提供的塑件零件图完成整套注射模具的设计2.绘制模具的二维装配图3.绘制型腔和型芯等主要零件的二维工程图图2-1 果品盒一 、总体方案确定工作任务1根据提供的塑料件零件图(图2-1),分析塑料件的结构特点和技术要求,选择合理的成型方案和模具总体结构并确定注射机的型号。
(一)分析塑件图该塑件为一果品盒,结构简单,生产批量很大。
外形为圆柱体(直径50、高40),盒的口部有一台阶,壁厚为1mm。
塑件精度为MT3级,尺寸精度不高,无特殊要求。
除口部外,其余部分壁厚均匀,均为2mm,属薄壁塑件。
塑件材料为PS,成型工艺性较好,可以注射成型。
(二)分型面位置的确定根据塑件结构形式,最大截面为底平面,故分型面应选在底平面处。
为了满足制品高光亮的要求与提高成型效率决定采用点浇口,采用三板模。
(三)确定型腔数量和排列方式 1.型腔数量的确定该塑件精度要求一般,尺寸不大,可以采用一模多腔的形式。
考虑到模具制造成本和生产效率,初定为一模两腔的模具形式。
2.型腔排列形式的确定该塑件为规则的圆柱形,型腔采用如图所示的两行两排的矩形排列方式。
(四)确定模具结构形式图2-2 分型面图2-3 模具布局从上面分析可知,本模具的结构形式为双分型面的三板模。
采用一模四腔,推板和顶杆联合推出,流道采用平衡式,浇口采用点浇口。
为了缩短成型周期,提高生产率,保证塑件质量,动、定模均开设冷却通道。
(五)确定成型工艺本塑件的材料为聚苯乙烯(PS),是一种透明性好、透光率高的热塑性塑料。
聚苯乙烯的成型性能优良,其吸水性小,成型前可不进行干燥;收缩小,制品尺寸稳定;比热容小,可很快加热塑化,塑化量较大,故成型速度快,生产周期短,可进行高速注射;流动性好,可采用注射、挤出、真空等各种成型方法。
但注射成型时应防止淌料;应控制成型温度、压力和时间等工艺条件(低注射压力、延长注射时间),以减少内应力。
模具毕业设计103注射模的结构设计注射模具是工业制造过程中使用最广泛的一种模具,其设计结构直接影响到注射产品的质量和生产效率。
本文将详细介绍注射模具的结构设计,包括模具的结构要求、主要零件设计和结构优化。
一、模具的结构要求1.注射模具的结构要具有良好的刚性和稳定性,以确保模具在注射过程中不发生变形和振动,影响产品的精度和表面质量。
2.注射模具的结构要便于装卸、维修和保养,以提高模具的使用寿命和工作效率。
3.注射模具的结构要尽可能简单,以降低模具的制造成本和维修成本。
二、注射模具的主要零件设计1.模具基座:模具基座是支撑模具的主要部件,其结构要具有足够的刚性和稳定性。
为了方便模具的安装和调整,模具基座通常采用箱式结构,并设置有调整螺栓。
2.模板:模板是注射模具的主要部件,其上安装有注射模具的零件和导向机构。
模板的结构要求平整度高、刚性好,并配有合适的冷却系统,以确保注射过程中的热平衡。
3.滑块和导柱:滑块和导柱是注射模具中重要的导向和定位部件。
滑块通常用于实现中空或复杂形状的注射产品,其结构要求刚性好、耐磨损,并具有良好的导向性能。
导柱负责注射模具的下模板与上模板的定位,其结构要求尺寸精确、表面光洁,并配有合适的润滑系统。
4.模芯和模腔:模芯和模腔是注射模具成型部件的关键零部件,直接决定了注射产品的形状和尺寸。
模芯和模腔的设计要考虑到材料的选用、热处理和表面处理等因素,以提高模具的耐用性和工作精度。
三、注射模具的结构优化为了进一步提高注射模具的生产效率和产品质量,可以采取以下措施进行结构优化:1.采用优质材料:选择适当的模具材料,具有良好的强度和耐磨性,以提高模具的使用寿命和工作精度。
2.优化冷却系统:合理设置注射模具的冷却系统,以提高注射过程中的热平衡,减少产品变形和缩水现象。
3.降低模具重量:通过优化模具结构和采用轻量化材料,来减轻模具的重量,降低模具的惯性和振动,提高注射产品的精度和表面质量。
塑料模设计及制造实例六、注射模主要零件加工工艺规程的编制 1.型腔板的加工工艺过程
序号 1 2 3 4 5 6 7 8 工序名称锻造热处理刨平磨钳车钻钳
295mm×295mm×98 mm 退火工序内容刨六面至尺寸291mm×291mm×94mm、对角尺磨六面至尺寸290mm×290mm×93mm保证上下平面与四平面互相垂直,垂直度为0.01mm/10mm、对角尺以上下平面及一对相互垂直的侧基面为基准划各孔中心线车型腔孔,并按图纸要求加工出φ169.82mm,φ136.86mm,φ128.8mm,φ126.8mm的孔。
. ①钻绞2-Φ9孔,并锪两沉头孔2-Φ15, 并留出0.5mm的精加工余量。
②用深孔钻钻Φ14的孔,冷却水孔到要求。
①与件2,19,21,25配作,钻绞4-φ30的孔,锪4-φ36的沉头孔到要求,并留出0.5mm的精加工余量。
②与件2,3,19,21,25配合钻绞4-φ16.8的孔到要求③与件25,26,14配合钻铰4-
φ14的孔,同时按图上要求加工出4-φ15,留出0.5mm的精加工余量。
④配钻8-M12螺纹底孔,并攻丝到要求。
⑤按拉块位置钻2-M10螺纹底孔,并攻丝到
要求。
磨4-φ14,2-Φ9,φ169.82mm,φ136.86mm,φ128.8mm,φ126.8,2-Φ15 . 各孔到要求。
研型腔Ra0.1并镀铬抛光。
9 10 磨去毛刺
思考与练习:思考与练习:完成连续作业,设计注射模具。
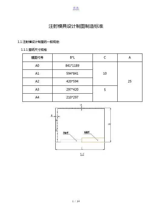
注射模具设计制图制造标准1.1注射模设计制图的一般规定: 1.1.1图纸尺寸规格幅面代号 B*L C A A0 841*1189 1025A1 594*841 A2 420*594 A3 297*420 5A4210*297标题栏标准格式见附图1-1a、1-1b,请严格按此标准格式执行。
见下图,标题栏要求填写齐全,签名要用正楷。
1.1.2图纸比例的表示方法为A:BA.:在图纸上绘画之尺寸,B:物件的真实尺寸例:图纸比例缩小——1 :2图纸比例相同——1 :1图纸比例放大——5 :1注意:绘图设计时必须采用1:1,而出图时装配图必须1 :1打印,零件图应根据实际需要缩放打印,原则是能清晰表达示图。
1.1.3线段分类根据公司自行开发的R14(A1)列出不同的线段种类及其应用如下表别层B 实线0、2、3 白、黄、绿表示物体可见轮廓b/3 虚线 5 深蓝、浅蓝不可见轮廓b/3 细实线灰、浅蓝尺寸线,尺寸界线、剖面线b/3 细点画线 1 红轴线、对称中心线b/3 波浪线灰断裂处的边界线、视图和剖视的分界线b/3 双折线灰断裂处的边界线b 粗点线0 白表达物体有特殊要求的部分b/3 双点线 4 浅蓝假想物体,夹具的定位位置和定位物件1.5b 粗实线插穿、碰穿模架基准边的面轮廓线,线切割轮廓线1)图线宽度:粗实线定为b:0.3-0.35mm宽2)图线画法:同一图样中,同类图线宽度应一致。
虚线点画线及双点画线的线段长度和间隔各自大致相等1.1.4文字的使用1)尺寸文字字高定为3.5mm,(箭头尺寸定为2.0)公差值文字字高2~3 mm2)其它文字字高定为3.5或5.0 mm,优先使用5.03)字体为R14开发型Romans字体4)文字尺寸不得有任何重叠现象1.1.5投影方法因公司客户多为日本客户,所以参照JISZ8315标准,公司制图投影方法采用国际标准中第三角投影方法,而非国标常用的第一角投影方法1.1.6图纸更新如图纸发出后,图纸有所更改,须将图纸更新及重新发放。
注射模具设计方案注射模具设计方案一、设计目标1. 提高生产效率:通过模具的精准定位和稳定运行,减少生产过程中的停机时间和调整时间,提高生产效率。
2. 提高产品质量:通过优化模具的结构设计和材料选择,保证产品不变形、表面无划痕、无气泡等缺陷,提高产品的质量。
3. 简化操作:通过合理布局模具的各个部件,使操作人员可以快速、方便地进行调试和维护,降低操作难度。
二、设计内容1. 模具结构设计:根据产品的形状和尺寸要求,设计合理的模具结构,包括模具的上下模板、模具腔、模具芯等部分,保证产品的精度和一致性。
2. 材料选择:选择高硬度、高耐磨、高韧性的材料作为模具的制作材料,以提高模具的使用寿命和耐久性。
3. 模具加工工艺:采用精密的数控加工设备和技术,进行模具的加工,提高模具的精度和加工质量。
4. 模具调试和试模:在模具加工完成后,进行模具的调试和试模,确认模具的设计和加工是否符合要求,保证模具的正常运行。
5. 模具维护与保养:制定完善的模具维护和保养制度,进行定期检查和清洁,及时修复模具的损坏和磨损,延长模具的使用寿命。
三、设计步骤1. 调研和分析:对需要注射的产品进行调研和分析,了解产品的形状、尺寸、材料等要求,确定模具设计的基本要求。
2. 结构设计:根据产品的形状和尺寸要求,设计模具的结构,包括模具的上下模板、模具腔、模具芯等部分。
3. 材料选择:根据模具制作的需要,选择合适的材料作为模具的制作材料。
4. 模具加工:使用数控加工设备和技术,进行模具的加工,包括粗加工和精加工,确保模具的精度和质量。
5. 模具调试和试模:在模具加工完成后,进行模具的调试和试模,确认模具的设计和加工是否符合要求。
6. 模具维护与保养:制定模具的维护和保养制度,对模具进行定期检查和清洁,及时修复模具的损坏和磨损。
四、设计原则1. 合理性原则:模具的设计要符合产品的形状要求,能够满足生产的需要,并能够合理利用材料、设备和工艺。
常工院注射模课程设计一、课程目标知识目标:1. 让学生掌握注射模具的基本结构及其工作原理,理解注射成型工艺的整个过程;2. 使学生了解并掌握注射模具设计中常用的设计软件及工具,能运用相关知识进行模具设计;3. 帮助学生掌握注射模具设计中涉及的工程材料性能及其选用原则。
技能目标:1. 培养学生运用CAD/CAM软件进行注射模具设计与制造的能力,能独立完成简单的注射模具设计;2. 提高学生实际操作注射成型机的能力,掌握模具调试与优化方法;3. 培养学生分析并解决注射模具设计及制造过程中遇到的问题的能力。
情感态度价值观目标:1. 培养学生对注射模具设计与制造专业的热爱,激发学生学习兴趣;2. 培养学生具有良好的团队合作精神,学会与他人共同解决问题;3. 增强学生的质量意识,培养严谨的工作态度和良好的职业道德。
本课程针对常工院学生特点,结合教学要求,将课程目标分解为具体的学习成果,以使学生在完成本课程学习后,具备注射模具设计与制造的基本知识和技能,为将来从事相关工作打下坚实基础。
二、教学内容1. 注射模具结构及工作原理:包括注射模具的分类、结构组成、工作过程及其原理,重点讲解注射模具的关键部件设计。
教材章节:第一章 注射模具概述2. 注射模具设计软件及工具:介绍AutoCAD、Pro/E、UG等常用设计软件在注射模具设计中的应用,学习二维绘图和三维建模技巧。
教材章节:第二章 注射模具设计软件及应用3. 注射模具材料及性能:分析不同类型的工程塑料、钢材等注射模具材料的性能及其选用原则。
教材章节:第三章 注射模具材料及性能4. 注射模具设计与制造:学习注射模具设计流程、设计原则,掌握模具的加工工艺及其制造方法。
教材章节:第四章 注射模具设计与制造5. 注射成型工艺及设备:了解注射成型工艺参数的设置,学习注射成型机的操作与调试。
教材章节:第五章 注射成型工艺及设备6. 注射模具调试与优化:探讨注射模具在生产过程中出现的问题及解决方法,学习模具调试与优化的技巧。