电力行业火力发电乙级资质配备
- 格式:doc
- 大小:112.00 KB
- 文档页数:3
新能源乙级资质标准随着社会的发展和环境问题的日益凸显,新能源的开发和利用已成为当今世界各国关注的焦点。
作为新能源行业的从业者,掌握和遵守新能源乙级资质标准是至关重要的。
本文将就新能源乙级资质标准进行详细介绍,以便从业者们更好地了解和遵守相关规定。
首先,新能源乙级资质标准主要包括对从业人员的要求、企业资质条件、技术管理要求等方面的规定。
在从业人员要求方面,新能源乙级资质标准要求相关人员必须具备相关专业知识和技能,并且需要经过专业的培训和考核,取得相应的资质证书。
同时,企业在申请新能源乙级资质时,需要符合一定的注册资金、人员结构、设备设施等条件,并且需要有一定的项目业绩和技术能力。
此外,新能源乙级资质标准还对企业的技术管理、质量控制、安全生产等方面提出了具体要求,以确保新能源项目的可靠性和安全性。
其次,新能源乙级资质标准对新能源项目的建设、运行和维护提出了一系列要求。
在新能源项目建设方面,资质标准要求企业必须遵守国家相关法律法规,进行项目前期的环境影响评价和项目可行性研究,确保项目的合法合规。
在项目运行和维护方面,资质标准要求企业必须建立健全的运行管理制度,定期进行设备检测和维护,保证项目的高效稳定运行。
同时,资质标准还对新能源项目的安全管理、环保措施、能源利用效率等方面提出了具体要求,以确保新能源项目的可持续发展和社会效益。
最后,新能源乙级资质标准的实施对于推动新能源产业的发展、提高新能源项目的质量和安全水平具有重要意义。
只有严格遵守资质标准,才能保障新能源项目的可持续发展和社会效益,为新能源产业的健康发展提供有力支持。
综上所述,新能源乙级资质标准是新能源行业的重要规范和标准,对于从业人员和企业来说具有重要的指导意义。
只有严格遵守资质标准,才能确保新能源项目的质量和安全,推动新能源产业的健康发展。
希望广大从业者能够认真学习和遵守新能源乙级资质标准,共同推动新能源产业的发展,为构建美丽中国作出更大的贡献。
关于《建设工程企业资质标准框架(征求意见稿)》,其中明确指出关于市政行业的改革内容,整合原化工石化医药、石油天然气、电力、市政行业中的专业资质,资质等级压减为甲、乙两级,原丙级资质并入相应专业乙级资质;取消其他行业的专业资质,并入相应行业资质,原甲、乙级专业资质并入相应等级的行业资质,原丙级专业资质并入乙级行业资质,整合后会增加配备人员而不会减少,企业办理资质的费用也将会增加;下面我就来详细讲解一下企业如何快速专业化去申请、增项或者升级勘察、设计资质,企业应该达到或具备哪些条件,才可以申请资质。
我司可提供资质申办代理服务,可协助您快速获取资质。
热力工程乙级人员配备:共计9人二级注册结构工程师1名二级注册建筑工程师1名注册供配电工程师1名注册动力工程师2名注册造价工程师2名中级动力工程师2名资质标准1资历和信誉(1)具有独立企业法人资格。
(2)社会信誉良好,注册资本不少于100万元人民币。
2技术条件(1)专业配备齐全、合理,主要专业技术人员数量不少于所申请行业资质标准中主要专业技术人员配备表规定的人数。
(2)企业的主要技术负责人或总工程师应当具有大学以上学历、10年以上设计经历,主持过所申请行业大型项目工程设计不少于1项,或中型项目工程设计不少于3项,具备注册执业资格或高级专业技术职称。
(3)在主要专业技术人员配备表规定的人员中,主导专业的非注册人员应当作为专业技术负责人主持过所申请行业中型项目不少于2项,或大型项目不少于1项。
3 技术装备及管理水平(1)有必要的技术装备及固定的工作场所。
(2)有完善的质量体系和技术、经营、人事、财务、档案管理制度。
办理流程:1、提供符合要求的工商2、在北京建设信源资讯有限公司购买勘察设计系统锁及其阅读仪3、配备职称人员,职称人员需要提供设计经历及相关业绩4、在勘察设计系统录入资料,并生成上报资料(网上申报并打印形成附件材料),人员及业绩需要备案5、在河南省政务网提取企业及人员并上报相关信息材料6、去省厅递交申请表7、递交省建设厅进行审批,审批时间一般在20个工作日(不含专家论证时间)8、批前公示-批后公告-领取证书公司愿景:协助每一个勘察设计单位拥有自己的资质。
一直以来,电力行业的发展都很稳定,伴随社会经济水平的提高,人们对于电力工程的需求也不断增加,因而从事这方面的工程项目时对于资质的要求也更加严格,一般企业会选择从较为容易的乙级进行办理。
办理流程:1、工商注册;2、购买建设部或建设厅系统;3、配备人员并注册人员;4、准备上报资料(网上申报并打印形成纸质材料);5、提交资料;6、审批(审批流程)市建委-建设厅-建设部-公示。
电力设计资质标准人员配备表如下所示:变电工程(乙级)资质人员配备;注册电气(发输变电)3个二级注册结构师1个二级注册建筑师1个暖通中级工程师1个给排水中级职称1个概预算中工1个电力系统高工1个通信保护高工1个总图高工1个变电工程乙级资质配备人员合计(11名)送电乙级资质人员配备:注册电气工程师(发输变电)3个一级注册结构师1个二级注册结构师1个概预算中工1个电力系统高工1个通信保护高工1个送电工程乙级资质配备人员合计(8名)变电工程(丙级)资质人员配备;注册电气(发输变电)1个二级注册结构师1个概预算中工1个电力系统高工1个通信保护高工1个总图高级职称1个变电工程丙级资质配备人员合计(6名)送电丙级资质人员配备;注册电气工程师(发输变电)1个二级注册结构师1个概预算中工1个电力系统高工1个通信保护高工1个送电工程丙级资质配备人员合计(5名)通过上述内容的介绍,希望对大家会有更多的帮助,更多问题详情咨询南京智旺达企业管理有限公司是一家专业代理各类建筑企业资质的企业,主要业务有:施工总承包资质、施工专业承包资质、设计资质、勘察资质、事务所资质、造价资质、园林绿化资质等各类建筑资质的代理,公司目前拥有资深的资料制作团队和老师,为全国各地建筑企业提供资质代理服务。
电力行业(新能源发电)专业乙级资质电力行业(新能源发电)专业乙级资质是目前新能源发电专业的最高资质,资质范围内可以独立承接太阳能发电、沼气发电、垃圾填埋气发电、天然气热电联供等新能源发电工程的设计、建设的总承包业务及,同时能从事相关的技术及管理服务。
依据《工程设计资质标准2007年版(最新)》里第三部分承担业务范围中第(三)条工程设计专业资质中第二款:专业乙级可以承担本专业中、小型建设工程项目的主体工程及其配套工程的设计业务。
依据《光伏发电站设计规范(GB 50797-2012)》里节描述:光伏发电系统按安装容量可分为三类,其中中型项目的容量界定为小于等于30MW。
依据《工程设计资质标准2007年版(最新)》附表2-4:电力行业建设项目设计规模划分表。
现如今,对于承接社会工程项目的企业或公司来说,尤其是涉及人身安全的电力行业,都需要了解企业的资质标准,因此审核部门较为严格,这就要求企业办理前需要详细了解相关的申请内容有哪些。
电力行业专业资质送电变电工程设计乙级资质申请所需人才如下(可唯一社保):1.注册电气工程师(发输电)3名30W-35W三年2.一级注册结构师1名28W-32W三年3.二级注册建筑师1名6W-8W两年4.二级注册结构师1名10W-15W三年5. 暖通专业技术负责人1名2W-3W三年6.给排水专业技术负责人1名2W-3W三年7. 工程经济及概预算1名2W-3W三年8.电力系统高工1名4W-5W三年9..通信保护1名4W-5W三年10.总图1名14W-15W三年共计12名人员,其中3名人员需要提供个人业绩,年龄在60岁以下,如果没到60岁退休了,就提供退休证明,社保就可以不用缴纳了。
乙级资质满足的硬性要求(1)专业配备齐全、合理,主要专业技术人员数量不少于所申请专业资质标准中主要专业技术人员配备表规定的人数。
(2)企业的主要技术负责人或总工程师应当具有大学本科以上学历、10年以上设计经历,且主持过所申请行业相应专业设计类型的中型项目工程设计不少于3项,或大型项目工程设计不少于1项,具备注册执业资格或高级专业技术职称。
一般用电力职称作为技术负责人。
(3)在主要专业技术人员配备表规定的人员中,主导专业的非注册人员应当作为专业技术负责人主持过所申请行业相应专业设计类型的中型项目工程设计不少于2项,或大型项目工程设计不少于1项。
主导专业有哪些,配备表也有指示,是有规定的,他们是必须配备个人业绩的人员!通过上述内容的介绍,相信可以帮助大家了解这一问题,同时如有这方面的更多问题需要了解,可以咨询南京智旺达企业管理有限公司。
电力行业设计送变电乙级资质人员配备标准资历和信誉(1)具有独立企业法人资格。
(2)社会信誉良好,注册资本不少于100万元人民币。
技术条件(1)专业配备齐全、合理,主要专业技术人员数量不少于所申请专业资质标准中主要专业技术人员配备表规定的人数。
(2)企业的主要技术负责人或总工程师应当具有大学以上学历、10年以上设计经历,且主持过所申请行业相应专业设计类型的中型项目工程设计不少于3项,或大型项目工程设计不少于1项,具备注册执业资格或高级专业技术职称。
(3)在主要专业技术人员配备表规定的人员中,主导专业的非注册人员应当作为专业技术负责人主持过所申请行业相应专业设计类型的中型项目工程设计不少于2项,或大型项目工程设计不少于1项。
技术装备及管理水平(1)有必要的技术装备及固定的工作场所。
(2)有较完善的质量体系和技术、经营、人事、财务、档案等管理制度。
电力行业工程设计资质送变电乙级资质所需人员12名1、概预算工程师 1名2、二级注册结构师1名3、一级注册结构师1名4、二级注册建筑师1名5、通信保护工程师1名6、总图工程师 1名7、注册电气工程师(发输电)3名8、电力系统工程师1名9、暖通工程师 1名10、给排水工程师1名办理资质流程办理资质流程第一步工商注册第二本购买软件(北京建设信源资讯有限公司)第三步配备人员并注册人员第四步准备上报资料(网上申报并打印形成上报材料)第五步递交材料第六步审批(审批流程)市建委-省建厅申请勘察设计资质企业最关注的的无非只有两点:1,能不能申请下来,多长时间能拿到资质证书,2,办理资质需要多少费用,这两点在我们公司都可以得到充分的保证,甚至可以说是根本不存在的问题,因为我们公司从2012年成立以来,每年经我公司之手办理的勘察设计资质至少几十家,公司里面的成功案例比比皆是,涉及各个行业,各个专业,只要我们接手的资质可以说通过率100%,只要您是正规注册经营企业,只要您信任我们河南宽信,我们一定用优质的服务和态度,为您排忧解难,为您节约大量时间,用最实惠的价格达成最优质的质量保证;闫工l叁五*二六/八四*八贰/9久企鹅l五二*四/四O四*八6久想了解透彻请拨通电话.我会给你做专业的讲解和说明.。
电力送变电乙级设计资质资质标准及人员配备注意事项一、资质标准:1、资历和信誉(1)具有独立企业法人资格。
(2)社会信誉良好,注册金不少于300万元人民币。
2、技术条件(1)专业配备齐全、合理,主要专业技术人员数量不少于所申请行业资质标准中主要专业技术人员配备表规定的人数。
(2)企业的主要技术负责人或总工程师应当具有大学以上学历、10年以上设计经历,主持过所申请行业大型项目工程设计不少于1项,或中型项目工程设计不少于3项,具备注册执业资格或高级专业技术职称。
(3)在主要专业技术人员配备表规定的人员中,主导专业的非注册人员应当作为专业技术负责人主持过所申请行业中型以上项目不少于2项,或大型项目不少于1项。
(4)zhang”(l83)”//(37I)”//(9655⑦)”3、技术装备及管理水平(1)有必要的技术装备及固定的工作场所。
(2)有完善的质量体系和技术、经营、人事、财务、档案管理制度。
二、人员配备:注:1.“火力发电”工程主导专业为:(1)—(4)、(6)、(9)、(19)—(23)的11个专业;“水力发电”工程主导专业为:(2)、(7)—(15)、(17)的11个专业;“风力发电”工程主导专业为:(2)、(4)、(7)、(8)、(10)、(13)、(15)—(17)的9个专业;“新能源发电”工程主导专业为:(1)—(4)、(9)、(19)、(21)—(23)的9个专业;“送电工程”主导专业为:(2)、(4)、(19)、(21)的4个专业;“变电工程”主导专业为:(2)—(4)、(19)、(21)、(23)的6个专业。
2.申请行业资质时,企业和人员业绩需包括以下2个设计类型:“火力发电、送电工程”;或“水力发电、送电工程”;或“水力发电、风力发电”,且企业具备2个百万千瓦级水电站工程设计业绩。
3.专业设置中,(19)—(23)专业的专业技术人员职称要求为高级及以上。
4.行业资质专业人员的配备,括号内的数字为水力水电设计企业申请行业资质对主要专业技术人员配备的要求。
电力设计乙级资质办理条件一、企业要求1.注册资本:根据国家有关规定,企业注册资本要求在一定范围内,一般要求不低于一定金额。
2.组织机构:企业应具备健全的法人治理结构和组织机构,明确各岗位职责,并建立相应的管理制度。
3.人员配备:企业应配备一定数量的注册电气工程师、一级建造师、注册工程师等相关专业技术人员,以保证项目设计、监理等工作的顺利进行。
4.项目经验:企业应具备一定数量和规模的电力工程设计经验,特别是与乙级资质相关的工程项目经验。
5.设计规范:企业应熟悉电力工程设计的相关规范和标准,包括国家标准、行业标准等,并严格按照这些规范进行设计。
二、人员要求1.电气工程师:申请电力设计乙级资质的企业应配备一定数量的注册电气工程师,他们负责电力工程相关的设计工作,需要具备较高的电气工程专业知识和技能。
2.一级建造师:企业应配备一定数量的一级建造师,他们负责电力工程设计、施工等工作,在项目实施过程中起到重要作用。
3.注册工程师:企业应配备一定数量的注册工程师,他们负责电力工程的规划、设计、施工等工作,需要具备相关专业知识和技能。
4.监理人员:企业应配备一定数量的监理人员,他们负责对电力工程的设计、施工等过程进行监督和检查,确保项目按照设计要求和相关规范进行。
三、经验要求1.设计经验:企业应具备一定数量和规模的电力工程设计经验,特别是与乙级资质相关的工程项目经验,通过设计实践积累经验,提高设计能力。
2.施工经验:企业应具备一定数量和规模的电力工程施工经验,企业应可以证明其所从事过的电力工程施工项目符合相关标准和规范,施工质量优良。
3.监理经验:企业应具备一定数量和规模的电力工程监理经验,企业应可以证明其所从事过的电力工程监理项目符合相关标准和规范,监理工作得到相关部门的认可。
四、技术能力要求1.设计能力:企业应拥有一定的电力工程设计能力,包括熟悉相关设计软件和工具的使用,能够独立完成电力工程的设计任务。
2.技术创新能力:企业应具备技术创新能力,能够根据项目的实际需求,提供创新的设计方案和解决方案,提升电力工程的设计水平。
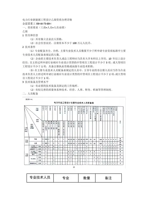
电力行业新能源工程设计乙级资质办理详情金蓝盟董工I59-I4I-73-89-I一、资质要求(工商+人员+人员业绩)乙级1 资历和信誉(1)具有独立企业法人资格。
(2)社会信誉良好,注册资本不少于100万元人民币。
2 技术条件(1)专业配备齐全、合理,主要专业技术人员数量不少于所申请专业资质标准中主要专业技术人员配备表规定的人数。
(2)企业的主要技术负责人或总工程师应当具有大学本科以上学历、10年以上设计经历,且主持过所申请行业相应专业设计类型的中型项目工程设计不少于3项,或大型项目工程设计不少于1项,具备注册执业资格或高级专业技术职称。
(3)在主要专业技术人员配备表规定的人员中,主导专业的非注册人员应当作为专业技术负责人主持过所申请行业相应专业设计类型的中型项目工程设计不少于2项,或大型项目工程设计不少于1项。
3 技术装备及管理水平(1)有必要的技术装备及固定的工作场所。
(2)有较完善的质量体系和技术、经营、人事、财务、档案等管理制度。
二、人员配备专业技术人员专业数量备注注册人员注册电气工程师(发输电)4 三年聘用期注册动力工程师 1 三年聘用期一级注册结构师 1 三年聘用期二级注册建筑师 1 二年聘用期非注册人员暖通中级工程师 1 一年聘用期给排水中级工程师1 一年聘用期水利水电中级工程师1 一年聘用期环境保护中级工程师1 一年聘用期输煤除灰中级工程师1 一年聘用期热工控制高级工程师1 一年聘用期化学水处理高级工程师1 一年聘用期电力系统专业高级工程师1 一年聘用期总图运输设计专业高级工程师1 三年聘用期工程经济及概预算中级工程师1 一年聘用期通信保护专业高级工程师1 一年聘用期以上18名人员注册人员+非注册人员我这里全齐需要的话联系我金蓝盟管理咨询有限公司,主要从事建设部、水利部、交通部、发改委等部门颁发的注册执业资格证书gua靠,建筑业企业包括园林、电力、市政、水利等行业的资质gua靠,并为小型企业做资质gua靠。
办理电力设计送变电乙级资质流程和人员怎样配备
一、流程:
1.基本条件准备:申请单位应具备合法的组织机构和注册资本,需要
提供有关单位基本情况、业绩和资质证明等文件。
2.申请资料准备:申请单位需准备《送变电工程电力设计乙级资质证
书申请表》、《电力设计乙级申报书》等申请资料,并按要求填写完整。
4.技术评定和资质认定:申请单位需通过技术评定,包括设计方案、
施工图纸等技术资料的审核。
经评定组综合评议,并按相关规定进行抽查,确定申请单位是否符合电力设计送变电乙级资质要求。
5.资质颁发:通过审核后,电力设计送变电乙级资质证书将由相关部
门颁发给申请单位。
二、人员配备:
2.资质申报人员:负责根据要求填写申请表和申报书,整理准备申请
资料,并在初审和审核过程中进行沟通和配合工作。
3.技术团队:包括设计师、工程师、技术人员等,负责进行技术方案
的编制、施工图纸的设计等工作。
4.监理人员:负责设计过程的监督和验收工作,确保设计过程符合相
关标准和规范。
5.监督人员:由相关部门派出的人员,负责对申请单位的申请流程、
资料和技术评定过程进行监督,确保申请过程的公正、透明和合规性。
以上是办理电力设计送变电乙级资质的流程和人员配备。
申请单位应积极配合各项审核和评定工作,确保申请资料的真实性和合规性,并建立健全的内部管理体系,提高技术能力和质量管理水平,以提升企业在电力设计领域的竞争力。
电力设计资质标准人员配备表如下所示:变电工程(乙级)资质人员配备;注册电气(发输变电)3个二级注册结构师1个二级注册建筑师1个暖通中级工程师1个给排水中级职称1个概预算中工1个电力系统高工1个通信保护高工1个总图高工1个变电工程乙级资质配备人员合计(11名)送电乙级资质人员配备:注册电气工程师(发输变电)3个一级注册结构师1个二级注册结构师1个概预算中工1个电力系统高工1个通信保护高工1个送电工程乙级资质配备人员合计(8名)变电工程(丙级)资质人员配备;注册电气(发输变电)1个二级注册结构师1个概预算中工1个电力系统高工1个通信保护高工1个总图高级职称1个变电工程丙级资质配备人员合计(6名)送电丙级资质人员配备;注册电气工程师(发输变电)1个二级注册结构师1个概预算中工1个电力系统高工1个通信保护高工1个送电工程丙级资质配备人员合计(5名)办理资质流程:1、工商注册;2、购买建设部或建设厅系统;3、配备人员并注册人员;4、准备上报资料(网上申报并打印形成纸质材料);5、提交资料;6、审批(审批流程)-建设厅-建设部-公示。
【新能源发电工程】乙级设计资质人员配备:注册动力工程师1名注册电气工程师(发输变电)4名二级注册建筑师1名一级注册结构师1名暖通中工1名给排水中工1名水利水工中工1名环境保护中工1名概预算中工1名输煤除灰中工1名电力系统高工1名热工控制高工1名通信保护高工1名化学水处理高工1名总图高工1本新能源设计乙级资质人员合计(18名)办理资质流程:1、工商注册;2、购买建设部或建设厅系统;3、配备人员并注册人员;4、准备上报资料(网上申报并打印形成纸质材料);5、提交资料;6、审批(审批流程)市建委-建设厅-建设部-公示。
乙级1 资历和信誉(1)具有独立企业法人资格.(2)社会信誉良好.注册资本不少于100万元人民币.2 技术条件(1)专业配备齐全.合理.主要专业技术人员数量不少于所申请专业资质标准中主要专业技术人员配备表规定的人数.(2)企业的主要技术负责人或总工程师应当具有大学本科以上学历.10年以上设计经历.且主持过所申请行业相应专业设计类型的中型项目工程设计不少于3项.或大型项目工程设计不少于1项.具备注册执业资格或高级专业技术职称.(3)在主要专业技术人员配备表规定的人员中.主导专业的非注册人员应当作为专业技术负责人主持过所申请行业相应专业设计。
电力设计风力发电专业乙级资质办理条件河南景裕-李经理l73*2O l9*8888河南景裕工程咨询有限公司是一家专业为建筑业企业资质申请提供咨询服务的公司;主营业务为勘察设计及建筑施工资质新申请、增项、升级、延续、托管、变更(法人变更,技术负责人变更)
资质标准:乙级
1.资历和信誉
(1)具有独立企业法人资格。
(2)社会信誉良好,注册资本不少于100万元人民币。
2.技术条件
(1)专业配备齐全、合理,主要专业技术人员数量不少于所申请专业资质标准中主要专业技术人员配备表规定的人数。
(2)企业的主要技术负责人或总工程师应当具有大学本科以上学历、10年以上设计经历,且主持过所申请行业相应专业设计类型的中型项目工程设计不少于3项,或大型项目工程设计不少于1项,具备注册执业资格或高级专业技术职称。
(3)在主要专业技术人员配备表规定的人员中,主导专业的非注册人员应当作为专业技术负责人主持过所申请行业相应专业设计类型的中型项目工程设计不少于2项,或大型项目工程设计不少于1项。
3.技术装备及管理水平
(1)有必要的技术装备及固定的工作场所。
(2)有较完善的质量体系和技术、经营、人事、财务、档案等管理制度。
电力行业项目规模划分表:
电力设计风力发电专业乙级人员配备如下:
1、注册电气工程师(发输电)1名
2、一级注册结构师1名
3、规划高级(水利水电)工程师1名
4、地质高级(水利水电)工程师1名
5、水土保持高级(水利水电)工程师1名
6、环保工程师1名
7、机械工程师1名
8、水文工程师1名
9、概预算工程师1名合计:9名。
新能源设计乙级资质人员配备
首先,新能源设计乙级资质人员需要具备相关的教育背景和专业知识。
他们通常需要具备本科及以上学位,专业方向可以是能源工程、电气工程、电力系统及其自动化、环境科学与工程等相关专业。
在学校期间,他们需
要学习电力系统分析与设计、清洁能源技术、能源管理等相关课程,掌握
电力系统运行与调度、新能源发电技术、电网规划与设计等专业知识。
此外,新能源设计乙级资质人员还需要具备一定的项目管理和协调能力。
他们需要能够理解客户需求,进行设计方案的制定和评估,并能够与
其他专业人员进行有效的协作和沟通。
在项目实施过程中,他们需要负责
项目的进度控制、资源安排、质量监控等工作,确保项目能够按时、按质
量完成。
最后,新能源设计乙级资质人员还需要具备良好的学习能力和创新能力。
新能源领域发展迅速,技术更新换代也较为频繁,资质人员需要不断
学习新知识、掌握新技术,以适应行业的变化。
同时,他们还需要具备创
新意识,能够提出并实施创新的设计方案,推动行业的发展。
总的来说,新能源设计乙级资质人员配备需要具备相关的教育背景和
专业知识,具备一定的实践经验和项目管理能力,同时还需要具备学习能
力和创新能力。
这样的人员配置能够保障新能源项目的设计质量和工程效果,推动新能源行业的健康发展。
电力设计乙级资质办理条件一、引言电力设计乙级资质是指在电力设计行业中,具备较高技术水平和综合能力的企业或个人所获得的资质等级。
电力设计乙级资质的办理条件是指获得该资质所需要满足的各项条件和要求。
本文将对电力设计乙级资质办理条件进行全面详细、完整且深入的介绍。
二、电力设计乙级资质办理条件电力设计乙级资质的办理条件主要包括以下几个方面:1. 企业注册要求1.1 注册资本要求:企业应具备一定的注册资本,以保证企业的运营和发展。
1.2 法人代表要求:企业应具备合法合规的法人代表,以确保企业的合法性和稳定性。
1.3 组织机构要求:企业应具备合理的组织机构和管理体系,以确保项目的顺利进行和高质量的交付。
2. 人员要求2.1 专业技术人员要求:企业应具备一定数量的电力设计领域相关专业技术人员,且具备相应的学历和职称要求。
2.2 从业年限要求:电力设计乙级资质办理需要企业中具备一定年限的电力设计相关从业人员。
3. 技术要求3.1 设计能力要求:企业应具备一定的电力设计技术能力和经验,能够独立完成各类电力设计项目。
3.2 设计条件要求:企业应具备相应的电力设计软硬件设备和技术支持条件,以保证设计质量和效率。
3.3 安全管理要求:企业应具备相应的安全管理制度和能力,确保设计过程和设计结果的安全性。
4. 项目经验要求4.1 项目数量要求:企业应具备一定数量的完成的电力设计项目,以证明其在电力设计领域具备一定的实践经验。
4.2 项目类型要求:企业应具备多样化的电力设计项目经验,涵盖不同行业和规模的项目。
5. 质量管理要求5.1 质量管理体系要求:企业应建立完善的质量管理体系,包括质量控制、质量检测、质量评审等环节,以确保设计质量的稳定和提升。
5.2 质量评估要求:企业应具备一定的质量评估能力,包括设计质量的评估、项目实施过程的评估等。
6. 诚信要求6.1 商业信誉要求:企业应具备良好的商业信誉度,包括无严重违法违规记录等。
风力发电设计乙级资质申请条件及人员配备1、申请条件1-1资历和信誉,张l83//37//l9-65/57(1)具有独立企业法人资格。
(2)社会信誉良好,资本不少于300万元人民币。
1-2技术条件(1)专业配备齐全、合理,主要专业技术人员数量不少于所申请行业资质标准中主要专业技术人员配备表规定的人数。
(2)企业的主要技术负责人或总工程师应当具有大学以上学历、10年以上设计经历,主持过所申请行业大型项目工程设计不少于1项,或中型项目工程设计不少于3项,具备注册执业资格或高级专业技术职称。
(3)在主要专业技术人员配备表规定的人员中,主导专业的非注册人员应当作为专业技术负责人主持过所申请行业中型以上项目不少于2项,或大型项目不少于1项。
1-3 技术装备及管理水平(1)有必要的技术装备及固定的工作场所。
(2)有完善的质量体系和技术、经营、人事、财务、档案管理制度。
电力行业工程设计资质风力发电乙级资质所需人员9名1、注册电气工程师(发输电)1名2、一级注册结构师1名3、规划高级工程师1名4、地质高级工程师1名5、水土保持高级工程师1名6、环保工程师1名7、机械工程师1名8、水文工程师1名9、概预算工程师1名2、资质办理流程第一步:工商注册、第二步:在北京建设信源资讯有限公司购买勘察设计系统锁第三步:配备注册人员及职称人员,注册人员进行预注册,职称人员需要提供10年以上的设计业绩、第四步:在勘察设计系统录入资料并生成上报资料(网上申报并打印形成上报材料)、第五步:递交材料、第六步:递交省建设厅进行审批,审批时间一般在20个工作日(不含专家论证时间)3、承接范围乙级资质只能从事100MW以下的风力发电项目设计。
电力行业新能源发电专业乙级资质修订版
IBMT standardization office【IBMT5AB-IBMT08-IBMT2C-ZZT18】
电力行业(新能源发电)专业乙级资质电力行业(新能源发电)专业乙级资质是目前新能源发电专业的最高资质,资质范围内可以独立承接太阳能发电、沼气发电、垃圾填埋气发电、天然气热电联供等新能源发电工程的设计、建设的总承包业务及项目管理,同时能从事相关的技术及管理服务。
依据《工程设计资质标准2007年版(最新)》里第三部分承担业务范围中第(三)条工程设计专业资质中第二款:专业乙级可以承担本专业中、小型建设工程项目的主体工程及其配套工程的设计业务。
依据《光伏发电站设计规范(GB
依据《工程设计资质标准2007年版(最新)》附表2-4:电力行业建设项目设计规模划分表。
办理电力行业火力发电乙级资质配备的人员有哪些?请找
无锡千亿创经济信息咨询有限公司彭工手机1855--2402--218 qq:187--127--9965
办理力行业火力发电乙级资质要求的人员:
1.注册动力工程师3名
2.注册电气工程师(发输电)6名
3.一级注册建筑师1名
4.一级注册结构师2名
5.注册暖通工程师1名
6.注册给排水工程师1名
7.工程经济概预算2名、水工中级1名、环境保护1名、输煤除灰1名、电力系统高工1名、热工控制高工1名、通信保护高工1名、化学水处理高工1名总图高工1名
总计24名工程师
火力发电工程主导专业为:动力、发输电、建筑、结构、给排水、水利水电、电力系统、热工控制、通信保护、化学水处理、总图的11个专业,欢迎有需要的企业来电咨询。