电梯制造许可证等级划分
- 格式:doc
- 大小:27.00 KB
- 文档页数:2
1、从电梯制造许可证类型目录的角度来讲不存在所谓的服务梯,只有如下区分:
1、客梯
2、货梯
3、液压梯
4、杂物梯
5、自动扶梯
6、自动人行道
等
2、从检规的角度看只有曳引和强制驱动电梯,没有做客梯和货梯的区别验收;液压梯、杂物梯、消防梯、扶梯和人行道都有独立的检规。
3、货梯电梯的载荷有个区分定义:
A型与C型
A型为普通载荷电梯, 载荷均匀放置在轿厢内,每件货物的重量或任何单个手推车及其负载的重量都不大于电梯额定载重的1/4,货物从轿厢内搬进搬出只用人力或手推车.
C型属于工业搬运车载荷, 电梯运送带载的搬运车,或有集中重载的其他载荷.
注: 1000KG-2000KG电梯标准为A类载荷
3000KG电梯标准为A类载荷,可选为C类载荷
4000KG-5000KG电梯标准为C类载荷
1,关于电梯的名称与应用在GB/T7024中有定义描述,具体招录如下。
2,对于其中序号2.2和2.4在CTE中属于乘客电梯梯认证,对于序号2.3为货梯认证。
电梯制造许可证级别划分及要求电梯制造许可证是指在中国境内生产、销售和使用电梯产品时,必须经过相关部门的审批和授权,取得的证书。
电梯制造许可证的级别划分主要根据企业资质、技术水平和质量管理体系等方面进行评定。
以下将详细介绍电梯制造许可证的级别划分及要求。
一、一级电梯制造许可证一级电梯制造许可证是最高级别的许可证,可以生产、销售和使用各类电梯产品。
获得一级电梯制造许可证的企业需要满足以下要求:1.具备完备的技术研发能力,能够自主研发和生产各类电梯产品;2.拥有先进的生产设备和工艺,确保产品质量合格;3.具备丰富的生产经验和技术人员队伍,能够提供专业的售后服务;4.建立健全的质量管理体系,确保产品的质量和安全性;二、二级电梯制造许可证二级电梯制造许可证是次高级别的许可证,可以生产、销售和使用某些类型的电梯产品。
获得二级电梯制造许可证的企业需要满足以下要求:1.拥有一定的技术研发和生产能力,能够生产一部分类型的电梯产品;2.生产设备和工艺能够满足产品质量的要求;3.具备一定的生产经验和技术人员队伍,能够提供基本的售后服务;4.建立初步的质量管理体系,对产品质量进行基本控制;三、三级电梯制造许可证三级电梯制造许可证是最低级别的许可证,只能生产、销售和使用特定类型的电梯产品。
获得三级电梯制造许可证的企业需要满足以下要求:1.有一定的生产能力,能够生产特定类型的电梯产品;2.生产设备和工艺能够满足产品质量的基本要求;3.具备一定的生产经验和技术人员队伍,能够提供基本的售后服务;4.建立基本的质量管理体系,对产品质量进行基本控制;除了上述的级别要求,电梯制造企业还需要满足其他相关的要求,如:1.拥有合法的企业注册资本和法人资质;2.符合国家和地方相关法律法规的规定,如《特种设备安全法》等;3.所有电梯产品必须通过国家相关部门的检测和认证,如中国特种设备检验研究院等;4.建立完善的产品质量追溯体系,确保问题电梯能够及时排查和召回;5.严格遵守产品质量和安全管理要求,确保产品的质量和使用的安全性。
电梯资质等级新规
电梯资质等级新规出炉,这是为了保障人们的生命安全,特别是在日
常生活和工作中频繁接触电梯的人们。
根据这一新规,电梯资质将根
据专业等级分为A级、B级和C级,接下来我们来了解其中的主要内容。
一、A级电梯资质等级
A级电梯资质等级是电梯行业的最高等级,要求从业人员必须具备较高的理论知识和实践技能,掌握电梯的设计、安装、维修、改造等各项
技术,具有较高的技术素养和技术能力,目前仅少数电梯制造商和大
型服务企业能达到这一水平。
二、B级电梯资质等级
B级电梯资质等级要求从业人员具有扎实的理论基础和较强的实践能力,可以独立完成电梯的安装、维修、改造等工作,能够解决常见的电梯
故障问题,并能够独立应对一些紧急情况。
三、C级电梯资质等级
C级电梯资质等级是电梯资质等级中的最低等级,要求从业人员掌握基本的理论知识和技能,仅有基本的电梯安装和日常维护经验,仅能完
成一些基本的维护工作,对于较复杂的故障问题,需要向上级报告并
由专业人员进行处理。
在电梯资质等级新规下,企业将必须加强对员工的职业培训,更加重
视从业者的职业技能及知识的提升,以提高电梯安全等级及质量,还
需要进一步完善行业的规范和制度。
同时,消费者也应该购买正规厂
家生产的、具有资质证明的电梯,以保障自身的安全。
综上所述,电梯资质等级新规的出台将成为电梯行业管理的重要一步,有助于确保电梯质量和安全性,并为电梯从业人员提供更多的发展机
会和岗位获得感。
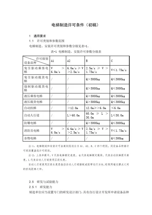
电梯制造许可条件(初稿)1 通用要求1.1许可类别和参数范围电梯制造、安装许可类别和参数分级见表-1。
表-1 电梯制造、安装许可参数分级表注-1:电梯制造和安装许可由高到低划分为A1、A2、B、C四个级别,同设备品种高许可级别覆盖低许可级别。
注-2:上表参数中,V代表电梯额定速度, Q代表电梯额定载荷,代表自动扶梯提升高度,L代表自动人行道使用区段长度。
自动人行道使用区段长度是指沿自动人行道踏板或胶带运行方向,桁架两端支撑点之间的折线距离之和。
2.5研发与试验能力2.5.1 研发能力制造单位应当设置专门的研发设计部门,具有自行设计开发所申请设备品种和级别电梯产品的能力。
2.5.2试验能力(1) 制造单位应当自有电梯提升高度不小于80m的电梯试验专用井道,该井道至少能够安装额定载荷为1600kg的电梯。
(2) 自有实验室检测能力不少于30项,其中CNAS认可项目不少于10项。
2.5.2.1 通用检测仪器、仪表或量具耐电压测试仪、绝缘检测设备、数字万用表、数字钳形表,数字转速表、声级计、推(拉)力计、管形测力计、扭力扳手,布氏硬度计、橡胶硬度计、照度计、红外测温仪,粗糙度仪或比较样块、角度测量量具或仪器,漆膜测厚仪、金属(钢板)测厚仪,水平尺(水平仪)、(长度、深度和高度)游标卡尺、千分尺、钢直尺、卷尺、塞尺。
2.5.2.3 试验设备与装置电梯控制柜功能检测台、电梯限速器动作速度测试装置、电梯门摆锤冲击试验装置、电梯门锁试验装置、电梯制动器试验装置(上述试验设备与装置必须满足GB 7588-2003《电梯制造与安装安全规范》及其附录中的相关要求)。
2.6售后服务能力个别人意见:在全国范围内有不低于20个取得电梯安装许可证的分支机构。
中华人民共和国特种设备制造许可证
(电梯)
简介:按种类分,有乘客、载货、液压、杂物、特殊、进口电梯和自动扶梯、自动人行道及安全保护装置等不同种类。
每种电梯按参数和类别分为A、B、C三级。
乘客电梯按额定速度,载货电梯按额定载荷,防爆电梯按防爆等级,自动扶梯按高...
按种类分,有乘客、载货、液压、杂物、特殊、进口电梯和自动扶梯、自动人行道及安全保护装置等不同种类。
每种电梯按参数和类别分为A、B、C三级。
乘客电梯按额定速度,载货电梯按额定载荷,防爆电梯按防爆等级,自动扶梯按高度,自动人行道按长度向下覆盖。
电梯制造许可级别划分如下:
《中华人民共和国特种设备安装改造维修许可证》
(电梯)A、B、C级资质具体范围
A级:可安装改造维修乘客电梯、载货电梯、液压电梯、杂物电梯、自动扶梯、自动人行道,技术参数不限。
B级:可安装改造维修额定速度不大于2.5m/s、额定载重量不大于5t 的乘客电梯,载货电梯、液压电梯、杂物电梯,以及所有技术参数等级的自动人行道和自动扶梯。
C级:可安装改造维修:额定速度不大于1.75m/s,额定载重量不大于3t的乘客电梯,载货电梯,以及所有技术参数等级的杂物电梯、自动人行道和提升高度不大于6m的自动扶梯。
《特种设备(电梯)安装改造维修许可证》
A级:可安装改造维修乘客电梯、载货电梯、液压电梯、杂物电梯、自动扶梯、自动人行道,技术参数不限。
B级:可安装改造维修额定速度不大于2.5m/s、额定载重量不大于5t的乘客电梯,载货电梯、液压电梯、杂物电梯,以及所有技术参数等级的自动人行道和自动扶梯。
C级:可安装改造维修:额定速度不大于1.75m/s,额定载重量不大于3t的乘客电梯,载货电梯,以及所有技术参数等级的杂物电梯、自动人行道和提升高度不大于6m的自动扶梯。
具备以下条件的企业可承担1.om/s以下,电梯(含PC机)的销售、安装与维修业务。
申请《特种设备(电梯)安装改造维修许可证》(C级证)要什么资料?
1.从事电梯安装、维修2年以上,注册资金50万元以上;
2.安装、维修过额定速率1.0m/s的交流双速(含PC机)电梯;
3.企业自有职工30人以上;
4.企业经理应具有从事电梯安装、维修管理工作2年以上的资历,有电梯安装、维修管理经验;
5.企业技术负责人应具有机电专业高级技术职称,并有2年以上电梯安装、维修管理经验;
6.职工中应具有2个以上机电专业工程师,其中至少有1名以上经培训合格的电梯质量检测专业工程师;
7.企业拥有一定数量的熟悉电梯安全、质量及安装、维修技术方面的技工。
其中电工不少于全员人数的30%;电气焊工不少于全员人数的10%起重工不少于全员人数10%。
电梯维修许可证书等级
电梯维修许可证书的等级通常根据国家或地区的法律法规来确定。
在美国,根据ASME A17.1规定,电梯维修许可证通常分为A、B、C三个等级。
A级证书是最高级别的证书,持有人可以维修和保养所有类型
的电梯。
B级证书持有人可以维修和保养除液压电梯外的所有类型
的电梯。
C级证书持有人只能维修和保养特定类型的电梯,通常是
限制在某些特定的电梯制造商或型号。
持有A级证书需要经过严格的培训和考试,通常需要有多年的
电梯维修经验。
持有B级证书的人员也需要经过培训和考试,但对
经验的要求相对较低。
持有C级证书的人员通常是在特定电梯制造
商或维修公司接受培训后获得的。
除了美国,其他国家或地区的电梯维修许可证等级可能有所不同,具体的等级划分和要求需要根据当地的法律法规和标准来确定。
因此,在进行电梯维修时,必须确保维修人员持有适当等级的许可证,以确保他们有能力和资格进行相应级别的维修工作。
电梯制造许可证等级划分一、曳引与强制驱动电梯曳引与强制驱动电梯是指采用曳引或强制驱动方式的电梯,包括曳引驱动电梯和强制驱动电梯。
根据电梯额定载重量和额定速度的不同,曳引与强制驱动电梯分为A、B、C三级,其中A级电梯为最高等级,B级和C级电梯则相应较低。
不同等级的电梯对应不同的制造和安全要求。
二、无机房电梯无机房电梯是指不设置机房的电梯,其结构紧凑,运行平稳,广泛应用于高层建筑和公共设施等场合。
无机房电梯的制造许可证等级划分与曳引与强制驱动电梯相同,也分为A、B、C三级。
三、自动扶梯与自动人行道自动扶梯与自动人行道是用于人员运输的自动化设备,广泛应用于商场、机场等公共场所。
其制造许可证等级根据输送能力和自动化程度的不同而有所差异。
一般来说,自动扶梯与自动人行道的制造许可证等级分为A、B两级,其中A级为最高等级。
四、杂物电梯杂物电梯主要用于运输货物,其结构简单,运行平稳。
杂物电梯的制造许可证等级根据额定载重量和额定速度的不同而有所差异,一般分为A、B、C三级。
五、技术与质量保证技术与质量保证是电梯制造许可证等级划分的重要因素之一。
企业应具备相应的技术实力和质量保证体系,以确保所制造的电梯符合相关标准和安全要求。
企业的技术实力和质量保证能力将作为评定其制造许可证等级的重要依据。
六、安装与维保能力电梯制造企业应具备一定的安装与维保能力,以确保所制造的电梯能够正确安装和正常运行。
企业的安装与维保能力将作为评定其制造许可证等级的重要因素之一。
七、生产条件和检验手段企业的生产条件和检验手段也是评定其制造许可证等级的重要因素之一。
企业应具备相应的生产设备和检验仪器,以确保所制造的电梯符合相关标准和安全要求。
同时,企业的生产条件和检验手段也应符合相关法规和标准的要求。
八、企业业绩和信誉企业的业绩和信誉也是评定其制造许可证等级的重要因素之一。
企业应具备良好的业绩和信誉记录,能够为客户提供优质的产品和服务。
企业的业绩和信誉将作为评定其制造许可证等级的重要依据。
电梯制造许可级别划分
简介:按种类分,有乘客、载货、液压、杂物、特殊、进口电梯和自动扶梯、自动人行道及安全保护装置等不同种类。
每种电梯按参数和类别分为A、B、C三级。
乘客电梯按额定速度,载货电梯按额定载荷,防
爆电梯按防爆等级,自动扶梯按高 ...
按种类分,有乘客、载货、液压、杂物、特殊、进口电梯和自动扶梯、自动人行道及安全保护装置等不同种类。
每种电梯按参数和类别分为A、B、C三级。
乘客电梯按额定速度,载货电梯按额定载荷,防爆电梯按防爆等级,自动扶梯按高度,自动人行道按长度向下覆盖。
电梯制造许可级别划分如下:
《中华人民共和国特种设备安装改造维修许可证》(电梯)A、B、C级资质具体范围
A级:可安装改造维修乘客电梯、载货电梯、液压电梯、杂物电梯、自动扶梯、自动人行道,技术参数不限。
B级:可安装改造维修额定速度不大于2.5m/s、额定载重量不大于5t的乘客电梯,载货电梯、液压电梯、杂物电梯,以及所有技术参数等级的自动人行道和自动扶梯。
C级:可安装改造维修:额定速度不大于1.75m/s,额定载重量不大于3t的乘客电梯,载货电梯,以及所有技术参数等级的杂物电梯、自动人行道和提升高度不大于6m的自动扶梯。
特种设备制造许可(分级)一、引言特种设备是指在生产、安装、调试、使用过程中,如果不符合安全技术标准、规范和程序,可能对人身、财产造成损害的锅炉、压力容器、气瓶、电梯、大型游乐设施、油气管道等设备。
为了确保特种设备安全,我国实行许可证制度,特种设备制造单位必须获得制造许可证才能生产特种设备。
根据特种设备制造单位规模、生产设备、技术水平等层次和不同特种设备的危险程度,我国对特种设备制造予以分级管理,不同等级制造单位分别适用不同的许可证制度。
二、特种设备制造许可证分级特种设备制造许可证分为A、B、C三个等级。
根据部门不同,分级的名称有所不同:•国家市场监督管理总局:A级制造许可证、B级制造许可证、C级制造许可证•国家质量监督检验检疫总局:特种设备制造许可证一级、特种设备制造许可证二级、特种设备制造许可证三级•省(区、市)市场监督管理局:制造特种设备许可证甲级、制造特种设备许可证乙级、制造特种设备许可证丙级在这三种分级中,A级(或一级、甲级)的制造许可证是最高级,C级(或三级、丙级)的制造许可证是最低级。
三、特种设备制造许可证申办要求不同级别的特种设备制造许可证的申办要求不一样,但是普遍要求含有以下方面:1. 行政许可申请表申请人必须填写《行政许可申请表》并加盖单位公章。
2. 企业资质证明企业应提供有效的企业法人登记证明文件、工商营业执照、组织机构代码证、税务登记证、特种设备制造/修理许可证等证明其具备开展特种设备制造业务的合法资格的相关证件。
3. 企业生产及质量管理体系要求申请人必须建立、实施、运行和维护完善的《特种设备制造质量管理体系文件》或《特种设备制造质量保证体系文件》,并通过国家相关部门的审核或评定,按照要求取得相应的证明。
4. 技术文件要求申请人必须按照国家有关技术标准和规范及相关技术文件的要求编制制造技术文件,并在特种设备制造许可证核发机关指定的技术服务机构进行技术文件审核。
四、特种设备制造许可证的有效期不同等级的特种设备制造许可证的有效期不同。
电梯等级划分标准-概述说明以及解释1.引言1.1 概述电梯在现代社会中扮演着重要的角色,它们是建筑物中不可或缺的基础设施。
为了确保电梯的安全、效率和功能性,需要对电梯进行等级划分。
电梯等级划分标准的制定是为了规范电梯的设计、安装、维护和使用,以保证电梯的正常运行和乘客的安全。
本文将探讨电梯等级划分的标准,以及其背景、重要性、现状、未来发展等方面。
愿通过本文的阐述,读者能对电梯等级划分有更深入的理解和认识。
1.2文章结构1.2 文章结构本文将分为三个主要部分来探讨电梯等级划分标准。
首先,在引言部分中,将介绍电梯等级划分的概述,文章的结构和研究的目的。
其次,在正文部分中,将详细讨论电梯等级划分的背景、其重要性以及目前的现状。
最后,在结论部分中,将总结电梯等级划分的标准,探讨其未来发展趋势并得出结论。
通过这样的结构安排,读者可以深入了解电梯等级划分的相关内容,从而更好地理解和应用这一标准。
1.3 目的电梯等级划分标准的目的在于规范电梯设备的种类和性能等级,以便使用者能够更加清晰地了解电梯的功能和适用范围。
通过制定统一的等级划分标准,可以提高电梯产业的发展水平,推动技术创新和市场竞争,促进电梯安全性能的提升。
同时,合理的等级划分标准也可以帮助监管部门进行监测和管理,确保电梯设备符合国家规定的安全标准,保障市民生命财产安全。
因此,对电梯等级划分标准的研究和制定具有重要的意义和价值。
2.正文2.1 电梯等级划分的背景电梯作为一种便捷的交通工具,已经成为现代建筑中不可或缺的设施。
随着城市化进程的加快和人们对生活质量的不断提升,电梯在高层建筑和公共场所的应用越来越普遍。
然而,随着电梯的使用量不断增加,电梯安全问题也逐渐凸显出来。
为了确保电梯运行的安全性和顺畅性,各国纷纷制定了相关的法规和标准,其中包括了对电梯等级的划分。
电梯等级划分的背景主要是为了根据电梯所应用的场所、用途和负载等因素,将电梯分为不同等级,以便确定适合的安全措施和维护方式。
乘客电梯制造许可证等级划分额定速度向下覆盖曳引式客梯 V>2.5m/s强制式客梯A级无机房客梯消防电梯 V>2.5m/s观光电梯 V>1.75m/s防爆等级向下覆盖A级防爆客梯额定速度向下覆盖曳引式客梯 2.5m/s≥V>1.75m/s B级消防电梯 V≤2.5m/s观光电梯 V≤1.75m/s病床电梯额定速度向下覆盖C级曳引式客梯 V≤1.75m/s乘客电梯制造许可证A级办理要求A级注册资金(万元) 1500高级工程师3机械工程师10电气工程师10技术负责人高级工程师检验人员10名,其中3名工程师厂房建筑面积(m2) 4000自行加工件轿厢、组装控制柜乘客电梯制造许可证B级办理要求B级注册资金(万元) 1000高级工程师2机械工程师 6电气工程师 5技术负责人高级工程师检验人员8名,其中3名工程师厂房建筑面积(m2) 3000自行加工件轿厢、组装控制柜乘客电梯制造许可证C级办理要求C级注册资金(万元) 500高级工程师1机械工程师 4电气工程师 4技术负责人高级工程师检验人员6名,其中2名工程师厂房建筑面积(m2) 2000自行加工件轿厢、组装控制柜生产设备剪切设备、折弯设备、冲压设备、钻孔设备、车削设备、焊接设备,以及整形设备、起重设备(杂物电梯除外)。
工艺装备略检验检测仪器加、减速度测量仪限速器动作速度检测仪控制柜功能检测台控制柜耐压、绝缘检测设备万用表、钳形电流表、转速表、声级计、游标卡尺、钢直尺、卷尺、塞尺试验井道最低运行高度A级 50m B级 40m C级 20m技术文件所要求技术文件应正确、完整、统一。
设计文件:图样目录、标准件明细表、外购件明细表、外协件明细表、自制件和外协件设计图纸、部件装配图、电气原理图及元器件代号表、设计计算书;产品包装图、包装技术条件和产品出厂随机文件。
工装工艺文件:工装图明细表(目录)、工装设计图样、工艺文件目录、工艺过程卡、检验要求、材料定额汇总表。
对申请取证的特殊产品(消防电梯、观光电梯、防爆电梯、汽车电梯、强制式电梯、无机房电梯等),其与普通电梯区别之处的设计文件、工艺文件都要审查。
深圳电梯等级证书样板摘要:1.深圳电梯等级证书概述2.深圳电梯等级证书的分类3.深圳电梯等级证书的申请流程4.深圳电梯等级证书的样板正文:【深圳电梯等级证书概述】深圳电梯等级证书是深圳市市场监督管理局颁发的,用于证明电梯生产、安装、改造、维修等单位具备相应能力和水平的证书。
根据《深圳市电梯安全条例》规定,从事电梯生产、安装、改造、维修等活动的单位应当取得相应的电梯等级证书。
电梯等级证书分为A、B、C 三个等级,等级越高,代表单位的技术能力和安全管理水平越高。
【深圳电梯等级证书的分类】1.A 级证书:适用于电梯生产、安装、改造、维修等单位,具备较高的技术能力和安全管理水平。
2.B 级证书:适用于电梯生产、安装、改造、维修等单位,具备较高的技术能力和安全管理水平。
3.C 级证书:适用于电梯生产、安装、改造、维修等单位,具备基本的技术能力和安全管理水平。
【深圳电梯等级证书的申请流程】1.提交申请:申请单位需向深圳市市场监督管理局提交申请,并附上相关材料。
2.材料审核:深圳市市场监督管理局对申请材料进行审核。
3.现场核查:深圳市市场监督管理局对申请单位进行现场核查。
4.颁发证书:深圳市市场监督管理局对符合要求的申请单位颁发电梯等级证书。
【深圳电梯等级证书的样板】以下是深圳电梯等级证书的样板:证书编号:________单位名称:________证书类型:A 级/B 级/C 级发证机关:深圳市市场监督管理局发证日期:____年____月____日有效期限:____年证书编号、单位名称、证书类型、发证机关、发证日期和有效期限等信息,均应按照实际情况填写。
以上就是关于深圳电梯等级证书的概述、分类、申请流程和样板的内容。
由于这些年我国的电梯安全事故多发,各地的电梯困人、伤人事件也是频频发生,而且电梯安全问题已引起社会的高度关注。
因此结合当前的市场情况,市场监管总局对现行的电梯维修生产等许可项目进行了精简整合,现予以公告。
下面就是对于电梯维修许可证新规的相关解读:重新调整分级方法,分为A1、A2、B级三级。
总局实施A1、A2级许可,省局实施B级电梯包括曳引驱动乘客电梯和载货电梯、强制驱动载货电梯(含防爆电梯)、自动扶梯和自动人行道电梯、液压驱动电梯和杂物电梯(含防爆电梯)制造许可。
将修理和改造许可合并入制造许可,取得制造许可的企业可以从事许可范围内电梯的安装、修理、改造。
保留安装许可,许可范围同制造许可,由省局实施。
取得安装许可的企业也可从事许可范围内电梯的修理。
a.问:根据《市场监管总局关于特种设备行政许可有关事项的公告》2019年第3号附件,特种设备生产单位许可目录中,含有的项目为“电梯制造(含安装、修理、改造)”;根据《市场监管总局关于调整《电梯施工类别划分表》的通知》(国市监特设函〔2019〕64号),将电梯分为安装、改造、修理、维护保养四类。
也就是说,维护保养是与安装改造修理并列的行为。
照此理解,是否意味着维护保养不需要特种设备生产单位许可?答复:《特种设备安全法》第四十五条规定,电梯的维护保养应当由电梯制造单位或者依照本法取得许可的安装、改造、修理单位进行。
b.问:一是电梯维保单位安装改造维修许可证过期,在未取得有效的安装改造维修许可证前,从事电梯维保活动,能否视为未取得许可,不符合《电梯维护保养规则》(TSG T5002-2017)第四条规定,依据《特种设备安全法》第八十八条处理?二是电梯维保单位从事维保活动时,只要其行为不符合《电梯维护保养规则》(TSG T5002-2017)中的要求,即可视为违反了《特设法》第四十五条第二款的规定,可依据《特种设备安全法》第八十八条处理?答复:一是无安装改造维修许可从事维护保养活动不能简单视为违法,《特种设备安全法》第四十五条规定电梯的维护保养也可由电梯制造单位进行。
乘客电梯制造许可证等级划分
额定速度向下覆盖
曳引式客梯 V>2.5m/s
强制式客梯
A级无机房客梯
消防电梯 V>2.5m/s
观光电梯 V>1.75m/s
防爆等级向下覆盖
A级防爆客梯
额定速度向下覆盖
曳引式客梯 2.5m/s≥V>1.75m/s B级消防电梯 V≤2.5m/s
观光电梯 V≤1.75m/s
病床电梯
额定速度向下覆盖
C级曳引式客梯 V≤1.75m/s
液压电梯制造许可证级别分类
B(国家)液压客梯额定速度向下覆盖
防爆液压客梯防爆等级向下覆盖C(省级)液压货梯额定载荷向下覆盖
防爆液压货梯防爆等级向下覆盖杂物电梯 C 额定载荷向下覆盖
载货电梯制造许可证级别分类
载货电梯(省级)额定载荷向下覆盖
曳引式货梯 Q>3000Kg B 强制式货梯
无机房货梯
汽车电梯
防爆等级向下覆盖
B 防爆货梯 Q>3000Kg
额定载荷向下覆盖
C 曳引式货梯 Q≤3000Kg。