T梁压浆张拉技术交底
- 格式:doc
- 大小:28.50 KB
- 文档页数:6
T梁张拉技术交底施工技术交底签证表工程名称潞能专用铁路工程交底编号交底里程交底项目张拉施工技术交底交底内容:一、T梁的张拉顺序1、当混凝土抗压强度达到33.5MPa以上时进行初张拉,32m单线直线,曲线T梁初张拉预应力钢束顺序为N2外、N2内、N5、N6、N7,终张拉顺序为:N3、N6、N1、N1、N4、N5、N7、N2外、N2内。
2、24m单线直线,曲线T梁初张拉预应力钢束顺序为N2外、N2内、N4、N5,终张拉顺序为N3、N1外、N1内、N4、N5、N2外、N2内。
二、张拉1、工艺流程:检查构件 (或块体) →预应力筋制作→穿预应力筋→锚具检验→安装机具及张拉设备预检→张拉。
2、检查构件尤其要认真检查预应力筋的孔道。
其孔道必须保证尺寸与位置正确,平顺畅通,无局部弯曲;孔道端部的预埋钢板应垂直于孔道轴线,孔道接头处不得漏浆,灌浆孔和排气孔应符合设计要求的位置。
孔道不符合要求时,要清理或作好处理。
3、穿筋前应检查预应力筋的规格、总长是否符合要求。
钢绞线穿好后将束号在构件上注明,以便核对。
4、安装锚具及张拉设备安装锚具及张拉设备时,对直线预应力筋,应使张拉力的作用线与孔道中心线在张拉过程中相互重合;对曲线预应力筋,应使张拉力的作用线与孔道末端中心点的切线相互重合。
5、张拉5.1 预应力筋的张拉程序,应按设计规定进行:初张拉:初→20%σ初→σ初(持荷2min) →锚固终张拉:对于已经初张拉的0→σ初→σ终(持荷2分钟)→锚固。
对于没有张拉过的终→20%σ终→σ终(持荷2min) →补充到σ终→锚固。
5.2 预应力钢丝束采用双作用千斤顶张拉锥形锚楦锚固。
5.3张拉过程中钢丝断丝和滑脱的数量,严禁超过构件同一截面钢丝总数的0.5%,且一束钢丝只允许一根。
如超过上述规定,必须重新张拉,这时应把钢丝拉到原来的张拉吨位,拉松锚塞,用一根钢钎插入垫板槽口内,卡住锚塞,然后大缸回油,锚塞被拉出,取出整个锚楦。
分别检查锚环是否被抽成凹槽,锚塞的细齿是否被抽平,若有这类情况,要调换锚具,重新张拉,如果锚环、锚塞仍然完好无损,则只要在顶压时加大压力顶紧锚塞。
工程部位: 25米、30T梁时间:2012-03-161、施工工艺梁体钢束张拉完成→封锚→清理锚垫板上的压浆孔→制作水泥浆→开始灌浆→灌浆泵持压→出浆口冒出浓浆→封堵压浆口和出浆口→完成灌浆→下一索压浆→清洗压浆管及压浆机→完成压浆。
2、质量标准3、施工技术要求及注意事项(1)预应力筋张拉完成后,孔道必须在48h内压浆。
(2)孔道压浆所使用的水泥强度等级不宜低于42.5,水泥不得有任何团块,宜采用硅酸盐水泥或普通水泥,潮解后的水泥不得用于孔道压浆。
(3)孔道压浆须使用清洁的饮用水,严禁采用氯离子含量较高的水。
所使用的水应不含有对预应力筋或水泥有害的成分,每升水不得含500mg以上的氯化物离子或任何一种其他的有机物。
(4)压浆前应清除管道内的杂物及积水,压入管道的水泥浆应饱满密实。
(5)外加剂采用具有低含水量、流动性好,最小渗出及膨胀性等特性的外加剂,其用量应通过试验确定。
(6)水泥浆自拌制到压入孔道的延续时间不应超过40min,水泥浆在使用前和压注过程中应连续搅拌,对于因延迟使用而导致的流动度降低的水泥浆,不得通过加水来增加其流动度,其处理应在试验室指导下进行。
(7)压浆应从最低点压浆孔压入,由最高点排气孔排气和泌水。
(8)压浆使用活塞式压浆泵,压浆的最大压力控制在0.5~0.7MPa,压浆应达到孔道另一端冒出饱满浓浆,关闭出出浆口,继续保持0.5MPa的压力持续2min。
(9)压浆过程中及压浆后48h内,梁体混凝土的温度不得低于15℃,否则应采取保温措施,若气温高于35℃,压浆应选择在夜间进行。
(10)压浆时,试验室对每一个作业班组留取不少于3组的70.7mm×70.7mm×70.7mm立方体试件,标准养护28d,检查其抗压强度,作为评定水泥质量的依据。
(11)对于顶板、齿板及梁端位置的钢束压浆后应将其周围冲洗干净并对梁端混凝土凿毛,然后按照设计图纸设置封锚钢筋网片浇筑封锚混凝土。
技术交底书施工单位:中交基础设施养护集团有限公司编号:(2)、锚具及其配件:本项目锚具采用YM15-5型、YM15-6型、YM15-7型、YM15-8型、YM15-9型、YM15-11型系列锚具及其配件。
张拉前按照设计要求正确选取对应的锚具及夹片,并做配套检查。
夹片使用前,注意区分工具夹片和工作夹片,两者不能混用。
工具夹片——千斤顶外端的夹片,张拉完后,工具夹片就没有用了。
工作夹片——梁端锚垫板处的夹片,跟钢绞线、锚垫板协同永久工作。
(3)、智能张拉设备、千斤顶及油压表:本项目T梁预应力张拉采用智能张拉系统。
梁场配备LJ-ZL01型/01型智能张拉设备一套,配套2台250吨专用千斤顶(穿心顶)和对应的油压表。
施加预应力所用的机具设备及仪表需安排专人负责和管理,定期维护和校验。
千斤顶与压力表配套校验、配套使用。
当千斤顶出现下列任一情况后重新标定:3.3初始张拉1、张拉前检查张拉设备的状况及锚具、钢绞线束数,确认设备状态良好,钢绞线束、锚具准确无误后开始张拉作业。
2、多根钢绞线的张拉,为防止张拉过程中钢绞线受力不均,可先利用单顶逐根调整钢绞线到设计张拉吨位的5%。
然后安装千斤顶,开始两端对称同步张拉。
图3.4-1 智能张拉工作原理图3.4-2 梁端张拉、防护设置图3.5张拉结束1.整片梁板张拉施工完成后依次关闭软件、电机、切断电源,拆卸千斤顶、油管。
2.张拉系统所有设备在张拉完毕以后必须妥善保管,仪器、千斤顶都必须有良好的防晒、防水措施。
定期维护。
油量不足情况下应及时加注符合要求的抗磨液压油。
每三个月更换一次液压油。
3).通知梁板两边工作人员,注意安全。
点击控制软件的“开始张拉”按键,“第1次张拉施工”启动,此时密切注意在电脑上观测压力值和位移值是否正常,有异常立即点击“暂停张拉”并进行相关检查。
电脑在张拉施工过程中严禁运行其他程序,操作人员时刻关注相关数值,严禁离开控制台。
4).在张拉过程中应密切注意梁板两端设备和千斤顶的工作情况,注意安全,如有异常情况立即单击“暂停张拉”、按下张拉仪“急停指示”按钮,停止张拉,排除异常情况后,方可继续张拉。
T梁张拉技术交底千斤顶与液压油表的标定:千斤顶和油表在使用前,应在监理工程师的监督下,在国家认定的实验机构对其精度进行标定,千斤顶一般使用6个月或200次,以及在使用过程中出现不正常现象时,应重新校核。
检查板体质量有无蜂窝、麻面、孔洞、露筋、露钢束,锚垫板处有无空洞等情况。
必要时要进行处理后方可张拉。
混凝土强度是够达到设计张拉强度,设计张拉强度为设计混凝土强度的85%,即42.5MPa。
清除锚垫板表面和钢绞线上面的污物和油污,清除夹片上的毛刺。
凿出锚垫板孔内的波纹管,以防在张拉过程中损伤钢绞线。
计算延伸量与设计延伸量以便控制张拉延伸量在规定范文内。
按每束设计张拉力计算分级张拉中各级的压力表读数,并标在压力表上,以免出错。
按照张拉次序将钢束进行编号,以免出错。
在施加预应力过程中要按照图纸设计要求采用两端对称张拉,张拉顺序为50%N2,N3→100%N2,N3→100%N4 号钢束。
张拉前调试千斤顶与油泵的工作性能,确保千斤顶与油泵性能良好。
张拉前,将每束的多根钢绞线理顺、平行,严禁相互交叉、挤压。
制作张拉架子,以便上下、左右活动千斤顶。
装工作锚环和夹片:将钢绞线穿入锚环上相应的小孔,调整钢绞线平行顺之后,将工作锚环贴紧锚垫板。
在每小孔中的钢绞线外周插入两块夹片,甲片缝隙大小要调整均匀,用直径20mm的橡胶圈套在夹片尾上的凹槽内。
装限位板:使限位板上的小孔对准相应的钢绞线和锚环小孔后,使限位板紧贴锚环,无缝。
装千斤顶:钢束穿过千斤顶的穿心孔道,千斤顶千斤顶紧贴限位板,务必使千斤顶、限位板、锚环、锚垫板都在同一中心线上(即四对中)。
注意:钢绞线在千斤顶内要理顺平行千万不能交错。
装工具锚环和夹片:按上述步骤操作,工具锚夹片的光面先抹少许石蜡或用透明胶带缠裹3-5圈后再装入,便于张拉完后夹片退出。
开动油泵少许打油,千斤顶张拉缸保持适量油压后稍松千斤顶吊索,调整千斤顶,使千斤顶、锚具、锚垫板在同一中心上,否则应进行调整,以防造成较大的预应力损失或张拉过程中出现断丝。
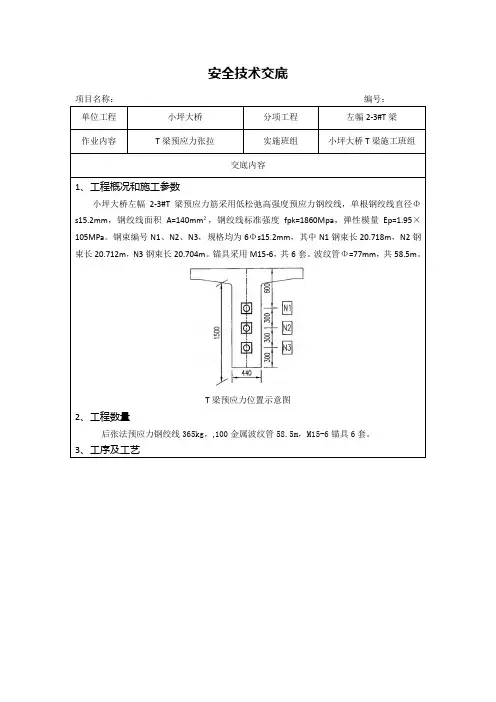
安全技术交底1、工程概况和施工参数小坪大桥左幅2-3#T梁预应力筋采用低松弛高强度预应力钢绞线,单根钢绞线直径Φs15.2mm,钢绞线面积A=140mm²,钢绞线标准强度fpk=1860Mpa,弹性模量Ep=1.95×105MPa。
钢束编号N1、N2、N3,规格均为6Φs15.2mm,其中N1钢束长20.718m,N2钢束长20.712m,N3钢束长20.704m。
锚具采用M15-6,共6套。
波纹管Φ=77mm,共58.5m。
T梁预应力位置示意图2、工程数量后张法预应力钢绞线365kg,,100金属波纹管58.5m,M15-6锚具6套。
3、工序及工艺T 梁预应力张拉压浆施工工艺流程图3.1施工准备(1)T 梁养护期达7天,且混凝土强度达设计值的75%方可进行预应力张拉压浆工作。
(2)张拉机具与锚具配套使用,应在进场时进行检查和校验,千斤顶与压力表配套校验,以确保张拉力与压力表读数之间的关系曲线。
3.2钢绞线下料及安装(1)钢绞线必须在平整、无水、清洁的场地下料,钢绞线下料长度要通过计算确定,施工准备钢绞线下料、穿束 钢绞线性能测试锚垫板面口的波纹管处理及灌浆孔有按装工作夹片、锚工作夹片、锚圈的硬度、质安装限位板、千斤顶、工具夹张拉千斤顶、油压表配套校按设计要求的程序、顺序张拉、压混凝土试块、开具张提供张拉记录并由监理工程师签压浆原材料准备:水泥、外加剂、水泥浆原材料检测报告及质保压浆的浆体压浆机具浆体泌率的测试并提测试浆体的流逐孔压浆并作制作浆体的试压试件并提供(3)严禁酒后作业。
(4)正式张拉之前在千斤顶的正面设置挡板,防止张拉机具或钢绞线弹出伤人,挡板设置示例如下图所示:张拉防护照片7、文明施工及环境保护措施(1)地现场设置足够的临时卫生设施,做好施工现场的卫生管理工作,生活垃圾堆放在指定地点,按规定及时清除或处理。
(2)经常对施工场地及周围环境进行打扫,疏通排水管道和沟渠,定期进行消毒,以保持驻地卫生。
T梁预制与张拉一级技术交底记录工程名称T梁预制与张拉交底项目T梁预制与张拉一级技术交底交底人交底时间交底记录1、T梁预制与张拉施工技术交底适用范围为湖北省保宜高速公路BYXYTJ-5合同段T梁施工。
2、施工过程中结合我标段下发图纸及本份技术交底同时使用。
附:T梁预制与张拉一级技术交底参加人员姓名部门职务姓名部门职务T梁预制与张拉一级技术交底一、工程概况1.1工程数量湖北保宜高速公路襄阳段第五合同段全长 5.889公里(起止桩号YK35+520~YK41+400),合同工期为24个月本桥主,本合同段有7座大桥,上部构造均为预应力T梁,其中20mT梁20片、30mT梁265片、40mT梁365片,共计650片。
1.2地形地貌1)我标施工范围位于保康南部,荆山南麓马良镇,东接两峪、南漳,南连店垭、宜昌,西邻百峰、歇马,北止两峪,地处鄂西山区东段(属秦巴山区东段)。
沿线路线区具有山区气候特点,属亚热带湿润季风气候,气候温和,无霜期长,湿度较大,云雾多,日照少。
境内四季分明,春夏之交多暴雨,秋季连绵阴雨,年均降雨量934.6毫米,年均无霜期240天。
区内年平均气温10~20℃,最冷月份1~2月,气温为1~7℃,极端最低气温为-15.4℃,最热月份为7~8月,气温26~30℃,极端最高可达44.1℃。
2)预制梁场场址选择在K38+433~K39+985处具有以下优势:场区面积大,属于红线征地范围内,地势开阔,位于整个标段的中部,梁板运输便利,原地面较为平整,整平填土量小,据拌合站近,施工运输安全,水电便利,施工较大范围内无通信、天然气等地下管线,且远离爆破区。
1.3进度计划桥梁上部构造计划开工时间:2013年03月24日,计划完工时间2013年12月30日完工.。
每月预制梁片计划时间项目2013年4月5月6月7月8月9月10月11月12月40米T梁23片30片31片33片40片45片53片50片60片30米T梁10片15片21片23片30片30片33片44片59片20米T梁3片4片5片8片二、施工准备2.1场地布置梁场设置于主线路基K38+433~K38+985段,总长度552m,宽度26m,面积为14352m2。
施工技术交底XX项目部桥梁T梁梁板张拉、注浆施工技术交底XX有限公司XX高速公路XX项目部年月日XX高速XX项目部施工技术交底桥梁T梁梁板张拉、注浆施工技术交底一、预应力管道安装1)预应力管道的位置必须严格按坐标定位并用定位钢筋固定,定位钢筋宜不大于 0.8m;位于曲线上的管道和扁平波纹管道应适当加密。
定位后的管道应平顺,其端部的中心线应与锚垫板相垂直。
定位钢筋与T梁腹板箍筋点焊连接,严防错位和管道下垂,如果管道与钢筋发生碰撞,应保证管道位置不变而只是适当挪动钢筋位置。
浇筑前应检查波纹管是否密封,防止浇筑混凝土时阻塞管道。
二.钢绞线1)钢绞线按设计要求长度下料,下料长度为设计长度加张拉工作长度,张拉工作长度为单边60cm,两边120cm。
宜将一根钢束中的全部预应力筋编束后整体穿入孔道中。
整体穿束时,束的前端设置穿束网套或特制的牵引头,应保持预应力筋顺直,且仅前后拖动,不得扭转。
张拉时要对应编号进行张拉。
三、张拉1)张拉程序:0→初应力→σcon(持荷5min锚固)2)张拉顺序:L=20m:N2→N3→N4→N1 L=30m:N2→N3→N4→N1 L=40m:N2→N5→N1→N3→N43)预制梁钢束采用两端同时张拉,锚下控制应力为0.75f=1395Mpa。
4)施加预应力应采用张拉力与引伸量双控。
当预应力钢束张拉达到设计张拉力时,实际引伸量值与理论引伸量值的误差应控制在±6%以内。
实际引伸量值应扣除钢束的非弹性变形影响。
5)预应力钢束张拉应在梁体混凝土强度及弹性模量达到设计值的 90%后,且混凝土龄期不少于 7d 时进行。
L=20m 终张拉钢束引伸量一览表(一端,扣除 10%初拉力) 单位:mmL=30m 终张拉钢束引伸量一览表(一端,扣除 10%初拉力) 单位:mm L=40m 终张拉钢束引伸量一览表(一端,扣除 10%初拉力) 单位:mm预应力施工应采用自动智能控制张拉系统。
锚具、夹具、要配套使用,禁止工作锚作为工具锚使用.张拉用的千斤顶与压力表要配套标定、配套使用,校正系数不得大于1.05,油压表的精度等级不得低于 1.0 级。
一、交底对象:全体参与预制梁张拉压浆施工的作业人员、管理人员及监理人员。
二、交底内容:1. 工程概况- 工程名称:________________________- 施工单位:________________________- 施工地点:________________________- 施工时间:________________________2. 施工工艺流程- 钢筋加工与绑扎- 模板组装与拆除- 混凝土浇筑与养护- 预应力筋张拉- 压浆- 封锚3. 安全技术措施(一)人员安全- 作业人员必须经过专业培训,掌握相关操作技能和安全知识。
- 作业人员应佩戴好安全帽、安全带等个人防护用品。
- 作业人员应遵守操作规程,不得违章作业。
(二)机械设备安全- 张拉设备、压浆设备等必须符合国家相关标准,并定期进行检查和维护。
- 机械设备操作人员必须熟悉设备性能,严格按照操作规程进行操作。
- 机械设备操作区域应设置警示标志,非操作人员不得进入。
(三)施工环境安全- 施工现场应保持整洁,不得乱堆乱放材料、工具等。
- 施工现场应设置消防设施,并定期进行检查和维护。
- 施工现场应设置安全通道,确保人员疏散畅通。
4. 操作规程(一)张拉操作- 张拉前应检查设备、材料、环境等是否符合要求。
- 张拉过程中应密切观察张拉力、伸长量等参数,确保符合设计要求。
- 张拉完成后应进行数据记录和验收。
(二)压浆操作- 压浆前应检查浆液质量,确保符合设计要求。
- 压浆过程中应控制压力、流量等参数,确保压浆均匀。
- 压浆完成后应进行数据记录和验收。
5. 应急措施- 如发生机械故障、人员伤害等事故,应立即停止施工,并采取相应的应急措施。
- 应急措施包括:人员救护、设备抢修、现场封锁等。
三、交底要求1. 作业人员应认真听取安全技术交底,并做好记录。
2. 管理人员应监督作业人员执行安全技术措施。
3. 监理人员应对安全技术措施的执行情况进行监督检查。
T梁张拉、压浆技术交底张拉、压浆是后张法预力砼构件的重要环节,为了更好地控制其质量,根据设计要求和施工规范,特制定本作业指导书。
1.原材的进料与保存1.1预应力钢绞线采用公称直径d=15.2mm的高强度低松弛钢绞线,抗拉强度标准值fpk=1860Mpa,Ep=1.95x105Mpa。
1.2锚具采用15-8型、15-9型及15-10型系列锚具及其配件,预应力管道采用圆形金属波纹管;预制梁在墩顶处的负弯矩钢束采用BM15-5型扁锚及其配件,管道采用扁形金属波纹管。
1.3购买的钢绞线应具有生产厂家出具的质量证明书,并在现场监理旁站下按规定取样做强度和松弛试验,并具有相应的试验委托单和试验报告,检验合格后方准投入使用。
1.4运抵到现场的锚具,使用前应对工作锚、夹片、锚垫板逐个进行检验。
并按规定取样,对锚环、锚塞的硬度,锚环内部缺陷电磁损伤,做抽检试验,并具有相应的试验委托单和试验报告,检验合格后方准投入使用。
1.5对金属波纹管做外观检查,不得出现裂缝,并做密封性能试验。
1.6运抵到现场的锚具应存放在室内货架上,钢绞线放置平坦,并垫离地面,加以覆盖,确保钢铰线置于干燥环境中。
使用前不得沾染杂物、油污、产生铁锈等。
2.张拉前准备工作2. 1钢绞线检测:主要检测破坏负荷、屈服负荷、伸长率和弹性模量及72h松弛试验。
2. 2预应力锚夹具及配套设备按设计要求选用,并检查其合格证。
张拉用的油泵性能必须良好,供油足,压力稳定,无渗漏现象,张拉缸,回程缸运行平稳。
张拉机械经鉴定后方可使用,油顶与压力表配套校验,确定张拉力与油表读数之间的关系曲线,检验用的试验机或测力计的精度等级不低于+2%。
使用超过200次及使用中有不正常现象的应重新校验。
张拉机具长期不使用时,应在试用前全面检验。
2. 3钢绞线的下料:钢绞线经试验合格后,按设计图纸进行下料,下料采用高速磨割或氧乙炔进行切割,采用氧乙炔焰割,必须高氧以保证切割而不是熔割,并用适当的方法予以降温,并要注意避免切割火焰或火接触锚具或其他预应力筋。
技术交底书
交底单位名称:中铁四局遵义机场高速1标编号:
1、技术交底范围
中铁四局遵义机场高速1标预制T梁张拉与压浆。
2、工程概况
本标段梁板为标准跨径40m的预应力T梁,采用后张法预应力施工。
预应力钢绞线采用公称直径为Φ15.2mm的高强度低松弛钢绞线。
抗拉强度标准 fpk=1860Mpa,弹性模量Ep=195000Mpa。
锚具采用15-7型、15-8型、15-9型、波纹管径为Φ80mm、Φ70mm。
根据业主标准化要求,T梁张拉采用智能张拉系统
3、施工准备工作
3. 1钢绞线检测:主要检测破坏负荷、屈服负荷、伸长率和弹性模量及72h松弛试验。
3. 2预应力锚夹具及配套设备按设计要求选用,并检查其合格证。
张拉用的油泵性能必须良好,供油足,压力稳定,无渗漏现象,张拉缸,回程缸运行平稳。
张拉机械经鉴定后方可使用,油顶与压力表配套校验,确定张拉力与油表读数之间的关系曲线,检验用的试验机或测力计的精度等级不低于+2%。
使用超过200次及使用中有不正常现象的应重新校验。
张拉机具长期不使用时,应在试用前全面检验。
3. 3钢绞线的下料:钢绞线经试验合格后,按设计图纸进行下料,料采用高速磨割进行切割,下料长度包括梁体预应力管道曲线长度及端头千斤顶工作长度。
3. 4孔道检查:由于浇筑砼前将塑料胶管穿入波纹管内,因此砼浇筑结束后,应用手拉动胶管,以防堵孔
4、具体施工工艺及方法
4.1在T梁混凝土强度达到设计强度的85%,且龄期不小于七天后方可以进行预应力张拉。
4.2安装程序
张拉工作程序:钢绞线下料→钢绞线编号穿束→安装工作锚→穿绞线至工作锚→千斤顶对中就位→张拉施加预应力→锚固→拆除千斤顶。
4.2.1安装工作锚:尽可能使钢绞线平行通过锚孔,避免乱穿和交叉等情况,注意锚板与锚垫板中心对中。
4.2.2安装工作夹片:安装夹片前检查锚孔是否干净,以免粘附杂物。
4.2.3安装锚垫板:注意各孔与工作锚孔一一对应,并检查锚环外圈无损伤,是否影响锚垫板的配合。
4.2.4安装千斤顶:注意防止钢绞线在千斤顶内扭绞、交叉,保证工具锚安装正确。
4.2.5安装工具夹片工具夹片安装前在锥面均匀涂一层工业石腊保证卸锚灵活,工具夹片要均匀打紧,以防松紧不一。
4.3张拉应力控制:钢绞线张拉顺序为:50%N2N3→100%N1→100%N2N3→100%N4,钢束采用两端同时对称张拉,并持荷5分钟。
4.4千斤顶张拉力与油压表之间的关系曲线:出场编号千斤顶与LZF21308038油压表之间的回归方程为:f(x)=0.02289x+0.11 ,出场编号千斤顶与LZF21308023油压表之间的回归方程为:y=0.02275x+0.10 ,式中:y —MPa,x—KN具体张拉读数见附表。
4.5注意实际伸长值与理论伸长值应控制在±6%以内,否则应暂缓张
拉,待查明原因并采取措施加以调整后,方可继续张拉。
4.6锚固:张拉缸缓慢回油,使张拉油表指针回落至零即可锚固。
4.7张拉过程中在随时注意上拱度的变化,与设计值相差太大时要及时上报。
4.8、封锚施工方法
预应力筋锚固完结并检验合格后开始进行封锚。
封锚混凝土采用干硬性补偿无收缩C50砼。
封锚混凝土尽量不要太密实,以方便压浆时能出浆。
如果压浆过程中封锚砼被冲破,在压浆结束后要重新封锚密实。
然后采用砂轮机切割多余的钢绞线,切割后钢绞线外露长度不小于3cm。
并在表面涂上一层防水涂料。
4.9、孔道压浆施工方法
孔道压浆在张拉完毕后24小时内尽快进行,并须在封锚混凝土初凝后方能开始。
采用活塞式压浆泵,施工时请具有此类工作经验的专业技术人员现场进行指导,并制定工艺细则据以实施。
压浆前清除掉孔道内的杂物和积水,压浆水泥采用梁体混凝土同品种水泥,水泥浆的施工配合比为:压浆料:水=100kg:28kg,其中外加剂为聚羧酸高性能减水剂。
水泥浆的拌合应首先将水加于拌合机内,再放入水泥,充分拌合以后,再加入外加剂。
拌和至少两分钟,直到达到均匀的稠度为止,在14~18s之间。
4.9.1、压浆使用活塞式压浆泵,压力以保证压入孔内的水泥浆密实为准,压力由小逐步增加,一般为0.5~0.7Mpa。
每个孔道压浆至最大压力后,应有一定的稳压时间。
压浆应达到孔道另一端饱和出浆,并应达到排气孔排出与规定稠度相同的水泥浆为止。
当构件出浆口排出稠度相同的浓浆时,关闭阀门。
为保证孔道内水泥浆饱满,应采用向上弯起的圆管套紧
进浆口与出浆口进行压浆,这样压浆
结束后浆体回落可密实压浆管道。
关闭出浆口阀门后稳压2min后再关闭进浆口阀门,从圆管拔出喷嘴。
4.9.2、孔道压浆顺序是先下后上,如果台座有纵坡,水泥浆应从较低一端压入从较高一端排出,若中间因故停歇时,应立即将孔道内的水泥浆冲洗干净,重新压浆。
4.9.3、水泥浆自拌制至压入孔道的延续时间,视气温情况而定,一般在30~45分钟范围内。
水泥浆在使用前和压注过程中应连续搅拌。
对于因延迟使用所致的流动度降低的水泥浆,不得通过加水来增加其流动性。
4.9.4、为检查孔道内水泥浆的实际密度,压浆后应从检查孔抽查压浆的密实情况,如有不实,应及时处理和纠正。
要在拌制水泥浆同时,制作标准试块,标准养护28d,检查其抗压强度,作为评定水泥浆质量的依据。
5. 质量标准:
5.1.预施控制应力后钢绞线两端张拉伸长值之和不超过计算值的±6,(超出此限时应查明原因)。
5.2.全梁断丝、滑丝总数不超过钢丝总数的1%,并不得位于梁体的同一侧,且一束内断不得超过一丝。
5.3.钢绞线回缩量不大于6mm。
5.4.锚固后夹片表面应平整,同束夹片外露量差不超过2mm。
5.5.因处理滑丝断丝而引起钢绞线束重复张拉时,同一束不超过3次;若钢丝与锚具因滑丝而留有明显刻痕时,应予更换。
5.6、保证压入孔内的水泥浆密实,压浆应达到孔道另一端饱和出浆。
6. 安全要求:
6.1、进入施工场地必须佩带安全帽,严禁酒后上班和非工作人员进入。
6.2、注意用电安全,严格按要求配臵标准电箱及电线(缆),严禁非专业电工进行接电操作。
6.3、张拉及压浆过程中,构件两端要设臵防护墙,严禁站人。
6.4、油泵不允许超负荷工作,安全阀必须按额顶油压或实际使用油压调整操作油泵的人员,要戴防护目镜,防止油管破裂及接头处喷油伤眼。
7. 文明施工及环保要求:
注意现场文明施工,生产、生活垃圾按规定存放,不得随意丢弃。