考核细则之十(物流配送)
- 格式:xls
- 大小:52.00 KB
- 文档页数:1
物流部员工月度绩效考核办法一、总则1、为公正、客观、及时地评价仓管员、备货员、跟车员、司机的工作质量,提高工作积极性,制订本考核办法。
2、员工月度绩效考核采取百分制,分劳动纪律、工作态度、工作质量、服务质量四个方面。
3、物流经理负责组织配送人员的月度考核,其中服务质量分别由各组长进行考核,每月2日前报物流组主管审核、经理审批,每月8日向员工公布。
4、配送人员月度工作绩效作为工资分配、评选先进、晋升和裁员的依据。
二、考核细则(负激励)1、劳动纪律(15分)(1)迟到、早退按综合部管理进行考核,三次以内不进行绩效考核,超过三次10分钟以内逐次递增进行扣分,扣1分/次;超过0.5小时,扣4分/次,同时取消全勤奖。
(2)病假每天扣2分,但必须有医生诊断证明。
(3)工作时间擅自离岗,上班时间串岗、聊天、嬉戏、干私活,不穿厂服、不戴厂卡,扣1分/次。
(4)违反公司5SK管理等制度,被通报批评的,扣2分/次。
(5)未经批准不按时参加会议、培训、考试的,扣4分/次。
2、工作态度(15分)(1)工作前不做好准备,工具、设备处于不良状态,影响客户交付的扣2分/次。
(2)不听从指挥和工作分工的,扣4分/次。
(3)工作消极、怠慢的扣4分/次;造成事故或影响客户造成投诉的扣10分/次。
(4)发现问题不及时报告、或隐瞒不报的,每次扣2分。
(5)弄虚作假扣5分/次。
(6)态度恶劣,无端争吵的扣4分/次。
(7)偷窃、打架斗殴的,则实行考核终止制,予以开除处理。
3、工作质量(40分)及时性(20分)(1)工作指令下达后,不及时到位的扣2分/次。
(2)物料未在规定时间内送到客户超0.5小时以上,扣4分/次,主要影响人员10分/次;造成客户停线的以专项通报形式进行考核。
(3)搬运过程中不轻搬轻放、损坏物料的扣1分/件,贵重物料(单价20元以上)的承担50%的物料成本损失。
(4)物料摆放不正确、超过定置定位管理线、占用消防通道的扣2-5分/次。
物流配送、司机岗位职责与考核标准一、安全出车(一)、出车前车况检查;1、出车前检查水、油状况。
2、检查车身广告。
3、检查车辆所载商品是否完好,并保证商品在途的安全、完好是否完整(二)、出车前货单对照确认。
出车前认真核对商品与出货单,回货单是否一致。
(三)、途中安全行驶;不违反交通规则。
(四)、停车要安全;1、停车时不能影响正常交通,下车要锁好车门。
2、按时到岗,及时送货,不松懈出车。
3、出入库要严格按顺序和行车路线行驶,损坏货物,按价赔偿。
(五)、车体清洁;定期对车体内外完全清洁,禁止脏乱有异味,违者严正考核。
二、规范服务(一)、仪表整洁;1、穿着干净整洁。
2、车身干净、清洁,无污渍。
3、对订货客户送货要及时;4、途中耽误不能及时送货,要和公司取得联系,方便公司另行派车。
(二)、礼貌服务;1、对顾客的抱怨要有耐心倾听,做好解释工作。
因此造成投诉的每次考核50元。
2、做好客情,按规定及时调换货。
3、收集竞品终端信息并及时上报。
4、要保证终端定单的及时准确送达,端正服务态度,提高服务质量。
5、对终端店已下架产品要及时按调货单调回,并及时与终端店交接补充新货,未能及时按单调货的,除要承担临期产品个人购买的责任外,加倍考核。
6、与终端店往来中严禁发生乱赊欠行为,如因乱赊欠行为而被投诉者,每次考核50元。
情节严重并造成影响或后果的,数倍考核。
7、要保证促销政策及公司对终端店的补偿事宜准确及时落实,严禁发生模糊价格行为,如因以上原因被投诉的,每次考核50元。
情节严重并造成影响或后果的,数倍考核。
三、记录工作(一)、对每天的工作行程做好记录。
1、认真填写汽车使用记录,每三天上报主管。
2、对车辆行驶状况做好记录,及时检查,保证车辆行驶安全。
(二)、对顾客提出的建议做好记录;顾客对本公司提出的意见和建议做好记录,回库后交专职领导。
四、服从指挥对领导的安排要绝对服从。
1、不得无故拖延送货时间或拒不送货。
2、上班时间不私自无故外出送货。
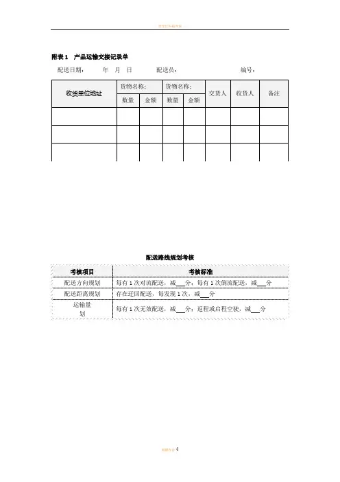
附表1 产品运输交接记录单配送日期:年月日配送员:编号:配送路线规划考核考核项目考核标准配送方向规划每有1次对流配送,减分;每有1次倒流配送,减分配送距离规划存在迂回配送,每发现1次,减分运输量划每有1次无效配送,减分;返程或启程空驶,减分物流部量化考核方案模板指标维度量化指标权重绩效目标值考核频率数据来源考核得分财务物流成本节约率15% 达到____% 季度/年度财务部内部运营订单处理及时率10% 达100% 月度/季度/年度物流部物资配送准确率10% 达100% 月度/季度/年度客户、物流部货物准时送达率10% 达100% 月度/季度/年度物流部货损率10% 不高于同行业均值月度/季度/年度物流部库存周转率10% 同期平均水平季度/年度物流部安全事故发生次数10% 0次月度/季度/年度物流部客户客户投诉次数15% 0次月度/季度/年度客服中心学习发展培训计划完成率5% 100% 季度/年度行政部部门员工考核达标率5% 达98% 季度/年度行政部收货单位地址货物名称:货物名称:交货人收货人备注数量金额数量金额部门负责人:直属上级:考核负责人:考核周期:年月日量化考核得分合计指标说明订单处理及时率=订单总数量及时处理的订单数量×100%权重说明客户投诉是对物流部门工作的外部直接评价,它可以直接反映物流部门的服务质量,因此给予客户投诉次数的考核权重相对高一些,设为15%考核结果核算说明对物流部门的考核核算,不仅要从上述定量指标进行,还要考虑定性指标。
定量指标和定性指标的分值比重可以设置为7:3,定性指标包括物流制度的规范性、物流信息系统的完善性、客户满意度等考核关键问题说明1.加强考核结果分析,尤其是对关键指标考核结果的分析,以指导下一步的工作2.对物流部的考核除了上述考核外,还应加强对相关事项的考核,主要包括运输路线规划是否为最优、仓储量是否最为合理、流程是否比较优化等物流部经理绩效考核量表模板指标维度量化指标权重绩效目标值考核频率数据来源考核得分财务单位物流成本5%平均水平季度/年度物流部、财务部部门费用预算达成率 10% 达100% 季度/年度 财务部 内部运营货物准时送达率15% 高于90% 月度/季度/年度 客户、物流部配送计划完成率 10% 高于95% 月度/季度/年度 行政部、物流部调度不力的次数 10% 0次 季度/年度 物流部 货运质量事故次数 10% 0次 月度/季度/年度 客服中心 客户客户有效投诉次数10%0次月度/季度/年度客服中心相关部门有效投诉次数10% 0次 月度/季度/年度 客服中心 学习发展培训计划完成率 10% 达100% 月度/季度/年度 行政部 下属重大违纪次数10%0次月度/季度/年度行政部量化考核得分合计指标说明1.货物准时送达率=发货订单总数货物准时送达订单数×100%2.下属重大违纪次数是指考核期内所有下属重大违规违纪的累计次数权重说明1.货物准时送达率既关系到企业的信誉又体现着物流部的运作效率,因此权重分配较高2.在行业水平一致的情况下,单位物流成本比较稳定,难以降低,因此权重分配较低被考核人姓名:考核人:考核结果 核算说明 对物流部经理的考核从定量与定性两个方面进行,可设为:考核得分=定量考核得分×75%+定性考核得分×25%。
黑龙江科技学院附表 1 产品运输交接记录单 配送日期: 年 月 日配送员:编号:收货单位地址货物名称: 数量 金额货物名称: 数量 金额交货人收货人备注考核项目 配送方向规划 配送距离规划运输量 划配送路线规划考核 考核标准每有 1 次对流配送,减 分;每有 1 次倒流配送,减 分 存在迂回配送,每发现 1 次,减 分每有 1 次无效配送,减 分;返程或启程空驶,减 分4 页脚内容物流部量化考核方案模板黑龙江科技学院部门负责人: 考核负责人:直属上级: 考核周期:年月日指标 维度量化指标权重绩效目标值考核频率数据来源考核 得分财务物流成本节约率15%达到____%季度/年度财务部订单处理及时率物资配送准确率内部 运营货物准时送达率 货损率库存周转率月度/季度/年10%达 100%物流部度月度/季度/年10%达 100%客户、物流部度月度/季度/年10%达 100%物流部度月度/季度/年 10% 不高于同行业均值度物流部10%同期平均水平季度/年度物流部安全事故发生次数 10%月度/季度/年0次物流部度客户客户投诉次数15%月度/季度/年0次客服中心度学习培训计划完成率5%100%季度/年度行政部发展 部门员工考核达标率 5%达 98%季度/年度行政部指标说明 权重说明考核结果 核算说明量化考核得分合计订单处理及时率= 及时处理的订单数量 ×100% 订单总数量客户投诉是对物流部门工作的外部直接评价,它可以直接反映物流部门的服务质量,因此 给予客户投诉次数的考核权重相对高一些,设为 15% 对物流部门的考核核算,不仅要从上述定量指标进行,还要考虑定性指标。
定量指标和定 性指标的分值比重可以设置为 7:3,定性指标包括物流制度的规范性、物流信息系统的 完善性、客户满意度等4 页脚内容黑龙江科技学院考核关键 问题说明1.加强考核结果分析,尤其是对关键指标考核结果的分析,以指导下一步的工作 2.对物流部的考核除了上述考核外,还应加强对相关事项的考核,主要包括运输路线规划是否为最优、仓储量是否最为合理、流程是否比较优化等物流部经理绩效考核量表模板被考核人姓名:考核人:指标 维度财务量化指标 单位物流成本 部门费用预算达成率权重 5% 10%绩效目标值 平均水平 达 100%货物准时送达率15%高于 90%内部配送计划完成率10%高于 95%运营调度不力的次数10%0次货运质量事故次数10%0次客户有效投诉次数10%0次客户相关部门有效投诉次数 10%0次培训计划完成率10%学习发展下属重大违纪次数10%达 100% 0次量化考核得分合计考核频率数据来源考核 得分季度/年度 物流部、财务部季度/年度财务部月度/季度/年 度客户、物流部月度/季度/年 行政部、物流部度季度/年度物流部月度/季度/年 度客服中心月度/季度/年 度客服中心月度/季度/年 度客服中心月度/季度/年 度行政部月度/季度/年 度行政部4 页脚内容黑龙江科技学院指标说明权重说明 考核结果 核算说明1.货物准时送达率= 货物准时送达订单数 ×100% 发货订单总数2.下属重大违纪次数是指考核期内所有下属重大违规违纪的累计次数 1.货物准时送达率既关系到企业的信誉又体现着物流部的运作效率,因此权重分配较高 2.在行业水平一致的情况下,单位物流成本比较稳定,难以降低,因此权重分配较低 对物流部经理的考核从定量与定性两个方面进行,可设为:考核得分=定量考核得分×75%+ 定性考核得分×25%。
「配送司机绩效考核细则」配送司机是物流行业中一项非常重要的工作岗位。
他们负责将货物从仓库或供应商处运送到客户手中。
司机的工作表现直接影响到客户对物流公司的满意度,因此,建立一套完善的配送司机绩效考核细则十分必要。
本文将以配送司机的常见工作指标为基础,构建一套全面且实用的绩效考核细则。
一、安全驾驶安全驾驶是配送司机最基本的要求之一、配送司机应具备良好的驾驶技术和道路驾驶常识,以确保货物的安全运输和司机自身的安全。
以下是安全驾驶指标的一些要点:1.遵守交通规则:包括遵守交通信号、守车道、限速等。
2.避免交通事故:司机在工作中不能造成交通事故,包括与其他车辆碰撞、违反交通规则等行为。
3.负责的驾驶态度:司机应对货物运输工作保持高度的责任心,以确保货物的安全到达目的地。
二、准时配送准时配送是客户对物流公司的重要要求之一,对配送司机来说,准时到达目的地是考核绩效的重要指标。
以下是准时配送指标的一些要点:1.送货时间:司机应按照事先确定好的送货时间进行配送,不得延误。
3.路线选择:司机应根据运输路径和交通情况,在保证安全的前提下,选择最快捷的路线配送货物。
三、货物管理货物管理是配送司机工作中不可忽视的一方面,司机需要妥善管理货物以确保其安全和完整。
以下是货物管理指标的一些要点:1.货物损坏率:司机需要妥善包装和装载货物,尽量避免货物在运输过程中受损。
2.货物遗失率:司机需要妥善保管货物,在送货过程中不得遗失货物。
3.货物整齐度:司机需要将货物整齐摆放,以节约空间并保证货物稳定。
四、客户服务良好的客户服务是物流公司与客户建立良好合作关系的关键。
配送司机需要与客户进行良好的沟通和互动,以提供优质的客户服务。
以下是客户服务指标的一些要点:1.服务态度:司机需要友好、耐心地对待客户,并及时解答客户的疑问和投诉。
2.报告准确:司机需要及时向上级或客户汇报送货情况,确保信息的准确传递。
3.遵守规定:司机需要遵守物流公司对客户服务的相关规定,包括建议给予客户的额外服务等。
附表 1产品运输交接记录单配送日期:年月日配送员:编号:货物名称:货物名称:收货单位地址交货人收货人备注数量金额数量金额配送路线规划考核考核项目考核标准配送方向规划每有 1 次对流配送,减分;每有 1 次倒流配送,减分配送距离规划存在迂回配送,每发现 1 次,减分运输量每有 1 次无效配送,减分;返程或启程空驶,减分划物流部量化考核方案模板部门负责人:直属上级:考核负责人:考核周期:年月日指标考核量化指标权重绩效目标值考核频率数据来源维度得分财务物流成本节约率15% 达到 ____% 季度/ 年度财务部订单处理及时率10% 达 100% 月度/ 季度/ 年物流部度物资配送准确率10% 达 100% 月度/季度/ 年客户、物流部度货物准时送达率10% 达 100% 月度/ 季度/ 年物流部内部度运营货损率10% 不高于同行业均值月度/ 季度/ 年物流部度库存周转率10% 同期平均水平季度/ 年度物流部月度/季度/ 年安全事故发生次数10% 0 次物流部度月度/季度/ 年客户客户投诉次数15% 0 次客服中心度学习培训计划完成率5% 100% 季度/ 年度行政部发展部门员工考核达标率5% 达 98% 季度/ 年度行政部量化考核得分合计指标说明订单处理及时率 = 及时处理的订单数量× 100% 订单总数量客户投诉是对物流部门工作的外部直接评价,它可以直接反映物流部门的服务质量,因此权重说明15%给予客户投诉次数的考核权重相对高一些,设为对物流部门的考核核算,不仅要从上述定量指标进行,还要考虑定性指标。
定量指标和定考核结果性指标的分值比重可以设置为7:3,定性指标包括物流制度的规范性、物流信息系统的核算说明完善性、客户满意度等1.加强考核结果分析,尤其是对关键指标考核结果的分析,以指导下一步的工作考核关键2.对物流部的考核除了上述考核外,还应加强对相关事项的考核,主要包括运输路线规问题说明划是否为最优、仓储量是否最为合理、流程是否比较优化等物流部经理绩效考核量表模板指标维度财务内部运营客户学习发展被考核人姓名:考核人:考核量化指标权重绩效目标值考核频率数据来源得分单位物流成本5% 平均水平季度/年度物流部、财务部部门费用预算达成率10% 达 100% 季度/年度财务部月度/季度/ 年货物准时送达率15% 高于 90% 客户、物流部度配送计划完成率10% 高于 95%月度/季度/年行政部、物流部度调度不力的次数10% 0 次季度/年度物流部月度/季度/ 年货运质量事故次数10% 0 次客服中心度月度/季度/ 年客户有效投诉次数10% 0 次客服中心度月度/季度/ 年相关部门有效投诉次数10% 0 次客服中心度月度/季度/ 年培训计划完成率10% 达 100% 行政部度月度/季度/ 年下属重大违纪次数10% 0 次行政部度量化考核得分合计指标说明权重说明货物准时送达订单数1.货物准时送达率=× 100%2.下属重大违纪次数是指考核期内所有下属重大违规违纪的累计次数1.货物准时送达率既关系到企业的信誉又体现着物流部的运作效率,因此权重分配较高2.在行业水平一致的情况下,单位物流成本比较稳定,难以降低,因此权重分配较低考核结果对物流部经理的考核从定量与定性两个方面进行,可设为:考核得分=定量考核得分× 75%+ 核算说明定性考核得分× 25%。
附表1 产品运输交接记录单配送日期:年月日配送员:编号:配送路线规划考核考核项目考核标准配送方向规划每有1次对流配送,减分;每有1次倒流配送,减分配送距离规划存在迂回配送,每发现1次,减分运输量划每有1次无效配送,减分;返程或启程空驶,减分收货单位地址货物名称:货物名称:交货人收货人备注数量金额数量金额物流部量化考核方案模板指标维度 量化指标权重 绩效目标值 考核频率 数据来源考核得分财务物流成本节约率 15% 达到____% 季度/年度 财务部 内部运营订单处理及时率 10% 达100% 月度/季度/年度物流部物资配送准确率10% 达100% 月度/季度/年度 客户、物流部 货物准时送达率10% 达100% 月度/季度/年度 物流部 货损率 10% 不高于同行业均值 月度/季度/年度 物流部 库存周转率 10% 同期平均水平季度/年度 物流部 安全事故发生次数10% 0次 月度/季度/年度 物流部 客户 客户投诉次数 15% 0次 月度/季度/年度 客服中心 学习发展培训计划完成率 5% 100% 季度/年度 行政部 部门员工考核达标率5%达98%季度/年度行政部量化考核得分合计指标说明 订单处理及时率=订单总数量及时处理的订单数量×100%权重说明客户投诉是对物流部门工作的外部直接评价,它可以直接反映物流部门的服务质量,因此给予客户投诉次数的考核权重相对高一些,设为15%考核结果核算说明对物流部门的考核核算,不仅要从上述定量指标进行,还要考虑定性指标。
定量指标和定性指标的分值比重可以设置为7:3,定性指标包括物流制度的规范性、物流信息系统的完善性、客户满意度等考核关键问题说明1.加强考核结果分析,尤其是对关键指标考核结果的分析,以指导下一步的工作2.对物流部的考核除了上述考核外,还应加强对相关事项的考核,主要包括运输路线规划是否为最优、仓储量是否最为合理、流程是否比较优化等部门负责人: 直属上级: 考核负责人: 考核周期: 年 月 日指标维度量化指标权重绩效目标值考核频率数据来源考核得分财务单位物流成本5% 平均水平季度/年度物流部、财务部部门费用预算达成率10% 达100% 季度/年度财务部内部运营货物准时送达率15% 高于90% 月度/季度/年度客户、物流部配送计划完成率10% 高于95% 月度/季度/年度行政部、物流部调度不力的次数10% 0次季度/年度物流部货运质量事故次数10% 0次月度/季度/年度客服中心客户客户有效投诉次数10% 0次月度/季度/年度客服中心相关部门有效投诉次数10% 0次月度/季度/年度客服中心学习发展培训计划完成率10% 达100% 月度/季度/年度行政部下属重大违纪次数10% 0次月度/季度/年度行政部量化考核得分合计指标说明1.货物准时送达率=发货订单总数货物准时送达订单数×100%2.下属重大违纪次数是指考核期内所有下属重大违规违纪的累计次数权重说明1.货物准时送达率既关系到企业的信誉又体现着物流部的运作效率,因此权重分配较高2.在行业水平一致的情况下,单位物流成本比较稳定,难以降低,因此权重分配较低考核结果核算说明对物流部经理的考核从定量与定性两个方面进行,可设为:考核得分=定量考核得分×75%+定性考核得分×25%。
物流配送管理制度细则一、背景介绍随着电商业务的快速发展和消费者对物流配送服务的日益要求,物流配送管理制度的建立对于提高效率、降低成本以及保障服务质量具有重要意义。
本文针对物流配送管理制度的细则进行探讨,以期为企业提供有效的指导和借鉴。
二、人员管理1. 企业物流配送管理部门需要制定明确的岗位职责和工作流程,并做好相关培训,以保证工作的高效进行。
2. 物流配送人员应经过专业培训与考核,并持有相关驾驶证等资质证书,保证他们具备良好的驾驶技能、交际能力以及安全意识。
3. 物流配送人员的工作成绩和表现应进行定期评估,对于表现优异者应予以表彰奖励,对于问题较多者应及时进行培训或者调岗处理。
三、车辆和设备管理1. 企业需要建立完善的车辆和设备档案,记录车辆的基本信息、维修和保养情况等。
2. 车辆需要定期进行安全检测和保养,对于发现的问题需及时处理,确保车辆的正常运行和安全性。
3. 物流配送车辆应统一标识,标注企业名称及联系方式,以便消费者和相关部门进行投诉和反馈。
4. 配送所需的设备(如托盘、打包机等)也需要进行设备档案管理,定期检查和维护,确保设备的正常运行。
四、配送路线规划1. 根据不同区域的物流需求和路况情况,制定不同的配送路线,合理规划线路,减少空驶和拥堵情况。
2. 配送路线需要根据订单量、商品类型和配送时间等因素进行灵活调整,以提升效率和满足客户需求。
3. 在配送路线规划过程中,还需要充分考虑环保因素,减少交通排放,积极推广绿色物流。
五、订单管理1. 建立完善的订单管理制度,明确各个环节的职责和要求,保障订单的准确录入和及时发货。
2. 在订单管理过程中,需要保护消费者的个人信息和隐私,不得泄露给第三方。
3. 对于涉及退换货的订单,应建立相应的流程和制度,确保退换货过程的透明和顺畅。
六、货物追踪和异常管理1. 物流配送企业应建立货物追踪系统,实时监控货物的运输情况,及时反馈给客户,并确保货物的安全和准时配送。
精品文档物流部配送员绩效考核方案1.目的为了真实反映配送员工工作业绩,激发配送员工的工作积极性,特制定本方案。
2.适用范围物流部配送员。
3.工资项目配送员工资构成:基本工资+加班工资+送单津贴+考核工资+勤工奖+岗位津贴,其中考核工资由回单及时率、客户投诉、服从性等指标组成。
4.具体项目描述4.1.基本工资:按照深圳最低工资标准设定,每年根据政府指导线自动调整;4.2.加班工资:部门对员工加班控制在32 小时以内,超出部分要安排调休,无法安排调休的走审批程序给予加班费;4.3.送单津贴:此津贴标准主要由客户的营业额、加工项目难易程度(砍骨头、杀鱼、打皮、切洗菜)、上楼情况、客户沟通难易情况、定编人数等项目组成。
具体标准参考:参考标准(元)客户的营业额(万元)主送辅送代点单代送单1~2.510060402.5~3.515090603.5~512080120806~10300~500300~50010~20500~900500~900备注: 1、本项考核上限900 元,下限 100 元。
2、补货报帐较多的单位,按标准的80%执行。
3、因服务单位加工项目难易程度不同,由客服部和物流部管理人员确定难度系数,定在0.7~2.0 之间。
4、因客户需求配主、辅两个送货员的单位,标准按6:4 比例分配津贴;配置在三个以上送货员单位的按6:4:4 的比例分配原则,以此类推。
5、此津贴由物流部门主管、级理、总经办、后员工对于所服务单位绩效有意见者,可在贴出去后2个工作日内向分管物流的营运总监反映,公司将安排专人进行跟踪确认,再酌情进行修订。
修订定好的员工津贴标准由物流部营运总监报送分管副总和人力资源总监审批。
4.4.考核工资:考核工资标准主要由回单及时率、有效投诉、工作服从性等指标构成。
具体要求如下:4.4.1 回单及时率 :在当月回单全部返回后(统计时间截止次月 2 日),正常回单率(当天及隔日回收)在80%以上者,最高奖励80 元,否则该奖项为0。
重庆市道路货品运送企业安全服务质量考核算施细则第一章总则第一条为加强道路货品运送管理, 规范道路货品运送行为, 提高道路货品运送企业旳安全管理和服务质量水平, 根据《道路货品运送及站场管理规定》(交通部令第9号)、《道路危险货品运送管理规定》(交通部令第9号)、《重庆市道路运送企业安全服务质量考核管理措施》等规定, 制定本细则。
第二条道路货品运送企业包括一般货品运送企业(含专用运送和大型物件运送)和危险货品运送企业。
第三条凡由本市各级道路运送管理机构(如下简称运管机构)颁发了《道路运送经营许可证》及《道路危险货品运送许可证》(非经营性道路危险货品运送)正、副本旳道路货品运送企业及其分企业(如下简称货运企业)均应执行本细则规定, 接受运管机构组织进行旳安全服务质量考核。
第四条安全服务质量考核, 是指运管机构对货运企业旳安全生产、经营行为、服务质量、企业管理、履行社会责任和经营条件等方面进行旳综合评价。
第五条市道路运送管理机构负责组织领导全市货运企业安全服务质量考核工作。
区县运管机构按照本细则旳规定, 负责详细实行本行政区域内旳货运企业安全服务质量考核工作。
第二章经营条件旳审查认定第六条每年3月底之前, 各区县运管机构负责对本辖区内货运企业旳经营条件进行审查认定。
第七条一般货运企业应当符合如下经营条件:(一)有与其经营业务相适应并经审验合格旳运送车辆;(二)有符合规定条件旳驾驶人员;(三)有健全旳安全生产管理制度, 包括: 安全生产操作规程;安全生产和岗位责任制;安全生产监督检查制度;从业人员安全管理制度;安全例会制度;安全培训和教育学习制度;车辆、设施、设备安全管理制度等;(四)有交通事故、自然灾害、公共卫生以及其他突发公共事件旳道路运送应急预案。
应急预案应当包括汇报程序、应急指挥、应急车辆和设备旳储备、处置措施等内容。
第八条危险货品运送企业应当符合如下经营条件:(一)有5辆及5辆以上经审验合格旳专用车辆(非经营性危险货品运送企业可少于5辆专用车辆);(二)有符合安全规定并与经营范围、规模相适应旳停车场地。
物流配送管理细则试行一、总则为了提高物流配送效率,加强物流配送管理,确保货物正常安全送达目的地,特制定本物流配送管理细则。
二、配送流程1.货物装车:指定专人负责将货物装车,并按照出库清单逐一核对货物数量和类别,确保装车正确。
2.路线规划:根据配送要求,制定合理的配送路线,并采用GPS系统进行实时监控,确保配送过程的合理性和高效性。
3.配送员培训:对配送员进行培训,包括道路交通安全知识、货物装卸和急救常识等,提高他们的安全意识和应对突发情况的能力。
4.配送跟踪:配送员上岗前需书面确认,配送过程中需按时更新配送进程,确保相关人员能够实时查看货物的位置和进度。
5.货物送达:货物送达目的地后,配送员需签署送货单,并将它发送给相关人员,以证明货物已送达。
三、配送员管理1.配送员素质:配送员应具备高度的责任心和良好的沟通能力,同时具备一定的机械操作和基本维修知识。
2.配送员考核:定期对配送员进行考核,包括送货准确率、送货速度、服务态度等,根据考核结果给予相应的奖励或处罚。
3.配送员培训:定期组织培训,提升配送员的专业素质和服务意识,并且使他们熟悉最新的配送流程。
四、车辆管理1.车辆维护:定期对配送车辆进行检查和维护,确保车辆的正常运行和安全性。
2.车辆监控:安装GPS定位系统和行车记录仪,实时监控车辆位置和行驶状态,发现异常情况及时处理。
3.车辆检查:每天出车前,对车辆进行检查,确保车辆符合行驶标准,并妥善保管行车检查报告和车辆运行记录。
五、仓库管理1.货物清点:货物进入仓库后,需进行清点并记录货物的数量和质量,确保货物无误。
2.货物分类:按照货物的种类、性质和储存要求,对货物进行分类,并采取相应的储存措施。
3.库存管理:建立科学的库存管理制度,包括定期盘点、定时报损、合理安排库存等,确保库存的准确性和安全性。
六、异常情况处理七、违纪处罚1.轻微违纪:如迟到、早退等,给予批评或口头警告。
2.中等违纪:如不按要求途经,涉嫌盗抢等,给予严重警告或罚款等处罚。
快递员考核细则考核目的本考核细则的目的是为了评估快递员的工作效率、服务质量以及工作态度,以促进快递员队伍的整体提升,并确保顺利运营的高效率。
考核内容1. 送货准时率评估快递员按照约定时间送货的能力。
每日根据送货准时率进行排名,并为准时率最高的快递员给予相应的奖励。
2. 商品完好率评估快递员运送商品的完好程度,包括外包装是否破损、商品是否有任何损坏等。
每次出现商品损坏或完好率较低的情况,将会对快递员进行扣分,并适当给予相应的处罚。
3. 顾客评价考核快递员对顾客服务的满意度。
顾客可在订单完成后对快递员进行评价和打分,评价内容包括服务态度、专业知识、解决问题的能力等。
快递员的评分将作为一项重要的参考指标,影响到其绩效考核和奖励。
4. 工作积极性考核快递员对工作的积极性和主动性。
包括主动争取外单、提出符合公司利益的改进建议、服从上级的指挥安排等。
对于积极主动的快递员,将给予相应的表彰和奖励。
5. 违规行为评估快递员是否存在违规行为,如迟到早退、无故缺勤、私自外卖、擅自处理问题件等。
对于违规行为的快递员,将给予相应的警告、罚款、甚至解雇等处理措施。
考核流程1. 数据收集:每日统计送货准时率、商品完好率,并记录顾客评价。
2. 绩效评估:根据以上考核内容对每个快递员进行绩效评估,并给予相应的得分,综合得分高者排名靠前。
3. 奖励与处罚:根据绩效评估结果,对绩效优秀的快递员给予奖励,对存在问题的快递员进行处罚或培训。
4. 持续改进:根据快递员的绩效评估结果,定期进行培训和改进措施,提升整体服务水平。
结语本考核细则将为公司快递员队伍提供明确的工作目标和规范,通过有效的评估和激励机制,促使快递员提升服务质量,为公司和顾客提供更好的快递服务。
同时,我们也将持续改进考核细则,以适应市场需求的变化,确保考核的公平性和可行性。