煤矿机电CAD制图图例
- 格式:doc
- 大小:664.50 KB
- 文档页数:10
附件1:图纸幅面代号及尺寸
幅面代号
尺寸(长×宽)mm
A01189×841A1841×594A2594×420A3420×297A4
297×210
附件2:加长图纸幅面尺寸
附件3:标题栏
设 计年 月 日
制 图审 校图号
机电副总比例机电矿长日期总工程师
单位
图纸名称
单位名称
附件4:
附件6:
附件10:
机电运输图纸主要包括:1.矿井供电系统图(井上、下供电系统);2. 井下机电设备布置图;3.提升运输系统图(原煤、矸石、材料运输系统);4.压风(自救)系统图;5.矿井排水系统图;6.井下供水(防尘)管路系统图;7. 安全监测监控系统图;
8.瓦斯抽放系统图;9.矿井通讯系统图;10.人员定位系统图等。
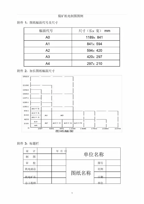
煤矿机电制图图例
附件1:图纸幅面代号及尺寸
幅面代号
尺寸(长×宽)mm
A01189×841A1841×594A2594×420A3420×297A4
297×210
附件2:加长图纸幅面尺寸
附件3:标题栏
设 计年 月 日
制 图审 校图号
机电副总比例机电矿长日期总工程师
单位
图纸名称
单位名称
附件4:
附件6:
机电运输图纸主要包括:1.矿井供电系统图(井上、下供电系统);2. 井下机电设备布置图;3.提升运输系统图(原煤、矸石、材料运输系统);4.压风(自救)系统图;5.矿井排水系统图;6.井下供水(防尘)管路系统图;7. 安全监测监控系统图;
8.瓦斯抽放系统图;9.矿井通讯系统图;10.人员定位系统图等。
煤矿机电制图图例附件1图纸幅面代号及尺寸幅面代号 尺寸(长x 宽)mmA0 1189X 841 A1 841X 594 A2 594 X 420 A3420X 297 A4297X 210附件2:加长图纸幅面尺寸图纸幅面2102 1B92 1682 14T1 1261 A4X5A4X4 Al拟1X3A3A2 A3X3 A3X4 A3X5A41051641630420 210297 5941139 1733 2080 23781486附件3:标题栏地面、井下变配电设备设施图形符号附件5:开关、起动器和保护装置图形符号开关、起动器和保护装置图形符号注:1和2的图形符号,当需要分交直流时,在字线下方加限定符号〜或一附件7:井下轨道、运输调度及其它图形符号井下运输机械设备图形符号附件9:矿井通风、排水机械设备图形符号附件10:管道及管路设施图形符号附件11:矿井通讯系统图图例附件12:矿井安全监测监控系统图图例传感器的种类标注在弧形框内CH —甲烷传感器;Q —氧气传感器传 咸 煤矿井下监测监控用传感器器KD —馈电传感器;V —风速传感器KB-风门开关传感器;KT -开停传感器;设备名称图例符号图例尺寸(mm分站(干线扩展器)X XXXX XMM K方框:长12宽4,线宽0.5 (注型号和模、开数)井下设备分站(干线扩展器)电源箱断电仪风、电、瓦斯闭锁装置光纤方框:长12宽4,线宽0.5直径8,线宽0.5直径8,线宽0.5在光纤上标注型号,线宽0.5主通讯电缆 在电缆上标注型号,线宽0.5传感器电缆在电缆上标注型号,线宽0.3防雷器(通讯、电源)其 _____________________ 它监测中心防雷器方框:长12宽4,线宽0.5方框:长30宽15,线宽0.5CO ——氧化碳传感器;CO 2—二氧化碳传感器;FY —负压传感器;T —温度传感器附件13:矿井安全监测监控系统图图例分 类色)|c H 4 |直径8,线宽0.5 (方框:长12宽4,线宽0.5)V 直径8,线宽0.5 (方框:长12宽4,线宽0.5)设备名称图例符号 图例尺寸(mr )氧气传感器直径8,线宽0.5 (方框:长12宽4,线宽0.5)氧化碳传感器CO直径8,线宽0.5 (方框:长12宽4,线宽0.5)氧化碳传感器直径8,线宽0.5 (方框:长12宽4,线宽0.5)负压传感器FY直径8,线宽0.5 (方框:长12宽4,线宽0.5)温度传感器设备开停传感器馈电传感器风门开关传感器直径8,线宽0.5 (方框:长12宽4,线宽0.5)直径8,线宽0.5 (方框:长12宽4,线宽0.5)KD 直径8,线宽0.5 (方框:长12宽4,线宽0.5)KB 直径8,线宽0.5 (方框:长12宽4,线宽0.5)人员定位动态目标识别器分站I 方框:长12宽4,线宽0.5(*-*填识别器编号) FZ方框:长12宽4,线宽0.5甲烷传感器风速传感器附件13:矿井安全监测监控系统图图例分类机电运输图纸主要包括:1.矿井供电系统图(井上、下供电系统);2.井下机电设备布置图;3.提升运输系统图(原煤、矸石、材料运输系统);4.压风(自救)系统图; 5.矿井排水系统图;6.井下供水(防尘)管路系统图;7.安全监测监控系统图;8.瓦斯抽放系统图;9.矿井通讯系统图;10.人员定位系统图等。
煤矿图例全套煤矿机电制图图例附件1:图纸幅面代号及尺寸附件2:加长图纸幅面尺寸幅面代号尺寸(长×宽)mmA01189×841A1841×594A2594×420A3420×297A4 297×210附件3:标题栏附件4:设计年月日制图审校图号机电副总比例机电矿长日期总工程师单位图纸名称单位名称序号设备名称图例符号备注1地面变电所(井下变电所)2采区变电所3井下配电点4油侵式变压器5矿用防爆变压器6井下移动变电站7采区高压配电点8采区配电点9井下整流站10矿用高压配电箱11矿用高压配电箱组12矿用低压配电箱13正常合闸高压配电箱14正常不合闸高压配电箱15防爆电阻箱16防爆电度表箱17防爆无功功率补偿器一般符号一般符号一般符号地面、井下变配电设备设施图形符号附件5:附件6:序号设备名称图例符号备注1隔爆型自动馈电开关2隔爆型手动开关3隔爆型插销式开关4隔爆型负荷式开关一般符号5煤仓料位控制开关6隔爆型电磁起动器7隔爆兼本质安全型电磁起动器8隔爆型手动起动器9煤电钻综合保护装置开关、起动器和保护装置图形符号一般符号开关、起动器和保护装置图形符号序号设备名称图例符号备注1防爆发电机一般符号2防爆电动机3电动机综合保护装置4矿用防爆变压器一般符号注:1和2的图形符号,当需要分交直流时,在字线下方加限定符号~或-。
附件7:井下轨道、运输调度及其它图形符号序号设备名称图例符号备注1煤车方向2矸石车方向3空车方向4机车运行方向5材料设备车方向6单开道岔7对称道岔8渡线道岔9复式交叉道岔10××道岔及手动扳道器11××道岔及电动扳道器12××道岔及弹簧扳道器13阻车器14转车盘15已铺设钢轨采用粗实线绘制16跑车防护装置附件8:井下运输机械设备图形符号序号设备名称图例符号备注1刮板输送机2可弯曲刮板输送机3带式输送机4可伸缩带式输送机5破碎机6带式转载机7刮板转载机8矿用绞车9回柱绞车10调度绞车11液压安全绞车12矿用架空乘人装置13蓄电池式电机车14架线式机车15矿车16矿用平巷人车附件9:矿井通风、排水机械设备图形符号序号设备名称图例符号备注1主要通风机2局部通风机圆内填写功率特征3湿式除尘风机圆内填写功率特征4潜水泵5注水泵6泥浆泵7煤水泵8水泵9乳化液泵站10喷雾泵站11空气压缩机附件10:管道及管路设施图形符号序号设备名称图例符号备注1闸阀2逆止阀3蓄水池4管道采用粗实线绘制5放水器6流量计7防爆阻火器8瓦斯抽放泵附件11:矿井通讯系统图图例序号设备名称图例符号图例尺寸(mm)1总机方框:长12 宽4,线宽0.52井下主机框内标注型号3调制调解器方框:长12 宽4,线宽0.54矿用电话机5分线盒方框:长12 宽4,线宽0.56分线箱方框:长12 宽4,线宽0.57光纤在光纤上标注型号,线宽0.5 8主通讯电缆在电缆上标注型号,线宽0.5 9单机电缆在电缆上标注型号,线宽0.3 10防雷器(通讯、电源)方框:长12 宽4,线宽0.5附件12:分类设备名称图例尺寸(mm)传感器的种类标注在弧形框内。
煤矿机电制图图例
附件1:图纸幅面代号及尺寸
幅面代号
尺寸(长×宽)mm
A01189×841A1841×594A2594×420A3420×297A4
297×210
附件2:加长图纸幅面尺寸
附件3:标题栏
设 计年 月 日
制 图审 校图号
机电副总比例机电矿长日期总工程师
单位
图纸名称
单位名称
附件4:
附件6:
机电运输图纸主要包括:1.矿井供电系统图(井上、下供电系统);2. 井下机电设备布置图;3.提升运输系统图(原煤、矸石、材料运输系统);4.压风(自救)系统图;5.矿井排水系统图;6.井下供水(防尘)管路系统图;7. 安全监测监控系统图;
8.瓦斯抽放系统图;9.矿井通讯系统图;10.人员定位系统图等。
煤矿机电制图图例附件1:图纸幅面代号及尺寸ᄃ附件2:加长图纸幅面尺寸幅面代号尺寸(长×宽)mmA01189×841A1841×594A2594×420A3420×297A4297×210附件3:标题栏附件4:设 计年 月 日制 图审 校图号机电副总比例机电矿长日期总工程师单位图纸名称单位名称实用标准文案序号设备名称图例符号备 注1地面变电所(井下变电所)2采区变电所3井下配电点4油侵式变压器5矿用防爆变压器6井下移动变电站7采区高压配电点8采区配电点9井下整流站10矿用高压配电箱11矿用高压配电箱组12矿用低压配电箱13正常合闸高压配电箱14正常不合闸高压配电箱15防爆电阻箱16防爆电度表箱17防爆无功功率补偿器一般符号一般符号一般符号地面、井下变配电设备设施图形符号附件5:附件6:序号设备名称图例符号备 注1隔爆型自动馈电开关2隔爆型手动开关3隔爆型插销式开关4隔爆型负荷式开关一般符号5煤仓料位控制开关6隔爆型电磁起动器7隔爆兼本质安全型电磁起动器8隔爆型手动起动器9煤电钻综合保护装置开关、起动器和保护装置图形符号一般符号开关、起动器和保护装置图形符号序号设备名称图例符号备 注1防爆发电机一般符号2防爆电动机3电动机综合保护装置4矿用防爆变压器一般符号注:1和2的图形符号,当需要分交直流时,在字线下方加限定符号~或-。
附件7:井下轨道、运输调度及其它图形符号序号设备名称图例符号备 注1煤车方向2矸石车方向3空车方向4机车运行方向5材料设备车方向6单开道岔7对称道岔8渡线道岔9复式交叉道岔10××道岔及手动扳道器11××道岔及电动扳道器12××道岔及弹簧扳道器13阻车器14转车盘15已铺设钢轨采用粗实线绘制16跑车防护装置附件8:实用标准文案井下运输机械设备图形符号序号设备名称图例符号备 注1刮板输送机2可弯曲刮板输送机3带式输送机4可伸缩带式输送机5破碎机6带式转载机7刮板转载机8矿用绞车9回柱绞车10调度绞车11液压安全绞车12矿用架空乘人装置13蓄电池式电机车14架线式机车15矿车16矿用平巷人车附件9:矿井通风、排水机械设备图形符号序号设备名称图例符号备 注1主要通风机2局部通风机圆内填写功率特征3湿式除尘风机圆内填写功率特征4潜水泵5注水泵6泥浆泵7煤水泵8水泵9乳化液泵站10喷雾泵站11空气压缩机附件10:管道及管路设施图形符号序号设备名称图例符号备 注1闸阀2逆止阀3蓄水池4管道采用粗实线绘制5放水器6流量计7防爆阻火器8瓦斯抽放泵附件11:矿井通讯系统图图例序号设备名称图例符号图例尺寸(mm)1总机方框:长12 宽4,线宽0.52井下主机框内标注型号3调制调解器方框:长12 宽4,线宽0.54矿用电话机5分线盒方框:长12 宽4,线宽0.56分线箱方框:长12 宽4,线宽0.57光纤在光纤上标注型号,线宽0.5 8主通讯电缆在电缆上标注型号,线宽0.5 9单机电缆在电缆上标注型号,线宽0.3 10防雷器(通讯、电源)方框:长12 宽4,线宽0.5附件12:分类设备名称图例尺寸(mm)传感器的种类标注在弧形框内。
煤矿机电制图图例附件1:图纸幅面代号及尺寸ᄃ附件2:加长图纸幅面尺寸附件3:标题栏 附件4: 附件5:附件6:附件7:附件8:幅面代号尺寸(长×宽)mmA01189×841A1841×594A2594×420A3420×297A4297×210序号设备名称图例符号备 注1隔爆型自动馈电开关2隔爆型手动开关3隔爆型插销式开关4隔爆型负荷式开关一般符号5煤仓料位控制开关6隔爆型电磁起动器7隔爆兼本质安全型电磁起动器8隔爆型手动起动器9煤电钻综合保护装置开关、起动器和保护装置图形符号一般符号1 附件9:附件10:附件11:附件12:附件13:机电运输图纸主要包括:1.矿井供电系统图(井上、下供序号设备名称图例符号备 注1刮板输送机2可弯曲刮板输送机3带式输送机4可伸缩带式输送机5破碎机6带式转载机7刮板转载机8矿用绞车9回柱绞车10调度绞车11液压安全绞车12矿用架空乘人装置13蓄电池式电机车14架线式机车15矿车16矿用平巷人车17矿用平板车18矿用材料车井下运输机械设备图形符号电系统);2. 井下机电设备布置图;3.提升运输系统图(原煤、矸石、材料运输系统);4.压风(自救)系统图;5.矿井排水系统图;6.井下供水(防尘)管路系统图;7. 安全监测监控系统图;8.瓦斯抽放系统图;9.矿井通讯系统图;10.人员定位系统图等。
2。
煤矿机电制图图例
附件1:图纸幅面代号及尺寸
幅面代号
尺寸(长×宽)mm
A01189×841A1841×594A2594×420A3420×297A4
297×210
附件2:加长图纸幅面尺寸
附件3:标题栏
设 计年 月 日
制 图审 校图号
机电副总比例机电矿长日期总工程师
单位
图纸名称
单位名称
附件6:
机电运输图纸主要包括:1.矿井供电系统图(井上、下供电系统);2. 井下机电设备布置图;3.提升运输系统图(原煤、矸石、材料运输系统);4.压风(自救)系统图;5.矿井排水系统图;6.井下供水(防尘)管路系统图;7. 安全监测监控系统图;
8.瓦斯抽放系统图;9.矿井通讯系统图;10.人员定位系统图等。