2016北科大机械复试题目
- 格式:pdf
- 大小:253.97 KB
- 文档页数:2
一、笔试
这次笔试涉及的科目多,但每科题量并不大,涉及的知识点也少
下面是一些考点,我能记住的不多,希望大家积极补充
机械制图(38分):一题16分,一题22分,都是补充视图题
可能是复试前不太重视制图,这两题也不容易拿分
机械工艺学(37分):全是简答题每题4-6分,没考尺寸链计算
1.六点定位原理,并举例说明
2.欠定位,并举例说明
3.误差敏感方向,举例说明
4.误差复映,举例说明
5.热处理及其工序安排
6.铸造,砂型铸造(张世昌的机械制造技术基础,无这方面的内容)
机械设计(38分):
1.带传动张紧轮的安装位置?为什么?
2.齿轮的受力分析,判断旋向及各分力方向
3.轴的结构设计,指出错误,不需改正
4.滚动轴承,当量动载荷的计算
5.螺栓受力分析及强度计算
电工学(37分)
1.电源与负载的判断
2. 戴维宁定理,如何确定等效电压,等效电阻
3. 视在功率、平均功率、无功功率,意义及其关系
4.三相电机的机械特性曲线,其与转子电压、电阻的关系
5.电位分析,求电路电流
6.算三相电机数据,并求能否起动,参照课本例题
二、面试
面试在14号上午进行,有两部分,
1.专业相关测试,每人抽四道题,十分钟,
1)1999^1998 其结果的尾数是多少?
2)把45号钢改成42Cr,能不能提高其刚性,为什么?
3)一道微机原理题目,关于几个端口
(这道题没记住,考试前并不知道会考察微机原理)
4)一道专业英语的翻译
2.面试,大概八位老师,自己报考的导师也在内,主要是问毕业设计相关内容。
1. 零件材料的极限应力σlim如何确定?答:对于塑性材料,其应力--应变曲线有明显的屈服点,故零件的主要失效形式是塑性变形,应取材料的屈服极限σS、τS作为极限应力。
对于脆性材料,应力--应变曲线没有明显的屈服点,故零件的主要失效形式是脆性断裂,取材料的强度极限σB、τB作为极限应力。
2. 极限应力线图有何用处?答:确定零件材料的破坏形式;确定零件材料的极限应力;计算零件的安全系数。
3. 紧螺栓联接的强度也可以按纯拉伸计算,但须将拉力增大30%,为什么?答:考虑拧紧时的扭剪应力,因其大小约为拉应力的30%。
4. 画出单个螺栓联接的受力变形图,并根据线图写出螺栓受的总拉力Q、预紧力QP、剩余预紧力的计算公式。
答:5. 为什么螺母的螺纹圈数不宜大于10圈(使用过厚的螺母不能提高螺纹联接强度)?答:因为螺栓和螺母的受力变形使螺母的各圈螺纹所承担的载荷不等,第一圈螺纹受载最大,约为总载荷的1/3,逐圈递减,第八圈螺纹几乎不受载,第十圈没用。
所以使用过厚的螺母并不能提高螺纹联接强度。
6. 螺栓组受力分析的目的是什么?7. 平键和楔键联接在工作原理上有什么不同?各有什么特点?8. 普通平键的标准尺寸(b×h)如何确定?键的长度如何确定?9. 矩形花键和渐开线花键如何定心?10.在相同条件下,V带传动与平带传动的传动能力有何不同?为什么?根据欧拉公式说明用什么措施提高带的传动能力。
11.带传动的失效形式是什么?设计准则是什么?单根V带所能传递的功率:如何体现了设计准则?12.为什么带传动一般放在传动链的高速级,而不放在低速级?13.在带传动设计时,为什么要求dd1≥dmin、α1≥120°、5≤v≤25 m/S?14.在V带传动设计时,为什么要限制带的根数?答:根数多结构大;由于带的长度误差,使各根带间受力不等15.与带传动、齿轮传动相比,链传动有何特点?16.为什么链传动中链节数一般采用偶数?而链轮齿数一般选用奇数?17.为什么链传动的平均运动速度是个常数,而瞬时运动速度在作周期性变化。
矿大面试题集锦1、普通数控机床和加工中心的区别?(机械制造自动化)①加工中心是备有刀库并能自动更换刀具,而数控机床没有;②能对工件进行多工序集中加工,而数控机床用来完成零件一个工序的自动化循环加工。
③加工中心适用范围广,加工精度高,生产率高。
而NC常用在零件复杂程度不高、精度较高,品种多变的生产场合。
2、现代设计方法有哪些?(先进制造技术基础)创新设计、模糊设计、绿色设计、人工神经网络、逆向工程技术3、振动对加工有哪些影响?(机械制造技术基础)(1)影响加工表面粗糙度(2)影响生产效率(3)影响刀具寿命(4)影响机床与夹具的使用寿命(5)产生噪声污染4、特种加工有哪些?(特种加工)电火花加工、电火花线切割加工、电化学加工、激光加工、电子束和离子束加工、超声加工、快速成型技术、水射流切割等5、齿轮传动、链传动的区别及优缺点(机械设计)链传动优点:整体尺寸较小,结构紧凑,工作可靠,两轴相距较远,工作环境恶劣的场合。
链传动的缺点:只能实现平行轴间链轮的同向传动;运转时不能保持恒定的瞬时传动比;磨损后易发生齿跳;工作时有噪声;不宜用在载荷变动很大、高速和急速反向的传动。
齿轮传动优点:效率高、结构紧凑、工作可靠、寿命长、传动比稳定。
齿轮传动缺点:制造及安装精度高,价格昂贵,不宜用于传动距离过大的场合6、机床测振动在选用传感器的时候应该注意什么?你最在乎那个参数?(工程测试技术)1)考虑机床的振动特性(振动频率范围和估计的振幅范围)2)注意环境温度、电磁干扰3)确定测试参数(位移、速度、加速度),选传感频率、幅值7、常用的联接方式有哪些?(机械设计)螺纹连接和螺旋传动、键、销连接、铆接、焊接、胶接、过盈连接i8、CAPP/CAD/CAM的含义(机械制造自动化)CAPP:计算机辅助工艺设计CAD 计算机辅助设计iCAM计算机辅助制造9、常用作机械加工毛坯有哪些?铸件(分黑色金属和有色冶金)、锻件、焊接件、型材、粉末冶金10、端面跳动在机械加工中如何运用,代表的含义是什么?(互换性)端面跳动包括端面圆跳动、端面全跳动。
六本书里面选四本,抽题号回答问题。
微机原理、机控、单片机、电机拖动、网络技术、电和力电子,我的问题是这样的。
1.EU和BIU可不可以并行工作?什么时候可以并行工作?
2.调速范围的定义(包含条件额定负载)。
3.什么叫逆变失败;逆变失败的原因是什么;逆变有哪两种,各有什么特点?
4.微机矫正的算法,大林算法和施密特算法和原理。
补充几点笔试
1.PID的控制式,以及各部分的作用。
2.BODE图为什么低频段决定稳态,高频段决定抗干扰能力。
3.Z变换。
4.约旦标准型。
5.状态反馈、配置极点。
6.根轨迹法作图。
7.李雅普诺夫判稳。
8.根据图像写出某二阶传函。
9.添加零极点后图像的变化
10. 二阶系统、求超调量、峰值时间等。
11.离散系统的状态转移矩阵。
其他想不起来了,总之他们的题目不简单,大家要好好准备,学校还是挺不错的。
再就是一定要及时联系导师,越早越好!
加油!
新祥旭·科硕堂/。
北科大考研复试班-北京科技大学机械工程学院机械工程考研复试经验分享北京科技大学于1952年由天津大学(原北洋大学)、清华大学等6所国内著名大学的矿冶系科组建而成,现已发展成为以工为主,工、理、管、文、经、法等多学科协调发展的教育部直属全国重点大学,是全国首批正式成立研究生院的高等学校之一。
1997年5月,学校首批进入国家“211工程”建设高校行列。
2006年,学校成为首批“985工程”优势学科创新平台建设项目试点高校。
2014年,学校牵头的,以北京科技大学、东北大学为核心高校的“钢铁共性技术协同创新中心”成功入选国家“2011计划”。
2017年,学校入选国家“双一流”建设高校。
2018年,学校获批国防科工局、教育部共建高校。
学校由土木与资源工程学院、冶金与生态工程学院、材料科学与工程学院、机械工程学院、能源与环境工程学院、自动化学院、计算机与通信工程学院、数理学院、化学与生物工程学院、东凌经济管理学院、文法学院、马克思主义学院、外国语学院、高等工程师学院,以及研究生院、体育部、管庄校区、天津学院、延庆分校组成。
现有20个一级学科博士学位授权点,30个一级学科硕士学位授权点,79个二级学科博士学位授权点,137个二级学科硕士学位授权点,另有MBA(含EMBA)、MPA、法律硕士、会计硕士、翻译硕士、社会工作、文物与博物馆和工程硕士等8个专业学位授权点,16个博士后科研流动站,50个本科专业。
学校冶金工程、材料科学与工程、矿业工程、科学技术史4个全国一级重点学科学术水平蜚声中外(2017年进入国家世界一流学科建设行列;在第四轮学科评估,冶金工程、科学技术史获评A+,材料科学与工程获评A),安全科学与工程、环境科学与工程、控制科学与工程、动力工程与工程热物理、机械工程、计算机科学与技术、土木工程、化学、外国语言文学、管理科学与工程、工商管理、马克思主义理论等一批学科具有雄厚实力,力学、物理学、数学、信息与通信工程、仪器科学与技术、纳米材料器件、光电信息材料与器件等基础学科与交叉学科焕发出勃勃生机。
面试经验面试组老师有6-7位,如果有你的老师(尤其是外校的同学,提前找到一个老师明确说要收你是很关键的,除非你初试分很高)恭喜你成功一半了(但是别什么都答不上来),面试时简单的自我介绍一下,注意表情放松一点、阳光一点,别太紧张了。
目光要友善、尊敬地与每一位老师交流,一般坐在中间的为一把手,提问的多一些,但是打分的是所有老师,所以回答问题时尽量照顾到每位老师,不要只盯着问你问题的那个。
很多攻略上说如果不会要诚实,但是注意这只是说不会不要瞎编,别傻忽忽的说“我不会”。
这里有个技巧,因为复试提问的问题涉及到的学科比较广泛,肯定会有复习不全的情况,但是至少你会知道是哪个学科的问题,那就先从科目入手,把自己分析这个问题的思路说出来,老师看你有思路一般会提醒你,(别告诉我你思路都没有,那你就没有资格做研究生),或者礼貌性的让老师换一道题(仅限一俩道,别都不会啊),当提醒了实在不会,也别表现的过于紧张和害怕,只好说自己在这个问题上印象不深了,面试提问的多为基础知识,只要本科阶段听过课有印象大部分问题是可以答出来的,要对自己有信心。
我报的是机电,今年的机电只有专业面试,没有了以前的英语口试和听力测试,所以压力减小了很多。
但其他的方向还有包含英语方面的面试的,以后不知道什么情况,所以还是要准备的。
面试满分120(本来是150分,但由于英语泄题,所以另外的30分分给了英语笔试),面试的成绩是每个人相差3分,分数不会相同。
以下为参加2010年和2012年复试的同学回忆面试时的问题,把相关的知识点看看,说白了就是题库,大家多准备一.青春如此闷骚:还有速度瞬心:(1)说砂锅放在湿地上为啥容易碎:砂锅首先很厚,所以冷热传递的慢。
滚烫的砂锅放入湿地或者水里时,冷热剧烈的变化,厚厚的砂锅就出现冷热不均匀,内外应力不同,造成破裂!玻璃杯也是这个道理!所以越薄的杯子越不容易破,因为冷热传递的快!水瓶胆就特别薄!所以冬天倒热水时最后先往杯子里倒点点热水晃一晃,让杯子均匀受热!谢谢!(2)计算机三总线、地址总线:MCS-51系列单片机具有很强的外部扩展功能。
单位代码:10008 单位名称:北京科技大学联系人:研招办电话:010—62332484 地址:北京市海淀区学院路30号邮政编码:100083
(任选一门)
单位代码:10008 单位名称:北京科技大学联系人:研招办电话:010—62332484 地址:北京市海淀区学院路30号邮政编码:100083
单位代码:10008 单位名称:北京科技大学联系人:研招办电话:010—62332484 地址:北京市海淀区学院路30号邮政编码:100083
单位代码:10008 单位名称:北京科技大学联系人:研招办电话:010—62332484 地址:北京市海淀区学院路30号邮政编码:100083
单位代码:10008 单位名称:北京科技大学联系人:研招办电话:010—62332484 地址:北京市海淀区学院路30号邮政编码:100083
单位代码:10008 单位名称:北京科技大学联系人:研招办电话:010—62332484 地址:北京市海淀区学院路30号邮政编码:100083。
北理机车机械复试面试题库1、举例说明尺寸链的应用尺寸链:在零件加工或机器装配过程中,由互相联系的尺寸按一定顺序首尾相接排列而成的封闭尺寸组。
组成尺寸链的各个尺寸称为尺寸链的环。
其中,在装配或加工过程最终被间接保证精度的尺寸称为封闭环,其余尺寸称为组成环。
利用尺寸链,可以分析确认机器零件的尺寸精度,确保加工精度和加装精度。
2、常用黑色金属材料有哪几类?什么是优质碳素钢?黑色金属通常指钢和铸铁;钢分成碳素钢(缩写碳钢)和合金钢两大类。
碳钢按钢的质量(即为按钢所含连累元素S、P的多少)分成普通碳素钢、优质碳素钢、高级碳素钢三类。
优质碳素钢,钢中S、P含量均≤0。
040%;3、焊接件焊接应力如何消除?常用的热处理方法景什么?消解冲压形变的方法消解冲压形变的方法主要存有:热处理法、机械法、振动法和自然时效。
焊后热处理(退火)是消除残余应力的有效方法,也是广泛采用的方法。
它可分为整体热处理和局部热处理。
最简单的办法是时效处理。
4、常用的热处理方法存有哪些?(讲出至少三种)什么就是调质?退火,正火,淬火,回火,调质等。
调质处理:淬火后高温淬火,高温淬火就是所指在500―650℃之间展开淬火5、闭式齿轮(软、硬齿面)传动的主要失效形式是什么?设计校核的.原则是什么?闭式软齿面齿轮传动主要失灵形式就是齿面烦躁点蚀,设计排序时应按齿面碰触强度计算公式展开排序,按齿根伸展疲劳强度计算公式展开校核;闭式硬齿面齿轮传动主要失效形式是齿根疲劳折断,设计计算时应按齿根弯曲疲劳强度计算公式进行计算,按齿面接触强度计算公式进行校核。
6、减速机的促进作用就是什么?改变原动机输送到工作机的转速和扭矩。
机械式、液力耦合式;固定速比、可调速比。
7、你最熟识的工业流程就是什么?比如说炼铁或炼钢或轧钢。
如中厚板轧钢车间生产工艺流程:连铸坯→加热炉→除鳞机→轧机→控制冷却→矫直→冷床冷却→切头切倍尺→双边剪→定尺剪→表面检查和清理→垛板→入库→发货8、一个液压缸,受外载的猛烈冲击,最极端情况可能将就是什么?脱缸;爆?;变形。
第1章 1. 单项选择1-1 按照系统的观点,可将生产定义为使生产()转变为生产财富并创造效益的输入输出系统。
①对象②资料③要素④信息1-2 度量生产过程效率的标准是()。
①产量②产值③利润④生产率1-3 制造从广义上可理解为()生产。
①连续型②离散型③间断型④密集型1-4 精良生产是对()公司生产方式的一种描述。
①波音②通用③三菱④丰田1-5 在先进的工业化国家中,国民经济总产值的约()来自制造业。
①20% ②40% ③60% ④80% 1-6 在机械产品中,相似件约占零件总数的()。
①30% ②50% ③70% ④90%1-7 零件分类编码系统是用()对零件有关特征进行描述和识别的一套特定的规则和依据。
①文字②数字③字符④字母1-8 成组技术按()组织生产。
①产品②部件③零件④零件组1-9 CIM是()和生产技术的综合应用,旨在提高制造型企业的生产率和响应能力。
①高新技术②信息技术③计算机技术④现代管理技术1-10 并行工程是对产品及()进行并行、一体化设计的一种系统化的工作模式。
①零件②设备③工艺装备④相关过程1-11 实行并行工程的企业多采用()的组织形式。
①直线式②职能式③矩阵式④自由式1-12 在多变的市场环境下,影响竞争力的诸要素中()将变得越来越突出。
①时间②质量③成本④服务2. 多项选择2-1 生产要素包括()和生产信息。
①生产对象②生产资料③能源④劳动力2-2 21世纪机械制造业发展趋向是()智能化和清洁化。
①自动化②柔性化③集成化④批量化2-3 专业化协作与扩散生产的形式有()等。
①组织各种专业化基础零部件生产厂②组织专业化毛坯生产厂③实行工艺性协作④实行主机装配协作2-4 机械零件之间的相似性主要表现在()等几方面。
①零件名称相似性②零件结构特征相似性③零件材料特征相似性④零件制造工艺相似性2-5 采用生产流程分析法划分零件组的优点是()。
①无须编制零件工艺规程②可保证同一零件组内的零件的工艺相似性③可由零件编码直接划分零件组④可在划分零件组的同时形成机床组2-6 成组生产单元按其规模、自动化程度和机床布置形式,可分为()和成组柔性制造系统等几种类型。
07年试题一,简答题主应力简单加载瞬时屈服应力主切平面应力状态派平面2 如何描述一点任意坐标下的应变状态?3 细化晶粒对金属材料的力学性能有何影响?有哪些途径可以细化晶粒?4 解释什么是屈服效应现象?这种效应在变形金属表层上会产生什么缺陷?原因是什么?如何消除?5 塑性变形时的应力-应变关系有何特点?6 金属塑性变形时常用塑性指标有哪些?改善金属材料的工艺塑性有哪些可用的措施?7 应力偏张量,应力球张量的物理意义?8 低温下体心立方金属为什么有强烈的屈服效应现象?表现为脆性?9 请分析高碳钢在热变形时,网状碳化物形成的原因,网状组织对材料性能有什么影响?如何控制其形成?以下是复习提纲,参考书是《材料成型理论基础》,刘雅政主编7.金属塑性变形的物理本质1.塑性变形包括晶内变形和晶间变形。
通过各种位错运动而实现的晶内一部分相对于另一部分的剪切运动就是晶内变形,常温下有滑移和孪生,当T>0.5T R时,可能出现晶间变形,高温时扩散机理起重要作用。
2.派一纳模型。
假设:经典的弹性介质假设和滑移面上原子的相互作用为原子相对位移的正弦函数假设。
意义:ⅰ位错运动所需派一纳力比晶体产生整体、刚性滑移所需要的理论切屈服应力T m=G/2π小许多倍。
ⅱb越小,a越大,则临界切应力越小ⅲ其他条件相同时,刃位错的活动性比螺位错的活动性大。
公式:3.滑移系统。
4.孪生。
孪生后结构没有变化,取向发生了变化,滑移取向不变,一般孪生比滑移困难,所以形变时首先发生滑移,当切变应力升高到一定数值时才发生孪生,密排六方金属由于滑移系统少,可能开始就形成孪晶。
5.扩散对变形的作用:一方面它对剪切塑性变形机理可以有很大影响,另一方面扩散可以独立产生塑性流动。
6.扩散变形机理包括:扩散-位错机理;溶质原子定向溶解机理;定向空位流机理。
7.扩散-位错机理:扩散对刃位错的攀移和螺位错的割阶运动产生影响;扩散对溶质气团对位错运动的限制作用随温度的变化而不同。
北京科技⼤学机械学院历年复试题北京科技⼤学考研资料之机械学院2008年复试试题⼀. 判断题,每题0.5分,共5分1.淬⽕,渗氮,喷丸,辊⼦碾压等处理后,其疲劳强度提⾼. ( )2.混合润滑都是⾮液体润滑. ( )3.轮齿折断⼀般发⽣在齿顶和齿根. ( )4.链传动张紧的⽬的是避免打滑。
( )5.根据转矩⼤⼩来选择键的宽度和⾼度. ( )6.蜗轮的效率和齿轮传动差不多. ( )7.三⾓带传动的中⼼距都做成不可调的. ( )8.带时传动⽐随外载荷的变化⽽变化. ( )9.带传动的失效形式是打滑和弹性滑动. ( )10.受单向轴向⼒作⽤的螺旋传动场合采⽤梯形螺纹. ( )⼆.选择题, 每题0.5分,共5分1.⼤齿轮材料选_________好.A.合⾦钢B.45钢淬⽕C.HT200D.45钢调制2.计算公式L=10^6/60n(C/P)^e 轴承的寿命L的单位为_________.A.hB.h/m^2C.h/cm^2D.m/h^23.软齿⾯闭式齿轮传动最常见的失效形式是____;⽽开式齿轮传动最常见的失效形式是____A.齿根折断B.齿⾯点蚀C.齿⾯磨损D.齿⾯胶合4.⾓接触球轴承_________A.只能承受径向载荷B.能承受径向载荷和少量轴向载荷C.径向和轴向载荷D.只能承受轴向载荷5.永久疲劳极限TR=270MPA,设疲劳曲线⽅程的幂指数M=9,应⼒循环指数N0=5*10^6,求当N=10^4时,有限疲劳极限为________MPA.A.115B.135C.175D.2106.与蜗轮传动相⽐,蜗杆传动最显著的特点是_________.A.噪声⼤B.强度⾼C.传动功率⼤D.效率⾼7.带轮与带的摩擦系数相同,直径不等,如有打滑时则先发⽣在_________.A.⼤带轮B.⼩带轮C.两带之间D.不⼀定8.对于软齿⾯闭式传动齿轮设计,⼀般_________.A.先按接触疲劳强度条件计算B. 先按弯曲疲劳强度条件计算C.先按磨损强度条件计算D. 先按胶合强度条件计算9.直齿圆锥齿轮传动强度计算⽅法是以_________的当量模数齿轮为计算基础.A.⼩齿轮的⼩端B.⼤齿轮的⼩端C.齿宽中点处D.⼩齿轮的⼤端10.链传动节数最好取__________.A.合数B.奇数C.质数D.偶数三.填空题, 每题0.5分,共12分1.V带传动中因为有_________的影响,其传动⽐不恒定.2.基本额定动载荷CR=9500N,说明此轴承在承受径向载荷为__________N.3.为增加闭式软齿⾯圆柱齿轮的接触强度时,可增加齿轮_______硬度,______齿轮直径。
北京科技大学物理学复试真题力学+电磁学1.普通物理和四大力学的关系是,普通物理是指研究物质运动规律和物理现象的基础学科,而四大力学则指经典力学、电磁学、热力学和量子力学。
四大力学是普通物理的重要分支和延伸。
2.理论力学和普通力学在风格上的区别是,理论力学注重推导和证明,强调理论的严密性和精确性,而普通力学则更注重实验和应用,强调物理现象的直观性和可观测性。
3.电磁波是能量的一种,凡是能够释出能量的物体,都会释出电磁波。
电磁波是电磁场的一种运动形态,变化的电磁场在空间的传播形成了电磁波,也常称为电波。
4.电磁波的产生是因为电与磁是一体两面,变动的电会产生磁,变动的磁则会产生电。
变化的电场和变化的磁场构成了一个不可分离的统一的场,这就是电磁场,而变化的电磁场在空间的传播形成了电磁波,因此被称为电磁波。
5.___关于位移电流和感生电场的假说讨论的是电磁场的本质和相互作用。
位移电流是指通过给定有向面的位移电流密度的通量,与传导电流本质不同,它的本质是变化着的电场,可以存在于真空、导体、电介质中,而传导电流则是自由电荷的定向运动,只能存在于导体中。
位移电流和感生电流都是电磁场的一种表现形式,但是位移电流的产生与电场的变化有关,而感生电流的产生则与磁场的变化有关。
6.___四个方程的物理意义是,它们描述了电磁场的本质和相互作用,包括电场和磁场的产生、传播和相互作用规律。
其中高斯定理描述了电场的产生和分布规律,法拉第电磁感应定律描述了磁场的产生和变化规律,安培环路定理描述了电流和磁场的相互作用规律,麦克斯韦方程组则将这些定理和规律统一起来,描述了电磁场的全貌。
1、定义:侧重于对事物或概念的本质特征进行说明。
2、定理:侧重于通过论证和证明得出正确的结论。
3、定律:侧重于对客观规律进行概括和总结。
三、出处不同1、定义:通常由学科内的专家学者提出或形成。
2、定理:通常由数学家或物理学家等科学家通过严密的推导和证明得出。
北科大材料学院复试回忆+材料分析方法试题回忆大概4月7号去的北科,10号报到,11号笔试,12号面试7号去的时候,很多住的地方都满员了,因为地大,林大,N多大学都在复试,只好住到离北科3站路的石板房。
双人间50一晚,还凑活,因为我只晚上住那,白天都在北科自习。
不过8,9号我基本没怎么看书。
因为实在看不进去了,然后每天到我哥那蹭饭。
坐车过去2个小时,回来两个小时。
基本一天很快过去。
10号报到的时候,人特别多,没办法,排吧,然后交费,结果让我意外的领到了调档函,因为一般都是复试过了之后才能领,今年可能全部都要。
我记得复试可能只刷16个人去工程硕士,就是100%录取。
今年公费比例确实比较牛逼,我听一学长考前就跟我说80%,然后我问另一个研二的,他说打死不可能,但确实如此了,这消息也是面试完之后才知道……第二天早晨9点复试,考两个小时。
我考的材料分析方法,这科目比较可怜,只有三个人考。
热处理考的人最多,240多个,还有一门什么课,只有一个人考。
人少,我也不知道是好还是坏。
回忆一下题目,单肯定不完整……一、解释下列名字的不同1、X射线衍射与电子衍射2、特征x射线与连续x射线3、忘了4、物相分析与成分分析二、说出下列检定所要用的手段(这个记不清了)1、测奥氏体成分含量直接比较法(定量)2、薄膜上1nm微粒的物相3、晶界的微量成分好像肯定俄歇谱仪4、忘了,反正就是XRD,透射电镜,扫描电镜,定性啊,定量啊什么的三、让你说明德拜照相法的衍射几何,还让画图四、给你一个图,让你说明二次电子成像的原理五、说明宏观应力测定的原理(没复习到,比较难)六、给你一个衍射斑点的图,告诉你体心立方好像,然后让你鉴别出点的指数七、给了一个15组数据的X射线衍射数据,还有3个PDF卡片,SiO2,α-Al2O3,β-Al2O3,然后让你说明这15组数据分别属于哪个物相,就是物相检定的一个实际操作。
怎么说,我考完觉得考的肯定差,估计也就是70分,没想到87,超乎想象……因为笔试感觉考的很杂,所以面试的时候心情不怎么好,只是努力调整。
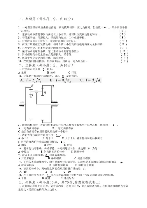
北京科技大学2005 —2006 学年度第 1 学期机械设计试题A(时间120分钟)学院班级学号姓名一、单项选择题(在下列各题中,选择符合题意的答案,将其代号填入括号内)(本大题共15 小题,每小题1分,总计15 分)1、按受载情况分类,后驱动的汽车,支持后轮的轴,是 B 。
A.心轴B.转轴C.传动轴D. 轴心2、刚性大、对中性好的两轴间的联接宜选用 A 联轴器。
A.凸缘B.弹性柱销C.万向D.滑块3、带传动的中心距过大时,会导致_____C______。
A.带的寿命短B.带的弹性滑动加剧C.带在工作时会产生颤动D.小带轮包角减小而易产生打滑4、链传动中两轮轴线的相对位置应____A______。
A.平行B.相交成一定的角度C.相交成直角D.成任意角交错5、链条中宜尽量避免使用过渡链节,这主要是因为________A_________。
A.过渡链节的链板要受附加弯矩的作用B.装配困难C.过渡链节制造困难D.要使用较长的销轴6、相同公称尺寸的三角形细牙螺纹和粗牙螺纹相比,因细牙螺纹的螺距小,小径大,故细牙螺纹的___B____。
A.自锁性好,螺杆受拉强度低B.自锁性好,螺杆受拉强度高C.自锁性差,螺杆受拉强度高D.自锁性差,螺杆受拉强度低7、在闭式减速硬齿锥齿轮传动中,载荷平稳,按_____A______作为计算齿轮工作能力准则是可能的。
A.齿根弯曲疲劳强度B.齿根弯曲静强度C.齿面接触疲劳强度D.齿面接触静强度8、对于工作温度较高或较长的轴系应采用____B_____的固定结构。
A.两端固定B.一端固定、一端游动C.两端游动D.任意一种11、下图是某零件的疲劳极限应力图。
该零件应力工作点为P,循环特性r=常数,则A 点就是该零件的极限应力。
A.MB.NC.QD.A12、平键联接当采用双键时两键应___C___布置。
A.、在周向相隔90︒B、.在周向相隔120︒C.、在周向相隔180︒D.、在轴向沿同一直线13、下列滚动轴承密封装置中_____A______属于接触式密封。