石材幕墙工程检验批质量验收记录表(一般项目)
- 格式:doc
- 大小:45.50 KB
- 文档页数:1
石材幕墙验收规范1.4.1 本节适用于建筑高度不大于100m、抗震设防烈度不大于8度的石材幕墙工程的质量验收。
主控项目1.4.2 石材幕墙工程所用材料的品种、规格、性能等级,应符合设计要求及国家现行产品标准和工程技术规范的规定。
石材的弯曲强度不应小于8.0MPa;吸水率应小于0.8%。
石材幕墙的铝合金挂件厚度不应小于4.0mm,不锈钢挂件厚度不应小于3.0mm。
检验方法:观察;尺量检查;检查产品合格证书、性能检测报告、材料进场验收记录和复验报告。
1.4.3 石材幕墙的造型、立面分格、颜色、光泽、花纹和图案应符合设计要求。
检验方法:观察。
1.4.4 石材孔、槽的数量、深度、位置、尺寸应符合设计要求。
检验方法:检查进场验收记录或施工记录。
1.4.5 石材幕墙主体结构上的预埋件和后置埋件的位置、数量及后置埋件的拉拔力必须符合设计要求。
检验方法:检查拉拔力检测报告和隐蔽工程验收记录。
1.4.6 石材幕墙的金属框架立柱与主体结构预埋件的连接、立柱与横梁的连接、连接件与金属框架的连接、连接件与石材面板的连接必须符合设计要求,安装必须牢固。
检验方法:手扳检查;检查隐蔽工程验收记录。
1.4.7 金属框架的连接件和防腐处理应符合设计要求。
检验方法:检查隐蔽工程验收记录。
1.4.8 石材幕墙的防雷装置必须与主体结构防雷装置可靠连接。
检验方法:观察;检查隐蔽工程验收记录和施工记录。
1.4.9 石材幕墙的防火、保温、防潮材料的设置应符合设计要求,填充应密实、均匀、厚度一致。
检验方法:检查隐蔽工程验收记录。
1.4.10 各种结构变形缝、墙角的连接节点应符合设计要求和技术标准的规定。
检验方法:检查隐蔽工程验收记录和施工记录。
1.4.11 石材表面和板缝的处理应符合设计要求。
检验方法:观察。
1.4.12 石材幕墙的板缝注胶应饱满、密实、连续、均匀、无气泡,板缝宽度和厚度应符合设计要求和技术标准的规定。
检验方法:观察;尺量检查;检查施工记录。
目录建筑幕墙工程概况MQ1.1注:附施工组织设计、施工方案。
技术交底记录MQ1.4日期:设计交底(图纸会审)记录MQ1.5共页第页设计变更、洽商记录汇总MQ1.6注:设计变更洽商记录附后。
幕墙工程观感质量检查记录MQ1.7幕墙工程质量控制资料和主要功能检测报告检查表MQ1.8铝合金材料产品合格证书、性能检测报告汇总表MQ2.1.1技术负责人:质量检查员:幕墙用钢材及五金(衬垫)产品合格证书、性能检测报告汇总表MQ2.1.2技术负责人:质量检查员:幕墙预埋件(后置埋件)施工隐蔽验收记录MQ2.3.1构件连接节点隐蔽验收记录MQ2.3.5提示1 预埋件及幕墙连接的检验指标,应符合下列规定:(1)连接件、绝缘片、紧固件的规格、数量应符合设计要示。
(2)连接件应安装牢固。
螺栓应有防松脱措施。
(3)连接件的可调节构造应用螺栓牢固连接,并有防滑动措施。
角码调节范围应符合使用要求。
(4)连接件及预埋件之间的位置偏差使用钢板或型钢焊接调整时,构造形式及焊缝应符合设计要求。
(5)预埋件、连接件表面防腐层应完整、不破损。
2 检验预埋件及幕墙连接,应在预埋件及幕墙连接节点处观察,手动检查,并应采用分度值为1mm的钢直尺和焊缝量规测量。
3 锚栓连接的检验指标,应符合下列规定:(1)使用锚栓进行锚固连接时,锚栓的类型、规格、数量、布置位置和锚固深度必须符合设计和有关标准的规定。
(2)锚栓的埋设应牢固、可靠,不得露套管。
4 锚栓连接的检验,应采用下列方法:(1)用精度不大于全量程的2%的锚栓拉拔仪、分辨率为0.01mm的位移计和记录仪检验锚栓的锚固性能。
(2)观察检查锚栓埋设的外观质量,用分辨率为0.05mm的深度尺测量锚固深度。
5 幕墙顶部连接的检验指标,应符合下列规定:(1)女儿墙压顶坡度正确,罩板安装牢固,不松动、不渗漏、无空隙。
女儿墙内侧罩板深度不应小于150mm,罩板及女儿墙之间的缝隙应使用密封胶密封。
(2)密封胶注胶应严密平顺,粘结牢固,不渗漏,不污染相邻表面。
A4干挂石材幕墙工程报验申请表工程名称:编号:石材幕墙工程检验批质量验收记录表(一)(主控项目)说明主控项目1、石材幕墙工程所用材料的品种、规格、性能和等级,应符合设计要求及国家现行产品标准和工程技术规范的规定。
石材的弯曲强度度不应小于8.0MPa;吸水率应小于0.8%。
石材幕墙的铝合金挂件厚度不应小于4.0mm。
不锈钢挂件厚度不应小于3.0mm。
观察和尺量检查;检查产品合格证书、性能检测报告、材料进场验收记录和复验报告。
2、石材幕墙的造型、立面分格、颜色、光泽、花纹和图案应符合设计要求。
观察检查。
3、石材孔、槽的数量、深度、位置、尺寸应符合设计要求。
检查进场验收记录或施工记录。
4、石材幕墙主体结构上的预埋件和后置埋件的位置、数量及后置埋件的拉拔力必须符合设计要求。
检查拉拔力检测报告和隐蔽工程验收记录。
5、石材幕墙的金属框架立柱与主体结构预埋件的连接、立柱与横粱的连接、连接件与金属框架的连接、连接件与石材面板的连接必须符合设计要求,安装必须牢固。
手扳检查;检查隐蔽工程验收记录。
6、金属框架和连接件的防腐处理应符合设计要求。
检验方法:检查隐蔽工程验收记录。
7、石材幕墙的防雷装置必须与主体结构防雷装置可靠连接。
观察和检查隐蔽工程验收记录和施工记录。
8、石材幕墙的防火、保温、防潮材料的设置应符合设计要求,填充应密实、均匀、厚度一致。
检查隐蔽工程验收记录。
9、各种结构变形缝、墙角的连接节点应符合设计要求和技术标准的规定。
检查隐蔽工程验收记录和施工记录。
10、石材表面和板缝的处理应符合设计要求。
观察检查。
11、石材幕墙的板缝注胶应饱满、密实、连续、均匀、无气泡,板缝宽度和厚度应符合设计要求和技术标准的规定。
观察和尺量检查;检查施工记录。
12、石材幕墙应无渗漏。
在易渗漏部位进行淋水检查。
石材幕墙工程检验批质量验收记录表(二)(一般项目)GB50210—2001说明(二)030703一般项目1、石材幕墙表面应平整、洁净,无污梁、缺损和裂痕。
石材幕墙完整检验批资料一、概述石材幕墙是一种常见的外墙装饰材料,广泛应用于商业建筑、住宅小区等地方。
为了确保石材幕墙施工质量,保障建筑物的安全和可持续使用,需要进行完整的检验批资料记录。
二、检验批资料内容1. 工程项目检验记录工程项目检验记录是对石材幕墙施工过程的全面检查记录。
包括检验批编号、检查项目、检查内容详细描述、检查结果、不合格项处置情况等内容。
每个检验项目的检查记录都应包括日期、时间、检验员和监理人员签字。
2. 质量检验记录质量检验记录是对石材幕墙使用的材料和产品的全面检查记录。
需要对材料、墙板、保温层、石材、支架等进行检查,具体项目可根据设计方案和施工要求进行确认。
每个检验项目的检查记录都应包括日期、时间、检验员和监理人员签字,并附上各种材料的样品记录。
3. 安全生产检查记录安全生产检查记录是对石材幕墙施工现场的安全检查记录。
需要对施工现场的安全、文明施工、劳动保护等方面进行检查。
每个检验项目的检查记录都应包括日期、时间、检验员和监理人员签字。
4. 成品检验记录成品检验记录是对完成的石材幕墙的全面检查记录。
包括检查批次号、检查项目、检查内容详细描述、检查结果、不合格项处置情况等内容。
每个检验项目的检查记录都应包括日期、时间、检验员和监理人员签字。
5. 完工联络单完工联络单是对石材幕墙施工的最终确认记录。
包括工程概况、施工单位、监理单位、完工日期、质量保证期限等内容,需要由施工单位和监理单位签字确认。
三、检验批资料的重要性对石材幕墙进行完整的检验批资料记录是非常重要的,有以下几个原因:1. 保障建筑物的安全和可持续使用石材幕墙作为外墙装饰材料,不仅需要具备美观性,更需要具备安全性和可持续性。
进行完整的检验批资料记录能够确保石材幕墙的施工质量符合设计要求,从而保障建筑物的安全和可持续使用。
2. 保证施工质量完整的检验批资料记录可以清晰地记录每个检验项目的检查记录和结果,从而明确各项工作是否已按照设计方案和施工要求进行。
石材幕墙工程检验批质量验收记录表
(一般项目)
GB50210—2001
(二)
说明
(二)
030703
一般项目
1、石材幕墙表面应平整、洁净,无污梁、缺损和裂痕。
颜色和花纹应协调一致,无明显色差,无明显修痕。
观察检查。
2、石材幕墙的压条应平直、洁净、接口严密、安装牢固。
观察和手扳检查。
3、石材接缝应横平竖直、宽窄均匀;阴阳角石板压向应正确。
板边合缝应顺直;凸凹线出墙厚度应一致,上下口应平直;石材面板上洞口、槽边应套割吻合,边缘应整齐。
观察和尺量检查。
4、石材幕墙的密封胶缝应横平坚直、深浅一致、宽窄均匀、光滑顺直。
观察检查。
5、石材幕墙上的滴水线、流水坡向应正确、顺直。
观察和用水平尺检查。
6、每平方米石材的表面质量符合下面的规定:
7、石材幕墙安装的允许偏差的检查方式。
(1)幕墙垂直度用经纬仪检查。
(2)幕墙水平度用水平仪检查。
(3)板材立面垂直度用水平仪检查。
(4)板材上沿水平度用1m水平尺和钢直尺检查。
(5)相邻板材板角错位用钢直尺检查。
(6)幕墙表平整度用垂直检测尺检查。
(7)阳角方正用直角检测尺检查。
(8)接缝直线度拉5m线,不足5m拉通线,用钢直尺检查。
(9)接缝高低差用钢直尺和塞尺检查。
(10)接缝宽度用钢直尺检查。
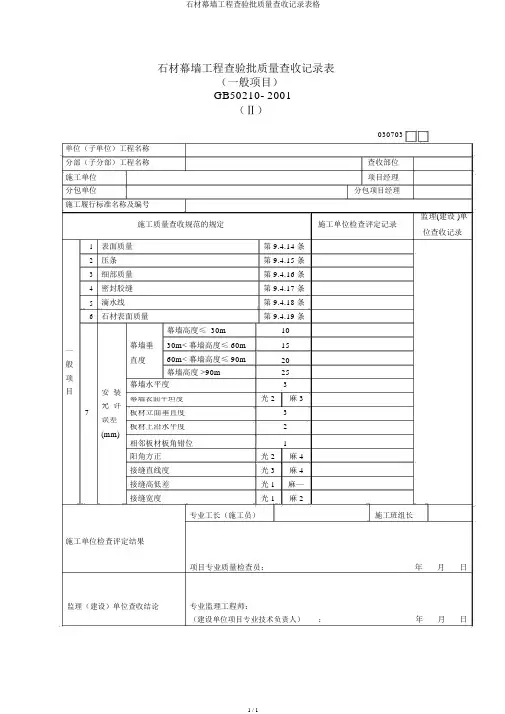
石材幕墙工程查验批质量查收记录表格
1 / 1
石材幕墙工程查验批质量查收记录表
(一般项目) GB50210- 2001
(Ⅱ)
030703
单位(子单位)工程名称 分部(子分部)工程名称
施工单位 分包单位
施工履行标准名称及编号
查收部位 项目经理
分包项目经理
监理(建设 )单 施工质量查收规范的规定
施工单位检查评定记录
位查收记录
1 表面质量 第 9.4.14 条
2 压条 第 9.4.15 条
3 细部质量 第 9.4.16 条
4 密封胶缝 第 9.4.17 条
5 滴水线
第 9.4.18 条 6 石材表面质量
第 9.4.19 条
幕墙高度≤ 30m
10 一 幕墙垂 30m< 幕墙高度≤ 60m
15
直度
60m< 幕墙高度≤ 90m
20 般
幕墙高度 >90m
25 项
幕墙水平度
3 目
安 装
光 2
麻 3
幕墙表面平坦度
7
允 许
3 板材立面垂直度 误差
2
板材上沿水平度
(mm)
1 相邻板材板角错位
阳角方正 光 2 麻 4 接缝直线度 光 3 麻 4 接缝高低差 光 1 麻— 接缝宽度
光 1
麻 2
专业工长(施工员)
施工班组长
施工单位检查评定结果
项目专业质量检查员: 年
月 日
监理(建设)单位查收结论
专业监理工程师:
(建设单位项目专业技术负责人)
:
年 月 日。
目录01、建筑幕墙工程概况┅┅┅┅┅┅┅┅┅┅┅┅┅┅┅┅┅┅┅┅┅┅┅┅┅02、建筑幕墙施工组织设计、施工方案及审批┅┅┅┅┅┅┅┅┅┅┅┅┅┅┅03、技术交底记录┅┅┅┅┅┅┅┅┅┅┅┅┅┅┅┅┅┅┅┅┅┅┅┅┅┅┅04、设计交底(图纸会审)记录┅┅┅┅┅┅┅┅┅┅┅┅┅┅┅┅┅┅┅┅┅05、设计变更、洽商记录汇总┅┅┅┅┅┅┅┅┅┅┅┅┅┅┅┅┅┅┅┅┅┅06、幕墙工程观感质量检查记录┅┅┅┅┅┅┅┅┅┅┅┅┅┅┅┅┅┅┅┅┅07、幕墙工程质量控制资料和主要功能检测报告检查表┅┅┅┅┅┅┅┅┅┅┅08、铝合金材料产品合格证书、性能检测报告汇总表┅┅┅┅┅┅┅┅┅┅┅┅09、幕墙用钢材及五金(衬垫)产品合格证书、性能检测报告汇总表┅┅┅┅┅10、幕墙板材(玻璃、金属板、石材)合格证书、性能检测报告汇总表┅┅┅┅11、保温、防火材料合格证书、性能检测报告汇总表┅┅┅┅┅┅┅┅┅┅┅┅12、幕墙用硅酮胶质量证明书及性能检测报告汇总表┅┅┅┅┅┅┅┅┅┅┅┅13、幕墙预埋件(后置埋件)施工隐蔽验收记录┅┅┅┅┅┅┅┅┅┅┅┅┅┅14、构件连接节点隐蔽验收记录┅┅┅┅┅┅┅┅┅┅┅┅┅┅┅┅┅┅┅┅┅15、幕墙变形缝及墙面转角处的节点构造隐蔽验收记录┅┅┅┅┅┅┅┅┅┅┅16、幕墙防火构造隐蔽验收记录┅┅┅┅┅┅┅┅┅┅┅┅┅┅┅┅┅┅┅┅┅17、幕墙防雷装置隐蔽验收记录┅┅┅┅┅┅┅┅┅┅┅┅┅┅┅┅┅┅┅┅┅18、幕墙子分部工程质量验收记录┅┅┅┅┅┅┅┅┅┅┅┅┅┅┅┅┅┅┅┅19、玻璃幕墙分项工程质量验收记录┅┅┅┅┅┅┅┅┅┅┅┅┅┅┅┅┅┅┅20、明框玻璃幕墙分项工程检验批质量验收记录┅┅┅┅┅┅┅┅┅┅┅┅┅┅21、隐框、半隐框玻璃幕墙分项工程检验批质量验收记录┅┅┅┅┅┅┅┅┅┅22、金属幕墙分项工程质量验收记录┅┅┅┅┅┅┅┅┅┅┅┅┅┅┅┅┅┅┅23、金属幕墙分项工程检验批质量验收记录┅┅┅┅┅┅┅┅┅┅┅┅┅┅┅┅24、石材幕墙分项工程质量验收记录┅┅┅┅┅┅┅┅┅┅┅┅┅┅┅┅┅┅┅25、石材幕墙分项工程检验批质量验收记录┅┅┅┅┅┅┅┅┅┅┅┅┅┅┅┅26、幕墙接地电阻测试记录┅┅┅┅┅┅┅┅┅┅┅┅┅┅┅┅┅┅┅┅┅┅┅27、打胶养护环境的温度、湿度记录28、单项(安装、装修、幕墙)工程质量验收报告注:附施工组织设计、施工方案。
幕墙工程验收质量规范(一)、幕墙工程验收幕墙工程工程按现行《建筑装饰装修工程质量验收规范》GB50210 中的一项子分部工程进行验收。
监理人员在验收时,结合日常的监理工作,系统地检查以下文件和记录:1、幕墙工程的施工图、结构计算书、设计说明及其他设计文件。
2、建筑设计单位对幕墙工程设计的确认文件。
3、幕墙工程所用各种材料、五金配件、构件及组件的产品合格证书、性能检测报告、进场验收记录和复验报告(包括铝塑复合板的剥离强度;石材的弯曲强度;寒冷地区石材的耐冻融性;室内用花岗石的放射性;玻璃幕墙用结构胶的邵氏硬度、标准条件拉伸粘结强度、相容性试验;石材用结构胶的粘结强度;石材用密封胶的污染性)。
4、幕墙工程所用硅酮结构胶的认定证书和抽查合格证明;进口硅酮结构胶的商检证;国家指定检测机构出具的硅酮结构胶相容性和剥离粘结性试验报告;石材用密封胶的耐污染性试验报告。
5、后置埋件的现场拉拔强度检测报告。
6、幕墙的抗风压性能、空气渗透性能、雨水渗漏性能及平面变形性能检测报告。
7、打胶、养护环境的温度、湿度记录;双组分硅酮结构胶的混匀性试验记录及拉断试验记录。
8、防雷装置测试记录。
9、隐蔽工程(预埋件或后置埋件);构件的连接节点;变形缝及墙面转角处的构造节点;幕墙防雷装置;幕墙防火构造验收记录。
(1)、预埋件(或后置埋件):预埋件安装完成后,监理工程师应及时逐个验收,避免幕墙预埋件施工和主体结构施工出现矛盾。
主要检查预埋件数量、放置位置、固定方法是否符合设计和规范要求。
对于后置预埋件,应要求施工单位在现场进行承载力测试,测试位置应选择具有代表性的位置,如梁、板、柱位置,监理工程师应现场见证,后置埋件允许承载力应大于设计要求预埋件的承载力。
(2)、构件的连接节点:预埋件安装完毕一段时间后,幕墙施工单位应对预埋件的遗失或偏位进行认真量测和统计,并报设计和监理单位,待设计单位研究后出设计变更,施工单位应按照图纸及设计变更,进行转接件、连接件的施工,在验收中,监理工程师应仔细逐个检查连接件(转接件)连接方式、连接件(转接件)位置及质量,尤其检查偏位预埋件处连接件(转接件)的连接方式和质量。
建筑工程施工质量验收资料(MQ:建筑幕墙部分)档号_______________________________________________ 档案馆代号__________________________________________ 案卷题名____________________________________________ 编制单位____________________________________________ 编制日期密级保管期限共卷第卷江苏省建设工程质量监督站编印江苏省建设厅文件苏建质(2002) 332号关于统一使用“建筑工程施工质量验收资料”的通知南京市建委、建工局、各市建设局,有关单位:为贯彻落实国家标准《建筑工程施工质量验收统一标准》(GB50300-2001 )及配套工程质量验收规范,保证工程施工质量验收资料统一、规范、完整,我厅根据《建筑工程施工质量验收统一标准》(GB50300-2001 )及配套工程质量验收规范组织编制了《建筑工程质量验收资料》并于2002年11月1日起在新开工的工程中统一使用。
原省建设工程质量监督站印发的《单位工程质量检验评定资料》废置止。
现将有关事项通知如下:一、各地要认真组织监理(建设)单位、施工企业等认真学习掌握《建筑工程施工质量验收资料》要求《建筑工程施工质量验收资料》表格中的签字者必须具有相应的资格并持有相应的证书方可签字,并对签字的内容负责。
二、在收集、整理、填写该资料时,必须与施工工序同步,以保证其真实性,不得弄虚作假。
各工程质量监督站在工程抽查、核查资料过程中应认真把关,一经发现有弄虚作假的应予以查处。
三、《建筑工程施工质量验收资料》由省建设厅质量监督站统一印刷。
四、在使用《建筑工程施工验收资料》时,如有意见或建议请及时向省建设工程质量监督站反映。
江苏省建设厅00二年十月二十建筑工程施工质量验收资料使用说明为认真贯彻执行国家《建筑工程施工质量验收统一标准》(GB50300-2001)及各相关规范,促进和施工企业做好资料的收集和整理工作,使工程技术资料管理工作做到规范化、标准化、系统化。
通用表格A01 施工现场质量管理检查记录A02 检验批质量验收记录A03 分项工程质量验收记录A04 分部(子分部)工程质量验收记录A05 单位(子单位)工程质量竣工验收记录A06 单位(子单位)工程质量控制资料核查记录A07 单位(子单位)工程安全和功能检验资料核查及主要功能抽查记录A08 单位(子单位)工程观感质量检查记录A02-301 单位(子单位)工程观感质量检查记录A02-302 混凝土小型空心砌块砌体工程检验批质量验收记录A02-303 石砌体工程检验批质量验收记录A02-304 配筑砌体工程检验批质量验收记录A02-305 填充墙砌体工程检验批质量验收记录A01施工现场质量管理检查记录编号:开工日期:工程名称施工许可证(开工证)建设单位项目负责人设计单位项目负责人监理单位总监理工程师施工单位项目经理项目技术负责人序号项目内容1 现场质量管理制度2 质量责任制3 主要专业工种操作上岗证4 分包方资质一对分包单位的管理制度5 施工图审查情况6 地质勘察资料7 施工组织设计、施工方案及审批8 施工技术标准9 工程质量检验制度10 搅拌站及计量设置11 现场材料、设备存放与管理12检查结论:总监理工程师:建设单位代表:年月日注:1、本表由施工单位填写报监理单位。
总监理工程师检查并做出检查结论。
2、检查结论中需要整改的内容由施工单位以附页复报。
3、完成后,原件存监理单位复印件交施工单位。
A02检验批质量验收记录编号:工程名称大泽碧桂园山湖湾二区二期高层洋房室内消防工程分项工程名称室内消防安装工程检验批部位一号楼1层施工单位广东建安消防机电工程有限公司开平分公司专业工长项目经理阮建军监理单位江门市新会区冈州工程建设监理有限公司总监理工程师分包单位分包单位负责人施工班组长施工依据标准建筑给水排水及采暖工程施工质量验收规范(GB50242-2002)主控项目质量验收规范的规定施工单位检验评定记录或结果监理(建设)单位验收记录结果备注123456789一般项目12345678施工单位检验评定结果班组长或专业工长:质检员或项目技术负责人:年月日年月日监理(建设)单位验收结论监理工程师:建设单位代表:年月日分项工程质量验收记录编号:工程名称结构类型检验指数施工单位项目经理::项目技术负责人分包单位项目经理::项目技术负责人序号检验批部位、区段施工单位检查评定结果监理建设单位验收结论备注1234567891011121314151617检查结论项目专业技术负责人:年月日验收结论监理工程师:建设单位项目专业技术负责人:年月日分部(子分部)工程质量验收记录编号:工程名称结构类型层数施工单位项目经理::项目技术负责人分包单位项目经理::项目技术负责人序号分项工程名称检验批数施工单位检查评定结果验收意见12345678质量控制资料安全和功能检验(检测)报告观感质量验收验收单位分包单位项目经理:日期:施工单位项目经理:日期:勘察单位项目负责人:日期:设计单位项目负责人:日期:建设单位项目负责人:日期:监理单位总监理工程师:日期:单位(子单位)工程质量竣工验收记录编号:工程名称结构类型层数/建筑面积施工单位技术负责人开工日期项目经理项目技术负责人竣工日期序号项目验收记录验收结论1 分部工程共分部经查分部符合标准要求分部2 质量控制资料核查共项,经审查,符合要求项3 安全和主要使用功能核查及抽查结果共核查项符合要求项。
C石材幕墙隐蔽验收记录隐蔽验收是指在建筑物内部未形成虚实画面前,对幕墙工程内部脱落、灌缝、固定等的检查,以确认工作的质量合格。
下面是C石材幕墙隐蔽验收记录的详细内容。
一、验收项目1.幕墙板材验收:检查石材板材的尺寸、厚度、表面质量、颜色和纹理是否符合设计要求,是否具备防火等级要求。
2.幕墙结构验收:检查幕墙结构的连接件、固定件是否安装牢固,连接是否紧密,并检查结构材料的防腐蚀性能。
3.幕墙密封验收:检查幕墙的密封胶是否均匀且充分,是否符合幕墙效果要求。
4.幕墙安装验收:检查幕墙的安装质量,如水平垂直、平整度是否符合要求,幕墙板与主体建筑之间的连接是否紧密。
5.幕墙固定件验收:检查幕墙固定件的数量、规格、材质是否符合设计要求,是否安装牢固可靠,是否达到强度要求。
二、验收方法1.视觉检查:对幕墙板材进行视觉检查,检查其尺寸、厚度、表面质量、颜色和纹理,以及与主体建筑之间的连接情况。
2.抽查检查:在幕墙中随机选取若干处进行破坏性检查,以确认固定件的牢固性和连接结构的稳定性。
3.检测仪器:使用合适的仪器对密封胶的均匀性和充实性进行检测,以确认其符合要求。
4.防火性能检测:对石材幕墙的防火性能进行检测,以确认其符合设计要求。
三、验收记录1.幕墙板材验收记录:记录石材板材的规格、数量、尺寸、厚度、表面质量、颜色和纹理等信息,并标明是否符合设计要求。
2.幕墙结构验收记录:记录幕墙结构的连接件、固定件的规格、材质、数量和安装情况,以及结构材料的防腐蚀性能。
3.幕墙密封验收记录:记录对幕墙的密封胶进行检测的结果,标明是否均匀且充实,是否符合幕墙效果要求。
4.幕墙安装验收记录:记录幕墙的安装质量,如水平垂直度、平整度的检查结果,以及幕墙板与主体建筑连接的情况。
5.幕墙固定件验收记录:记录幕墙固定件的规格、材质、数量,以及固定件的安装情况和强度要求的达标情况。
四、结论根据上述验收项目和方法,通过对C石材幕墙的隐蔽验收进行记录和检查,得出以下结论:1.石材板材的尺寸、厚度、表面质量、颜色和纹理符合设计要求。