武汉建设工程档案归档文件资料目录清单
- 格式:docx
- 大小:96.89 KB
- 文档页数:36
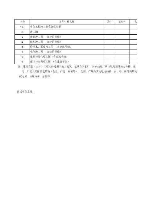
轻轻点击,看更多精彩党建文酷之建筑施工组织设计武汉市建筑工程竣工资料提交目录土建资料全套目录建设工程档案指导验收记录工程名称:施工单位:建筑装饰工程文件材料序号文件材料名称缺件复印件一工程管理文件1 工程概况表*2 建设工程施工许可证*3 工程开工报告*4 工程停工、复工报告•5 施工进度计划分析6 项目大事记7 施工日志8 不合格项处置记录•9 建设工程质量事故调(勘)查记录•10 建设工程质量事故报告书•11 施工总结二工程技术文件1 工程技术文件报审表*2 图纸会审、设计交底记录*3 设计变更、洽商记录*4 技术交底记录5 施工组织设计、施工方案三工程测量文件1 工程定位测量记录*2 地基验槽记录*3 楼层放线记录*4 沉降观测记录*5 单位工程垂直度观测记录*四工程施工文件1 (地基与基础)隐蔽工程检查记录表*2 (主体结构)隐蔽工程检查记录表*3 (装饰)隐蔽工程检查记录表*4 (屋面)隐蔽工程检查记录表*5 (给排水、采暖)隐蔽工程检查记录表*6 (电气)隐蔽工程检查记录表*7 (通风与空调)隐蔽工程检查记录表*8 (电梯)隐蔽工程检查记录表*9 (建筑智能)隐蔽工程检查记录表*10 预检工程检查记录表序号文件材料名称缺件复印件11 中间检查交接记录表•12 地基处理记录*13 地基钎探记录*14 混凝土施工记录*15 混凝土养护测温记录16 混凝土、砂浆配合比申请单17 混凝土开盘鉴定18 预应力筋张拉记录•19 有粘结预应力结构灌浆记录•20 建筑烟(风)道检查记录21 电梯承重梁、起重吊环埋设隐蔽工程检查记录•22 钢丝绳头灌注隐蔽工程检查记录•23 自动扶梯、自动人行道安装调试记录•五工程试验检验文件1 土建工程(1)超声波探伤报告、记录•(2)钢构件射线探伤记录•(3)螺栓抗拨力检验报告*(4)结构实体保护层厚度检测报告*(5)砌筑砂浆试块强度统计、评定记录*(6)混凝土试块强度统计、评定记录*(7)防水工程试水检查记录*(8)室内环境检测报告*2 给排水、采暖工程(1)水电测试反馈单*(2)(水泵)设备单机试运转记录•(3)调试报告•(4)管道灌水、通水试验记录*(5)管道强度严密性试验记录*(6)管道(冲)洗(脱脂)试验记录*(7)室内排水管道通球试验记录*(8)伸缩器安装记录表*3 电气工程(1)电气接地、绝缘电阻测试记录*(2)电气器具通电安全检查记录*(3)电气照明、动力试运行记录*(4)综合布线测试记录*(5)光纤损耗测试记录•(6)视频系统末端测试记录•4 通风与空调工程(1)设备单机试运转记录*(2)调试报告*(3)现场组装除尘器、空调机漏风检测记录* (4)风管漏风检测记录(5)各房间室内风量测量记录(6)管网风量平衡记录(7)通风系统试运行记录*(8)制冷系统气密性试验记录*(8)检测报告5 电梯安装工程(1)电梯主要功能检查试验记录*(2)电梯电气安全装置检查试验记录*(3)电梯整机功能检验记录*(4)电梯层门安全装置检查试验记录表* (5)电梯负荷运行试验记录*(6)轿厢平层准确度测量记录*(7)电梯负荷运行试验曲线图*(8)电梯噪声测试记录表*(9)自动扶梯、自动人行道运行试验记录• (10)电梯检测报告6 智能建筑工程(1)系统功能测定及设备调试记录*(2)系统检测报告*六工程物资文件1 钢材核查要录、试验报告及焊接试验报告*2 钢材出厂合格证3 水泥核查要录、试验报告*4 水泥出厂合格证5 砖试验报告*6 砖出厂合格证7 预制构件检验报告*8 预制构件出厂合格证9 预拌(商品)混凝土合格证*10 预拌(商品)混凝土检验报告11 防水材料检验报告*12 防水材料出厂合格证13 门窗及其它材料检验报告*14 门窗及其它出厂合格证15 混凝土核查要录、试块强度试验报告*16 砌筑砂浆核查要录、试块强度试验报告*17 混凝土用砂、石试验报告*18 混凝土、砂浆配合比试验报告*19 水暖材料、配件检验报告*21 水暖材料、配件出厂合格证22 电气材料、配件检验报告*23 电气材料、配件出厂合格证24 通风与空调材料检验报告*25 通风与空调材料出厂合格证26 电梯设备开箱检验报告*27 电梯设备出厂合格证、使用说明及其他材料28 智能建筑材料检验报告*29 智能建筑材料出厂合格证七工程质量验收文件1 单位工程质量竣工验收记录*2 单位工程质量控制资料核查记录*3 单位工程安全和功能检验资料核查及主要功能抽查记录*4 单位工程观感质量检查记录*5 施工现场质量管理检查记录*6 地基与基础分部、子分部工程质量验收记录*7 地基与基础工程检验批质量验收记录表8 主体分部、子分部、分项工程质量验收记录*9 主体工程检验批质量验收记录表10 建筑装饰分部、子分部、分项工程质量验收记录*11 建筑装饰工程检验批质量验收记录表12 屋面分部、子分部、分项工程质量验收记录*13 屋面工程检验批质量验收记录表14 建筑给排水、采暖分部、子分部、分项工程质量验收记录*15 建筑给排水、采暖工程检验批质量验收记录表16 建筑电气分部、子分部、分项工程质量验收记录*17 建筑电气工程检验批质量验收记录表18 通风与空调分部、子分部、分项工程质量验收记录*19 通风与空调工程检验批质量验收记录表20 电梯分部、子分部、分项工程质量验收记录*21 电梯工程检验批质量验收记录表22 智能建筑分部、子分部、分项工程质量验收记录*23 智能建筑工程检验批质量验收记录表八竣工图1 总平面竣工图*2 绿化总平面竣工图*3 道路总平面竣工图*4 地下管线综合图*5 建筑竣工图*6 结构竣工图*7 给排水、采暖竣工图*8 电气竣工图*9 通风与空调竣工图*10 电梯安装竣工图*11 建筑智能化竣工图*九工程竣工验收文件1 建设工程竣工备案表、备案证*2 验收监督意见单(1)(地基与基础)验收监督意见单*(2)(主体结构)验收监督意见单*(3)(工程竣工)验收监督意见单*3 建设单位建设工程竣工报告*4 施工单位建设工程自评报告(1)地基与基础自评报告*(2)主体结构自评报告*(3)其它分部自评报告•(4)竣工自评报告*5 监理单位建设工程评价意见报告(1)地基与基础评价意见报告*(2)主体结构评价意见报告*(3)其它分部评价意见报告•(4)工程竣工评价意见报告*6 勘察单位建设工程评价意见报告(1)地基与基础评价意见报告~(2)工程竣工评价意见报告~ 7 设计单位建设工程评价意见报告(1)地基与基础评价意见报告~(2)主体结构评价意见报告~(3)工程竣工评价意见报告~ 8 建设工程竣工验收会议纪要(1)地基与基础竣工验收会议纪要* (2)主体结构竣工验收会议纪要* (3)其它分部竣工验收会议纪要•(4)竣工验收会议纪要*9 建设工程质量保修书带*的为必须交城建档案馆的。
建筑工程资料归档范围及资料归属目录
总目录
一、工程建设前期法定建设程序文件
二、监理文件
三、综合管理资料(一)建筑工程综合管理资料
(二)建筑设备安装工程综合管理资料
四、各分部工程技术资料
(一)地基与基础工程
(二)主体结构工程
(三)建筑装饰装修工程
(四)建筑屋面工程
(五)建筑给水、排水及采暖分部工程
(六)建筑电气分部工程
(七)智能建筑分部工程
(八)通风与空调分部工程
(九)电梯分部工程
(十)自动喷水灭火系统分部工程
(十一)气体灭火系统分部工程
(十二)泡沫灭火系统分部工程
(十三)火灾自动报警系统分部工程
(十四)燃气系统分部工程(参照《燃气(集中供热)专项工程归档目录》)
(十五)建筑节能分部工程
五、竣工验收备案资料
六、竣工图
七、工程照片
八、工程电子文件
注:1、各分部工程由不同单位承建时,需分开出具开工申请报告。
2、本目录为暂时试行,如有国家、省有相关调整即时更新。
建筑工程竣工档案归档材料目录建筑工程竣工档案归档材料目录一、建设单位归档材料1、工程形象照片2、基本建设计划(2、3发改委批件)3、工程项目申请报告及批复(批复在前,请示在后)4、房地产开发(建设)项目备案书(新建工程没有)5、项目可行性研究报告及批复(发改委批件)6、建设项目选址意见书7、建设用地批复8、拆除旧房屋任务审批表9、《房屋拆迁许可证》通知单10、建设项目环境保护“三同时”送审表(环保设施与主体工程同时设计、同时施工、同时投产使用)11、结合民用建筑修建防空地下室审批表12、人防工程建设承担书13、消防设计审核意见书14、建设项目设计卫生审查认可书15、建筑扩初审定通知单16、《建设工程规划许可证》通知书17、规划审批图(1/500红线图)18、工程质量监督申报登记书19、合同(勘察、设计、动迁、监理、施工、安装)、协议、公证书20、中标通知书21、工程地质勘察报告22、工程预算23、工程验收材料(规划、消防、环保、卫生防疫、住宅小区)24、有关工程重要会议材料(纪要、简报、开竣工典礼、领导讲话、题字)25、工程建设过程中形成的录音、录像、照片26、新建楼房门牌编号审批表注:建设单位在工程竣工结算三个月内将结算材料报送城建档案馆后,领取工程档案合格证二、施工单位归档材料1、施工许可证副本2、单位交工验收证明3、单位(子单位)工程质量竣工验收记录4、图纸会审记录5、设计交底记录6、设计变更通知单汇总目录7、设计变更通知单8、工程洽商记录(技术核定联系单)9、工程定位(竣工)测量记录10、地基承载力复查记录11、沉降观测记录12、桩基础竣工报告及检测报告13、结构吊装工程检查验收记录14、隐蔽工程检查验收记录汇总目录15、(土建)隐蔽工程检查验收记录16、层面、楼面蓄淋水检验记录17、地基与基础工程验收报告18、主题工程验收报告19、主体结构抽样检测报告20、管道隐蔽工程检查验收记录21、建筑电气(电梯)安装隐蔽工程记录1)建筑电气(电梯)安装隐蔽工程记录2)电梯分部工程观感质量验收记录3)电梯分部工程质量控制资料核查记录4)电梯分部工程质量验收记录5)电梯分部工程安全和功能检验(检测)报告6)电梯负荷运行试验图表(确定平衡系数)7)电梯荷载(空、半、满、超载)试运行试验记录8)电梯验收检验报告9)电梯合格证(复印件)22、管道系统/隐蔽压力(满水)试验记录23、设备、卫生器具压力(满水)试验记录24、管道冲洗、吹扫、清洗记录25、给排水管道、卫生器具通水试验记录26、地漏及地面清扫口排水实验记录27、排水管道通球试验记录28、采暖系统试运行、调试记录29、阀门检验试验记录30、室内消火栓试射记录31、接地电阻测试记录32、绝缘电阻测试记录33、电气照明系统通电试验记录34、电力电缆试验记录35、低压电器交接试验记录36、交流电动机试验记录37、变压器实验记录38、施工试验记录汇总表39、砂浆、混凝土配比通知单40、砂浆抗压强度统计评定记录41、砂浆抗压强度试验报告42、混凝土试件抗压强度统计评定记录43、混凝土抗渗试验报告44、混凝土抗压强度试验报告45、混凝土抗压强度试验报告46、水泥进场复验报告及出厂合格证47、砂、石进场复验报告及出厂证明文件48、建筑砖、砌砖、瓦进场复验报告及出厂合格证49、外墙涂料试验报告50、外墙陶瓷面砖(复)验报告51、防水材料产品合格证和进场抽样复验报告52、隔热、保温材料产品合格证和试验报告53、土壤(素图、灰土)击实试验报告54、土壤干土质量密度试验报告55、塑料管材、管件、阀门检测实验报告56、开关试验报告57、插座试验报告58、建筑用绝缘电线(电缆)导管试验报告59、聚氯乙烯绝缘电线(缆)(450/750)试验报告60、建筑用阻燃材料试验报告61、施工材料、预制构件出厂合格证及进场试验报告汇总表62、混凝土构件出厂合格证63、钢构件出厂合格证64、预拌混凝土出厂(交货)合格证65、金属及塑料外门窗物理性能试验报告及合格证66、木构件出厂合格证67、水电材料出厂合格证68、施工现场质量管理检查记录69、工程质量事故报告表70、工程质量事故处理记录71、分部(子分部)工程质量验收记录(1)基础分部(子分部)工程质量验收记录(2)主题分部(子分部)工程质量验收记录(3)装饰、装修分部(子分部)工程质量验收记录(4)屋面分部(子分部)工程质量验收记录(5)水暖分部(子分部)工程质量验收记录(6)电气分部(子分部)工程质量验收记录72、单位(子单位)工程质量控制资料核查记录(1)地基与基础分部工程质量控制资料核查记录(2)建筑地面子分部质量控制资料核查记录(3)地下防水工程子分部质量控制资料核查记录(4)砌体结构子分部质量控制资料核查记录(5)混凝土结构实体检验资料核查记录(6)混凝土子分部质量控制资料核查记录(7)建筑屋面分部质量控制资料核查记录(8)建筑装修工程质量控制资料核查记录(9)排水、采暖及燃气分部(子部)质量控制资料核查记录(10)建筑电气分部质量控制资料核查记录73、单位(子单位)工程观感质量检查记录(1)建筑地面整体面层工程观感质量检查记录(2)建筑地面板块面层工程观感质量验收记录(3)地下防水子分部工程子分部观感质量验收记录(4)砌体结构子分部工程观感质量验收记录(5)混凝土结构子分部工程观感质量验收记录(6)建筑屋面分部工程观感质量验收记录(7)建筑装饰装修工程观感质量验收记录(8)给水、排水、采暖及燃气分部(子分部)观感质量检查记录(9)建筑电气分部工程观感质量验收记录74、单位(子单位)工程安全和功能检验资料核查及主要功能抽查记录(1)地基与基础分部工程安全和功能检验(检测)报告核查记录(2)建筑地面(子分部)工程安全和功能检验(检测)报告核查记录(3)地下防水子分部工程安全和功能检验(检测)报告核查记录(4)砌体结构子分部工程安全和功能检验(检测)报告核查记录(5)建筑屋面工程安全和功能检验(检测)报告核查记录(6)建筑装饰装修工程安全和功能检验(检测)报告核查记录(7)给谁、排水、采暖及燃气分部(子分部)安全和功能检验(检测)报告核查记录(8)电气分部工程安全及功能检验(检测)资料检查记录75、室内环境检测报告76、建筑外墙节能检测报告77、防雷1)检测合格证2)验收合格证78、竣工图。
建设工程档案指导验收记录工程名称:建设单位:建设工程准备阶段文件材料序号文件材料名称缺件复印件一建设工程规划管理文件1 建设工程立项批复及申请报告*2 关于立项有关的会议纪要、领导讲话·3 建设工程用地批准文件(1)建设工程选址申请及选址规划意见通知书 *(2)国有土地使用出让(批租、划拨)合同及用地红线图 *(3)建设用地规划许可证及用地红线图 *(4)红线定位册 *(5)国有土地使用权证 * ——4 建设工程规划批准文件(1)建设工程规划许可证及建设红线图 *(2)红线定位册 *(3)规划验收合格证及附图 *5 建设工程拆迁批准文件(1)拆迁审批表、拆迁申请及验收书 *(2)还建协议书二建设工程综合性文件1 固定资产投资许可证·2 建设工程设计抗震审查批准文件(1)建设工程施工图设计抗震审查批准文件 *(2)深基坑工程施工图设计抗震审查批准文件 *(3)幕墙工程施工图设计抗震审查批准文件 *(4)建设工程地质勘察成果审查文件 *3 消防审核、验收意见书 *4 环保审查、检测文件·5 结合民用建筑修建防空地下室验收意见书·6 武汉市新建房屋白蚁预防工程合同·7 供电、供气、供水等部门批复或合同·8 招投标文件(1)勘察设计单位中标文件 *(2)监理单位中标文件 *监理单位招、投标文件(3)施工单位中标文件 *施工单位招、投标文件序号文件材料名称缺件复印件(4)议标批准文件及议标申请书 * 9 建设工程合同(1)勘察合同 * (2)设计合同 * (3)监理合同 * (4)施工合同 * 10 工程质量监督登记表 * 三建设、施工、监理机构负责人工程工程管理机构(工程经理部)及负责人名单 * 工程工程监机构(工程监理部)及负责人名单 * 工程工程施工管理机构(施工工程经理部)及负责人名 * 四可行性研究文件1 可行性研究批准文件·2 可行性研究调查资料及工程评估研究材料·3 可行性研究报告·五财务文件1 概算2 预算3 审计报告及决算 * 六勘察报告工程地质勘察报告 *水文地质勘察报告 *建设工程档案指导验收记录工程名称:施工单位:建筑桩基础工程文件材料序号文件材料名称缺件复印件一工程管理文件1 工程概况表 *2 深基坑、基础施工许可证 *3 开工报告 *4 工程竣工报告 *5 工程停工、复工报告·6 施工进度方案分析7 工程大事记8 施工日志9 不合格处置记录·10 建设工程质量事故调查(勘)查记录·11 建设工程质量事故报告书·12 施工总结二工程技术文件1 工程技术文件报审表 *2 图纸会审、设计交底记录 *3 设计变更、洽商记录 *4 技术交底记录5 施工组织设计、施工方案三工程测量文件1 工程定位测量记录 *四工程施工文件1 隐蔽工程检查记录 *2 预检工程检查记录表3 中间检查交接记录·4 地基处理、钎探记录·5 桩基施工记录 *6 混凝土施工记录 *7 混凝土配合比申请单8 混凝土开盘鉴定9 预应力筋张拉记录·10 有粘结预应力结构灌浆记录·11 钻孔灌注桩后注浆施工记录表 *12 钻孔灌注桩施工记录汇总表 *序号文件材料名称缺件复印件13 钻孔灌注桩终孔验收记录 *14 人工挖孔桩隐蔽工程记录 *15 振动(锤击)沉管灌注桩施工记录 *16 夯扩桩施工记录表 *17 长螺旋成孔压灌桩施工记录表 *五工程试验检验文件1 超声波探伤报告及记录、钢构件射线探伤记录·2 结构实体钢筋保护层厚度检验报告 *3 混凝土试块强度统计、评定记录 *4 桩基动测、静载试验报告 *5 单桩竖向承载力检测报告 *6 工程桩桩位水平偏差复核检测报告 *7 基桩低应变反射波法检测报告 *六工程物资文件1 钢材核查要录、试验报告 *2 钢材出厂合格证3 焊接试验报告 *4 电焊条出厂合格证5 水泥核查要录、试验报告 *6 水泥出厂合格证7 预制构件检验报告 *8 预制构件合格证9 预拌(商品)混凝土合格证 *10 预拌(商品)混凝土试验报告11 预拌混凝土试验报告*12 混凝土核查要录、试块强度试验报告 *13 砂浆核查要录、试块强度试验报告 *14 混凝土用砂、石试验报告 *15 混凝土配合比试验报告 *七工程质量验收文件1 桩基础工程验收记录 *2 地基与基础分部、子分部、分项工程质量验收记录 *3 工程检验批质量检查记录表八竣工图1 桩身大样 *2 桩位竣工图 *九工程竣工验收文件1 验收监督意见单 *2 施工单位工程质量自评报告 *3 监理单位工程质量评价意见报告 *序号文件材料名称缺件复印件4 勘察单位工程质量评价意见报告 ~5 设计单位工程质量评价意见报告 ~6 竣工验收会议纪要 *7 建设工程质量保修书建设工程档案指导验收记录工程名称:施工单位:人防(地下室)工程文件材料序号文件材料名称缺件复印件一工程管理文件1 工程概况表 *2 建设工程施工许可证 *3 工程开工报告 *4 工程停工、复工报告·5 施工进度方案分析6 工程大事记7 施工日志8 不合格项处置记录·9 建设工程质量事故调(勘)查记录·10 建设工程质量事故报告书·11 施工总结二工程技术文件1 工程技术文件报审表 *2 图纸会审、设计交底记录 *3 设计变更、洽商记录 *4 技术交底记录5 施工组织设计、施工方案三工程测量记录1 工程定位测量记录 *2 地基验槽记录 *3 楼层放线记录 *四工程施工文件1 隐蔽工程检查记录表 *2 预检工程检查记录表3 中间检查交接记录表·4 地基处理记录 *5 地基钎探记录 *6 混凝土施工记录 *7 混凝土养护测温记录8 混凝土、砂浆配合比申请单9 混凝土开盘鉴定10 预应力筋张拉记录·11 有粘结预应力结构灌浆记录·五工程试验检验文件序号文件材料名称缺件复印件1 土建工程(1)人民防空工程专业结构验收表 *(2)超声波探伤报告、记录·(3)钢构件射线探伤记录·(4)结构实体保护层厚度检测报告 *(5)砌筑砂浆试块强度统计、评定记录及试验报告 *(6)混凝土试块强度统计、评定记录及试验报告 *(7)防水工程试水检查记录 *2 给排水、采暖工程(1)人民防空工程(防空地下室)试水验收表 *(2)(水泵)设备单机试运转记录·(3)调试报告·(4)管道灌水、通水试验记录 *(5)管道强度严密性试验记录 *(6)管道(冲)洗(脱脂)试验记录 *(7)室内排水管道通球试验记录 *(8)伸缩器安装记录表 *3 电气工程(1)电气接地、绝缘电阻测试记录 *(2)电气器具通电平安检查记录 *(3)电气照明、动力试运行记录 *(4)综合布线测试记录 *(5)光纤损耗测试记录·(6)视频系统末端测试记录·4 通风与空调工程(1)设备单机试运转记录 *(2)调试报告 *(3)现场组装除尘器、空调机漏风检测记录 *(4)风管漏风检测记录(5)各房间室内风量测量记录(6)管网风量平衡记录(7)通风系统试运行记录 *(8)制冷系统气密性试验记录 *六工程物资文件1 钢材核查要录、试验报告及焊接试验报告 *2 钢材出厂合格证3 水泥核查要录、试验报告 *4 水泥出厂合格证5 砖试验报告 *6 砖出厂合格证7 预制构件检验报告 *序号文件材料名称缺件复印件8 预制构件出厂合格证9 预拌(商品)混凝土合格证 *10 预拌(商品)混凝土检验报告11 预拌混凝土试验报告*12 防水材料检验报告 *13 防水材料出厂合格证14 门窗及其它材料检验报告团 *15 门窗及其它出厂合格证16 混凝土核查要录、试块强度试验报告 *17 砌筑砂浆核查要录、试块强度试验报告 *18 混凝土用砂、石试验报告 *19 混凝土、砂浆配合比试验报告 *20 水暖材料、配件检验报告 *21 水暖材料、配件出厂合格证22 电气材料、配件检验报告 *23 电气材料、配件出厂合格证24 通风与空调材料检验报告 *25 通风与空调材料出厂合格证七工程质量验收文件1 人防(地下室)子分、分项部工程质量验收记录 *2 工程检验批质量验收记录表八竣工图*九工程竣工验收文件1 人民防空工程竣工验收表*2 建设单位建设工程竣工报告 *3 施工单位建设工程自评报告 *4 监理单位建设工程评价意见报告 *5 勘察单位建设工程评价意见报告 ~6 设计单位建设工程评价意见报告 ~7 工程竣工验收会议纪录 *建设工程档案指导验收记录工程名称:施工单位:建筑装饰工程文件材料序号文件材料名称缺件复印件一工程管理文件1 工程概况表 *2 建设工程施工许可证 *3 工程开工报告 *4 工程停工、复工报告·5 施工进度方案分析6 工程大事记7 施工日志8 不合格项处置记录·9 建设工程质量事故调(勘)查记录·10 建设工程质量事故报告书·11 施工总结二工程技术文件1 工程技术文件报审表 *2 图纸会审、设计交底记录 *3 设计变更、洽商记录 *4 技术交底记录5 施工组织设计、施工方案三工程测量文件1 工程定位测量记录 *2 地基验槽记录 *3 楼层放线记录 *4 沉降观测记录 *5 单位工程垂直度观测记录 *四工程施工文件1 (地基与基础)隐蔽工程检查记录表 *2 (主体结构)隐蔽工程检查记录表 *3 (装饰)隐蔽工程检查记录表 *4 (屋面)隐蔽工程检查记录表 *5 (给排水、采暖)隐蔽工程检查记录表 *6 (电气)隐蔽工程检查记录表 *7 (通风与空调)隐蔽工程检查记录表 *8 (电梯)隐蔽工程检查记录表 *9 (建筑智能)隐蔽工程检查记录表 *10 预检工程检查记录表11 中间检查交接记录表·12 地基处理记录 *13 地基钎探记录 *14 混凝土施工记录 *15 混凝土养护测温记录16 混凝土、砂浆配合比申请单17 混凝土开盘鉴定18 预应力筋张拉记录·19 有粘结预应力结构灌浆记录·20 建筑烟(风)道检查记录21 电梯承重梁、起重吊环埋设隐蔽工程检查记录·22 钢丝绳头灌注隐蔽工程检查记录·23 自动扶梯、自动人行道安装调试记录·五工程试验检验文件1 土建工程(1)超声波探伤报告、记录·(2)钢构件射线探伤记录·(3)螺栓抗拨力检验报告 *(4)结构实体保护层厚度检测报告 *(5)砌筑砂浆试块强度统计、评定记录 *(6)混凝土试块强度统计、评定记录 *(7)防水工程试水检查记录 *(8)室内环境检测报告 *2 给排水、采暖工程(1)水电测试反响单 *(2)(水泵)设备单机试运转记录·(3)调试报告·(4)管道灌水、通水试验记录 *(5)管道强度严密性试验记录 *(6)管道(冲)洗(脱脂)试验记录 *(7)室内排水管道通球试验记录 *(8)伸缩器安装记录表 *3 电气工程(1)电气接地、绝缘电阻测试记录 *(2)电气器具通电平安检查记录 *(3)电气照明、动力试运行记录 *(4)综合布线测试记录 *(5)光纤损耗测试记录·(6)视频系统末端测试记录·4 通风与空调工程(1)设备单机试运转记录 *序号文件材料名称缺件复印件(2)调试报告 *(3)现场组装除尘器、空调机漏风检测记录*(4)风管漏风检测记录(5)各房间室内风量测量记录(6)管网风量平衡记录(7)通风系统试运行记录 *(8)制冷系统气密性试验记录 *(8)检测报告5 电梯安装工程(1)电梯主要功能检查试验记录 *(2)电梯电气平安装置检查试验记录 *(3)电梯整机功能检验记录 *(4)电梯层门平安装置检查试验记录表 *(5)电梯负荷运行试验记录 *(6)轿厢平层准确度测量记录 *(7)电梯负荷运行试验曲线图 *(8)电梯噪声测试记录表 *(9)自动扶梯、自动人行道运行试验记录·(10)电梯检测报告6 智能建筑工程(1)系统功能测定及设备调试记录 *(2)系统检测报告 * 六工程物资文件1 钢材核查要录、试验报告及焊接试验报告 *2 钢材出厂合格证3 水泥核查要录、试验报告*4 水泥出厂合格证5 砖试验报告*6 砖出厂合格证7 预制构件检验报告*8 预制构件出厂合格证9 预拌(商品)混凝土合格证*10 预拌(商品)混凝土检验报告11 防水材料检验报告*12 防水材料出厂合格证13 门窗及其它材料检验报告 *14 门窗及其它出厂合格证15 混凝土核查要录、试块强度试验报告*16 砌筑砂浆核查要录、试块强度试验报告*17 混凝土用砂、石试验报告*18 混凝土、砂浆配合比试验报告*19 水暖材料、配件检验报告*序号文件材料名称缺件复印件21 水暖材料、配件出厂合格证22 电气材料、配件检验报告 *23 电气材料、配件出厂合格证24 通风与空调材料检验报告 *25 通风与空调材料出厂合格证26 电梯设备开箱检验报告 *27 电梯设备出厂合格证、使用说明及其他材料28 智能建筑材料检验报告 *29 智能建筑材料出厂合格证七工程质量验收文件1 单位工程质量竣工验收记录 *2 单位工程质量控制资料核查记录 *3 单位工程平安和功能检验资料核查及主要功能抽查记录 *4 单位工程观感质量检查记录 *5 施工现场质量管理检查记录 *6 地基与基础分部、子分部工程质量验收记录 *7 地基与基础工程检验批质量验收记录表8 主体分部、子分部、分项工程质量验收记录 *9 主体工程检验批质量验收记录表10 建筑装饰分部、子分部、分项工程质量验收记录 *11 建筑装饰工程检验批质量验收记录表12 屋面分部、子分部、分项工程质量验收记录 *13 屋面工程检验批质量验收记录表14 建筑给排水、采暖分部、子分部、分项工程质量验收记录 *15 建筑给排水、采暖工程检验批质量验收记录表16 建筑电气分部、子分部、分项工程质量验收记录 *17 建筑电气工程检验批质量验收记录表18 通风与空调分部、子分部、分项工程质量验收记录 *19 通风与空调工程检验批质量验收记录表20 电梯分部、子分部、分项工程质量验收记录 *21 电梯工程检验批质量验收记录表22 智能建筑分部、子分部、分项工程质量验收记录 *23 智能建筑工程检验批质量验收记录表八竣工图1 总平面竣工图 *2 绿化总平面竣工图 *3 道路总平面竣工图 *4 地下管线综合图 *5 建筑竣工图 *6 结构竣工图 *7 给排水、采暖竣工图 *8 电气竣工图 *序号文件材料名称缺件复印件9 通风与空调竣工图 *10 电梯安装竣工图 *11 建筑智能化竣工图 *九工程竣工验收文件1 建设工程竣工备案表、备案证*2 验收监督意见单(1)(地基与基础)验收监督意见单 *(2)(主体结构)验收监督意见单 *(3)(工程竣工)验收监督意见单 *3 建设单位建设工程竣工报告 *4 施工单位建设工程自评报告(1)地基与基础自评报告 *(2)主体结构自评报告 *(3)其它分部自评报告·(4)竣工自评报告 *5 监理单位建设工程评价意见报告(1)地基与基础评价意见报告 *(2)主体结构评价意见报告 *(3)其它分部评价意见报告·(4)工程竣工评价意见报告 *6 勘察单位建设工程评价意见报告(1)地基与基础评价意见报告 ~(2)工程竣工评价意见报告 ~7 设计单位建设工程评价意见报告(1)地基与基础评价意见报告 ~(2)主体结构评价意见报告 ~(3)工程竣工评价意见报告 ~8 建设工程竣工验收会议纪要(1)地基与基础竣工验收会议纪要 *(2)主体结构竣工验收会议纪要 *(3)其它分部竣工验收会议纪要·(4)竣工验收会议纪要 *9 建设工程质量保修书建设工程档案指导验收记录工程名称:施工单位:建筑幕墙工程文件材料序号文件材料名称缺件复印件一工程技术管理文件1 工程概况表 *2 施工许可证 *3 工程开工报告 *4 工程竣工报告 *5 工程停工、复工报告·6 施工进度方案分析7 工程大事记8 施工日志9 不合格项处置记录·10 建设工程质量事故调(勘)查记录·11 建设工程质量事故报告书·二工程技术文件1 工程技术文件报审表 *2 图纸会审、设计交底记录 *3 设计变更、洽商记录 *4 技术交底记录5 施工组织设计、施工方案三工程测量文件1 单位工程垂直度观测记录 *四工程施工文件1 隐蔽工程检查记录表 *2 预检工程检查记录表3 中间检查交接记录·4 预应力筋张拉记录 *五工程试验检验文件1 超声波探伤报告、记录·2 螺栓抗拨力检验报告 *3 建筑幕墙物理性 *六工程物资文件1 钢材核查要录、试验报告 *2 钢材出厂合格证3 焊接试验报告 *4 构件核查要录、试验报告 *序号文件材料名称缺件复印件5 构件出厂合格证6 其它材料试验报告 *7 其它材料出厂合格证七工程质量验收文件1 幕墙工程质量验收记录 *2 幕墙子分部、分项工程质量验收记录 *3 工程检验批质量验收记录表八竣工图*九工程竣工验收文件1 验收监督意见单 *2 施工单位工程质量自评报告 *3 监理单位工程质量评价意见报告 *4 勘察单位工程质量评价意见报告 ~5 设计单位工程质量评价意见报告 ~6 竣工验收会议纪要 *7 建设工程质量保修书建设工程档案指导验收记录工程名称:施工单位:市政道路工程文件材料序号文件材料名称缺件复印件一施工准备技术文件1 建设工程施工许可证 *2 开工报告 *3 设计技术交底及施工图会审记录 *4 施工组织设计及审批表5 施工技术交底记录6 水准点、导线点复测记录 *7 测量复核记录 *二材料、构配件检验、复试文件1 主要原材料、构配件出厂证明、进场复检汇总表2 见证取样送检汇总表3 水泥检验报告 *4 水泥出厂合格证5 钢筋力学及工艺性能检验报告 *6 钢筋出厂合格证7 砂子、石子试验报告 *8 混凝土外加剂均质性检验 *9 混凝土外加剂出厂合格证10 商品混凝土出厂合格证11 道路石油沥青检验报告 *12 道路石油沥青出厂合格证13 沥青胶结材料检验报告 *14 沥青混合料用粗集料、细集料、矿粉试验报告 *15 沥青混合料出厂合格证16 石灰、粉煤灰检验报告 *17 石灰、粉煤灰出厂合格证18 基层用集料检验报告 *19 各类砌砖、砖块检验报告 *20 各类砌砖、砌块出厂合格证21 路用小型预制构件检验报告 *22 路用小型预制构件出厂合格证23 其它材料检验报告 *24 其它材料出厂合格证25 防水材料试验报告 *26 防水材料合格证序号文件材料名称缺件复印件三施工试验、检验文件1 地基、复合地基、档土墙槽基承载力试验报告 *2 (填土)击实试验报告 *3 路基压实度检验汇总评定表 *4 (路基)压实度检验报告 *5 路基压实度检验记录6 (桥涵两侧)回填土压实度检验汇总评定表 *7 (桥涵两侧回填土)压实度检验报告 *8 (桥涵两侧回填土)压实度检验记录9 管道沟槽回填土压实度检验汇总评定表 *10 (管道沟槽回填土)压实度检验报告 *11 (管道沟槽回填土)压实度检验记录12 (基层混合料)击实试验报告 *13 基层混合料石灰、水泥稳定土中含灰量检验记录 *14 (基层混合料)石灰(水泥)剂量检验报告 *15 基层压实度检验汇总评定表 *16 (基层)压实度检验报告 *17 (基层)压实度检验记录18 基层混合料无限侧抗压强度检验汇总评定表 *19 道路基层混合料无限侧抗压强度检验报告 *20 沥青混合料马歇尔试验报告 *21 沥青混合料(矿料级配及沥青用量)检验报告 *22 沥青面层压实度检验汇总评定表 *23 (沥青面层)压实度检验报告 *24 (沥青面层)压实度检验记录25 水泥混凝土强度检验汇总表 *26 水泥混凝土抗压强度统计评定表 *27 混凝土抗压强度试验报告 *28 水泥混凝土抗折强度统计评定表 *29 水泥混凝土抗折强度检验报告 *30 混凝土抗渗性能检验报告 *31 砂浆试块强度检验汇总表 *32 砌体砂浆抗压强度统计评定表 *33 砂浆抗压强度检验报告 *34 混凝土、砂浆配合比试验报告 *35 道路面层平整度检测报告 *36 焊缝质量综合评价汇总表 *37 钢筋焊接头力学工艺性能检验报告 *38 钢筋机械连接头单向拉伸性能检验报告 *四工程平安及功能性检验文件1 道路(土路床)弯沉值检验成果汇总表 *序号文件材料名称缺件复印件2 道路(土路床)弯沉值检验报告 *3 道路(土路床)弯沉值检验记录4 道路(基层)弯沉值检验成果汇总表 *5 道路(基层)弯沉值检验报告 *6 道路(基层)弯沉值检验记录7 道路(沥青面层)弯沉值检验成果汇总表 *8 道路(沥青面层)弯沉值检验报告 *9 道路(沥青面层)弯沉值检验记录10 道路、机场面层构造深度检测记录 *11 道路、机场面层磨擦系数摆值检测报告 *五隐蔽工程检查验收文件1 地基、地基处理、基槽隐蔽验收记录 *2 (基础)隐蔽工程检查验收记录 *3 (老沥青路面处理)隐蔽工程检查验收记录 *4 (旧混凝土路面破损、错台处理)隐蔽工程检查验收记录 *5 (旧混凝土路面贴缝隔离处理)隐蔽工程检查验收记录 *6 (胀缝混凝土枕垫)隐蔽工程检查验收记录 *7 (混凝土路面传力杆、拉杆安放)隐蔽工程检查验收记录 *8 (检查井周边钢筋安放)隐蔽工程检查验收记录 *9 (混凝土路面加强筋、角隅钢筋安放)隐蔽工程检查验收记录 *10 (地道桥箱体预埋件)隐蔽工程检查验收记录 *六预检文件1 (现浇混凝土结构模板)预检工程检查记录2 (盖板吊装前)预检工程检查记录3 中间检查交接记录 *七施工文件1 (软土地基填方路基)沉降观测记录 *2 水泥粉喷桩施工成果汇总表 *3 水泥粉喷桩施工记录 *4 石灰挤密桩施工记录 *5 袋装砂井、塑料排水桩施工记录 *6 水泥混凝土浇筑施工记录 *7 同条件养护混凝土试件测温记录8 沥青混合料到场及摊铺、碾压测温记录9 施工日志八设计变更、洽商文件1 设计变更联系单 *2 变更设计洽商记录 *九质量事故及处理文件1 工程质量事故报告·2 工程质量事故调查报告·序号文件材料名称缺件复印件3 工程质量事故处理报告·十竣工测量文件1 工程定位测量记录 *2 (路床)道路高程测量成果记录 *3 (基层)道路高程测量成果记录 *4 (面层)道路高程测量成果记录 * 十一工程质量验收文件1 单位工程质量竣工验收记录 *2 路基分部、子分部、分项工程质量验收记录 *3 路基工程检验批质量验收记录表4 基层分部、子分部、分项工程质量验收记录 *5 基层工程检验批质量验收记录表6 面层分部、子分部、分项工程质量验收记录 *7 面层工程检验批质量验收记录表8 附属构筑物分部、子分部、分项工程质量验收记录 *9 附属构筑物工程检验批质量验收记录表十二竣工图*十三工程竣工验收文件1 建设工程竣工验收备案证、备案表 *2 工程竣工验收证书 *3 建设单位工程竣工验收报告 *4 监理单位工程竣工验收质量评价意见报告 *5 勘察、设计单位工程竣工验收质量检查报告 ~6 施工单位工程竣工验收报告 *7 工程质量保修书8 竣工验收会议纪要 *建设工程档案指导验收记录工程名称:施工单位:地下管线工程文件材料序号文件材料名称缺件复印件一施工准备技术文件1 建设工程施工许可证 *2 开工报告 *3 设计技术交底及图纸会审记录 *4 施工组织设计及审批表5 施工技术交底记录6 水准点、导线点复测记录 *7 测量复核记录 *二材料、构配件检验、复试文件1 主要原材料、构配件出厂证明、进场复检汇总表2 见证取样送检汇总表3 水泥检验报告 *4 水泥出厂合格证5 钢筋力学及工艺性能检验报告 *6 钢筋出厂合格证7 砂子、石子试验报告 *8 粉煤灰检验报告9 混凝土外加剂均质性检验报告 *10 混凝土外加剂出厂合格证11 商品混凝土出厂合格证12 各类砌砖、砌块检验报告 *13 各类砌砖、砖块出厂合格证14 预制混凝土管道、玻璃纤维夹砂管道出厂检验报告 *15 箱涵混凝土预制盖板出厂检验报告 *16 检查井盖、井框出厂检验报告 *17 密封橡胶圈、止水胶带、铸铁爬梯出厂检验报告 *三施工试验、检验文件1 地基、复合地基、档土墙槽基承载力试验报告 *2 (管道沟槽)地基钎探记录 *3 沟槽回填土(素土、石灰土、砂砾土)击实试验报告 *4 填土含水率检验记录 *5 管道沟槽回填土压实度检验汇总评定表 *6 (管道沟槽回填土)压实度检验报告 *7 (管道沟槽回填土)压实度检验记录8 (箱涵)回填土压实度检验汇总评定表 *序号文件材料名称缺件复印件。
完整版建设工程文件归档目录附录A:建设工程文件归档范围和保管期限表保存单位和保管期限序号归档文件:一、工程准备阶段文件1.立项文件项目建议书及审批意见及前期工作通知书可行性研究报告及附件及审批意见关于立项有关的会议纪要、领导讲话专家建议文件调查资料及项目评估研究材料建设用地、征地、拆迁文件选址申请及选址规划意见通知书保管期限:永久2.施工设计监理城建档案馆用地申请报告及县级以上人民政府城乡建设用地批准书拆迁安置意见、协议、方案等建设用地规划许可证及其附件划拨建设用地文件国有土地使用证勘察、测绘、设计文件工程地质勘察报告水文地质勘察报告、自然条件、地震调查建设用地钉桩通知单(书)地形测量和拔地测量成果报告申报的规划设计条件和规划设计条件通知书初步设计图纸和说明技术设计图纸和说明审定设计方案通知书及审查意见有关行政主管部门(人防、环保、消防、交通、园林、市政、文物、通讯、保密、河湖、教育、白蚁防治、卫生等)批准文件或取得的有关协议。
施工图及其说明设计计算书政府有关部门对施工图设计文件的审批意见招投标文件勘察设计招投标文件勘察设计承包合同施工招投标文件施工承包合同工程监理招投标文件监理委托合同开工审批文件建设项目列入年度计划的申报文件规划审批申报表及报送的文件和图纸建设工程规划许可证及其附件建设工程开工审查表建设工程施工许可证工程质量监督手续财务文件工程投资估算材料工程设计概算材料施工图预算材料施工预算建设、施工、监理机构及负责人保管期限:长期建设项目必须在年度批复文件或年度计划项目表中列明,以此作为永久记录。
投资许可证、审计证明、绿化建设费缴纳证明等证明文件也应该长期保存。
工程项目管理机构和负责人名单、监理机构和负责人名单以及施工项目经理部和负责人名单也应该长期保存。
监理规划、监理实施细则、监理部总控制计划等文件应该作为永久记录保存。
监理月报和会议纪要中有关质量问题的记录应该短期保存,而进度控制的记录则应该长期保存。
建设工程准备阶段文件序号文件材料名称一建设工程规划管理文件1 建设工程立项批复及申请报告2 建设工程用地批准文件(1)建设项目选址意见通知书及规划设计(土地使用)条件(2)国有土地使用权出让(批租)合同、用地红线图及国有土地使用权成交确认书或武汉市国有土地划拨决定书(3)建设用地规划许可证及用地红线图(4)建设用地红线定位册(5)国有土地使用权证(复印件)3 建设工程规划批准文件(1)建设工程规划许可证及建设红线图(2)建设工程红线定位册(3)规划验收合格证及竣工图4 建设工程拆迁完毕确认书二建设工程综合性文件1 固定资产投资许可证2 建设工程设计抗震审查批准文件(1)建设工程初步设计抗震审查意见(2)施工图设计文件审查合格书或建设工程项目技术评价结论书(3)深基坑工程施工图设计论证书(4)建设工程地质勘察成果审查合格书(5)建筑节能专项设计审查合格书(6)轻钢结构设计文件审查合格书(7)幕墙工程设计文件审查合格书(8)人防工程设计文件审查合格书(9)市政工程设计文件审查合格书3 消防验收、审核意见书4 环保评价意见报告、检测文件5 结合民用建筑修建防空地下室联系单6 武汉市新建房屋白蚁预防工程合同7 供电、供气、供水、供热等部门批复或合同8 招投标文件(1)勘察、设计单位中标通知书(2)监理单位中标通知书(3)施工单位中标通知书(4)代建单位中标通知书9工程合同(1)代建合同(2)勘察合同序号文件材料名称(3)设计合同(4)监理合同(5)施工合同(桩基、土建、装饰、幕墙、消防、电梯等)10 工程质量监督登记表(桩基、土建、装饰、幕墙、电梯等)三建设、施工、监理机构负责人1 工程项目管理机构(项目经理部)及负责人名单2 工程项目监理机构(项目监理部)及负责人名单3 工程项目施工管理机构(施工项目经理部)及负责人名四可行性研究报告五财务文件1 审计报告、工程决算六地质勘察报告1 工程地质勘察报告或水文地质勘察报告2 土壤中氡浓度检测报告七总竣工图1 建筑总竣工平面图2 绿化总竣工平面图3 道路总竣工平面图4 地下管线总竣工平面图5 智能总竣工平面图桩基础工程文件序号文件材料名称一工程管理文件1 工程概况表2 桩基础施工许可证3 施工现场质量管理检查记录4 开工报告5 工程竣工报告6 工程停工、复工报告7 不合格处置记录8 建设工程质量事故调查(勘)查记录9 建设工程质量事故报告书10 其他工程管理文件二工程技术文件1 工程技术文件报审表2 图纸会审、设计交底记录3 设计变更、洽商记录及设计变更通知4 其他工程技术文件三工程测量记录1 工程定位测量记录2 测量交接桩记录3 测量复核记录4 其他工程测量记录四工程施工记录1 隐蔽工程检查验收汇总表2 隐蔽工程检查记录3 中间检查交接记录4 地基处理记录5 地基钎探记录6 桩基施工记录7 钻孔灌注桩后注浆施工记录表8 钻孔灌注桩施工记录汇总表9 钻孔灌注桩终孔验收记录10 人工挖孔桩隐蔽工程记录11 振动(锤击)沉管灌注桩施工记录12 夯扩桩施工记录表13 长螺旋成孔压灌桩施工记录表14 静压混凝土预制桩、钢桩施工记录15 锤击混凝土预制桩、钢桩施工记录16 混凝土施工记录17 混凝土坍落度测量记录序号文件材料名称18 混凝土配合比试验报告19 沉入桩施工成果汇总表20 沉入桩打桩施工记录21 沉井下沉施工记录22 灌注桩钻进施工记录23 灌注桩主要成果汇总表24 灌注桩灌注水下混凝土检验汇总表25 灌注桩灌注水下混凝土施工记录26 钻孔灌注桩泥浆护壁钻进施工记录27 钻孔灌注桩泥浆性能指标测定28 钻孔灌注套管(咬合)桩钻进施工记录29 钻孔(咬合)灌注桩混凝土浇注施工记录30 搅拌桩施工记录31 旋喷桩施工记录32 注浆施工记录33 其他工程施工记录五工程试验检验记录1 复合地基载荷试验检测报告2 基桩竖向抗压静载荷试验报告3 桩体质量检测-基桩反射波法(高、低应变)检测报告4 钢结构焊缝超声波探伤检测报告5 锚杆锁定力检测报告6 混凝土钢筋保护层厚度检验报告7 混凝土强度(回弹、超声回弹、钻芯法)检验报告8 混凝土试块强度统计、评定记录9 工程桩桩位水平偏差复核检测报告10 其他工程试验检验记录六工程物资文件1 钢材核查要录、试验报告2 钢筋机械连接焊接接头核查要录、试验报告3 水泥核查要录、试验报告4 预制构件检验报告5 预拌(商品)混凝土合格证6 预拌混凝土试验报告7 混凝土核查要录、抗压抗渗试块强度试验报告8 混凝土用砂、石试验报告9 混凝土配合比试验报告10 其他工程物资文件七施工质量验收文件1 地基与基础分部、子分部、分项工程质量验收记录2 其他施工质量验收文件序号文件材料名称八工程竣工验收文件1 施工单位工程质量自评报告2 勘察单位工程质量评价意见报告3 设计单位工程质量评价意见报告4 竣工验收会议记录5 其他工程竣工验收文件九竣工图1 桩身大样2 桩位竣工图注:桩基础工程文件适用于地下建筑、地上建筑、道路、给排水构筑物、管线、桥梁、隧道等工程。
城镇道路工程文件材料
注:1、城镇道路工程的桩基按“桩基础工程文件”执行。
2、城镇道路是指城内道路,国道、省道工程按交通部门的要求执行。
城镇管道工程文件
注:1、管道工程为给水、排水、供热、供电、电信、电视、交通、然气、工业等管线工程。
2、大型顶管工程(一次顶进长度大于300M)、大型沉管工程(多年平均水位水面宽度100-200M,
水深不小于5M)、大型桥管工程(总跨长度不小于300M或主跨长度不小于100M)及盾构、浅埋暗挖管道工程,可设独立的单位工程。
3、管道工程的道路修复文件按“城镇道路工程文件”执行。
给水排水构筑物工程文件
注: 1、单体构筑物工程包括:取水构筑物(取水头部、进水涵渠、进水间、取水泵房等)、排放构筑物(排放口、出水涵渠、出水井、排放泵房等)、水处理构筑物(泵房、调节配水池、蓄水池、清水池、沉砂池、工艺沉淀池、曝气池、澄清池、滤池、浓缩池、消化池、稳定塘、涵渠)、管渠、调蓄构筑物(增压泵房、提升泵房、调蓄池、水塔、水柜等)。
2、管理用房、配电房、脱水机房、鼓风机房、泵房等地面建筑工程按建筑工程要求执行。
3、其他市政工程的构筑物工程可参照“给排水构筑物工程文件”执行。
建设工程准备阶段文件序号文件材料名称一建设工程规划管理文件1建设工程立项批复及申请报告2建设工程用地批准文件(1)建设项目选址意见通知书及规划设计(土地使用)条件(2)国有土地使用权出让(批租)合同、用地红线图及国有土地使用权成交确认书或武汉市国有土地划拨决定书(3)建设用地规划许可证及用地红线图(4)建设用地红线定位册(5)国有土地使用权证(复印件)3建设工程规划批准文件(1)建设工程规划许可证及建设红线图(2)建设工程红线定位册(3)规划验收合格证及竣工图4建设工程拆迁完毕确认书二建设工程综合性文件1固定资产投资许可证2建设工程设计抗震审查批准文件(1)建设工程初步设计抗震审查意见(2)施工图设计文件审查合格书或建设工程项目技术评价结论书(3)深基坑工程施工图设计论证书(4)建设工程地质勘察成果审查合格书(5)建筑节能专项设计审查合格书(6)轻钢结构设计文件审查合格书(7)幕墙工程设计文件审查合格书(8)人防工程设计文件审查合格书(9)市政工程设计文件审查合格书3消防验收、审核意见书4环保评价意见报告、检测文件5结合民用建筑修建防空地下室联系单6武汉市新建房屋白蚁预防工程合同7供电、供气、供水、供热等部门批复或合同8招投标文件(1)勘察、设计单位中标通知书(2)监理单位中标通知书(3)施工单位中标通知书(4)代建单位中标通知书9工程合同(1)代建合同(2)勘察合同序号文件材料名称(3)设计合同(4)监理合同(5)施工合同(桩基、土建、装饰、幕墙、消防、电梯等)10工程质量监督登记表(桩基、土建、装饰、幕墙、电梯等)三建设、施工、监理机构负责人1工程项目管理机构(项目经理部)及负责人名单2工程项目监理机构(项目监理部)及负责人名单3工程项目施工管理机构(施工项目经理部)及负责人名四可行性研究报告五财务文件1审计报告、工程决算六地质勘察报告1工程地质勘察报告或水文地质勘察报告2土壤中氡浓度检测报告七总竣工图1建筑总竣工平面图2绿化总竣工平面图3道路总竣工平面图4地下管线总竣工平面图5智能总竣工平面图桩基础工程文件序号文件材料名称一工程管理文件1工程概况表2桩基础施工许可证3施工现场质量管理检查记录4开工报告5工程竣工报告6工程停工、复工报告7不合格处置记录8建设工程质量事故调查(勘)查记录9建设工程质量事故报告书10其他工程管理文件二工程技术文件1工程技术文件报审表2图纸会审、设计交底记录3设计变更、洽商记录及设计变更通知4其他工程技术文件三工程测量记录1工程定位测量记录2测量交接桩记录3测量复核记录4其他工程测量记录四工程施工记录1隐蔽工程检查验收汇总表2隐蔽工程检查记录3中间检查交接记录4地基处理记录5地基钎探记录6桩基施工记录7钻孔灌注桩后注浆施工记录表8钻孔灌注桩施工记录汇总表9钻孔灌注桩终孔验收记录10人工挖孔桩隐蔽工程记录11振动(锤击)沉管灌注桩施工记录12夯扩桩施工记录表13长螺旋成孔压灌桩施工记录表14静压混凝土预制桩、钢桩施工记录15锤击混凝土预制桩、钢桩施工记录16混凝土施工记录17混凝土坍落度测量记录序号文件材料名称18混凝土配合比试验报告19沉入桩施工成果汇总表20沉入桩打桩施工记录21沉井下沉施工记录22灌注桩钻进施工记录23灌注桩主要成果汇总表24灌注桩灌注水下混凝土检验汇总表25灌注桩灌注水下混凝土施工记录26钻孔灌注桩泥浆护壁钻进施工记录27钻孔灌注桩泥浆性能指标测定28钻孔灌注套管(咬合)桩钻进施工记录29钻孔(咬合)灌注桩混凝土浇注施工记录30搅拌桩施工记录31旋喷桩施工记录32注浆施工记录33其他工程施工记录五工程试验检验记录1复合地基载荷试验检测报告2基桩竖向抗压静载荷试验报告3桩体质量检测-基桩反射波法(高、低应变)检测报告4钢结构焊缝超声波探伤检测报告5锚杆锁定力检测报告6混凝土钢筋保护层厚度检验报告7混凝土强度(回弹、超声回弹、钻芯法)检验报告8混凝土试块强度统计、评定记录9工程桩桩位水平偏差复核检测报告10其他工程试验检验记录六工程物资文件1钢材核查要录、试验报告2钢筋机械连接焊接接头核查要录、试验报告3水泥核查要录、试验报告4预制构件检验报告5预拌(商品)混凝土合格证6预拌混凝土试验报告7混凝土核查要录、抗压抗渗试块强度试验报告8混凝土用砂、石试验报告9混凝土配合比试验报告10其他工程物资文件七施工质量验收文件1地基与基础分部、子分部、分项工程质量验收记录2其他施工质量验收文件序号文件材料名称八工程竣工验收文件1施工单位工程质量自评报告2勘察单位工程质量评价意见报告3设计单位工程质量评价意见报告4竣工验收会议记录5其他工程竣工验收文件九竣工图1桩身大样2桩位竣工图注:桩基础工程文件适用于地下建筑、地上建筑、道路、给排水构筑物、管线、桥梁、隧道等工程。
工程文件整理归档资料目录工程文件整理归档资料目录第一部分:工程文件一.开工前归档资料:工程开工后由项目部负责收集、整理、送交公司办公室归档1.招标文件:原件投标结束后由办公室收集归档;2.投标商务标:原件一份由办公室收集归档;3.投标技术标(投标施工组织设计):原件一份由办公室收集归档;4.工程中标通知书:项目部将原件一份及时送交办公室归档;5.工程施工合同、协议书、承诺书:正本、原件一份由办公室收集归档;6.项目部管理机构、管理人员名单及资格证书复印件:资格证书复印件包括技术职称证书、项目经理证书、安全资格证书、上岗证书;项目部开工前报送办公室。
7.建设工程施工许可证复印件:项目部从甲方复印两份,项目部一份备查;一份送交办公室归档。
8.安全许可证复印件:项目部从甲方复印两份,项目部一份备查;一份送交办公室归档。
9.建设工程规划许可证复印件:项目部从甲方复印两份,项目部一份备查;一份送交办公室归档。
10.工程立项报告:项目部从甲方复印两份,项目部一份备查;一份送交办公室归档。
二.施工文件:工程竣工后项目部负责整理送交办公室存档(一)建筑安装土建(建筑与结构)工程1.施工技术准备文件(1)施工组织设计:甲方和监理工程师批准签署的施工组织设计;(2)技术交底:分部、项工程;特殊工程;重点部位工程施工技术交底(交底人、接受交底人签署齐全);(3)图纸会审记录;(4)工程施工预算及审查文件;(5)施工日志2.施工现场准备工作文件(1)高程引测及控制网设置资料:定位图(2)工程定位测量资料:高程绝对高程及相对标高引测及主轴线定位测量记录;(3)基槽、坑开挖线测量资料:记录、施工放线图;(4)施工安全技术措施方案;(5)施工环境保护措施广方案;3.地基处理资料、记录(1)地基钎探记录及钎探平面布点图;(2)验槽、坑记录;(3)地基处理记录;(4)桩基施工(5)记录;(6)试桩记录:(7)桩基静载荷试验和低应变完整性试验报告;4.工程图纸变更记录(1)设计图纸会审记录;(2)设计变更记录(必须由业主现场工程师签字);(3)工程洽商记录。
建设工程档案指导验收记录工程名称:
建设单位:
建设工程准备阶段文件材料
建设工程档案指导验收记录工程名称:
施工单位:
建筑桩基础工程文件材料
建设工程档案指导验收记录工程名称:
施工单位:
人防(地下室)工程文件材料
建设工程档案指导验收记录工程名称:
施工单位:
建筑装饰工程文件材料
建设工程档案指导验收记录工程名称:
施工单位:
建筑幕墙工程文件材料
建设工程档案指导验收记录工程名称:
施工单位:
市政道路工程文件材料
建设工程档案指导验收记录工程名称:
施工单位:
地下管线工程文件材料
建设工程档案指导验收记录工程名称:
施工单位:
市政桥梁工程文件材料
建设工程档案指导验收记录工程名称:
施工单位:
市政排水泵站工程文件材料
建设工程档案指导验收记录工程名称:
施工单位:
污水处理厂工程文件材料
建设工程档案指导验收记录工程名称:
施工单位:
监理文件材料。