整理机电设备安装工程业绩表
- 格式:docx
- 大小:18.93 KB
- 文档页数:2
员工绩效考核评分表建筑公司项目部机电人员绩效考核评分表使用说明一、引言建筑公司项目部机电人员绩效考核评分表是专为机电岗位员工设计的一套全面、系统的绩效评估工具。
该评分表旨在通过量化指标,客观、公正地评价机电人员在日常工作中的表现,激励员工提升工作效率和服务质量,促进项目部的整体运营和发展。
以下是对该评分表使用方法的详细说明。
二、评分表结构概述评分表主要分为以下几个部分:基本信息、考核项目、考核内容、应得分、自评分、主管评分、经理评分以及考核总分和提议或意见。
基本信息:包括姓名、岗位、所属部门及考核期限等,用于明确考核对象及考核时间范围。
考核项目:详细列出了机电人员的主要工作职责和考核要点,如工作内容、服务意识、团体精神和组织纪律等,确保考核的全面性和针对性。
考核内容:针对每个考核项目,具体描述了需要考核的具体内容,如机械、设备、机电工具、器材的检查维修保养,现场安全用电布设、检查、修复等,便于员工明确考核标准。
应得分:每项考核内容对应的满分值,用于计算考核总分。
自评分、主管评分、经理评分:分别由员工本人、直接主管和部门经理根据考核内容对员工进行评分,确保评价的多元性和客观性。
考核总分:根据各项得分汇总得出的总分,用于综合评价员工的表现。
提议或意见:提供空间供考核者填写对员工表现的额外评价或改进建议。
三、使用方法准备阶段:确定考核对象和考核期限。
提前通知员工考核安排,确保员工了解考核内容和标准。
自评阶段:员工根据考核内容,结合自己的工作表现进行自评,并填写自评分。
自评过程中,员工应客观、真实地反映自己的工作情况,避免主观臆断或夸大其词。
主管评分阶段:直接主管根据员工的日常工作表现,结合自评情况,对员工进行评分。
主管评分应基于事实,注重观察员工的工作过程和结果,确保评分的公正性和准确性。
经理评分阶段:部门经理在主管评分的基础上,结合部门整体情况和员工表现,进行最终评分。
经理评分应综合考虑员工的专业能力、工作态度、团队协作等多方面因素,确保评价的全面性和权威性。
研发部一材料组长绩效考核计划表
研发部一材料认可人员绩效考核计划表
研发部一变更发放员绩效考核计划表
研发部一跟单资料管理员绩效考核计划表
研发部一规格书制作员绩效考核计划表
研发部一基数制作员绩效考核计划表
研发部一铭牌制作员绩效考核计划表
研发部一设计科长绩效考核计划表
研发部一设计组组长绩效考核计划表
研发部一设计科文员绩效考核计划表
研发部一试制组组长绩效考核计划表
研发部一试制员绩效考核计划表
研发部一资料组长绩效考核计划表。
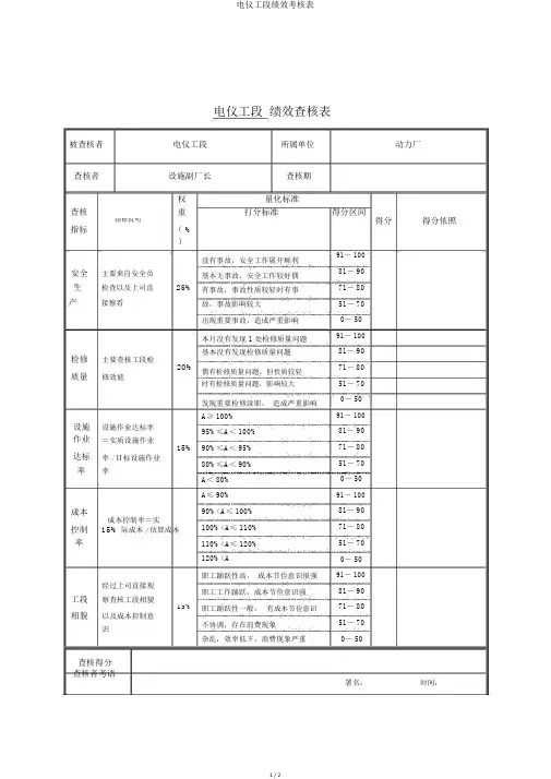
电仪工段 绩效查核表被查核者 电仪工段 所属单位查核者设施副厂长 查核期权量化标准 查核 重 打分标准指标指标说明( %)动力厂得分区间得分得分依照安全 主要来自安全员 生 检查以及上司直 25% 产接察看检修主要查核工段检 质量20% 修效能设施 设施作业达标率 作业 =实质设施作业 达标 15% 率 / 目标设施作业率率成本 成本控制率=实控制 15% 际成本 / 估算成本率经过上司直接观 工段 察查核工段相貌 相貌15% 以及成本控制意识没有事故,安全工作展开顺利基本无事故,安全工作较好偶有事故,事故性质较轻时有事故,事故影响较大出现重要事故,造成严重影响本月没有发现 1 处检修质量问题基本没有发现检修质量问题偶有检修质量问题,但性质较轻时有检修质量问题,影响较大发现重要检修渎职, 造成严重影响 A ≥ 100%95%≤A < 100%90%≤A < 95%80%≤A < 90% A < 80% A ≤ 90%90%<A ≤ 100%100%<A ≤ 110% 110%<A ≤ 120% 120%<A职工踊跃性高, 成本节俭意识很强职工工作踊跃,成本节俭意识强职工踊跃性一般, 有成本节俭意识不协调,存在浪费现象杂乱,效率低下,浪费现象严重91- 100 81- 90 71- 80 51- 700- 5091- 100 81- 90 71- 80 51- 700- 5091- 100 81- 90 71- 80 51- 700- 5091- 100 81- 90 71- 80 51- 700- 5091- 100 81- 90 71- 80 51- 700- 50查核得分查核者考语署名: 时间:被查核者建议署名:时间:最后查核得分复核者考语署名:时间:。
机电设备工程业绩引言机电设备工程是一个涵盖了机械、电气和自动控制等多个领域的综合性工程专业。
在各个行业中,机电设备工程扮演着重要的角色,为生产过程提供关键的设备和技术支持。
本文将重点介绍机电设备工程在不同行业中取得的业绩。
1. 工业制造领域在工业制造领域,机电设备工程的业绩非常显著。
机电设备工程师通常参与工厂的设备选型、设计和安装工作,确保生产线的正常运行和高效率。
他们还负责维护和修理设备,以及制定预防性维护计划,最大程度地减少停机时间和生产成本。
以某大型汽车制造公司为例,他们通过机电设备工程的支持,在生产线上实现了高度自动化。
通过引入自动化设备和机器人技术,大大提高了生产线的产能和效率。
此外,机电设备工程还在节能和环保方面做出了贡献,通过改进设备设计和优化能源利用,降低了能源消耗和环境影响。
2. 建筑领域在建筑领域,机电设备工程对于建筑物的设计、施工和维护起着重要的作用。
机电设备工程师负责设计和安装建筑物的电气系统、通信系统、暖通空调系统以及给排水系统等。
他们需要考虑到建筑物的功能需求、能源效率和环境影响等因素,以确保建筑物的运行安全和舒适性。
在一座高层写字楼的机电设备工程中,机电设备工程师运用创新的技术和材料,设计了智能化的楼宇管理系统。
该系统能够实时监测建筑物各个系统的运行状态,并根据需要进行调节,提高能源利用效率和建筑环境质量。
此外,机电设备工程还在建筑物的节能改造和绿色建筑方面做出了重要贡献,助力建筑行业向可持续发展方向迈进。
3. 能源领域在能源领域,机电设备工程扮演着关键的角色。
机电设备工程师参与能源设备的设计、生产和维护,确保能源的可靠供应和高效利用。
他们还负责制定能源系统的优化方案,以降低能源消耗和环境污染。
以一座太阳能发电厂为例,机电设备工程师运用先进的技术和设备,设计和安装了太阳能电池板、逆变器和发电机等设备。
通过机电设备工程的支持,该发电厂能够高效地将太阳能转化为电能,并将其输送到电网供应给用户。
**有限公司考核表部门:姓名:职务:填表时间:第一部分工作任务达成评论序衡量权完成考评查核项目定义备注号标准重状况得分1.违犯公司管理制度及工作流程,扣 1分/次;2.违犯公司管理制度管理制度及工作及工作流程,且给流程的履行公司造成损失,直接责任扣 5 分及以上,间接责任扣2~5 分按设施管理制度成立设施电气部分的管理设施档案成立档案,若发现档案不齐或错误扣2~5 分/ 次编制设施电气部分的设施操作手册编操作手册,若发现操作制手册不齐或错误扣2~5分/次因设施维修不实时造设施维修实时成延迟生产依损失大小扣 5~10 分/ 次设施维修未达标的扣设施维修达标除 5~10 分/ 次因保护不善造成公司电路事故或停电,影响电的保护生产进度扣5~ 10 分/次未按设施养护制度开三级养护制度执展设施养护工作,扣行状况5~10分/次没有实时达成或上司上司交办的其余对达成状况不满意扣工作1~5 分/ 次因工作原由被公司同事或客户投诉,经查内部客户满意度实,视情节轻重,扣 2~5分/次凡提出合理化建议被采用在部门中实行的合理化建议可酌情加2~5 分/ 次,在公司实行的加5~ 10分 / 次工作任务评论得分第二部分满意度指标评论上级序号评论维度定义权重评分1 工作绩效达成工作的数目、质量、效率102 专业知识胜任本员工作有关的基础知识、专业知识、理论水平103 专业技术达成本员工作所需技术、技巧、业务娴熟程度、经验104 创新能力在工作中,可以应用有关理论、知识睁开检查研究,改良工作,10 提出新建议、新方案,进行改良或改革5 理解、判断能正确领悟领导企图,能实时、正确地运用知识、经验,依据10 力有关状况,剖析问题,判断原由6 交流能力为顺利达成任务,见机而作办理各样矛盾;在尊敬对方的前提10 下,说明自己主张,并使对方理解,奇妙地令人采用或认可7 学习与发展热爱本员工作,拥有清晰的发展目标,不停进步,努力学习业10 能力务技术知识和有关技术对公司文化、公司理念、组织管理、领导风格等组织行为的认可、参加、8 公司认可度拥戴及热爱的程度109 踊跃性和责无需详细命令和批改,都能保持明确的工作目标和旺盛的工作10 任感热忱,不拿工作做筹码与公司和领导锱铢必较和悲观怠工10 协作性团队意识强,听从工作安排,为集体的合作精神作贡献,无独10 行独往、自作主张、和为私利排挤公司行为的状况评分共计100 第三部分综合评论年度业绩查核得分工作任务达成评论得分上司满意度查核得分综合查核得分=(工作任务达成评论得分×60%+上司满意度查核得分×40%)任职资格确认或建议:□胜任□基本胜任□不可以胜任,建议换岗□其余:部门领导:年月日分管领导:年月日总经理:年月日。
企业建筑机电安装工程申报业绩汇总
以下是企业建筑机电安装工程申报业绩的汇总:
1. XXX项目:完成了XXX平方米的建筑机电安装工程,包括电气系统、暖通空调系统和给排水系统等。
工程质量得到了业主的高度认可,并顺利通过了相关验收。
2. XXX项目:承接了XXX平方米的建筑机电安装工程,主要包括电力系统、照明系统和消防系统等。
在紧张的工期内完成了工程,并保证了工程质量和安全。
3. XXX项目:负责了XXX平方米的建筑机电安装工程,包括供水系统、排水系统和空调系统等。
在工程过程中,遇到了一些困难,但通过团队的努力和协作,成功解决了问题,并如期完成了工程。
4. XXX项目:承担了XXX平方米的建筑机电安装工程,主要包括电力系统、通风系统和给排水系统等。
在工程的施工过程中,严格按照相关标准和规范进行施工,确保了工程质量和安全。
5. XXX项目:完成了XXX平方米的建筑机电安装工程,包括电气系统、暖通空调系统和照明系统等。
在工程过程中,注重与业主的沟通和合作,保持了良好的工作关系,并顺利完成了工程目标。
以上是企业建筑机电安装工程申报业绩的汇总,展示了企业在不同项目中的工程规模和完成情况。
研发部一材料组长绩效考核计划表
研发部一材料认可人员绩效考核计划表
研发部一变更发放员绩效考核计划表
研发部一跟单资料管理员绩效考核计划表
研发部一规格书制作员绩效考核计划表
研发部一基数制作员绩效考核计划表
研发部一铭牌制作员绩效考核计划表
研发部一设计科长绩效考核计划表
研发部一设计组组长绩效考核计划表
研发部一设计科文员绩效考核计划表
研发部一试制组组长绩效考核计划表
研发部一试制员绩效考核计划表
研发部一资料组长绩效考核计划表。
机电专业技术工作业绩机电专业技术工作业绩机电专业技术工作业绩篇一:专业技术工作总结(机电物资工作) 专业技术工作总结 (机电专业技术工作业绩) 201X年6月毕业于xxxx大学机械设计制造及其自动化专业,201X年7月进入xxxxxxxx有限公司工作,现就职于xxxxxxxxxxxxx项目部机电物资部。
自参加工作以来,遵守公司及所在项目部的各项规章制度,积极服从领导的工作安排,圆满完成工作任务,维护集体荣誉,思想上主动要求进步,积极响应公司的号召,认真贯彻执行公司文件及会议精神。
工作积极努力,任劳任怨,认真学习相关管理知识,不断充实完善自己。
回顾过去一年的工作,201X年既是忙碌又是充实的一年,在学校课本上所学的都是理论性的知识,现在工作中一点一滴积累起来的实践经验,才是我一生享受不尽的宝藏。
在这一年里,遇到过困难、经受过挫折,但总的来说还是有很大的收获。
认真工作,履行个人岗位职责,加强自身能力培养。
现将这一年工作情况简要总结如下。
一、政治思想纵观现今市场经济发展形势,我对公司的前景抱有很大希望。
并希望通过自身努力为公司发展尽绵薄之力。
虽然我现在还未加入中国共产党,但一直以来,我都以党员的标准严格要求自己,自觉接受党员和同事们的监督和帮助,坚持不懈地克服自身的缺点,弥补自己的不足,争取在以后漫长的岁月中经得起考验,早日加入伟大的中国共产党。
我从做好本职工作和日常工作入手,从我做起,从现在做起,从身边小事做起并持之以恒,在本职岗位工作中尽心尽力,脚踏实地作出成绩,并不断的提高自己的岗位工作管理能力,努力熟悉、精通本职的岗位知识,争做本职工作的骨干和行家能手。
二、工作态度无论在工作还是生活当中,我始终坚信,一分耕耘一分收获。
所以,我一直在努力,努力学习,努力工作。
我热爱本职岗位工作,能够正确认真对待每一项工作,工作投入,按时出勤,有效利用工作时间,坚守岗位。
由于我们项目部工程工期紧,我们部门人员相对偏少,任务较多,切实做到跟班作业,保证按时按质按量完成计划任务,确保工程施工物资需求的及时供应。
机电工程工作业绩情况汇报尊敬的领导:
我是机电工程部门的工作人员,现在向您汇报我部门最近一段时间的工作业绩情况。
首先,我部门在机电工程方面取得了一系列显著的成绩。
在过去的几个月里,我们完成了一系列重要的工程项目,包括机电设备的安装与调试、电气系统的维护与升级、以及工厂生产线的改造与优化。
通过我们的努力,这些项目均顺利完成,为公司的生产运营提供了有力的支持。
其次,我们在安全生产方面也取得了显著成绩。
我们严格遵守安全操作规程,加强了对员工的安全培训和教育,有效提高了员工安全意识和技能水平。
在过去的一段时间里,我们没有发生任何重大的安全事故,为公司的安全生产保驾护航。
此外,我们还在节能环保方面做出了一定的贡献。
我们通过技术改造和设备更新,有效降低了能源消耗,减少了环境污染,实现了经济效益和社会效益的双赢。
最后,我部门还积极参与了各项技术交流和学习活动,不断提升自身的专业技能和知识水平。
我们不断引进新技术、新设备,不断改进工作方法,不断提高工作效率和质量。
总的来说,我部门在机电工程方面取得了一系列的工作业绩,为公司的发展做出了积极的贡献。
我们将继续努力,不断提高自身的综合素质和工作能力,为公司的发展贡献更大的力量。
谢谢您对我们工作的关注和支持!
此致。
敬礼。