焦化厂生产工序及工艺标准经过流程图
- 格式:doc
- 大小:87.79 KB
- 文档页数:25
关键词:焦化行业烧结行业矿冶行业解决方案1。
焦化行业工艺流程焦化行业工艺流程如图1.焦炉煤气(贫煤气或高炉煤气)从焦炉底孔吹入燃烧室燃烧(焦炉煤气下喷,高炉煤气混合煤气侧喷),对相邻炭化室进行加热,并采用交换机进行分时段送气切换;将粒度为〈3mm的配合煤料经加煤车送入1000℃左右炭化室进行隔绝空气加热,入炉煤在相邻燃烧室高温加热下,经高温干馏结焦形成焦炭,推焦机将成熟的焦炭从炭化室中推出,经过拦焦车,落到熄焦车的车箱中,熄焦车将炽热的焦炭(约1000℃左右)拉到熄焦塔下,用水喷洒熄焦,使红焦熄灭,温度降到300℃左右,同时控制焦炭水分在5±2%的范围内,熄完焦后,熄焦车将焦炭拉走并放至晾焦台上,再经皮带运走,干熄焦则由电机车将灼热焦炭运往干熄焦炉,用氮气置换热能,经锅炉换热,带汽轮机发电,冷却后的焦炭由旋转密封阀排除,由皮带运出;高温干馏出来的约700℃左右的荒煤气,进入上升管,经桥管氨水喷嘴连续不断地喷洒热氨水(75℃左右),使荒煤气迅速冷却至80~100℃,并与其他炭化室的荒煤气汇集一起经集气管排吸气管、气液分离器、初冷器、鼓风机加压、经产品回收工段净化后送给用户,另外还有煤焦油及苯等副产品。
2. 焦化行业控制方案a。
顺序控制方案主要为设备顺序控制,用于实现整个机组中各主要设备的监视操作、顺序启停和联锁保护等功能.焦炉加热系统换向工艺:焦炉煤气加热换向都要经历3个基本过程即:关煤气-空气与废气进行交换—开煤气;两次换向时间间隔根据加热制度、煤气种类、格子砖的清洁程度等具体情况而定;焦炉公用一个煤气总管时,为防止煤气压力变化幅度太大,影响焦炉正常加热,故几座焦炉不能同时加热,一般需相隔5min以上。
b。
联锁控制方案在焦化行业中主要的设备联锁有鼓风机联锁,油泵联锁,电捕箱联锁等,具体的联锁方案如图2所示。
c。
模拟量控制方案主要是完成整个机组的参数控制,将所有需要调整的模拟量参数稳定在运行所需要的范围内,减轻操作员的劳动强度,从而实现系统的自动控制。
焦化生产工艺及部分焦化专用阀门焦化厂主要生产车间:备煤车间、炼焦车间、煤气净化车间及其公辅设施等,各车间主要生产设施如下表所示:3、炼焦的重要意义由高温炼焦得到的焦炭可供高炉冶炼、铸造、气化和化工等工业部门作为燃料和原料;炼焦过程中得到的干馏煤气经回收、精制可得到各种芳香烃和杂环混合物,供合成纤维、医药、染料、涂料和国防等工业做原料;经净化后的焦炉煤气既是高热值燃料,也是合成氨、合成燃料和一系列有机合成工业的原料。
因此,高温炼焦不仅是煤综合利用的重要途径,也是冶金工业的重要组成成分。
政策性风险煤炭是我国最重要的能源之一,在国民经济运行中处于举足轻重的地位,焦化行业属于国家重点扶持的行业。
为建立大型钢铁循环结构,在钢铁的重要生产基地和炼焦煤生产基地建设并经营现代化大型焦化厂符合我国产业政策和经济结构调整方向,也是焦化工业发展的一个前景。
五、原料煤的准备备煤车间的生产任务是给炼焦车间提供数量充足、质量合乎要求的配合煤。
其工艺流程为:原料煤→受煤坑→煤场→斗槽→配煤盘→粉碎机→煤塔。
1、煤的接收与储存原料煤一般以汽车火车的方式从各地运输过来,邯钢焦化厂的原料煤主要来自邢台的康庄、官庄,峰峰和山西等地。
当汽车、火车到达后,与受煤坑定位后,用螺旋卸煤机把煤卸到料仓里,当送料小车开启料仓开口后,用皮带把煤料运到规定位置。
注意:每个料仓一次只能盛放同一种类别的煤。
为了保证焦炉的连续生产和稳定焦炉煤的质量,应根据煤质的类别用堆取料机把运来的煤卸放在煤场的各规定位置。
邯钢焦化厂的备煤车间用的气煤、肥煤、焦煤和瘦煤四种,按规定分别堆放在煤场的五个区。
2、煤原料的特性及配煤原则①气煤气煤的煤化程度比长焰煤高,煤的分子结构中侧链多且长,含氧量高。
在热解过程中,不仅侧链从缩合芳环上断裂,而且侧链本身又在氧键处断裂,所以生成了较多的胶质体,但黏度小,流动性大,其热稳定性差,容易分解。
在生成半焦时,分解出大量的挥发性气体,能够固化的部分较少。
最全的焦化⼚⽣产⼯艺流程(附现场图、流程图)焦化⼚总⼯艺流程图从5个⽅⾯带你进⼊焦化⼚⼯艺流程现场!⼀原料⼆备煤⼯艺三炼焦⼯艺四化⼯⽣产⼯艺五化⼯产品原料——煤⼀原料煤炭是炼焦的主要原料,根据成煤条件不同,⾃然界的煤可分为三⼤类,即腐植煤、残植煤和腐泥煤。
腐植煤在⾃然界中分布最⼴,储量最⼤,在煤炭利⽤和化学加⼯⽅⾯占有主要的位置。
煤炭分类及参数⽰例如下表:⼆备煤⼯艺1 备煤流程——备煤作业区操作完成备煤:对进⼚的洗精煤进⾏处理,以达到炼焦要求,通常把原料煤在炼焦前进⾏的⼯艺处理过程称为备煤⼯艺过程。
达到炼焦要求之后,通过⽪带被输送到煤塔供炼焦作业区使⽤。
流程:洗精煤(<80mm)由汽车运来(预留⽕车卸料系统)——螺旋卸料机卸⼊卸煤槽——按煤的种类分别由不同的运煤⽪带输送机——堆取料机主⽪带——堆存作业——上煤——堆取料机取煤经带式输送机——配煤仓——电⼦⾃动配料秤——按相应⽐例配给到仓下⽪带和除铁器除铁后——可逆反击锤式粉碎机被粉碎⾄<3mm占85%以上——焦炉煤塔内供炼焦⽤。
2 设备图解螺旋卸车机煤场和堆取料机卸料——汽车来煤⾃卸车直接⼊卸煤槽,⾮⾃卸车采⽤桥式螺旋卸车机卸车,卸约800吨/⼩时精煤堆场——煤场贮煤⾯积~34000m2,7.4万吨精煤储存量,约为炼焦17天的⽤煤量;堆场设两台DQ3025型堆取料机,单台堆料能⼒为600t/h,取料能⼒300t/h,煤场设推⼟机库,辅助堆取料机作业。
在精煤煤场设有喷洒⽔和喷洒覆盖剂装置, 可防⽌煤尘飞扬造成对周围环境的污染。
配煤仓煤塔配煤——按⽐例配合不同煤种, 使配合煤达到符合炼焦⽤煤的要求, 配煤仓为直径8⽶的双曲线⽃嘴仓7个。
每个仓的储量约为500t。
煤仓双曲线钢漏⽃内衬超⾼分⼦塑料板,防⽌棚料。
仓下配煤设备采⽤配料稳定, 配⽐准确, ⾃动化程度⾼的电⼦⾃动配料秤, 系统控制为PLC 控制。
粉碎——选⽤可逆反击锤式粉碎机PFCK两台, 其单台破粹能⼒为250t/h, ⼀开⼀备。
备煤炼焦所用精煤,一方面由外部购入,另一方面由原煤经洗煤后所得,洗精煤由皮带机送入精煤场。
精煤经受煤坑下的电子自动配料称将四种煤按相应的比例送到带式输送机上除铁后,进入可逆反击锤式粉碎机粉碎后(小于3mm占90%以上),经带式输送机送至焦炉煤塔内供炼焦用。
炼焦装煤推焦车在煤塔下取煤,捣固成煤饼后,按作业计划从机侧推入炭化室内。
煤饼在炭化室内经过一个结焦周期的高温干馏,炼成焦炭并产生荒煤气。
炭化室内的煤饼结焦成熟后,由装煤推焦机推出并通过拦焦机的导焦栅送入熄焦车内。
熄焦车由电机牵引至熄焦塔熄焦。
熄焦后的焦炭卸至凉焦台,冷却后送往筛焦楼进行筛分和外运。
煤在干馏过程中产生的荒煤气汇集到炭化室的顶部空间,经上升管、桥管进入集气管。
700℃的荒煤气在桥管内经过氨水喷洒后温度降至85℃左右,煤气和冷凝下来的焦油氨水一起经吸煤气管道送入煤气回收车间进行煤气净化及焦油回收。
焦炉加热燃用的净化煤气经预热器预热至45℃左右进入地下室,通过下喷管把煤气送入燃烧室立火道,燃烧后的废气经烟道、烟囱排入大气。
冷鼓由焦炉送来的80-83℃的荒煤气,沿吸煤气管道入气液分离器。
经气液分离后,煤气进入初冷器进行两段间接冷却;上段用32℃循环水冷却煤气,下段用16-18℃低温水冷却煤气,使煤气冷却至22℃,然后经捕雾器入电捕焦油器除去悬浮的焦油雾后进入鼓风机,煤气由鼓风机加压送至脱硫工段。
在初冷器下段用含有一定量焦油、氨水的混合液进行喷洒,以防止初冷器冷却水管外壁积萘,提高煤气冷却效果。
由气液分离器分离出的焦油氨水混合液自流入机械化氨水澄清槽,进行氨水、焦油和焦油渣的分离。
分离后的氨水自流入循环氨水中间槽,用泵送到焦炉集气管喷洒冷却荒煤气,多余的氨水(即剩余氨水)送入剩余氨水槽,焦油自流入焦油中间槽,然后用泵将焦油送至焦油贮槽,静置脱水后外售,分离出的焦油渣定期用车送至煤场掺入精煤中炼焦。
脱硫来自冷鼓工段的粗煤气进入脱硫塔下部与塔顶喷淋下来的脱硫液逆流接触洗涤后,煤气经捕雾段除去雾滴后全部送至硫铵工段。
焦化厂焦化厂主要生产工艺流程图焦化厂主要1#、2#焦炉、备煤、运焦、化产、干熄焦组成,每座焦炉为65孔5.5米捣固焦。
年产130万吨焦炭(主要工艺流程如图)一、焦化厂主要设备参数如下:1、(预)粉碎机PFCK—1825*3台2、捣固机(固定式24锤、轨道中心距:2000mm、轨型:50kg/m、捣固锤重量:460kg/锤、捣固行程:400mm)3、装煤车(轨距:QU120、轨道中心距:12000mm、运行机构速度:7.5-75米/min、煤饼高度:5322mm、煤饼重量:40.2吨)4、推焦车(轨距:QU120、轨道中心距:12000mm、推焦速度:2.7-27米/min、推焦量:30吨/孔)5、拦焦车(轨距:QU100、导焦栅工作行程:3400mm)6、熄焦车(轨距:QU100、轨道中心距:2800mm、运行机构速度:10-200米/min、牵引重量:240吨)7、横管冷却器FN4000m2*4台8、电捕焦油器(DN5200 H=14544)*2台9、循环氨水泵(Q=1957m3/h H=50m 附电机N=355KW 10KV)*2台10、饱和器(DN5000/3800 H=11260)*2台11、洗苯塔(DN5600 H=34300)*1台12、脱硫塔(DN7000 H=32300)*2台13、圆筒管式加热炉(5.815MW-2.45Mpa-Φ140/Φ114)*1台14、预冷塔(DN5600 H=22500)*1台15、脱硫塔(DN7000 H=32300)*2台16、脱硫液循环泵(Q=2020m3/h H=65M附电机N=560KW 10KV)*3台17、干熄焦(处理能力170吨/每小时)二、焦化厂能源介质:1、蒸汽参数(P=0.7Mpa,t=饱和170℃,Q=40t/h,管径D325×8和D219×6共两路,或者一路D377×7):2、氮气参数(0.7Mpa,D108×4,Q=11 m3/min,最大Q=29 m3/min):3、生活水参数(D108×4,P=0.35Mpa,最大小时量13 m3/h,昼夜用量38 m3/d):4、生产消防水参数(两路来水D325×8, P=0.5Mpa,Q=280m3/h)5、压缩空气参数(0.7Mpa,D219×6,Q=105 m3/min);压缩空气(净化后)除尘和干熄焦用0.7Mpa,D133×4, Q=38 m3/min。
焦化厂工艺流程图焦化厂工艺流程图焦化厂是将煤炭进行焦化反应,生产出焦炭、煤气和焦炉煤气净化所用焦炉煤气等产品的生产设备。
下面是一个简化的焦化厂工艺流程图的描述。
原料准备阶段:首先,从矿山或仓库将煤炭运至焦化厂,经过称重和挑选后,将煤炭进行破碎、分级,确保粒度符合要求。
然后通过输送设备将煤炭送入焦炉料斗。
炼焦阶段:焦炉料斗中的煤炭定量进入焦炉,煤气和烟渣经过焦炉顶部的管道排出。
在焦炉内,煤炭会燃烧产生高温,从而使煤炭发生热解、干馏等化学反应,并产生焦炭、焦炉煤气和焦炉煤气净化所用焦炉煤气等产品。
焦炭会积聚在焦炉底部,焦炉煤气则通过管道输送到后续处理环节。
焦炉煤气的处理:焦炉煤气经过炉顶冷却后,通过焦炉底部的煤气出口进入焦炉煤气净化装置。
首先,通过焦炉煤气净化塔去除焦油并净化煤气。
然后,净化后的焦炉煤气被分为两部分:一部分经过进气机进入焦炉顶部作为燃料,另一部分进入脱硫、除尘等后续处理设备。
焦炭的处理:焦炭从焦炉底部卸下,进入焦场。
首先,通过冷却装置对焦炭进行冷却,然后经过除渣装置去除附着在焦炭表面的渣滓。
接着,焦炭会经过一系列的粉碎、筛分等处理步骤,获得符合要求的焦炭产品。
煤气的综合利用:焦炉煤气经过脱硫、除尘等后续处理环节后,可以用作燃料供应给焦炉,同时也可供应给其他热源和动力设备。
此外,焦炉煤气中还含有一定比例的沥青烃,可以进行加氢处理,用于生产石油产品。
废水处理:在焦化过程中产生的废水需要经过处理后排放。
废水通过一系列的处理设备进行沉淀、过滤和中和等处理,去除其中的悬浮物、重金属和酸碱物质,然后进行消毒处理,最终达到国家环保标准后排放。
以上是一个简化的焦化厂工艺流程图的描述。
焦化厂的工艺流程十分复杂,涉及多个设备和环节,但总的来说,焦炭的生产主要包括原料准备、煤炭炼焦、焦炉煤气处理、焦炭处理、煤气综合利用和废水处理等步骤。
焦化厂需要充分考虑环保因素,采取有效的措施减少对环境的影响。
焦化厂工艺流程22焦化厂工艺流程焦化厂的生产工艺焦化厂有9个生产车间,分别为备煤车间、一号炼焦车间、二号炼焦车间、运焦车间、一回收车间、二回收车间、热力车间、维修车间和精制车间。
焦化厂主要生产车间:备煤车间、炼焦车间、煤气净化车间及其公辅设施等,各车间主要生产设施如下表所示:序号系统名称主要生产设施1备煤车间煤仓、配煤室、粉碎机室、皮带机运输系统、煤制样室2炼焦车间煤塔、焦炉、装煤设施、推焦设施、拦焦设施、熄焦塔、筛运焦工段(包括焦台、筛焦楼)3煤气净化车间冷鼓工段(包括风机房、初冷器、电捕焦油器等设施);脱氨工段(包括洗氨塔、蒸氨塔、氨分解炉等设施);粗苯工段(包括终冷器、洗苯塔、脱苯塔等设施) 4公辅设施废水处理站、供配电系统、给排水系统、综合水泵房、备煤除尘系统、筛运焦除尘系统、化验室等设施、制冷站等3、炼焦的重要意义由高温炼焦得到的焦炭可供高炉冶炼、铸造、气化和化工等工业部门作为燃料和原料;炼焦过程中得到的干馏煤气经回收、精制可得到各种芳香烃和杂环混合物,供合成纤维、医药、染料、涂料和国防等工业做原料;经净化后的焦炉煤气既是高热值燃料,也是合成氨、合成燃料和一系列有机合成工业的原料。
因此,高温炼焦不仅是煤综合利用的重要途径,也是冶金工业的重要组成成分。
政策性风险煤炭是我国最重要的能源之一在国民经济运行中处于举足轻重的地位焦化行业属于国家重点扶持的行业。
为建立大型钢铁循环结构,在钢铁的重要生产基地和炼焦煤生产基地建设并经营现代化大型焦化厂符合我国产业政策和经济结构调整方向也是焦化工业发展的一个前景。
五、原料煤的准备备煤车间的生产任务是给炼焦车间提供数量充足、质量合乎要求的配合煤。
其工艺流程为:原料煤→受煤坑→煤场→斗槽→配煤盘→粉碎机→煤塔。
1、煤的接收与储存原料煤一般以汽车火车的方式从各地运输过来,邯钢焦化厂的原料煤主要来自邢台的康庄、官庄,峰峰和山西等地。
当汽车、火车到达后,与受煤坑定位后,用螺旋卸煤机把煤卸到料仓里,当送料小车开启料仓开口后,用皮带把煤料运到规定位置。
最全的焦化厂生产工艺流程(附现场图)焦化厂总工艺流程图从5个方面带你进入焦化厂工艺流程现场一原料二备煤工艺三炼焦工艺四化工生产工艺五化工产品一原料——煤煤炭是炼焦的主要原料,根据成煤条件不同,自然界的煤可分为三大类,即腐植煤、残植煤和腐泥煤。
腐植煤在自然界中分布最广,储量最大,在煤炭利用和化学加工方面占有主要的位置。
煤炭分类及参数示例如下表:二备煤工艺1 备煤流程——备煤作业区操作完成备煤:对进厂的洗精煤进行处理,以达到炼焦要求,通常把原料煤在炼焦前进行的工艺处理过程称为备煤工艺过程。
达到炼焦要求之后,通过皮带被输送到煤塔供炼焦作业区使用。
流程:洗精煤(<80mm)由汽车运来(预留火车卸料系统)——螺旋卸料机卸入卸煤槽——按煤的种类分别由不同的运煤皮带输送机——堆取料机主皮带——堆存作业——上煤——堆取料机取煤经带式输送机——配煤仓——电子自动配料秤——按相应比例配给到仓下皮带和除铁器除铁后——可逆反击锤式粉碎机被粉碎至<3mm占85%以上——焦炉煤塔内供炼焦用。
2 设备图解螺旋卸车机煤场和堆取料机卸料——汽车来煤自卸车直接入卸煤槽,非自卸车采用桥式螺旋卸车机卸车,卸约800吨/小时精煤堆场——煤场贮煤面积~34000m2,7.4万吨精煤储存量,约为炼焦17天的用煤量;堆场设两台DQ3025型堆取料机,单台堆料能力为600t/h,取料能力300t/h,煤场设推土机库,辅助堆取料机作业。
在精煤煤场设有喷洒水和喷洒覆盖剂装置, 可防止煤尘飞扬造成对周围环境的污染。
配煤仓煤塔配煤——按比例配合不同煤种, 使配合煤达到符合炼焦用煤的要求, 配煤仓为直径8米的双曲线斗嘴仓7个。
每个仓的储量约为500t。
煤仓双曲线钢漏斗内衬超高分子塑料板,防止棚料。
仓下配煤设备采用配料稳定, 配比准确, 自动化程度高的电子自动配料秤, 系统控制为PLC控制。
粉碎——选用可逆反击锤式粉碎机PFCK两台, 其单台破粹能力为250t/h, 一开一备。
洗精厂精洗煤筛焦、熄焦焦粉1-2汽车运输皮带卸料小车2-31-2圆盘给料机精煤大棚2-31-21、21、2运焦粉皮带铲车2-51-2烘干机受煤坑2-31-2球磨机备1皮带2-31-2给料机配煤仓2-31-2螺旋搅拌机电子皮带秤1-2备2皮带1-2备3皮带1煤尘2 噪声3其它粉尘4高温5辐射热破碎机1-2备4皮带1-2备5皮带1-2炼焦煤塔图5-2 备煤工艺流程图煤塔炭化室装煤车筛焦车间晾焦台熄焦塔熄焦车拦焦车推焦车荒煤气烟气粉尘排入大气出口上升管烟囱吸尘管道桥管消声器烟气换热阀集气管荒煤气鼓风机净化器布袋过滤储气阀非常阀TT型管吸气管化产净化回炉煤气主管1#、2#焦炉地下室煤气预热器加减考克孔板盒回炉煤气总管净煤气交换旋塞蓄热室斜道斜道燃烧室烧嘴砖煤气道横管喷嘴直管废气废气盘小烟道蓄热室斜道下降气流火道跨越孔空气废气盘小烟道废气循环孔排入大气烟囱总烟道分烟道图5-3 炼焦工艺流程图2-23推焦车2-222-23 2-22 1.3-23 1.3-23 2-22焦炭焦炭2-22 2-24 焦炭煤塔捣固机晾焦台熄焦塔熄焦车炭化室装煤车烟气粉尘荒煤气3.52-23筛焦车间拦焦车布袋过滤除尘上升管2-223.5排入大气风机桥管荒煤气焦油2-22.24冷鼓煤气净化机械化澄清槽焦油集气管2-221煤尘2辐射热3其他粉尘4高温5 噪声6一氧化碳7二氧化碳8二氧化硫9一氧化氮10二氧化氮11苯12甲苯硫化氢2-22荒煤气13 二甲苯14氨15萘16蒽17吡啶18呋喃19煤焦油沥青挥发物20焦炉逸散物21 3,4苯丙芘22苯酚23全身振动排入大气回炉煤气总管2-222-222-22烟囱蓄热室废气燃烧室斜道图5-4 炼焦工艺流程图熄焦车晾焦台焦1皮带除尘器焦2皮带溜槽卸灰溜槽打扫漏料清扫漏料焦仓焦3皮带返焦皮带外运卸料车13 二甲苯14氨15萘16蒽17吡啶18呋喃19煤焦油沥青挥发物20焦炉逸散物21 3,4苯丙芘22苯酚28硫化氢中间转运站焦场焦仓汽车拉运备煤车间图5-5 筛焦工艺流程图熄焦车2-225-222-22熄焦塔熄焦泵焦炭熄焦循环水熄焦循环水2-225-22沉淀池熄焦池晾焦台5-225-22布袋除尘器沉淀4-5焦1皮带抓斗4-5焦粉溜槽煤备焦粉工段焦粉晾台4-54卸灰焦2皮带1煤尘2辐射热3高温4其他粉尘5 噪声6一氧化碳7二氧化碳8二氧化硫9一氧化氮10二氧化氮11苯12甲苯4-54-513 二甲苯14氨15萘16蒽17吡啶18呋喃19煤焦油沥青挥发物20焦炉逸散物21 3,4苯丙芘22苯酚溜槽4-5焦3皮带4-5卸料车4-5焦场图5-6 熄焦和筛焦工艺流程图脱硫剂硫酸新洗油焦炉5-20.224-225-205-21.235-21管式炉外管荒煤气洗脱苯硫胺脱硫及硫回收冷鼓电捕5-20金属镁粗苯储槽锅炉硫磺外售外售硫胺外售外售6-21外售氨水5-22其它用户焦炉循环氨水槽6-205.14.245-22碱液6-20熄焦生化蒸氨剩余氨水槽机械化澄清器6-201煤尘2辐射热3其他粉尘4高温5 噪声6一氧化碳7二氧化碳8二氧化硫9一氧化氮10二氧化氮11苯12甲苯13 二甲苯焦油14氨15萘16蒽17吡啶18呋喃19煤焦油沥青挥发物20苯酚21溶剂汽油22氢氧化钠23硫酸24甲酚外售焦油槽5-20焦油渣备煤焦油渣槽图5-7 化产工艺流程炼焦荒煤气、氨水4-216-206-214-20焦油中间罐机械澄清器气液分离器6-205-206-21煤气循环氨水槽焦油储槽4-206-206-21焦油泵循环氨水泵初冷器化工厂剩余槽6-204-20焦炉电捕剩余氨水泵4-20鼓风机脱硫蒸氨脱硫工段图5-7-1 冷鼓工艺流程图循环水池制冷水池新鲜水池5.14.21555循环水泵制冷泵旁滤间新鲜水泵5-20初冷器全厂生活用水5-20软化处理终冷塔4高温5 噪声6一氧化碳7二氧化碳8二氧化硫9一氧化氮10二氧化氮11苯12甲苯13 二甲苯14氨15萘16蒽17吡啶18呋喃19煤焦油沥青挥发物20苯酚21焦油挥发物22溶剂汽油5.14.215冷水泵冷水池图5-7-2 冷鼓水处理工艺流程图剩余氨水12-20氨水过滤器5.12-20 冷鼓煤气12-20硫胺工段氨水换热器冷凝冷却器4.5.12-20 5-20蒸氨塔4.12-20 6-20脱硫塔12-206-20脱硫液封槽废水换热器再生塔溶液循环槽12-206-20废水槽12-2012-20硫泡沫槽6-20溶液换热器废水冷却器熔硫釜6-20溶液缓冲槽生化工段14氨15萘16蒽17吡啶18呋喃19煤焦油沥青挥发物20苯酚4高温5 噪声6一氧化碳7二氧化碳8二氧化硫9一氧化氮10二氧化氮11苯12甲苯13 二甲苯图5-8 脱硫工艺流程图外购酸22硫酸地下槽焦炉煤气硫酸泵6-21脱硫回收226-2011-20 11-20 硫酸槽煤气预热器结晶槽6-20离心机6-20饱和器母液泵结晶泵11-20蒸汽螺旋输送机11-204.511-2012-20冷凝水干燥器热风器母液储槽11-20511-20喷洒泵旋风除尘器进风口送风机11-194高温5 噪声6一氧化碳7二氧化碳8二氧化硫9一氧化氮10二氧化氮11苯12甲苯11-20放料槽13 二甲苯14氨15萘16蒽17吡啶18呋喃19煤焦油沥青挥发物20硫酸11-19水浴除尘器11-20硫铵11-20母液槽包装外售图5-9 硫胺工艺流程图用户放散2-152-14煤气洗苯塔硫铵煤气终冷塔残油渣锅炉蒸汽煤气2-142-14冷凝液罐再生器槽8-15贫油富油2-14加温控制分离器器脱苯塔。
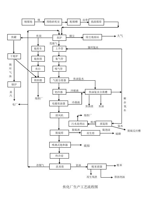
焦化厂生产工艺流程一、焦系统工艺流程图煤塔→振动给料机→ 捣固机→捣固装煤车→荒煤气→上升管→桥管→集气管→吸气管→气液分离器→回收分厂↑→ 焦炉→罩式拦焦车→熄焦车→熄焦塔→凉焦台→焦1皮带→焦2皮带→↑ ↘↓推焦车↘↑ ↓ ↓消烟除尘车→除尘通风机→ 烟囱→焦3皮带→焦4皮带→单层振动筛→焦5皮带→分料器→焦6皮带↓ ↓ ↓↓ 焦7皮带可逆输送机↓ ↓ ↓中焦焦仓←25~40㎜级←双层振动筛焦8皮带大焦焦仓→火车外运↙↓ ↓小焦焦仓←10~25㎜级<10㎜级→焦沫仓>40㎜级大焦焦场→汽车外运二、鼓冷系统工艺流程从焦炉来的荒煤气、氨水、焦油首先在气液分离器进行气液分离,分离出的粗煤气分别进入初冷器;分离下来的焦油、氨水和焦油渣一起进入进入机械化氨水澄清槽。
离开气液分离器的煤气进入横管式初冷器,初冷器分上、下两段,在初冷器上段,用循环水间接冷却煤气冷却至45℃,再经下段制冷水间接冷却,使煤气进一步降温至22℃,冷却后的煤气进入旋流板捕雾器,最后进入煤气鼓风机进行加压,加压后煤气进入电捕焦油器,捕集焦油雾滴后的煤气,送往脱硫及硫回收工段。
初冷器的煤气冷凝液分别由初冷器上、下段流出,分别经初冷水封槽进入上、下段冷凝液循环槽,由冷凝液循环泵送至初冷器上、下段喷淋,吸收净化煤气中的奈,多余部分下段冷凝液循环泵外排气液分离器前荒煤气管上或焦油氨水机械分离槽内。
由气液分离器来的氨水焦油混合液自流入机械化氨水澄清槽,在槽内经重力分离作用,上层为澄清的氨水,连续满流至循环氨水槽,经循环氨水泵加压后,送焦炉桥管处喷洒冷却荒煤气。
多余的氨水去剩余氨水槽,用剩余氨水泵送至脱硫工段进行蒸氨。
中部为焦油,经焦油液位调节器连续压入焦油中间槽,当达到一定液位时,用焦油泵将其送至焦油槽,焦油需外售时,用焦油泵送往装车台装车外售。
焦油渣则沉淀于澄清槽底部,经链条刮板机连续刮出槽外。
定期送往煤场掺混炼焦。
三、循环水流程由循环水池来的循环水经循环水泵加压后分别供给横管初冷器一段、风机油冷却器、予冷塔换热器,氨水废水冷却器、氨分缩器,粗苯冷凝冷却器,一段油水换热器、空压站。
焦化厂生产工序及工艺流程焦化厂的生产车间由备煤筛焦车间、炼焦车间、煤气净化车间及相配套的公用工程组成。
产品焦炭和副产品煤焦油、硫膏、硫铵、粗苯等外售。
焦炉煤气经净化后,部分返回焦炉和化产系统作为燃料气,剩余煤气全部外供发电用燃料气。
焦化厂主要生产工序包括:备煤,炼焦、熄焦,筛贮焦,冷鼓、电捕、脱硫及硫回收、蒸氨、硫铵、洗脱苯等工序。
洗精煤—备配煤—炼焦—熄焦—筛贮焦—煤气净化及化产回收—煤气外送。
生产工序如下图所示:洗精煤去管式炉净化煤气外供燃料气1. 备配煤工序备配煤是焦化工程的第一道工序,主要是负责洗精煤的贮运、配煤、粉碎、输送,为焦炉提供合格原料。
备配煤工序主要由储煤场及地下配煤槽、粉碎机楼和胶带机通廊及转运站等组成。
2. 炼焦、熄焦工序炼焦、熄焦是焦化工程的第二步工序,也是最核心的工艺,主要负责将合格的配合精煤采用高温干馏工艺炼成焦炭,并采用湿法熄焦工艺将焦炭熄火降温。
炼焦过程副产荒煤气。
焦化厂炼焦、熄焦工序包括1#、2#焦炉、煤塔、间台、端台、炉门修理站、推焦杆及煤槽底板更换站、装煤出焦除尘地面站、熄焦系统、熄焦塔、晾焦台、粉焦沉淀池、熄焦泵房、烟囱及相应配套焦炉机械。
3. 筛贮焦工序筛贮焦是焦化工程的第三步工序,筛贮焦工序主要负责将炼焦工序熄火的焦炭进行筛分、输送、储存。
焦炭筛分为>35mm、35-15mm、<15mm三个级别外售。
4. 冷凝鼓风工序冷凝鼓风工序的主要任务是对来自焦炉的荒煤气进行冷凝冷却、加压,脱除煤气中的萘及焦油雾,焦油与氨水的分离贮存及焦油、循环氨水、剩余氨水的输送等。
5. 脱硫及硫回收工序脱硫及硫回收工序的任务是将来自冷凝鼓风工序焦炉煤气中所含各种硫化物和氰化物脱除,使煤气中的硫化氢含量脱至200mg/Nm3以下送出。
浮选出的硫泡沫经熔硫釜连续熔硫,副产硫磺外售。
6. 蒸氨工序蒸氨工序的任务是将冷鼓来的剩余氨水在蒸氨塔中用蒸汽蒸出,蒸出的氨汽经氨分缩器冷却,冷凝下来的液体入蒸氨塔顶作回流,未冷凝的氨汽用循环水冷凝成浓氨水送脱硫工序作为脱硫补充液。
7. 硫铵工序硫铵工序的任务是将来自冷鼓工序的煤气进入硫铵饱和器与硫酸接触吸收煤气中的氨,并生成硫铵,可将煤气中的氨含量降至不大于0.05g/Nm3,同时生成含量大于98%,粒度约为0.5mm的硫铵产品。
8. 终冷、洗脱苯工序本工序包括终冷、洗苯、脱苯三部分。
终冷为焦炉煤气的最终冷却,主要是将硫铵工序来的煤气冷却到25~27℃后去洗苯塔,温度低有利于苯的吸收。
洗苯主要是采用焦油洗油吸收煤气中的苯,洗苯后煤气含苯量为2g/Nm3~5g/Nm3。
脱苯是将洗苯后的含苯富油加热回收粗苯,采用管式炉加热富油,一塔脱苯工艺生产粗苯,脱苯后的贫油返回洗苯塔循环使用。
煤气经洗苯后部分返回焦炉和化产工序自用,剩余煤气外供发电燃料气。
工艺流程焦化厂采用机械化配煤,捣固侧装煤高温干馏炼焦技术生产焦炭,焦炉煤气经净化、回收化工产品后,一部分返回焦炉、化产自用,剩余煤气外供。
1. 备配煤、筛储焦(1)备配煤备煤系统能力按100万吨/年焦炭规模设计,配煤系统能力为250t/h。
煤场内使用装载机堆取煤,带式输送机上料。
备煤系统采用先配煤后粉碎工艺。
外购的洗精煤由带式输送机输送入精煤场,由装载机给入地下配煤槽,由地下配煤槽下部的园盘给料机将煤给入备1带式输送机,配煤槽下电子自动配料秤将各种煤按相应的配合比例配到配煤仓下的备2带式输送机,再经两个转运站和备3、备4带式输送机输送并经其上的除铁器除铁后,进入破碎机厂房,经可逆反击锤式破碎机破碎,煤被破碎至粒度低于3mm占90%以上,符合炼焦用煤要求后由破碎机厂房输煤栈桥内备5带式输送机及其上的电动犁式卸料小车将煤送入煤塔待用。
本工序主要装备有装载机、地下配煤槽、破碎机楼、可逆反击锤式破碎机、煤塔顶层回转布料机和带式输送机。
备煤车间工艺流程框图(2)筛储焦筛储焦负责将炼焦工序熄火的焦炭进行筛分、输送、储存。
筛焦楼完成筛分工作,焦炭筛分为>35mm、35-15mm、<15mm三个级别。
焦炉生产的焦炭熄焦后放于凉焦台,经刮板放焦机刮入焦1带式输送机,经转运站和焦2带式输送机送到筛焦楼。
进入筛焦楼的焦炭先通过蓖式固定筛将焦炭进行筛分,筛上物(>35mm)经溜槽卸入>35mm焦炭贮仓内,或经高架卸焦棧桥卸入焦场贮存和外售。
筛下物(<35mm)则进入1530双层焦炭振动筛,将其分为35~15mm 和>15mm二级,并分别进入相应焦仓中贮存或经高架卸焦棧桥卸入焦场贮存和外售。
筛焦楼设有通风装置,在各建构筑物设有水冲洗地坪设施。
2. 炼焦焦化厂焦炉选用ZHJL5552D型捣固焦炉,规模为2×55孔,该焦炉为宽炭化室、宽蓄热室、双联火道、废气循环、下喷、复热式焦炉,采用煤饼捣固,侧装高温干馏炼焦技术。
由备配煤工序来的洗精煤,由输煤栈桥运至煤塔,装煤机行自煤塔下方,通过摇动给料器将煤装入装煤机的煤箱内,用两台21锤微移动捣固机逐层捣实,然后将捣好的煤饼由装煤车按作业计划从机侧装入炭化室。
煤饼在炭化室内950-1050℃的高温下干馏,经过约~23小时的干馏,即可成熟。
成熟的焦炭由推焦车推出,经拦焦车导入熄焦车,然后由熄焦车送至熄焦塔喷水熄灭红焦,熄焦后的焦炭卸至凉焦台。
未熄灭的红焦在凉焦台上补充熄焦、凉焦后,由刮板放焦机放至胶带输送机送至筛储焦。
煤在炭化室干馏过程中产生的荒煤气,经炭化室顶部、上升管、桥管汇入集气管,在桥管和集气管内用压力为0.25~0.4MPa、温度约75℃的循环氨水喷洒冷却,使700℃左右的荒煤气冷至82℃左右,再经吸气管和荒煤气管抽至冷鼓工序,在集气管内冷凝下来的焦油和氨水经焦油盒、吸煤气管进入煤气净化车间进行煤气净化及化学产品的回收。
焦炉加热用回炉煤气由外管送至焦炉地下室,经煤气总管、煤气预热器、煤气主管、煤气支管进入燃烧室,在燃烧室内与经过蓄热室预热的空气混合燃烧。
混合后的煤气、空气在燃烧室由于部分废气循环,使火焰加长,使加热更加均匀合理,燃烧烟气温度可达1300~1320℃,燃烧后的废气经跨越孔、立火道、斜道,在蓄热室与格子砖换热,把废气的部分显热回收后依次进入分烟道、总烟道、烟囱排入大气。
1#、2#焦炉共用一座145m高的烟囱。
3. 装煤出焦烟尘治理焦炉装煤出焦烟尘采用装煤侧导式除尘+出焦地面除尘站工艺。
装煤侧导式除尘是在炉顶装导烟车,在捣固装煤车上设密封炉门框,用于在装煤期间密封机侧炉门,使装煤时的烟尘经过U型管导烟车导入被装煤碳化室的n+2个结焦末期的炭化室中燃烧,同时开启集气管中的高压氨水把燃烧后的烟气利用负压吸入集气管中,达到无烟装煤的目的。
焦炉出焦除尘采用出焦地面除尘站工艺。
出焦时烟对接套筒与设在焦侧的固定接口阀接通,并先于推焦杆动作30秒钟向地面除尘系统发出信号,通风机由液力偶合器控制开始由低速向高速运行,然后推焦杆进行推焦,推焦过程中产生的大量阵发性高温含尘烟气在焦炭热浮力及风机的作用下收入设置在导焦车上的大型吸气罩,然后通过接口翻板阀使烟气进入集尘干管,送入蓄热式冷却器冷却,并对较大颗粒焦尘进行粗分离,使烟气在110℃以下进入除尘器进行净化,净化后的烟气经通风机、消声器、烟囱排入大气。
在除尘器及冷却器中被捕集下来的粉尘经气动双层排尘阀进入刮板运输机,由刮板运输机送入粉尘仓,最后由加湿卸灰机加湿,定期将粉尘送往用于制砖原料。
通风机配备液力偶合器调速,使通风机在出焦时高速运转,而在出焦间歇时使风机以低转速运行,可节省电能。
在风机低转速时自动开启冷风阀,同时使冷却器的蓄热板冷却,为下次出焦做准备。
除尘地面站采用大型脉冲布袋除尘器,其除尘效率均可达到99.0%以上,排放口含尘浓度均低于50mg/m3,排放口的大气污染物的排放浓度符合《炼焦工业污染物排放标准》GB16171-2010中表5中大气污染物排放浓度限值标准。
4、熄焦本项目采用湿法熄焦技术。
湿法熄焦系统包括熄焦泵房、高位水箱、熄焦塔、熄焦水喷洒管、除尘用捕集装置、粉焦沉淀池、清水池、粉焦脱水台和电动单轨抓斗起重机、焦台、刮板放焦机等。
熄焦泵房内设有两台熄焦泵,一开一备。
与高位水箱相连的快速启闭电磁控制阀(或电动型法兰蝶阀)的开启由红外遥控探头自动控制,由时间继电器控制每次熄焦时间。
当载有红焦的熄焦车开至熄焦塔下时,经红外遥控探头自动控制,开启阀门,进行约30秒喷洒,此时由时间继电器控制闭阀,控时约30秒后再次开启阀门约80秒.总喷洒熄焦时间控制在~110秒,保证红焦熄灭。
为了保证塔捕集焦尘的效率,在泵房设有清水冲洗泵,定期对捕集装置进行冲洗。
为了定时清理粉焦沉淀池内粉焦,设计选用了电动抓斗,定时将沉淀池底的粉焦抓到粉焦脱水台上,脱水外运。
熄焦水进入粉焦沉淀池内,经沉淀分离粉焦后,上层清水溢流入清水池,用泵打入熄焦塔重复使用。
熄焦塔高68米,熄焦塔下部设有熄焦水喷洒管,顶部设有折流式木结构的捕集装置,可捕集熄焦时产生的焦粉和水滴,除尘效率可达60%以上,有效改善周围环境。
炼焦工序工艺流程方框示意图如下。
炼焦熄焦工艺流程简图5、冷凝鼓风本工序的任务是将煤气冷凝、冷却和加压输送;焦油、氨水和焦油渣的分离、贮存和输送;煤气中焦油雾滴及萘的脱除。
自焦炉吸气总管来的煤气、焦油、氨水混合物约82℃经气液分离器分离焦油、氨水后,荒煤气由横管冷却器(E81501A/B/C)顶部进入,在一段与逆流而上的循环水间接换热(冬季一段与采暖水换热)使其温度由80-82℃降至45℃左右,再进入二段与低温水逆错流间接换热进一步降温到22℃,同时煤气中所含的轻焦油、低沸点物质、水份被冷凝下来。
初冷后的煤气从横管初冷器下部排出,进入电捕焦油器(X81501A/B),最大限度地清除煤气中的焦油雾滴后进入离心式煤气鼓风机(C81501A/B)加压,加压后的煤气升温至42℃左右,升压至39.2kPa左右送入脱硫工序。
气液分离器分离出的焦油氨水流入机械化焦油氨水澄清槽(V81502A/B/C)内澄清分层,分离氨水后的焦油通过液面调节器流至焦油中间槽(V81505),再由焦油泵(P81503A/B)送入焦油贮槽,由蒸汽加热盘管加热至80℃左右静置分离氨水后待外售。
在机械化焦油氨水澄清槽中分离焦油后的热稀氨水约75-78℃溢流至循环氨水槽(V81503B),经循环氨水泵(P81501A/B),高压氨水泵(P81511A/B)加压后送焦炉供喷淋冷却和清扫用。
剩余氨水进入剩余氨水槽(81504 A/B),由剩余氨水泵(P81502A/B)连续送往蒸氨工序用作蒸氨原料;沉淀下来的焦油渣由刮板输送机连续刮送至漏嘴排出槽外,定期送往煤场配煤炼焦。
横管初冷器上段(一段)排出的冷凝液进入初冷器水封槽(V81501A),由上段冷凝液循环泵(P81504A/B)送至初冷器上段顶部循环喷洒。