3水导轴承解体装复方案
- 格式:doc
- 大小:76.50 KB
- 文档页数:6
金沙江溪洛渡水电站*岸电站机电设备安装与调试工程(合同编号: ********** 200902 )水导轴承安装安装技术方案审核:*******校核:*******编写:*******中国*****有限公司溪洛渡机电安装项目部二零一一年九月目录水导轴承安装技术方案 (3)1 简述 (3)1.1 安装工程内容 (3)1.2 水导轴承安装工程量安装工程量 (3)1.3 水导轴承结构图 (3)2 施工准备 (3)3 主要质量控制点和质量检测标准 (4)4 施工流程及程序说明 (5)4.1 安装流程图 (5)4.2 施工准备 (5)4.3 施工工艺说明 (6)5 施工工期 (11)6 资源配置 (11)6.1 劳动力计划 (11)6.2 主要安装工器具 (11)7 安全文明生产和安全保证措施 (12)7.1 安全文明生产和现场安全保证措施 (12)水导轴承安装技术方案1 简述1.1 安装工程内容水轮机导轴承本体,包括油箱体、轴瓦支承环、挡油圈、油槽底环、挡油环、支承块、导轴瓦、止推块、可调楔块、间隔板、内置供油环管及喷油支管、油槽盖板的安装;附件安装,包括油位计、呼吸器、瓦温计、油温计、油混水报警装置等;外循环油冷却系统及管路的安装包含在水轮机管道系统安装项目中。
1.2 水导轴承安装工程量安装工程量水导轴承主要安装工程量见表-1。
表-1水导轴承主要安装工程量名称单位数量工程量油箱体项 1轴瓦支承环安装项挡油圈拼焊及安装项 1油槽底环安装项 1支承块安装项 1挡油环安装项 1导轴瓦及止推块预装及安装项 1油槽盖板安装项 1外置油冷器项 1外置油泵台 21.3 水导轴承结构图水导轴承结构图。
2 施工准备1)外冷却器在后方拼装厂内完成清扫、试压工作。
运进厂房,直接吊入相应机组段水轮机机坑里衬凹槽内的安装位置;2)在转轮与水轮机轴联接时,将挡油圈部件运进厂房,放在水轮机轴下端法兰上组合,并焊接成整体。
修磨焊缝并补漆后,用螺栓固定在水导轴颈底部,并在挡油圈与轴颈之间插入方木保护。
关于800-980(1)A泵解体与回装注意事项
一、拆转子之前先注意检查各个零部件的装配方向,特别是叶轮的装配方向(是最易忽视的地方),分清叶轮流道和叶轮筋片的方向。
二、拆之前每个零部件做好记号(标计阿拉伯数字),拆除轴承,一定要用拉马或千斤顶,已免损伤轴承,拆之前注意轴承的方向(做好记号)。
三、做好回装之前的准备工作:清除零部件的污渍和锈蚀,注意轴承的装配方向,轴承一定要加热才能装配,千万不能冷装和敲击,已免造成轴承的损伤,注意更换橡胶O型圈,O型圈大小不一样可以根据大小决定(查看图纸),如O型圈大了需要剪断,根据尺寸大小可再连接,需用用520快干胶连接即可。
注意零部件上的紧固螺钉(8mm*8mm)拆之前一定要松下来,装配后一定要拧紧。
四、轴承端盖一定要安装青稞纸垫,泵体内做好清洁工作,去掉锈蚀和脏物,保持良好的清洁度,将密封环装入叶轮后,用手转动,确定叶轮于密封环配合灵活,最后将转子部件平稳吊入泵体内,先安装两端轴承体压盖和轴承端盖,螺丝紧固到位,然后进行叶轮调中,如:叶轮需往电机端调,就将电机端泵轴套螺母松开,再将另一端轴套螺母朝电机方向紧,调到理想位置即可。
五、直至各工序完成,将转子盘动,要灵活自如才能盖泵盖,泵盖螺母一定要对角紧固,全部紧固后再盘车,灵活才能将泵联与电机联接。
注意:叶轮和密封环有A、B之分,要一一对应,不可混淆。
水导轴承与主轴密封安装技术要求(最新版)Technical safety means that the pursuit of technology should also include ensuring that peoplemake mistakes( 安全技术 )单位:_________________________姓名:_________________________日期:_________________________精品文档 / Word文档 / 文字可改水导轴承与主轴密封安装技术要求(最新版)1)导轴瓦进行研刮时,导轴承、轴颈摩擦面应用无水酒精擦拭干净。
轴瓦研刮现场应通风良好,防尘、消防设备应齐全。
2)导轴承和密封件吊放于支持盖(或顶盖)内时,应按安装顺序排列整齐、放平、垫稳。
3)零部件存放及安装地点,应有足够照明,并应配备必要的电压不大于36V的安全行灯。
4)导轴瓦安装前应对油槽进行清扫,擦拭油污时不宜使用易留有线头等残留物的材料。
5)导轴承油槽做煤油渗漏试验时,应做好防漏、防火安全保护,不应将任何火种带入工作场所。
机坑内不得进行电焊或电气试验。
6)轴瓦吊装方法应稳妥可靠,单块瓦重在40kg以上者,应采用手拉葫芦等机械方法吊运。
7)导轴承油槽上端盖安装完成后,应对密封间隙进行防护。
8)在水轮机转动部分进行电焊作业时,应安装专用接地线,以保证转动部分处于良好的接地状态。
9)密封装置安装应排除作业部位的积水、油污及杂物。
与其他工作上下交叉作业时,中间应设防护板。
10)使用手拉葫芦安装导轴承或密封装置时,手拉葫芦应固定牢靠,部件绑扎应牢靠,吊装应平稳,工作人员应服从统一指挥。
云博创意设计MzYunBo Creative Design Co., Ltd.。
福建省沙县城关水电有限公司企业标准水轮发电机组检修工艺规程Q/2CD-1 02 17-1 总则1.1 本标准规定了水轮机,发电机的检修工艺与注意事项,适用于我公司16MW灯泡贯流式机组的检修工作。
2 设备规范和检修周期2.1 设备规范2.1.1 水轮机基本规格水轮机型号 GZ4BNA—WP—490设计水头 Hr=8.8m设计流量 Q=206.1m3/s额定转速 100r/min飞逸转速 348.7r/min旋转方向顺时针(上游往下游看)水轮机安装 97.0m2.1.2 发电机基本规格型号 SFWG16-60/5430额定功率 16000KW额定电压 UN=6300V额定功率因素 cosφ`N=0.9额定频率 n=50HZ相数 M=32.1.3 水轮机主要技术数据2.1.3.1 最大飞逸转速(导水叶在最大开度位置,发电机空载,最大水头协联破坏时)348.7r/min;2.1.3.2 在11.77水头,110%额定出力时,轴向最大正推力193.2t。
2.1.3.3 水头运行范围:4.84~11.77m2.1.3.4 水导轴承润器油型号 46#汽轮机油2.1.4 发电机主要技术数据2.1.4.1 转动恒量 GD2=1500KN·m22.1.4.2 发导轴承,正推力瓦,反推力瓦水导轴承润滑油型号46#汽轮机油2.1.4.3 发电机制动气压为0.6-0.8MPa2.2 检修周期和工期2.2.1 为提高机组可利用系数,防止设备失修,确保设备安全运行,检修周期一般规定如下:Q/2CD-1 02 17-2.2.1.1 小修:小修是有目的地检查易磨、易损零部件,进行处理或做必要的试验,消除设备缺陷,特别是在大修前的一次小修中,应进行比较详细的检查,了解和掌握设备情况,为编制大修,估算大修工作量提供依据。
每年两次,每次7-12天。
2.2.1.2 大修:大修要全面检查机组各组成部分的结构及其技术数据,并按照规定数值进行调整工作。
水轮发电机组水导轴承安装施工工法水轮发电机组是利用水能转化为机械能,再经由发电机将机械能转化为电能的装置。
其中,水导轴承的安装施工工法是保证水轮发电机组正常运行的关键环节。
本文将详细介绍水导轴承安装施工工法的前言、工法特点、适应范围、工艺原理、施工工艺、劳动组织、机具设备、质量控制、安全措施、经济技术分析以及工程实例。
一、前言水轮发电机组的水导轴承安装施工工法是确保机组正常运行的重要环节之一。
正确的安装工法能够保证水导轴承与轴直接的接触与配合间隙符合设计要求,从而降低轴与轴承间的摩擦和磨损,延长机组的使用寿命。
二、工法特点水导轴承安装施工工法具有以下特点:1.高精度:安装工法要求轴与轴承之间的配合间隙精度高,以确保机组的稳定运行。
2. 全封闭:安装过程中需要保持施工区域的整体封闭,防止灰尘、颗粒物等异物进入安装区域,影响工作效果。
3. 质量控制:施工过程中需要严格执行质量控制措施,确保每个环节的质量符合设计要求。
4. 安全保障:施工人员需要按照规定流程进行操作,穿戴好相关安全防护用具,确保施工过程的安全性。
三、适应范围水导轴承安装施工工法适用于各种类型的水轮发电机组,无论是小型还是大型机组,都可以使用该工法进行水导轴承的安装。
四、工艺原理1. 施工工法与实际工程之间的联系:工法是基于实际工程经验总结出来的,保证了安装效果与实际工程之间的一致性。
2. 采取的技术措施:通过采取准确的测量方法、合适的装卸工艺、科学的安装顺序等技术措施,确保了安装过程中的精确性和可行性。
五、施工工艺水导轴承的安装施工工艺分为以下几个阶段:1. 准备工作:包括设备准备、现场清理等。
2. 安装前的检查:检查水导轴承的尺寸、结构等是否符合设计要求。
3. 安装准备:包括清洗导向面、涂覆润滑油等。
4. 安装工艺:根据设计要求和工艺要求,进行水导轴承的准确安装。
5. 检验工作:对安装后的水导轴承进行检查,确保安装质量符合要求。
六、劳动组织安装工法需要有专业的施工队伍进行实施,包括负责人、技术人员、施工人员等,确保施工过程的有序进行。
启闭机大型轴承的更换方案大型轴承的拆卸方法之敲击法敲击力一般加在轴承内圈,敲击力不应加在轴承的滚动体和保持架上,此法简单易行,但容易损伤轴承,当轴承位于轴的末端时,用小于轴承内径的铜棒或其它软金属材料抵住轴端,轴承下部加垫块,用手锤轻轻敲击,即可拆下。
应用此法应注意垫块放置的位置要适当,着力点应正确。
轴承拆卸工具-成华液压拉马手动泵大型轴承的拆卸方法之拉出法采用专门拉具,拆卸时,只要旋转手柄,轴承就会被慢慢拉出来。
拆卸轴承外圈时,拉具两脚弯角应向外张开;拆卸轴承内圈时,拉具两脚应向内,卡于轴承内圈端面上。
1、拉出轴承时,要保持拉马上的丝杠与轴的中心一致,不要碰伤轴上的螺纹、轴径和轴肩等;2、装拉马时顶头最好放铜球,初拉时动作要缓慢,不要过急过猛,在拉板中不应产生顿调现象;3、拉马的拉抓位置要正确,拉抓应平直拉住内圈,为防止拉抓脱落,可用金属丝将拉杆绑在一起;4、各拉杆间距离及拉杆长度应相等,避免产生偏斜和受力不均。
如果运用的工具和技术不正确,那么,拆卸轴承可能会损坏轴承和轴等相关零部件。
当轴和轴承在拆卸轴承过程中受到损坏时,一般会发生时间成本和材料成本上的损失。
大型轴承怎么拆?拆下安装在圆锥型轴径上的轴承可以使用机械或液压动力拉拔器拉住内圈以卸下小微型轴承。
一些拉拔器带有弹簧操作臂,使用带有自动对心设计的拉拔器可以简化程序并避免损坏轴颈。
如果拉拔器拉爪不能用于内圈,则应通过外圈或拉拔器与拉拔片组合拆下轴承。
中大型轴承的拆卸使用注油法会更加安全简单,该方法在高压下通过油孔和油槽在两个锥形配合面之间注入液压油。
大大减小了两个表面之间的摩擦,并且产生了分离轴承和轴径的轴向力。
【关键字】精品水轮机检修工艺规程(试行)南沙水电厂编制水轮机检修工艺规程(试行)根据制定企业技术标准的需要,参照有关技术规程,制定本规程。
1 主题内容与适应范围1.1 本规程制定了水轮机机械部分的小修、大修、扩大性大修的项目、技术标准,以及安全注意事项,设备检修工艺等方面的内容。
1.2 本规程适用于南沙水电厂水轮机机械部分的检修管理和检修工艺。
1.3 水轮机机械检修人员熟练掌握本规程,运行人员及相关工种人员了解本规程。
2 引用标准2.1 GB8564-88《水轮发电机组安装技术规范》2.2 SD230-87《水轮机检修规程》3 一般注意事项及要求3.1 参加检修的人员,必须熟悉图纸,对检修设备的运行状态进行周密的调查,全面了解设备的原始安装记录及检修记录。
3.2 检修人员在检修前应明确检修任务、检修工艺及质量要求。
3.3 准备好技术记录表格,进行必要的技术培训。
3.4 检修中的一般工艺要求根据检修项目,检修前应安排好各主要零部件的放置地点,核实承放场地承重能力。
拆卸下来的零部件,应用方木、支墩、毛毡等垫好。
零部件拆卸以前,检查所拆卸部件配合条有无清晰记号,没有记号或记号不清者需补做记号。
对精密配合的零件,若无定位销钉,应在其结合面处互成90°方向打上明显标记,对配合尺寸应进行测量并作好记录。
零部件拆卸时,先拨销钉,后拆螺栓,安装时,先装销钉,后装螺栓。
零部件拆卸过程中,应随时检查,发现异常及缺陷时需做好记录,以便修复或更换配件。
对拆卸下来的零部件摩揩面,以及精密组合面,应涂凡士林保护,防止生锈(有磨揩传动要求的结合面涂规定的保护剂)。
轴瓦等表面用白布盖好,并采取措施防止碰伤。
对管路或基础拆除后留下的孔洞、螺孔及法兰拆开后应及时封堵,以免被污染或堵塞。
分类保存拆下来的螺栓、螺帽、销钉等。
3.4.7 保持检修现场整洁。
妥善保管汽油、破布等易燃品。
3.4.8 零部件安装按拆卸顺序反向进行。
3.4.9 各组合面加垫厚度、密封条大小应做好记录。
凌津滩水电厂1#机水导轴承检修施工方案编制:校核:审核:审批:编制单位:湖南五凌电力工程有限公司日期:2011年12月23日电厂(业主)审批:凌津滩水电厂1#机水导轴承检修施工方案一、工程概况:凌津滩水电厂水轮发电机组为灯泡贯流式,其水导轴承为筒式径向轴承(分上、下两瓣),由轴承支架及轴承体、上下游油箱组成,另外,用一根橡胶皮带安装在下游油箱的下游侧位置,箍紧大轴,以防止大轴密封的润滑水误入油箱上。
轴承体由水导瓦、轴承座(外侧球面)、支持环(支撑环)(内侧球面)构成,轴承体通过支持环(支撑环)与轴承支架接触,承受微量轴向窜动及转子、大轴、轮毂等部件的重量,并将负荷传递至基础,轴承体内侧镶巴氏合金形成水导瓦,上半部水导瓦仅在其上下游两侧衬有巴氏合金,中部没有衬巴氏合金,以减少上部水导瓦与大轴接触面积,从而减小磨擦,达到降低油温的效果。
1#机水导轴承由日立公司生产,据图310P202-051第三版所示,水导轴承安装最大间隙即水导瓦与大轴最大间隙应为0.40—0.54mm。
自投产发电已超过10年,1#水导轴承运行状况良好,油温正常,但从未对其进行过解体检修。
在今年1#机A级检修过程中,计划在1#机灯泡体内对水导轴承进行解体检修,对1#机水导瓦进行宏观检查,以了解瓦面磨损情况,并对各部件进行保养维护。
二、工程内容:1、外围设备梯子、平台、油管等拆卸;2、上、下游侧梳齿密封间隙测量;3、上、下游侧油箱解体,并将上游油箱端盖整体移至上游合适位置(不得防碍水导瓦抽出);4、水导轴承温度探测器拆除;5、水导瓦上、下游侧间隙测量(退投高压顶油泵各测一组数据);6、轴承体抽出并移至上游侧合适位置;8、支持环(支撑环)分瓣拆卸;9、水导瓦上、下部解体拆卸;10、水导瓦磨损情况检查及处理;11、水导轴承装复;三、施工过程及方法:(一)水导轴承的拆卸步骤一拆卸前数据测量与外围设备的拆除1、拆卸前,标注各部件相对位置记号;2、拆除大轴保护罩;3、测量上、下游油箱梳齿密封间隙,并做好记录(记录表格附后);4、拆卸上游油箱端盖;5、分瓣拆卸上、下游油箱,上游侧油箱上下各留一块暂不拆卸;6、水导瓦上、下游侧间隙测量(退投高压顶油泵各测一组数据),并作好记录(记录表格附后),投高压顶数据测量时,注意漏油,做好接油措施,抓紧时间,尽量在2到5分钟之内完成;7、拆卸供排油管及上游侧轴承油箱预留部分;8、水导轴承温度探测器拆除;9、已拆卸设备清理保养,灯泡体上下爬梯及平台等外围碍事部件拆卸,吊出并放至指定地点。
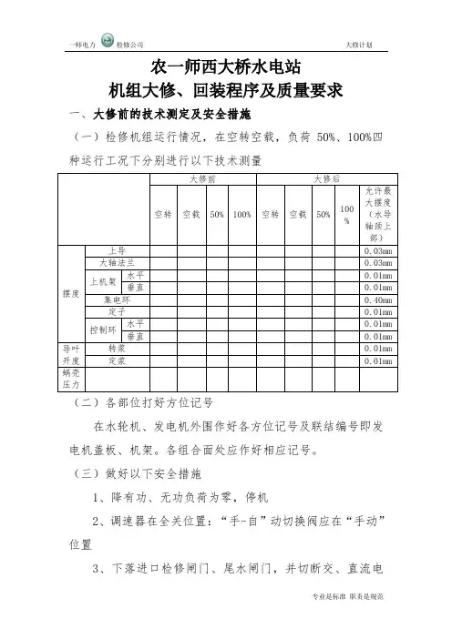
农一师西大桥水电站机组大修、回装程序及质量要求一、大修前的技术测定及安全措施(一)检修机组运行情况,在空转空载,负荷50%、100%四种运行工况下分别进行以下技术测量(二)各部位打好方位记号在水轮机、发电机外围作好各方位记号及联结编号即发电机盖板、机架。
各组合面处应作好相应记号。
(三)做好以下安全措施1、降有功、无功负荷为零,停机2、调速器在全关位置:“手-自”动切换阀应在“手动”位置3、下落进口检修闸门、尾水闸门,并切断交、直流电源拔出其保险,悬挂“有人工作,禁止合闸”标示牌4、检查闸门封水良好,打开蜗壳、尾水防水阀,排尽蜗壳及尾水管内里的积水5、做好堵漏工作。
防止突然来水6、投入接力器锁定7、关闭总油伐,关闭总冷却水、密封水、并在相应关闭的阀门上悬挂禁止操作标示牌8、蜗壳和尾水管排尽水后,再尾水管搭设平台牢固可靠9、排尽接力器、转轮体内的透平油10、在蜗壳、尾水管内进行电焊、气割或铲磨时,通风应良好,并有必要的消防器材。
电焊时,禁止把转动部分作为自然接地11、排尽上机架、下机架透平油及压油槽降压、排油12、611GK或612Gk断开,以防倒送电,并挂标示牌;拔出高压熔断器13、打开蜗壳、尾水进入孔14、断开油槽油泵电机电源,拔出保险,挂标示牌,停相应的信号电源,直流控制电源,PT一、二次保险(四)做好起吊设备的检查1、行车的电器部分检查2、行车起吊设备检查、维护、并做试验3、行车人员操作熟练,熟悉起吊语言。
二、水轮机的解体 (一)悬臂吊装法1、铲出转轮叶片的吊具孔2、待发电机装好盘车工具后,人为盘车或在转轮室内用两只3T 的吊葫芦对称转动转轮。
对准吊具孔,安装好吊具。
(二)测量转轮与转轮室的间隙 表(二)(三)水导轴承的拆卸1、拆卸所有管路、拆卸脚踏板、护壳,并做好记号 2、测量水导瓦间隙后做好记录,拆支撑板并做好记号; 3、拆除转环、密封架及检修密封架,做好记号; 4、拆除转环架,并做好记号; 5、吊出水导轴承并做好记号; 表(三)(四)松大轴联轴螺栓并做好记号,同时将拆除螺栓与法兰螺栓孔作好记号1、用扁铲取下塞块及护盖;2、用专用拆卸工具互成120°角位置安装就位;3、松掉全部螺栓,将螺旋千斤顶均匀的把水轮机慢慢放下,使水轮机重量完全落于吊具上;4、检查两法兰之间应平衡,止口应脱开;5、拆除操作油管下部的联结螺丝。
大型立式泵水导轴承安装方法的改进某电厂4台循环离心泵(以下简称“循泵”)机组为SEZ2200-1875型大型立式混流泵。
该泵配用湘潭电机厂生产的YKSL2300—20/2150-1型2300kW立式异步电动机,l997年首次应用在扬州。
其泵型结构形式独特,它由水泵外简体、水泵抽芯部分、泵盖三大部分组成。
整个筒体悬挂于水泵基础板上,水泵的抽芯部分装于筒体内,抽芯部分包括护管、导叶体、叶轮外壳、泵轴、叶轮头和3个橡胶轴承,上两个橡胶轴承正装于护管内,最下面一个橡胶轴承倒装于导叶体内。
该轴承的上部凸出导叶体上止口8ram。
水泵的3个橡胶轴承采用清水润滑,润滑清水由一侧进入护管,经3个橡胶轴承,再从另一侧引出。
护管顶部有填料密封,倒装轴承下面有两道骨架密封,密封圈装于压盖内,压盖装在倒装轴承的法兰面上。
在2001年的运行过程中,其中两台机组发生过2次倒装轴承的脱落故障,严重影响了机组的安伞运行。
2.3.2 故障现象现象之一:1#循环水系统18循泵机组在2001年5~6月运行中,振动突然增大,其电机底座处振动幅值达0.07mm左右,且有上升趋势,同时该电动机顶部出现摇晃,基础板上的管道有上下抖动现象。
初步分析为该机组水泵下导轴承可能已脱落。
6月24日,检修人员对该机组进行全面检查,当卸开电动机与水泵之间的联轴器时,发现该水泵提升量已达到13mm,而该机组在安装时的提升量为5ram。
由此可以判断,该泵的叶轮和叶轮外壳已有严重磨损,而产生该磨损的主要原因是由于水泵下导轴承脱落,水泵叶轮旋转振摆幅度过大引起的。
放下进水口闸门,排空进水室水后,从水泵进水口处检查后发现,该水泵的下导轴承已悬挂在叶轮和导叶体之间了。
当时因蝶阀漏水严重,故未能观察到其他问题。
解体水泵后,发现叶轮外壳已被磨出一道道深痕,叶片磨损也很严重,导叶体轴窝的两道止口也已磨成椭圆。
现象之二:2001年10月,在2A循环水泵正常解体检修过程中,发现水泵倒装的橡胶轴承有部分已从导叶体’中脱出,但仍有几颗固定螺栓将轴承和导叶体连在一起,螺栓的防松装置已不知去向,固定螺栓锈蚀严重,水泵的其他部分未损坏。
水轮发电机组水导轴承间隙调整作业指导书
一、目的与范围
为了加强***电站发电公司各电站水电发电机组检修工作,确保水电发电机组水导轴承间隙调整检修工作符合工艺质量和安全生产管理要求,并确保该工作全过程无不安全情况发生,确保水电发电机组水导轴承间隙调整后能安全、可靠地运行,所有参加本检修、试验项目的工作人员、质检人员,必须遵循本质量保证程序。
本指导书适用于的公司所属水电站水电发电机组水导轴承间隙调整检修工作。
二、规范性引用文件(含验收标准等)
GB8564-88 《水轮发电机组安装技术规范》
SD230-87 《水轮机检修规程》
三、作业过程控制
3.1 作业准备
3.1.1 人员配备
3.1.3消耗材料包括备品
3.2 作业项目、方法、标准、风险评估、风险预控措施
3.2.1作业项目风险评估、风险预控措施
3
4
3.2.2作业项目、方法、标准
5
6
7
四、附件
4.1作业过程记录表(实际工作时填写,连同现场作业指导书、工作票一起保存)
4.2检修技术数据记录表
检修技术数据记录表
工作成员:记录人员:记录日期:天气情况:温度:湿度:
4.3 验收卡
4.4 风险控制措施卡
风险控制措施卡工作内容:
4.5 缺陷处理及部件更换记录
缺陷处理及部件更换记录电站名称:
部件更换记录。
### 水电厂水导轴承解体、装复施工方案批准:审核:校核:编写:湖南###电力工程有限公司2008年8月30日水导轴承解体、装复施工方案一、工程概述由于水轮机转轮及其上下迷宫环存在制造误差,导致水流经过水轮机后会产生不均匀的径向力作用于水轮机的旋转轴线,由于机组轴线不能成为直线,以及推力轴承镜板不能保持完全水平,使得水轮机轴线上时刻有一个偏高旋转中心线的力作用在上面,为了保持水轮机的运行稳定,需要在靠近转轮的部位安装一个导轴承来限制水轮机轴线的位移,水导轴承为此而设立。
水导轴承为稀油润滑分块瓦轴承,安装在顶盖内。
水导轴承的主要部件有:限制水轮机大轴移动的分块瓦,支持分块瓦并将分块瓦所受到的力传到顶盖上的轴承座,调整水导瓦间隙的调整装置,冷却润滑油的冷却器,装载润滑油的挡油筒和油盆,与分块瓦一起构成限制大轴转移的主轴轴颈。
二、工程内容及时间1.检修准备;2.水导轴承拆卸;3.水导瓦检修;4.水轮机主轴轴领检修;5.水导油槽油冷却器检查;6.呼吸器滤网清扫;7.水导油槽壁检查;8.所有密封条与密封垫检查更换;9.水导装复。
三、施工步骤及方法1.检修准备:1)场地布置妥当,各部件放置地点已经确定;2)检修所用的工器具以及材料已经全部到位。
2.检修的必备措施:1)机组停机,关闭进、尾水检修闸门,压力钢管及蜗壳已消压至零,尾水管水位在人孔门以下;2)做好防止控制环误动的安全措施(如调速器压油槽消压至零);3)可靠地切断水导轴承油冷却器的冷却水;4)对所有部件装配位置做详细标记,记号笔难以标示的部位,应用钢印标记,以后的拆卸步骤中,也应做详细的标记,标记应清晰、规范,必要时应在记录本上绘制示意图并详细说明。
3.水导轴承拆卸:1)抽干水导轴承油箱内的透平油;2)将透平油处理至合格;3)拆除过速装置及与之相连的油管,并拆除水导油槽呼吸器、密封铜环、测速探头;4)拨出水导盖定位销钉后,松开水导盖螺栓,将水导盖吊起升高并固定放好。
回装#1,#2,#3轴承检修方案一,回装#1轴承1检修项目1)清理1#轴承各部件2)回装主、付推力轴承3)回装1#轴颈轴承上半部4)回装上半轴承座2工艺要求1)转子落入后,应彻底清理1#轴承。
结合面不得有毛刺及凸起点,各部件表面要确保其清洁无杂物。
2)回装主推力轴承。
装入下半主推力瓦架(有定位销),然后按顺序装入瓦块,并沿圆周方向旋入主推力调隙片。
如上所述,装入上半瓦架、瓦块和调隙片,在热工配合下,组装好电偶。
3)按上面步骤装入付推力轴承,并接好电偶线。
按位置装入油令。
4)回装1#轴颈轴承,并用压铅丝法检查轴瓦与轴颈间隙。
5)检查1#轴承各轴封及油封间隙。
6)回装上半轴承座,对称拧紧两侧螺栓并检查瓦背紧力。
7)检查瓦顶部间隙及瓦背紧力时,螺栓拧紧时用力要均匀,不得将瓦或瓦盖压斜。
8)轴承座水平结合面回装时要涂一薄层密封胶,所有螺栓要涂一薄层防粘结剂。
9)检查的所有数据要记录与表格PGS/GT-FF-9021中。
二回装#2轴承1检修项目1)清理2#轴承各部件2)回装2#轴颈轴承并检查瓦顶间隙3)回装上半轴承座并检查瓦背紧力4)回装2#轴承座外部绝热包2工艺要求1)转子落入后,应彻底清理2#轴承。
结合面不得有毛刺及凸起点,各部件表面要确保其清洁无杂物。
2)回装2#轴承前、后轴封。
轴封更换为改进型新件,要求刷子密封倒向与转子的旋转方向相同,上半密封用螺纹销钉固紧并相隔180°冲两点。
3)回装2#轴颈轴承,并用压铅丝法检查轴瓦与轴颈间隙。
在热工配合下,组装好电偶。
4)检查2#轴承各轴封及油封间隙。
5)回装上半轴承座,对称拧紧两侧螺栓并检查瓦背紧力。
6)检查瓦顶部间隙及瓦背紧力时,螺栓拧紧时用力要均匀,不得将瓦或瓦盖压斜。
7)轴承座水平结合面回装时要涂一薄层密封胶,所有螺栓要涂一薄层防粘结剂。
8)检查的所有数据要记录与表格PGS/GT-FF-9022中。
9)回装2#轴承座绝热包,拧紧螺栓并打紧锁片。
【doc】三峡VGS机组上下机架及上下导、推力轴承安装三峡VGS机组上下机架及上下导、推力轴承安装26水电站机电技术2004年第2期三峡VGS机组上下机架及上下导,推力轴承安装董钟明(水电八局机电制造安装分局,湖南长沙,410119)摘要:三峡左岸厂房VGS单机容量700MW机组为半伞式结构,推力头与转子,转子与发电机轴,转子中心体与上端轴均为非定位连接,整个机组轴线可以在现场进行调整,轴线调整合格后,主轴与转子,推力头与转子中心体,转子中心体与上端轴的定位销钉孔在现场加工.在下机架的支臂与基础板组合面,设计有楔子板,可以用其在小范围内调整下机架的水平,轴线垂直度以及机组转动部分高程.推力轴承采用传统的巴氏合金结构,无须现场刮瓦,采用小弹簧多点支撑结构,使推力轴承具备一定的自调节性.上导轴承由8块瓦组成. 关键词:上机架;下机架;上导轴承;下导轴承;推力轴承中图分类号:TM303.TH133.31文献标识码:B文章编号:1672—5387(2004)02—0026—031下机架及推导组合轴承安装1.1下机架结构简介三峡VGS机组下机架由1个整体中心体和6个径向箱型梁支臂组成,结构简单占用空间小,整个下机架外径为q~16090mm,高4047mm,总重约296.16t;中心体外形尺寸为8200×9468.5×4035mm,重约166.22t,支臂外形尺寸为1788×5025×3303mm,每个支臂重约21.66t,支臂与中心体采用现场焊接成整体,承受整个机组转动部分重量及机组运行时的水推力,承重高峰约3900吨,因此下机架中心体与支臂的焊接质量控制是关键.1.2下机架安装及调整将中心体置于自制承重钢支墩上,粗调水平后将支臂按对称挂装方法与中心体联结,并精调中心体水平达到 0.10mm,同时调整机架支臂相互高差,支臂与中心体高差, 支臂分布弦长等.符合要求后焊接,采用预热及二氧化碳气体保护焊,在焊接过程中分四次完成,在完成25%,50%, 75%及100%的焊接量时检查中心体水平和支臂参数,根据测量结果改变焊接工艺使之达到焊接质量要求. VGS机组下机架基础采用二期砼浇注,在每个支臂基础板底部设计了两个基础轴向调整顶丝用于下机架二期砼浇注前调整下机架水平及高程,而当下机架基础二期砼浇注后,需要调整下机架水平及高程则可通过下机架轴向调整顶丝和支臂下的楔子板来调整;中心调整通过径向调整顶丝实现(见图1).下机架调整完成后下机架轴向调整顶丝是作为工具取掉的,整个机组的转动部分重量落在尺寸为1500mm×101mm的调整楔子板上.VGS 机组的这一调整结构,使得整个下机架的调整方便快捷.下机架吊装调整完成经过一定时期的基础砼养护后,将瓦架置于下机架承重环上,调整其与下机架同心,在现场进行瓦架与下机架组合螺孔及定位销钉的配钻加工.图1下机架水平及高程调整结构示意图1.3推力轴承结构及安装推力轴承及下导轴承共用一个油槽,当推力轴承瓦架与下机架中心体销钉孔及组合螺孔在现场配钻完成后,将瓦架从油槽内吊出,放置在安装间内三个已调好水平的支墩上, 在清扫瓦架的同时,检查其内径尺寸并计算其圆度,以备在正式安装时与下机架挡油圈,推力头挡油裙环比较计算彼此圆度与同心度.VGS机组推力轴承采用小弹簧多点支撑推力瓦结构,共28块推力瓦,其瓦面材料采用巴氏合金,瓦与瓦之间用间隔块隔开,每块推力瓦下面摆放94颗小弹簧,小弹簧采用偏心结构分布,即推力瓦的进油边侧不摆放小弹簧,这种结构有利于机组运行时油膜的形成.每块推力瓦面均有两个凹陷圆环,两圆环彼此相通并与推力瓦一端高压油进油孔相通,以便在机组盘车或低转速运行时通人高压油形成油膜而不至于烧坏推力瓦.推力瓦安装完成后,将瓦架与推力瓦一起吊人推力油槽,装好销钉及组合螺栓.将推力头在安装间清扫干净后同样置于已调好水平的支墩上,因推力头挡油裙环与推力头采收稿日期:2o03—12—19作者简介:董钟明(1975一),男,工程师,主要从事水电机组安装及调试技术工作.2004年第2期水电站机电技术27用现场热套工艺,所以在热套前先检查热套部位尺寸及挡油裙环尺寸并计算挡油裙环热膨胀量和所需加热温度.热套完成后用塞尺检查挡油裙环与推力头配合处不应有间隙,然后将推力头与镜板在安装间组合后将推力头整体吊入机坑置于推力瓦上,调整推力头与下机架抗重环同心,并以推力头法兰为基准根据水轮机大轴上法兰高程调整下机架高程及水平.为保证下机架每个支臂承受基本相等的力,要求对下机架进行载荷分配试验,通过带压力表的电动高压油泵加液压千斤顶来实现.调整受力时,在每个支臂处轴向架一块百分表,用液压千斤顶将支臂逐个抬起同样的高度,记录每个支臂被抬起同样高度时的压力值,计算压力值的平均值. 当测量值超出平均值的?15%时,需调整支臂下的楔子板, 使得各支臂受力均匀.1.4转子吊入后推力轴承的调整VGS机组推力油槽内润滑油采用油外循环冷却的形式, 在吊装转子之前须将三台油冷却器吊入机坑就位,检查推力头与定子的间距,保证转子能顺利吊装.为便于转子吊入后推力头的调整,在吊装蒜子前先临时安装4块下导瓦.转子吊装就位落在已调好水平及相互高差的风闸上后,调整推力头与转子中心体基本同心.清扫推导组合轴承油槽,向油槽注入合格的透平油,用高压油将推力头顶起,通过4块对称安装的临时下导瓦精调推力头与转子中心体同心,用1O个 /I/24螺栓将整个推力头提起后与转子把合,再缓慢落下风闸将转子重量落于推力头上.在落下转子的过程中监测下机架挠度及推力轴承弹簧的压缩量.在转子与推力头连接后开始进行转子中心体与发电机大轴的同心度检查,符合要求后提升发电机大轴与转子连接,在连接过程中监测下机架挠度与弹簧的压缩量.1.5下导轴承结构及安装下导轴承由42块下导瓦及挡油板等附件组成,瓦面材料为传统的巴氏合金.下导轴承与推力轴承共用一个油槽, 油槽分为上下两个腔,上下两腔以下导轴瓦承受面为分界线,下导轴承瓦分布在油槽上腔,下导瓦瓦背偏左(从瓦背看)安装有由特殊材料制成的抗重块,如图1所示.下导瓦分布在油槽上腔环板上,抗重块背部呈'凹'字型,将下导瓦限定在球头抗重螺栓上,承受切向及径向力.在瓦与瓦之间分布有轴向及径向环氧阻油板,防止机组高速旋转时大量润滑油甩出.另外在瓦安装调整完成后还有一道阻油措施,在每块瓦的顶部分布有一个倒置'L'型与瓦同宽的阻油板,起到阻油与冷凝部分油雾的作用.在下导轴承安装前用4块下导瓦对称将下导轴领抱紧,然后开始安装下导瓦并调整抱瓦间隙符合要求,安装下导瓦附件,最后安装下导油槽盖板, 及下导油雾收集系统.在VGS2号机组安装过程中,因设计上的原因,下导瓦抱瓦间隙曾几次作出修改.在最初的设计中,下导抱瓦间隙为对称总间隙1.0ram,但在机组调试运行时发现瓦温不断升高,经分析认为是下导抱瓦间隙过小造成,经现场2次处理,最终将下导抱瓦总间隙调整到2.0ram 后,机组运行稳定,并顺利通过72小时试运行. 2上机架及上导轴承安装2.1上机架组装焊接及其结构特点VGS机组上机架由中心体,16条支臂,连接横梁和8组水平支撑及其基础板组成,支臂最大外径~P21350mm,最大高度约792.5ram;中心体重约22.794t,单条支臂重约3.25t, 单条支臂间连接横梁重约1,94t,单组径向支撑重约3.745t. 整体上机架重约121.482t.支臂与中心体之间采用现场组装焊接,在中心体下部布置4个800mm高的支墩,在每个支墩上布置一对楔子板,并将楔子板调整到相同的高程,将中心体吊到支墩上,用千斤顶配合调平中心体,用精密水准仪进行测量,并使楔子板受力均匀,以上机架中心体油槽盖法兰为测量基准,保证中心体水平在0.10mm以内.吊装支臂并用组装螺栓将其与中心连接,在支臂的另一端用400ram 的支墩加千斤顶支撑(见图2).用同样的方法,对称吊装其余支臂,支臂组装后,测量支臂的半径,调整支臂的弦长,用水准仪调整支臂间的相互高差和中心体间的高差.考虑到因支臂长而挠度较大,在调整支臂与中心体高差时按厂家设计预留支臂挠度变形量.百图2上机架拼装示意图组装完成后检查各项控制尺寸,准备交付焊接.焊接采用二氧化碳气体保护焊和手工电弧焊.焊接采用8个焊工对称焊接,在焊接过程中进行焊接变形监测,按焊接前,焊接量的25%,50%,75%,100%计,共测量5次,记录支臂弦长, 半径和高差,焊接中根据测量结果,及时调整焊接的顺序. 上机架支臂及支臂间连接梁均采用箱型梁结构,相比三峡ALSTOM机组上机架而言,该结构占用空间小,结构简单,支臂间连接梁由8组直梁和8组三角形梁及其基础板间隔组成(见图3).三角形梁与其基础板及轴向键与基础板间均留有15ram间隙,即径向基础为浮动式结构,径向基础板不承受径向及轴向力只承受机组旋转时产生的切向力. 图3上机架支臂及其连接横梁结构示意图28水电站机电技术2004年第2期2.2上端轴安装及上机架调整因上导轴领与上端轴需在现场进行热套,为保证热套的顺利,需检查上端轴尺寸,包括长度,组合螺孔分布位置及与轴领热套面直径等.将上端轴用厂房桥机翻身竖直放置后, 安装上端轴吊具,吊人上端轴.以转子中心体上法兰止El和上端轴外法兰面为基准,初调上端轴中心.穿人连接螺栓后,采用对称拧紧方法将所有螺栓分次拉伸拧紧,待上导轴领热套及摆度检查符合设计要求后按100%力矩对称拧紧所有螺栓,上端轴安装完成.上机架通过16个安装在定子顶环板上的垂直支撑与定子相连,因此应先将16个上机架垂直支撑吊人机坑与定子组合,如图4所示.整个上机架水平及高程调整通过调整螺栓实现,先将整个上机架的重量落在调整螺栓上,调整上机架水平,高程及其与机组转动部分同心度符合要求后装入定位套及固定座,现场将定位套及固定座分别焊接在上机架及上机架垂直支撑上.图4上机架水平调整示意图(上接第25页)10铁芯磁化试验10.1磁化试验的目的为检查铁芯上是否存在过热点,确定定子铁芯的设计, 制造,现场堆积整体质量,检查冲片间的绝缘情况,定子铁芯在现场叠装完成后,必须进行铁芯磁化试验.10.2试验基本原理及方法在铁芯上缠绕励磁绕组,绕组中通人一定的工频电流, 使之在铁芯内部产生接近饱和状态的交变磁通,通常取激磁磁感应强度为1—1.2T,铁芯在交变磁通中产生涡流和磁滞损耗,使铁芯发热,温度快速升高;同时使那些铁芯中片间绝缘受损或劣化部分产生较大的局部涡流,温度急剧上升,从而找出过热点.用红外线测温枪或热电偶测量定子铁芯,上下齿压板及定子机座的温度;用红外线测温仪扫描查找定子的局部过热 2.3上导轴承结构特点及其安装上导轴承由上导轴领,8块上导瓦及附件组成,上导瓦面材料采用巴氏合金,其油槽内油冷却采用内置油冷器直接进行热交换,既节省了安装空间又提高了冷却效果.上导瓦瓦背偏左(从瓦背看)有一圆柱凹陷,用于安装与之配合紧密的抗重块,与下导瓦不同的是上导瓦通过抗重块的倒U 型缺口悬挂在上导球头抗重螺栓上,抗重块的偏心安装及球头抗重螺栓这些结构特点均有利于机组运行时在瓦面形成油膜,提高机组运行效率及导轴瓦的运行寿命.上导每块瓦都设计有测温元件孔,用于安装RTD,也便于机组监测管理. 上导轴承的安装是在机组转动部分摆度,垂直度合格及中心确定后,将上导轴领及油槽清扫干净后开始安装上导轴瓦并调整好瓦与轴领间隙符合要求,安装测温元件.各部分检查合格后安装上导油槽盖板,并调整盖板上阻油梳齿环与轴领间隙符合要求,将上导油冷却器装入油槽,最后安装上导油雾收集系统等.3结束语从2001年11月到2003年6月,经过每个员工的日夜拼搏,取得了我国第一台700MW水轮发电机组顺利投产发电的胜利,填补了我国特大型水电机组安装调试的空白,更重要的是积累了丰富的特大型水力发电机组的安装经验. 我国已步入水电发展的高峰期,大型,特大型水轮发电机组安装项目今后还会很多.相信在今后的工作中我们会做得更好,技术更上一层楼.点及辅助测温;在铁芯上缠绕测量绕组,测量其感应电压. 10.3试验标准在试验过程,温升~<5K/h,铁芯温度~70'E,上,下压板的温差<10K,铁芯与机座的温差<25K.试验时间1.5小时.11结语三峡左岸电站VGS机组定子的铁芯叠装工作目前已完成4台,其质量均满足优良标准;在铁芯叠装过程中采用预叠片的方式定位定位筋,分段叠片逐段调整定位筋和焊接托板的方式在三峡运用成功,是对传统铁芯叠装工艺的一大改进与提高,使传统工艺中的先安装定位筋后叠片的方式得到有效的简化,并在工期上不相抵触.铁芯冲片不测量其厚度差,利用增减片及补偿片的办法调整铁芯的波浪度和径向倾斜,对控制铁芯的有效高度带来便利,从检查铁芯的密实情况来看,也无不良影响.。
###水电厂
水导轴承解体、装复施工方案
批准:
审核:
校核:
编写:
湖南###电力工程有限公司
2008年8月30日
水导轴承解体、装复施工方案
一、工程概述
由于水轮机转轮及其上下迷宫环存在制造误差,导致水流经过水轮机后会产生不均匀的径向力作用于水轮机的旋转轴线,由于机组轴线不能成为直线,以及推力轴承镜板不能保持完全水平,使得水轮机轴线上时刻有一个偏高旋转中心线的力作用在上面,为了保持水轮机的运行稳定,需要在靠近转轮的部位安装一个导轴承来限制水轮机轴线的位移,水导轴承为此而设立。
水导轴承为稀油润滑分块瓦轴承,安装在顶盖内。
水导轴承的主要部件有:限制水轮机大轴移动的分块瓦,支持分块瓦并将分块瓦所受到的力传到顶盖上的轴承座,调整水导瓦间隙的调整装置,冷却润滑油的冷却器,装载润滑油的挡油筒和油盆,与分块瓦一起构成限制大轴转移的主轴轴颈。
二、工程内容及时间
1.检修准备;
2.水导轴承拆卸;
3.水导瓦检修;
4.水轮机主轴轴领检修;
5.水导油槽油冷却器检查;
6.呼吸器滤网清扫;
7.水导油槽壁检查;
8.所有密封条与密封垫检查更换;
9.水导装复。
三、施工步骤及方法
1.检修准备:
1)场地布置妥当,各部件放置地点已经确定;
2)检修所用的工器具以及材料已经全部到位。
2.检修的必备措施:
1)机组停机,关闭进、尾水检修闸门,压力钢管及蜗壳已消压至零,尾水管水位在人孔门以下;
2)做好防止控制环误动的安全措施(如调速器压油槽消压至零);
3)可靠地切断水导轴承油冷却器的冷却水;
4)对所有部件装配位置做详细标记,记号笔难以标示的部位,应用钢印标记,以后的拆卸步骤中,也应
做详细的标记,标记应清晰、规范,必要时应在记录本上绘制示意图并详细说明。
3.水导轴承拆卸:
1)抽干水导轴承油箱内的透平油;
2)将透平油处理至合格;
3)拆除过速装置及与之相连的油管,并拆除水导油槽呼吸器、密封铜环、测速探头;
4)拨出水导盖定位销钉后,松开水导盖螺栓,将水导盖吊起升高并固定放好。
将水导盖结合面作记号后
分半解开其联结螺栓,吊出水车室;
5)拆除水导瓦测温计及水导瓦座上的测速探头;
6)清扫干净油槽内的余油;
7)检查各导瓦与楔子板的标记;
8)分5点对称法测量水导间距,并做好详细记录;
9)松开锲块紧固螺栓,通过用铜棍向下打紧锲块使水导瓦紧贴轴领测量水导间隙,并作好记录,打紧锲
块时,应在+X、+Y两个方向打表监视大轴的移动,大轴位移量不得超过0.01mm;
10)抽出锲块,取出抗重块,将每块水导瓦对应的楔块,套筒及抗重块按编号做为记号,放在一起,并用
白布包好。
提出水导瓦,将水导瓦置于垫有羊毛毡的枕木上,工作面朝上,并用白布盖好;
11)拆除水导油位计,用白布将油位计包好,妥善保管,防止碰撞;
12)拆除中间隔板,按其安装位置做好记录。
拆除水导油盆,用四个相同型号的螺旋千斤顶支撑住水导油
盆,在同千斤顶相同的位置松开四个水导油盆与支撑环的紧固螺栓,装上四根专用吊具用手拉葫芦收紧,松出螺旋千斤顶,松开水导油盆与支撑环的紧固其它螺栓用手拉葫芦将水导油盆整体慢慢落于外壳上;
13)拨出支撑环与顶盖的定位锥销,并按对应的销孔编号保管,松开连接螺栓,将支撑环整体吊升放置于
平等放置的水导轴领以上的两根横梁上;
14)松开轴承应与支撑环的紧固螺栓,将轴承应解体后分半吊走,放置于指定地点;
15)松开油盆与挡油筒的紧固螺栓,使油盆与档油筒分开,拨出油盆分半面处的定位销钉,松开油盆的紧
固螺栓,油盆分半吊出后,拆除冷却盘管,并作好标记;
16)将挡油筒解体,分半运出水车室。
4.水导瓦检修:
1)检查轴瓦表面合金层应无密集气孔,裂纹硬点,脱壳现象,轴瓦表面应无烧瓦变色痕迹;
2)检查轴瓦表面磨损情况,对瓦对硬点可用刮刀挑除,对经过检修的瓦面磨损情况应作好记录;
3)对轴瓦有烧瓦痕迹、裂纹、脱壳等严重缺陷者,应予以更换,或利用现有瓦体,按原来技术规格,重
新浇铸合金层。
5.水轮机主轴轴领检修:
1)轴领无划痕,毛刺、裂纹、锈蚀等缺陷。
若存在上述缺陷,可用细油石按旋转方向轻轻打磨;
2)经检修后的轴领用无水工业酒精清洗干净,并用不起毛的干净棉布等擦干,抹上凡士林,用描图纸敷
盖,严防生锈;
3)检查锲块,抗重块,应无锈蚀,毛刺及碰痕,锈蚀处用细砂纸或端正石沾上透平油打磨,碰痕用油石
研磨,并用无水工业酒精清洗,用白布包好;
4)油盆检查,无砂眼,裂纹等缺陷,接合面光滑平整无碰痕,清洗油盆接合面。
6.水导油槽油冷却器检查:
水导油槽油冷却器用毛刷仔细清扫,或将冷却盘拆除后浸入放有除济的溶液中,辅以毛刷清洗,最后通以清水,将冷却盘管内外壁清洗干净,注意:所使用的除垢剂不得损害冷却盘管本身。
回装后应作0.6MP
水压试验,经30分钟无渗漏方为合格。
7.呼吸器滤网清扫:
将呼吸器泡入溶有除垢剂的水中,用毛刷反复清扫,再用清水冲洗。
8.水导油槽壁检查:
油槽法兰螺孔应完好,油槽壁应无砂眼、裂纹、螺纹孔滑牙,错牙者应予以相应处理。
9.水导所有密封条,应无较深压痕,变形及断裂情况,弹性应良好,否则予以更换。
在粘接封条时,搭
接上斜面为30°,切口应平整吻合,且为上、下方向搭接,粘接后接口应光滑,平整牢固。
10.水导所有已拆开的管道法兰平板垫应更换,更换时注意平板垫的规格与材与原来垫片相同,安装时法
兰面上粘有的残余垫片应用刮刀铲除。
11.水导装复:
1)将分半挡油筒置于主轴密封盖上,在挡油筒的分半法兰面上均匀地抹上一薄层耐油密封涂料,调好水
平及方位,组合在一起;
2)将冷却盘管装入对应的分半油盆内,安装时,在冷却盘管与冷却水进、出口处法兰面上加上密封圈;
3)在主轴密封外壳上支好枕木,把安装好冷却盘管的分半油盆落于枕木之上,在分半法兰面上抹上耐油
密封涂料,调好水平及方位,组合在一起,打入锥销,拧紧螺栓;
4)稍微提出组合好的油盆,抽出枕木,在挡油筒和油盆接合面之间放好已粘接合格的Φ5耐油橡胶密条,
并抹上黄油,调好同心度,对好螺孔后落下油盆,把紧螺栓;
5)在控制环上面支撑两根平行放置且宽度适中的梁,将分半轴承座置于梁上,组合好。
调整好轴承座和
支撑环两者的同心度,对好螺孔,落下支撑环,组合好;
6)吊起支撑环与轴承座分装配,移开横梁,对好方位及同心度,将分装配落于顶盖上,打入锥销,对称
拧紧螺栓;
7)将Φ5的耐油橡胶密封条沾接合格后放于油盆上端法兰密封槽内,并涂上黄油,用相同型号的螺旋千
斤将油盆和档油筒分装配水平顶起,调好同心度,测量挡油外壁与大轴间隙应符合设计值。
设计值为
10.0mm,共测8点;
8)水导油盆组装合格后进行煤油渗漏实验,8小时无渗漏方为合格;
9)在调整好轴线位置后方可安装水导瓦,正确装复水导瓦的楔子板,将水导瓦的间隙调整合格,并作好
记录,间隙调整步骤如下:
◆在水导轴领+X、+Y方向装表监视主轴,调整过程中主轴不得位移;
◆用铜棍打紧锲块,使各导瓦紧贴轴领,表监视主轴端有位移;
◆测量并记录各导瓦楔块深度Ali;
◆用以下公式计算各楔块最终理论深度A2i+5*δ+A1i,其中δ为水导平均间隙;
◆测量并记录各楔块最终实际深度A3i满足|A3i-A2i|≤0.2;
◆根据楔块的实际深度配制套筒,装复套筒后将楔块牢固锁定。
10)回装水导瓦测温装置及过速探头、安全摆;
11)回装水导盖以及水导盖密封铜环,用塞尺检查密封铜环与大轴间隙,满足1mm塞尺能通过,则属合格;
12)回装呼吸器、油位计、油冷却器水管及其他管路;
13)水导轴承检修标准:
◆水导单边间隙设计0.15mm,后改为0.25mm;
◆挡油筒外壁与水轮机大轴间隙10.0mm;
◆水导轴承油槽经煤油渗漏试验8小时无渗漏;
◆水导轴承冷却器经0.6MP水压试验,历时30分钟无渗漏现象;
◆水导轴承盖密封1mm塞尺应能通过;
◆
◆轴领不圆度应不小于0.02~0.03mm且无明显凸凹现象;
◆研磨轴领毛刺及划痕。
四、安全注意事项
1.布置好检修相关安全措施;
2.检修过程中,应对各部件的装配做详细的标记和记录,以备装复时作为参考,避免错装;
3.在上下层同时进行工作时,加强监护,防止落物伤人;
4.高处作业以及临悬空面的工作,必须系安全带或者采取其它保护措施。
五、工具
序号步骤器具名称规格数量备注
1 检修准备
2
3
4
5
序号步骤器具名称规格数量备注
6
六、
序号步骤器具名称规格数量备注
1 检修准备
2
3
4
5
6
2008年8月10日。