液晶聚合物_新一代高性能FPC基材
- 格式:pdf
- 大小:259.61 KB
- 文档页数:7
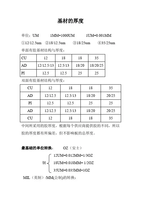
基材的厚度单位:UM 1MM=1000UM 1UM=0.001MM①12/12.5um ②18/12.5um ③18/25um ④35/25um 单面有胶基材结构与厚度:双面有胶基材结构与厚度:中间所采用的胶厚度,根据每个供应商提供胶的不同,所以胶的厚度都有所偏差,但不影响板的总厚度。
最基础的单位转换:OZ(安士)12UM=0.012MM=1/3OZ铜18UM=0.018MM= 1/2OZ35UM=0.035MM=1OZMIL(英制)/MM(公制)的转换:12.5UM=0.01252MM= 1/2MILPI25UM=0.0254MM= 1MIL1MIL=0.025MM 2MIL=0.05MM3MIL=0.075MM 4MIL=0.1MM5MIL=0.125MM 6MIL=0.15MM7MIL=0.175MM 8MIL=0.2MM9MIL=0.225MM 10MIL=0.25MM(一定要记住以上公英制转换)下面要熟悉并能听懂一些常用的专业用语:18/12.5 35/25半对半(H/H)一对一(1/1)无胶基材1,单面无胶基材的结构:铜CU . 聚酰亚胺PI2,双面无胶基材的结构:铜CU. 聚酰亚胺PI铜CU①12/12.5um ②18/12.5um ③18/25um ④35/25um 单面无胶基材结构与厚度:双面无胶基材结构与厚度:有胶材料与无胶材料的区别:有胶:比较厚,弯折性能比无胶差些,剥离强度好,不易分层、掉焊盘。
无胶:薄、弯折性能好,柔软。
用于弯折次数比较多的产品。
易分层,剥离强度不好。
故在做设计时,必须注意压盘处理。
覆盖膜(COVERLAY)覆盖膜也叫包封、保护膜覆盖膜的作用:与PCB的油墨一样,起到绝缘、.保护线路、阻焊、防氧化。
覆盖膜的结构:PI 膜面黄面PI面AD 胶面纸面白面覆盖膜的厚度:单/双面板的结构:PI COVERLAYERAD ADHESIVECU COPPERAD ADHESIVEPI BASE FILMAD ADHESIVECU COPPERAD ADHESIVEPI COVERLAYER。
FPC基材常规材料介绍
FPC基材(Flexible Printed Circuit)是一种可伸缩性的印刷电路板,由铝箔基材、PET薄膜、聚酰胺、环氧树脂和其他材料组成,用于製造、重新设计和测试复杂的精密控制系统和电子设备。
FPC基材可用于电
子产品的结构连接、传输和組装,具有良好的环境抗性、耐电弧、抗衰减
性和传导性能,是全球多数消费性电子产品,特别是手机、笔记本电脑等
小型减薄的电子设备的整个电子结构的重要部分。
1、铝箔基材:铝箔基材是FPC基材的基础部分,其厚度稳定,对外
部环境、温度、湿度等有良好的耐受性,具有良好的抗张强度、抗弯折强度、耐电弧性能和分层连接可靠性等优秀性能,可长时间使用,可耐受高
温和湿度的环境,是FPC基材中用于制作FPC电路的主要材料。
2、PET材料:PET薄膜是一种聚酯制品,具有高韧性、高强度、小厚度、良好的电绝缘性和低水吸收性等特性,主要用于抗紫外线、水、油、
防腐蚀、电气绝缘和电子设备的分层绝缘阻隔。
3、PEN材料:PEN聚酰胺是一种聚酰胺类型的弹性聚合物,具有耐热、耐酸碱、高强度和高透明性等特点。
液晶高分子聚合物(LCP)液晶高分子聚合物(LCP)的概述液晶高分子聚合物时80年代初期发展起来的一种新型高性能工程塑料,英文名为:Liquid Crystal Polyester 简称为LCP。
聚合方法以熔融缩聚为主,全芳香族L CP多辅以固相缩聚以制得高分子量产品。
非全芳香族LCP常采用一步或二步熔融聚合制取产品。
近年连续熔融制取高分子量LCP的技术得到发展。
液晶芳香族聚酯在液晶态下由于其大分子链式取向的,它有异常规整的纤维状结构,性能特殊,制品强度很高,并不亚于金属和陶瓷。
拉伸强度和弯曲模量可超过1 0年来发展起来的各种热塑性工程塑料。
机械性能、尺寸稳定性、光学性能、电性能、耐化学药品性、阻燃性、加工性良好,耐热性良好,热膨胀系数较低。
采用的单体不同,制得的液晶聚酯的性能、加工性和价格也不同。
选择的填料不同、填料添加量的不同也都影响它的性能。
液晶聚合物高分子(LCP)的特性与应用一、特性液晶高分子聚合物树脂一般为米黄色,也有呈白色的不透明的固体粉末。
密度为1.4~1.7g/cm3。
液晶聚合物具有高强度,高模量的力学性能,由于其结构特点而具有增强型,因而不增强的液晶塑料即可达到甚至超过普通工程塑料用百分之几十玻璃纤维增强后的机械强度及其模量的水平;如果用玻璃纤维,碳纤维等增强,更远远超过其他工程塑料。
液晶聚合物还具有优良的热稳定性、耐热性及耐化学药品性,对大多数塑料存在的蠕变缺点,液晶材料可忽略不计,而且耐磨、减磨性均优异。
LCP的耐气候性、耐辐射性良好,具有优异的阻燃性,能熄灭火焰而不再继续进行燃烧。
其燃烧等级达到UL94V-0级水平。
LCP是防火安全性最好的特种塑料之一。
LCP具有优良的电绝缘性能。
其介电强度比一般工程塑料高,耐电弧性良好。
作为电器应用制件,有连续使用温度200~300℃时,其电性能不受影响。
而间断使用温度可达316℃左右。
LCP具有突出的耐腐蚀性能,LCP制品在浓度为90%的酸及浓度为50%的碱存在下不会受到侵蚀,对于工业溶剂、燃料油、洗涤剂及热水,接触后不会被溶解,也不会引起应力开裂。
Welcome to Kingfa 600143.SS2016/10/29Vicryst® LCP特性及应用珠海万通特种工程塑料有限公司Zhuhai Vanteque Specialty Engineering Plastics Co., Ltd.金发科技股份有限公司Kingfa Sci. & Tech. Co., Ltd.产品研发工程师——周广亮Page upPage down2016/10/29Page 1/11-聚合物材料概览非晶型结晶型通用塑料PS HIPS ABS PMMA SAN PVC PVC/ABSPP PE工程塑料PC PC/ABS PPEPA6 PA66PBT PET POMPEI PES PSU PPSUPEEK PPSLCPPA10T PA6T PA4T PA46特种工程塑料100℃150℃210℃长期使用温度Page up Page downPage 2/112016/10/29-万通(Vanteque)特种工程塑料Vicnyl® HTPA (including PA10T, PA10T/X, PA6T/X, etc)Vicryst® LCPVispeek® PAEK(including PEEK, PEEKK and PEDEKK)Visulfon TM PPSU/PESVispct TM PCTPage upPage down2016/10/29Page 3/11金发科技在珠海投资4.1亿RMB,建成占地约800亩的合成基地,产品包括高温尼龙、LCP、PPSU、PEEK及降解塑料等。
-Vicryst®LCP材料简介Vicryst®LCPPage upPage down2016/10/29Page 4/11Vicryst®LCP-Vicryst®LCP 材料简介Hydroxy benzoic acid BiphenolTerephthalic acidCO O OO COOC Vicryst®LCP 是一种基于全芳香族聚酯的高性能聚合物材料,其熔点(Tm )为355℃,热变形温度(HDT )高达280℃。
fpc是什么FPC 是什么 FPC 是 Flexible Printed Circuit 的简称,又称软性线路板、柔性印刷电路板,挠性线路板,简称软板或 FPC,具有配线密度高、重量轻、厚度薄的特点. 主要使用在手机、笔记本电脑、 PDA、数码相机、 LCM 等很多产品. FPC 软性印制电路是以聚酰亚胺或聚酯薄膜为基材制成的一种具有高度可靠性,绝佳的可挠性印刷电路。
产品特点:1 .可自由弯曲、折叠、卷绕,可在三维空间随意移动及伸缩。
2.散热性能好,可利用 F-PC 缩小体积。
3.实现轻量化、小型化、薄型化,从而达到元件装置和导线连接一体化。
FPC 应用领域 MP3、 MP4 播放器、便携式 CD 播放机、家用 VCD、 DVD 、数码照相机、手机及手机电池、医疗、汽车及航天领域 FPC 成为环氧覆铜板重要品种具有柔性功能、以环氧树脂为基材的挠性覆铜板(FPC),由于拥有特殊的功能而使用越来越广泛,正在成为环氧树脂基覆铜板的一个重要品种。
但我国起步较晚有待迎头赶上。
环氧挠性印制线路板自实现工业生产以来,至今已经历了 30 多年的发展历程。
1/ 20从 20 世纪 70 年代开始迈入了真正工业化的大生产,直至 80年代后期,由于一类新的聚酰亚胺薄膜材料的问世及应用,挠性印制电路板使 FPC 出现了无粘接剂型的 FPC(一般将其称为二层型FPC)。
进入 90 年代世界上开发出与高密度电路相对应的感光性覆盖膜,使得 FPC 在设计方面有了较大的转变。
由于新应用领域的开辟,它的产品形态的概念又发生了不小的变化,其中把它扩展到包括 TAB、 COB 用基板的更大范围。
在 90 年代的后半期所兴起的高密度 FPC 开始进入规模化的工业生产。
它的电路图形急剧向更加微细程度发展,高密度 FPC 的市场需求量也在迅速增长。
FPC 也可以称为: 柔性线路板 PCB 称为硬板最常有的材料如: 美资: 杜邦 ROGERS 日资: 有泽 TORAY 信越京瓷台资: 台虹宏仁律胜四维新杨佳胜国产: 九江华弘PCB/ FPC 常用单位的互换关系 1 inch(英寸) = 25.4m m (毫米)= 1 000m ils(千分之一英寸); 1 m (米) = 3.28foot(英尺);1 foot(英尺) = 12 inch(英寸); 1 m ils(千分之一英寸) = 25.4um (微米) = 1 000uinch(微英寸); 1 M2(平方米) = 10.7638 SF(平方英尺); 1 SF(英尺) = 1 44 square inch(平方英寸) ;1 OZ(盈司) = 35um (微米) ; 1 OZ(盈司) = 1 .38m ils(千分之一英寸); 1 Lt(公升) = 1 dm 3(立方分米); 1 Lt(公升) =61 .026 cubic inch(立方英寸); 1 Kg(公斤) = 1 000g(克);1 LB(英镑) = 453.92g(克); 1 Kg(公斤) = 1 000g(克);1 Kg(公斤) = 2.20LB(英镑); 1 Kg(公斤)= 9.8N (牛顿); 1 m(米) = 1 0dm (分米) = 1 00cm ( 厘米) = 1 000m m (毫米) 1m m (毫米) = 1 000um (微米) ; 1 um (微米) = 1 000 nm(纳米); 1 Gal(加仑) = 4.546 Lt(公升) 英制; 1 Gal(加仑) = 3.785Lt(公升)美制; 1 PSI (磅/平方英寸)=0.006895Mpa(兆帕斯卡); 1 Pa(帕斯卡) = 1 N/m 2(牛顿/平方米); 1 bar(巴) = 0.1 01 Mpa(兆帕斯卡) ; 1 克= 5 克拉. 1、 Access Hole 露出孔(穿露孔,露底孔) (FPC、软板相关术语)常指软板外表的保护层 Coverlay(须先冲切出的穿露孔) ,用以贴合在软板线路表面做为防焊膜的用途。
液晶高分子间的一种中介态它是介于液体和晶体之,液晶现象是1888年奥地利植物学家F.Reintizer 在研究胆甾醇苯甲酯时首先发现的。
研究表明,液晶是介于液体和晶体之间的一种特殊的热力学稳定相态,它既具有晶体的各相异性,又有液态的流动性。
小分子液晶的这种神奇状态引起了人们浓厚兴趣,现已发现多种液晶材料。
这些主要是一些有机材料,形成液晶的物质通常具有刚性的分子结构,分子的长宽比例大于一,呈棒状构象,同时还具有在液相下维持分子某种排序所必需的凝聚力。
这种凝聚力通常是由结构中的强极性基团,高度可极化基团或氢键提供。
1937年Bawden和Pirie在研究烟草花叶病病毒时,发现其悬浮液具有液晶的特性。
这是人们第一次发现生物高分子的液晶特性,其后1950年,Elliott 与Ambrose第一次合成了高分子液晶,溶致型液晶的研究工作至此展开。
50年代到70年代,美国Du Pont公司投入大量人力才力进行高分子液晶发面的研究,取得了极大成就,1959年推出芳香酰胺液晶,但分子量较低,1963年,用低温溶液缩聚法合成全芳香聚酰胺,并制成阻燃纤维Nomex,1972年研制出强度优于玻璃纤维的超高强.高模量的Kevlar纤维,并付注实用,以后,高分子液晶的研究则从溶致型转向为热致型。
在这一方面Jackson等作出了较大贡献,他们合成了对苯二甲酸已二醇酯与对羟基苯甲酸的共聚物,可注塑成型,这是一种模量极高的自增强液晶材料。
高分子液晶是介于液体和晶体之间的一种中介态,具有独特的性能。
高分子液晶一般都具有高模量高强度,并且在其相区间温度时的粘度较低,且高度取向,利用这一特性进行纺丝,不仅可以节省能耗而且可以获得高模量高强度的纤维,用于做消防用的耐火防护服或各种规格的高强缆绳;另外,经过改性后的高分子液晶还可用于显示材料或信息记录材料;小分子胆甾型液晶已成功用于测定精密温度和痕量药品的检测,高分子胆甾型液晶材料在这方面的应用也正在开发之中。
Welcome to Kingfa 600143.SS2016/10/29Vicryst® LCP特性及应用珠海万通特种工程塑料有限公司Zhuhai Vanteque Specialty Engineering Plastics Co., Ltd.金发科技股份有限公司Kingfa Sci. & Tech. Co., Ltd.产品研发工程师——周广亮Page upPage down2016/10/29Page 1/11-聚合物材料概览非晶型结晶型通用塑料PS HIPS ABS PMMA SAN PVC PVC/ABSPP PE工程塑料PC PC/ABS PPEPA6 PA66PBT PET POMPEI PES PSU PPSUPEEK PPSLCPPA10T PA6T PA4T PA46特种工程塑料100℃150℃210℃长期使用温度Page up Page downPage 2/112016/10/29-万通(Vanteque)特种工程塑料Vicnyl® HTPA (including PA10T, PA10T/X, PA6T/X, etc)Vicryst® LCPVispeek® PAEK(including PEEK, PEEKK and PEDEKK)Visulfon TM PPSU/PESVispct TM PCTPage upPage down2016/10/29Page 3/11金发科技在珠海投资4.1亿RMB,建成占地约800亩的合成基地,产品包括高温尼龙、LCP、PPSU、PEEK及降解塑料等。
-Vicryst®LCP材料简介Vicryst®LCPPage upPage down2016/10/29Page 4/11Vicryst®LCP-Vicryst®LCP 材料简介Hydroxy benzoic acid BiphenolTerephthalic acidCO O OO COOC Vicryst®LCP 是一种基于全芳香族聚酯的高性能聚合物材料,其熔点(Tm )为355℃,热变形温度(HDT )高达280℃。
液晶聚合物——新一代高性能FPC基材
张洪文(编译)
【期刊名称】《覆铜板资讯》
【年(卷),期】2009(000)005
【摘要】本文综述了新一代高性能FPC基材——液晶聚合物挠性印制电路基材的性能、制法及用途。
【总页数】7页(P38-44)
【作者】张洪文(编译)
【作者单位】无
【正文语种】中文
【中图分类】O753.2
【相关文献】
1.道康宁推出新一代高性能建筑硅基材料 [J],
2.高性能FPC基材保护膜的制备与性能研究 [J], 肖建伟;刘大娟;严辉;李静;孟飞;刘莎莎;范和平
3.新一代印制电路板的命脉——高性能基材 [J], 龚永林
4.液晶聚合物基材大批量应用 [J],
5.道康宁宣布推出新一代硅基材料,用于高性能建筑的高新硅基解决方案 [J], 雪因版权原因,仅展示原文概要,查看原文内容请购买。